BOSCH Federsteg | Ersatzteile für GCM 12 GDL | 1609B00638

Artikelnummer: EB-3601M236H1-1609B00638

Position: 298

Marke: BOSCH


Bitte Kompatibilität prüfen!

Bitte prüfen Sie unbedingt die 10-stellige Typennummer Ihrer Maschine / Ihres Gerätes. Das Ersatzteil ist nur kompatibel, wenn Sie die Typennummer Ihrer Maschine in der unten stehenden Produktbeschreibung finden.

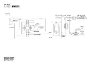
Bitte prüfen Sie ebenfalls detailliert die Explosionszeichnung mit Ihrem Artikelwunsch und der jeweiligen Pos-Nummer.

Alle Elemente, welche vom schwarzen Strich der Pos-Nummer ausgehend berührt / erfasst werden, gehören zu dieser Pos-Nummer und somit zu diesem Artikel. Jede Pos-Nummer ist ein eigenständiger Artikel, welchen Sie in der Auflistung finden.

Sie erhalten stets die aktuellste, neueste Produktversion zu der gewählten Pos-Nummer seitens des Herstellers. Es kann daher je nach Gerätealter vorkommen, dass Sie ggf. weitere, zugehörige Elemente, welche an diese Pos-Nummer grenzen, ebenfalls mittauschen müssen.

Nähere Informationen finden Sie unter dem Link
Hinweise zu Ihrer BOSCH Ersatzteilsuche

Preisübersicht

Einzelpreis: 3,63 €* (Brutto: 4,32 €)
Gesamtpreis: 3,63 €* 
Position:

Lieferzeit: 5 Werktage


Beschreibung

  • Federsteg
  • Original Bosch Zubehör / BOSCH Ersatzteil (1609B00638)
  • im Gerät verbaut: 1
Dieses BOSCH Ersatzteil ist mit folgendem Gerät und Modell kompatibel:
  • BOSCH Gerätename: GCM 12 GDL
  • BOSCH Explosionszeichnung: Position 298
  • BOSCH Typennummer: 3601M236H1
  • BOSCH Typennummer alternative Schreibweisen: 3 601 M23 6H1, 3601 M23 6H1, 3.601.M23.6H1, 3-601-M23-6H1
    Bitte prüfen Sie diese Typennummer auf Ihrem Gerät um die Kompatibilität des BOSCH Ersatzteils zu gewährleisten.
Weitere BOSCH Ersatzteile des Gerätes GCM 12 GDL (Kapp-/Zugsäge) mit der Typennummer 3601M236H1 finden Sie in der nachfolgenden Darstellung und im Dropdown zu Ihrer Auswahl:

Pos.
2
BOSCH Polschuh 220V | Ersatzteile für GCM 12 GDL | 1609B06246
Hersteller: BOSCH
Artikelnummer: EB-3601M236H1-1609B06246
Netto: 70,50 € zzgl. MwSt.
zzgl. 6,90 € Versand (brutto)
einmalig pro Bestellung

Lieferzeit: 5 Werktage

Pos.
4
BOSCH Schalter | Ersatzteile für GCM 12 GDL | 1607200334
Hersteller: BOSCH
Artikelnummer: EB-3601M236H1-1609B06720
Netto: 13,29 € zzgl. MwSt.
zzgl. 6,90 € Versand (brutto)
einmalig pro Bestellung

Lieferzeit: 5 Werktage

Pos.
13
BOSCH Lager | Ersatzteile für GCM 12 GDL | 1609B00597
Hersteller: BOSCH
Artikelnummer: EB-3601M236H1-1609B00597
Netto: 9,18 € zzgl. MwSt.
zzgl. 6,90 € Versand (brutto)
einmalig pro Bestellung

Lieferzeit: 5 Werktage

Pos.
20
BOSCH Warnschild | Ersatzteile für GCM 12 GDL | 1609B04936
Hersteller: BOSCH
Artikelnummer: EB-3601M236H1-1609B04936
Netto: 4,53 € zzgl. MwSt.
zzgl. 6,90 € Versand (brutto)
einmalig pro Bestellung

Lieferzeit: 5 Werktage

Pos.
31
BOSCH Verschleissplatte | Ersatzteile für GCM 12 GDL | 1609B00201
Hersteller: BOSCH
Artikelnummer: EB-3601M236H1-1609B00201
nur Informationsartikel
Nie mehr lieferbar
keine Alternativen
Pos.
32
BOSCH Zapfen | Ersatzteile für GCM 12 GDL | 1609B00203
Hersteller: BOSCH
Artikelnummer: EB-3601M236H1-1609B00203
Netto: 5,67 € zzgl. MwSt.
zzgl. 6,90 € Versand (brutto)
einmalig pro Bestellung

Lieferzeit: 5 Werktage

Pos.
33
BOSCH Drehfeder | Ersatzteile für GCM 12 GDL | 1609B00204
Hersteller: BOSCH
Artikelnummer: EB-3601M236H1-1609B00204
Netto: 11,92 € zzgl. MwSt.
zzgl. 6,90 € Versand (brutto)
einmalig pro Bestellung

Lieferzeit: 5 Werktage

Pos.
34
BOSCH Lagerbuchse | Ersatzteile für GCM 12 GDL | 1609B02581
Hersteller: BOSCH
Artikelnummer: EB-3601M236H1-1609B02581
Netto: 3,63 € zzgl. MwSt.
zzgl. 6,90 € Versand (brutto)
einmalig pro Bestellung

Lieferzeit: 5 Werktage

Pos.
35
BOSCH Verschleissplatte | Ersatzteile für GCM 12 GDL | 1609B00206
Hersteller: BOSCH
Artikelnummer: EB-3601M236H1-1609B00206
Netto: 3,94 € zzgl. MwSt.
zzgl. 6,90 € Versand (brutto)
einmalig pro Bestellung

Lieferzeit: 5 Werktage

Pos.
36
BOSCH Gurt | Ersatzteile für GCM 12 GDL | 1609B00207
Hersteller: BOSCH
Artikelnummer: EB-3601M236H1-1609B00207
Netto: 24,13 € zzgl. MwSt.
zzgl. 6,90 € Versand (brutto)
einmalig pro Bestellung

Lieferzeit: 5 Werktage

Pos.
37
BOSCH Flansch | Ersatzteile für GCM 12 GDL | 1609B02351
Hersteller: BOSCH
Artikelnummer: EB-3601M236H1-1609B02351
Netto: 9,18 € zzgl. MwSt.
zzgl. 6,90 € Versand (brutto)
einmalig pro Bestellung

Lieferzeit: 5 Werktage

Pos.
39
BOSCH Flansch | Ersatzteile für GCM 12 GDL | 1609B02352
Hersteller: BOSCH
Artikelnummer: EB-3601M236H1-1609B02352
Netto: 9,95 € zzgl. MwSt.
zzgl. 6,90 € Versand (brutto)
einmalig pro Bestellung

Lieferzeit: 5 Werktage

Pos.
41
BOSCH Bundbolzen | Ersatzteile für GCM 12 GDL | 1609B00960
Hersteller: BOSCH
Artikelnummer: EB-3601M236H1-1609B00960
Netto: 5,67 € zzgl. MwSt.
zzgl. 6,90 € Versand (brutto)
einmalig pro Bestellung

Lieferzeit: 5 Werktage

Pos.
42
BOSCH Scheibe | Ersatzteile für GCM 12 GDL | 1609B00212
Hersteller: BOSCH
Artikelnummer: EB-3601M236H1-1609B00212
Netto: 3,63 € zzgl. MwSt.
zzgl. 6,90 € Versand (brutto)
einmalig pro Bestellung

Lieferzeit: 5 Werktage

Pos.
43
BOSCH Flanschbolzen | Ersatzteile für GCM 12 GDL | 1609B00213
Hersteller: BOSCH
Artikelnummer: EB-3601M236H1-1609B00213
Netto: 3,63 € zzgl. MwSt.
zzgl. 6,90 € Versand (brutto)
einmalig pro Bestellung

Lieferzeit: 5 Werktage

Pos.
45
BOSCH Arretierblech | Ersatzteile für GCM 12 GDL | 1609B04487
Hersteller: BOSCH
Artikelnummer: EB-3601M236H1-1609B04487
Netto: 8,33 € zzgl. MwSt.
zzgl. 6,90 € Versand (brutto)
einmalig pro Bestellung

Lieferzeit: 5 Werktage

Pos.
46
BOSCH Schraube | Ersatzteile für GCM 12 GDL | 1609B00223
Hersteller: BOSCH
Artikelnummer: EB-3601M236H1-1609B00223
Netto: 3,94 € zzgl. MwSt.
zzgl. 6,90 € Versand (brutto)
einmalig pro Bestellung

Lieferzeit: 5 Werktage

Pos.
47
BOSCH Mutter | Ersatzteile für GCM 12 GDL | 1609B00225
Hersteller: BOSCH
Artikelnummer: EB-3601M236H1-1609B00225
Netto: 5,19 € zzgl. MwSt.
zzgl. 6,90 € Versand (brutto)
einmalig pro Bestellung

Lieferzeit: 5 Werktage

Pos.
48
BOSCH Schiebeblech | Ersatzteile für GCM 12 GDL | 1609B04471
Hersteller: BOSCH
Artikelnummer: EB-3601M236H1-1609B04471
Netto: 3,94 € zzgl. MwSt.
zzgl. 6,90 € Versand (brutto)
einmalig pro Bestellung

Lieferzeit: 5 Werktage

Pos.
49
BOSCH Gerätefuss | Ersatzteile für GCM 12 GDL | 1609B01431
Hersteller: BOSCH
Artikelnummer: EB-3601M236H1-1609B01431
nur Informationsartikel
Nie mehr lieferbar
keine Alternativen
Pos.
55
BOSCH Sperrhebel | Ersatzteile für GCM 12 GDL | 1609B00232
Hersteller: BOSCH
Artikelnummer: EB-3601M236H1-1609B00232
Netto: 3,94 € zzgl. MwSt.
zzgl. 6,90 € Versand (brutto)
einmalig pro Bestellung

Lieferzeit: 5 Werktage

Pos.
56
BOSCH Sperrhebel | Ersatzteile für GCM 12 GDL | 1609B00233
Hersteller: BOSCH
Artikelnummer: EB-3601M236H1-1609B00233
Netto: 3,63 € zzgl. MwSt.
zzgl. 6,90 € Versand (brutto)
einmalig pro Bestellung

Lieferzeit: 5 Werktage

Pos.
57
BOSCH Schraube | Ersatzteile für GCM 12 GDL | 1609B00234
Hersteller: BOSCH
Artikelnummer: EB-3601M236H1-1609B00234
Netto: 5,67 € zzgl. MwSt.
zzgl. 6,90 € Versand (brutto)
einmalig pro Bestellung

Lieferzeit: 5 Werktage

Pos.
58
BOSCH Schraube | Ersatzteile für GCM 12 GDL | 1609B00235
Hersteller: BOSCH
Artikelnummer: EB-3601M236H1-1609B00235
Netto: 5,67 € zzgl. MwSt.
zzgl. 6,90 € Versand (brutto)
einmalig pro Bestellung

Lieferzeit: 5 Werktage

Pos.
59
BOSCH Ansatzschraube | Ersatzteile für GCM 12 GDL | 1609B00236
Hersteller: BOSCH
Artikelnummer: EB-3601M236H1-1609B00236
Netto: 3,94 € zzgl. MwSt.
zzgl. 6,90 € Versand (brutto)
einmalig pro Bestellung

Lieferzeit: 5 Werktage

Pos.
61
BOSCH Druckfeder | Ersatzteile für GCM 12 GDL | 1609B00237
Hersteller: BOSCH
Artikelnummer: EB-3601M236H1-1609B00237
Netto: 3,63 € zzgl. MwSt.
zzgl. 6,90 € Versand (brutto)
einmalig pro Bestellung

Lieferzeit: 5 Werktage

Pos.
62
BOSCH Ansatzschraube | Ersatzteile für GCM 12 GDL | 1609B00238
Hersteller: BOSCH
Artikelnummer: EB-3601M236H1-1609B00238
Netto: 3,94 € zzgl. MwSt.
zzgl. 6,90 € Versand (brutto)
einmalig pro Bestellung

Lieferzeit: 5 Werktage

Pos.
63
BOSCH Gehrungslineal | Ersatzteile für GCM 12 GDL | 1609B04462
Hersteller: BOSCH
Artikelnummer: EB-3601M236H1-1609B04462
Netto: 19,18 € zzgl. MwSt.
zzgl. 6,90 € Versand (brutto)
einmalig pro Bestellung

Lieferzeit: 5 Werktage

Pos.
64
BOSCH Gehrungslineal | Ersatzteile für GCM 12 GDL | 1609B04463
Hersteller: BOSCH
Artikelnummer: EB-3601M236H1-1609B04463
Netto: 21,16 € zzgl. MwSt.
zzgl. 6,90 € Versand (brutto)
einmalig pro Bestellung

Lieferzeit: 5 Werktage

Pos.
65
BOSCH Gehrungslineal | Ersatzteile für GCM 12 GDL | 1609B04493
Hersteller: BOSCH
Artikelnummer: EB-3601M236H1-1609B04493
Netto: 21,16 € zzgl. MwSt.
zzgl. 6,90 € Versand (brutto)
einmalig pro Bestellung

Lieferzeit: 5 Werktage

Pos.
66
BOSCH Gehrungslineal | Ersatzteile für GCM 12 GDL | 1609B04494
Hersteller: BOSCH
Artikelnummer: EB-3601M236H1-1609B04494
Netto: 21,16 € zzgl. MwSt.
zzgl. 6,90 € Versand (brutto)
einmalig pro Bestellung

Lieferzeit: 5 Werktage

Pos.
78
BOSCH Skale | Ersatzteile für GCM 12 GDL | 1609B00254
Hersteller: BOSCH
Artikelnummer: EB-3601M236H1-1609B00254
Netto: 21,16 € zzgl. MwSt.
zzgl. 6,90 € Versand (brutto)
einmalig pro Bestellung

Lieferzeit: 5 Werktage

Pos.
79
BOSCH Klemmfeder | Ersatzteile für GCM 12 GDL | 1609B00255
Hersteller: BOSCH
Artikelnummer: EB-3601M236H1-1609B00255
Netto: 3,59 € zzgl. MwSt.
zzgl. 6,90 € Versand (brutto)
einmalig pro Bestellung

Lieferzeit: 5 Werktage

Pos.
81
BOSCH Steckschlüsseleinsatz | Ersatzteile für GCM 12 GDL | 1609B00256
Hersteller: BOSCH
Artikelnummer: EB-3601M236H1-1609B00256
Netto: 4,32 € zzgl. MwSt.
zzgl. 6,90 € Versand (brutto)
einmalig pro Bestellung

Lieferzeit: 5 Werktage

Pos.
83
BOSCH Stützplatte | Ersatzteile für GCM 12 GDL | 1609B04470
Hersteller: BOSCH
Artikelnummer: EB-3601M236H1-1609B04470
Netto: 4,82 € zzgl. MwSt.
zzgl. 6,90 € Versand (brutto)
einmalig pro Bestellung

Lieferzeit: 5 Werktage

Pos.
84
BOSCH Fingerwelle | Ersatzteile für GCM 12 GDL | 1609B00273
Hersteller: BOSCH
Artikelnummer: EB-3601M236H1-1609B00273
Netto: 5,67 € zzgl. MwSt.
zzgl. 6,90 € Versand (brutto)
einmalig pro Bestellung

Lieferzeit: 5 Werktage

Pos.
85
BOSCH Knopf | Ersatzteile für GCM 12 GDL | 1609B04725
Hersteller: BOSCH
Artikelnummer: EB-3601M236H1-1609B04725
nur Informationsartikel
Nie mehr lieferbar
keine Alternativen
Pos.
96
BOSCH Knopf | Ersatzteile für GCM 12 GDL | 1609B00284
Hersteller: BOSCH
Artikelnummer: EB-3601M236H1-1609B00284
Netto: 4,53 € zzgl. MwSt.
zzgl. 6,90 € Versand (brutto)
einmalig pro Bestellung

Lieferzeit: 5 Werktage

Pos.
97
BOSCH Stützwinkel | Ersatzteile für GCM 12 GDL | 1609B00285
Hersteller: BOSCH
Artikelnummer: EB-3601M236H1-1609B00285
Netto: 4,82 € zzgl. MwSt.
zzgl. 6,90 € Versand (brutto)
einmalig pro Bestellung

Lieferzeit: 5 Werktage

Pos.
98
BOSCH Kurvenscheibe | Ersatzteile für GCM 12 GDL | 1609B00286
Hersteller: BOSCH
Artikelnummer: EB-3601M236H1-1609B00286
Netto: 7,30 € zzgl. MwSt.
zzgl. 6,90 € Versand (brutto)
einmalig pro Bestellung

Lieferzeit: 5 Werktage

Pos.
99
BOSCH Gestänge | Ersatzteile für GCM 12 GDL | 1609B04488
Hersteller: BOSCH
Artikelnummer: EB-3601M236H1-1609B04488
Netto: 7,76 € zzgl. MwSt.
zzgl. 6,90 € Versand (brutto)
einmalig pro Bestellung

Lieferzeit: 5 Werktage

Pos.
101
BOSCH Führungsbügel | Ersatzteile für GCM 12 GDL | 1609B00289
Hersteller: BOSCH
Artikelnummer: EB-3601M236H1-1609B00289
Netto: 3,63 € zzgl. MwSt.
zzgl. 6,90 € Versand (brutto)
einmalig pro Bestellung

Lieferzeit: 5 Werktage

Pos.
103
BOSCH Druckfeder | Ersatzteile für GCM 12 GDL | 1609B00291
Hersteller: BOSCH
Artikelnummer: EB-3601M236H1-1609B00291
Netto: 3,63 € zzgl. MwSt.
zzgl. 6,90 € Versand (brutto)
einmalig pro Bestellung

Lieferzeit: 5 Werktage

Pos.
104
BOSCH Sperrhebel | Ersatzteile für GCM 12 GDL | 1609B00292
Hersteller: BOSCH
Artikelnummer: EB-3601M236H1-1609B00292
Netto: 10,92 € zzgl. MwSt.
zzgl. 6,90 € Versand (brutto)
einmalig pro Bestellung

Lieferzeit: 5 Werktage

Pos.
105
BOSCH Hebelwelle | Ersatzteile für GCM 12 GDL | 1609B00293
Hersteller: BOSCH
Artikelnummer: EB-3601M236H1-1609B00293
Netto: 6,70 € zzgl. MwSt.
zzgl. 6,90 € Versand (brutto)
einmalig pro Bestellung

Lieferzeit: 5 Werktage

Pos.
106
BOSCH Kurvenscheibe | Ersatzteile für GCM 12 GDL | 1609B00294
Hersteller: BOSCH
Artikelnummer: EB-3601M236H1-1609B00294
Netto: 3,94 € zzgl. MwSt.
zzgl. 6,90 € Versand (brutto)
einmalig pro Bestellung

Lieferzeit: 5 Werktage

Pos.
107
BOSCH Stützwinkel | Ersatzteile für GCM 12 GDL | 1609B00295
Hersteller: BOSCH
Artikelnummer: EB-3601M236H1-1609B00295
Netto: 8,33 € zzgl. MwSt.
zzgl. 6,90 € Versand (brutto)
einmalig pro Bestellung

Lieferzeit: 5 Werktage

Pos.
108
BOSCH Stützwinkel | Ersatzteile für GCM 12 GDL | 1609B00296
Hersteller: BOSCH
Artikelnummer: EB-3601M236H1-1609B00296
Netto: 6,70 € zzgl. MwSt.
zzgl. 6,90 € Versand (brutto)
einmalig pro Bestellung

Lieferzeit: 5 Werktage

Pos.
109
BOSCH Spannstange | Ersatzteile für GCM 12 GDL | 1609B00297
Hersteller: BOSCH
Artikelnummer: EB-3601M236H1-1609B00297
Netto: 10,92 € zzgl. MwSt.
zzgl. 6,90 € Versand (brutto)
einmalig pro Bestellung

Lieferzeit: 5 Werktage

Pos.
111
BOSCH Tube | Ersatzteile für GCM 12 GDL | 1609B00298
Hersteller: BOSCH
Artikelnummer: EB-3601M236H1-1609B00298
Netto: 12,98 € zzgl. MwSt.
zzgl. 6,90 € Versand (brutto)
einmalig pro Bestellung

Lieferzeit: 5 Werktage

Pos.
112
BOSCH Führungsbügel | Ersatzteile für GCM 12 GDL | 1609B00299
Hersteller: BOSCH
Artikelnummer: EB-3601M236H1-1609B00299
Netto: 3,63 € zzgl. MwSt.
zzgl. 6,90 € Versand (brutto)
einmalig pro Bestellung

Lieferzeit: 5 Werktage

Pos.
114
BOSCH Abdeckung | Ersatzteile für GCM 12 GDL | 1609B04380
Hersteller: BOSCH
Artikelnummer: EB-3601M236H1-1609B04380
nur Informationsartikel
Nie mehr lieferbar
keine Alternativen
Pos.
115
BOSCH Rastbolzen | Ersatzteile für GCM 12 GDL | 1609B00302
Hersteller: BOSCH
Artikelnummer: EB-3601M236H1-1609B00302
Netto: 5,19 € zzgl. MwSt.
zzgl. 6,90 € Versand (brutto)
einmalig pro Bestellung

Lieferzeit: 5 Werktage

Pos.
116
BOSCH Druckfeder | Ersatzteile für GCM 12 GDL | 1609B00303
Hersteller: BOSCH
Artikelnummer: EB-3601M236H1-1609B00303
Netto: 3,63 € zzgl. MwSt.
zzgl. 6,90 € Versand (brutto)
einmalig pro Bestellung

Lieferzeit: 5 Werktage

Pos.
118
BOSCH Bolzen | Ersatzteile für GCM 12 GDL | 1609B00305
Hersteller: BOSCH
Artikelnummer: EB-3601M236H1-1609B00305
Netto: 4,53 € zzgl. MwSt.
zzgl. 6,90 € Versand (brutto)
einmalig pro Bestellung

Lieferzeit: 5 Werktage

Pos.
119
BOSCH Druckfeder | Ersatzteile für GCM 12 GDL | 1609B00306
Hersteller: BOSCH
Artikelnummer: EB-3601M236H1-1609B00306
Netto: 3,63 € zzgl. MwSt.
zzgl. 6,90 € Versand (brutto)
einmalig pro Bestellung

Lieferzeit: 5 Werktage

Pos.
124
BOSCH Zeiger | Ersatzteile für GCM 12 GDL | 1609B04480
Hersteller: BOSCH
Artikelnummer: EB-3601M236H1-1609B04480
Netto: 3,94 € zzgl. MwSt.
zzgl. 6,90 € Versand (brutto)
einmalig pro Bestellung

Lieferzeit: 5 Werktage

Pos.
125
BOSCH Skale | Ersatzteile für GCM 12 GDL | 1609B02988
Hersteller: BOSCH
Artikelnummer: EB-3601M236H1-1609B02988
Netto: 4,82 € zzgl. MwSt.
zzgl. 6,90 € Versand (brutto)
einmalig pro Bestellung

Lieferzeit: 5 Werktage

Pos.
126
BOSCH Platte | Ersatzteile für GCM 12 GDL | 1609B00312
Hersteller: BOSCH
Artikelnummer: EB-3601M236H1-1609B00312
Netto: 4,53 € zzgl. MwSt.
zzgl. 6,90 € Versand (brutto)
einmalig pro Bestellung

Lieferzeit: 5 Werktage

Pos.
129
BOSCH Scharnier | Ersatzteile für GCM 12 GDL | 1609B00331
Hersteller: BOSCH
Artikelnummer: EB-3601M236H1-1609B00331
Netto: 96,32 € zzgl. MwSt.
zzgl. 6,90 € Versand (brutto)
einmalig pro Bestellung

Lieferzeit: 5 Werktage

Pos.
134
BOSCH Scharnier | Ersatzteile für GCM 12 GDL | 1609B00335
Hersteller: BOSCH
Artikelnummer: EB-3601M236H1-1609B00335
Netto: 39,11 € zzgl. MwSt.
zzgl. 6,90 € Versand (brutto)
einmalig pro Bestellung

Lieferzeit: 5 Werktage

Pos.
136
BOSCH Welle | Ersatzteile für GCM 12 GDL | 1609B00337
Hersteller: BOSCH
Artikelnummer: EB-3601M236H1-1609B00337
Netto: 10,92 € zzgl. MwSt.
zzgl. 6,90 € Versand (brutto)
einmalig pro Bestellung

Lieferzeit: 5 Werktage

Pos.
137
BOSCH Welle | Ersatzteile für GCM 12 GDL | 1609B00338
Hersteller: BOSCH
Artikelnummer: EB-3601M236H1-1609B00338
Netto: 9,95 € zzgl. MwSt.
zzgl. 6,90 € Versand (brutto)
einmalig pro Bestellung

Lieferzeit: 5 Werktage

Pos.
138
BOSCH Leitungshalter | Ersatzteile für GCM 12 GDL | 1609B02574
Hersteller: BOSCH
Artikelnummer: EB-3601M236H1-1609B02574
Netto: 3,94 € zzgl. MwSt.
zzgl. 6,90 € Versand (brutto)
einmalig pro Bestellung

Lieferzeit: 5 Werktage

Pos.
142
BOSCH Bolzen | Ersatzteile für GCM 12 GDL | 1609B00342
Hersteller: BOSCH
Artikelnummer: EB-3601M236H1-1609B00342
Netto: 4,53 € zzgl. MwSt.
zzgl. 6,90 € Versand (brutto)
einmalig pro Bestellung

Lieferzeit: 5 Werktage

Pos.
143
BOSCH Lagerbuchse | Ersatzteile für GCM 12 GDL | 1609B00343
Hersteller: BOSCH
Artikelnummer: EB-3601M236H1-1609B00343
Netto: 6,15 € zzgl. MwSt.
zzgl. 6,90 € Versand (brutto)
einmalig pro Bestellung

Lieferzeit: 5 Werktage

Pos.
144
BOSCH Sperrhebel | Ersatzteile für GCM 12 GDL | 1609B00345
Hersteller: BOSCH
Artikelnummer: EB-3601M236H1-1609B00345
Netto: 9,95 € zzgl. MwSt.
zzgl. 6,90 € Versand (brutto)
einmalig pro Bestellung

Lieferzeit: 5 Werktage

Pos.
145
BOSCH Klemmfeder | Ersatzteile für GCM 12 GDL | 1609B00346
Hersteller: BOSCH
Artikelnummer: EB-3601M236H1-1609B00346
Netto: 3,94 € zzgl. MwSt.
zzgl. 6,90 € Versand (brutto)
einmalig pro Bestellung

Lieferzeit: 5 Werktage

Pos.
146
BOSCH Verstellbolzen | Ersatzteile für GCM 12 GDL | 1609B00347
Hersteller: BOSCH
Artikelnummer: EB-3601M236H1-1609B00347
Netto: 3,63 € zzgl. MwSt.
zzgl. 6,90 € Versand (brutto)
einmalig pro Bestellung

Lieferzeit: 5 Werktage

Pos.
147
BOSCH Platte | Ersatzteile für GCM 12 GDL | 1609B00348
Hersteller: BOSCH
Artikelnummer: EB-3601M236H1-1609B00348
Netto: 5,19 € zzgl. MwSt.
zzgl. 6,90 € Versand (brutto)
einmalig pro Bestellung

Lieferzeit: 5 Werktage

Pos.
148
BOSCH Ansatzschraube | Ersatzteile für GCM 12 GDL | 1609B00349
Hersteller: BOSCH
Artikelnummer: EB-3601M236H1-1609B00349
Netto: 3,94 € zzgl. MwSt.
zzgl. 6,90 € Versand (brutto)
einmalig pro Bestellung

Lieferzeit: 5 Werktage

Pos.
149
BOSCH Knopf | Ersatzteile für GCM 12 GDL | 1609B00350
Hersteller: BOSCH
Artikelnummer: EB-3601M236H1-1609B00350
Netto: 3,94 € zzgl. MwSt.
zzgl. 6,90 € Versand (brutto)
einmalig pro Bestellung

Lieferzeit: 5 Werktage

Pos.
151
BOSCH Ansatzschraube | Ersatzteile für GCM 12 GDL | 1609B00351
Hersteller: BOSCH
Artikelnummer: EB-3601M236H1-1609B00351
Netto: 3,63 € zzgl. MwSt.
zzgl. 6,90 € Versand (brutto)
einmalig pro Bestellung

Lieferzeit: 5 Werktage

Pos.
152
BOSCH Raste | Ersatzteile für GCM 12 GDL | 1609B02371
Hersteller: BOSCH
Artikelnummer: EB-3601M236H1-1609B02371
Netto: 17,38 € zzgl. MwSt.
zzgl. 6,90 € Versand (brutto)
einmalig pro Bestellung

Lieferzeit: 5 Werktage

Pos.
153
BOSCH Rückhalteblech | Ersatzteile für GCM 12 GDL | 1609B00353
Hersteller: BOSCH
Artikelnummer: EB-3601M236H1-1609B00353
Netto: 3,94 € zzgl. MwSt.
zzgl. 6,90 € Versand (brutto)
einmalig pro Bestellung

Lieferzeit: 5 Werktage

Pos.
154
BOSCH Rückhalteblech | Ersatzteile für GCM 12 GDL | 1609B00354
Hersteller: BOSCH
Artikelnummer: EB-3601M236H1-1609B00354
Netto: 3,94 € zzgl. MwSt.
zzgl. 6,90 € Versand (brutto)
einmalig pro Bestellung

Lieferzeit: 5 Werktage

Pos.
155
BOSCH Bremsteller | Ersatzteile für GCM 12 GDL | 1609B00355
Hersteller: BOSCH
Artikelnummer: EB-3601M236H1-1609B00355
Netto: 3,94 € zzgl. MwSt.
zzgl. 6,90 € Versand (brutto)
einmalig pro Bestellung

Lieferzeit: 5 Werktage

Pos.
156
BOSCH Distanzstück | Ersatzteile für GCM 12 GDL | 1609B00356
Hersteller: BOSCH
Artikelnummer: EB-3601M236H1-1609B00356
Netto: 3,63 € zzgl. MwSt.
zzgl. 6,90 € Versand (brutto)
einmalig pro Bestellung

Lieferzeit: 5 Werktage

Pos.
157
BOSCH Zeiger | Ersatzteile für GCM 12 GDL | 1609B00357
Hersteller: BOSCH
Artikelnummer: EB-3601M236H1-1609B00357
Netto: 4,32 € zzgl. MwSt.
zzgl. 6,90 € Versand (brutto)
einmalig pro Bestellung

Lieferzeit: 5 Werktage

Pos.
158
BOSCH Zeiger | Ersatzteile für GCM 12 GDL | 1609B00358
Hersteller: BOSCH
Artikelnummer: EB-3601M236H1-1609B00358
Netto: 4,32 € zzgl. MwSt.
zzgl. 6,90 € Versand (brutto)
einmalig pro Bestellung

Lieferzeit: 5 Werktage

Pos.
159
BOSCH Verstellbolzen | Ersatzteile für GCM 12 GDL | 1609B00359
Hersteller: BOSCH
Artikelnummer: EB-3601M236H1-1609B00359
Netto: 4,32 € zzgl. MwSt.
zzgl. 6,90 € Versand (brutto)
einmalig pro Bestellung

Lieferzeit: 5 Werktage

Pos.
161
BOSCH Stützwinkel | Ersatzteile für GCM 12 GDL | 1609B00361
Hersteller: BOSCH
Artikelnummer: EB-3601M236H1-1609B00361
Netto: 3,94 € zzgl. MwSt.
zzgl. 6,90 € Versand (brutto)
einmalig pro Bestellung

Lieferzeit: 5 Werktage

Pos.
162
BOSCH Anschlagpuffer | Ersatzteile für GCM 12 GDL | 1609B00362
Hersteller: BOSCH
Artikelnummer: EB-3601M236H1-1609B00362
Netto: 4,32 € zzgl. MwSt.
zzgl. 6,90 € Versand (brutto)
einmalig pro Bestellung

Lieferzeit: 5 Werktage

Pos.
164
BOSCH Welle | Ersatzteile für GCM 12 GDL | 1609B00364
Hersteller: BOSCH
Artikelnummer: EB-3601M236H1-1609B00364
Netto: 7,76 € zzgl. MwSt.
zzgl. 6,90 € Versand (brutto)
einmalig pro Bestellung

Lieferzeit: 5 Werktage

Pos.
167
BOSCH Schraube | Ersatzteile für GCM 12 GDL | 1609B00367
Hersteller: BOSCH
Artikelnummer: EB-3601M236H1-1609B00367
Netto: 4,32 € zzgl. MwSt.
zzgl. 6,90 € Versand (brutto)
einmalig pro Bestellung

Lieferzeit: 5 Werktage

Pos.
168
BOSCH Gummistopfen | Ersatzteile für GCM 12 GDL | 1609B00368
Hersteller: BOSCH
Artikelnummer: EB-3601M236H1-1609B00368
Netto: 3,94 € zzgl. MwSt.
zzgl. 6,90 € Versand (brutto)
einmalig pro Bestellung

Lieferzeit: 5 Werktage

Pos.
169
BOSCH Gummistopfen | Ersatzteile für GCM 12 GDL | 1609B00369
Hersteller: BOSCH
Artikelnummer: EB-3601M236H1-1609B00369
Netto: 3,94 € zzgl. MwSt.
zzgl. 6,90 € Versand (brutto)
einmalig pro Bestellung

Lieferzeit: 5 Werktage

Pos.
172
BOSCH Knopf ROT | Ersatzteile für GCM 12 GDL | 1609B00382
Hersteller: BOSCH
Artikelnummer: EB-3601M236H1-1609B00382
Netto: 6,15 € zzgl. MwSt.
zzgl. 6,90 € Versand (brutto)
einmalig pro Bestellung

Lieferzeit: 5 Werktage

Pos.
174
BOSCH Getriebedeckel | Ersatzteile für GCM 12 GDL | 1609B00384
Hersteller: BOSCH
Artikelnummer: EB-3601M236H1-1609B00384
Netto: 4,32 € zzgl. MwSt.
zzgl. 6,90 € Versand (brutto)
einmalig pro Bestellung

Lieferzeit: 5 Werktage

Pos.
175
BOSCH Abtriebswelle | Ersatzteile für GCM 12 GDL | 1609B00385
Hersteller: BOSCH
Artikelnummer: EB-3601M236H1-1609B00385
Netto: 10,92 € zzgl. MwSt.
zzgl. 6,90 € Versand (brutto)
einmalig pro Bestellung

Lieferzeit: 5 Werktage

Pos.
176
BOSCH Getriebe | Ersatzteile für GCM 12 GDL | 1609B00386
Hersteller: BOSCH
Artikelnummer: EB-3601M236H1-1609B00386
Netto: 21,16 € zzgl. MwSt.
zzgl. 6,90 € Versand (brutto)
einmalig pro Bestellung

Lieferzeit: 5 Werktage

Pos.
177
BOSCH Ritzel | Ersatzteile für GCM 12 GDL | 1609B00387
Hersteller: BOSCH
Artikelnummer: EB-3601M236H1-1609B00387
Netto: 15,75 € zzgl. MwSt.
zzgl. 6,90 € Versand (brutto)
einmalig pro Bestellung

Lieferzeit: 5 Werktage

Pos.
178
BOSCH Riemenscheibe | Ersatzteile für GCM 12 GDL | 1609B00388
Hersteller: BOSCH
Artikelnummer: EB-3601M236H1-1609B00388
Netto: 10,92 € zzgl. MwSt.
zzgl. 6,90 € Versand (brutto)
einmalig pro Bestellung

Lieferzeit: 5 Werktage

Pos.
179
BOSCH Riemenabdeckung | Ersatzteile für GCM 12 GDL | 1609B00504
Hersteller: BOSCH
Artikelnummer: EB-3601M236H1-1609B00504
Netto: 7,30 € zzgl. MwSt.
zzgl. 6,90 € Versand (brutto)
einmalig pro Bestellung

Lieferzeit: 5 Werktage

Pos.
181
BOSCH Taste | Ersatzteile für GCM 12 GDL | 1609B00390
Hersteller: BOSCH
Artikelnummer: EB-3601M236H1-1609B00390
Netto: 3,94 € zzgl. MwSt.
zzgl. 6,90 € Versand (brutto)
einmalig pro Bestellung

Lieferzeit: 5 Werktage

Pos.
182
BOSCH Verschlussstift | Ersatzteile für GCM 12 GDL | 1609B00391
Hersteller: BOSCH
Artikelnummer: EB-3601M236H1-1609B00391
Netto: 4,32 € zzgl. MwSt.
zzgl. 6,90 € Versand (brutto)
einmalig pro Bestellung

Lieferzeit: 5 Werktage

Pos.
183
BOSCH Druckfeder | Ersatzteile für GCM 12 GDL | 1609B00392
Hersteller: BOSCH
Artikelnummer: EB-3601M236H1-1609B00392
Netto: 3,63 € zzgl. MwSt.
zzgl. 6,90 € Versand (brutto)
einmalig pro Bestellung

Lieferzeit: 5 Werktage

Pos.
186
BOSCH Auslöser | Ersatzteile für GCM 12 GDL | 1609B04485
Hersteller: BOSCH
Artikelnummer: EB-3601M236H1-1609B04485
Netto: 4,32 € zzgl. MwSt.
zzgl. 6,90 € Versand (brutto)
einmalig pro Bestellung

Lieferzeit: 5 Werktage

Pos.
187
BOSCH Schalter | Ersatzteile für GCM 12 GDL | 1609B05392
Hersteller: BOSCH
Artikelnummer: EB-3601M236H1-1609B05392
nur Informationsartikel
Nie mehr lieferbar
keine Alternativen
Pos.
188
BOSCH Netzgerät | Ersatzteile für GCM 12 GDL | 1609B04491
Hersteller: BOSCH
Artikelnummer: EB-3601M236H1-1609B04491
Netto: 15,75 € zzgl. MwSt.
zzgl. 6,90 € Versand (brutto)
einmalig pro Bestellung

Lieferzeit: 5 Werktage

Pos.
189
BOSCH Anschlussklotz | Ersatzteile für GCM 12 GDL | 1609BP7059
Hersteller: BOSCH
Artikelnummer: EB-3601M236H1-1609BP7059
Netto: 3,94 € zzgl. MwSt.
zzgl. 6,90 € Versand (brutto)
einmalig pro Bestellung

Lieferzeit: 5 Werktage

Pos.
191
BOSCH Blechschraube | Ersatzteile für GCM 12 GDL | 1609B00482
Hersteller: BOSCH
Artikelnummer: EB-3601M236H1-1609B00482
Netto: 3,63 € zzgl. MwSt.
zzgl. 6,90 € Versand (brutto)
einmalig pro Bestellung

Lieferzeit: 5 Werktage

Pos.
192
BOSCH Klemmschelle | Ersatzteile für GCM 12 GDL | 1609B02411
Hersteller: BOSCH
Artikelnummer: EB-3601M236H1-1609B02411
Netto: 3,63 € zzgl. MwSt.
zzgl. 6,90 € Versand (brutto)
einmalig pro Bestellung

Lieferzeit: 5 Werktage

Pos.
193
BOSCH Klemmschelle | Ersatzteile für GCM 12 GDL | 1609B00405
Hersteller: BOSCH
Artikelnummer: EB-3601M236H1-1609B00405
nur Informationsartikel
Nie mehr lieferbar
keine Alternativen
Pos.
194
BOSCH Druckfeder | Ersatzteile für GCM 12 GDL | 1609B00417
Hersteller: BOSCH
Artikelnummer: EB-3601M236H1-1609B00417
Netto: 3,63 € zzgl. MwSt.
zzgl. 6,90 € Versand (brutto)
einmalig pro Bestellung

Lieferzeit: 5 Werktage

Pos.
195
BOSCH Hülse | Ersatzteile für GCM 12 GDL | 1609B00418
Hersteller: BOSCH
Artikelnummer: EB-3601M236H1-1609B00418
Netto: 3,63 € zzgl. MwSt.
zzgl. 6,90 € Versand (brutto)
einmalig pro Bestellung

Lieferzeit: 5 Werktage

Pos.
196
BOSCH Gummi-Ohrkissen | Ersatzteile für GCM 12 GDL | 1609B00419
Hersteller: BOSCH
Artikelnummer: EB-3601M236H1-1609B00419
Netto: 3,63 € zzgl. MwSt.
zzgl. 6,90 € Versand (brutto)
einmalig pro Bestellung

Lieferzeit: 5 Werktage

Pos.
197
BOSCH Steckkupplung | Ersatzteile für GCM 12 GDL | 1609B02406
Hersteller: BOSCH
Artikelnummer: EB-3601M236H1-1609B02406
Netto: 3,63 € zzgl. MwSt.
zzgl. 6,90 € Versand (brutto)
einmalig pro Bestellung

Lieferzeit: 5 Werktage

Pos.
198
BOSCH Schutzabdeckung | Ersatzteile für GCM 12 GDL | 1609B04411
Hersteller: BOSCH
Artikelnummer: EB-3601M236H1-1609B04411
Netto: 42,86 € zzgl. MwSt.
zzgl. 6,90 € Versand (brutto)
einmalig pro Bestellung

Lieferzeit: 5 Werktage

Pos.
203
BOSCH Schutzabdeckung | Ersatzteile für GCM 12 GDL | 1609B02427
Hersteller: BOSCH
Artikelnummer: EB-3601M236H1-1609B02427
Netto: 4,53 € zzgl. MwSt.
zzgl. 6,90 € Versand (brutto)
einmalig pro Bestellung

Lieferzeit: 5 Werktage

Pos.
204
BOSCH Gestänge | Ersatzteile für GCM 12 GDL | 1609B04492
Hersteller: BOSCH
Artikelnummer: EB-3601M236H1-1609B04492
Netto: 6,70 € zzgl. MwSt.
zzgl. 6,90 € Versand (brutto)
einmalig pro Bestellung

Lieferzeit: 5 Werktage

Pos.
205
BOSCH Ansatzschraube | Ersatzteile für GCM 12 GDL | 1609B00448
Hersteller: BOSCH
Artikelnummer: EB-3601M236H1-1609B00448
Netto: 4,82 € zzgl. MwSt.
zzgl. 6,90 € Versand (brutto)
einmalig pro Bestellung

Lieferzeit: 5 Werktage

Pos.
206
BOSCH Lagerbuchse | Ersatzteile für GCM 12 GDL | 1609B00449
Hersteller: BOSCH
Artikelnummer: EB-3601M236H1-1609B00449
Netto: 3,63 € zzgl. MwSt.
zzgl. 6,90 € Versand (brutto)
einmalig pro Bestellung

Lieferzeit: 5 Werktage

Pos.
208
BOSCH Drehfeder | Ersatzteile für GCM 12 GDL | 1609B00451
Hersteller: BOSCH
Artikelnummer: EB-3601M236H1-1609B00451
Netto: 3,94 € zzgl. MwSt.
zzgl. 6,90 € Versand (brutto)
einmalig pro Bestellung

Lieferzeit: 5 Werktage

Pos.
211
BOSCH Schraube | Ersatzteile für GCM 12 GDL | 1609B00453
Hersteller: BOSCH
Artikelnummer: EB-3601M236H1-1609B00453
Netto: 5,67 € zzgl. MwSt.
zzgl. 6,90 € Versand (brutto)
einmalig pro Bestellung

Lieferzeit: 5 Werktage

Pos.
212
BOSCH Schraube | Ersatzteile für GCM 12 GDL | 1609B00454
Hersteller: BOSCH
Artikelnummer: EB-3601M236H1-1609B00454
Netto: 3,63 € zzgl. MwSt.
zzgl. 6,90 € Versand (brutto)
einmalig pro Bestellung

Lieferzeit: 5 Werktage

Pos.
213
BOSCH Lagerbuchse | Ersatzteile für GCM 12 GDL | 1609B00455
Hersteller: BOSCH
Artikelnummer: EB-3601M236H1-1609B00455
Netto: 3,63 € zzgl. MwSt.
zzgl. 6,90 € Versand (brutto)
einmalig pro Bestellung

Lieferzeit: 5 Werktage

Pos.
214
BOSCH Anschlagpuffer | Ersatzteile für GCM 12 GDL | 1609B02467
Hersteller: BOSCH
Artikelnummer: EB-3601M236H1-1609B02467
Netto: 3,63 € zzgl. MwSt.
zzgl. 6,90 € Versand (brutto)
einmalig pro Bestellung

Lieferzeit: 5 Werktage

Pos.
215
BOSCH Scheibe | Ersatzteile für GCM 12 GDL | 1609B00457
Hersteller: BOSCH
Artikelnummer: EB-3601M236H1-1609B00457
Netto: 3,63 € zzgl. MwSt.
zzgl. 6,90 € Versand (brutto)
einmalig pro Bestellung

Lieferzeit: 5 Werktage

Pos.
215
BOSCH Schnellverschluss | Ersatzteile für GCM 12 GDL | 1609B00458
Hersteller: BOSCH
Artikelnummer: EB-3601M236H1-1609B00458
Netto: 3,63 € zzgl. MwSt.
zzgl. 6,90 € Versand (brutto)
einmalig pro Bestellung

Lieferzeit: 5 Werktage

Pos.
218
BOSCH Lagerbuchse | Ersatzteile für GCM 12 GDL | 1609B00460
Hersteller: BOSCH
Artikelnummer: EB-3601M236H1-1609B00460
Netto: 3,63 € zzgl. MwSt.
zzgl. 6,90 € Versand (brutto)
einmalig pro Bestellung

Lieferzeit: 5 Werktage

Pos.
219
BOSCH Zwischenflansch | Ersatzteile für GCM 12 GDL | 1609B02583
Hersteller: BOSCH
Artikelnummer: EB-3601M236H1-1609B02583
Netto: 21,16 € zzgl. MwSt.
zzgl. 6,90 € Versand (brutto)
einmalig pro Bestellung

Lieferzeit: 5 Werktage

Pos.
222
BOSCH Schallwand | Ersatzteile für GCM 12 GDL | 1609B00476
Hersteller: BOSCH
Artikelnummer: EB-3601M236H1-1609B00476
Netto: 5,19 € zzgl. MwSt.
zzgl. 6,90 € Versand (brutto)
einmalig pro Bestellung

Lieferzeit: 5 Werktage

Pos.
223
BOSCH Bürstendeckel | Ersatzteile für GCM 12 GDL | 1609B00478
Hersteller: BOSCH
Artikelnummer: EB-3601M236H1-1609B00478
Netto: 3,63 € zzgl. MwSt.
zzgl. 6,90 € Versand (brutto)
einmalig pro Bestellung

Lieferzeit: 5 Werktage

Pos.
224
BOSCH Einlage | Ersatzteile für GCM 12 GDL | 1609B00479
Hersteller: BOSCH
Artikelnummer: EB-3601M236H1-1609B00479
Netto: 3,63 € zzgl. MwSt.
zzgl. 6,90 € Versand (brutto)
einmalig pro Bestellung

Lieferzeit: 5 Werktage

Pos.
225
BOSCH Gummibuchse | Ersatzteile für GCM 12 GDL | 1609B00480
Hersteller: BOSCH
Artikelnummer: EB-3601M236H1-1609B00480
Netto: 4,32 € zzgl. MwSt.
zzgl. 6,90 € Versand (brutto)
einmalig pro Bestellung

Lieferzeit: 5 Werktage

Pos.
229
BOSCH Gummiplatte | Ersatzteile für GCM 12 GDL | 1609B00502
Hersteller: BOSCH
Artikelnummer: EB-3601M236H1-1609B00502
Netto: 5,67 € zzgl. MwSt.
zzgl. 6,90 € Versand (brutto)
einmalig pro Bestellung

Lieferzeit: 5 Werktage

Pos.
232
BOSCH Staubbeutel | Ersatzteile für GCM 12 GDL | 1609B05010
Hersteller: BOSCH
Artikelnummer: EB-3601M236H1-1609B05010
Netto: 7,30 € zzgl. MwSt.
zzgl. 6,90 € Versand (brutto)
einmalig pro Bestellung

Lieferzeit: 5 Werktage

Pos.
235
BOSCH Gummi-Ohrkissen | Ersatzteile für GCM 12 GDL | 1609B00523
Hersteller: BOSCH
Artikelnummer: EB-3601M236H1-1609B00523
Netto: 4,53 € zzgl. MwSt.
zzgl. 6,90 € Versand (brutto)
einmalig pro Bestellung

Lieferzeit: 5 Werktage

Pos.
238
BOSCH Kabelband | Ersatzteile für GCM 12 GDL | 1609B01538
Hersteller: BOSCH
Artikelnummer: EB-3601M236H1-1609B01538
Netto: 3,63 € zzgl. MwSt.
zzgl. 6,90 € Versand (brutto)
einmalig pro Bestellung

Lieferzeit: 5 Werktage

Pos.
239
BOSCH Gummibuchse | Ersatzteile für GCM 12 GDL | 1609B00533
Hersteller: BOSCH
Artikelnummer: EB-3601M236H1-1609B00533
Netto: 3,63 € zzgl. MwSt.
zzgl. 6,90 € Versand (brutto)
einmalig pro Bestellung

Lieferzeit: 5 Werktage

Pos.
241
BOSCH Schutzabdeckung | Ersatzteile für GCM 12 GDL | 1609B02426
Hersteller: BOSCH
Artikelnummer: EB-3601M236H1-1609B02426
Netto: 5,67 € zzgl. MwSt.
zzgl. 6,90 € Versand (brutto)
einmalig pro Bestellung

Lieferzeit: 5 Werktage

Pos.
243
BOSCH Warnschild | Ersatzteile für GCM 12 GDL | 1609B00543
Hersteller: BOSCH
Artikelnummer: EB-3601M236H1-1609B00543
Netto: 4,53 € zzgl. MwSt.
zzgl. 6,90 € Versand (brutto)
einmalig pro Bestellung

Lieferzeit: 5 Werktage

Pos.
244
BOSCH Klebeschild | Ersatzteile für GCM 12 GDL | 1609B02120
Hersteller: BOSCH
Artikelnummer: EB-3601M236H1-1609B02120
Netto: 4,32 € zzgl. MwSt.
zzgl. 6,90 € Versand (brutto)
einmalig pro Bestellung

Lieferzeit: 5 Werktage

Pos.
245
BOSCH Klebeschild | Ersatzteile für GCM 12 GDL | 1609B02119
Hersteller: BOSCH
Artikelnummer: EB-3601M236H1-1609B02119
Netto: 4,32 € zzgl. MwSt.
zzgl. 6,90 € Versand (brutto)
einmalig pro Bestellung

Lieferzeit: 5 Werktage

Pos.
248
BOSCH Warnschild | Ersatzteile für GCM 12 GDL | 1609B00549
Hersteller: BOSCH
Artikelnummer: EB-3601M236H1-1609B00549
Netto: 4,53 € zzgl. MwSt.
zzgl. 6,90 € Versand (brutto)
einmalig pro Bestellung

Lieferzeit: 5 Werktage

Pos.
251
BOSCH Einklebeblatt | Ersatzteile für GCM 12 GDL | 1609B04959
Hersteller: BOSCH
Artikelnummer: EB-3601M236H1-1609B04959
nur Informationsartikel
Nie mehr lieferbar
keine Alternativen
Pos.
253
BOSCH Klebeschild | Ersatzteile für GCM 12 GDL | 1609B02122
Hersteller: BOSCH
Artikelnummer: EB-3601M236H1-1609B02122
Netto: 4,53 € zzgl. MwSt.
zzgl. 6,90 € Versand (brutto)
einmalig pro Bestellung

Lieferzeit: 5 Werktage

Pos.
255
BOSCH Geräteclip | Ersatzteile für GCM 12 GDL | 1609B00582
Hersteller: BOSCH
Artikelnummer: EB-3601M236H1-1609B00582
Netto: 3,63 € zzgl. MwSt.
zzgl. 6,90 € Versand (brutto)
einmalig pro Bestellung

Lieferzeit: 5 Werktage

Pos.
256
BOSCH Schrumpfschlauch | Ersatzteile für GCM 12 GDL | 1609B00583
Hersteller: BOSCH
Artikelnummer: EB-3601M236H1-1609B00583
Netto: 3,63 € zzgl. MwSt.
zzgl. 6,90 € Versand (brutto)
einmalig pro Bestellung

Lieferzeit: 5 Werktage

Pos.
257
BOSCH Schlüssel | Ersatzteile für GCM 12 GDL | 1609B00592
Hersteller: BOSCH
Artikelnummer: EB-3601M236H1-1609B00592
Netto: 3,94 € zzgl. MwSt.
zzgl. 6,90 € Versand (brutto)
einmalig pro Bestellung

Lieferzeit: 5 Werktage

Pos.
258
BOSCH Schlüssel | Ersatzteile für GCM 12 GDL | 1609B00593
Hersteller: BOSCH
Artikelnummer: EB-3601M236H1-1609B00593
Netto: 3,94 € zzgl. MwSt.
zzgl. 6,90 € Versand (brutto)
einmalig pro Bestellung

Lieferzeit: 5 Werktage

Pos.
259
BOSCH Kugel | Ersatzteile für GCM 12 GDL | 1609B00594
Hersteller: BOSCH
Artikelnummer: EB-3601M236H1-1609B00594
Netto: 3,63 € zzgl. MwSt.
zzgl. 6,90 € Versand (brutto)
einmalig pro Bestellung

Lieferzeit: 5 Werktage

Pos.
262
BOSCH Lager | Ersatzteile für GCM 12 GDL | 1609B00599
Hersteller: BOSCH
Artikelnummer: EB-3601M236H1-1609B00599
Netto: 11,92 € zzgl. MwSt.
zzgl. 6,90 € Versand (brutto)
einmalig pro Bestellung

Lieferzeit: 5 Werktage

Pos.
263
BOSCH Lager | Ersatzteile für GCM 12 GDL | 1609B02987
Hersteller: BOSCH
Artikelnummer: EB-3601M236H1-1609B02987
Netto: 6,15 € zzgl. MwSt.
zzgl. 6,90 € Versand (brutto)
einmalig pro Bestellung

Lieferzeit: 5 Werktage

Pos.
265
BOSCH O-Ring | Ersatzteile für GCM 12 GDL | 1609B00601
Hersteller: BOSCH
Artikelnummer: EB-3601M236H1-1609B00601
Netto: 3,94 € zzgl. MwSt.
zzgl. 6,90 € Versand (brutto)
einmalig pro Bestellung

Lieferzeit: 5 Werktage

Pos.
266
BOSCH Bolzen | Ersatzteile für GCM 12 GDL | 1609B00602
Hersteller: BOSCH
Artikelnummer: EB-3601M236H1-1609B00602
Netto: 3,94 € zzgl. MwSt.
zzgl. 6,90 € Versand (brutto)
einmalig pro Bestellung

Lieferzeit: 5 Werktage

Pos.
267
BOSCH Klemmutter | Ersatzteile für GCM 12 GDL | 1609B00603
Hersteller: BOSCH
Artikelnummer: EB-3601M236H1-1609B00603
Netto: 3,63 € zzgl. MwSt.
zzgl. 6,90 € Versand (brutto)
einmalig pro Bestellung

Lieferzeit: 5 Werktage

Pos.
268
BOSCH Klemmutter | Ersatzteile für GCM 12 GDL | 1609B00604
Hersteller: BOSCH
Artikelnummer: EB-3601M236H1-1609B00604
Netto: 3,94 € zzgl. MwSt.
zzgl. 6,90 € Versand (brutto)
einmalig pro Bestellung

Lieferzeit: 5 Werktage

Pos.
269
BOSCH Klemmutter | Ersatzteile für GCM 12 GDL | 1609B00605
Hersteller: BOSCH
Artikelnummer: EB-3601M236H1-1609B00605
Netto: 3,63 € zzgl. MwSt.
zzgl. 6,90 € Versand (brutto)
einmalig pro Bestellung

Lieferzeit: 5 Werktage

Pos.
272
BOSCH Bolzen | Ersatzteile für GCM 12 GDL | 1609B00609
Hersteller: BOSCH
Artikelnummer: EB-3601M236H1-1609B00609
Netto: 3,63 € zzgl. MwSt.
zzgl. 6,90 € Versand (brutto)
einmalig pro Bestellung

Lieferzeit: 5 Werktage

Pos.
273
BOSCH Schraube | Ersatzteile für GCM 12 GDL | 1609B00610
Hersteller: BOSCH
Artikelnummer: EB-3601M236H1-1609B00610
Netto: 3,94 € zzgl. MwSt.
zzgl. 6,90 € Versand (brutto)
einmalig pro Bestellung

Lieferzeit: 5 Werktage

Pos.
274
BOSCH Schraube | Ersatzteile für GCM 12 GDL | 1609B00612
Hersteller: BOSCH
Artikelnummer: EB-3601M236H1-1609B00612
Netto: 3,63 € zzgl. MwSt.
zzgl. 6,90 € Versand (brutto)
einmalig pro Bestellung

Lieferzeit: 5 Werktage

Pos.
275
BOSCH Gewindestift | Ersatzteile für GCM 12 GDL | 1609B00614
Hersteller: BOSCH
Artikelnummer: EB-3601M236H1-1609B00614
Netto: 3,63 € zzgl. MwSt.
zzgl. 6,90 € Versand (brutto)
einmalig pro Bestellung

Lieferzeit: 5 Werktage

Pos.
276
BOSCH Gewindestift | Ersatzteile für GCM 12 GDL | 1609B00615
Hersteller: BOSCH
Artikelnummer: EB-3601M236H1-1609B00615
Netto: 4,32 € zzgl. MwSt.
zzgl. 6,90 € Versand (brutto)
einmalig pro Bestellung

Lieferzeit: 5 Werktage

Pos.
277
BOSCH Gewindestift | Ersatzteile für GCM 12 GDL | 1609B00616
Hersteller: BOSCH
Artikelnummer: EB-3601M236H1-1609B00616
Netto: 3,63 € zzgl. MwSt.
zzgl. 6,90 € Versand (brutto)
einmalig pro Bestellung

Lieferzeit: 5 Werktage

Pos.
279
BOSCH Gewindestift | Ersatzteile für GCM 12 GDL | 1609B00618
Hersteller: BOSCH
Artikelnummer: EB-3601M236H1-1609B00618
Netto: 3,94 € zzgl. MwSt.
zzgl. 6,90 € Versand (brutto)
einmalig pro Bestellung

Lieferzeit: 5 Werktage

Pos.
281
BOSCH Gewindestift | Ersatzteile für GCM 12 GDL | 1609B00620
Hersteller: BOSCH
Artikelnummer: EB-3601M236H1-1609B00620
Netto: 3,63 € zzgl. MwSt.
zzgl. 6,90 € Versand (brutto)
einmalig pro Bestellung

Lieferzeit: 5 Werktage

Pos.
282
BOSCH Gewindestift | Ersatzteile für GCM 12 GDL | 1609B00621
Hersteller: BOSCH
Artikelnummer: EB-3601M236H1-1609B00621
Netto: 3,94 € zzgl. MwSt.
zzgl. 6,90 € Versand (brutto)
einmalig pro Bestellung

Lieferzeit: 5 Werktage

Pos.
283
BOSCH Rastniet | Ersatzteile für GCM 12 GDL | 1609B00622
Hersteller: BOSCH
Artikelnummer: EB-3601M236H1-1609B00622
Netto: 3,63 € zzgl. MwSt.
zzgl. 6,90 € Versand (brutto)
einmalig pro Bestellung

Lieferzeit: 5 Werktage

Pos.
284
BOSCH Schraube | Ersatzteile für GCM 12 GDL | 1609B00623
Hersteller: BOSCH
Artikelnummer: EB-3601M236H1-1609B00623
Netto: 3,63 € zzgl. MwSt.
zzgl. 6,90 € Versand (brutto)
einmalig pro Bestellung

Lieferzeit: 5 Werktage

Pos.
285
BOSCH Schraube | Ersatzteile für GCM 12 GDL | 1609B00624
Hersteller: BOSCH
Artikelnummer: EB-3601M236H1-1609B00624
Netto: 3,63 € zzgl. MwSt.
zzgl. 6,90 € Versand (brutto)
einmalig pro Bestellung

Lieferzeit: 5 Werktage

Pos.
286
BOSCH Schraube | Ersatzteile für GCM 12 GDL | 1609B00625
Hersteller: BOSCH
Artikelnummer: EB-3601M236H1-1609B00625
Netto: 3,63 € zzgl. MwSt.
zzgl. 6,90 € Versand (brutto)
einmalig pro Bestellung

Lieferzeit: 5 Werktage

Pos.
287
BOSCH Schraube | Ersatzteile für GCM 12 GDL | 1609B00628
Hersteller: BOSCH
Artikelnummer: EB-3601M236H1-1609B00628
Netto: 3,63 € zzgl. MwSt.
zzgl. 6,90 € Versand (brutto)
einmalig pro Bestellung

Lieferzeit: 5 Werktage

Pos.
288
BOSCH Schraube | Ersatzteile für GCM 12 GDL | 1609B00627
Hersteller: BOSCH
Artikelnummer: EB-3601M236H1-1609B00627
Netto: 4,32 € zzgl. MwSt.
zzgl. 6,90 € Versand (brutto)
einmalig pro Bestellung

Lieferzeit: 5 Werktage

Pos.
289
BOSCH Schraube | Ersatzteile für GCM 12 GDL | 1609B00630
Hersteller: BOSCH
Artikelnummer: EB-3601M236H1-1609B00630
Netto: 3,63 € zzgl. MwSt.
zzgl. 6,90 € Versand (brutto)
einmalig pro Bestellung

Lieferzeit: 5 Werktage

Pos.
292
BOSCH Schraube | Ersatzteile für GCM 12 GDL | 1609B00631
Hersteller: BOSCH
Artikelnummer: EB-3601M236H1-1609B00631
Netto: 3,94 € zzgl. MwSt.
zzgl. 6,90 € Versand (brutto)
einmalig pro Bestellung

Lieferzeit: 5 Werktage

Pos.
293
BOSCH Schraube | Ersatzteile für GCM 12 GDL | 1609B00632
Hersteller: BOSCH
Artikelnummer: EB-3601M236H1-1609B00632
Netto: 3,94 € zzgl. MwSt.
zzgl. 6,90 € Versand (brutto)
einmalig pro Bestellung

Lieferzeit: 5 Werktage

Pos.
294
BOSCH Schraube | Ersatzteile für GCM 12 GDL | 1609B00633
Hersteller: BOSCH
Artikelnummer: EB-3601M236H1-1609B00633
Netto: 3,63 € zzgl. MwSt.
zzgl. 6,90 € Versand (brutto)
einmalig pro Bestellung

Lieferzeit: 5 Werktage

Pos.
296
BOSCH Blechschraube | Ersatzteile für GCM 12 GDL | 1609B00636
Hersteller: BOSCH
Artikelnummer: EB-3601M236H1-1609B00636
Netto: 3,94 € zzgl. MwSt.
zzgl. 6,90 € Versand (brutto)
einmalig pro Bestellung

Lieferzeit: 5 Werktage

Pos.
297
BOSCH Blechschraube | Ersatzteile für GCM 12 GDL | 1609B00637
Hersteller: BOSCH
Artikelnummer: EB-3601M236H1-1609B00637
Netto: 3,63 € zzgl. MwSt.
zzgl. 6,90 € Versand (brutto)
einmalig pro Bestellung

Lieferzeit: 5 Werktage

Pos.
298
BOSCH Federsteg | Ersatzteile für GCM 12 GDL | 1609B00638
Hersteller: BOSCH
Artikelnummer: EB-3601M236H1-1609B00638
Netto: 3,63 € zzgl. MwSt.
zzgl. 6,90 € Versand (brutto)
einmalig pro Bestellung

Lieferzeit: 5 Werktage

Pos.
301
BOSCH Sprengring | Ersatzteile für GCM 12 GDL | 1609B00641
Hersteller: BOSCH
Artikelnummer: EB-3601M236H1-1609B00641
Netto: 3,94 € zzgl. MwSt.
zzgl. 6,90 € Versand (brutto)
einmalig pro Bestellung

Lieferzeit: 5 Werktage

Pos.
302
BOSCH Sprengring | Ersatzteile für GCM 12 GDL | 1609B00642
Hersteller: BOSCH
Artikelnummer: EB-3601M236H1-1609B00642
Netto: 3,63 € zzgl. MwSt.
zzgl. 6,90 € Versand (brutto)
einmalig pro Bestellung

Lieferzeit: 5 Werktage

Pos.
303
BOSCH Sprengring | Ersatzteile für GCM 12 GDL | 1609B00643
Hersteller: BOSCH
Artikelnummer: EB-3601M236H1-1609B00643
Netto: 3,63 € zzgl. MwSt.
zzgl. 6,90 € Versand (brutto)
einmalig pro Bestellung

Lieferzeit: 5 Werktage

Pos.
304
BOSCH Sprengring | Ersatzteile für GCM 12 GDL | 1609B00644
Hersteller: BOSCH
Artikelnummer: EB-3601M236H1-1609B00644
Netto: 4,32 € zzgl. MwSt.
zzgl. 6,90 € Versand (brutto)
einmalig pro Bestellung

Lieferzeit: 5 Werktage

Pos.
306
BOSCH Schraube | Ersatzteile für GCM 12 GDL | 1609B00647
Hersteller: BOSCH
Artikelnummer: EB-3601M236H1-1609B00647
Netto: 3,94 € zzgl. MwSt.
zzgl. 6,90 € Versand (brutto)
einmalig pro Bestellung

Lieferzeit: 5 Werktage

Pos.
308
BOSCH Schraube | Ersatzteile für GCM 12 GDL | 1609B00650
Hersteller: BOSCH
Artikelnummer: EB-3601M236H1-1609B00650
Netto: 3,63 € zzgl. MwSt.
zzgl. 6,90 € Versand (brutto)
einmalig pro Bestellung

Lieferzeit: 5 Werktage

Pos.
309
BOSCH Schraube | Ersatzteile für GCM 12 GDL | 1609B00652
Hersteller: BOSCH
Artikelnummer: EB-3601M236H1-1609B00652
Netto: 3,63 € zzgl. MwSt.
zzgl. 6,90 € Versand (brutto)
einmalig pro Bestellung

Lieferzeit: 5 Werktage

Pos.
310
BOSCH Schraube | Ersatzteile für GCM 12 GDL | 1609B00653
Hersteller: BOSCH
Artikelnummer: EB-3601M236H1-1609B00653
Netto: 3,63 € zzgl. MwSt.
zzgl. 6,90 € Versand (brutto)
einmalig pro Bestellung

Lieferzeit: 5 Werktage

Pos.
311
BOSCH Schraube | Ersatzteile für GCM 12 GDL | 1609B00654
Hersteller: BOSCH
Artikelnummer: EB-3601M236H1-1609B00654
Netto: 3,63 € zzgl. MwSt.
zzgl. 6,90 € Versand (brutto)
einmalig pro Bestellung

Lieferzeit: 5 Werktage

Pos.
312
BOSCH Schraube | Ersatzteile für GCM 12 GDL | 1609B00655
Hersteller: BOSCH
Artikelnummer: EB-3601M236H1-1609B00655
Netto: 3,63 € zzgl. MwSt.
zzgl. 6,90 € Versand (brutto)
einmalig pro Bestellung

Lieferzeit: 5 Werktage

Pos.
313
BOSCH Schraube | Ersatzteile für GCM 12 GDL | 1609B00656
Hersteller: BOSCH
Artikelnummer: EB-3601M236H1-1609B00656
Netto: 3,94 € zzgl. MwSt.
zzgl. 6,90 € Versand (brutto)
einmalig pro Bestellung

Lieferzeit: 5 Werktage

Pos.
315
BOSCH Federscheibe | Ersatzteile für GCM 12 GDL | 1609B00658
Hersteller: BOSCH
Artikelnummer: EB-3601M236H1-1609B00658
Netto: 3,63 € zzgl. MwSt.
zzgl. 6,90 € Versand (brutto)
einmalig pro Bestellung

Lieferzeit: 5 Werktage

Pos.
316
BOSCH Federscheibe | Ersatzteile für GCM 12 GDL | 1609B00660
Hersteller: BOSCH
Artikelnummer: EB-3601M236H1-1609B00660
Netto: 3,63 € zzgl. MwSt.
zzgl. 6,90 € Versand (brutto)
einmalig pro Bestellung

Lieferzeit: 5 Werktage

Pos.
317
BOSCH Scheibe | Ersatzteile für GCM 12 GDL | 1609B00661
Hersteller: BOSCH
Artikelnummer: EB-3601M236H1-1609B00661
Netto: 3,63 € zzgl. MwSt.
zzgl. 6,90 € Versand (brutto)
einmalig pro Bestellung

Lieferzeit: 5 Werktage

Pos.
318
BOSCH Scheibe | Ersatzteile für GCM 12 GDL | 1609B00662
Hersteller: BOSCH
Artikelnummer: EB-3601M236H1-1609B00662
Netto: 3,94 € zzgl. MwSt.
zzgl. 6,90 € Versand (brutto)
einmalig pro Bestellung

Lieferzeit: 5 Werktage

Pos.
320
BOSCH Scheibe | Ersatzteile für GCM 12 GDL | 1609B00664
Hersteller: BOSCH
Artikelnummer: EB-3601M236H1-1609B00664
Netto: 3,63 € zzgl. MwSt.
zzgl. 6,90 € Versand (brutto)
einmalig pro Bestellung

Lieferzeit: 5 Werktage

Pos.
321
BOSCH Scheibe | Ersatzteile für GCM 12 GDL | 1609B00665
Hersteller: BOSCH
Artikelnummer: EB-3601M236H1-1609B00665
Netto: 3,63 € zzgl. MwSt.
zzgl. 6,90 € Versand (brutto)
einmalig pro Bestellung

Lieferzeit: 5 Werktage

Pos.
322
BOSCH Scheibe | Ersatzteile für GCM 12 GDL | 1609B00667
Hersteller: BOSCH
Artikelnummer: EB-3601M236H1-1609B00667
Netto: 3,63 € zzgl. MwSt.
zzgl. 6,90 € Versand (brutto)
einmalig pro Bestellung

Lieferzeit: 5 Werktage

Pos.
323
BOSCH Scheibe | Ersatzteile für GCM 12 GDL | 1609B00669
Hersteller: BOSCH
Artikelnummer: EB-3601M236H1-1609B00669
Netto: 3,63 € zzgl. MwSt.
zzgl. 6,90 € Versand (brutto)
einmalig pro Bestellung

Lieferzeit: 5 Werktage

Pos.
325
BOSCH Klemmutter | Ersatzteile für GCM 12 GDL | 1609B00672
Hersteller: BOSCH
Artikelnummer: EB-3601M236H1-1609B00672
Netto: 3,63 € zzgl. MwSt.
zzgl. 6,90 € Versand (brutto)
einmalig pro Bestellung

Lieferzeit: 5 Werktage

Pos.
326
BOSCH Klemmutter | Ersatzteile für GCM 12 GDL | 1609B00673
Hersteller: BOSCH
Artikelnummer: EB-3601M236H1-1609B00673
Netto: 3,63 € zzgl. MwSt.
zzgl. 6,90 € Versand (brutto)
einmalig pro Bestellung

Lieferzeit: 5 Werktage

Pos.
327
BOSCH Scheibe | Ersatzteile für GCM 12 GDL | 1609B00674
Hersteller: BOSCH
Artikelnummer: EB-3601M236H1-1609B00674
Netto: 3,63 € zzgl. MwSt.
zzgl. 6,90 € Versand (brutto)
einmalig pro Bestellung

Lieferzeit: 5 Werktage

Pos.
328
BOSCH Vorlegscheibe | Ersatzteile für GCM 12 GDL | 1609B02105
Hersteller: BOSCH
Artikelnummer: EB-3601M236H1-1609B02105
Netto: 3,63 € zzgl. MwSt.
zzgl. 6,90 € Versand (brutto)
einmalig pro Bestellung

Lieferzeit: 5 Werktage

Pos.
329
BOSCH Schraube | Ersatzteile für GCM 12 GDL | 1609B00678
Hersteller: BOSCH
Artikelnummer: EB-3601M236H1-1609B00678
Netto: 3,63 € zzgl. MwSt.
zzgl. 6,90 € Versand (brutto)
einmalig pro Bestellung

Lieferzeit: 5 Werktage

Pos.
330
BOSCH Schraube | Ersatzteile für GCM 12 GDL | 1609B00680
Hersteller: BOSCH
Artikelnummer: EB-3601M236H1-1609B00680
Netto: 3,63 € zzgl. MwSt.
zzgl. 6,90 € Versand (brutto)
einmalig pro Bestellung

Lieferzeit: 5 Werktage

Pos.
331
BOSCH Axiallager | Ersatzteile für GCM 12 GDL | 1609B00681
Hersteller: BOSCH
Artikelnummer: EB-3601M236H1-1609B00681
Netto: 6,70 € zzgl. MwSt.
zzgl. 6,90 € Versand (brutto)
einmalig pro Bestellung

Lieferzeit: 5 Werktage

Pos.
332
BOSCH Schraube | Ersatzteile für GCM 12 GDL | 1609B00682
Hersteller: BOSCH
Artikelnummer: EB-3601M236H1-1609B00682
Netto: 3,63 € zzgl. MwSt.
zzgl. 6,90 € Versand (brutto)
einmalig pro Bestellung

Lieferzeit: 5 Werktage

Pos.
333
BOSCH Einstellmutter | Ersatzteile für GCM 12 GDL | 1609B04227
Hersteller: BOSCH
Artikelnummer: EB-3601M236H1-1609B04227
Netto: 3,63 € zzgl. MwSt.
zzgl. 6,90 € Versand (brutto)
einmalig pro Bestellung

Lieferzeit: 5 Werktage

Pos.
334
BOSCH Sechskantbolzen | Ersatzteile für GCM 12 GDL | 1609B02145
Hersteller: BOSCH
Artikelnummer: EB-3601M236H1-1609B02145
Netto: 3,63 € zzgl. MwSt.
zzgl. 6,90 € Versand (brutto)
einmalig pro Bestellung

Lieferzeit: 5 Werktage

Pos.
335
BOSCH Sprengring | Ersatzteile für GCM 12 GDL | 1609B00687
Hersteller: BOSCH
Artikelnummer: EB-3601M236H1-1609B00687
Netto: 3,63 € zzgl. MwSt.
zzgl. 6,90 € Versand (brutto)
einmalig pro Bestellung

Lieferzeit: 5 Werktage

Pos.
336
BOSCH Scheibe | Ersatzteile für GCM 12 GDL | 1609B00688
Hersteller: BOSCH
Artikelnummer: EB-3601M236H1-1609B00688
Netto: 3,63 € zzgl. MwSt.
zzgl. 6,90 € Versand (brutto)
einmalig pro Bestellung

Lieferzeit: 5 Werktage

Pos.
337
BOSCH Schraube | Ersatzteile für GCM 12 GDL | 1609B00689
Hersteller: BOSCH
Artikelnummer: EB-3601M236H1-1609B00689
Netto: 3,94 € zzgl. MwSt.
zzgl. 6,90 € Versand (brutto)
einmalig pro Bestellung

Lieferzeit: 5 Werktage

Pos.
338
BOSCH Bremsblech | Ersatzteile für GCM 12 GDL | 2610919073
Hersteller: BOSCH
Artikelnummer: EB-3601M236H1-2610919073
Netto: 8,33 € zzgl. MwSt.
zzgl. 6,90 € Versand (brutto)
einmalig pro Bestellung

Lieferzeit: 5 Werktage

Pos.
339
BOSCH Scheibe | Ersatzteile für GCM 12 GDL | 2610919281
Hersteller: BOSCH
Artikelnummer: EB-3601M236H1-2610919281
Netto: 5,19 € zzgl. MwSt.
zzgl. 6,90 € Versand (brutto)
einmalig pro Bestellung

Lieferzeit: 5 Werktage

Pos.
340
BOSCH Laufrolle | Ersatzteile für GCM 12 GDL | 1609BP7124
Hersteller: BOSCH
Artikelnummer: EB-3601M236H1-1609BP7124
Netto: 3,94 € zzgl. MwSt.
zzgl. 6,90 € Versand (brutto)
einmalig pro Bestellung

Lieferzeit: 5 Werktage

Pos.
341
BOSCH Fingerwelle | Ersatzteile für GCM 12 GDL | 1609B00370
Hersteller: BOSCH
Artikelnummer: EB-3601M236H1-1609B00370
Netto: 3,94 € zzgl. MwSt.
zzgl. 6,90 € Versand (brutto)
einmalig pro Bestellung

Lieferzeit: 5 Werktage

Pos.
342
BOSCH Sprengring | Ersatzteile für GCM 12 GDL | 1609B00690
Hersteller: BOSCH
Artikelnummer: EB-3601M236H1-1609B00690
Netto: 3,63 € zzgl. MwSt.
zzgl. 6,90 € Versand (brutto)
einmalig pro Bestellung

Lieferzeit: 5 Werktage

Pos.
343
BOSCH Mutter | Ersatzteile für GCM 12 GDL | 1609B00691
Hersteller: BOSCH
Artikelnummer: EB-3601M236H1-1609B00691
Netto: 4,32 € zzgl. MwSt.
zzgl. 6,90 € Versand (brutto)
einmalig pro Bestellung

Lieferzeit: 5 Werktage

Pos.
345
BOSCH Scheibe | Ersatzteile für GCM 12 GDL | 1609B00288
Hersteller: BOSCH
Artikelnummer: EB-3601M236H1-1609B00288
Netto: 3,63 € zzgl. MwSt.
zzgl. 6,90 € Versand (brutto)
einmalig pro Bestellung

Lieferzeit: 5 Werktage

Pos.
351
BOSCH Leitungshalter | Ersatzteile für GCM 12 GDL | 1609B02572
Hersteller: BOSCH
Artikelnummer: EB-3601M236H1-1609B02572
Netto: 3,94 € zzgl. MwSt.
zzgl. 6,90 € Versand (brutto)
einmalig pro Bestellung

Lieferzeit: 5 Werktage

Pos.
352
BOSCH Ansatzschraube | Ersatzteile für GCM 12 GDL | 1609B00371
Hersteller: BOSCH
Artikelnummer: EB-3601M236H1-1609B00371
Netto: 4,82 € zzgl. MwSt.
zzgl. 6,90 € Versand (brutto)
einmalig pro Bestellung

Lieferzeit: 5 Werktage

Pos.
354
BOSCH Scheibe | Ersatzteile für GCM 12 GDL | 1609B00676
Hersteller: BOSCH
Artikelnummer: EB-3601M236H1-1609B00676
Netto: 3,94 € zzgl. MwSt.
zzgl. 6,90 € Versand (brutto)
einmalig pro Bestellung

Lieferzeit: 5 Werktage

Pos.
362
BOSCH Schraube | Ersatzteile für GCM 12 GDL | 1609B02429
Hersteller: BOSCH
Artikelnummer: EB-3601M236H1-1609B02429
Netto: 3,63 € zzgl. MwSt.
zzgl. 6,90 € Versand (brutto)
einmalig pro Bestellung

Lieferzeit: 5 Werktage

Pos.
363
BOSCH Schraube | Ersatzteile für GCM 12 GDL | 1609B02430
Hersteller: BOSCH
Artikelnummer: EB-3601M236H1-1609B02430
Netto: 3,63 € zzgl. MwSt.
zzgl. 6,90 € Versand (brutto)
einmalig pro Bestellung

Lieferzeit: 5 Werktage

Pos.
364
BOSCH Anschlagplatte | Ersatzteile für GCM 12 GDL | 1609B02365
Hersteller: BOSCH
Artikelnummer: EB-3601M236H1-1609B02365
Netto: 3,94 € zzgl. MwSt.
zzgl. 6,90 € Versand (brutto)
einmalig pro Bestellung

Lieferzeit: 5 Werktage

Pos.
365
BOSCH Schraube | Ersatzteile für GCM 12 GDL | 1609B00263
Hersteller: BOSCH
Artikelnummer: EB-3601M236H1-1609B00263
Netto: 4,32 € zzgl. MwSt.
zzgl. 6,90 € Versand (brutto)
einmalig pro Bestellung

Lieferzeit: 5 Werktage

Pos.
368
BOSCH Knopf | Ersatzteile für GCM 12 GDL | 1609B02991
Hersteller: BOSCH
Artikelnummer: EB-3601M236H1-1609B02991
Netto: 3,63 € zzgl. MwSt.
zzgl. 6,90 € Versand (brutto)
einmalig pro Bestellung

Lieferzeit: 5 Werktage

Pos.
382
BOSCH Schraube | Ersatzteile für GCM 12 GDL | 1609B00414
Hersteller: BOSCH
Artikelnummer: EB-3601M236H1-1609B00414
Netto: 6,15 € zzgl. MwSt.
zzgl. 6,90 € Versand (brutto)
einmalig pro Bestellung

Lieferzeit: 5 Werktage

Pos.
384
BOSCH Riffelscheibe | Ersatzteile für GCM 12 GDL | 1609B02438
Hersteller: BOSCH
Artikelnummer: EB-3601M236H1-1609B02438
Netto: 3,63 € zzgl. MwSt.
zzgl. 6,90 € Versand (brutto)
einmalig pro Bestellung

Lieferzeit: 5 Werktage

Pos.
385
BOSCH Scheibe | Ersatzteile für GCM 12 GDL | 1609B02191
Hersteller: BOSCH
Artikelnummer: EB-3601M236H1-1609B02191
Netto: 4,53 € zzgl. MwSt.
zzgl. 6,90 € Versand (brutto)
einmalig pro Bestellung

Lieferzeit: 5 Werktage

Pos.
386
BOSCH Schraube | Ersatzteile für GCM 12 GDL | 1609B05179
Hersteller: BOSCH
Artikelnummer: EB-3601M236H1-1609B05179
Netto: 4,53 € zzgl. MwSt.
zzgl. 6,90 € Versand (brutto)
einmalig pro Bestellung

Lieferzeit: 5 Werktage

Pos.
387
BOSCH Laser | Ersatzteile für GCM 12 GDL | 1609B00404
Hersteller: BOSCH
Artikelnummer: EB-3601M236H1-1609B00404
Netto: 57,47 € zzgl. MwSt.
zzgl. 6,90 € Versand (brutto)
einmalig pro Bestellung

Lieferzeit: 5 Werktage

Pos.
391
BOSCH Anschlusskasten | Ersatzteile für GCM 12 GDL | 1609B02392
Hersteller: BOSCH
Artikelnummer: EB-3601M236H1-1609B02392
Netto: 4,53 € zzgl. MwSt.
zzgl. 6,90 € Versand (brutto)
einmalig pro Bestellung

Lieferzeit: 5 Werktage

Pos.
392
BOSCH Kabeldurchführungstülle | Ersatzteile für GCM 12 GDL | 1609B02415
Hersteller: BOSCH
Artikelnummer: EB-3601M236H1-1609B02415
Netto: 3,63 € zzgl. MwSt.
zzgl. 6,90 € Versand (brutto)
einmalig pro Bestellung

Lieferzeit: 5 Werktage

Pos.
393
BOSCH Kabeldurchführungstülle | Ersatzteile für GCM 12 GDL | 1609B02416
Hersteller: BOSCH
Artikelnummer: EB-3601M236H1-1609B02416
Netto: 3,63 € zzgl. MwSt.
zzgl. 6,90 € Versand (brutto)
einmalig pro Bestellung

Lieferzeit: 5 Werktage

Pos.
394
BOSCH Anschlusskasten | Ersatzteile für GCM 12 GDL | 1609B02391
Hersteller: BOSCH
Artikelnummer: EB-3601M236H1-1609B02391
Netto: 3,94 € zzgl. MwSt.
zzgl. 6,90 € Versand (brutto)
einmalig pro Bestellung

Lieferzeit: 5 Werktage

Pos.
396
BOSCH Modulhalter | Ersatzteile für GCM 12 GDL | 1609B00325
Hersteller: BOSCH
Artikelnummer: EB-3601M236H1-1609B00325
Netto: 3,94 € zzgl. MwSt.
zzgl. 6,90 € Versand (brutto)
einmalig pro Bestellung

Lieferzeit: 5 Werktage

Pos.
397
BOSCH Softstartmodul | Ersatzteile für GCM 12 GDL | 2610233020
Hersteller: BOSCH
Artikelnummer: EB-3601M236H1-2610233020
Netto: 15,75 € zzgl. MwSt.
zzgl. 6,90 € Versand (brutto)
einmalig pro Bestellung

Lieferzeit: 5 Werktage

Pos.
398
BOSCH Kabelabdeckung | Ersatzteile für GCM 12 GDL | 1609B02432
Hersteller: BOSCH
Artikelnummer: EB-3601M236H1-1609B02432
Netto: 5,19 € zzgl. MwSt.
zzgl. 6,90 € Versand (brutto)
einmalig pro Bestellung

Lieferzeit: 5 Werktage

Pos.
399
BOSCH Gehäusedeckel | Ersatzteile für GCM 12 GDL | 1609B02995
Hersteller: BOSCH
Artikelnummer: EB-3601M236H1-1609B02995
Netto: 3,63 € zzgl. MwSt.
zzgl. 6,90 € Versand (brutto)
einmalig pro Bestellung

Lieferzeit: 5 Werktage

Pos.
401
BOSCH Schraube | Ersatzteile für GCM 12 GDL | 1609B02189
Hersteller: BOSCH
Artikelnummer: EB-3601M236H1-1609B02189
Netto: 3,63 € zzgl. MwSt.
zzgl. 6,90 € Versand (brutto)
einmalig pro Bestellung

Lieferzeit: 5 Werktage

Pos.
402
BOSCH Steckschlüsseleinsatz | Ersatzteile für GCM 12 GDL | 1609B00415
Hersteller: BOSCH
Artikelnummer: EB-3601M236H1-1609B00415
Netto: 4,53 € zzgl. MwSt.
zzgl. 6,90 € Versand (brutto)
einmalig pro Bestellung

Lieferzeit: 5 Werktage

Pos.
412
BOSCH Blattfeder | Ersatzteile für GCM 12 GDL | 1609B04477
Hersteller: BOSCH
Artikelnummer: EB-3601M236H1-1609B04477
Netto: 3,63 € zzgl. MwSt.
zzgl. 6,90 € Versand (brutto)
einmalig pro Bestellung

Lieferzeit: 5 Werktage

Pos.
414
BOSCH Stange | Ersatzteile für GCM 12 GDL | 1609B04479
Hersteller: BOSCH
Artikelnummer: EB-3601M236H1-1609B04479
Netto: 4,82 € zzgl. MwSt.
zzgl. 6,90 € Versand (brutto)
einmalig pro Bestellung

Lieferzeit: 5 Werktage

Pos.
415
BOSCH Platte | Ersatzteile für GCM 12 GDL | 1609B04481
Hersteller: BOSCH
Artikelnummer: EB-3601M236H1-1609B04481
Netto: 3,63 € zzgl. MwSt.
zzgl. 6,90 € Versand (brutto)
einmalig pro Bestellung

Lieferzeit: 5 Werktage

Pos.
418
BOSCH Gestänge | Ersatzteile für GCM 12 GDL | 1609B04486
Hersteller: BOSCH
Artikelnummer: EB-3601M236H1-1609B04486
Netto: 3,63 € zzgl. MwSt.
zzgl. 6,90 € Versand (brutto)
einmalig pro Bestellung

Lieferzeit: 5 Werktage

Pos.
419
BOSCH Gewindestift | Ersatzteile für GCM 12 GDL | 1609B03777
Hersteller: BOSCH
Artikelnummer: EB-3601M236H1-1609B03777
Netto: 3,63 € zzgl. MwSt.
zzgl. 6,90 € Versand (brutto)
einmalig pro Bestellung

Lieferzeit: 5 Werktage

Pos.
420
BOSCH Taste | Ersatzteile für GCM 12 GDL | 1609B04865
Hersteller: BOSCH
Artikelnummer: EB-3601M236H1-1609B04865
Netto: 3,63 € zzgl. MwSt.
zzgl. 6,90 € Versand (brutto)
einmalig pro Bestellung

Lieferzeit: 5 Werktage

Pos.
422
BOSCH Schraube | Ersatzteile für GCM 12 GDL | 1609B00780
Hersteller: BOSCH
Artikelnummer: EB-3601M236H1-1609B00780
Netto: 3,63 € zzgl. MwSt.
zzgl. 6,90 € Versand (brutto)
einmalig pro Bestellung

Lieferzeit: 5 Werktage

Pos.
423
BOSCH Unterlegscheibe | Ersatzteile für GCM 12 GDL | 1609B04225
Hersteller: BOSCH
Artikelnummer: EB-3601M236H1-1609B04225
Netto: 3,63 € zzgl. MwSt.
zzgl. 6,90 € Versand (brutto)
einmalig pro Bestellung

Lieferzeit: 5 Werktage

Pos.
427
BOSCH Elektr Leitung | Ersatzteile für GCM 12 GDL | 1609B05115
Hersteller: BOSCH
Artikelnummer: EB-3601M236H1-1609B05115
Netto: 4,32 € zzgl. MwSt.
zzgl. 6,90 € Versand (brutto)
einmalig pro Bestellung

Lieferzeit: 5 Werktage

Pos.
433
BOSCH Einklebeblatt | Ersatzteile für GCM 12 GDL | 1609B04954
Hersteller: BOSCH
Artikelnummer: EB-3601M236H1-1609B04954
Netto: 4,53 € zzgl. MwSt.
zzgl. 6,90 € Versand (brutto)
einmalig pro Bestellung

Lieferzeit: 5 Werktage

Pos.
434
BOSCH Einklebeblatt | Ersatzteile für GCM 12 GDL | 1609B04955
Hersteller: BOSCH
Artikelnummer: EB-3601M236H1-1609B04955
Netto: 4,53 € zzgl. MwSt.
zzgl. 6,90 € Versand (brutto)
einmalig pro Bestellung

Lieferzeit: 5 Werktage

Pos.
435
BOSCH Druckfeder | Ersatzteile für GCM 12 GDL | 1609B01530
Hersteller: BOSCH
Artikelnummer: EB-3601M236H1-1609B01530
Netto: 3,63 € zzgl. MwSt.
zzgl. 6,90 € Versand (brutto)
einmalig pro Bestellung

Lieferzeit: 5 Werktage

Pos.
436
BOSCH Klemmschelle | Ersatzteile für GCM 12 GDL | 1609B02412
Hersteller: BOSCH
Artikelnummer: EB-3601M236H1-1609B02412
Netto: 3,63 € zzgl. MwSt.
zzgl. 6,90 € Versand (brutto)
einmalig pro Bestellung

Lieferzeit: 5 Werktage

Pos.
465
BOSCH Endklipp | Ersatzteile für GCM 12 GDL | 1609B01992
Hersteller: BOSCH
Artikelnummer: EB-3601M236H1-1609B01992
Netto: 3,63 € zzgl. MwSt.
zzgl. 6,90 € Versand (brutto)
einmalig pro Bestellung

Lieferzeit: 5 Werktage

Pos.
466
BOSCH Rastniet | Ersatzteile für GCM 12 GDL | 1609B02986
Hersteller: BOSCH
Artikelnummer: EB-3601M236H1-1609B02986
Netto: 3,63 € zzgl. MwSt.
zzgl. 6,90 € Versand (brutto)
einmalig pro Bestellung

Lieferzeit: 5 Werktage

Pos.
801
BOSCH Motorgehäuse | Ersatzteile für GCM 12 GDL | 1609B02302
Hersteller: BOSCH
Artikelnummer: EB-3601M236H1-1609B02302
Netto: 39,11 € zzgl. MwSt.
zzgl. 6,90 € Versand (brutto)
einmalig pro Bestellung

Lieferzeit: 5 Werktage

Pos.
802
BOSCH Rastbolzen | Ersatzteile für GCM 12 GDL | 1609B02310
Hersteller: BOSCH
Artikelnummer: EB-3601M236H1-1609B02310
Netto: 5,67 € zzgl. MwSt.
zzgl. 6,90 € Versand (brutto)
einmalig pro Bestellung

Lieferzeit: 5 Werktage

Pos.
803
BOSCH Anker 220-240V | Ersatzteile für GCM 12 GDL | 1609B02973
Hersteller: BOSCH
Artikelnummer: EB-3601M236H1-1609B02973
Netto: 106,72 € zzgl. MwSt.
zzgl. 6,90 € Versand (brutto)
einmalig pro Bestellung

Lieferzeit: 5 Werktage

Pos.
805
BOSCH Netzanschlussleitung AR | Ersatzteile für GCM 12 GDL | 1609B06601
Hersteller: BOSCH
Artikelnummer: EB-3601M236H1-1609B06601
Netto: 14,36 € zzgl. MwSt.
zzgl. 6,90 € Versand (brutto)
einmalig pro Bestellung

Lieferzeit: 5 Werktage

Pos.
808
BOSCH Typschild | Ersatzteile für GCM 12 GDL | 1609BN0312
Hersteller: BOSCH
Artikelnummer: EB-3601M236H1-1609BN0312
Netto: 4,53 € zzgl. MwSt.
zzgl. 6,90 € Versand (brutto)
einmalig pro Bestellung

Lieferzeit: 5 Werktage

Pos.
810
BOSCH Kohlebürstensatz | Ersatzteile für GCM 12 GDL | 2610021311
Hersteller: BOSCH
Artikelnummer: EB-3601M236H1-2610021311
Netto: 12,98 € zzgl. MwSt.
zzgl. 6,90 € Versand (brutto)
einmalig pro Bestellung

Lieferzeit: 5 Werktage

Pos.
812
BOSCH Entstörkondensator | Ersatzteile für GCM 12 GDL | 1609B02998
Hersteller: BOSCH
Artikelnummer: EB-3601M236H1-1609B02998
Netto: 3,94 € zzgl. MwSt.
zzgl. 6,90 € Versand (brutto)
einmalig pro Bestellung

Lieferzeit: 5 Werktage

Pos.
813
BOSCH Raste | Ersatzteile für GCM 12 GDL | 1609B02966
Hersteller: BOSCH
Artikelnummer: EB-3601M236H1-1609B02966
Netto: 5,67 € zzgl. MwSt.
zzgl. 6,90 € Versand (brutto)
einmalig pro Bestellung

Lieferzeit: 5 Werktage

Pos.
817
BOSCH Platte | Ersatzteile für GCM 12 GDL | 1609B02598
Hersteller: BOSCH
Artikelnummer: EB-3601M236H1-1609B02598
Netto: 9,18 € zzgl. MwSt.
zzgl. 6,90 € Versand (brutto)
einmalig pro Bestellung

Lieferzeit: 5 Werktage

Pos.
827
BOSCH Lager | Ersatzteile für GCM 12 GDL | 1609B02316
Hersteller: BOSCH
Artikelnummer: EB-3601M236H1-1609B02316
Netto: 14,36 € zzgl. MwSt.
zzgl. 6,90 € Versand (brutto)
einmalig pro Bestellung

Lieferzeit: 5 Werktage

Pos.
828
BOSCH Schacht | Ersatzteile für GCM 12 GDL | 1609B02970
Hersteller: BOSCH
Artikelnummer: EB-3601M236H1-1609B02970
Netto: 7,76 € zzgl. MwSt.
zzgl. 6,90 € Versand (brutto)
einmalig pro Bestellung

Lieferzeit: 5 Werktage

Pos.
831
BOSCH Scharnier | Ersatzteile für GCM 12 GDL | 1609B02303
Hersteller: BOSCH
Artikelnummer: EB-3601M236H1-1609B02303
Netto: 70,50 € zzgl. MwSt.
zzgl. 6,90 € Versand (brutto)
einmalig pro Bestellung

Lieferzeit: 5 Werktage

Pos.
832
BOSCH Scharnier | Ersatzteile für GCM 12 GDL | 1609B02304
Hersteller: BOSCH
Artikelnummer: EB-3601M236H1-1609B02304
Netto: 57,47 € zzgl. MwSt.
zzgl. 6,90 € Versand (brutto)
einmalig pro Bestellung

Lieferzeit: 5 Werktage

Pos.
833
BOSCH Scharnier | Ersatzteile für GCM 12 GDL | 1609B02305
Hersteller: BOSCH
Artikelnummer: EB-3601M236H1-1609B02305
Netto: 47,09 € zzgl. MwSt.
zzgl. 6,90 € Versand (brutto)
einmalig pro Bestellung

Lieferzeit: 5 Werktage

Pos.
834
BOSCH Schraubzwinge | Ersatzteile für GCM 12 GDL | 1609B06203
Hersteller: BOSCH
Artikelnummer: EB-3601M236H1-1609B06203
Netto: 11,92 € zzgl. MwSt.
zzgl. 6,90 € Versand (brutto)
einmalig pro Bestellung

Lieferzeit: 5 Werktage

Pos.
835
BOSCH Scharnier | Ersatzteile für GCM 12 GDL | 1609B02958
Hersteller: BOSCH
Artikelnummer: EB-3601M236H1-1609B02958
Netto: 52,14 € zzgl. MwSt.
zzgl. 6,90 € Versand (brutto)
einmalig pro Bestellung

Lieferzeit: 5 Werktage

Pos.
837
BOSCH Flanschbausatz | Ersatzteile für GCM 12 GDL | 1609B06921
Hersteller: BOSCH
Artikelnummer: EB-3601M236H1-1609B06921
Netto: 9,18 € zzgl. MwSt.
zzgl. 6,90 € Versand (brutto)
einmalig pro Bestellung

Lieferzeit: 5 Werktage

Pos.
838
BOSCH Deckeleinheit | Ersatzteile für GCM 12 GDL | 1609B02974
Hersteller: BOSCH
Artikelnummer: EB-3601M236H1-1609B02974
Netto: 5,19 € zzgl. MwSt.
zzgl. 6,90 € Versand (brutto)
einmalig pro Bestellung

Lieferzeit: 5 Werktage

Pos.
844
BOSCH Sockel | Ersatzteile für GCM 12 GDL | 1609B02968
Hersteller: BOSCH
Artikelnummer: EB-3601M236H1-1609B02968
Netto: 153,18 € zzgl. MwSt.
zzgl. 6,90 € Versand (brutto)
einmalig pro Bestellung

Lieferzeit: 5 Werktage

Pos.
851
BOSCH Ergänzungsgestell | Ersatzteile für GCM 12 GDL | 1609B02964
Hersteller: BOSCH
Artikelnummer: EB-3601M236H1-1609B02964
Netto: 21,16 € zzgl. MwSt.
zzgl. 6,90 € Versand (brutto)
einmalig pro Bestellung

Lieferzeit: 5 Werktage

Pos.
852
BOSCH Ergänzungsgestell | Ersatzteile für GCM 12 GDL | 1609B02965
Hersteller: BOSCH
Artikelnummer: EB-3601M236H1-1609B02965
Netto: 19,18 € zzgl. MwSt.
zzgl. 6,90 € Versand (brutto)
einmalig pro Bestellung

Lieferzeit: 5 Werktage

Pos.
858
BOSCH Schutzhaube | Ersatzteile für GCM 12 GDL | 1609B02953
Hersteller: BOSCH
Artikelnummer: EB-3601M236H1-1609B02953
Netto: 29,45 € zzgl. MwSt.
zzgl. 6,90 € Versand (brutto)
einmalig pro Bestellung

Lieferzeit: 5 Werktage

Pos.
870
BOSCH Schnur 220V | Ersatzteile für GCM 12 GDL | 1609B02999
Hersteller: BOSCH
Artikelnummer: EB-3601M236H1-1609B02999
Netto: 6,70 € zzgl. MwSt.
zzgl. 6,90 € Versand (brutto)
einmalig pro Bestellung

Lieferzeit: 5 Werktage

Pos.
871
BOSCH Arm | Ersatzteile für GCM 12 GDL | 1609B02997
Hersteller: BOSCH
Artikelnummer: EB-3601M236H1-1609B02997
Netto: 70,50 € zzgl. MwSt.
zzgl. 6,90 € Versand (brutto)
einmalig pro Bestellung

Lieferzeit: 5 Werktage

Pos.
873
BOSCH Getriebekasten | Ersatzteile für GCM 12 GDL | 1609B02307
Hersteller: BOSCH
Artikelnummer: EB-3601M236H1-1609B02307
Netto: 26,88 € zzgl. MwSt.
zzgl. 6,90 € Versand (brutto)
einmalig pro Bestellung

Lieferzeit: 5 Werktage

Pos.
882
BOSCH Tisch | Ersatzteile für GCM 12 GDL | 1609B02967
Hersteller: BOSCH
Artikelnummer: EB-3601M236H1-1609B02967
Netto: 135,20 € zzgl. MwSt.
zzgl. 6,90 € Versand (brutto)
einmalig pro Bestellung

Lieferzeit: 5 Werktage

Pos.
883
BOSCH Stützplatte | Ersatzteile für GCM 12 GDL | 1609B02434
Hersteller: BOSCH
Artikelnummer: EB-3601M236H1-1609B02434
Netto: 14,36 € zzgl. MwSt.
zzgl. 6,90 € Versand (brutto)
einmalig pro Bestellung

Lieferzeit: 5 Werktage

Pos.
885
BOSCH Handgriff | Ersatzteile für GCM 12 GDL | 1609B06236
Hersteller: BOSCH
Artikelnummer: EB-3601M236H1-1609B06236
Netto: 12,98 € zzgl. MwSt.
zzgl. 6,90 € Versand (brutto)
einmalig pro Bestellung

Lieferzeit: 5 Werktage

Angaben zur Produktsicherheit

Hersteller:
Robert Bosch Power Tools GmbH
Postfach 30 02 20
70442 Stuttgart

E-Mail:
kontakt@bosch.de