BOSCH Adapter | Ersatzteile für GCM 12 JL | 1609B01613

Artikelnummer: EB-3601M21100-1609B01613

Position: 123

Marke: BOSCH


Bitte Kompatibilität prüfen!

Bitte prüfen Sie unbedingt die 10-stellige Typennummer Ihrer Maschine / Ihres Gerätes. Das Ersatzteil ist nur kompatibel, wenn Sie die Typennummer Ihrer Maschine in der unten stehenden Produktbeschreibung finden.

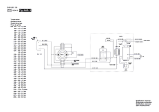
Bitte prüfen Sie ebenfalls detailliert die Explosionszeichnung mit Ihrem Artikelwunsch und der jeweiligen Pos-Nummer.

Alle Elemente, welche vom schwarzen Strich der Pos-Nummer ausgehend berührt / erfasst werden, gehören zu dieser Pos-Nummer und somit zu diesem Artikel. Jede Pos-Nummer ist ein eigenständiger Artikel, welchen Sie in der Auflistung finden.

Sie erhalten stets die aktuellste, neueste Produktversion zu der gewählten Pos-Nummer seitens des Herstellers. Es kann daher je nach Gerätealter vorkommen, dass Sie ggf. weitere, zugehörige Elemente, welche an diese Pos-Nummer grenzen, ebenfalls mittauschen müssen.

Nähere Informationen finden Sie unter dem Link
Hinweise zu Ihrer BOSCH Ersatzteilsuche

Preisübersicht

Einzelpreis: 9,95 €* (Brutto: 11,84 €)
Gesamtpreis: 9,95 €* 
Position:

Lieferzeit: 5 Werktage


Beschreibung

  • Adapter
  • Original Bosch Zubehör / BOSCH Ersatzteil (1609B01613)
  • im Gerät verbaut: 1
Dieses BOSCH Ersatzteil ist mit folgendem Gerät und Modell kompatibel:
  • BOSCH Gerätename: GCM 12 JL
  • BOSCH Explosionszeichnung: Position 123
  • BOSCH Typennummer: 3601M21100
  • BOSCH Typennummer alternative Schreibweisen: 3 601 M21 100, 3601 M21 100, 3.601.M21.100, 3-601-M21-100
    Bitte prüfen Sie diese Typennummer auf Ihrem Gerät um die Kompatibilität des BOSCH Ersatzteils zu gewährleisten.
Weitere BOSCH Ersatzteile des Gerätes GCM 12 JL (Kapp-/Gehrungssäge) mit der Typennummer 3601M21100 finden Sie in der nachfolgenden Darstellung und im Dropdown zu Ihrer Auswahl:

Pos.
2
BOSCH Polschuh 230V | Ersatzteile für GCM 12 JL | 1609B01577
Hersteller: BOSCH
Artikelnummer: EB-3601M21100-1609B01577
Netto: 77,60 € zzgl. MwSt.
zzgl. 6,90 € Versand (brutto)
einmalig pro Bestellung

Lieferzeit: 5 Werktage

Pos.
840
BOSCH Schraubzwinge | Ersatzteile für GCM 12 JL | 1609B02585
Hersteller: BOSCH
Artikelnummer: EB-3601M21100-1609B02585
Netto: 10,20 € zzgl. MwSt.
zzgl. 6,90 € Versand (brutto)
einmalig pro Bestellung

Lieferzeit: 5 Werktage

Pos.
4
BOSCH Schalter | Ersatzteile für GCM 12 JL | 2610950336
Hersteller: BOSCH
Artikelnummer: EB-3601M21100-2610950336
Netto: 15,75 € zzgl. MwSt.
zzgl. 6,90 € Versand (brutto)
einmalig pro Bestellung

Lieferzeit: 5 Werktage

Pos.
12
BOSCH Entstörkondensator | Ersatzteile für GCM 12 JL | 1609B01587
Hersteller: BOSCH
Artikelnummer: EB-3601M21100-1609B01587
Netto: 4,53 € zzgl. MwSt.
zzgl. 6,90 € Versand (brutto)
einmalig pro Bestellung

Lieferzeit: 5 Werktage

Pos.
13
BOSCH Lager | Ersatzteile für GCM 12 JL | 1609B00812
Hersteller: BOSCH
Artikelnummer: EB-3601M21100-1609B00812
Netto: 6,70 € zzgl. MwSt.
zzgl. 6,90 € Versand (brutto)
einmalig pro Bestellung

Lieferzeit: 5 Werktage

Pos.
5
BOSCH Netzanschlussleitung EU 3m 2x1mm H05 RN-F | Ersatzteile für GCM 12 JL | 1609B02952
Hersteller: BOSCH
Artikelnummer: EB-3601M21100-1609B02952
nur Informationsartikel
Nie mehr lieferbar
keine Alternativen
Pos.
14
BOSCH Lager | Ersatzteile für GCM 12 JL | 1609B01672
Hersteller: BOSCH
Artikelnummer: EB-3601M21100-1609B01672
Netto: 7,30 € zzgl. MwSt.
zzgl. 6,90 € Versand (brutto)
einmalig pro Bestellung

Lieferzeit: 5 Werktage

Pos.
30
BOSCH Vorlegscheibe | Ersatzteile für GCM 12 JL | 1609B01499
Hersteller: BOSCH
Artikelnummer: EB-3601M21100-1609B01499
Netto: 3,63 € zzgl. MwSt.
zzgl. 6,90 € Versand (brutto)
einmalig pro Bestellung

Lieferzeit: 5 Werktage

Pos.
32
BOSCH Gehrungslineal | Ersatzteile für GCM 12 JL | 1609B01442
Hersteller: BOSCH
Artikelnummer: EB-3601M21100-1609B01442
Netto: 24,13 € zzgl. MwSt.
zzgl. 6,90 € Versand (brutto)
einmalig pro Bestellung

Lieferzeit: 5 Werktage

Pos.
8
BOSCH Typschild | Ersatzteile für GCM 12 JL | 1609BN0170
Hersteller: BOSCH
Artikelnummer: EB-3601M21100-1609BN0170
nur Informationsartikel
Nie mehr lieferbar
keine Alternativen
Pos.
33
BOSCH Gehrungslineal | Ersatzteile für GCM 12 JL | 1609B01443
Hersteller: BOSCH
Artikelnummer: EB-3601M21100-1609B01443
nur Informationsartikel
Nie mehr lieferbar
keine Alternativen
Pos.
34
BOSCH Gehrungslineal | Ersatzteile für GCM 12 JL | 1609B01444
Hersteller: BOSCH
Artikelnummer: EB-3601M21100-1609B01444
Netto: 19,18 € zzgl. MwSt.
zzgl. 6,90 € Versand (brutto)
einmalig pro Bestellung

Lieferzeit: 5 Werktage

Pos.
36
BOSCH Arretierblech | Ersatzteile für GCM 12 JL | 1609B01427
Hersteller: BOSCH
Artikelnummer: EB-3601M21100-1609B01427
Netto: 9,18 € zzgl. MwSt.
zzgl. 6,90 € Versand (brutto)
einmalig pro Bestellung

Lieferzeit: 5 Werktage

Pos.
37
BOSCH Gleitplatte | Ersatzteile für GCM 12 JL | 1609B01428
Hersteller: BOSCH
Artikelnummer: EB-3601M21100-1609B01428
Netto: 4,53 € zzgl. MwSt.
zzgl. 6,90 € Versand (brutto)
einmalig pro Bestellung

Lieferzeit: 5 Werktage

Pos.
41
BOSCH Feststellschraube | Ersatzteile für GCM 12 JL | 1609B01435
Hersteller: BOSCH
Artikelnummer: EB-3601M21100-1609B01435
Netto: 3,94 € zzgl. MwSt.
zzgl. 6,90 € Versand (brutto)
einmalig pro Bestellung

Lieferzeit: 5 Werktage

Pos.
42
BOSCH Feststellschraube | Ersatzteile für GCM 12 JL | 1609B01436
Hersteller: BOSCH
Artikelnummer: EB-3601M21100-1609B01436
Netto: 3,94 € zzgl. MwSt.
zzgl. 6,90 € Versand (brutto)
einmalig pro Bestellung

Lieferzeit: 5 Werktage

Pos.
44
BOSCH Tisch | Ersatzteile für GCM 12 JL | 1609B01452
Hersteller: BOSCH
Artikelnummer: EB-3601M21100-1609B01452
Netto: 106,72 € zzgl. MwSt.
zzgl. 6,90 € Versand (brutto)
einmalig pro Bestellung

Lieferzeit: 5 Werktage

Pos.
45
BOSCH Stützplatte | Ersatzteile für GCM 12 JL | 1609B01453
Hersteller: BOSCH
Artikelnummer: EB-3601M21100-1609B01453
Netto: 5,19 € zzgl. MwSt.
zzgl. 6,90 € Versand (brutto)
einmalig pro Bestellung

Lieferzeit: 5 Werktage

Pos.
46
BOSCH Welle | Ersatzteile für GCM 12 JL | 1609B01454
Hersteller: BOSCH
Artikelnummer: EB-3601M21100-1609B01454
Netto: 6,15 € zzgl. MwSt.
zzgl. 6,90 € Versand (brutto)
einmalig pro Bestellung

Lieferzeit: 5 Werktage

Pos.
47
BOSCH Verschleissplatte | Ersatzteile für GCM 12 JL | 1609B01457
Hersteller: BOSCH
Artikelnummer: EB-3601M21100-1609B01457
Netto: 3,63 € zzgl. MwSt.
zzgl. 6,90 € Versand (brutto)
einmalig pro Bestellung

Lieferzeit: 5 Werktage

Pos.
48
BOSCH Gleitschieber | Ersatzteile für GCM 12 JL | 1609B01458
Hersteller: BOSCH
Artikelnummer: EB-3601M21100-1609B01458
Netto: 3,63 € zzgl. MwSt.
zzgl. 6,90 € Versand (brutto)
einmalig pro Bestellung

Lieferzeit: 5 Werktage

Pos.
49
BOSCH Schulterschraube | Ersatzteile für GCM 12 JL | 1609B01459
Hersteller: BOSCH
Artikelnummer: EB-3601M21100-1609B01459
Netto: 3,63 € zzgl. MwSt.
zzgl. 6,90 € Versand (brutto)
einmalig pro Bestellung

Lieferzeit: 5 Werktage

Pos.
50
BOSCH Läufer | Ersatzteile für GCM 12 JL | 1609B01460
Hersteller: BOSCH
Artikelnummer: EB-3601M21100-1609B01460
Netto: 10,92 € zzgl. MwSt.
zzgl. 6,90 € Versand (brutto)
einmalig pro Bestellung

Lieferzeit: 5 Werktage

Pos.
51
BOSCH Arretierung | Ersatzteile für GCM 12 JL | 1609B01461
Hersteller: BOSCH
Artikelnummer: EB-3601M21100-1609B01461
Netto: 7,76 € zzgl. MwSt.
zzgl. 6,90 € Versand (brutto)
einmalig pro Bestellung

Lieferzeit: 5 Werktage

Pos.
52
BOSCH Schulterschraube | Ersatzteile für GCM 12 JL | 1609B01462
Hersteller: BOSCH
Artikelnummer: EB-3601M21100-1609B01462
Netto: 3,63 € zzgl. MwSt.
zzgl. 6,90 € Versand (brutto)
einmalig pro Bestellung

Lieferzeit: 5 Werktage

Pos.
53
BOSCH Schulterschraube | Ersatzteile für GCM 12 JL | 1609B01463
Hersteller: BOSCH
Artikelnummer: EB-3601M21100-1609B01463
Netto: 3,63 € zzgl. MwSt.
zzgl. 6,90 € Versand (brutto)
einmalig pro Bestellung

Lieferzeit: 5 Werktage

Pos.
54
BOSCH Gleitbacke | Ersatzteile für GCM 12 JL | 1609B01464
Hersteller: BOSCH
Artikelnummer: EB-3601M21100-1609B01464
Netto: 3,63 € zzgl. MwSt.
zzgl. 6,90 € Versand (brutto)
einmalig pro Bestellung

Lieferzeit: 5 Werktage

Pos.
55
BOSCH Zeiger | Ersatzteile für GCM 12 JL | 1609B01465
Hersteller: BOSCH
Artikelnummer: EB-3601M21100-1609B01465
Netto: 3,94 € zzgl. MwSt.
zzgl. 6,90 € Versand (brutto)
einmalig pro Bestellung

Lieferzeit: 5 Werktage

Pos.
56
BOSCH Haltearm | Ersatzteile für GCM 12 JL | 1609B01466
Hersteller: BOSCH
Artikelnummer: EB-3601M21100-1609B01466
Netto: 9,18 € zzgl. MwSt.
zzgl. 6,90 € Versand (brutto)
einmalig pro Bestellung

Lieferzeit: 5 Werktage

Pos.
58
BOSCH Stift | Ersatzteile für GCM 12 JL | 1609B01469
Hersteller: BOSCH
Artikelnummer: EB-3601M21100-1609B01469
Netto: 3,63 € zzgl. MwSt.
zzgl. 6,90 € Versand (brutto)
einmalig pro Bestellung

Lieferzeit: 5 Werktage

Pos.
59
BOSCH Knopf | Ersatzteile für GCM 12 JL | 1609B01470
Hersteller: BOSCH
Artikelnummer: EB-3601M21100-1609B01470
Netto: 7,30 € zzgl. MwSt.
zzgl. 6,90 € Versand (brutto)
einmalig pro Bestellung

Lieferzeit: 5 Werktage

Pos.
60
BOSCH Schelle | Ersatzteile für GCM 12 JL | 1609B01472
Hersteller: BOSCH
Artikelnummer: EB-3601M21100-1609B01472
Netto: 4,32 € zzgl. MwSt.
zzgl. 6,90 € Versand (brutto)
einmalig pro Bestellung

Lieferzeit: 5 Werktage

Pos.
61
BOSCH Druckfeder | Ersatzteile für GCM 12 JL | 1609B01473
Hersteller: BOSCH
Artikelnummer: EB-3601M21100-1609B01473
Netto: 3,63 € zzgl. MwSt.
zzgl. 6,90 € Versand (brutto)
einmalig pro Bestellung

Lieferzeit: 5 Werktage

Pos.
62
BOSCH Stift | Ersatzteile für GCM 12 JL | 1609B01474
Hersteller: BOSCH
Artikelnummer: EB-3601M21100-1609B01474
Netto: 3,63 € zzgl. MwSt.
zzgl. 6,90 € Versand (brutto)
einmalig pro Bestellung

Lieferzeit: 5 Werktage

Pos.
63
BOSCH Auslöser | Ersatzteile für GCM 12 JL | 1609B01475
Hersteller: BOSCH
Artikelnummer: EB-3601M21100-1609B01475
Netto: 5,67 € zzgl. MwSt.
zzgl. 6,90 € Versand (brutto)
einmalig pro Bestellung

Lieferzeit: 5 Werktage

Pos.
64
BOSCH Schwingfeder | Ersatzteile für GCM 12 JL | 1609B01476
Hersteller: BOSCH
Artikelnummer: EB-3601M21100-1609B01476
Netto: 3,94 € zzgl. MwSt.
zzgl. 6,90 € Versand (brutto)
einmalig pro Bestellung

Lieferzeit: 5 Werktage

Pos.
65
BOSCH Rollen-Bundbolzen | Ersatzteile für GCM 12 JL | 1609B01477
Hersteller: BOSCH
Artikelnummer: EB-3601M21100-1609B01477
Netto: 3,60 € zzgl. MwSt.
zzgl. 6,90 € Versand (brutto)
einmalig pro Bestellung

Lieferzeit: 5 Werktage

Pos.
66
BOSCH Druckfeder | Ersatzteile für GCM 12 JL | 1609B01479
Hersteller: BOSCH
Artikelnummer: EB-3601M21100-1609B01479
Netto: 3,63 € zzgl. MwSt.
zzgl. 6,90 € Versand (brutto)
einmalig pro Bestellung

Lieferzeit: 5 Werktage

Pos.
67
BOSCH Griff | Ersatzteile für GCM 12 JL | 1609B01482
Hersteller: BOSCH
Artikelnummer: EB-3601M21100-1609B01482
Netto: 9,18 € zzgl. MwSt.
zzgl. 6,90 € Versand (brutto)
einmalig pro Bestellung

Lieferzeit: 5 Werktage

Pos.
69
BOSCH Flansch | Ersatzteile für GCM 12 JL | 1609B01585
Hersteller: BOSCH
Artikelnummer: EB-3601M21100-1609B01585
Netto: 9,18 € zzgl. MwSt.
zzgl. 6,90 € Versand (brutto)
einmalig pro Bestellung

Lieferzeit: 5 Werktage

Pos.
70
BOSCH Flansch | Ersatzteile für GCM 12 JL | 1609B01586
Hersteller: BOSCH
Artikelnummer: EB-3601M21100-1609B01586
Netto: 8,33 € zzgl. MwSt.
zzgl. 6,90 € Versand (brutto)
einmalig pro Bestellung

Lieferzeit: 5 Werktage

Pos.
71
BOSCH Runddichtring | Ersatzteile für GCM 12 JL | 1609B01674
Hersteller: BOSCH
Artikelnummer: EB-3601M21100-1609B01674
Netto: 3,63 € zzgl. MwSt.
zzgl. 6,90 € Versand (brutto)
einmalig pro Bestellung

Lieferzeit: 5 Werktage

Pos.
74
BOSCH Lagerkörper | Ersatzteile für GCM 12 JL | 1609B01501
Hersteller: BOSCH
Artikelnummer: EB-3601M21100-1609B01501
Netto: 8,33 € zzgl. MwSt.
zzgl. 6,90 € Versand (brutto)
einmalig pro Bestellung

Lieferzeit: 5 Werktage

Pos.
77
BOSCH Lagerabdeckung | Ersatzteile für GCM 12 JL | 1609B01504
Hersteller: BOSCH
Artikelnummer: EB-3601M21100-1609B01504
Netto: 4,32 € zzgl. MwSt.
zzgl. 6,90 € Versand (brutto)
einmalig pro Bestellung

Lieferzeit: 5 Werktage

Pos.
78
BOSCH Umlenkblech | Ersatzteile für GCM 12 JL | 1609B01507
Hersteller: BOSCH
Artikelnummer: EB-3601M21100-1609B01507
Netto: 5,19 € zzgl. MwSt.
zzgl. 6,90 € Versand (brutto)
einmalig pro Bestellung

Lieferzeit: 5 Werktage

Pos.
79
BOSCH Endkappe | Ersatzteile für GCM 12 JL | 1609B01508
Hersteller: BOSCH
Artikelnummer: EB-3601M21100-1609B01508
Netto: 8,33 € zzgl. MwSt.
zzgl. 6,90 € Versand (brutto)
einmalig pro Bestellung

Lieferzeit: 5 Werktage

Pos.
80
BOSCH Schulterschraube | Ersatzteile für GCM 12 JL | 1609B01509
Hersteller: BOSCH
Artikelnummer: EB-3601M21100-1609B01509
Netto: 3,63 € zzgl. MwSt.
zzgl. 6,90 € Versand (brutto)
einmalig pro Bestellung

Lieferzeit: 5 Werktage

Pos.
81
BOSCH Kabelklemme | Ersatzteile für GCM 12 JL | 1609B01512
Hersteller: BOSCH
Artikelnummer: EB-3601M21100-1609B01512
Netto: 3,63 € zzgl. MwSt.
zzgl. 6,90 € Versand (brutto)
einmalig pro Bestellung

Lieferzeit: 5 Werktage

Pos.
82
BOSCH Schulterschraube | Ersatzteile für GCM 12 JL | 1609B01513
Hersteller: BOSCH
Artikelnummer: EB-3601M21100-1609B01513
Netto: 3,94 € zzgl. MwSt.
zzgl. 6,90 € Versand (brutto)
einmalig pro Bestellung

Lieferzeit: 5 Werktage

Pos.
83
BOSCH Spanrichter | Ersatzteile für GCM 12 JL | 1609B01541
Hersteller: BOSCH
Artikelnummer: EB-3601M21100-1609B01541
Netto: 3,94 € zzgl. MwSt.
zzgl. 6,90 € Versand (brutto)
einmalig pro Bestellung

Lieferzeit: 5 Werktage

Pos.
84
BOSCH Spanrichter | Ersatzteile für GCM 12 JL | 1609B01542
Hersteller: BOSCH
Artikelnummer: EB-3601M21100-1609B01542
Netto: 3,94 € zzgl. MwSt.
zzgl. 6,90 € Versand (brutto)
einmalig pro Bestellung

Lieferzeit: 5 Werktage

Pos.
90
BOSCH Mutternaufnahme | Ersatzteile für GCM 12 JL | 1609B01522
Hersteller: BOSCH
Artikelnummer: EB-3601M21100-1609B01522
Netto: 3,63 € zzgl. MwSt.
zzgl. 6,90 € Versand (brutto)
einmalig pro Bestellung

Lieferzeit: 5 Werktage

Pos.
91
BOSCH Griff | Ersatzteile für GCM 12 JL | 1609B01580
Hersteller: BOSCH
Artikelnummer: EB-3601M21100-1609B01580
nur Informationsartikel
Nie mehr lieferbar
keine Alternativen
Pos.
92
BOSCH Griff | Ersatzteile für GCM 12 JL | 1609B01582
Hersteller: BOSCH
Artikelnummer: EB-3601M21100-1609B01582
Netto: 16,44 € zzgl. MwSt.
zzgl. 6,90 € Versand (brutto)
einmalig pro Bestellung

Lieferzeit: 5 Werktage

Pos.
97
BOSCH Auslöser | Ersatzteile für GCM 12 JL | 1609B01531
Hersteller: BOSCH
Artikelnummer: EB-3601M21100-1609B01531
Netto: 4,32 € zzgl. MwSt.
zzgl. 6,90 € Versand (brutto)
einmalig pro Bestellung

Lieferzeit: 5 Werktage

Pos.
98
BOSCH Kabeltülle | Ersatzteile für GCM 12 JL | 1609B01533
Hersteller: BOSCH
Artikelnummer: EB-3601M21100-1609B01533
Netto: 3,63 € zzgl. MwSt.
zzgl. 6,90 € Versand (brutto)
einmalig pro Bestellung

Lieferzeit: 5 Werktage

Pos.
99
BOSCH Anschlussklotz | Ersatzteile für GCM 12 JL | 1609BP7059
Hersteller: BOSCH
Artikelnummer: EB-3601M21100-1609BP7059
Netto: 3,94 € zzgl. MwSt.
zzgl. 6,90 € Versand (brutto)
einmalig pro Bestellung

Lieferzeit: 5 Werktage

Pos.
101
BOSCH Kabelband | Ersatzteile für GCM 12 JL | 1609B01538
Hersteller: BOSCH
Artikelnummer: EB-3601M21100-1609B01538
Netto: 3,63 € zzgl. MwSt.
zzgl. 6,90 € Versand (brutto)
einmalig pro Bestellung

Lieferzeit: 5 Werktage

Pos.
102
BOSCH Polster | Ersatzteile für GCM 12 JL | 1609B01539
Hersteller: BOSCH
Artikelnummer: EB-3601M21100-1609B01539
Netto: 3,63 € zzgl. MwSt.
zzgl. 6,90 € Versand (brutto)
einmalig pro Bestellung

Lieferzeit: 5 Werktage

Pos.
103
BOSCH Schraube | Ersatzteile für GCM 12 JL | 1609B01561
Hersteller: BOSCH
Artikelnummer: EB-3601M21100-1609B01561
Netto: 3,63 € zzgl. MwSt.
zzgl. 6,90 € Versand (brutto)
einmalig pro Bestellung

Lieferzeit: 5 Werktage

Pos.
104
BOSCH Verkleidung | Ersatzteile für GCM 12 JL | 1609B01570
Hersteller: BOSCH
Artikelnummer: EB-3601M21100-1609B01570
Netto: 4,53 € zzgl. MwSt.
zzgl. 6,90 € Versand (brutto)
einmalig pro Bestellung

Lieferzeit: 5 Werktage

Pos.
106
BOSCH Zeiger | Ersatzteile für GCM 12 JL | 1609B01592
Hersteller: BOSCH
Artikelnummer: EB-3601M21100-1609B01592
Netto: 4,82 € zzgl. MwSt.
zzgl. 6,90 € Versand (brutto)
einmalig pro Bestellung

Lieferzeit: 5 Werktage

Pos.
107
BOSCH Regulierhebel | Ersatzteile für GCM 12 JL | 1609B01593
Hersteller: BOSCH
Artikelnummer: EB-3601M21100-1609B01593
Netto: 6,70 € zzgl. MwSt.
zzgl. 6,90 € Versand (brutto)
einmalig pro Bestellung

Lieferzeit: 5 Werktage

Pos.
108
BOSCH Spannbolzen | Ersatzteile für GCM 12 JL | 1609B01594
Hersteller: BOSCH
Artikelnummer: EB-3601M21100-1609B01594
Netto: 8,33 € zzgl. MwSt.
zzgl. 6,90 € Versand (brutto)
einmalig pro Bestellung

Lieferzeit: 5 Werktage

Pos.
109
BOSCH Schelle | Ersatzteile für GCM 12 JL | 1609B01595
Hersteller: BOSCH
Artikelnummer: EB-3601M21100-1609B01595
Netto: 12,98 € zzgl. MwSt.
zzgl. 6,90 € Versand (brutto)
einmalig pro Bestellung

Lieferzeit: 5 Werktage

Pos.
110
BOSCH Polster | Ersatzteile für GCM 12 JL | 1609B01596
Hersteller: BOSCH
Artikelnummer: EB-3601M21100-1609B01596
Netto: 5,67 € zzgl. MwSt.
zzgl. 6,90 € Versand (brutto)
einmalig pro Bestellung

Lieferzeit: 5 Werktage

Pos.
111
BOSCH Polster | Ersatzteile für GCM 12 JL | 1609B01597
Hersteller: BOSCH
Artikelnummer: EB-3601M21100-1609B01597
Netto: 7,30 € zzgl. MwSt.
zzgl. 6,90 € Versand (brutto)
einmalig pro Bestellung

Lieferzeit: 5 Werktage

Pos.
112
BOSCH Unterlegplatte | Ersatzteile für GCM 12 JL | 1609B01598
Hersteller: BOSCH
Artikelnummer: EB-3601M21100-1609B01598
Netto: 3,63 € zzgl. MwSt.
zzgl. 6,90 € Versand (brutto)
einmalig pro Bestellung

Lieferzeit: 5 Werktage

Pos.
113
BOSCH Reglerschraube | Ersatzteile für GCM 12 JL | 1609B01599
Hersteller: BOSCH
Artikelnummer: EB-3601M21100-1609B01599
Netto: 3,94 € zzgl. MwSt.
zzgl. 6,90 € Versand (brutto)
einmalig pro Bestellung

Lieferzeit: 5 Werktage

Pos.
114
BOSCH Haltezapfen | Ersatzteile für GCM 12 JL | 1609B01600
Hersteller: BOSCH
Artikelnummer: EB-3601M21100-1609B01600
Netto: 4,53 € zzgl. MwSt.
zzgl. 6,90 € Versand (brutto)
einmalig pro Bestellung

Lieferzeit: 5 Werktage

Pos.
115
BOSCH Schulterschraube | Ersatzteile für GCM 12 JL | 1609B01601
Hersteller: BOSCH
Artikelnummer: EB-3601M21100-1609B01601
Netto: 3,63 € zzgl. MwSt.
zzgl. 6,90 € Versand (brutto)
einmalig pro Bestellung

Lieferzeit: 5 Werktage

Pos.
116
BOSCH Verschleissplatte | Ersatzteile für GCM 12 JL | 1609B01602
Hersteller: BOSCH
Artikelnummer: EB-3601M21100-1609B01602
Netto: 3,63 € zzgl. MwSt.
zzgl. 6,90 € Versand (brutto)
einmalig pro Bestellung

Lieferzeit: 5 Werktage

Pos.
117
BOSCH Welle | Ersatzteile für GCM 12 JL | 1609B01603
Hersteller: BOSCH
Artikelnummer: EB-3601M21100-1609B01603
Netto: 5,67 € zzgl. MwSt.
zzgl. 6,90 € Versand (brutto)
einmalig pro Bestellung

Lieferzeit: 5 Werktage

Pos.
118
BOSCH Schwingfeder | Ersatzteile für GCM 12 JL | 1609B01604
Hersteller: BOSCH
Artikelnummer: EB-3601M21100-1609B01604
Netto: 11,42 € zzgl. MwSt.
zzgl. 6,90 € Versand (brutto)
einmalig pro Bestellung

Lieferzeit: 5 Werktage

Pos.
119
BOSCH Laufbuchse | Ersatzteile für GCM 12 JL | 1609B01605
Hersteller: BOSCH
Artikelnummer: EB-3601M21100-1609B01605
Netto: 3,94 € zzgl. MwSt.
zzgl. 6,90 € Versand (brutto)
einmalig pro Bestellung

Lieferzeit: 5 Werktage

Pos.
120
BOSCH Gestänge | Ersatzteile für GCM 12 JL | 1609B01606
Hersteller: BOSCH
Artikelnummer: EB-3601M21100-1609B01606
Netto: 10,92 € zzgl. MwSt.
zzgl. 6,90 € Versand (brutto)
einmalig pro Bestellung

Lieferzeit: 5 Werktage

Pos.
121
BOSCH Staubbehaelter | Ersatzteile für GCM 12 JL | 1609B01611
Hersteller: BOSCH
Artikelnummer: EB-3601M21100-1609B01611
Netto: 9,95 € zzgl. MwSt.
zzgl. 6,90 € Versand (brutto)
einmalig pro Bestellung

Lieferzeit: 5 Werktage

Pos.
122
BOSCH Gummiplatte | Ersatzteile für GCM 12 JL | 1609B01612
Hersteller: BOSCH
Artikelnummer: EB-3601M21100-1609B01612
Netto: 4,32 € zzgl. MwSt.
zzgl. 6,90 € Versand (brutto)
einmalig pro Bestellung

Lieferzeit: 5 Werktage

Pos.
123
BOSCH Adapter | Ersatzteile für GCM 12 JL | 1609B01613
Hersteller: BOSCH
Artikelnummer: EB-3601M21100-1609B01613
Netto: 9,95 € zzgl. MwSt.
zzgl. 6,90 € Versand (brutto)
einmalig pro Bestellung

Lieferzeit: 5 Werktage

Pos.
127
BOSCH Rollen-Bundbolzen | Ersatzteile für GCM 12 JL | 1609B01651
Hersteller: BOSCH
Artikelnummer: EB-3601M21100-1609B01651
Netto: 3,94 € zzgl. MwSt.
zzgl. 6,90 € Versand (brutto)
einmalig pro Bestellung

Lieferzeit: 5 Werktage

Pos.
128
BOSCH Rollen-Bundbolzen | Ersatzteile für GCM 12 JL | 1609B01652
Hersteller: BOSCH
Artikelnummer: EB-3601M21100-1609B01652
Netto: 3,94 € zzgl. MwSt.
zzgl. 6,90 € Versand (brutto)
einmalig pro Bestellung

Lieferzeit: 5 Werktage

Pos.
129
BOSCH Nuss | Ersatzteile für GCM 12 JL | 1609B01654
Hersteller: BOSCH
Artikelnummer: EB-3601M21100-1609B01654
Netto: 3,63 € zzgl. MwSt.
zzgl. 6,90 € Versand (brutto)
einmalig pro Bestellung

Lieferzeit: 5 Werktage

Pos.
130
BOSCH Nuss | Ersatzteile für GCM 12 JL | 1609B01655
Hersteller: BOSCH
Artikelnummer: EB-3601M21100-1609B01655
Netto: 3,63 € zzgl. MwSt.
zzgl. 6,90 € Versand (brutto)
einmalig pro Bestellung

Lieferzeit: 5 Werktage

Pos.
131
BOSCH Schraube | Ersatzteile für GCM 12 JL | 1609B01656
Hersteller: BOSCH
Artikelnummer: EB-3601M21100-1609B01656
Netto: 3,63 € zzgl. MwSt.
zzgl. 6,90 € Versand (brutto)
einmalig pro Bestellung

Lieferzeit: 5 Werktage

Pos.
132
BOSCH Zylinderblechschraube | Ersatzteile für GCM 12 JL | 1609B01356
Hersteller: BOSCH
Artikelnummer: EB-3601M21100-1609B01356
Netto: 3,63 € zzgl. MwSt.
zzgl. 6,90 € Versand (brutto)
einmalig pro Bestellung

Lieferzeit: 5 Werktage

Pos.
133
BOSCH Schraube | Ersatzteile für GCM 12 JL | 1609B01660
Hersteller: BOSCH
Artikelnummer: EB-3601M21100-1609B01660
Netto: 3,63 € zzgl. MwSt.
zzgl. 6,90 € Versand (brutto)
einmalig pro Bestellung

Lieferzeit: 5 Werktage

Pos.
134
BOSCH Schraube | Ersatzteile für GCM 12 JL | 1609B01664
Hersteller: BOSCH
Artikelnummer: EB-3601M21100-1609B01664
Netto: 3,94 € zzgl. MwSt.
zzgl. 6,90 € Versand (brutto)
einmalig pro Bestellung

Lieferzeit: 5 Werktage

Pos.
135
BOSCH Schraube | Ersatzteile für GCM 12 JL | 1609B01665
Hersteller: BOSCH
Artikelnummer: EB-3601M21100-1609B01665
Netto: 3,63 € zzgl. MwSt.
zzgl. 6,90 € Versand (brutto)
einmalig pro Bestellung

Lieferzeit: 5 Werktage

Pos.
137
BOSCH Vorlegscheibe | Ersatzteile für GCM 12 JL | 1609B01668
Hersteller: BOSCH
Artikelnummer: EB-3601M21100-1609B01668
Netto: 3,63 € zzgl. MwSt.
zzgl. 6,90 € Versand (brutto)
einmalig pro Bestellung

Lieferzeit: 5 Werktage

Pos.
139
BOSCH Schraube | Ersatzteile für GCM 12 JL | 1609B00654
Hersteller: BOSCH
Artikelnummer: EB-3601M21100-1609B00654
Netto: 3,63 € zzgl. MwSt.
zzgl. 6,90 € Versand (brutto)
einmalig pro Bestellung

Lieferzeit: 5 Werktage

Pos.
140
BOSCH Schraube | Ersatzteile für GCM 12 JL | 1609B01680
Hersteller: BOSCH
Artikelnummer: EB-3601M21100-1609B01680
Netto: 3,63 € zzgl. MwSt.
zzgl. 6,90 € Versand (brutto)
einmalig pro Bestellung

Lieferzeit: 5 Werktage

Pos.
141
BOSCH Schraube | Ersatzteile für GCM 12 JL | 1609B01689
Hersteller: BOSCH
Artikelnummer: EB-3601M21100-1609B01689
Netto: 3,63 € zzgl. MwSt.
zzgl. 6,90 € Versand (brutto)
einmalig pro Bestellung

Lieferzeit: 5 Werktage

Pos.
142
BOSCH Schraube | Ersatzteile für GCM 12 JL | 1609B01690
Hersteller: BOSCH
Artikelnummer: EB-3601M21100-1609B01690
Netto: 3,63 € zzgl. MwSt.
zzgl. 6,90 € Versand (brutto)
einmalig pro Bestellung

Lieferzeit: 5 Werktage

Pos.
143
BOSCH Schraube | Ersatzteile für GCM 12 JL | 1609B00655
Hersteller: BOSCH
Artikelnummer: EB-3601M21100-1609B00655
Netto: 3,63 € zzgl. MwSt.
zzgl. 6,90 € Versand (brutto)
einmalig pro Bestellung

Lieferzeit: 5 Werktage

Pos.
144
BOSCH Schraube | Ersatzteile für GCM 12 JL | 1609B01692
Hersteller: BOSCH
Artikelnummer: EB-3601M21100-1609B01692
Netto: 3,63 € zzgl. MwSt.
zzgl. 6,90 € Versand (brutto)
einmalig pro Bestellung

Lieferzeit: 5 Werktage

Pos.
145
BOSCH Schraube | Ersatzteile für GCM 12 JL | 1609B01576
Hersteller: BOSCH
Artikelnummer: EB-3601M21100-1609B01576
Netto: 3,63 € zzgl. MwSt.
zzgl. 6,90 € Versand (brutto)
einmalig pro Bestellung

Lieferzeit: 5 Werktage

Pos.
146
BOSCH Fingerwelle | Ersatzteile für GCM 12 JL | 1609B00370
Hersteller: BOSCH
Artikelnummer: EB-3601M21100-1609B00370
Netto: 3,94 € zzgl. MwSt.
zzgl. 6,90 € Versand (brutto)
einmalig pro Bestellung

Lieferzeit: 5 Werktage

Pos.
147
BOSCH Vorlegscheibe | Ersatzteile für GCM 12 JL | 1609B01696
Hersteller: BOSCH
Artikelnummer: EB-3601M21100-1609B01696
Netto: 3,59 € zzgl. MwSt.
zzgl. 6,90 € Versand (brutto)
einmalig pro Bestellung

Lieferzeit: 5 Werktage

Pos.
148
BOSCH Schraube | Ersatzteile für GCM 12 JL | 1609B01701
Hersteller: BOSCH
Artikelnummer: EB-3601M21100-1609B01701
Netto: 3,63 € zzgl. MwSt.
zzgl. 6,90 € Versand (brutto)
einmalig pro Bestellung

Lieferzeit: 5 Werktage

Pos.
151
BOSCH Etikett | Ersatzteile für GCM 12 JL | 1609B01730
Hersteller: BOSCH
Artikelnummer: EB-3601M21100-1609B01730
Netto: 4,53 € zzgl. MwSt.
zzgl. 6,90 € Versand (brutto)
einmalig pro Bestellung

Lieferzeit: 5 Werktage

Pos.
156
BOSCH Sperrhebel | Ersatzteile für GCM 12 JL | 1609B00232
Hersteller: BOSCH
Artikelnummer: EB-3601M21100-1609B00232
Netto: 3,94 € zzgl. MwSt.
zzgl. 6,90 € Versand (brutto)
einmalig pro Bestellung

Lieferzeit: 5 Werktage

Pos.
157
BOSCH Sperrhebel | Ersatzteile für GCM 12 JL | 1609B00233
Hersteller: BOSCH
Artikelnummer: EB-3601M21100-1609B00233
Netto: 3,63 € zzgl. MwSt.
zzgl. 6,90 € Versand (brutto)
einmalig pro Bestellung

Lieferzeit: 5 Werktage

Pos.
158
BOSCH Ansatzschraube | Ersatzteile für GCM 12 JL | 1609B00236
Hersteller: BOSCH
Artikelnummer: EB-3601M21100-1609B00236
Netto: 3,94 € zzgl. MwSt.
zzgl. 6,90 € Versand (brutto)
einmalig pro Bestellung

Lieferzeit: 5 Werktage

Pos.
159
BOSCH Druckfeder | Ersatzteile für GCM 12 JL | 1609B00237
Hersteller: BOSCH
Artikelnummer: EB-3601M21100-1609B00237
Netto: 3,63 € zzgl. MwSt.
zzgl. 6,90 € Versand (brutto)
einmalig pro Bestellung

Lieferzeit: 5 Werktage

Pos.
160
BOSCH Ansatzschraube | Ersatzteile für GCM 12 JL | 1609B00238
Hersteller: BOSCH
Artikelnummer: EB-3601M21100-1609B00238
Netto: 3,94 € zzgl. MwSt.
zzgl. 6,90 € Versand (brutto)
einmalig pro Bestellung

Lieferzeit: 5 Werktage

Pos.
161
BOSCH Klemmhülse | Ersatzteile für GCM 12 JL | 1609B00244
Hersteller: BOSCH
Artikelnummer: EB-3601M21100-1609B00244
Netto: 5,19 € zzgl. MwSt.
zzgl. 6,90 € Versand (brutto)
einmalig pro Bestellung

Lieferzeit: 5 Werktage

Pos.
162
BOSCH Sperrhebel | Ersatzteile für GCM 12 JL | 1609B00245
Hersteller: BOSCH
Artikelnummer: EB-3601M21100-1609B00245
Netto: 4,32 € zzgl. MwSt.
zzgl. 6,90 € Versand (brutto)
einmalig pro Bestellung

Lieferzeit: 5 Werktage

Pos.
163
BOSCH Bolzen | Ersatzteile für GCM 12 JL | 1609B00247
Hersteller: BOSCH
Artikelnummer: EB-3601M21100-1609B00247
Netto: 3,94 € zzgl. MwSt.
zzgl. 6,90 € Versand (brutto)
einmalig pro Bestellung

Lieferzeit: 5 Werktage

Pos.
164
BOSCH Druckfeder | Ersatzteile für GCM 12 JL | 1609B00249
Hersteller: BOSCH
Artikelnummer: EB-3601M21100-1609B00249
Netto: 3,94 € zzgl. MwSt.
zzgl. 6,90 € Versand (brutto)
einmalig pro Bestellung

Lieferzeit: 5 Werktage

Pos.
165
BOSCH Platte | Ersatzteile für GCM 12 JL | 1609B01447
Hersteller: BOSCH
Artikelnummer: EB-3601M21100-1609B01447
Netto: 3,94 € zzgl. MwSt.
zzgl. 6,90 € Versand (brutto)
einmalig pro Bestellung

Lieferzeit: 5 Werktage

Pos.
166
BOSCH Ansatzschraube | Ersatzteile für GCM 12 JL | 1609B00252
Hersteller: BOSCH
Artikelnummer: EB-3601M21100-1609B00252
Netto: 3,94 € zzgl. MwSt.
zzgl. 6,90 € Versand (brutto)
einmalig pro Bestellung

Lieferzeit: 5 Werktage

Pos.
167
BOSCH Druckfeder | Ersatzteile für GCM 12 JL | 1609B00253
Hersteller: BOSCH
Artikelnummer: EB-3601M21100-1609B00253
Netto: 3,94 € zzgl. MwSt.
zzgl. 6,90 € Versand (brutto)
einmalig pro Bestellung

Lieferzeit: 5 Werktage

Pos.
168
BOSCH Steckschlüsseleinsatz | Ersatzteile für GCM 12 JL | 1609B00256
Hersteller: BOSCH
Artikelnummer: EB-3601M21100-1609B00256
Netto: 4,32 € zzgl. MwSt.
zzgl. 6,90 € Versand (brutto)
einmalig pro Bestellung

Lieferzeit: 5 Werktage

Pos.
170
BOSCH Drehfeder | Ersatzteile für GCM 12 JL | 1609B00309
Hersteller: BOSCH
Artikelnummer: EB-3601M21100-1609B00309
Netto: 3,63 € zzgl. MwSt.
zzgl. 6,90 € Versand (brutto)
einmalig pro Bestellung

Lieferzeit: 5 Werktage

Pos.
172
BOSCH Sprengring | Ersatzteile für GCM 12 JL | 1609B00690
Hersteller: BOSCH
Artikelnummer: EB-3601M21100-1609B00690
Netto: 3,63 € zzgl. MwSt.
zzgl. 6,90 € Versand (brutto)
einmalig pro Bestellung

Lieferzeit: 5 Werktage

Pos.
175
BOSCH Schraube | Ersatzteile für GCM 12 JL | 1609B00454
Hersteller: BOSCH
Artikelnummer: EB-3601M21100-1609B00454
Netto: 3,63 € zzgl. MwSt.
zzgl. 6,90 € Versand (brutto)
einmalig pro Bestellung

Lieferzeit: 5 Werktage

Pos.
177
BOSCH Schnellverschluss | Ersatzteile für GCM 12 JL | 1609B00458
Hersteller: BOSCH
Artikelnummer: EB-3601M21100-1609B00458
Netto: 3,63 € zzgl. MwSt.
zzgl. 6,90 € Versand (brutto)
einmalig pro Bestellung

Lieferzeit: 5 Werktage

Pos.
179
BOSCH Bürstendeckel | Ersatzteile für GCM 12 JL | 1609B00478
Hersteller: BOSCH
Artikelnummer: EB-3601M21100-1609B00478
Netto: 3,63 € zzgl. MwSt.
zzgl. 6,90 € Versand (brutto)
einmalig pro Bestellung

Lieferzeit: 5 Werktage

Pos.
180
BOSCH Gummibuchse | Ersatzteile für GCM 12 JL | 1609B01670
Hersteller: BOSCH
Artikelnummer: EB-3601M21100-1609B01670
Netto: 3,94 € zzgl. MwSt.
zzgl. 6,90 € Versand (brutto)
einmalig pro Bestellung

Lieferzeit: 5 Werktage

Pos.
183
BOSCH Gummi-Ohrkissen | Ersatzteile für GCM 12 JL | 1609B00523
Hersteller: BOSCH
Artikelnummer: EB-3601M21100-1609B00523
Netto: 4,53 € zzgl. MwSt.
zzgl. 6,90 € Versand (brutto)
einmalig pro Bestellung

Lieferzeit: 5 Werktage

Pos.
186
BOSCH Gummibuchse | Ersatzteile für GCM 12 JL | 1609B00533
Hersteller: BOSCH
Artikelnummer: EB-3601M21100-1609B00533
Netto: 3,63 € zzgl. MwSt.
zzgl. 6,90 € Versand (brutto)
einmalig pro Bestellung

Lieferzeit: 5 Werktage

Pos.
187
BOSCH Warnschild | Ersatzteile für GCM 12 JL | 1609B00543
Hersteller: BOSCH
Artikelnummer: EB-3601M21100-1609B00543
Netto: 4,53 € zzgl. MwSt.
zzgl. 6,90 € Versand (brutto)
einmalig pro Bestellung

Lieferzeit: 5 Werktage

Pos.
189
BOSCH Lager | Ersatzteile für GCM 12 JL | 1609B00600
Hersteller: BOSCH
Artikelnummer: EB-3601M21100-1609B00600
Netto: 4,82 € zzgl. MwSt.
zzgl. 6,90 € Versand (brutto)
einmalig pro Bestellung

Lieferzeit: 5 Werktage

Pos.
190
BOSCH O-Ring | Ersatzteile für GCM 12 JL | 1609B00601
Hersteller: BOSCH
Artikelnummer: EB-3601M21100-1609B00601
Netto: 3,94 € zzgl. MwSt.
zzgl. 6,90 € Versand (brutto)
einmalig pro Bestellung

Lieferzeit: 5 Werktage

Pos.
191
BOSCH Bolzen | Ersatzteile für GCM 12 JL | 1609B00602
Hersteller: BOSCH
Artikelnummer: EB-3601M21100-1609B00602
Netto: 3,94 € zzgl. MwSt.
zzgl. 6,90 € Versand (brutto)
einmalig pro Bestellung

Lieferzeit: 5 Werktage

Pos.
192
BOSCH Klemmutter | Ersatzteile für GCM 12 JL | 1609B00603
Hersteller: BOSCH
Artikelnummer: EB-3601M21100-1609B00603
Netto: 3,63 € zzgl. MwSt.
zzgl. 6,90 € Versand (brutto)
einmalig pro Bestellung

Lieferzeit: 5 Werktage

Pos.
193
BOSCH Klemmutter | Ersatzteile für GCM 12 JL | 1609B00605
Hersteller: BOSCH
Artikelnummer: EB-3601M21100-1609B00605
Netto: 3,63 € zzgl. MwSt.
zzgl. 6,90 € Versand (brutto)
einmalig pro Bestellung

Lieferzeit: 5 Werktage

Pos.
194
BOSCH Schraube | Ersatzteile für GCM 12 JL | 1609B00610
Hersteller: BOSCH
Artikelnummer: EB-3601M21100-1609B00610
Netto: 3,94 € zzgl. MwSt.
zzgl. 6,90 € Versand (brutto)
einmalig pro Bestellung

Lieferzeit: 5 Werktage

Pos.
195
BOSCH Schraube | Ersatzteile für GCM 12 JL | 1609B00627
Hersteller: BOSCH
Artikelnummer: EB-3601M21100-1609B00627
Netto: 4,32 € zzgl. MwSt.
zzgl. 6,90 € Versand (brutto)
einmalig pro Bestellung

Lieferzeit: 5 Werktage

Pos.
196
BOSCH Blechschraube | Ersatzteile für GCM 12 JL | 1609B00636
Hersteller: BOSCH
Artikelnummer: EB-3601M21100-1609B00636
Netto: 3,94 € zzgl. MwSt.
zzgl. 6,90 € Versand (brutto)
einmalig pro Bestellung

Lieferzeit: 5 Werktage

Pos.
197
BOSCH Blechschraube | Ersatzteile für GCM 12 JL | 1609B00637
Hersteller: BOSCH
Artikelnummer: EB-3601M21100-1609B00637
Netto: 3,63 € zzgl. MwSt.
zzgl. 6,90 € Versand (brutto)
einmalig pro Bestellung

Lieferzeit: 5 Werktage

Pos.
198
BOSCH Schraube | Ersatzteile für GCM 12 JL | 1609B00647
Hersteller: BOSCH
Artikelnummer: EB-3601M21100-1609B00647
Netto: 3,94 € zzgl. MwSt.
zzgl. 6,90 € Versand (brutto)
einmalig pro Bestellung

Lieferzeit: 5 Werktage

Pos.
199
BOSCH Federscheibe | Ersatzteile für GCM 12 JL | 1609B00658
Hersteller: BOSCH
Artikelnummer: EB-3601M21100-1609B00658
Netto: 3,63 € zzgl. MwSt.
zzgl. 6,90 € Versand (brutto)
einmalig pro Bestellung

Lieferzeit: 5 Werktage

Pos.
200
BOSCH Scheibe | Ersatzteile für GCM 12 JL | 1609B00662
Hersteller: BOSCH
Artikelnummer: EB-3601M21100-1609B00662
Netto: 3,94 € zzgl. MwSt.
zzgl. 6,90 € Versand (brutto)
einmalig pro Bestellung

Lieferzeit: 5 Werktage

Pos.
202
BOSCH Sprengring | Ersatzteile für GCM 12 JL | 1609B00644
Hersteller: BOSCH
Artikelnummer: EB-3601M21100-1609B00644
Netto: 4,32 € zzgl. MwSt.
zzgl. 6,90 € Versand (brutto)
einmalig pro Bestellung

Lieferzeit: 5 Werktage

Pos.
203
BOSCH Scheibe | Ersatzteile für GCM 12 JL | 1609B00665
Hersteller: BOSCH
Artikelnummer: EB-3601M21100-1609B00665
Netto: 3,63 € zzgl. MwSt.
zzgl. 6,90 € Versand (brutto)
einmalig pro Bestellung

Lieferzeit: 5 Werktage

Pos.
204
BOSCH Scheibe | Ersatzteile für GCM 12 JL | 1609B00667
Hersteller: BOSCH
Artikelnummer: EB-3601M21100-1609B00667
Netto: 3,63 € zzgl. MwSt.
zzgl. 6,90 € Versand (brutto)
einmalig pro Bestellung

Lieferzeit: 5 Werktage

Pos.
205
BOSCH Scheibe | Ersatzteile für GCM 12 JL | 1609B00669
Hersteller: BOSCH
Artikelnummer: EB-3601M21100-1609B00669
Netto: 3,63 € zzgl. MwSt.
zzgl. 6,90 € Versand (brutto)
einmalig pro Bestellung

Lieferzeit: 5 Werktage

Pos.
206
BOSCH Scheibe | Ersatzteile für GCM 12 JL | 1609B00670
Hersteller: BOSCH
Artikelnummer: EB-3601M21100-1609B00670
Netto: 3,94 € zzgl. MwSt.
zzgl. 6,90 € Versand (brutto)
einmalig pro Bestellung

Lieferzeit: 5 Werktage

Pos.
207
BOSCH Klemmutter | Ersatzteile für GCM 12 JL | 1609B00673
Hersteller: BOSCH
Artikelnummer: EB-3601M21100-1609B00673
Netto: 3,63 € zzgl. MwSt.
zzgl. 6,90 € Versand (brutto)
einmalig pro Bestellung

Lieferzeit: 5 Werktage

Pos.
208
BOSCH Scheibe | Ersatzteile für GCM 12 JL | 1609B00675
Hersteller: BOSCH
Artikelnummer: EB-3601M21100-1609B00675
Netto: 3,63 € zzgl. MwSt.
zzgl. 6,90 € Versand (brutto)
einmalig pro Bestellung

Lieferzeit: 5 Werktage

Pos.
209
BOSCH Schraube | Ersatzteile für GCM 12 JL | 1609B00678
Hersteller: BOSCH
Artikelnummer: EB-3601M21100-1609B00678
Netto: 3,63 € zzgl. MwSt.
zzgl. 6,90 € Versand (brutto)
einmalig pro Bestellung

Lieferzeit: 5 Werktage

Pos.
211
BOSCH Rillenkugellager | Ersatzteile für GCM 12 JL | 1609B00779
Hersteller: BOSCH
Artikelnummer: EB-3601M21100-1609B00779
Netto: 7,76 € zzgl. MwSt.
zzgl. 6,90 € Versand (brutto)
einmalig pro Bestellung

Lieferzeit: 5 Werktage

Pos.
212
BOSCH Rolle | Ersatzteile für GCM 12 JL | 1609B00811
Hersteller: BOSCH
Artikelnummer: EB-3601M21100-1609B00811
Netto: 3,94 € zzgl. MwSt.
zzgl. 6,90 € Versand (brutto)
einmalig pro Bestellung

Lieferzeit: 5 Werktage

Pos.
213
BOSCH Bundbolzen | Ersatzteile für GCM 12 JL | 1609B00960
Hersteller: BOSCH
Artikelnummer: EB-3601M21100-1609B00960
Netto: 5,67 € zzgl. MwSt.
zzgl. 6,90 € Versand (brutto)
einmalig pro Bestellung

Lieferzeit: 5 Werktage

Pos.
216
BOSCH Laufrolle | Ersatzteile für GCM 12 JL | 1609BP7124
Hersteller: BOSCH
Artikelnummer: EB-3601M21100-1609BP7124
Netto: 3,94 € zzgl. MwSt.
zzgl. 6,90 € Versand (brutto)
einmalig pro Bestellung

Lieferzeit: 5 Werktage

Pos.
218
BOSCH Laufbuchse | Ersatzteile für GCM 12 JL | 1609B01607
Hersteller: BOSCH
Artikelnummer: EB-3601M21100-1609B01607
Netto: 4,32 € zzgl. MwSt.
zzgl. 6,90 € Versand (brutto)
einmalig pro Bestellung

Lieferzeit: 5 Werktage

Pos.
223
BOSCH Gehrungslineal | Ersatzteile für GCM 12 JL | 1609B01445
Hersteller: BOSCH
Artikelnummer: EB-3601M21100-1609B01445
Netto: 16,70 € zzgl. MwSt.
zzgl. 6,90 € Versand (brutto)
einmalig pro Bestellung

Lieferzeit: 5 Werktage

Pos.
224
BOSCH Gehrungslineal | Ersatzteile für GCM 12 JL | 1609B01446
Hersteller: BOSCH
Artikelnummer: EB-3601M21100-1609B01446
Netto: 17,38 € zzgl. MwSt.
zzgl. 6,90 € Versand (brutto)
einmalig pro Bestellung

Lieferzeit: 5 Werktage

Pos.
226
BOSCH Abdeckplatte | Ersatzteile für GCM 12 JL | 1609B01448
Hersteller: BOSCH
Artikelnummer: EB-3601M21100-1609B01448
Netto: 3,63 € zzgl. MwSt.
zzgl. 6,90 € Versand (brutto)
einmalig pro Bestellung

Lieferzeit: 5 Werktage

Pos.
227
BOSCH Druckfeder | Ersatzteile für GCM 12 JL | 1609B01449
Hersteller: BOSCH
Artikelnummer: EB-3601M21100-1609B01449
Netto: 3,63 € zzgl. MwSt.
zzgl. 6,90 € Versand (brutto)
einmalig pro Bestellung

Lieferzeit: 5 Werktage

Pos.
228
BOSCH Raste | Ersatzteile für GCM 12 JL | 1609B01440
Hersteller: BOSCH
Artikelnummer: EB-3601M21100-1609B01440
Netto: 3,63 € zzgl. MwSt.
zzgl. 6,90 € Versand (brutto)
einmalig pro Bestellung

Lieferzeit: 5 Werktage

Pos.
230
BOSCH Anschlussdraht | Ersatzteile für GCM 12 JL | 1609B01481
Hersteller: BOSCH
Artikelnummer: EB-3601M21100-1609B01481
Netto: 4,32 € zzgl. MwSt.
zzgl. 6,90 € Versand (brutto)
einmalig pro Bestellung

Lieferzeit: 5 Werktage

Pos.
231
BOSCH Elektronik-Modul | Ersatzteile für GCM 12 JL | 1609B01547
Hersteller: BOSCH
Artikelnummer: EB-3601M21100-1609B01547
Netto: 21,16 € zzgl. MwSt.
zzgl. 6,90 € Versand (brutto)
einmalig pro Bestellung

Lieferzeit: 5 Werktage

Pos.
232
BOSCH Verbindungskabel | Ersatzteile für GCM 12 JL | 1609B01549
Hersteller: BOSCH
Artikelnummer: EB-3601M21100-1609B01549
Netto: 4,32 € zzgl. MwSt.
zzgl. 6,90 € Versand (brutto)
einmalig pro Bestellung

Lieferzeit: 5 Werktage

Pos.
237
BOSCH Torsionsfeder | Ersatzteile für GCM 12 JL | 1609B01560
Hersteller: BOSCH
Artikelnummer: EB-3601M21100-1609B01560
Netto: 4,82 € zzgl. MwSt.
zzgl. 6,90 € Versand (brutto)
einmalig pro Bestellung

Lieferzeit: 5 Werktage

Pos.
155
BOSCH Gerätefuss | Ersatzteile für GCM 12 JL | 1609B01431
Hersteller: BOSCH
Artikelnummer: EB-3601M21100-1609B01431
nur Informationsartikel
Nie mehr lieferbar
keine Alternativen
Pos.
244
BOSCH Schulterschraube | Ersatzteile für GCM 12 JL | 1609B01575
Hersteller: BOSCH
Artikelnummer: EB-3601M21100-1609B01575
nur Informationsartikel
Nie mehr lieferbar
keine Alternativen
Pos.
248
BOSCH Kanal | Ersatzteile für GCM 12 JL | 1609B01584
Hersteller: BOSCH
Artikelnummer: EB-3601M21100-1609B01584
Netto: 4,32 € zzgl. MwSt.
zzgl. 6,90 € Versand (brutto)
einmalig pro Bestellung

Lieferzeit: 5 Werktage

Pos.
251
BOSCH Verbindungskabel | Ersatzteile für GCM 12 JL | 1609B01588
Hersteller: BOSCH
Artikelnummer: EB-3601M21100-1609B01588
Netto: 3,63 € zzgl. MwSt.
zzgl. 6,90 € Versand (brutto)
einmalig pro Bestellung

Lieferzeit: 5 Werktage

Pos.
252
BOSCH Verbindungskabel | Ersatzteile für GCM 12 JL | 1609B01589
Hersteller: BOSCH
Artikelnummer: EB-3601M21100-1609B01589
Netto: 3,94 € zzgl. MwSt.
zzgl. 6,90 € Versand (brutto)
einmalig pro Bestellung

Lieferzeit: 5 Werktage

Pos.
254
BOSCH Schraube | Ersatzteile für GCM 12 JL | 1609B01661
Hersteller: BOSCH
Artikelnummer: EB-3601M21100-1609B01661
Netto: 3,63 € zzgl. MwSt.
zzgl. 6,90 € Versand (brutto)
einmalig pro Bestellung

Lieferzeit: 5 Werktage

Pos.
257
BOSCH Schraube | Ersatzteile für GCM 12 JL | 1609B01667
Hersteller: BOSCH
Artikelnummer: EB-3601M21100-1609B01667
Netto: 3,63 € zzgl. MwSt.
zzgl. 6,90 € Versand (brutto)
einmalig pro Bestellung

Lieferzeit: 5 Werktage

Pos.
260
BOSCH Schraube | Ersatzteile für GCM 12 JL | 1609B01681
Hersteller: BOSCH
Artikelnummer: EB-3601M21100-1609B01681
Netto: 3,63 € zzgl. MwSt.
zzgl. 6,90 € Versand (brutto)
einmalig pro Bestellung

Lieferzeit: 5 Werktage

Pos.
261
BOSCH Firmenschild GCM 12 JL | Ersatzteile für GCM 12 JL | 1609B01746
Hersteller: BOSCH
Artikelnummer: EB-3601M21100-1609B01746
Netto: 4,56 € zzgl. MwSt.
zzgl. 6,90 € Versand (brutto)
einmalig pro Bestellung

Lieferzeit: 5 Werktage

Pos.
262
BOSCH Klebeschild | Ersatzteile für GCM 12 JL | 1609B01752
Hersteller: BOSCH
Artikelnummer: EB-3601M21100-1609B01752
Netto: 3,63 € zzgl. MwSt.
zzgl. 6,90 € Versand (brutto)
einmalig pro Bestellung

Lieferzeit: 5 Werktage

Pos.
263
BOSCH Schraube | Ersatzteile für GCM 12 JL | 1609B00263
Hersteller: BOSCH
Artikelnummer: EB-3601M21100-1609B00263
Netto: 4,32 € zzgl. MwSt.
zzgl. 6,90 € Versand (brutto)
einmalig pro Bestellung

Lieferzeit: 5 Werktage

Pos.
264
BOSCH Ring | Ersatzteile für GCM 12 JL | 1609B00813
Hersteller: BOSCH
Artikelnummer: EB-3601M21100-1609B00813
Netto: 3,63 € zzgl. MwSt.
zzgl. 6,90 € Versand (brutto)
einmalig pro Bestellung

Lieferzeit: 5 Werktage

Pos.
267
BOSCH Anschlagplatte | Ersatzteile für GCM 12 JL | 1609B02365
Hersteller: BOSCH
Artikelnummer: EB-3601M21100-1609B02365
Netto: 3,94 € zzgl. MwSt.
zzgl. 6,90 € Versand (brutto)
einmalig pro Bestellung

Lieferzeit: 5 Werktage

Pos.
269
BOSCH Steckkupplung | Ersatzteile für GCM 12 JL | 1609B02406
Hersteller: BOSCH
Artikelnummer: EB-3601M21100-1609B02406
Netto: 3,63 € zzgl. MwSt.
zzgl. 6,90 € Versand (brutto)
einmalig pro Bestellung

Lieferzeit: 5 Werktage

Pos.
274
BOSCH Ein/Aus-Schalter | Ersatzteile für GCM 12 JL | 1619P03669
Hersteller: BOSCH
Artikelnummer: EB-3601M21100-1619P03669
Netto: 16,44 € zzgl. MwSt.
zzgl. 6,90 € Versand (brutto)
einmalig pro Bestellung

Lieferzeit: 5 Werktage

Pos.
275
BOSCH Warnzettel | Ersatzteile für GCM 12 JL | 1609B01766
Hersteller: BOSCH
Artikelnummer: EB-3601M21100-1609B01766
nur Informationsartikel
Nie mehr lieferbar
keine Alternativen
Pos.
277
BOSCH Anschlussklemme | Ersatzteile für GCM 12 JL | 1609B01397
Hersteller: BOSCH
Artikelnummer: EB-3601M21100-1609B01397
Netto: 3,63 € zzgl. MwSt.
zzgl. 6,90 € Versand (brutto)
einmalig pro Bestellung

Lieferzeit: 5 Werktage

Pos.
278
BOSCH Warnzettel | Ersatzteile für GCM 12 JL | 1609B01767
Hersteller: BOSCH
Artikelnummer: EB-3601M21100-1609B01767
Netto: 4,27 € zzgl. MwSt.
zzgl. 6,90 € Versand (brutto)
einmalig pro Bestellung

Lieferzeit: 5 Werktage

Pos.
801
BOSCH Motorgehäuse | Ersatzteile für GCM 12 JL | 1609B01713
Hersteller: BOSCH
Artikelnummer: EB-3601M21100-1609B01713
Netto: 39,11 € zzgl. MwSt.
zzgl. 6,90 € Versand (brutto)
einmalig pro Bestellung

Lieferzeit: 5 Werktage

Pos.
803
BOSCH Anker 230V | Ersatzteile für GCM 12 JL | 1609B01723
Hersteller: BOSCH
Artikelnummer: EB-3601M21100-1609B01723
Netto: 121,18 € zzgl. MwSt.
zzgl. 6,90 € Versand (brutto)
einmalig pro Bestellung

Lieferzeit: 5 Werktage

Pos.
805
BOSCH Joch | Ersatzteile für GCM 12 JL | 1609B01717
Hersteller: BOSCH
Artikelnummer: EB-3601M21100-1609B01717
nur Informationsartikel
Nie mehr lieferbar
keine Alternativen
Pos.
810
BOSCH Kohlebürstensatz | Ersatzteile für GCM 12 JL | 2610021311
Hersteller: BOSCH
Artikelnummer: EB-3601M21100-2610021311
Netto: 12,98 € zzgl. MwSt.
zzgl. 6,90 € Versand (brutto)
einmalig pro Bestellung

Lieferzeit: 5 Werktage

Pos.
825
BOSCH Staubbeutel | Ersatzteile für GCM 12 JL | 1609B01716
Hersteller: BOSCH
Artikelnummer: EB-3601M21100-1609B01716
Netto: 12,98 € zzgl. MwSt.
zzgl. 6,90 € Versand (brutto)
einmalig pro Bestellung

Lieferzeit: 5 Werktage

Pos.
830
BOSCH Getriebe | Ersatzteile für GCM 12 JL | 1609B01710
Hersteller: BOSCH
Artikelnummer: EB-3601M21100-1609B01710
nur Informationsartikel
Nie mehr lieferbar
keine Alternativen
Pos.
831
BOSCH Fuss | Ersatzteile für GCM 12 JL | 1609B01715
Hersteller: BOSCH
Artikelnummer: EB-3601M21100-1609B01715
Netto: 169,85 € zzgl. MwSt.
zzgl. 6,90 € Versand (brutto)
einmalig pro Bestellung

Lieferzeit: 5 Werktage

Pos.
835
BOSCH Handgriff | Ersatzteile für GCM 12 JL | 1609B01708
Hersteller: BOSCH
Artikelnummer: EB-3601M21100-1609B01708
Netto: 9,18 € zzgl. MwSt.
zzgl. 6,90 € Versand (brutto)
einmalig pro Bestellung

Lieferzeit: 5 Werktage

Pos.
836
BOSCH Aufgabetisch | Ersatzteile für GCM 12 JL | 1609B01720
Hersteller: BOSCH
Artikelnummer: EB-3601M21100-1609B01720
Netto: 35,77 € zzgl. MwSt.
zzgl. 6,90 € Versand (brutto)
einmalig pro Bestellung

Lieferzeit: 5 Werktage

Pos.
839
BOSCH Aufgabetisch | Ersatzteile für GCM 12 JL | 1609B01721
Hersteller: BOSCH
Artikelnummer: EB-3601M21100-1609B01721
Netto: 32,74 € zzgl. MwSt.
zzgl. 6,90 € Versand (brutto)
einmalig pro Bestellung

Lieferzeit: 5 Werktage

Pos.
841
BOSCH Laser | Ersatzteile für GCM 12 JL | 1609B01726
Hersteller: BOSCH
Artikelnummer: EB-3601M21100-1609B01726
nur Informationsartikel
Nie mehr lieferbar
keine Alternativen
Pos.
857
BOSCH Taste | Ersatzteile für GCM 12 JL | 1609B01722
Hersteller: BOSCH
Artikelnummer: EB-3601M21100-1609B01722
Netto: 5,19 € zzgl. MwSt.
zzgl. 6,90 € Versand (brutto)
einmalig pro Bestellung

Lieferzeit: 5 Werktage

Pos.
868
BOSCH Arm | Ersatzteile für GCM 12 JL | 1609B01727
Hersteller: BOSCH
Artikelnummer: EB-3601M21100-1609B01727
Netto: 96,32 € zzgl. MwSt.
zzgl. 6,90 € Versand (brutto)
einmalig pro Bestellung

Lieferzeit: 5 Werktage

Pos.
870
BOSCH Softstartmodul | Ersatzteile für GCM 12 JL | 1609B01709
Hersteller: BOSCH
Artikelnummer: EB-3601M21100-1609B01709
Netto: 24,13 € zzgl. MwSt.
zzgl. 6,90 € Versand (brutto)
einmalig pro Bestellung

Lieferzeit: 5 Werktage

Pos.
886
BOSCH Schutz | Ersatzteile für GCM 12 JL | 1609B01719
Hersteller: BOSCH
Artikelnummer: EB-3601M21100-1609B01719
Netto: 42,86 € zzgl. MwSt.
zzgl. 6,90 € Versand (brutto)
einmalig pro Bestellung

Lieferzeit: 5 Werktage

Pos.
274
BOSCH Schalter | Ersatzteile für GCM12 JL | 1609B05392
Hersteller: BOSCH
Artikelnummer: EB-3601M21100-1609B05392
Netto: 5,19 € zzgl. MwSt.
zzgl. 6,90 € Versand (brutto)
einmalig pro Bestellung

Lieferzeit: 5 Werktage

Pos.
275
BOSCH Warnschild | Ersatzteile für GCM 12 JL | 1609B02129
Hersteller: BOSCH
Artikelnummer: EB-3601M21100-1609B02129
nur Informationsartikel
Nie mehr lieferbar
keine Alternativen
Pos.
BOSCH Schraubzwinge | Ersatzteile für GCM12 JL | 1609B06203
Hersteller: BOSCH
Artikelnummer:
Netto: 11,92 € zzgl. MwSt.
zzgl. 6,90 € Versand (brutto)
einmalig pro Bestellung

Lieferzeit: 5 Werktage

Pos.
892
BOSCH Handgriff | Ersatzteile für GCM 12 JL | 1609B01642
Hersteller: BOSCH
Artikelnummer: EB-3601M21100-1609B01642
nur Informationsartikel
Nie mehr lieferbar
keine Alternativen

Angaben zur Produktsicherheit

Hersteller:
Robert Bosch Power Tools GmbH
Postfach 30 02 20
70442 Stuttgart

E-Mail:
kontakt@bosch.de