BOSCH Knopfgriff | Ersatzteile für GCM 12 SD | 2610009612

Artikelnummer: EB-0601B23508-2610009612

Position:

Marke: BOSCH


Bitte Kompatibilität prüfen!

Bitte prüfen Sie unbedingt die 10-stellige Typennummer Ihrer Maschine / Ihres Gerätes. Das Ersatzteil ist nur kompatibel, wenn Sie die Typennummer Ihrer Maschine in der unten stehenden Produktbeschreibung finden.

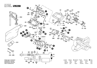
Bitte prüfen Sie ebenfalls detailliert die Explosionszeichnung mit Ihrem Artikelwunsch und der jeweiligen Pos-Nummer.

Alle Elemente, welche vom schwarzen Strich der Pos-Nummer ausgehend berührt / erfasst werden, gehören zu dieser Pos-Nummer und somit zu diesem Artikel. Jede Pos-Nummer ist ein eigenständiger Artikel, welchen Sie in der Auflistung finden.

Sie erhalten stets die aktuellste, neueste Produktversion zu der gewählten Pos-Nummer seitens des Herstellers. Es kann daher je nach Gerätealter vorkommen, dass Sie ggf. weitere, zugehörige Elemente, welche an diese Pos-Nummer grenzen, ebenfalls mittauschen müssen.

Nähere Informationen finden Sie unter dem Link
Hinweise zu Ihrer BOSCH Ersatzteilsuche

Preisübersicht

Einzelpreis: 11,92 €* (Brutto: 14,18 €)
Gesamtpreis: 11,92 €* 
Position:

Lieferzeit: 5 Werktage


Beschreibung

  • Knopfgriff
  • Original Bosch Zubehör / BOSCH Ersatzteil (2610009612)
  • im Gerät verbaut: 1
Dieses BOSCH Ersatzteil ist mit folgendem Gerät und Modell kompatibel:
  • BOSCH Gerätename: GCM 12 SD
  • BOSCH Explosionszeichnung: Position 57
  • BOSCH Typennummer: 0601B23508
  • BOSCH Typennummer alternative Schreibweisen: 0 601 B23 508, 0601 B23 508, 0.601.B23.508, 0-601-B23-508
    Bitte prüfen Sie diese Typennummer auf Ihrem Gerät um die Kompatibilität des BOSCH Ersatzteils zu gewährleisten.
Weitere BOSCH Ersatzteile des Gerätes GCM 12 SD (Kapp-/Zugsäge) mit der Typennummer 0601B23508 finden Sie in der nachfolgenden Darstellung und im Dropdown zu Ihrer Auswahl:

Pos.
1
BOSCH Motorgehäuse | Ersatzteile für GCM 12 SD | 2610915750
Hersteller: BOSCH
Artikelnummer: EB-0601B23508-2610915750
Netto: 39,11 € zzgl. MwSt.
zzgl. 6,90 € Versand (brutto)
einmalig pro Bestellung

Lieferzeit: 5 Werktage

Pos.
2
BOSCH Polschuh 230V | Ersatzteile für GCM 12 SD | 1609902201
Hersteller: BOSCH
Artikelnummer: EB-0601B23508-1609902201
nur Informationsartikel
Nie mehr lieferbar
keine Alternativen
Pos.
3
BOSCH Anker 240V | Ersatzteile für GCM 12 SD | 1619P03780
Hersteller: BOSCH
Artikelnummer: EB-0601B23508-1619P03780
nur Informationsartikel
Nie mehr lieferbar
keine Alternativen
Pos.
4
BOSCH Schalter | Ersatzteile für GCM 12 SD | 2610950336
Hersteller: BOSCH
Artikelnummer: EB-0601B23508-2610950336
Netto: 15,75 € zzgl. MwSt.
zzgl. 6,90 € Versand (brutto)
einmalig pro Bestellung

Lieferzeit: 5 Werktage

Pos.
5
BOSCH Netzanschlussleitung | Ersatzteile für GCM 12 SD | 1609902207
Hersteller: BOSCH
Artikelnummer: EB-0601B23508-1609902207
nur Informationsartikel
Nie mehr lieferbar
keine Alternativen
Pos.
6
BOSCH Kabeltülle | Ersatzteile für GCM 12 SD | 2610915755
Hersteller: BOSCH
Artikelnummer: EB-0601B23508-2610915755
Netto: 3,63 € zzgl. MwSt.
zzgl. 6,90 € Versand (brutto)
einmalig pro Bestellung

Lieferzeit: 5 Werktage

Pos.
7
BOSCH Befestigungsschelle | Ersatzteile für GCM 12 SD | 1609902306
Hersteller: BOSCH
Artikelnummer: EB-0601B23508-1609902306
Netto: 4,32 € zzgl. MwSt.
zzgl. 6,90 € Versand (brutto)
einmalig pro Bestellung

Lieferzeit: 5 Werktage

Pos.
8
BOSCH Typschild | Ersatzteile für GCM 12 SD | 1609902212
Hersteller: BOSCH
Artikelnummer: EB-0601B23508-1609902212
Netto: 5,19 € zzgl. MwSt.
zzgl. 6,90 € Versand (brutto)
einmalig pro Bestellung

Lieferzeit: 5 Werktage

Pos.
10
BOSCH Kohlebürstensatz | Ersatzteile für GCM 12 SD | 1609203L02
Hersteller: BOSCH
Artikelnummer: EB-0601B23508-1609203L02
Netto: 12,98 € zzgl. MwSt.
zzgl. 6,90 € Versand (brutto)
einmalig pro Bestellung

Lieferzeit: 5 Werktage

Pos.
13
BOSCH Kugellager | Ersatzteile für GCM 12 SD | 2610911928
Hersteller: BOSCH
Artikelnummer: EB-0601B23508-2610911928
Netto: 10,92 € zzgl. MwSt.
zzgl. 6,90 € Versand (brutto)
einmalig pro Bestellung

Lieferzeit: 5 Werktage

Pos.
14
BOSCH Kugellager | Ersatzteile für GCM 12 SD | 2610911927
Hersteller: BOSCH
Artikelnummer: EB-0601B23508-2610911927
Netto: 21,16 € zzgl. MwSt.
zzgl. 6,90 € Versand (brutto)
einmalig pro Bestellung

Lieferzeit: 5 Werktage

Pos.
16
BOSCH Bürstenhalter | Ersatzteile für GCM 12 SD | 2610915761
Hersteller: BOSCH
Artikelnummer: EB-0601B23508-2610915761
nur Informationsartikel
Nie mehr lieferbar
keine Alternativen
Pos.
22
BOSCH Fuss | Ersatzteile für GCM 12 SD | 2610915763
Hersteller: BOSCH
Artikelnummer: EB-0601B23508-2610915763
Netto: 169,85 € zzgl. MwSt.
zzgl. 6,90 € Versand (brutto)
einmalig pro Bestellung

Lieferzeit: 5 Werktage

Pos.
23
BOSCH Ergänzungsgestell | Ersatzteile für GCM 12 SD | 1609902215
Hersteller: BOSCH
Artikelnummer: EB-0601B23508-1609902215
Netto: 35,77 € zzgl. MwSt.
zzgl. 6,90 € Versand (brutto)
einmalig pro Bestellung

Lieferzeit: 5 Werktage

Pos.
25
BOSCH Tisch | Ersatzteile für GCM 12 SD | 2610915766
Hersteller: BOSCH
Artikelnummer: EB-0601B23508-2610915766
Netto: 153,18 € zzgl. MwSt.
zzgl. 6,90 € Versand (brutto)
einmalig pro Bestellung

Lieferzeit: 5 Werktage

Pos.
31
BOSCH Handgriff | Ersatzteile für GCM 12 SD | 2610915772
Hersteller: BOSCH
Artikelnummer: EB-0601B23508-2610915772
Netto: 11,92 € zzgl. MwSt.
zzgl. 6,90 € Versand (brutto)
einmalig pro Bestellung

Lieferzeit: 5 Werktage

Pos.
32
BOSCH Handgriff | Ersatzteile für GCM 12 SD | 2610915727
Hersteller: BOSCH
Artikelnummer: EB-0601B23508-2610915727
Netto: 11,92 € zzgl. MwSt.
zzgl. 6,90 € Versand (brutto)
einmalig pro Bestellung

Lieferzeit: 5 Werktage

Pos.
24
BOSCH Ergänzungsgestell | Ersatzteile für GCM 12 SD | 1609902216
Hersteller: BOSCH
Artikelnummer: EB-0601B23508-1609902216
Netto: 35,77 € zzgl. MwSt.
zzgl. 6,90 € Versand (brutto)
einmalig pro Bestellung

Lieferzeit: 5 Werktage

Pos.
26
BOSCH Gehrungslineal | Ersatzteile für GCM 12 SD | 2610022500
Hersteller: BOSCH
Artikelnummer: EB-0601B23508-2610022500
nur Informationsartikel
Nie mehr lieferbar
keine Alternativen
Pos.
27
BOSCH Parallelanschlag | Ersatzteile für GCM 12 SD | 2610022501
Hersteller: BOSCH
Artikelnummer: EB-0601B23508-2610022501
Netto: 24,13 € zzgl. MwSt.
zzgl. 6,90 € Versand (brutto)
einmalig pro Bestellung

Lieferzeit: 5 Werktage

Pos.
36
BOSCH Zwischenlage | Ersatzteile für GCM 12 SD | 2610915731
Hersteller: BOSCH
Artikelnummer: EB-0601B23508-2610915731
Netto: 29,45 € zzgl. MwSt.
zzgl. 6,90 € Versand (brutto)
einmalig pro Bestellung

Lieferzeit: 5 Werktage

Pos.
28
BOSCH Parallelanschlag | Ersatzteile für GCM 12 SD | 2610022502
Hersteller: BOSCH
Artikelnummer: EB-0601B23508-2610022502
nur Informationsartikel
Nie mehr lieferbar
keine Alternativen
Pos.
37
BOSCH Gehäusedeckel | Ersatzteile für GCM 12 SD | 2610915732
Hersteller: BOSCH
Artikelnummer: EB-0601B23508-2610915732
Netto: 9,18 € zzgl. MwSt.
zzgl. 6,90 € Versand (brutto)
einmalig pro Bestellung

Lieferzeit: 5 Werktage

Pos.
29
BOSCH Lagerbock | Ersatzteile für GCM 12 SD | 1609902220
Hersteller: BOSCH
Artikelnummer: EB-0601B23508-1609902220
nur Informationsartikel
Nie mehr lieferbar
keine Alternativen
Pos.
38
BOSCH Gehäusedeckel | Ersatzteile für GCM 12 SD | 2610915733
Hersteller: BOSCH
Artikelnummer: EB-0601B23508-2610915733
Netto: 9,95 € zzgl. MwSt.
zzgl. 6,90 € Versand (brutto)
einmalig pro Bestellung

Lieferzeit: 5 Werktage

Pos.
30
BOSCH Halter | Ersatzteile für GCM 12 SD | 1609902221
Hersteller: BOSCH
Artikelnummer: EB-0601B23508-1609902221
Netto: 10,92 € zzgl. MwSt.
zzgl. 6,90 € Versand (brutto)
einmalig pro Bestellung

Lieferzeit: 5 Werktage

Pos.
39
BOSCH Griffschale | Ersatzteile für GCM 12 SD | 2610915734
Hersteller: BOSCH
Artikelnummer: EB-0601B23508-2610915734
Netto: 12,98 € zzgl. MwSt.
zzgl. 6,90 € Versand (brutto)
einmalig pro Bestellung

Lieferzeit: 5 Werktage

Pos.
40
BOSCH Lagerbock | Ersatzteile für GCM 12 SD | 2610915735
Hersteller: BOSCH
Artikelnummer: EB-0601B23508-2610915735
nur Informationsartikel
Nie mehr lieferbar
keine Alternativen
Pos.
41
BOSCH Lagerbock | Ersatzteile für GCM 12 SD | 2610915736
Hersteller: BOSCH
Artikelnummer: EB-0601B23508-2610915736
Netto: 11,92 € zzgl. MwSt.
zzgl. 6,90 € Versand (brutto)
einmalig pro Bestellung

Lieferzeit: 5 Werktage

Pos.
33
BOSCH Lagerbock | Ersatzteile für GCM 12 SD | 1609902222
Hersteller: BOSCH
Artikelnummer: EB-0601B23508-1609902222
Netto: 39,11 € zzgl. MwSt.
zzgl. 6,90 € Versand (brutto)
einmalig pro Bestellung

Lieferzeit: 5 Werktage

Pos.
42
BOSCH Lagerbock | Ersatzteile für GCM 12 SD | 2610915737
Hersteller: BOSCH
Artikelnummer: EB-0601B23508-2610915737
Netto: 15,75 € zzgl. MwSt.
zzgl. 6,90 € Versand (brutto)
einmalig pro Bestellung

Lieferzeit: 5 Werktage

Pos.
34
BOSCH Getriebegehäuse | Ersatzteile für GCM 12 SD | 1609902223
Hersteller: BOSCH
Artikelnummer: EB-0601B23508-1609902223
Netto: 77,60 € zzgl. MwSt.
zzgl. 6,90 € Versand (brutto)
einmalig pro Bestellung

Lieferzeit: 5 Werktage

Pos.
43
BOSCH Lagerbock | Ersatzteile für GCM 12 SD | 2610915738
Hersteller: BOSCH
Artikelnummer: EB-0601B23508-2610915738
Netto: 15,75 € zzgl. MwSt.
zzgl. 6,90 € Versand (brutto)
einmalig pro Bestellung

Lieferzeit: 5 Werktage

Pos.
35
BOSCH Schutzabdeckung | Ersatzteile für GCM 12 SD | 1609902224
Hersteller: BOSCH
Artikelnummer: EB-0601B23508-1609902224
Netto: 63,99 € zzgl. MwSt.
zzgl. 6,90 € Versand (brutto)
einmalig pro Bestellung

Lieferzeit: 5 Werktage

Pos.
44
BOSCH Auslöser | Ersatzteile für GCM 12 SD | 2610915739
Hersteller: BOSCH
Artikelnummer: EB-0601B23508-2610915739
Netto: 6,70 € zzgl. MwSt.
zzgl. 6,90 € Versand (brutto)
einmalig pro Bestellung

Lieferzeit: 5 Werktage

Pos.
48
BOSCH Zeiger | Ersatzteile für GCM 12 SD | 2610915743
Hersteller: BOSCH
Artikelnummer: EB-0601B23508-2610915743
Netto: 4,32 € zzgl. MwSt.
zzgl. 6,90 € Versand (brutto)
einmalig pro Bestellung

Lieferzeit: 5 Werktage

Pos.
49
BOSCH Auslösehebel | Ersatzteile für GCM 12 SD | 2610915744
Hersteller: BOSCH
Artikelnummer: EB-0601B23508-2610915744
Netto: 8,33 € zzgl. MwSt.
zzgl. 6,90 € Versand (brutto)
einmalig pro Bestellung

Lieferzeit: 5 Werktage

Pos.
50
BOSCH Klauenring | Ersatzteile für GCM 12 SD | 2610915745
Hersteller: BOSCH
Artikelnummer: EB-0601B23508-2610915745
Netto: 9,18 € zzgl. MwSt.
zzgl. 6,90 € Versand (brutto)
einmalig pro Bestellung

Lieferzeit: 5 Werktage

Pos.
51
BOSCH Klauenring | Ersatzteile für GCM 12 SD | 2610915746
Hersteller: BOSCH
Artikelnummer: EB-0601B23508-2610915746
Netto: 9,18 € zzgl. MwSt.
zzgl. 6,90 € Versand (brutto)
einmalig pro Bestellung

Lieferzeit: 5 Werktage

Pos.
52
BOSCH Klinke | Ersatzteile für GCM 12 SD | 2610915747
Hersteller: BOSCH
Artikelnummer: EB-0601B23508-2610915747
Netto: 6,69 € zzgl. MwSt.
zzgl. 6,90 € Versand (brutto)
einmalig pro Bestellung

Lieferzeit: 5 Werktage

Pos.
53
BOSCH Klinke | Ersatzteile für GCM 12 SD | 2610915748
Hersteller: BOSCH
Artikelnummer: EB-0601B23508-2610915748
Netto: 6,15 € zzgl. MwSt.
zzgl. 6,90 € Versand (brutto)
einmalig pro Bestellung

Lieferzeit: 5 Werktage

Pos.
45
BOSCH Taste | Ersatzteile für GCM 12 SD | 1609902227
Hersteller: BOSCH
Artikelnummer: EB-0601B23508-1609902227
nur Informationsartikel
Nie mehr lieferbar
keine Alternativen
Pos.
54
BOSCH Drehfeder | Ersatzteile für GCM 12 SD | 2610911853
Hersteller: BOSCH
Artikelnummer: EB-0601B23508-2610911853
Netto: 5,67 € zzgl. MwSt.
zzgl. 6,90 € Versand (brutto)
einmalig pro Bestellung

Lieferzeit: 5 Werktage

Pos.
46
BOSCH Taste | Ersatzteile für GCM 12 SD | 1609902228
Hersteller: BOSCH
Artikelnummer: EB-0601B23508-1609902228
Netto: 5,19 € zzgl. MwSt.
zzgl. 6,90 € Versand (brutto)
einmalig pro Bestellung

Lieferzeit: 5 Werktage

Pos.
55
BOSCH Teller | Ersatzteile für GCM 12 SD | 2610915704
Hersteller: BOSCH
Artikelnummer: EB-0601B23508-2610915704
Netto: 5,67 € zzgl. MwSt.
zzgl. 6,90 € Versand (brutto)
einmalig pro Bestellung

Lieferzeit: 5 Werktage

Pos.
47
BOSCH Gelenkteil | Ersatzteile für GCM 12 SD | 1609902229
Hersteller: BOSCH
Artikelnummer: EB-0601B23508-1609902229
Netto: 5,67 € zzgl. MwSt.
zzgl. 6,90 € Versand (brutto)
einmalig pro Bestellung

Lieferzeit: 5 Werktage

Pos.
58
BOSCH Gestänge | Ersatzteile für GCM 12 SD | 2610915707
Hersteller: BOSCH
Artikelnummer: EB-0601B23508-2610915707
Netto: 7,76 € zzgl. MwSt.
zzgl. 6,90 € Versand (brutto)
einmalig pro Bestellung

Lieferzeit: 5 Werktage

Pos.
59
BOSCH Aufnahme | Ersatzteile für GCM 12 SD | 2610915708
Hersteller: BOSCH
Artikelnummer: EB-0601B23508-2610915708
Netto: 7,30 € zzgl. MwSt.
zzgl. 6,90 € Versand (brutto)
einmalig pro Bestellung

Lieferzeit: 5 Werktage

Pos.
60
BOSCH Blattfeder | Ersatzteile für GCM 12 SD | 2610915709
Hersteller: BOSCH
Artikelnummer: EB-0601B23508-2610915709
Netto: 3,63 € zzgl. MwSt.
zzgl. 6,90 € Versand (brutto)
einmalig pro Bestellung

Lieferzeit: 5 Werktage

Pos.
61
BOSCH Abdeckkappe | Ersatzteile für GCM 12 SD | 1609902231
Hersteller: BOSCH
Artikelnummer: EB-0601B23508-1609902231
Netto: 5,67 € zzgl. MwSt.
zzgl. 6,90 € Versand (brutto)
einmalig pro Bestellung

Lieferzeit: 5 Werktage

Pos.
62
BOSCH Hebel | Ersatzteile für GCM 12 SD | 2610915711
Hersteller: BOSCH
Artikelnummer: EB-0601B23508-2610915711
Netto: 9,95 € zzgl. MwSt.
zzgl. 6,90 € Versand (brutto)
einmalig pro Bestellung

Lieferzeit: 5 Werktage

Pos.
63
BOSCH Haltearm | Ersatzteile für GCM 12 SD | 2610915712
Hersteller: BOSCH
Artikelnummer: EB-0601B23508-2610915712
Netto: 4,82 € zzgl. MwSt.
zzgl. 6,90 € Versand (brutto)
einmalig pro Bestellung

Lieferzeit: 5 Werktage

Pos.
64
BOSCH Kurvenscheibe | Ersatzteile für GCM 12 SD | 2610915713
Hersteller: BOSCH
Artikelnummer: EB-0601B23508-2610915713
Netto: 3,63 € zzgl. MwSt.
zzgl. 6,90 € Versand (brutto)
einmalig pro Bestellung

Lieferzeit: 5 Werktage

Pos.
56
BOSCH Auflageplatte | Ersatzteile für GCM 12 SD | 1609902230
Hersteller: BOSCH
Artikelnummer: EB-0601B23508-1609902230
nur Informationsartikel
Nie mehr lieferbar
keine Alternativen
Pos.
BOSCH Knopfgriff | Ersatzteile für GCM 12 SD | 2610009612
Hersteller: BOSCH
Artikelnummer:
Netto: 11,92 € zzgl. MwSt.
zzgl. 6,90 € Versand (brutto)
einmalig pro Bestellung

Lieferzeit: 5 Werktage

Pos.
66
BOSCH Haltearm | Ersatzteile für GCM 12 SD | 2610915715
Hersteller: BOSCH
Artikelnummer: EB-0601B23508-2610915715
Netto: 3,94 € zzgl. MwSt.
zzgl. 6,90 € Versand (brutto)
einmalig pro Bestellung

Lieferzeit: 5 Werktage

Pos.
68
BOSCH Haltearm | Ersatzteile für GCM 12 SD | 2610915717
Hersteller: BOSCH
Artikelnummer: EB-0601B23508-2610915717
Netto: 3,63 € zzgl. MwSt.
zzgl. 6,90 € Versand (brutto)
einmalig pro Bestellung

Lieferzeit: 5 Werktage

Pos.
72
BOSCH Verschlusshebel | Ersatzteile für GCM 12 SD | 2610911936
Hersteller: BOSCH
Artikelnummer: EB-0601B23508-2610911936
Netto: 10,92 € zzgl. MwSt.
zzgl. 6,90 € Versand (brutto)
einmalig pro Bestellung

Lieferzeit: 5 Werktage

Pos.
73
BOSCH Prallschutz | Ersatzteile für GCM 12 SD | 2610915722
Hersteller: BOSCH
Artikelnummer: EB-0601B23508-2610915722
Netto: 4,82 € zzgl. MwSt.
zzgl. 6,90 € Versand (brutto)
einmalig pro Bestellung

Lieferzeit: 5 Werktage

Pos.
74
BOSCH Spannstange | Ersatzteile für GCM 12 SD | 2610915723
Hersteller: BOSCH
Artikelnummer: EB-0601B23508-2610915723
Netto: 9,18 € zzgl. MwSt.
zzgl. 6,90 € Versand (brutto)
einmalig pro Bestellung

Lieferzeit: 5 Werktage

Pos.
75
BOSCH Laufrolle | Ersatzteile für GCM 12 SD | 2610915724
Hersteller: BOSCH
Artikelnummer: EB-0601B23508-2610915724
Netto: 4,32 € zzgl. MwSt.
zzgl. 6,90 € Versand (brutto)
einmalig pro Bestellung

Lieferzeit: 5 Werktage

Pos.
76
BOSCH Nockenring | Ersatzteile für GCM 12 SD | 2610915725
Hersteller: BOSCH
Artikelnummer: EB-0601B23508-2610915725
Netto: 10,92 € zzgl. MwSt.
zzgl. 6,90 € Versand (brutto)
einmalig pro Bestellung

Lieferzeit: 5 Werktage

Pos.
77
BOSCH Druckknopf | Ersatzteile für GCM 12 SD | 2610915726
Hersteller: BOSCH
Artikelnummer: EB-0601B23508-2610915726
Netto: 7,18 € zzgl. MwSt.
zzgl. 6,90 € Versand (brutto)
einmalig pro Bestellung

Lieferzeit: 5 Werktage

Pos.
65
BOSCH Knopf | Ersatzteile für GCM 12 SD | 1609902232
Hersteller: BOSCH
Artikelnummer: EB-0601B23508-1609902232
nur Informationsartikel
Nie mehr lieferbar
keine Alternativen
Pos.
78
BOSCH Anschlagplatte | Ersatzteile für GCM 12 SD | 2610915686
Hersteller: BOSCH
Artikelnummer: EB-0601B23508-2610915686
Netto: 4,82 € zzgl. MwSt.
zzgl. 6,90 € Versand (brutto)
einmalig pro Bestellung

Lieferzeit: 5 Werktage

Pos.
79
BOSCH Knopf | Ersatzteile für GCM 12 SD | 2610915687
Hersteller: BOSCH
Artikelnummer: EB-0601B23508-2610915687
Netto: 7,30 € zzgl. MwSt.
zzgl. 6,90 € Versand (brutto)
einmalig pro Bestellung

Lieferzeit: 5 Werktage

Pos.
80
BOSCH Verschlusshebel | Ersatzteile für GCM 12 SD | 2610915688
Hersteller: BOSCH
Artikelnummer: EB-0601B23508-2610915688
nur Informationsartikel
Nie mehr lieferbar
keine Alternativen
Pos.
81
BOSCH Verschlusshebel | Ersatzteile für GCM 12 SD | 2610915689
Hersteller: BOSCH
Artikelnummer: EB-0601B23508-2610915689
Netto: 7,76 € zzgl. MwSt.
zzgl. 6,90 € Versand (brutto)
einmalig pro Bestellung

Lieferzeit: 5 Werktage

Pos.
82
BOSCH Rückhalteblech | Ersatzteile für GCM 12 SD | 2610915690
Hersteller: BOSCH
Artikelnummer: EB-0601B23508-2610915690
nur Informationsartikel
Nie mehr lieferbar
keine Alternativen
Pos.
70
BOSCH Annietmutter | Ersatzteile für GCM 12 SD | 2610022558
Hersteller: BOSCH
Artikelnummer: EB-0601B23508-2610022558
nur Informationsartikel
Nie mehr lieferbar
keine Alternativen
Pos.
83
BOSCH Abdeckkappe | Ersatzteile für GCM 12 SD | 2610915691
Hersteller: BOSCH
Artikelnummer: EB-0601B23508-2610915691
Netto: 3,93 € zzgl. MwSt.
zzgl. 6,90 € Versand (brutto)
einmalig pro Bestellung

Lieferzeit: 5 Werktage

Pos.
84
BOSCH Zeiger | Ersatzteile für GCM 12 SD | 2610915692
Hersteller: BOSCH
Artikelnummer: EB-0601B23508-2610915692
Netto: 4,32 € zzgl. MwSt.
zzgl. 6,90 € Versand (brutto)
einmalig pro Bestellung

Lieferzeit: 5 Werktage

Pos.
85
BOSCH Zeiger | Ersatzteile für GCM 12 SD | 2610915693
Hersteller: BOSCH
Artikelnummer: EB-0601B23508-2610915693
Netto: 4,32 € zzgl. MwSt.
zzgl. 6,90 € Versand (brutto)
einmalig pro Bestellung

Lieferzeit: 5 Werktage

Pos.
86
BOSCH Kabelhalter | Ersatzteile für GCM 12 SD | 2610915694
Hersteller: BOSCH
Artikelnummer: EB-0601B23508-2610915694
Netto: 9,18 € zzgl. MwSt.
zzgl. 6,90 € Versand (brutto)
einmalig pro Bestellung

Lieferzeit: 5 Werktage

Pos.
88
BOSCH Skale | Ersatzteile für GCM 12 SD | 2610915696
Hersteller: BOSCH
Artikelnummer: EB-0601B23508-2610915696
Netto: 3,63 € zzgl. MwSt.
zzgl. 6,90 € Versand (brutto)
einmalig pro Bestellung

Lieferzeit: 5 Werktage

Pos.
89
BOSCH Anschlagbock | Ersatzteile für GCM 12 SD | 2610915697
Hersteller: BOSCH
Artikelnummer: EB-0601B23508-2610915697
Netto: 14,36 € zzgl. MwSt.
zzgl. 6,90 € Versand (brutto)
einmalig pro Bestellung

Lieferzeit: 5 Werktage

Pos.
90
BOSCH Steckschlüsseleinsatz | Ersatzteile für GCM 12 SD | 2610915698
Hersteller: BOSCH
Artikelnummer: EB-0601B23508-2610915698
Netto: 7,76 € zzgl. MwSt.
zzgl. 6,90 € Versand (brutto)
einmalig pro Bestellung

Lieferzeit: 5 Werktage

Pos.
91
BOSCH Gummibuchse | Ersatzteile für GCM 12 SD | 2610915699
Hersteller: BOSCH
Artikelnummer: EB-0601B23508-2610915699
Netto: 7,76 € zzgl. MwSt.
zzgl. 6,90 € Versand (brutto)
einmalig pro Bestellung

Lieferzeit: 5 Werktage

Pos.
92
BOSCH Lagerlasche | Ersatzteile für GCM 12 SD | 2610915700
Hersteller: BOSCH
Artikelnummer: EB-0601B23508-2610915700
Netto: 3,94 € zzgl. MwSt.
zzgl. 6,90 € Versand (brutto)
einmalig pro Bestellung

Lieferzeit: 5 Werktage

Pos.
93
BOSCH Rückhalteblech | Ersatzteile für GCM 12 SD | 2610915701
Hersteller: BOSCH
Artikelnummer: EB-0601B23508-2610915701
Netto: 5,19 € zzgl. MwSt.
zzgl. 6,90 € Versand (brutto)
einmalig pro Bestellung

Lieferzeit: 5 Werktage

Pos.
94
BOSCH Getriebedeckel | Ersatzteile für GCM 12 SD | 2610915702
Hersteller: BOSCH
Artikelnummer: EB-0601B23508-2610915702
Netto: 17,38 € zzgl. MwSt.
zzgl. 6,90 € Versand (brutto)
einmalig pro Bestellung

Lieferzeit: 5 Werktage

Pos.
95
BOSCH Gleitplatte | Ersatzteile für GCM 12 SD | 2610911863
Hersteller: BOSCH
Artikelnummer: EB-0601B23508-2610911863
Netto: 7,76 € zzgl. MwSt.
zzgl. 6,90 € Versand (brutto)
einmalig pro Bestellung

Lieferzeit: 5 Werktage

Pos.
96
BOSCH Anschlagplatte | Ersatzteile für GCM 12 SD | 2610916458
Hersteller: BOSCH
Artikelnummer: EB-0601B23508-2610916458
Netto: 3,63 € zzgl. MwSt.
zzgl. 6,90 € Versand (brutto)
einmalig pro Bestellung

Lieferzeit: 5 Werktage

Pos.
97
BOSCH Führungsbügel | Ersatzteile für GCM 12 SD | 2610916459
Hersteller: BOSCH
Artikelnummer: EB-0601B23508-2610916459
nur Informationsartikel
Nie mehr lieferbar
keine Alternativen
Pos.
98
BOSCH Durchführung | Ersatzteile für GCM 12 SD | 2610916460
Hersteller: BOSCH
Artikelnummer: EB-0601B23508-2610916460
Netto: 3,63 € zzgl. MwSt.
zzgl. 6,90 € Versand (brutto)
einmalig pro Bestellung

Lieferzeit: 5 Werktage

Pos.
100
BOSCH Rastbolzen | Ersatzteile für GCM 12 SD | 2610916462
Hersteller: BOSCH
Artikelnummer: EB-0601B23508-2610916462
Netto: 4,76 € zzgl. MwSt.
zzgl. 6,90 € Versand (brutto)
einmalig pro Bestellung

Lieferzeit: 5 Werktage

Pos.
102
BOSCH Welle L=105mm | Ersatzteile für GCM 12 SD | 2610915756
Hersteller: BOSCH
Artikelnummer: EB-0601B23508-2610915756
Netto: 7,30 € zzgl. MwSt.
zzgl. 6,90 € Versand (brutto)
einmalig pro Bestellung

Lieferzeit: 5 Werktage

Pos.
103
BOSCH Rastbolzen | Ersatzteile für GCM 12 SD | 2610915759
Hersteller: BOSCH
Artikelnummer: EB-0601B23508-2610915759
Netto: 5,67 € zzgl. MwSt.
zzgl. 6,90 € Versand (brutto)
einmalig pro Bestellung

Lieferzeit: 5 Werktage

Pos.
104
BOSCH Schiebelager | Ersatzteile für GCM 12 SD | 2610915760
Hersteller: BOSCH
Artikelnummer: EB-0601B23508-2610915760
Netto: 77,60 € zzgl. MwSt.
zzgl. 6,90 € Versand (brutto)
einmalig pro Bestellung

Lieferzeit: 5 Werktage

Pos.
105
BOSCH Gleitleiste | Ersatzteile für GCM 12 SD | 2610916792
Hersteller: BOSCH
Artikelnummer: EB-0601B23508-2610916792
Netto: 47,09 € zzgl. MwSt.
zzgl. 6,90 € Versand (brutto)
einmalig pro Bestellung

Lieferzeit: 5 Werktage

Pos.
106
BOSCH Gleitleiste | Ersatzteile für GCM 12 SD | 2610916793
Hersteller: BOSCH
Artikelnummer: EB-0601B23508-2610916793
Netto: 57,47 € zzgl. MwSt.
zzgl. 6,90 € Versand (brutto)
einmalig pro Bestellung

Lieferzeit: 5 Werktage

Pos.
107
BOSCH Drehfeder | Ersatzteile für GCM 12 SD | 2610916794
Hersteller: BOSCH
Artikelnummer: EB-0601B23508-2610916794
Netto: 10,92 € zzgl. MwSt.
zzgl. 6,90 € Versand (brutto)
einmalig pro Bestellung

Lieferzeit: 5 Werktage

Pos.
108
BOSCH Manschette | Ersatzteile für GCM 12 SD | 2610916795
Hersteller: BOSCH
Artikelnummer: EB-0601B23508-2610916795
Netto: 4,53 € zzgl. MwSt.
zzgl. 6,90 € Versand (brutto)
einmalig pro Bestellung

Lieferzeit: 5 Werktage

Pos.
109
BOSCH Welle | Ersatzteile für GCM 12 SD | 2610916796
Hersteller: BOSCH
Artikelnummer: EB-0601B23508-2610916796
Netto: 7,30 € zzgl. MwSt.
zzgl. 6,90 € Versand (brutto)
einmalig pro Bestellung

Lieferzeit: 5 Werktage

Pos.
110
BOSCH Verschlussstift | Ersatzteile für GCM 12 SD | 2610916797
Hersteller: BOSCH
Artikelnummer: EB-0601B23508-2610916797
Netto: 4,32 € zzgl. MwSt.
zzgl. 6,90 € Versand (brutto)
einmalig pro Bestellung

Lieferzeit: 5 Werktage

Pos.
111
BOSCH Zahnrad | Ersatzteile für GCM 12 SD | 2610916798
Hersteller: BOSCH
Artikelnummer: EB-0601B23508-2610916798
Netto: 21,16 € zzgl. MwSt.
zzgl. 6,90 € Versand (brutto)
einmalig pro Bestellung

Lieferzeit: 5 Werktage

Pos.
115
BOSCH Bürstendeckel Ø 22mm | Ersatzteile für GCM 12 SD | 2610916802
Hersteller: BOSCH
Artikelnummer: EB-0601B23508-2610916802
nur Informationsartikel
Nie mehr lieferbar
keine Alternativen
Pos.
116
BOSCH Verlängerungswelle | Ersatzteile für GCM 12 SD | 2610916803
Hersteller: BOSCH
Artikelnummer: EB-0601B23508-2610916803
Netto: 8,13 € zzgl. MwSt.
zzgl. 6,90 € Versand (brutto)
einmalig pro Bestellung

Lieferzeit: 5 Werktage

Pos.
101
BOSCH Block | Ersatzteile für GCM 12 SD | 1619P03307
Hersteller: BOSCH
Artikelnummer: EB-0601B23508-1619P03307
nur Informationsartikel
Nie mehr lieferbar
keine Alternativen
Pos.
117
BOSCH Antriebsscheibe | Ersatzteile für GCM 12 SD | 2610916804
Hersteller: BOSCH
Artikelnummer: EB-0601B23508-2610916804
Netto: 4,82 € zzgl. MwSt.
zzgl. 6,90 € Versand (brutto)
einmalig pro Bestellung

Lieferzeit: 5 Werktage

Pos.
118
BOSCH Breitkeilriemen | Ersatzteile für GCM 12 SD | 2610916805
Hersteller: BOSCH
Artikelnummer: EB-0601B23508-2610916805
Netto: 32,74 € zzgl. MwSt.
zzgl. 6,90 € Versand (brutto)
einmalig pro Bestellung

Lieferzeit: 5 Werktage

Pos.
119
BOSCH Riemenscheibe | Ersatzteile für GCM 12 SD | 2610916806
Hersteller: BOSCH
Artikelnummer: EB-0601B23508-2610916806
Netto: 9,95 € zzgl. MwSt.
zzgl. 6,90 € Versand (brutto)
einmalig pro Bestellung

Lieferzeit: 5 Werktage

Pos.
120
BOSCH Führungsplatte | Ersatzteile für GCM 12 SD | 2610916807
Hersteller: BOSCH
Artikelnummer: EB-0601B23508-2610916807
Netto: 4,82 € zzgl. MwSt.
zzgl. 6,90 € Versand (brutto)
einmalig pro Bestellung

Lieferzeit: 5 Werktage

Pos.
121
BOSCH Zählerwelle | Ersatzteile für GCM 12 SD | 2610916808
Hersteller: BOSCH
Artikelnummer: EB-0601B23508-2610916808
Netto: 21,16 € zzgl. MwSt.
zzgl. 6,90 € Versand (brutto)
einmalig pro Bestellung

Lieferzeit: 5 Werktage

Pos.
122
BOSCH Keil | Ersatzteile für GCM 12 SD | 2610916809
Hersteller: BOSCH
Artikelnummer: EB-0601B23508-2610916809
Netto: 3,94 € zzgl. MwSt.
zzgl. 6,90 € Versand (brutto)
einmalig pro Bestellung

Lieferzeit: 5 Werktage

Pos.
123
BOSCH Rastbolzen | Ersatzteile für GCM 12 SD | 2610916810
Hersteller: BOSCH
Artikelnummer: EB-0601B23508-2610916810
Netto: 5,67 € zzgl. MwSt.
zzgl. 6,90 € Versand (brutto)
einmalig pro Bestellung

Lieferzeit: 5 Werktage

Pos.
124
BOSCH Hebelwelle | Ersatzteile für GCM 12 SD | 2610916811
Hersteller: BOSCH
Artikelnummer: EB-0601B23508-2610916811
Netto: 6,69 € zzgl. MwSt.
zzgl. 6,90 € Versand (brutto)
einmalig pro Bestellung

Lieferzeit: 5 Werktage

Pos.
126
BOSCH Sicherungsmutter | Ersatzteile für GCM 12 SD | 2610911886
Hersteller: BOSCH
Artikelnummer: EB-0601B23508-2610911886
Netto: 3,63 € zzgl. MwSt.
zzgl. 6,90 € Versand (brutto)
einmalig pro Bestellung

Lieferzeit: 5 Werktage

Pos.
127
BOSCH Unterlegscheibe | Ersatzteile für GCM 12 SD | 2610911887
Hersteller: BOSCH
Artikelnummer: EB-0601B23508-2610911887
Netto: 3,63 € zzgl. MwSt.
zzgl. 6,90 € Versand (brutto)
einmalig pro Bestellung

Lieferzeit: 5 Werktage

Pos.
112
BOSCH Spindel | Ersatzteile für GCM 12 SD | 1609902520
Hersteller: BOSCH
Artikelnummer: EB-0601B23508-1609902520
Netto: 17,38 € zzgl. MwSt.
zzgl. 6,90 € Versand (brutto)
einmalig pro Bestellung

Lieferzeit: 5 Werktage

Pos.
128
BOSCH Federscheibe | Ersatzteile für GCM 12 SD | 2610911868
Hersteller: BOSCH
Artikelnummer: EB-0601B23508-2610911868
Netto: 3,63 € zzgl. MwSt.
zzgl. 6,90 € Versand (brutto)
einmalig pro Bestellung

Lieferzeit: 5 Werktage

Pos.
129
BOSCH Kombi-Schraube | Ersatzteile für GCM 12 SD | 2610911907
Hersteller: BOSCH
Artikelnummer: EB-0601B23508-2610911907
Netto: 3,63 € zzgl. MwSt.
zzgl. 6,90 € Versand (brutto)
einmalig pro Bestellung

Lieferzeit: 5 Werktage

Pos.
114
BOSCH Flansch | Ersatzteile für GCM 12 SD | 1609902234
Hersteller: BOSCH
Artikelnummer: EB-0601B23508-1609902234
Netto: 9,95 € zzgl. MwSt.
zzgl. 6,90 € Versand (brutto)
einmalig pro Bestellung

Lieferzeit: 5 Werktage

Pos.
130
BOSCH Gewindestift | Ersatzteile für GCM 12 SD | 2610911908
Hersteller: BOSCH
Artikelnummer: EB-0601B23508-2610911908
Netto: 3,94 € zzgl. MwSt.
zzgl. 6,90 € Versand (brutto)
einmalig pro Bestellung

Lieferzeit: 5 Werktage

Pos.
131
BOSCH Ausgleichscheibe | Ersatzteile für GCM 12 SD | 2610911937
Hersteller: BOSCH
Artikelnummer: EB-0601B23508-2610911937
Netto: 5,19 € zzgl. MwSt.
zzgl. 6,90 € Versand (brutto)
einmalig pro Bestellung

Lieferzeit: 5 Werktage

Pos.
133
BOSCH Unterlegscheibe | Ersatzteile für GCM 12 SD | 2610911870
Hersteller: BOSCH
Artikelnummer: EB-0601B23508-2610911870
Netto: 4,53 € zzgl. MwSt.
zzgl. 6,90 € Versand (brutto)
einmalig pro Bestellung

Lieferzeit: 5 Werktage

Pos.
134
BOSCH Schraube | Ersatzteile für GCM 12 SD | 2610911871
Hersteller: BOSCH
Artikelnummer: EB-0601B23508-2610911871
Netto: 4,32 € zzgl. MwSt.
zzgl. 6,90 € Versand (brutto)
einmalig pro Bestellung

Lieferzeit: 5 Werktage

Pos.
135
BOSCH Spannstange | Ersatzteile für GCM 12 SD | 2610917669
Hersteller: BOSCH
Artikelnummer: EB-0601B23508-2610917669
Netto: 5,19 € zzgl. MwSt.
zzgl. 6,90 € Versand (brutto)
einmalig pro Bestellung

Lieferzeit: 5 Werktage

Pos.
136
BOSCH Ansatzschraube | Ersatzteile für GCM 12 SD | 2610911598
Hersteller: BOSCH
Artikelnummer: EB-0601B23508-2610911598
Netto: 3,94 € zzgl. MwSt.
zzgl. 6,90 € Versand (brutto)
einmalig pro Bestellung

Lieferzeit: 5 Werktage

Pos.
137
BOSCH Unterlegscheibe | Ersatzteile für GCM 12 SD | 2610911599
Hersteller: BOSCH
Artikelnummer: EB-0601B23508-2610911599
Netto: 3,63 € zzgl. MwSt.
zzgl. 6,90 € Versand (brutto)
einmalig pro Bestellung

Lieferzeit: 5 Werktage

Pos.
140
BOSCH Schraube | Ersatzteile für GCM 12 SD | 2610911458
Hersteller: BOSCH
Artikelnummer: EB-0601B23508-2610911458
Netto: 3,49 € zzgl. MwSt.
zzgl. 6,90 € Versand (brutto)
einmalig pro Bestellung

Lieferzeit: 5 Werktage

Pos.
141
BOSCH Schraube | Ersatzteile für GCM 12 SD | 1619PA6363
Hersteller: BOSCH
Artikelnummer: EB-0601B23508-1619PA6363
Netto: 3,63 € zzgl. MwSt.
zzgl. 6,90 € Versand (brutto)
einmalig pro Bestellung

Lieferzeit: 5 Werktage

Pos.
142
BOSCH Schraube | Ersatzteile für GCM 12 SD | 2610318846
Hersteller: BOSCH
Artikelnummer: EB-0601B23508-2610318846
Netto: 3,63 € zzgl. MwSt.
zzgl. 6,90 € Versand (brutto)
einmalig pro Bestellung

Lieferzeit: 5 Werktage

Pos.
125
BOSCH Einklebeblatt | Ersatzteile für GCM 12 SD | 1609902486
Hersteller: BOSCH
Artikelnummer: EB-0601B23508-1609902486
Netto: 5,19 € zzgl. MwSt.
zzgl. 6,90 € Versand (brutto)
einmalig pro Bestellung

Lieferzeit: 5 Werktage

Pos.
144
BOSCH Mutter | Ersatzteile für GCM 12 SD | 1609902689
Hersteller: BOSCH
Artikelnummer: EB-0601B23508-1609902689
Netto: 3,94 € zzgl. MwSt.
zzgl. 6,90 € Versand (brutto)
einmalig pro Bestellung

Lieferzeit: 5 Werktage

Pos.
145
BOSCH Sechskantschraube | Ersatzteile für GCM 12 SD | 2610911861
Hersteller: BOSCH
Artikelnummer: EB-0601B23508-2610911861
Netto: 5,17 € zzgl. MwSt.
zzgl. 6,90 € Versand (brutto)
einmalig pro Bestellung

Lieferzeit: 5 Werktage

Pos.
146
BOSCH Gewindestift | Ersatzteile für GCM 12 SD | 2610356437
Hersteller: BOSCH
Artikelnummer: EB-0601B23508-2610356437
Netto: 3,63 € zzgl. MwSt.
zzgl. 6,90 € Versand (brutto)
einmalig pro Bestellung

Lieferzeit: 5 Werktage

Pos.
147
BOSCH Schraube | Ersatzteile für GCM 12 SD | 2610911899
Hersteller: BOSCH
Artikelnummer: EB-0601B23508-2610911899
Netto: 3,63 € zzgl. MwSt.
zzgl. 6,90 € Versand (brutto)
einmalig pro Bestellung

Lieferzeit: 5 Werktage

Pos.
148
BOSCH Gummibuchse | Ersatzteile für GCM 12 SD | 2610358846
Hersteller: BOSCH
Artikelnummer: EB-0601B23508-2610358846
Netto: 3,94 € zzgl. MwSt.
zzgl. 6,90 € Versand (brutto)
einmalig pro Bestellung

Lieferzeit: 5 Werktage

Pos.
149
BOSCH Schraube | Ersatzteile für GCM 12 SD | 2610911918
Hersteller: BOSCH
Artikelnummer: EB-0601B23508-2610911918
Netto: 4,53 € zzgl. MwSt.
zzgl. 6,90 € Versand (brutto)
einmalig pro Bestellung

Lieferzeit: 5 Werktage

Pos.
132
BOSCH Flansch | Ersatzteile für GCM 12 SD | 1609902236
Hersteller: BOSCH
Artikelnummer: EB-0601B23508-1609902236
Netto: 7,30 € zzgl. MwSt.
zzgl. 6,90 € Versand (brutto)
einmalig pro Bestellung

Lieferzeit: 5 Werktage

Pos.
150
BOSCH Sicherungsmutter | Ersatzteile für GCM 12 SD | 2610911901
Hersteller: BOSCH
Artikelnummer: EB-0601B23508-2610911901
Netto: 3,94 € zzgl. MwSt.
zzgl. 6,90 € Versand (brutto)
einmalig pro Bestellung

Lieferzeit: 5 Werktage

Pos.
151
BOSCH Unterlegscheibe | Ersatzteile für GCM 12 SD | 2610347092
Hersteller: BOSCH
Artikelnummer: EB-0601B23508-2610347092
Netto: 3,63 € zzgl. MwSt.
zzgl. 6,90 € Versand (brutto)
einmalig pro Bestellung

Lieferzeit: 5 Werktage

Pos.
154
BOSCH Schraube | Ersatzteile für GCM 12 SD | 2610911900
Hersteller: BOSCH
Artikelnummer: EB-0601B23508-2610911900
Netto: 3,63 € zzgl. MwSt.
zzgl. 6,90 € Versand (brutto)
einmalig pro Bestellung

Lieferzeit: 5 Werktage

Pos.
156
BOSCH Stift | Ersatzteile für GCM 12 SD | 2610997274
Hersteller: BOSCH
Artikelnummer: EB-0601B23508-2610997274
Netto: 3,63 € zzgl. MwSt.
zzgl. 6,90 € Versand (brutto)
einmalig pro Bestellung

Lieferzeit: 5 Werktage

Pos.
157
BOSCH Vierkantmutter | Ersatzteile für GCM 12 SD | 2610355332
Hersteller: BOSCH
Artikelnummer: EB-0601B23508-2610355332
Netto: 3,75 € zzgl. MwSt.
zzgl. 6,90 € Versand (brutto)
einmalig pro Bestellung

Lieferzeit: 5 Werktage

Pos.
158
BOSCH Scheibe | Ersatzteile für GCM 12 SD | 2610358801
Hersteller: BOSCH
Artikelnummer: EB-0601B23508-2610358801
nur Informationsartikel
Nie mehr lieferbar
keine Alternativen
Pos.
159
BOSCH Filzring | Ersatzteile für GCM 12 SD | 2610911589
Hersteller: BOSCH
Artikelnummer: EB-0601B23508-2610911589
Netto: 8,33 € zzgl. MwSt.
zzgl. 6,90 € Versand (brutto)
einmalig pro Bestellung

Lieferzeit: 5 Werktage

Pos.
160
BOSCH Klemmstein | Ersatzteile für GCM 12 SD | 2610919102
Hersteller: BOSCH
Artikelnummer: EB-0601B23508-2610919102
Netto: 6,70 € zzgl. MwSt.
zzgl. 6,90 € Versand (brutto)
einmalig pro Bestellung

Lieferzeit: 5 Werktage

Pos.
161
BOSCH Gewindestift | Ersatzteile für GCM 12 SD | 1609902416
Hersteller: BOSCH
Artikelnummer: EB-0601B23508-1609902416
Netto: 3,63 € zzgl. MwSt.
zzgl. 6,90 € Versand (brutto)
einmalig pro Bestellung

Lieferzeit: 5 Werktage

Pos.
162
BOSCH Mutter | Ersatzteile für GCM 12 SD | 2610328618
Hersteller: BOSCH
Artikelnummer: EB-0601B23508-2610328618
Netto: 3,63 € zzgl. MwSt.
zzgl. 6,90 € Versand (brutto)
einmalig pro Bestellung

Lieferzeit: 5 Werktage

Pos.
163
BOSCH Gummi-Ohrkissen | Ersatzteile für GCM 12 SD | 2610911584
Hersteller: BOSCH
Artikelnummer: EB-0601B23508-2610911584
Netto: 3,63 € zzgl. MwSt.
zzgl. 6,90 € Versand (brutto)
einmalig pro Bestellung

Lieferzeit: 5 Werktage

Pos.
143
BOSCH Schraube | Ersatzteile für GCM 12 SD | 1609902524
Hersteller: BOSCH
Artikelnummer: EB-0601B23508-1609902524
Netto: 3,63 € zzgl. MwSt.
zzgl. 6,90 € Versand (brutto)
einmalig pro Bestellung

Lieferzeit: 5 Werktage

Pos.
164
BOSCH Knopf | Ersatzteile für GCM 12 SD | 2610911583
Hersteller: BOSCH
Artikelnummer: EB-0601B23508-2610911583
Netto: 7,76 € zzgl. MwSt.
zzgl. 6,90 € Versand (brutto)
einmalig pro Bestellung

Lieferzeit: 5 Werktage

Pos.
165
BOSCH Feder | Ersatzteile für GCM 12 SD | 2610911582
Hersteller: BOSCH
Artikelnummer: EB-0601B23508-2610911582
Netto: 3,63 € zzgl. MwSt.
zzgl. 6,90 € Versand (brutto)
einmalig pro Bestellung

Lieferzeit: 5 Werktage

Pos.
166
BOSCH Rastbolzen | Ersatzteile für GCM 12 SD | 2610911575
Hersteller: BOSCH
Artikelnummer: EB-0601B23508-2610911575
Netto: 4,32 € zzgl. MwSt.
zzgl. 6,90 € Versand (brutto)
einmalig pro Bestellung

Lieferzeit: 5 Werktage

Pos.
167
BOSCH Druckfeder | Ersatzteile für GCM 12 SD | 2610911576
Hersteller: BOSCH
Artikelnummer: EB-0601B23508-2610911576
Netto: 4,32 € zzgl. MwSt.
zzgl. 6,90 € Versand (brutto)
einmalig pro Bestellung

Lieferzeit: 5 Werktage

Pos.
168
BOSCH Haltebolzen | Ersatzteile für GCM 12 SD | 2610911577
Hersteller: BOSCH
Artikelnummer: EB-0601B23508-2610911577
Netto: 3,94 € zzgl. MwSt.
zzgl. 6,90 € Versand (brutto)
einmalig pro Bestellung

Lieferzeit: 5 Werktage

Pos.
169
BOSCH Schraube | Ersatzteile für GCM 12 SD | 2610358848
Hersteller: BOSCH
Artikelnummer: EB-0601B23508-2610358848
Netto: 3,94 € zzgl. MwSt.
zzgl. 6,90 € Versand (brutto)
einmalig pro Bestellung

Lieferzeit: 5 Werktage

Pos.
170
BOSCH Schraube 18,9 MM | Ersatzteile für GCM 12 SD | 2610327859
Hersteller: BOSCH
Artikelnummer: EB-0601B23508-2610327859
Netto: 3,94 € zzgl. MwSt.
zzgl. 6,90 € Versand (brutto)
einmalig pro Bestellung

Lieferzeit: 5 Werktage

Pos.
171
BOSCH Ansatzschraube | Ersatzteile für GCM 12 SD | 2610911911
Hersteller: BOSCH
Artikelnummer: EB-0601B23508-2610911911
Netto: 3,63 € zzgl. MwSt.
zzgl. 6,90 € Versand (brutto)
einmalig pro Bestellung

Lieferzeit: 5 Werktage

Pos.
172
BOSCH Rundgummi | Ersatzteile für GCM 12 SD | 2610911921
Hersteller: BOSCH
Artikelnummer: EB-0601B23508-2610911921
Netto: 3,63 € zzgl. MwSt.
zzgl. 6,90 € Versand (brutto)
einmalig pro Bestellung

Lieferzeit: 5 Werktage

Pos.
152
BOSCH Schraube | Ersatzteile für GCM 12 SD | 2610911897
Hersteller: BOSCH
Artikelnummer: EB-0601B23508-2610911897
nur Informationsartikel
Nie mehr lieferbar
keine Alternativen
Pos.
178
BOSCH Sicherungsring | Ersatzteile für GCM 12 SD | 2610990521
Hersteller: BOSCH
Artikelnummer: EB-0601B23508-2610990521
Netto: 3,63 € zzgl. MwSt.
zzgl. 6,90 € Versand (brutto)
einmalig pro Bestellung

Lieferzeit: 5 Werktage

Pos.
179
BOSCH Schraube | Ersatzteile für GCM 12 SD | 2610004925
Hersteller: BOSCH
Artikelnummer: EB-0601B23508-2610004925
Netto: 4,50 € zzgl. MwSt.
zzgl. 6,90 € Versand (brutto)
einmalig pro Bestellung

Lieferzeit: 5 Werktage

Pos.
180
BOSCH Bolzen | Ersatzteile für GCM 12 SD | 2610358812
Hersteller: BOSCH
Artikelnummer: EB-0601B23508-2610358812
Netto: 4,33 € zzgl. MwSt.
zzgl. 6,90 € Versand (brutto)
einmalig pro Bestellung

Lieferzeit: 5 Werktage

Pos.
155
BOSCH Schraube | Ersatzteile für GCM 12 SD | 2610910784
Hersteller: BOSCH
Artikelnummer: EB-0601B23508-2610910784
nur Informationsartikel
Nie mehr lieferbar
keine Alternativen
Pos.
181
BOSCH Federscheibe | Ersatzteile für GCM 12 SD | 2610355325
Hersteller: BOSCH
Artikelnummer: EB-0601B23508-2610355325
Netto: 3,63 € zzgl. MwSt.
zzgl. 6,90 € Versand (brutto)
einmalig pro Bestellung

Lieferzeit: 5 Werktage

Pos.
183
BOSCH Kugellager | Ersatzteile für GCM 12 SD | 2610327846
Hersteller: BOSCH
Artikelnummer: EB-0601B23508-2610327846
Netto: 14,36 € zzgl. MwSt.
zzgl. 6,90 € Versand (brutto)
einmalig pro Bestellung

Lieferzeit: 5 Werktage

Pos.
186
BOSCH Scheibenfeder | Ersatzteile für GCM 12 SD | 2610993102
Hersteller: BOSCH
Artikelnummer: EB-0601B23508-2610993102
Netto: 4,32 € zzgl. MwSt.
zzgl. 6,90 € Versand (brutto)
einmalig pro Bestellung

Lieferzeit: 5 Werktage

Pos.
187
BOSCH Sicherungsring | Ersatzteile für GCM 12 SD | 2610997281
Hersteller: BOSCH
Artikelnummer: EB-0601B23508-2610997281
Netto: 3,63 € zzgl. MwSt.
zzgl. 6,90 € Versand (brutto)
einmalig pro Bestellung

Lieferzeit: 5 Werktage

Pos.
188
BOSCH Vorlegscheibe | Ersatzteile für GCM 12 SD | 2610029674
Hersteller: BOSCH
Artikelnummer: EB-0601B23508-2610029674
Netto: 3,94 € zzgl. MwSt.
zzgl. 6,90 € Versand (brutto)
einmalig pro Bestellung

Lieferzeit: 5 Werktage

Pos.
189
BOSCH Gummiring | Ersatzteile für GCM 12 SD | 2610996948
Hersteller: BOSCH
Artikelnummer: EB-0601B23508-2610996948
Netto: 3,94 € zzgl. MwSt.
zzgl. 6,90 € Versand (brutto)
einmalig pro Bestellung

Lieferzeit: 5 Werktage

Pos.
190
BOSCH Nadellager | Ersatzteile für GCM 12 SD | 2610358922
Hersteller: BOSCH
Artikelnummer: EB-0601B23508-2610358922
Netto: 10,92 € zzgl. MwSt.
zzgl. 6,90 € Versand (brutto)
einmalig pro Bestellung

Lieferzeit: 5 Werktage

Pos.
191
BOSCH Bolzen | Ersatzteile für GCM 12 SD | 2610906037
Hersteller: BOSCH
Artikelnummer: EB-0601B23508-2610906037
Netto: 3,94 € zzgl. MwSt.
zzgl. 6,90 € Versand (brutto)
einmalig pro Bestellung

Lieferzeit: 5 Werktage

Pos.
192
BOSCH Federscheibe | Ersatzteile für GCM 12 SD | 2610906041
Hersteller: BOSCH
Artikelnummer: EB-0601B23508-2610906041
Netto: 3,63 € zzgl. MwSt.
zzgl. 6,90 € Versand (brutto)
einmalig pro Bestellung

Lieferzeit: 5 Werktage

Pos.
193
BOSCH Schraube | Ersatzteile für GCM 12 SD | 2610913862
Hersteller: BOSCH
Artikelnummer: EB-0601B23508-2610913862
Netto: 3,63 € zzgl. MwSt.
zzgl. 6,90 € Versand (brutto)
einmalig pro Bestellung

Lieferzeit: 5 Werktage

Pos.
194
BOSCH Gewindestift | Ersatzteile für GCM 12 SD | 2610910786
Hersteller: BOSCH
Artikelnummer: EB-0601B23508-2610910786
Netto: 3,60 € zzgl. MwSt.
zzgl. 6,90 € Versand (brutto)
einmalig pro Bestellung

Lieferzeit: 5 Werktage

Pos.
195
BOSCH Ansatzschraube | Ersatzteile für GCM 12 SD | 2610919060
Hersteller: BOSCH
Artikelnummer: EB-0601B23508-2610919060
Netto: 3,94 € zzgl. MwSt.
zzgl. 6,90 € Versand (brutto)
einmalig pro Bestellung

Lieferzeit: 5 Werktage

Pos.
196
BOSCH Druckfeder | Ersatzteile für GCM 12 SD | 2610919061
Hersteller: BOSCH
Artikelnummer: EB-0601B23508-2610919061
Netto: 3,63 € zzgl. MwSt.
zzgl. 6,90 € Versand (brutto)
einmalig pro Bestellung

Lieferzeit: 5 Werktage

Pos.
197
BOSCH Schraube | Ersatzteile für GCM 12 SD | 2610919062
Hersteller: BOSCH
Artikelnummer: EB-0601B23508-2610919062
Netto: 5,67 € zzgl. MwSt.
zzgl. 6,90 € Versand (brutto)
einmalig pro Bestellung

Lieferzeit: 5 Werktage

Pos.
198
BOSCH Schraube | Ersatzteile für GCM 12 SD | 2610919063
Hersteller: BOSCH
Artikelnummer: EB-0601B23508-2610919063
Netto: 5,19 € zzgl. MwSt.
zzgl. 6,90 € Versand (brutto)
einmalig pro Bestellung

Lieferzeit: 5 Werktage

Pos.
199
BOSCH Haltering | Ersatzteile für GCM 12 SD | 2610912556
Hersteller: BOSCH
Artikelnummer: EB-0601B23508-2610912556
Netto: 3,63 € zzgl. MwSt.
zzgl. 6,90 € Versand (brutto)
einmalig pro Bestellung

Lieferzeit: 5 Werktage

Pos.
201
BOSCH Schraubendrehereinsatz | Ersatzteile für GCM 12 SD | 2610919065
Hersteller: BOSCH
Artikelnummer: EB-0601B23508-2610919065
Netto: 4,82 € zzgl. MwSt.
zzgl. 6,90 € Versand (brutto)
einmalig pro Bestellung

Lieferzeit: 5 Werktage

Pos.
202
BOSCH Platte | Ersatzteile für GCM 12 SD | 2610919066
Hersteller: BOSCH
Artikelnummer: EB-0601B23508-2610919066
Netto: 4,32 € zzgl. MwSt.
zzgl. 6,90 € Versand (brutto)
einmalig pro Bestellung

Lieferzeit: 5 Werktage

Pos.
203
BOSCH Schraube | Ersatzteile für GCM 12 SD | 2610355295
Hersteller: BOSCH
Artikelnummer: EB-0601B23508-2610355295
Netto: 4,32 € zzgl. MwSt.
zzgl. 6,90 € Versand (brutto)
einmalig pro Bestellung

Lieferzeit: 5 Werktage

Pos.
204
BOSCH Druckfeder | Ersatzteile für GCM 12 SD | 2610919067
Hersteller: BOSCH
Artikelnummer: EB-0601B23508-2610919067
Netto: 3,63 € zzgl. MwSt.
zzgl. 6,90 € Versand (brutto)
einmalig pro Bestellung

Lieferzeit: 5 Werktage

Pos.
205
BOSCH Druckfeder | Ersatzteile für GCM 12 SD | 2610919068
Hersteller: BOSCH
Artikelnummer: EB-0601B23508-2610919068
Netto: 3,63 € zzgl. MwSt.
zzgl. 6,90 € Versand (brutto)
einmalig pro Bestellung

Lieferzeit: 5 Werktage

Pos.
206
BOSCH Federstift | Ersatzteile für GCM 12 SD | 2610919069
Hersteller: BOSCH
Artikelnummer: EB-0601B23508-2610919069
Netto: 3,94 € zzgl. MwSt.
zzgl. 6,90 € Versand (brutto)
einmalig pro Bestellung

Lieferzeit: 5 Werktage

Pos.
207
BOSCH Anschlagschraube | Ersatzteile für GCM 12 SD | 2610911873
Hersteller: BOSCH
Artikelnummer: EB-0601B23508-2610911873
Netto: 4,53 € zzgl. MwSt.
zzgl. 6,90 € Versand (brutto)
einmalig pro Bestellung

Lieferzeit: 5 Werktage

Pos.
208
BOSCH Ansatzschraube | Ersatzteile für GCM 12 SD | 2610919070
Hersteller: BOSCH
Artikelnummer: EB-0601B23508-2610919070
Netto: 3,94 € zzgl. MwSt.
zzgl. 6,90 € Versand (brutto)
einmalig pro Bestellung

Lieferzeit: 5 Werktage

Pos.
209
BOSCH Anschlagschraube | Ersatzteile für GCM 12 SD | 2610919071
Hersteller: BOSCH
Artikelnummer: EB-0601B23508-2610919071
Netto: 4,32 € zzgl. MwSt.
zzgl. 6,90 € Versand (brutto)
einmalig pro Bestellung

Lieferzeit: 5 Werktage

Pos.
182
BOSCH Ansatzschraube | Ersatzteile für GCM 12 SD | 2610018984
Hersteller: BOSCH
Artikelnummer: EB-0601B23508-2610018984
Netto: 4,82 € zzgl. MwSt.
zzgl. 6,90 € Versand (brutto)
einmalig pro Bestellung

Lieferzeit: 5 Werktage

Pos.
210
BOSCH Schraube | Ersatzteile für GCM 12 SD | 2610320304
Hersteller: BOSCH
Artikelnummer: EB-0601B23508-2610320304
Netto: 3,63 € zzgl. MwSt.
zzgl. 6,90 € Versand (brutto)
einmalig pro Bestellung

Lieferzeit: 5 Werktage

Pos.
211
BOSCH Bremsblech | Ersatzteile für GCM 12 SD | 2610919072
Hersteller: BOSCH
Artikelnummer: EB-0601B23508-2610919072
Netto: 4,53 € zzgl. MwSt.
zzgl. 6,90 € Versand (brutto)
einmalig pro Bestellung

Lieferzeit: 5 Werktage

Pos.
212
BOSCH Bremsblech | Ersatzteile für GCM 12 SD | 2610919073
Hersteller: BOSCH
Artikelnummer: EB-0601B23508-2610919073
Netto: 8,33 € zzgl. MwSt.
zzgl. 6,90 € Versand (brutto)
einmalig pro Bestellung

Lieferzeit: 5 Werktage

Pos.
185
BOSCH Schraube | Ersatzteile für GCM 12 SD | 1609902307
Hersteller: BOSCH
Artikelnummer: EB-0601B23508-1609902307
Netto: 3,63 € zzgl. MwSt.
zzgl. 6,90 € Versand (brutto)
einmalig pro Bestellung

Lieferzeit: 5 Werktage

Pos.
213
BOSCH Federscheibe | Ersatzteile für GCM 12 SD | 2610912587
Hersteller: BOSCH
Artikelnummer: EB-0601B23508-2610912587
Netto: 3,63 € zzgl. MwSt.
zzgl. 6,90 € Versand (brutto)
einmalig pro Bestellung

Lieferzeit: 5 Werktage

Pos.
214
BOSCH Mutter | Ersatzteile für GCM 12 SD | 2615297331
Hersteller: BOSCH
Artikelnummer: EB-0601B23508-2615297331
Netto: 3,63 € zzgl. MwSt.
zzgl. 6,90 € Versand (brutto)
einmalig pro Bestellung

Lieferzeit: 5 Werktage

Pos.
215
BOSCH Pvc-Rohr | Ersatzteile für GCM 12 SD | 2610919074
Hersteller: BOSCH
Artikelnummer: EB-0601B23508-2610919074
Netto: 4,53 € zzgl. MwSt.
zzgl. 6,90 € Versand (brutto)
einmalig pro Bestellung

Lieferzeit: 5 Werktage

Pos.
216
BOSCH Ansatzschraube | Ersatzteile für GCM 12 SD | 1609902706
Hersteller: BOSCH
Artikelnummer: EB-0601B23508-1609902706
Netto: 3,63 € zzgl. MwSt.
zzgl. 6,90 € Versand (brutto)
einmalig pro Bestellung

Lieferzeit: 5 Werktage

Pos.
218
BOSCH Schraube | Ersatzteile für GCM 12 SD | 2610327867
Hersteller: BOSCH
Artikelnummer: EB-0601B23508-2610327867
Netto: 3,94 € zzgl. MwSt.
zzgl. 6,90 € Versand (brutto)
einmalig pro Bestellung

Lieferzeit: 5 Werktage

Pos.
219
BOSCH Schraube | Ersatzteile für GCM 12 SD | 2610998575
Hersteller: BOSCH
Artikelnummer: EB-0601B23508-2610998575
Netto: 3,63 € zzgl. MwSt.
zzgl. 6,90 € Versand (brutto)
einmalig pro Bestellung

Lieferzeit: 5 Werktage

Pos.
221
BOSCH Druckfeder | Ersatzteile für GCM 12 SD | 2610919077
Hersteller: BOSCH
Artikelnummer: EB-0601B23508-2610919077
Netto: 3,63 € zzgl. MwSt.
zzgl. 6,90 € Versand (brutto)
einmalig pro Bestellung

Lieferzeit: 5 Werktage

Pos.
222
BOSCH Polster | Ersatzteile für GCM 12 SD | 2610919078
Hersteller: BOSCH
Artikelnummer: EB-0601B23508-2610919078
Netto: 3,94 € zzgl. MwSt.
zzgl. 6,90 € Versand (brutto)
einmalig pro Bestellung

Lieferzeit: 5 Werktage

Pos.
223
BOSCH Kugellager | Ersatzteile für GCM 12 SD | 2610919079
Hersteller: BOSCH
Artikelnummer: EB-0601B23508-2610919079
Netto: 15,75 € zzgl. MwSt.
zzgl. 6,90 € Versand (brutto)
einmalig pro Bestellung

Lieferzeit: 5 Werktage

Pos.
224
BOSCH Druckfeder | Ersatzteile für GCM 12 SD | 2610919080
Hersteller: BOSCH
Artikelnummer: EB-0601B23508-2610919080
Netto: 3,63 € zzgl. MwSt.
zzgl. 6,90 € Versand (brutto)
einmalig pro Bestellung

Lieferzeit: 5 Werktage

Pos.
225
BOSCH Haltering | Ersatzteile für GCM 12 SD | 2610358869
Hersteller: BOSCH
Artikelnummer: EB-0601B23508-2610358869
Netto: 3,94 € zzgl. MwSt.
zzgl. 6,90 € Versand (brutto)
einmalig pro Bestellung

Lieferzeit: 5 Werktage

Pos.
228
BOSCH Schraube | Ersatzteile für GCM 12 SD | 2610358928
Hersteller: BOSCH
Artikelnummer: EB-0601B23508-2610358928
nur Informationsartikel
Nie mehr lieferbar
keine Alternativen
Pos.
229
BOSCH Einsatz | Ersatzteile für GCM 12 SD | 2610911569
Hersteller: BOSCH
Artikelnummer: EB-0601B23508-2610911569
Netto: 4,53 € zzgl. MwSt.
zzgl. 6,90 € Versand (brutto)
einmalig pro Bestellung

Lieferzeit: 5 Werktage

Pos.
230
BOSCH Mutter | Ersatzteile für GCM 12 SD | 2610327868
Hersteller: BOSCH
Artikelnummer: EB-0601B23508-2610327868
Netto: 3,63 € zzgl. MwSt.
zzgl. 6,90 € Versand (brutto)
einmalig pro Bestellung

Lieferzeit: 5 Werktage

Pos.
232
BOSCH Schraube | Ersatzteile für GCM 12 SD | 2610911929
Hersteller: BOSCH
Artikelnummer: EB-0601B23508-2610911929
Netto: 3,63 € zzgl. MwSt.
zzgl. 6,90 € Versand (brutto)
einmalig pro Bestellung

Lieferzeit: 5 Werktage

Pos.
233
BOSCH Scheibe | Ersatzteile für GCM 12 SD | 2610911450
Hersteller: BOSCH
Artikelnummer: EB-0601B23508-2610911450
Netto: 3,63 € zzgl. MwSt.
zzgl. 6,90 € Versand (brutto)
einmalig pro Bestellung

Lieferzeit: 5 Werktage

Pos.
234
BOSCH Lagerdeckel | Ersatzteile für GCM 12 SD | 2610911566
Hersteller: BOSCH
Artikelnummer: EB-0601B23508-2610911566
Netto: 4,82 € zzgl. MwSt.
zzgl. 6,90 € Versand (brutto)
einmalig pro Bestellung

Lieferzeit: 5 Werktage

Pos.
235
BOSCH Schraube | Ersatzteile für GCM 12 SD | 2610318812
Hersteller: BOSCH
Artikelnummer: EB-0601B23508-2610318812
Netto: 4,82 € zzgl. MwSt.
zzgl. 6,90 € Versand (brutto)
einmalig pro Bestellung

Lieferzeit: 5 Werktage

Pos.
236
BOSCH Haltering | Ersatzteile für GCM 12 SD | 2610919083
Hersteller: BOSCH
Artikelnummer: EB-0601B23508-2610919083
Netto: 3,63 € zzgl. MwSt.
zzgl. 6,90 € Versand (brutto)
einmalig pro Bestellung

Lieferzeit: 5 Werktage

Pos.
237
BOSCH Schraube | Ersatzteile für GCM 12 SD | 2610919084
Hersteller: BOSCH
Artikelnummer: EB-0601B23508-2610919084
Netto: 4,53 € zzgl. MwSt.
zzgl. 6,90 € Versand (brutto)
einmalig pro Bestellung

Lieferzeit: 5 Werktage

Pos.
238
BOSCH Schraube | Ersatzteile für GCM 12 SD | 2610320330
Hersteller: BOSCH
Artikelnummer: EB-0601B23508-2610320330
Netto: 3,63 € zzgl. MwSt.
zzgl. 6,90 € Versand (brutto)
einmalig pro Bestellung

Lieferzeit: 5 Werktage

Pos.
239
BOSCH Druckfeder | Ersatzteile für GCM 12 SD | 2610919085
Hersteller: BOSCH
Artikelnummer: EB-0601B23508-2610919085
Netto: 3,63 € zzgl. MwSt.
zzgl. 6,90 € Versand (brutto)
einmalig pro Bestellung

Lieferzeit: 5 Werktage

Pos.
240
BOSCH Schraube | Ersatzteile für GCM 12 SD | 2610915162
Hersteller: BOSCH
Artikelnummer: EB-0601B23508-2610915162
Netto: 3,63 € zzgl. MwSt.
zzgl. 6,90 € Versand (brutto)
einmalig pro Bestellung

Lieferzeit: 5 Werktage

Pos.
241
BOSCH Sechskantschraube | Ersatzteile für GCM 12 SD | 2610351178
Hersteller: BOSCH
Artikelnummer: EB-0601B23508-2610351178
Netto: 3,63 € zzgl. MwSt.
zzgl. 6,90 € Versand (brutto)
einmalig pro Bestellung

Lieferzeit: 5 Werktage

Pos.
242
BOSCH Schraube | Ersatzteile für GCM 12 SD | 2610914401
Hersteller: BOSCH
Artikelnummer: EB-0601B23508-2610914401
Netto: 3,60 € zzgl. MwSt.
zzgl. 6,90 € Versand (brutto)
einmalig pro Bestellung

Lieferzeit: 5 Werktage

Pos.
243
BOSCH Stift | Ersatzteile für GCM 12 SD | 2610919086
Hersteller: BOSCH
Artikelnummer: EB-0601B23508-2610919086
Netto: 4,32 € zzgl. MwSt.
zzgl. 6,90 € Versand (brutto)
einmalig pro Bestellung

Lieferzeit: 5 Werktage

Pos.
244
BOSCH Gewindestift | Ersatzteile für GCM 12 SD | 2610919087
Hersteller: BOSCH
Artikelnummer: EB-0601B23508-2610919087
Netto: 4,32 € zzgl. MwSt.
zzgl. 6,90 € Versand (brutto)
einmalig pro Bestellung

Lieferzeit: 5 Werktage

Pos.
245
BOSCH Schraube | Ersatzteile für GCM 12 SD | 2610358519
Hersteller: BOSCH
Artikelnummer: EB-0601B23508-2610358519
Netto: 3,63 € zzgl. MwSt.
zzgl. 6,90 € Versand (brutto)
einmalig pro Bestellung

Lieferzeit: 5 Werktage

Pos.
246
BOSCH Sechskantmutter | Ersatzteile für GCM 12 SD | 2610358521
Hersteller: BOSCH
Artikelnummer: EB-0601B23508-2610358521
Netto: 3,94 € zzgl. MwSt.
zzgl. 6,90 € Versand (brutto)
einmalig pro Bestellung

Lieferzeit: 5 Werktage

Pos.
247
BOSCH Anschlagplatte | Ersatzteile für GCM 12 SD | 2610916061
Hersteller: BOSCH
Artikelnummer: EB-0601B23508-2610916061
Netto: 6,15 € zzgl. MwSt.
zzgl. 6,90 € Versand (brutto)
einmalig pro Bestellung

Lieferzeit: 5 Werktage

Pos.
249
BOSCH Einstellschlüssel | Ersatzteile für GCM 12 SD | 2610917658
Hersteller: BOSCH
Artikelnummer: EB-0601B23508-2610917658
Netto: 9,18 € zzgl. MwSt.
zzgl. 6,90 € Versand (brutto)
einmalig pro Bestellung

Lieferzeit: 5 Werktage

Pos.
250
BOSCH Staubbehaelter | Ersatzteile für GCM 12 SD | 2610917670
Hersteller: BOSCH
Artikelnummer: EB-0601B23508-2610917670
Netto: 24,13 € zzgl. MwSt.
zzgl. 6,90 € Versand (brutto)
einmalig pro Bestellung

Lieferzeit: 5 Werktage

Pos.
251
BOSCH Absaugrohr | Ersatzteile für GCM 12 SD | 2610919088
Hersteller: BOSCH
Artikelnummer: EB-0601B23508-2610919088
Netto: 8,33 € zzgl. MwSt.
zzgl. 6,90 € Versand (brutto)
einmalig pro Bestellung

Lieferzeit: 5 Werktage

Pos.
252
BOSCH Schnellspannvorrichtung | Ersatzteile für GCM 12 SD | 2610919089
Hersteller: BOSCH
Artikelnummer: EB-0601B23508-2610919089
nur Informationsartikel
Nie mehr lieferbar
keine Alternativen
Pos.
253
BOSCH Etikett | Ersatzteile für GCM 12 SD | 1609902276
Hersteller: BOSCH
Artikelnummer: EB-0601B23508-1609902276
Netto: 5,19 € zzgl. MwSt.
zzgl. 6,90 € Versand (brutto)
einmalig pro Bestellung

Lieferzeit: 5 Werktage

Pos.
254
BOSCH Warnschild | Ersatzteile für GCM 12 SD | 2610911658
Hersteller: BOSCH
Artikelnummer: EB-0601B23508-2610911658
Netto: 3,94 € zzgl. MwSt.
zzgl. 6,90 € Versand (brutto)
einmalig pro Bestellung

Lieferzeit: 5 Werktage

Pos.
226
BOSCH Gerätekappe | Ersatzteile für GCM 12 SD | 1609902487
Hersteller: BOSCH
Artikelnummer: EB-0601B23508-1609902487
Netto: 3,63 € zzgl. MwSt.
zzgl. 6,90 € Versand (brutto)
einmalig pro Bestellung

Lieferzeit: 5 Werktage

Pos.
259
BOSCH Etikett | Ersatzteile für GCM 12 SD | 1609902492
Hersteller: BOSCH
Artikelnummer: EB-0601B23508-1609902492
Netto: 5,67 € zzgl. MwSt.
zzgl. 6,90 € Versand (brutto)
einmalig pro Bestellung

Lieferzeit: 5 Werktage

Pos.
260
BOSCH Tube | Ersatzteile für GCM 12 SD | 2610919090
Hersteller: BOSCH
Artikelnummer: EB-0601B23508-2610919090
Netto: 16,31 € zzgl. MwSt.
zzgl. 6,90 € Versand (brutto)
einmalig pro Bestellung

Lieferzeit: 5 Werktage

Pos.
261
BOSCH Unterlegscheibe | Ersatzteile für GCM 12 SD | 2610308959
Hersteller: BOSCH
Artikelnummer: EB-0601B23508-2610308959
Netto: 5,67 € zzgl. MwSt.
zzgl. 6,90 € Versand (brutto)
einmalig pro Bestellung

Lieferzeit: 5 Werktage

Pos.
262
BOSCH Verbinder | Ersatzteile für GCM 12 SD | 2610911933
Hersteller: BOSCH
Artikelnummer: EB-0601B23508-2610911933
Netto: 3,63 € zzgl. MwSt.
zzgl. 6,90 € Versand (brutto)
einmalig pro Bestellung

Lieferzeit: 5 Werktage

Pos.
231
BOSCH Pvc-Rohr | Ersatzteile für GCM 12 SD | 1609902277
Hersteller: BOSCH
Artikelnummer: EB-0601B23508-1609902277
nur Informationsartikel
Nie mehr lieferbar
keine Alternativen
Pos.
266
BOSCH Mutter | Ersatzteile für GCM 12 SD | 2610910791
Hersteller: BOSCH
Artikelnummer: EB-0601B23508-2610910791
Netto: 5,19 € zzgl. MwSt.
zzgl. 6,90 € Versand (brutto)
einmalig pro Bestellung

Lieferzeit: 5 Werktage

Pos.
267
BOSCH Scheibe | Ersatzteile für GCM 12 SD | 2610910792
Hersteller: BOSCH
Artikelnummer: EB-0601B23508-2610910792
Netto: 3,63 € zzgl. MwSt.
zzgl. 6,90 € Versand (brutto)
einmalig pro Bestellung

Lieferzeit: 5 Werktage

Pos.
268
BOSCH Unterlegscheibe | Ersatzteile für GCM 12 SD | 2610068894
Hersteller: BOSCH
Artikelnummer: EB-0601B23508-2610068894
Netto: 3,94 € zzgl. MwSt.
zzgl. 6,90 € Versand (brutto)
einmalig pro Bestellung

Lieferzeit: 5 Werktage

Pos.
289
BOSCH Schraube | Ersatzteile für GCM 12 SD | 1609902260
Hersteller: BOSCH
Artikelnummer: EB-0601B23508-1609902260
Netto: 3,94 € zzgl. MwSt.
zzgl. 6,90 € Versand (brutto)
einmalig pro Bestellung

Lieferzeit: 5 Werktage

Pos.
255
BOSCH Etikett | Ersatzteile für GCM 12 SD | 1609902490
Hersteller: BOSCH
Artikelnummer: EB-0601B23508-1609902490
Netto: 5,19 € zzgl. MwSt.
zzgl. 6,90 € Versand (brutto)
einmalig pro Bestellung

Lieferzeit: 5 Werktage

Pos.
256
BOSCH Etikett | Ersatzteile für GCM 12 SD | 1609902491
Hersteller: BOSCH
Artikelnummer: EB-0601B23508-1609902491
Netto: 5,19 € zzgl. MwSt.
zzgl. 6,90 € Versand (brutto)
einmalig pro Bestellung

Lieferzeit: 5 Werktage

Pos.
258
BOSCH Etikett | Ersatzteile für GCM 12 SD | 1609902280
Hersteller: BOSCH
Artikelnummer: EB-0601B23508-1609902280
Netto: 4,32 € zzgl. MwSt.
zzgl. 6,90 € Versand (brutto)
einmalig pro Bestellung

Lieferzeit: 5 Werktage

Pos.
263
BOSCH Kabel | Ersatzteile für GCM 12 SD | 1609902283
Hersteller: BOSCH
Artikelnummer: EB-0601B23508-1609902283
Netto: 10,47 € zzgl. MwSt.
zzgl. 6,90 € Versand (brutto)
einmalig pro Bestellung

Lieferzeit: 5 Werktage

Pos.
264
BOSCH Kabel | Ersatzteile für GCM 12 SD | 1609902284
Hersteller: BOSCH
Artikelnummer: EB-0601B23508-1609902284
Netto: 10,92 € zzgl. MwSt.
zzgl. 6,90 € Versand (brutto)
einmalig pro Bestellung

Lieferzeit: 5 Werktage

Pos.
300
BOSCH Befestigungsschelle | Ersatzteile für GCM 12 SD | 2610911878
Hersteller: BOSCH
Artikelnummer: EB-0601B23508-2610911878
Netto: 3,63 € zzgl. MwSt.
zzgl. 6,90 € Versand (brutto)
einmalig pro Bestellung

Lieferzeit: 5 Werktage

Pos.
265
BOSCH Kabel | Ersatzteile für GCM 12 SD | 1609902285
Hersteller: BOSCH
Artikelnummer: EB-0601B23508-1609902285
nur Informationsartikel
Nie mehr lieferbar
keine Alternativen
Pos.
302
BOSCH Befestigungsschelle | Ersatzteile für GCM 12 SD | 1609902275
Hersteller: BOSCH
Artikelnummer: EB-0601B23508-1609902275
Netto: 3,63 € zzgl. MwSt.
zzgl. 6,90 € Versand (brutto)
einmalig pro Bestellung

Lieferzeit: 5 Werktage

Pos.
270
BOSCH Schutzabdeckung | Ersatzteile für GCM 12 SD | 1609902238
Hersteller: BOSCH
Artikelnummer: EB-0601B23508-1609902238
nur Informationsartikel
Nie mehr lieferbar
keine Alternativen
Pos.
272
BOSCH Schraube | Ersatzteile für GCM 12 SD | 1609902493
Hersteller: BOSCH
Artikelnummer: EB-0601B23508-1609902493
Netto: 3,63 € zzgl. MwSt.
zzgl. 6,90 € Versand (brutto)
einmalig pro Bestellung

Lieferzeit: 5 Werktage

Pos.
273
BOSCH Haltearm | Ersatzteile für GCM 12 SD | 1609902241
Hersteller: BOSCH
Artikelnummer: EB-0601B23508-1609902241
Netto: 3,94 € zzgl. MwSt.
zzgl. 6,90 € Versand (brutto)
einmalig pro Bestellung

Lieferzeit: 5 Werktage

Pos.
311
BOSCH Schraube | Ersatzteile für GCM 12 SD | 1609902311
Hersteller: BOSCH
Artikelnummer: EB-0601B23508-1609902311
Netto: 3,63 € zzgl. MwSt.
zzgl. 6,90 € Versand (brutto)
einmalig pro Bestellung

Lieferzeit: 5 Werktage

Pos.
274
BOSCH Schraube | Ersatzteile für GCM 12 SD | 1619P03785
Hersteller: BOSCH
Artikelnummer: EB-0601B23508-1619P03785
Netto: 3,63 € zzgl. MwSt.
zzgl. 6,90 € Versand (brutto)
einmalig pro Bestellung

Lieferzeit: 5 Werktage

Pos.
275
BOSCH Feder | Ersatzteile für GCM 12 SD | 1609902243
Hersteller: BOSCH
Artikelnummer: EB-0601B23508-1609902243
nur Informationsartikel
Nie mehr lieferbar
keine Alternativen
Pos.
276
BOSCH Hebel | Ersatzteile für GCM 12 SD | 1609902244
Hersteller: BOSCH
Artikelnummer: EB-0601B23508-1609902244
nur Informationsartikel
Nie mehr lieferbar
keine Alternativen
Pos.
314
BOSCH Doppelmaulschlüssel | Ersatzteile für GCM 12 SD | 2610921512
Hersteller: BOSCH
Artikelnummer: EB-0601B23508-2610921512
Netto: 5,67 € zzgl. MwSt.
zzgl. 6,90 € Versand (brutto)
einmalig pro Bestellung

Lieferzeit: 5 Werktage

Pos.
277
BOSCH Welle | Ersatzteile für GCM 12 SD | 1609902245
Hersteller: BOSCH
Artikelnummer: EB-0601B23508-1609902245
Netto: 4,53 € zzgl. MwSt.
zzgl. 6,90 € Versand (brutto)
einmalig pro Bestellung

Lieferzeit: 5 Werktage

Pos.
278
BOSCH Unterlegscheibe | Ersatzteile für GCM 12 SD | 1609902246
Hersteller: BOSCH
Artikelnummer: EB-0601B23508-1609902246
Netto: 3,63 € zzgl. MwSt.
zzgl. 6,90 € Versand (brutto)
einmalig pro Bestellung

Lieferzeit: 5 Werktage

Pos.
279
BOSCH Kabel | Ersatzteile für GCM 12 SD | 1609902286
Hersteller: BOSCH
Artikelnummer: EB-0601B23508-1609902286
nur Informationsartikel
Nie mehr lieferbar
keine Alternativen
Pos.
356
BOSCH Feder | Ersatzteile für GCM 12 SD | 1609902420
Hersteller: BOSCH
Artikelnummer: EB-0601B23508-1609902420
Netto: 3,63 € zzgl. MwSt.
zzgl. 6,90 € Versand (brutto)
einmalig pro Bestellung

Lieferzeit: 5 Werktage

Pos.
280
BOSCH Schraube M 4 length - 20 mm | Ersatzteile für GCM 12 SD | 1609902494
Hersteller: BOSCH
Artikelnummer: EB-0601B23508-1609902494
Netto: 3,94 € zzgl. MwSt.
zzgl. 6,90 € Versand (brutto)
einmalig pro Bestellung

Lieferzeit: 5 Werktage

Pos.
358
BOSCH Schraube | Ersatzteile für GCM 12 SD | 1609902575
Hersteller: BOSCH
Artikelnummer: EB-0601B23508-1609902575
Netto: 3,63 € zzgl. MwSt.
zzgl. 6,90 € Versand (brutto)
einmalig pro Bestellung

Lieferzeit: 5 Werktage

Pos.
281
BOSCH Abdeckkappe | Ersatzteile für GCM 12 SD | 1609902248
Hersteller: BOSCH
Artikelnummer: EB-0601B23508-1609902248
Netto: 4,32 € zzgl. MwSt.
zzgl. 6,90 € Versand (brutto)
einmalig pro Bestellung

Lieferzeit: 5 Werktage

Pos.
670
BOSCH Anschlussstutzen | Ersatzteile für GCM 12 SD | 2610919256
Hersteller: BOSCH
Artikelnummer: EB-0601B23508-2610919256
Netto: 14,36 € zzgl. MwSt.
zzgl. 6,90 € Versand (brutto)
einmalig pro Bestellung

Lieferzeit: 5 Werktage

Pos.
282
BOSCH Schraube M 4 length - 8 mm | Ersatzteile für GCM 12 SD | 1609902495
Hersteller: BOSCH
Artikelnummer: EB-0601B23508-1609902495
Netto: 3,94 € zzgl. MwSt.
zzgl. 6,90 € Versand (brutto)
einmalig pro Bestellung

Lieferzeit: 5 Werktage

Pos.
827
BOSCH Ersatzteilgruppe | Ersatzteile für GCM 12 SD | 1619P03312
Hersteller: BOSCH
Artikelnummer: EB-0601B23508-1619P03312
Netto: 7,76 € zzgl. MwSt.
zzgl. 6,90 € Versand (brutto)
einmalig pro Bestellung

Lieferzeit: 5 Werktage

Pos.
283
BOSCH Hubmagnet | Ersatzteile für GCM 12 SD | 1609902251
Hersteller: BOSCH
Artikelnummer: EB-0601B23508-1609902251
Netto: 26,88 € zzgl. MwSt.
zzgl. 6,90 € Versand (brutto)
einmalig pro Bestellung

Lieferzeit: 5 Werktage

Pos.
869/400
BOSCH Radschutz | Ersatzteile für GCM 12 SD | 2610022557
Hersteller: BOSCH
Artikelnummer: EB-0601B23508-2610022557
nur Informationsartikel
Nie mehr lieferbar
keine Alternativen
Pos.
285
BOSCH Stösselstange | Ersatzteile für GCM 12 SD | 1609902256
Hersteller: BOSCH
Artikelnummer: EB-0601B23508-1609902256
Netto: 9,95 € zzgl. MwSt.
zzgl. 6,90 € Versand (brutto)
einmalig pro Bestellung

Lieferzeit: 5 Werktage

Pos.
286
BOSCH Gehäuse | Ersatzteile für GCM 12 SD | 1609902257
Hersteller: BOSCH
Artikelnummer: EB-0601B23508-1609902257
Netto: 5,67 € zzgl. MwSt.
zzgl. 6,90 € Versand (brutto)
einmalig pro Bestellung

Lieferzeit: 5 Werktage

Pos.
287
BOSCH Schraube | Ersatzteile für GCM 12 SD | 1609902258
Hersteller: BOSCH
Artikelnummer: EB-0601B23508-1609902258
Netto: 3,63 € zzgl. MwSt.
zzgl. 6,90 € Versand (brutto)
einmalig pro Bestellung

Lieferzeit: 5 Werktage

Pos.
288
BOSCH Gehäuseoberteil | Ersatzteile für GCM 12 SD | 1609902259
Hersteller: BOSCH
Artikelnummer: EB-0601B23508-1609902259
Netto: 4,53 € zzgl. MwSt.
zzgl. 6,90 € Versand (brutto)
einmalig pro Bestellung

Lieferzeit: 5 Werktage

Pos.
290
BOSCH Kondensator | Ersatzteile für GCM 12 SD | 1609902262
Hersteller: BOSCH
Artikelnummer: EB-0601B23508-1609902262
Netto: 9,95 € zzgl. MwSt.
zzgl. 6,90 € Versand (brutto)
einmalig pro Bestellung

Lieferzeit: 5 Werktage

Pos.
291
BOSCH Anschlussklotz | Ersatzteile für GCM 12 SD | 1609902263
Hersteller: BOSCH
Artikelnummer: EB-0601B23508-1609902263
nur Informationsartikel
Nie mehr lieferbar
keine Alternativen
Pos.
292
BOSCH Schraube M4 x 10 | Ersatzteile für GCM 12 SD | 1609902496
Hersteller: BOSCH
Artikelnummer: EB-0601B23508-1609902496
Netto: 3,63 € zzgl. MwSt.
zzgl. 6,90 € Versand (brutto)
einmalig pro Bestellung

Lieferzeit: 5 Werktage

Pos.
293
BOSCH Gehäuseunterteil | Ersatzteile für GCM 12 SD | 1609902265
Hersteller: BOSCH
Artikelnummer: EB-0601B23508-1609902265
Netto: 5,19 € zzgl. MwSt.
zzgl. 6,90 € Versand (brutto)
einmalig pro Bestellung

Lieferzeit: 5 Werktage

Pos.
294
BOSCH Ein/Aus-Schalter | Ersatzteile für GCM 12 SD | 1609902266
Hersteller: BOSCH
Artikelnummer: EB-0601B23508-1609902266
Netto: 42,08 € zzgl. MwSt.
zzgl. 6,90 € Versand (brutto)
einmalig pro Bestellung

Lieferzeit: 5 Werktage

Pos.
295
BOSCH Kondensator | Ersatzteile für GCM 12 SD | 1609902268
Hersteller: BOSCH
Artikelnummer: EB-0601B23508-1609902268
Netto: 10,92 € zzgl. MwSt.
zzgl. 6,90 € Versand (brutto)
einmalig pro Bestellung

Lieferzeit: 5 Werktage

Pos.
296
BOSCH Klemme | Ersatzteile für GCM 12 SD | 1609902269
Hersteller: BOSCH
Artikelnummer: EB-0601B23508-1609902269
Netto: 5,67 € zzgl. MwSt.
zzgl. 6,90 € Versand (brutto)
einmalig pro Bestellung

Lieferzeit: 5 Werktage

Pos.
297
BOSCH Stift | Ersatzteile für GCM 12 SD | 1609902270
Hersteller: BOSCH
Artikelnummer: EB-0601B23508-1609902270
Netto: 3,94 € zzgl. MwSt.
zzgl. 6,90 € Versand (brutto)
einmalig pro Bestellung

Lieferzeit: 5 Werktage

Pos.
298
BOSCH Stift | Ersatzteile für GCM 12 SD | 1609902271
Hersteller: BOSCH
Artikelnummer: EB-0601B23508-1609902271
Netto: 3,94 € zzgl. MwSt.
zzgl. 6,90 € Versand (brutto)
einmalig pro Bestellung

Lieferzeit: 5 Werktage

Pos.
299
BOSCH Schraube | Ersatzteile für GCM 12 SD | 1609902273
Hersteller: BOSCH
Artikelnummer: EB-0601B23508-1609902273
Netto: 3,63 € zzgl. MwSt.
zzgl. 6,90 € Versand (brutto)
einmalig pro Bestellung

Lieferzeit: 5 Werktage

Pos.
304
BOSCH Kabel | Ersatzteile für GCM 12 SD | 1609902287
Hersteller: BOSCH
Artikelnummer: EB-0601B23508-1609902287
Netto: 3,94 € zzgl. MwSt.
zzgl. 6,90 € Versand (brutto)
einmalig pro Bestellung

Lieferzeit: 5 Werktage

Pos.
305
BOSCH Schraube | Ersatzteile für GCM 12 SD | 1609902288
Hersteller: BOSCH
Artikelnummer: EB-0601B23508-1609902288
Netto: 3,94 € zzgl. MwSt.
zzgl. 6,90 € Versand (brutto)
einmalig pro Bestellung

Lieferzeit: 5 Werktage

Pos.
306
BOSCH Schraube | Ersatzteile für GCM 12 SD | 1609902289
Hersteller: BOSCH
Artikelnummer: EB-0601B23508-1609902289
Netto: 3,94 € zzgl. MwSt.
zzgl. 6,90 € Versand (brutto)
einmalig pro Bestellung

Lieferzeit: 5 Werktage

Pos.
307
BOSCH Drahtsprengring | Ersatzteile für GCM 12 SD | 1609902296
Hersteller: BOSCH
Artikelnummer: EB-0601B23508-1609902296
Netto: 3,63 € zzgl. MwSt.
zzgl. 6,90 € Versand (brutto)
einmalig pro Bestellung

Lieferzeit: 5 Werktage

Pos.
308
BOSCH Unterlegscheibe | Ersatzteile für GCM 12 SD | 1609902308
Hersteller: BOSCH
Artikelnummer: EB-0601B23508-1609902308
Netto: 3,63 € zzgl. MwSt.
zzgl. 6,90 € Versand (brutto)
einmalig pro Bestellung

Lieferzeit: 5 Werktage

Pos.
309
BOSCH Beilegring | Ersatzteile für GCM 12 SD | 1609902309
Hersteller: BOSCH
Artikelnummer: EB-0601B23508-1609902309
Netto: 4,32 € zzgl. MwSt.
zzgl. 6,90 € Versand (brutto)
einmalig pro Bestellung

Lieferzeit: 5 Werktage

Pos.
310
BOSCH Schraube | Ersatzteile für GCM 12 SD | 1609902310
Hersteller: BOSCH
Artikelnummer: EB-0601B23508-1609902310
Netto: 3,63 € zzgl. MwSt.
zzgl. 6,90 € Versand (brutto)
einmalig pro Bestellung

Lieferzeit: 5 Werktage

Pos.
312
BOSCH Schraube | Ersatzteile für GCM 12 SD | 1609902312
Hersteller: BOSCH
Artikelnummer: EB-0601B23508-1609902312
Netto: 3,63 € zzgl. MwSt.
zzgl. 6,90 € Versand (brutto)
einmalig pro Bestellung

Lieferzeit: 5 Werktage

Pos.
313
BOSCH Gewindestift | Ersatzteile für GCM 12 SD | 1609902313
Hersteller: BOSCH
Artikelnummer: EB-0601B23508-1609902313
Netto: 3,63 € zzgl. MwSt.
zzgl. 6,90 € Versand (brutto)
einmalig pro Bestellung

Lieferzeit: 5 Werktage

Pos.
315
BOSCH Firmenschild | Ersatzteile für GCM 12 SD | 1609902497
Hersteller: BOSCH
Artikelnummer: EB-0601B23508-1609902497
Netto: 5,19 € zzgl. MwSt.
zzgl. 6,90 € Versand (brutto)
einmalig pro Bestellung

Lieferzeit: 5 Werktage

Pos.
317
BOSCH Unterlegscheibe | Ersatzteile für GCM 12 SD | 1609902378
Hersteller: BOSCH
Artikelnummer: EB-0601B23508-1609902378
nur Informationsartikel
Nie mehr lieferbar
keine Alternativen
Pos.
318
BOSCH Schraube | Ersatzteile für GCM 12 SD | 1609902399
Hersteller: BOSCH
Artikelnummer: EB-0601B23508-1609902399
nur Informationsartikel
Nie mehr lieferbar
keine Alternativen
Pos.
869
BOSCH Ersatzteilsatz | Ersatzteile für GCM 12 SD | 2610022556
Hersteller: BOSCH
Artikelnummer: EB-0601B23508-2610022556
nur Informationsartikel
Nie mehr lieferbar
keine Alternativen

Angaben zur Produktsicherheit

Hersteller:
Robert Bosch Power Tools GmbH
Postfach 30 02 20
70442 Stuttgart

E-Mail:
kontakt@bosch.de