BOSCH: Versand-Pause / Inventur von 05.12.2025 - 15.12.2025 - es erfolgt kein Versand in dieser Zeit. Bitte addieren Sie das Zeitfenster zu der angegebenen Lieferzeit im Artikel.
BOSCH Zeiger | Ersatzteile für GCM 18V-07S | 1609B07399

Artikelnummer: EB-3601M46010-1609B07399

Position: 36

Marke: BOSCH


Bitte Kompatibilität prüfen!

Bitte prüfen Sie unbedingt die 10-stellige Typennummer Ihrer Maschine / Ihres Gerätes. Das Ersatzteil ist nur kompatibel, wenn Sie die Typennummer Ihrer Maschine in der unten stehenden Produktbeschreibung finden.

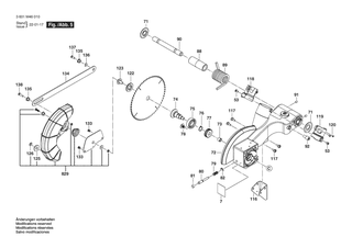
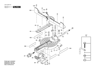
Bitte prüfen Sie ebenfalls detailliert die Explosionszeichnung mit Ihrem Artikelwunsch und der jeweiligen Pos-Nummer.

Alle Elemente, welche vom schwarzen Strich der Pos-Nummer ausgehend berührt / erfasst werden, gehören zu dieser Pos-Nummer und somit zu diesem Artikel. Jede Pos-Nummer ist ein eigenständiger Artikel, welchen Sie in der Auflistung finden.

Sie erhalten stets die aktuellste, neueste Produktversion zu der gewählten Pos-Nummer seitens des Herstellers. Es kann daher je nach Gerätealter vorkommen, dass Sie ggf. weitere, zugehörige Elemente, welche an diese Pos-Nummer grenzen, ebenfalls mittauschen müssen.

Nähere Informationen finden Sie unter dem Link
Hinweise zu Ihrer BOSCH Ersatzteilsuche

Preisübersicht

Einzelpreis: 3,94 €* (Brutto: 4,69 €)
Gesamtpreis: 3,94 €* 
Position:

Lieferzeit: 5 Werktage


Beschreibung

  • Zeiger
  • Original Bosch Zubehör / BOSCH Ersatzteil (1609B07399)
  • im Gerät verbaut: 1
Dieses BOSCH Ersatzteil ist mit folgendem Gerät und Modell kompatibel:
  • BOSCH Gerätename: GCM 18V-07S
  • BOSCH Explosionszeichnung: Position 36
  • BOSCH Typennummer: 3601M46010
  • BOSCH Typennummer alternative Schreibweisen: 3 601 M46 010, 3601 M46 010, 3.601.M46.010, 3-601-M46-010
    Bitte prüfen Sie diese Typennummer auf Ihrem Gerät um die Kompatibilität des BOSCH Ersatzteils zu gewährleisten.
Weitere BOSCH Ersatzteile des Gerätes GCM 18V-07S (Kapp-/Gehrungssäge) mit der Typennummer 3601M46010 finden Sie in der nachfolgenden Darstellung und im Dropdown zu Ihrer Auswahl:

Pos.
1
BOSCH Rotor | Ersatzteile für GCM 18V-07S | 1600A023K3
Hersteller: BOSCH
Artikelnummer: EB-3601M46010-1600A023K3
Netto: 35,13 € zzgl. MwSt.
zzgl. 6,90 € Versand (brutto)
einmalig pro Bestellung

Lieferzeit: 5 Werktage

Pos.
2
BOSCH Stator | Ersatzteile für GCM 18V-07S | 1600A026W6
Hersteller: BOSCH
Artikelnummer: EB-3601M46010-1600A026W6
Netto: 42,08 € zzgl. MwSt.
zzgl. 6,90 € Versand (brutto)
einmalig pro Bestellung

Lieferzeit: 5 Werktage

Pos.
3
BOSCH Motorgehäuse | Ersatzteile für GCM 18V-07S | 1609B07428
Hersteller: BOSCH
Artikelnummer: EB-3601M46010-1609B07428
Netto: 6,27 € zzgl. MwSt.
zzgl. 6,90 € Versand (brutto)
einmalig pro Bestellung

Lieferzeit: 5 Werktage

Pos.
4
BOSCH Elektronikmodul | Ersatzteile für GCM 18V-07S | 16072335NG
Hersteller: BOSCH
Artikelnummer: EB-3601M46010-16072335NG
Netto: 116,63 € zzgl. MwSt.
zzgl. 6,90 € Versand (brutto)
einmalig pro Bestellung

Lieferzeit: 5 Werktage

Pos.
5
BOSCH Schalter | Ersatzteile für GCM 18V-07S | 2607202554
Hersteller: BOSCH
Artikelnummer: EB-3601M46010-2607202554
Netto: 13,81 € zzgl. MwSt.
zzgl. 6,90 € Versand (brutto)
einmalig pro Bestellung

Lieferzeit: 5 Werktage

Pos.
6
BOSCH Batteriehalter | Ersatzteile für GCM 18V-07S | 1600A026SD
Hersteller: BOSCH
Artikelnummer: EB-3601M46010-1600A026SD
Netto: 15,15 € zzgl. MwSt.
zzgl. 6,90 € Versand (brutto)
einmalig pro Bestellung

Lieferzeit: 5 Werktage

Pos.
7
BOSCH Typschild | Ersatzteile für GCM 18V-07S | 1609B07459
Hersteller: BOSCH
Artikelnummer: EB-3601M46010-1609B07459
Netto: 4,56 € zzgl. MwSt.
zzgl. 6,90 € Versand (brutto)
einmalig pro Bestellung

Lieferzeit: 5 Werktage

Pos.
8
BOSCH Sockel | Ersatzteile für GCM 18V-07S | 1609B07383
Hersteller: BOSCH
Artikelnummer: EB-3601M46010-1609B07383
Netto: 91,88 € zzgl. MwSt.
zzgl. 6,90 € Versand (brutto)
einmalig pro Bestellung

Lieferzeit: 5 Werktage

Pos.
9
BOSCH Skale | Ersatzteile für GCM 18V-07S | 1609B07384
Hersteller: BOSCH
Artikelnummer: EB-3601M46010-1609B07384
Netto: 12,50 € zzgl. MwSt.
zzgl. 6,90 € Versand (brutto)
einmalig pro Bestellung

Lieferzeit: 5 Werktage

Pos.
10
BOSCH Schraube | Ersatzteile für GCM 18V-07S | 1609B07385
Hersteller: BOSCH
Artikelnummer: EB-3601M46010-1609B07385
Netto: 3,60 € zzgl. MwSt.
zzgl. 6,90 € Versand (brutto)
einmalig pro Bestellung

Lieferzeit: 5 Werktage

Pos.
11
BOSCH Tülle | Ersatzteile für GCM 18V-07S | 1609B07145
Hersteller: BOSCH
Artikelnummer: EB-3601M46010-1609B07145
Netto: 3,60 € zzgl. MwSt.
zzgl. 6,90 € Versand (brutto)
einmalig pro Bestellung

Lieferzeit: 5 Werktage

Pos.
12
BOSCH Steckschlüsseleinsatz | Ersatzteile für GCM 18V-07S | 1609B07146
Hersteller: BOSCH
Artikelnummer: EB-3601M46010-1609B07146
Netto: 5,17 € zzgl. MwSt.
zzgl. 6,90 € Versand (brutto)
einmalig pro Bestellung

Lieferzeit: 5 Werktage

Pos.
13
BOSCH Gummibuchse | Ersatzteile für GCM 18V-07S | 2610358846
Hersteller: BOSCH
Artikelnummer: EB-3601M46010-2610358846
Netto: 3,94 € zzgl. MwSt.
zzgl. 6,90 € Versand (brutto)
einmalig pro Bestellung

Lieferzeit: 5 Werktage

Pos.
14
BOSCH Sägetisch | Ersatzteile für GCM 18V-07S | 1609B07387
Hersteller: BOSCH
Artikelnummer: EB-3601M46010-1609B07387
Netto: 74,05 € zzgl. MwSt.
zzgl. 6,90 € Versand (brutto)
einmalig pro Bestellung

Lieferzeit: 5 Werktage

Pos.
15
BOSCH Fingerwelle | Ersatzteile für GCM 18V-07S | 1609B07388
Hersteller: BOSCH
Artikelnummer: EB-3601M46010-1609B07388
Netto: 5,65 € zzgl. MwSt.
zzgl. 6,90 € Versand (brutto)
einmalig pro Bestellung

Lieferzeit: 5 Werktage

Pos.
16
BOSCH Gewindestange | Ersatzteile für GCM 18V-07S | 1609B07337
Hersteller: BOSCH
Artikelnummer: EB-3601M46010-1609B07337
Netto: 4,36 € zzgl. MwSt.
zzgl. 6,90 € Versand (brutto)
einmalig pro Bestellung

Lieferzeit: 5 Werktage

Pos.
17
BOSCH Gewindestift | Ersatzteile für GCM 18V-07S | 1609B07389
Hersteller: BOSCH
Artikelnummer: EB-3601M46010-1609B07389
Netto: 3,60 € zzgl. MwSt.
zzgl. 6,90 € Versand (brutto)
einmalig pro Bestellung

Lieferzeit: 5 Werktage

Pos.
18
BOSCH Gleitstange | Ersatzteile für GCM 18V-07S | 1609B07390
Hersteller: BOSCH
Artikelnummer: EB-3601M46010-1609B07390
Netto: 3,94 € zzgl. MwSt.
zzgl. 6,90 € Versand (brutto)
einmalig pro Bestellung

Lieferzeit: 5 Werktage

Pos.
19
BOSCH Blattfeder | Ersatzteile für GCM 18V-07S | 1609B07391
Hersteller: BOSCH
Artikelnummer: EB-3601M46010-1609B07391
Netto: 3,60 € zzgl. MwSt.
zzgl. 6,90 € Versand (brutto)
einmalig pro Bestellung

Lieferzeit: 5 Werktage

Pos.
20
BOSCH Führungsbügel | Ersatzteile für GCM 18V-07S | 1609B07157
Hersteller: BOSCH
Artikelnummer: EB-3601M46010-1609B07157
Netto: 3,60 € zzgl. MwSt.
zzgl. 6,90 € Versand (brutto)
einmalig pro Bestellung

Lieferzeit: 5 Werktage

Pos.
21
BOSCH Schraube | Ersatzteile für GCM 18V-07S | 1609B07392
Hersteller: BOSCH
Artikelnummer: EB-3601M46010-1609B07392
Netto: 3,60 € zzgl. MwSt.
zzgl. 6,90 € Versand (brutto)
einmalig pro Bestellung

Lieferzeit: 5 Werktage

Pos.
22
BOSCH Druckfeder | Ersatzteile für GCM 18V-07S | 1609B07393
Hersteller: BOSCH
Artikelnummer: EB-3601M46010-1609B07393
Netto: 5,17 € zzgl. MwSt.
zzgl. 6,90 € Versand (brutto)
einmalig pro Bestellung

Lieferzeit: 5 Werktage

Pos.
23
BOSCH Schraube | Ersatzteile für GCM 18V-07S | 1609B07166
Hersteller: BOSCH
Artikelnummer: EB-3601M46010-1609B07166
Netto: 3,60 € zzgl. MwSt.
zzgl. 6,90 € Versand (brutto)
einmalig pro Bestellung

Lieferzeit: 5 Werktage

Pos.
24
BOSCH Sperrhebel | Ersatzteile für GCM 18V-07S | 1609B07394
Hersteller: BOSCH
Artikelnummer: EB-3601M46010-1609B07394
Netto: 4,36 € zzgl. MwSt.
zzgl. 6,90 € Versand (brutto)
einmalig pro Bestellung

Lieferzeit: 5 Werktage

Pos.
25
BOSCH Steckerstift | Ersatzteile für GCM 18V-07S | 1609B07395
Hersteller: BOSCH
Artikelnummer: EB-3601M46010-1609B07395
Netto: 3,60 € zzgl. MwSt.
zzgl. 6,90 € Versand (brutto)
einmalig pro Bestellung

Lieferzeit: 5 Werktage

Pos.
26
BOSCH Schraube | Ersatzteile für GCM 18V-07S | 1609B07155
Hersteller: BOSCH
Artikelnummer: EB-3601M46010-1609B07155
Netto: 3,60 € zzgl. MwSt.
zzgl. 6,90 € Versand (brutto)
einmalig pro Bestellung

Lieferzeit: 5 Werktage

Pos.
27
BOSCH Verschlussbuegel | Ersatzteile für GCM 18V-07S | 1609B07396
Hersteller: BOSCH
Artikelnummer: EB-3601M46010-1609B07396
Netto: 5,65 € zzgl. MwSt.
zzgl. 6,90 € Versand (brutto)
einmalig pro Bestellung

Lieferzeit: 5 Werktage

Pos.
28
BOSCH Ansatzschraube | Ersatzteile für GCM 18V-07S | 1609B07185
Hersteller: BOSCH
Artikelnummer: EB-3601M46010-1609B07185
Netto: 3,60 € zzgl. MwSt.
zzgl. 6,90 € Versand (brutto)
einmalig pro Bestellung

Lieferzeit: 5 Werktage

Pos.
29
BOSCH Mutter | Ersatzteile für GCM 18V-07S | 1609B07186
Hersteller: BOSCH
Artikelnummer: EB-3601M46010-1609B07186
Netto: 3,60 € zzgl. MwSt.
zzgl. 6,90 € Versand (brutto)
einmalig pro Bestellung

Lieferzeit: 5 Werktage

Pos.
30
BOSCH Bügelfeder | Ersatzteile für GCM 18V-07S | 1609B07281
Hersteller: BOSCH
Artikelnummer: EB-3601M46010-1609B07281
Netto: 3,60 € zzgl. MwSt.
zzgl. 6,90 € Versand (brutto)
einmalig pro Bestellung

Lieferzeit: 5 Werktage

Pos.
31
BOSCH Kugel | Ersatzteile für GCM 18V-07S | 1609B07282
Hersteller: BOSCH
Artikelnummer: EB-3601M46010-1609B07282
Netto: 3,60 € zzgl. MwSt.
zzgl. 6,90 € Versand (brutto)
einmalig pro Bestellung

Lieferzeit: 5 Werktage

Pos.
32
BOSCH Revolverkopf | Ersatzteile für GCM 18V-07S | 1609B07398
Hersteller: BOSCH
Artikelnummer: EB-3601M46010-1609B07398
Netto: 6,27 € zzgl. MwSt.
zzgl. 6,90 € Versand (brutto)
einmalig pro Bestellung

Lieferzeit: 5 Werktage

Pos.
33
BOSCH Unterlegscheibe | Ersatzteile für GCM 18V-07S | 1609B07284
Hersteller: BOSCH
Artikelnummer: EB-3601M46010-1609B07284
Netto: 3,60 € zzgl. MwSt.
zzgl. 6,90 € Versand (brutto)
einmalig pro Bestellung

Lieferzeit: 5 Werktage

Pos.
34
BOSCH Wellenfeder | Ersatzteile für GCM 18V-07S | 1609B07285
Hersteller: BOSCH
Artikelnummer: EB-3601M46010-1609B07285
Netto: 3,60 € zzgl. MwSt.
zzgl. 6,90 € Versand (brutto)
einmalig pro Bestellung

Lieferzeit: 5 Werktage

Pos.
35
BOSCH Blechschraube | Ersatzteile für GCM 18V-07S | 1609B07286
Hersteller: BOSCH
Artikelnummer: EB-3601M46010-1609B07286
Netto: 3,94 € zzgl. MwSt.
zzgl. 6,90 € Versand (brutto)
einmalig pro Bestellung

Lieferzeit: 5 Werktage

Pos.
36
BOSCH Zeiger | Ersatzteile für GCM 18V-07S | 1609B07399
Hersteller: BOSCH
Artikelnummer: EB-3601M46010-1609B07399
Netto: 3,94 € zzgl. MwSt.
zzgl. 6,90 € Versand (brutto)
einmalig pro Bestellung

Lieferzeit: 5 Werktage

Pos.
37
BOSCH Schraube | Ersatzteile für GCM 18V-07S | 1609B07197
Hersteller: BOSCH
Artikelnummer: EB-3601M46010-1609B07197
Netto: 3,60 € zzgl. MwSt.
zzgl. 6,90 € Versand (brutto)
einmalig pro Bestellung

Lieferzeit: 5 Werktage

Pos.
38
BOSCH Verschleissplatte | Ersatzteile für GCM 18V-07S | 1609B07400
Hersteller: BOSCH
Artikelnummer: EB-3601M46010-1609B07400
Netto: 4,36 € zzgl. MwSt.
zzgl. 6,90 € Versand (brutto)
einmalig pro Bestellung

Lieferzeit: 5 Werktage

Pos.
39
BOSCH Bolzen | Ersatzteile für GCM 18V-07S | 1609B07171
Hersteller: BOSCH
Artikelnummer: EB-3601M46010-1609B07171
Netto: 3,60 € zzgl. MwSt.
zzgl. 6,90 € Versand (brutto)
einmalig pro Bestellung

Lieferzeit: 5 Werktage

Pos.
40
BOSCH Unterlegscheibe | Ersatzteile für GCM 18V-07S | 1609B07172
Hersteller: BOSCH
Artikelnummer: EB-3601M46010-1609B07172
Netto: 3,60 € zzgl. MwSt.
zzgl. 6,90 € Versand (brutto)
einmalig pro Bestellung

Lieferzeit: 5 Werktage

Pos.
41
BOSCH Mutter | Ersatzteile für GCM 18V-07S | 1609B07173
Hersteller: BOSCH
Artikelnummer: EB-3601M46010-1609B07173
Netto: 3,60 € zzgl. MwSt.
zzgl. 6,90 € Versand (brutto)
einmalig pro Bestellung

Lieferzeit: 5 Werktage

Pos.
42
BOSCH Stützplatte | Ersatzteile für GCM 18V-07S | 1609B07401
Hersteller: BOSCH
Artikelnummer: EB-3601M46010-1609B07401
Netto: 4,56 € zzgl. MwSt.
zzgl. 6,90 € Versand (brutto)
einmalig pro Bestellung

Lieferzeit: 5 Werktage

Pos.
43
BOSCH Schraube | Ersatzteile für GCM 18V-07S | 1609B07160
Hersteller: BOSCH
Artikelnummer: EB-3601M46010-1609B07160
Netto: 3,60 € zzgl. MwSt.
zzgl. 6,90 € Versand (brutto)
einmalig pro Bestellung

Lieferzeit: 5 Werktage

Pos.
44
BOSCH Joch | Ersatzteile für GCM 18V-07S | 1609B07402
Hersteller: BOSCH
Artikelnummer: EB-3601M46010-1609B07402
Netto: 28,93 € zzgl. MwSt.
zzgl. 6,90 € Versand (brutto)
einmalig pro Bestellung

Lieferzeit: 5 Werktage

Pos.
45
BOSCH Schiene | Ersatzteile für GCM 18V-07S | 1609B07403
Hersteller: BOSCH
Artikelnummer: EB-3601M46010-1609B07403
Netto: 16,70 € zzgl. MwSt.
zzgl. 6,90 € Versand (brutto)
einmalig pro Bestellung

Lieferzeit: 5 Werktage

Pos.
46
BOSCH Schiene | Ersatzteile für GCM 18V-07S | 1609B07404
Hersteller: BOSCH
Artikelnummer: EB-3601M46010-1609B07404
Netto: 16,70 € zzgl. MwSt.
zzgl. 6,90 € Versand (brutto)
einmalig pro Bestellung

Lieferzeit: 5 Werktage

Pos.
47
BOSCH Pfosten | Ersatzteile für GCM 18V-07S | 1609B07405
Hersteller: BOSCH
Artikelnummer: EB-3601M46010-1609B07405
Netto: 46,22 € zzgl. MwSt.
zzgl. 6,90 € Versand (brutto)
einmalig pro Bestellung

Lieferzeit: 5 Werktage

Pos.
48
BOSCH Lager | Ersatzteile für GCM 18V-07S | 1609B07406
Hersteller: BOSCH
Artikelnummer: EB-3601M46010-1609B07406
Netto: 9,75 € zzgl. MwSt.
zzgl. 6,90 € Versand (brutto)
einmalig pro Bestellung

Lieferzeit: 5 Werktage

Pos.
49
BOSCH Skale | Ersatzteile für GCM 18V-07S | 1609B07407
Hersteller: BOSCH
Artikelnummer: EB-3601M46010-1609B07407
Netto: 3,94 € zzgl. MwSt.
zzgl. 6,90 € Versand (brutto)
einmalig pro Bestellung

Lieferzeit: 5 Werktage

Pos.
50
BOSCH Unterlegscheibe | Ersatzteile für GCM 18V-07S | 1609B07408
Hersteller: BOSCH
Artikelnummer: EB-3601M46010-1609B07408
Netto: 3,60 € zzgl. MwSt.
zzgl. 6,90 € Versand (brutto)
einmalig pro Bestellung

Lieferzeit: 5 Werktage

Pos.
51
BOSCH Filz | Ersatzteile für GCM 18V-07S | 1609B07409
Hersteller: BOSCH
Artikelnummer: EB-3601M46010-1609B07409
Netto: 3,94 € zzgl. MwSt.
zzgl. 6,90 € Versand (brutto)
einmalig pro Bestellung

Lieferzeit: 5 Werktage

Pos.
52
BOSCH Aufspannplatte | Ersatzteile für GCM 18V-07S | 1609B07410
Hersteller: BOSCH
Artikelnummer: EB-3601M46010-1609B07410
Netto: 3,94 € zzgl. MwSt.
zzgl. 6,90 € Versand (brutto)
einmalig pro Bestellung

Lieferzeit: 5 Werktage

Pos.
53
BOSCH Schraube | Ersatzteile für GCM 18V-07S | 1609B07269
Hersteller: BOSCH
Artikelnummer: EB-3601M46010-1609B07269
Netto: 3,60 € zzgl. MwSt.
zzgl. 6,90 € Versand (brutto)
einmalig pro Bestellung

Lieferzeit: 5 Werktage

Pos.
54
BOSCH Stützwinkel | Ersatzteile für GCM 18V-07S | 1609B07411
Hersteller: BOSCH
Artikelnummer: EB-3601M46010-1609B07411
Netto: 4,36 € zzgl. MwSt.
zzgl. 6,90 € Versand (brutto)
einmalig pro Bestellung

Lieferzeit: 5 Werktage

Pos.
55
BOSCH Scharnier | Ersatzteile für GCM 18V-07S | 1609B07412
Hersteller: BOSCH
Artikelnummer: EB-3601M46010-1609B07412
Netto: 13,81 € zzgl. MwSt.
zzgl. 6,90 € Versand (brutto)
einmalig pro Bestellung

Lieferzeit: 5 Werktage

Pos.
56
BOSCH Profilschiene | Ersatzteile für GCM 18V-07S | 2610950110
Hersteller: BOSCH
Artikelnummer: EB-3601M46010-2610950110
Netto: 3,62 € zzgl. MwSt.
zzgl. 6,90 € Versand (brutto)
einmalig pro Bestellung

Lieferzeit: 5 Werktage

Pos.
57
BOSCH Gewindestift | Ersatzteile für GCM 18V-07S | 1609B07413
Hersteller: BOSCH
Artikelnummer: EB-3601M46010-1609B07413
Netto: 3,60 € zzgl. MwSt.
zzgl. 6,90 € Versand (brutto)
einmalig pro Bestellung

Lieferzeit: 5 Werktage

Pos.
58
BOSCH Knopf | Ersatzteile für GCM 18V-07S | 1609B07202
Hersteller: BOSCH
Artikelnummer: EB-3601M46010-1609B07202
Netto: 7,66 € zzgl. MwSt.
zzgl. 6,90 € Versand (brutto)
einmalig pro Bestellung

Lieferzeit: 5 Werktage

Pos.
59
BOSCH Feder | Ersatzteile für GCM 18V-07S | 2610911582
Hersteller: BOSCH
Artikelnummer: EB-3601M46010-2610911582
Netto: 3,60 € zzgl. MwSt.
zzgl. 6,90 € Versand (brutto)
einmalig pro Bestellung

Lieferzeit: 5 Werktage

Pos.
60
BOSCH Gummi-Ohrkissen | Ersatzteile für GCM 18V-07S | 2610911584
Hersteller: BOSCH
Artikelnummer: EB-3601M46010-2610911584
Netto: 3,60 € zzgl. MwSt.
zzgl. 6,90 € Versand (brutto)
einmalig pro Bestellung

Lieferzeit: 5 Werktage

Pos.
61
BOSCH Unterlegscheibe | Ersatzteile für GCM 18V-07S | 1609B07415
Hersteller: BOSCH
Artikelnummer: EB-3601M46010-1609B07415
Netto: 3,60 € zzgl. MwSt.
zzgl. 6,90 € Versand (brutto)
einmalig pro Bestellung

Lieferzeit: 5 Werktage

Pos.
62
BOSCH Unterlegscheibe | Ersatzteile für GCM 18V-07S | 1609B07416
Hersteller: BOSCH
Artikelnummer: EB-3601M46010-1609B07416
Netto: 3,60 € zzgl. MwSt.
zzgl. 6,90 € Versand (brutto)
einmalig pro Bestellung

Lieferzeit: 5 Werktage

Pos.
63
BOSCH Sicherungsmutter | Ersatzteile für GCM 18V-07S | 2610911886
Hersteller: BOSCH
Artikelnummer: EB-3601M46010-2610911886
Netto: 3,60 € zzgl. MwSt.
zzgl. 6,90 € Versand (brutto)
einmalig pro Bestellung

Lieferzeit: 5 Werktage

Pos.
64
BOSCH Unterlegscheibe | Ersatzteile für GCM 18V-07S | 2610912587
Hersteller: BOSCH
Artikelnummer: EB-3601M46010-2610912587
Netto: 3,60 € zzgl. MwSt.
zzgl. 6,90 € Versand (brutto)
einmalig pro Bestellung

Lieferzeit: 5 Werktage

Pos.
65
BOSCH Griffleiste | Ersatzteile für GCM 18V-07S | 1609B07289
Hersteller: BOSCH
Artikelnummer: EB-3601M46010-1609B07289
Netto: 7,66 € zzgl. MwSt.
zzgl. 6,90 € Versand (brutto)
einmalig pro Bestellung

Lieferzeit: 5 Werktage

Pos.
66
BOSCH Zeiger | Ersatzteile für GCM 18V-07S | 1609B07418
Hersteller: BOSCH
Artikelnummer: EB-3601M46010-1609B07418
Netto: 3,94 € zzgl. MwSt.
zzgl. 6,90 € Versand (brutto)
einmalig pro Bestellung

Lieferzeit: 5 Werktage

Pos.
67
BOSCH Schraube | Ersatzteile für GCM 18V-07S | 1609B07419
Hersteller: BOSCH
Artikelnummer: EB-3601M46010-1609B07419
Netto: 3,60 € zzgl. MwSt.
zzgl. 6,90 € Versand (brutto)
einmalig pro Bestellung

Lieferzeit: 5 Werktage

Pos.
68
BOSCH Rastbolzen | Ersatzteile für GCM 18V-07S | 1609B07208
Hersteller: BOSCH
Artikelnummer: EB-3601M46010-1609B07208
Netto: 4,56 € zzgl. MwSt.
zzgl. 6,90 € Versand (brutto)
einmalig pro Bestellung

Lieferzeit: 5 Werktage

Pos.
69
BOSCH O-Ring | Ersatzteile für GCM 18V-07S | 1609B07209
Hersteller: BOSCH
Artikelnummer: EB-3601M46010-1609B07209
Netto: 3,60 € zzgl. MwSt.
zzgl. 6,90 € Versand (brutto)
einmalig pro Bestellung

Lieferzeit: 5 Werktage

Pos.
70
BOSCH Sprengring | Ersatzteile für GCM 18V-07S | 1609B07210
Hersteller: BOSCH
Artikelnummer: EB-3601M46010-1609B07210
Netto: 3,60 € zzgl. MwSt.
zzgl. 6,90 € Versand (brutto)
einmalig pro Bestellung

Lieferzeit: 5 Werktage

Pos.
71
BOSCH Verschleissplatte | Ersatzteile für GCM 18V-07S | 1609B07211
Hersteller: BOSCH
Artikelnummer: EB-3601M46010-1609B07211
Netto: 3,94 € zzgl. MwSt.
zzgl. 6,90 € Versand (brutto)
einmalig pro Bestellung

Lieferzeit: 5 Werktage

Pos.
72
BOSCH Berührungsschutz | Ersatzteile für GCM 18V-07S | 1609B07420
Hersteller: BOSCH
Artikelnummer: EB-3601M46010-1609B07420
Netto: 67,29 € zzgl. MwSt.
zzgl. 6,90 € Versand (brutto)
einmalig pro Bestellung

Lieferzeit: 5 Werktage

Pos.
73
BOSCH Nadelhülse | Ersatzteile für GCM 18V-07S | 1609B07233
Hersteller: BOSCH
Artikelnummer: EB-3601M46010-1609B07233
Netto: 2,71 € zzgl. MwSt.
zzgl. 6,90 € Versand (brutto)
einmalig pro Bestellung

Lieferzeit: 5 Werktage

Pos.
74
BOSCH Ritzelwelle | Ersatzteile für GCM 18V-07S | 1609B07421
Hersteller: BOSCH
Artikelnummer: EB-3601M46010-1609B07421
Netto: 9,05 € zzgl. MwSt.
zzgl. 6,90 € Versand (brutto)
einmalig pro Bestellung

Lieferzeit: 5 Werktage

Pos.
75
BOSCH Kugellager | Ersatzteile für GCM 18V-07S | 1609B07422
Hersteller: BOSCH
Artikelnummer: EB-3601M46010-1609B07422
Netto: 6,27 € zzgl. MwSt.
zzgl. 6,90 € Versand (brutto)
einmalig pro Bestellung

Lieferzeit: 5 Werktage

Pos.
76
BOSCH Sprengring | Ersatzteile für GCM 18V-07S | 1609B07353
Hersteller: BOSCH
Artikelnummer: EB-3601M46010-1609B07353
Netto: 3,60 € zzgl. MwSt.
zzgl. 6,90 € Versand (brutto)
einmalig pro Bestellung

Lieferzeit: 5 Werktage

Pos.
77
BOSCH Getriebe | Ersatzteile für GCM 18V-07S | 1609B07423
Hersteller: BOSCH
Artikelnummer: EB-3601M46010-1609B07423
Netto: 13,81 € zzgl. MwSt.
zzgl. 6,90 € Versand (brutto)
einmalig pro Bestellung

Lieferzeit: 5 Werktage

Pos.
78
BOSCH Schraube | Ersatzteile für GCM 18V-07S | 2610911923
Hersteller: BOSCH
Artikelnummer: EB-3601M46010-2610911923
Netto: 4,36 € zzgl. MwSt.
zzgl. 6,90 € Versand (brutto)
einmalig pro Bestellung

Lieferzeit: 5 Werktage

Pos.
79
BOSCH Bügelfeder | Ersatzteile für GCM 18V-07S | 1609B07425
Hersteller: BOSCH
Artikelnummer: EB-3601M46010-1609B07425
Netto: 3,60 € zzgl. MwSt.
zzgl. 6,90 € Versand (brutto)
einmalig pro Bestellung

Lieferzeit: 5 Werktage

Pos.
80
BOSCH Steckerstift | Ersatzteile für GCM 18V-07S | 1609B07426
Hersteller: BOSCH
Artikelnummer: EB-3601M46010-1609B07426
Netto: 3,94 € zzgl. MwSt.
zzgl. 6,90 € Versand (brutto)
einmalig pro Bestellung

Lieferzeit: 5 Werktage

Pos.
81
BOSCH Taste | Ersatzteile für GCM 18V-07S | 1609B07241
Hersteller: BOSCH
Artikelnummer: EB-3601M46010-1609B07241
Netto: 3,60 € zzgl. MwSt.
zzgl. 6,90 € Versand (brutto)
einmalig pro Bestellung

Lieferzeit: 5 Werktage

Pos.
82
BOSCH Sicherungsring | Ersatzteile für GCM 18V-07S | 2610015031
Hersteller: BOSCH
Artikelnummer: EB-3601M46010-2610015031
Netto: 3,60 € zzgl. MwSt.
zzgl. 6,90 € Versand (brutto)
einmalig pro Bestellung

Lieferzeit: 5 Werktage

Pos.
83
BOSCH Kugellager | Ersatzteile für GCM 18V-07S | 1609B07427
Hersteller: BOSCH
Artikelnummer: EB-3601M46010-1609B07427
Netto: 5,65 € zzgl. MwSt.
zzgl. 6,90 € Versand (brutto)
einmalig pro Bestellung

Lieferzeit: 5 Werktage

Pos.
84
BOSCH Unterlegscheibe | Ersatzteile für GCM 18V-07S | 1609B07195
Hersteller: BOSCH
Artikelnummer: EB-3601M46010-1609B07195
Netto: 0,75 € zzgl. MwSt.
zzgl. 6,90 € Versand (brutto)
einmalig pro Bestellung

Lieferzeit: 5 Werktage

Pos.
85
BOSCH Schraube | Ersatzteile für GCM 18V-07S | 1609B07429
Hersteller: BOSCH
Artikelnummer: EB-3601M46010-1609B07429
Netto: 3,60 € zzgl. MwSt.
zzgl. 6,90 € Versand (brutto)
einmalig pro Bestellung

Lieferzeit: 5 Werktage

Pos.
86
BOSCH Schallwand | Ersatzteile für GCM 18V-07S | 1609B07430
Hersteller: BOSCH
Artikelnummer: EB-3601M46010-1609B07430
Netto: 3,94 € zzgl. MwSt.
zzgl. 6,90 € Versand (brutto)
einmalig pro Bestellung

Lieferzeit: 5 Werktage

Pos.
87
BOSCH Schraube | Ersatzteile für GCM 18V-07S | 1609B07263
Hersteller: BOSCH
Artikelnummer: EB-3601M46010-1609B07263
Netto: 3,60 € zzgl. MwSt.
zzgl. 6,90 € Versand (brutto)
einmalig pro Bestellung

Lieferzeit: 5 Werktage

Pos.
88
BOSCH Distanzstück | Ersatzteile für GCM 18V-07S | 1609B07444
Hersteller: BOSCH
Artikelnummer: EB-3601M46010-1609B07444
Netto: 4,36 € zzgl. MwSt.
zzgl. 6,90 € Versand (brutto)
einmalig pro Bestellung

Lieferzeit: 5 Werktage

Pos.
89
BOSCH Drehfeder | Ersatzteile für GCM 18V-07S | 1609B07445
Hersteller: BOSCH
Artikelnummer: EB-3601M46010-1609B07445
Netto: 10,62 € zzgl. MwSt.
zzgl. 6,90 € Versand (brutto)
einmalig pro Bestellung

Lieferzeit: 5 Werktage

Pos.
90
BOSCH Gelenkbolzen | Ersatzteile für GCM 18V-07S | 1609B07446
Hersteller: BOSCH
Artikelnummer: EB-3601M46010-1609B07446
Netto: 6,27 € zzgl. MwSt.
zzgl. 6,90 € Versand (brutto)
einmalig pro Bestellung

Lieferzeit: 5 Werktage

Pos.
91
BOSCH Gewindestift | Ersatzteile für GCM 18V-07S | 1609B07447
Hersteller: BOSCH
Artikelnummer: EB-3601M46010-1609B07447
Netto: 3,60 € zzgl. MwSt.
zzgl. 6,90 € Versand (brutto)
einmalig pro Bestellung

Lieferzeit: 5 Werktage

Pos.
92
BOSCH Schraube | Ersatzteile für GCM 18V-07S | 1609B07280
Hersteller: BOSCH
Artikelnummer: EB-3601M46010-1609B07280
Netto: 3,94 € zzgl. MwSt.
zzgl. 6,90 € Versand (brutto)
einmalig pro Bestellung

Lieferzeit: 5 Werktage

Pos.
94
BOSCH Taste | Ersatzteile für GCM 18V-07S | 1609B07251
Hersteller: BOSCH
Artikelnummer: EB-3601M46010-1609B07251
Netto: 3,94 € zzgl. MwSt.
zzgl. 6,90 € Versand (brutto)
einmalig pro Bestellung

Lieferzeit: 5 Werktage

Pos.
95
BOSCH Bügelfeder | Ersatzteile für GCM 18V-07S | 1609B07252
Hersteller: BOSCH
Artikelnummer: EB-3601M46010-1609B07252
Netto: 3,60 € zzgl. MwSt.
zzgl. 6,90 € Versand (brutto)
einmalig pro Bestellung

Lieferzeit: 5 Werktage

Pos.
96
BOSCH Stützwinkel | Ersatzteile für GCM 18V-07S | 1609B07253
Hersteller: BOSCH
Artikelnummer: EB-3601M46010-1609B07253
Netto: 3,94 € zzgl. MwSt.
zzgl. 6,90 € Versand (brutto)
einmalig pro Bestellung

Lieferzeit: 5 Werktage

Pos.
97
BOSCH Schraube | Ersatzteile für GCM 18V-07S | 1609B07254
Hersteller: BOSCH
Artikelnummer: EB-3601M46010-1609B07254
Netto: 3,60 € zzgl. MwSt.
zzgl. 6,90 € Versand (brutto)
einmalig pro Bestellung

Lieferzeit: 5 Werktage

Pos.
98
BOSCH Auslöser | Ersatzteile für GCM 18V-07S | 1609B07255
Hersteller: BOSCH
Artikelnummer: EB-3601M46010-1609B07255
Netto: 1,18 € zzgl. MwSt.
zzgl. 6,90 € Versand (brutto)
einmalig pro Bestellung

Lieferzeit: 5 Werktage

Pos.
99
BOSCH Batteriehalter | Ersatzteile für GCM 18V-07S | 1609B07432
Hersteller: BOSCH
Artikelnummer: EB-3601M46010-1609B07432
Netto: 4,36 € zzgl. MwSt.
zzgl. 6,90 € Versand (brutto)
einmalig pro Bestellung

Lieferzeit: 5 Werktage

Pos.
100
BOSCH Bügelfeder | Ersatzteile für GCM 18V-07S | 1609B07248
Hersteller: BOSCH
Artikelnummer: EB-3601M46010-1609B07248
Netto: 3,60 € zzgl. MwSt.
zzgl. 6,90 € Versand (brutto)
einmalig pro Bestellung

Lieferzeit: 5 Werktage

Pos.
101
BOSCH LED-Modul | Ersatzteile für GCM 18V-07S | 1609B07358
Hersteller: BOSCH
Artikelnummer: EB-3601M46010-1609B07358
Netto: 9,75 € zzgl. MwSt.
zzgl. 6,90 € Versand (brutto)
einmalig pro Bestellung

Lieferzeit: 5 Werktage

Pos.
102
BOSCH Objektiv | Ersatzteile für GCM 18V-07S | 1609B07433
Hersteller: BOSCH
Artikelnummer: EB-3601M46010-1609B07433
Netto: 3,94 € zzgl. MwSt.
zzgl. 6,90 € Versand (brutto)
einmalig pro Bestellung

Lieferzeit: 5 Werktage

Pos.
103
BOSCH Gehäusedeckel | Ersatzteile für GCM 18V-07S | 1609B07434
Hersteller: BOSCH
Artikelnummer: EB-3601M46010-1609B07434
Netto: 3,60 € zzgl. MwSt.
zzgl. 6,90 € Versand (brutto)
einmalig pro Bestellung

Lieferzeit: 5 Werktage

Pos.
104
BOSCH Gehäusedeckel | Ersatzteile für GCM 18V-07S | 1609B07435
Hersteller: BOSCH
Artikelnummer: EB-3601M46010-1609B07435
Netto: 6,27 € zzgl. MwSt.
zzgl. 6,90 € Versand (brutto)
einmalig pro Bestellung

Lieferzeit: 5 Werktage

Pos.
105
BOSCH Blechschraube | Ersatzteile für GCM 18V-07S | 1609B07436
Hersteller: BOSCH
Artikelnummer: EB-3601M46010-1609B07436
Netto: 3,60 € zzgl. MwSt.
zzgl. 6,90 € Versand (brutto)
einmalig pro Bestellung

Lieferzeit: 5 Werktage

Pos.
106
BOSCH Blechschraube | Ersatzteile für GCM 18V-07S | 1609B07437
Hersteller: BOSCH
Artikelnummer: EB-3601M46010-1609B07437
Netto: 3,60 € zzgl. MwSt.
zzgl. 6,90 € Versand (brutto)
einmalig pro Bestellung

Lieferzeit: 5 Werktage

Pos.
108
BOSCH Blechschraube | Ersatzteile für GCM 18V-07S | 1609B07438
Hersteller: BOSCH
Artikelnummer: EB-3601M46010-1609B07438
Netto: 3,94 € zzgl. MwSt.
zzgl. 6,90 € Versand (brutto)
einmalig pro Bestellung

Lieferzeit: 5 Werktage

Pos.
109
BOSCH Schraube | Ersatzteile für GCM 18V-07S | 1609B07249
Hersteller: BOSCH
Artikelnummer: EB-3601M46010-1609B07249
Netto: 3,60 € zzgl. MwSt.
zzgl. 6,90 € Versand (brutto)
einmalig pro Bestellung

Lieferzeit: 5 Werktage

Pos.
111
BOSCH Blechschraube | Ersatzteile für GCM 18V-07S | 1609B07257
Hersteller: BOSCH
Artikelnummer: EB-3601M46010-1609B07257
Netto: 0,75 € zzgl. MwSt.
zzgl. 6,90 € Versand (brutto)
einmalig pro Bestellung

Lieferzeit: 5 Werktage

Pos.
112
BOSCH Schraube | Ersatzteile für GCM 18V-07S | 1609B07366
Hersteller: BOSCH
Artikelnummer: EB-3601M46010-1609B07366
Netto: 3,60 € zzgl. MwSt.
zzgl. 6,90 € Versand (brutto)
einmalig pro Bestellung

Lieferzeit: 5 Werktage

Pos.
113
BOSCH Blechschraube | Ersatzteile für GCM 18V-07S | 1609B07440
Hersteller: BOSCH
Artikelnummer: EB-3601M46010-1609B07440
Netto: 3,60 € zzgl. MwSt.
zzgl. 6,90 € Versand (brutto)
einmalig pro Bestellung

Lieferzeit: 5 Werktage

Pos.
114
BOSCH Traggriff | Ersatzteile für GCM 18V-07S | 1609B07441
Hersteller: BOSCH
Artikelnummer: EB-3601M46010-1609B07441
Netto: 8,23 € zzgl. MwSt.
zzgl. 6,90 € Versand (brutto)
einmalig pro Bestellung

Lieferzeit: 5 Werktage

Pos.
115
BOSCH Schraube | Ersatzteile für GCM 18V-07S | 1609B07300
Hersteller: BOSCH
Artikelnummer: EB-3601M46010-1609B07300
Netto: 3,60 € zzgl. MwSt.
zzgl. 6,90 € Versand (brutto)
einmalig pro Bestellung

Lieferzeit: 5 Werktage

Pos.
116
BOSCH Staubabsaugung | Ersatzteile für GCM 18V-07S | 1609B07443
Hersteller: BOSCH
Artikelnummer: EB-3601M46010-1609B07443
Netto: 5,17 € zzgl. MwSt.
zzgl. 6,90 € Versand (brutto)
einmalig pro Bestellung

Lieferzeit: 5 Werktage

Pos.
117
BOSCH Schraube | Ersatzteile für GCM 18V-07S | 1609B07503
Hersteller: BOSCH
Artikelnummer: EB-3601M46010-1609B07503
Netto: 3,94 € zzgl. MwSt.
zzgl. 6,90 € Versand (brutto)
einmalig pro Bestellung

Lieferzeit: 5 Werktage

Pos.
118
BOSCH Staubabsaugung | Ersatzteile für GCM 18V-07S | 1609B07267
Hersteller: BOSCH
Artikelnummer: EB-3601M46010-1609B07267
Netto: 3,94 € zzgl. MwSt.
zzgl. 6,90 € Versand (brutto)
einmalig pro Bestellung

Lieferzeit: 5 Werktage

Pos.
119
BOSCH Staubabsaugung | Ersatzteile für GCM 18V-07S | 1609B07268
Hersteller: BOSCH
Artikelnummer: EB-3601M46010-1609B07268
Netto: 3,94 € zzgl. MwSt.
zzgl. 6,90 € Versand (brutto)
einmalig pro Bestellung

Lieferzeit: 5 Werktage

Pos.
120
BOSCH Rastniet | Ersatzteile für GCM 18V-07S | 1609B07270
Hersteller: BOSCH
Artikelnummer: EB-3601M46010-1609B07270
Netto: 3,60 € zzgl. MwSt.
zzgl. 6,90 € Versand (brutto)
einmalig pro Bestellung

Lieferzeit: 5 Werktage

Pos.
122
BOSCH Flansch | Ersatzteile für GCM 18V-07S | 1609B07448
Hersteller: BOSCH
Artikelnummer: EB-3601M46010-1609B07448
Netto: 6,27 € zzgl. MwSt.
zzgl. 6,90 € Versand (brutto)
einmalig pro Bestellung

Lieferzeit: 5 Werktage

Pos.
123
BOSCH Flanschbolzen | Ersatzteile für GCM 18V-07S | 1609B07449
Hersteller: BOSCH
Artikelnummer: EB-3601M46010-1609B07449
Netto: 3,94 € zzgl. MwSt.
zzgl. 6,90 € Versand (brutto)
einmalig pro Bestellung

Lieferzeit: 5 Werktage

Pos.
125
BOSCH Laufrolle | Ersatzteile für GCM 18V-07S | 2610915724
Hersteller: BOSCH
Artikelnummer: EB-3601M46010-2610915724
Netto: 4,36 € zzgl. MwSt.
zzgl. 6,90 € Versand (brutto)
einmalig pro Bestellung

Lieferzeit: 5 Werktage

Pos.
126
BOSCH Sprengring | Ersatzteile für GCM 18V-07S | 1609B07316
Hersteller: BOSCH
Artikelnummer: EB-3601M46010-1609B07316
Netto: 3,60 € zzgl. MwSt.
zzgl. 6,90 € Versand (brutto)
einmalig pro Bestellung

Lieferzeit: 5 Werktage

Pos.
133
BOSCH Schraube | Ersatzteile für GCM 18V-07S | 1609B07454
Hersteller: BOSCH
Artikelnummer: EB-3601M46010-1609B07454
Netto: 3,60 € zzgl. MwSt.
zzgl. 6,90 € Versand (brutto)
einmalig pro Bestellung

Lieferzeit: 5 Werktage

Pos.
134
BOSCH Gestänge | Ersatzteile für GCM 18V-07S | 1609B07455
Hersteller: BOSCH
Artikelnummer: EB-3601M46010-1609B07455
Netto: 5,17 € zzgl. MwSt.
zzgl. 6,90 € Versand (brutto)
einmalig pro Bestellung

Lieferzeit: 5 Werktage

Pos.
135
BOSCH Lagerbuchse | Ersatzteile für GCM 18V-07S | 1609B07312
Hersteller: BOSCH
Artikelnummer: EB-3601M46010-1609B07312
nur Informationsartikel
Nie mehr lieferbar
keine Alternativen
Pos.
136
BOSCH Wellenfeder | Ersatzteile für GCM 18V-07S | 1609B07319
Hersteller: BOSCH
Artikelnummer: EB-3601M46010-1609B07319
Netto: 3,60 € zzgl. MwSt.
zzgl. 6,90 € Versand (brutto)
einmalig pro Bestellung

Lieferzeit: 5 Werktage

Pos.
137
BOSCH Schraube | Ersatzteile für GCM 18V-07S | 1609B07321
Hersteller: BOSCH
Artikelnummer: EB-3601M46010-1609B07321
Netto: 3,60 € zzgl. MwSt.
zzgl. 6,90 € Versand (brutto)
einmalig pro Bestellung

Lieferzeit: 5 Werktage

Pos.
138
BOSCH Schraube | Ersatzteile für GCM 18V-07S | 1609B07243
Hersteller: BOSCH
Artikelnummer: EB-3601M46010-1609B07243
Netto: 3,60 € zzgl. MwSt.
zzgl. 6,90 € Versand (brutto)
einmalig pro Bestellung

Lieferzeit: 5 Werktage

Pos.
139
BOSCH Gehrungslineal | Ersatzteile für GCM 18V-07S | 1609B07456
Hersteller: BOSCH
Artikelnummer: EB-3601M46010-1609B07456
Netto: 42,08 € zzgl. MwSt.
zzgl. 6,90 € Versand (brutto)
einmalig pro Bestellung

Lieferzeit: 5 Werktage

Pos.
140
BOSCH Platte | Ersatzteile für GCM 18V-07S | 1609B07505
Hersteller: BOSCH
Artikelnummer: EB-3601M46010-1609B07505
Netto: 3,60 € zzgl. MwSt.
zzgl. 6,90 € Versand (brutto)
einmalig pro Bestellung

Lieferzeit: 5 Werktage

Pos.
141
BOSCH Schraube | Ersatzteile für GCM 18V-07S | 1609B07141
Hersteller: BOSCH
Artikelnummer: EB-3601M46010-1609B07141
Netto: 3,60 € zzgl. MwSt.
zzgl. 6,90 € Versand (brutto)
einmalig pro Bestellung

Lieferzeit: 5 Werktage

Pos.
142
BOSCH Schraube | Ersatzteile für GCM 18V-07S | 1609B07457
Hersteller: BOSCH
Artikelnummer: EB-3601M46010-1609B07457
Netto: 3,60 € zzgl. MwSt.
zzgl. 6,90 € Versand (brutto)
einmalig pro Bestellung

Lieferzeit: 5 Werktage

Pos.
143
BOSCH Staubbeutel | Ersatzteile für GCM 18V-07S | 1609B07323
Hersteller: BOSCH
Artikelnummer: EB-3601M46010-1609B07323
Netto: 10,62 € zzgl. MwSt.
zzgl. 6,90 € Versand (brutto)
einmalig pro Bestellung

Lieferzeit: 5 Werktage

Pos.
147
BOSCH Klemmschelle | Ersatzteile für GCM 18V-07S | 1609B07458
Hersteller: BOSCH
Artikelnummer: EB-3601M46010-1609B07458
Netto: 15,15 € zzgl. MwSt.
zzgl. 6,90 € Versand (brutto)
einmalig pro Bestellung

Lieferzeit: 5 Werktage

Pos.
154
BOSCH Warnzettel | Ersatzteile für GCM 18V-07S | 1609B07325
Hersteller: BOSCH
Artikelnummer: EB-3601M46010-1609B07325
Netto: 3,60 € zzgl. MwSt.
zzgl. 6,90 € Versand (brutto)
einmalig pro Bestellung

Lieferzeit: 5 Werktage

Pos.
155
BOSCH Warnzettel | Ersatzteile für GCM 18V-07S | 1609B07476
Hersteller: BOSCH
Artikelnummer: EB-3601M46010-1609B07476
Netto: 3,60 € zzgl. MwSt.
zzgl. 6,90 € Versand (brutto)
einmalig pro Bestellung

Lieferzeit: 5 Werktage

Pos.
156
BOSCH Warnzettel | Ersatzteile für GCM 18V-07S | 1609B07477
Hersteller: BOSCH
Artikelnummer: EB-3601M46010-1609B07477
Netto: 3,60 € zzgl. MwSt.
zzgl. 6,90 € Versand (brutto)
einmalig pro Bestellung

Lieferzeit: 5 Werktage

Pos.
157
BOSCH Warnzettel | Ersatzteile für GCM 18V-07S | 1609B07516
Hersteller: BOSCH
Artikelnummer: EB-3601M46010-1609B07516
Netto: 3,94 € zzgl. MwSt.
zzgl. 6,90 € Versand (brutto)
einmalig pro Bestellung

Lieferzeit: 5 Werktage

Pos.
158
BOSCH Warnzettel | Ersatzteile für GCM 18V-07S | 1609B07484
Hersteller: BOSCH
Artikelnummer: EB-3601M46010-1609B07484
Netto: 3,60 € zzgl. MwSt.
zzgl. 6,90 € Versand (brutto)
einmalig pro Bestellung

Lieferzeit: 5 Werktage

Pos.
159
BOSCH Warnzettel | Ersatzteile für GCM 18V-07S | 1609B07517
Hersteller: BOSCH
Artikelnummer: EB-3601M46010-1609B07517
Netto: 4,56 € zzgl. MwSt.
zzgl. 6,90 € Versand (brutto)
einmalig pro Bestellung

Lieferzeit: 5 Werktage

Pos.
160
BOSCH Warnzettel | Ersatzteile für GCM 18V-07S | 1609B07518
Hersteller: BOSCH
Artikelnummer: EB-3601M46010-1609B07518
Netto: 4,56 € zzgl. MwSt.
zzgl. 6,90 € Versand (brutto)
einmalig pro Bestellung

Lieferzeit: 5 Werktage

Pos.
161
BOSCH Warnzettel | Ersatzteile für GCM 18V-07S | 1609B07519
Hersteller: BOSCH
Artikelnummer: EB-3601M46010-1609B07519
Netto: 4,56 € zzgl. MwSt.
zzgl. 6,90 € Versand (brutto)
einmalig pro Bestellung

Lieferzeit: 5 Werktage

Pos.
162
BOSCH Warnzettel | Ersatzteile für GCM 18V-07S | 1609B07522
Hersteller: BOSCH
Artikelnummer: EB-3601M46010-1609B07522
Netto: 4,56 € zzgl. MwSt.
zzgl. 6,90 € Versand (brutto)
einmalig pro Bestellung

Lieferzeit: 5 Werktage

Pos.
163
BOSCH Warnzettel | Ersatzteile für GCM 18V-07S | 1609B07523
Hersteller: BOSCH
Artikelnummer: EB-3601M46010-1609B07523
Netto: 4,56 € zzgl. MwSt.
zzgl. 6,90 € Versand (brutto)
einmalig pro Bestellung

Lieferzeit: 5 Werktage

Pos.
164
BOSCH Schraube | Ersatzteile für GCM 18V-07S | 1609B07488
Hersteller: BOSCH
Artikelnummer: EB-3601M46010-1609B07488
Netto: 3,60 € zzgl. MwSt.
zzgl. 6,90 € Versand (brutto)
einmalig pro Bestellung

Lieferzeit: 5 Werktage

Pos.
829
BOSCH Schutzunterteil | Ersatzteile für GCM 18V-07S | 1607000EG6
Hersteller: BOSCH
Artikelnummer: EB-3601M46010-1607000EG6
Netto: 15,15 € zzgl. MwSt.
zzgl. 6,90 € Versand (brutto)
einmalig pro Bestellung

Lieferzeit: 5 Werktage

Pos.
887
BOSCH Schaltergriff | Ersatzteile für GCM 18V-07S | 1607000EG9
Hersteller: BOSCH
Artikelnummer: EB-3601M46010-1607000EG9
Netto: 15,15 € zzgl. MwSt.
zzgl. 6,90 € Versand (brutto)
einmalig pro Bestellung

Lieferzeit: 5 Werktage

Angaben zur Produktsicherheit

Hersteller:
Robert Bosch Power Tools GmbH
Postfach 30 02 20
70442 Stuttgart

E-Mail:
kontakt@bosch.de