BOSCH Kabelsatz | Ersatzteile für GCM 18V-216 | 1609B06832

Artikelnummer: EB-3601M41040-1609B06832

Position: 242

Marke: BOSCH


Bitte Kompatibilität prüfen!

Bitte prüfen Sie unbedingt die 10-stellige Typennummer Ihrer Maschine / Ihres Gerätes. Das Ersatzteil ist nur kompatibel, wenn Sie die Typennummer Ihrer Maschine in der unten stehenden Produktbeschreibung finden.

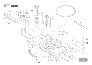
Bitte prüfen Sie ebenfalls detailliert die Explosionszeichnung mit Ihrem Artikelwunsch und der jeweiligen Pos-Nummer.

Alle Elemente, welche vom schwarzen Strich der Pos-Nummer ausgehend berührt / erfasst werden, gehören zu dieser Pos-Nummer und somit zu diesem Artikel. Jede Pos-Nummer ist ein eigenständiger Artikel, welchen Sie in der Auflistung finden.

Sie erhalten stets die aktuellste, neueste Produktversion zu der gewählten Pos-Nummer seitens des Herstellers. Es kann daher je nach Gerätealter vorkommen, dass Sie ggf. weitere, zugehörige Elemente, welche an diese Pos-Nummer grenzen, ebenfalls mittauschen müssen.

Nähere Informationen finden Sie unter dem Link
Hinweise zu Ihrer BOSCH Ersatzteilsuche

Preisübersicht

Einzelpreis: 18,86 €* (Brutto: 22,44 €)
Gesamtpreis: 18,86 €* 
Position:

Lieferzeit: 5 Werktage


Beschreibung

  • Kabelsatz
  • Original Bosch Zubehör / BOSCH Ersatzteil (1609B06832)
  • im Gerät verbaut: 1
Dieses BOSCH Ersatzteil ist mit folgendem Gerät und Modell kompatibel:
  • BOSCH Gerätename: GCM 18V-216
  • BOSCH Explosionszeichnung: Position 242
  • BOSCH Typennummer: 3601M41040
  • BOSCH Typennummer alternative Schreibweisen: 3 601 M41 040, 3601 M41 040, 3.601.M41.040, 3-601-M41-040
    Bitte prüfen Sie diese Typennummer auf Ihrem Gerät um die Kompatibilität des BOSCH Ersatzteils zu gewährleisten.
Weitere BOSCH Ersatzteile des Gerätes GCM 18V-216 (Kapp-/Gehrungssäge) mit der Typennummer 3601M41040 finden Sie in der nachfolgenden Darstellung und im Dropdown zu Ihrer Auswahl:

Pos.
2
BOSCH Gleichstrommotor | Ersatzteile für GCM 18V-216 | 160702266T
Hersteller: BOSCH
Artikelnummer: EB-3601M41040-160702266T
Netto: 116,63 € zzgl. MwSt.
zzgl. 6,90 € Versand (brutto)
einmalig pro Bestellung

Lieferzeit: 5 Werktage

Pos.
4
BOSCH Schalter | Ersatzteile für GCM 18V-216 | 2607202382
Hersteller: BOSCH
Artikelnummer: EB-3601M41040-2607202382
Netto: 12,50 € zzgl. MwSt.
zzgl. 6,90 € Versand (brutto)
einmalig pro Bestellung

Lieferzeit: 5 Werktage

Pos.
21
BOSCH Flachbandkabel | Ersatzteile für GCM 18V-216 | 1609B06265
Hersteller: BOSCH
Artikelnummer: EB-3601M41040-1609B06265
Netto: 4,36 € zzgl. MwSt.
zzgl. 6,90 € Versand (brutto)
einmalig pro Bestellung

Lieferzeit: 5 Werktage

Pos.
22
BOSCH Blechschraube | Ersatzteile für GCM 18V-216 | 1609BP7087
Hersteller: BOSCH
Artikelnummer: EB-3601M41040-1609BP7087
Netto: 3,95 € zzgl. MwSt.
zzgl. 6,90 € Versand (brutto)
einmalig pro Bestellung

Lieferzeit: 5 Werktage

Pos.
25
BOSCH Dose | Ersatzteile für GCM 18V-216 | 1609B06252
Hersteller: BOSCH
Artikelnummer: EB-3601M41040-1609B06252
Netto: 4,56 € zzgl. MwSt.
zzgl. 6,90 € Versand (brutto)
einmalig pro Bestellung

Lieferzeit: 5 Werktage

Pos.
26
BOSCH Abdeckung | Ersatzteile für GCM 18V-216 | 1609B06253
Hersteller: BOSCH
Artikelnummer: EB-3601M41040-1609B06253
Netto: 5,17 € zzgl. MwSt.
zzgl. 6,90 € Versand (brutto)
einmalig pro Bestellung

Lieferzeit: 5 Werktage

Pos.
28
BOSCH Druckfeder | Ersatzteile für GCM 18V-216 | 1619P01642
Hersteller: BOSCH
Artikelnummer: EB-3601M41040-1619P01642
Netto: 3,60 € zzgl. MwSt.
zzgl. 6,90 € Versand (brutto)
einmalig pro Bestellung

Lieferzeit: 5 Werktage

Pos.
29
BOSCH Kappe | Ersatzteile für GCM 18V-216 | 1609B04070
Hersteller: BOSCH
Artikelnummer: EB-3601M41040-1609B04070
Netto: 3,94 € zzgl. MwSt.
zzgl. 6,90 € Versand (brutto)
einmalig pro Bestellung

Lieferzeit: 5 Werktage

Pos.
30
BOSCH Sperrhebel | Ersatzteile für GCM 18V-216 | 1609B06268
Hersteller: BOSCH
Artikelnummer: EB-3601M41040-1609B06268
Netto: 3,60 € zzgl. MwSt.
zzgl. 6,90 € Versand (brutto)
einmalig pro Bestellung

Lieferzeit: 5 Werktage

Pos.
31
BOSCH Druckfeder | Ersatzteile für GCM 18V-216 | 1609B06269
Hersteller: BOSCH
Artikelnummer: EB-3601M41040-1609B06269
Netto: 3,60 € zzgl. MwSt.
zzgl. 6,90 € Versand (brutto)
einmalig pro Bestellung

Lieferzeit: 5 Werktage

Pos.
32
BOSCH Führungsbügel | Ersatzteile für GCM 18V-216 | 1609B04073
Hersteller: BOSCH
Artikelnummer: EB-3601M41040-1609B04073
Netto: 6,75 € zzgl. MwSt.
zzgl. 6,90 € Versand (brutto)
einmalig pro Bestellung

Lieferzeit: 5 Werktage

Pos.
38
BOSCH Schraube | Ersatzteile für GCM 18V-216 | 1609BP7084
Hersteller: BOSCH
Artikelnummer: EB-3601M41040-1609BP7084
Netto: 3,60 € zzgl. MwSt.
zzgl. 6,90 € Versand (brutto)
einmalig pro Bestellung

Lieferzeit: 5 Werktage

Pos.
39
BOSCH Abdeckung | Ersatzteile für GCM 18V-216 | 1609B06570
Hersteller: BOSCH
Artikelnummer: EB-3601M41040-1609B06570
Netto: 3,60 € zzgl. MwSt.
zzgl. 6,90 € Versand (brutto)
einmalig pro Bestellung

Lieferzeit: 5 Werktage

Pos.
41
BOSCH Stange | Ersatzteile für GCM 18V-216 | 1609B04154
Hersteller: BOSCH
Artikelnummer: EB-3601M41040-1609B04154
Netto: 6,27 € zzgl. MwSt.
zzgl. 6,90 € Versand (brutto)
einmalig pro Bestellung

Lieferzeit: 5 Werktage

Pos.
42
BOSCH Gehrungslineal | Ersatzteile für GCM 18V-216 | 1609B06259
Hersteller: BOSCH
Artikelnummer: EB-3601M41040-1609B06259
Netto: 15,15 € zzgl. MwSt.
zzgl. 6,90 € Versand (brutto)
einmalig pro Bestellung

Lieferzeit: 5 Werktage

Pos.
44
BOSCH Gehrungslineal | Ersatzteile für GCM 18V-216 | 1609B06261
Hersteller: BOSCH
Artikelnummer: EB-3601M41040-1609B06261
Netto: 16,70 € zzgl. MwSt.
zzgl. 6,90 € Versand (brutto)
einmalig pro Bestellung

Lieferzeit: 5 Werktage

Pos.
45
BOSCH Schraube | Ersatzteile für GCM 18V-216 | 1609B02206
Hersteller: BOSCH
Artikelnummer: EB-3601M41040-1609B02206
nur Informationsartikel
Nie mehr lieferbar
keine Alternativen
Pos.
46
BOSCH Tisch | Ersatzteile für GCM 18V-216 | 1609B05238
Hersteller: BOSCH
Artikelnummer: EB-3601M41040-1609B05238
nur Informationsartikel
Nie mehr lieferbar
keine Alternativen
Pos.
51
BOSCH Endkappe | Ersatzteile für GCM 18V-216 | 1609B03746
Hersteller: BOSCH
Artikelnummer: EB-3601M41040-1609B03746
Netto: 7,26 € zzgl. MwSt.
zzgl. 6,90 € Versand (brutto)
einmalig pro Bestellung

Lieferzeit: 5 Werktage

Pos.
52
BOSCH Handgriff | Ersatzteile für GCM 18V-216 | 1609B06251
Hersteller: BOSCH
Artikelnummer: EB-3601M41040-1609B06251
Netto: 9,05 € zzgl. MwSt.
zzgl. 6,90 € Versand (brutto)
einmalig pro Bestellung

Lieferzeit: 5 Werktage

Pos.
56
BOSCH Schraube | Ersatzteile für GCM 18V-216 | 1609B00780
Hersteller: BOSCH
Artikelnummer: EB-3601M41040-1609B00780
Netto: 3,60 € zzgl. MwSt.
zzgl. 6,90 € Versand (brutto)
einmalig pro Bestellung

Lieferzeit: 5 Werktage

Pos.
57
BOSCH Knopf | Ersatzteile für GCM 18V-216 | 1609BP7326
Hersteller: BOSCH
Artikelnummer: EB-3601M41040-1609BP7326
Netto: 3,60 € zzgl. MwSt.
zzgl. 6,90 € Versand (brutto)
einmalig pro Bestellung

Lieferzeit: 5 Werktage

Pos.
58
BOSCH Skale | Ersatzteile für GCM 18V-216 | 1609B03708
Hersteller: BOSCH
Artikelnummer: EB-3601M41040-1609B03708
Netto: 4,80 € zzgl. MwSt.
zzgl. 6,90 € Versand (brutto)
einmalig pro Bestellung

Lieferzeit: 5 Werktage

Pos.
59
BOSCH Kordelschraube | Ersatzteile für GCM 18V-216 | 1609B05382
Hersteller: BOSCH
Artikelnummer: EB-3601M41040-1609B05382
nur Informationsartikel
Nie mehr lieferbar
keine Alternativen
Pos.
60
BOSCH Blindabdeckung | Ersatzteile für GCM 18V-216 | 1609B05298
Hersteller: BOSCH
Artikelnummer: EB-3601M41040-1609B05298
nur Informationsartikel
Nie mehr lieferbar
keine Alternativen
Pos.
61
BOSCH Unterlegscheibe | Ersatzteile für GCM 18V-216 | 1609B00863
Hersteller: BOSCH
Artikelnummer: EB-3601M41040-1609B00863
Netto: 3,60 € zzgl. MwSt.
zzgl. 6,90 € Versand (brutto)
einmalig pro Bestellung

Lieferzeit: 5 Werktage

Pos.
62
BOSCH Zeiger | Ersatzteile für GCM 18V-216 | 1609B00717
Hersteller: BOSCH
Artikelnummer: EB-3601M41040-1609B00717
Netto: 3,60 € zzgl. MwSt.
zzgl. 6,90 € Versand (brutto)
einmalig pro Bestellung

Lieferzeit: 5 Werktage

Pos.
63
BOSCH Verschleissplatte | Ersatzteile für GCM 18V-216 | 1609B03714
Hersteller: BOSCH
Artikelnummer: EB-3601M41040-1609B03714
Netto: 5,65 € zzgl. MwSt.
zzgl. 6,90 € Versand (brutto)
einmalig pro Bestellung

Lieferzeit: 5 Werktage

Pos.
64
BOSCH Bolzen | Ersatzteile für GCM 18V-216 | 1609B04236
Hersteller: BOSCH
Artikelnummer: EB-3601M41040-1609B04236
Netto: 3,94 € zzgl. MwSt.
zzgl. 6,90 € Versand (brutto)
einmalig pro Bestellung

Lieferzeit: 5 Werktage

Pos.
65
BOSCH Einstellmutter | Ersatzteile für GCM 18V-216 | 1609B04227
Hersteller: BOSCH
Artikelnummer: EB-3601M41040-1609B04227
Netto: 3,60 € zzgl. MwSt.
zzgl. 6,90 € Versand (brutto)
einmalig pro Bestellung

Lieferzeit: 5 Werktage

Pos.
66
BOSCH Mutter | Ersatzteile für GCM 18V-216 | 1609B01949
Hersteller: BOSCH
Artikelnummer: EB-3601M41040-1609B01949
Netto: 3,60 € zzgl. MwSt.
zzgl. 6,90 € Versand (brutto)
einmalig pro Bestellung

Lieferzeit: 5 Werktage

Pos.
67
BOSCH Scheibe | Ersatzteile für GCM 18V-216 | 1609B06571
Hersteller: BOSCH
Artikelnummer: EB-3601M41040-1609B06571
Netto: 3,60 € zzgl. MwSt.
zzgl. 6,90 € Versand (brutto)
einmalig pro Bestellung

Lieferzeit: 5 Werktage

Pos.
70
BOSCH Schraube | Ersatzteile für GCM 18V-216 | 1609B00682
Hersteller: BOSCH
Artikelnummer: EB-3601M41040-1609B00682
Netto: 3,60 € zzgl. MwSt.
zzgl. 6,90 € Versand (brutto)
einmalig pro Bestellung

Lieferzeit: 5 Werktage

Pos.
72
BOSCH Bolzen | Ersatzteile für GCM 18V-216 | 1609B05203
Hersteller: BOSCH
Artikelnummer: EB-3601M41040-1609B05203
Netto: 3,60 € zzgl. MwSt.
zzgl. 6,90 € Versand (brutto)
einmalig pro Bestellung

Lieferzeit: 5 Werktage

Pos.
74
BOSCH Klemmutter | Ersatzteile für GCM 18V-216 | 1609B00704
Hersteller: BOSCH
Artikelnummer: EB-3601M41040-1609B00704
Netto: 3,60 € zzgl. MwSt.
zzgl. 6,90 € Versand (brutto)
einmalig pro Bestellung

Lieferzeit: 5 Werktage

Pos.
75
BOSCH Scheibe | Ersatzteile für GCM 18V-216 | 1609B00670
Hersteller: BOSCH
Artikelnummer: EB-3601M41040-1609B00670
Netto: 3,94 € zzgl. MwSt.
zzgl. 6,90 € Versand (brutto)
einmalig pro Bestellung

Lieferzeit: 5 Werktage

Pos.
77
BOSCH Gummibuchse | Ersatzteile für GCM 18V-216 | 1609B00705
Hersteller: BOSCH
Artikelnummer: EB-3601M41040-1609B00705
Netto: 3,60 € zzgl. MwSt.
zzgl. 6,90 € Versand (brutto)
einmalig pro Bestellung

Lieferzeit: 5 Werktage

Pos.
80
BOSCH Gummiring | Ersatzteile für GCM 18V-216 | 1609BP7098
Hersteller: BOSCH
Artikelnummer: EB-3601M41040-1609BP7098
Netto: 3,60 € zzgl. MwSt.
zzgl. 6,90 € Versand (brutto)
einmalig pro Bestellung

Lieferzeit: 5 Werktage

Pos.
81
BOSCH Innensechskantschlüssel | Ersatzteile für GCM 18V-216 | 1609BP7026
Hersteller: BOSCH
Artikelnummer: EB-3601M41040-1609BP7026
Netto: 4,80 € zzgl. MwSt.
zzgl. 6,90 € Versand (brutto)
einmalig pro Bestellung

Lieferzeit: 5 Werktage

Pos.
84
BOSCH Auflageplatte | Ersatzteile für GCM 18V-216 | 1609B05242
Hersteller: BOSCH
Artikelnummer: EB-3601M41040-1609B05242
nur Informationsartikel
Nie mehr lieferbar
keine Alternativen
Pos.
86
BOSCH Stange | Ersatzteile für GCM 18V-216 | 1609B05240
Hersteller: BOSCH
Artikelnummer: EB-3601M41040-1609B05240
nur Informationsartikel
Nie mehr lieferbar
keine Alternativen
Pos.
87
BOSCH Knopf | Ersatzteile für GCM 18V-216 | 1609B04079
Hersteller: BOSCH
Artikelnummer: EB-3601M41040-1609B04079
Netto: 7,66 € zzgl. MwSt.
zzgl. 6,90 € Versand (brutto)
einmalig pro Bestellung

Lieferzeit: 5 Werktage

Pos.
88
BOSCH Hebel | Ersatzteile für GCM 18V-216 | 1609B05241
Hersteller: BOSCH
Artikelnummer: EB-3601M41040-1609B05241
nur Informationsartikel
Nie mehr lieferbar
keine Alternativen
Pos.
89
BOSCH Feder | Ersatzteile für GCM 18V-216 | 1609B02211
Hersteller: BOSCH
Artikelnummer: EB-3601M41040-1609B02211
nur Informationsartikel
Nie mehr lieferbar
keine Alternativen
Pos.
90
BOSCH Schraube | Ersatzteile für GCM 18V-216 | 1609B01664
Hersteller: BOSCH
Artikelnummer: EB-3601M41040-1609B01664
Netto: 3,94 € zzgl. MwSt.
zzgl. 6,90 € Versand (brutto)
einmalig pro Bestellung

Lieferzeit: 5 Werktage

Pos.
92
BOSCH Elektr Leitung | Ersatzteile für GCM 18V-216 | 1609B05115
Hersteller: BOSCH
Artikelnummer: EB-3601M41040-1609B05115
Netto: 4,36 € zzgl. MwSt.
zzgl. 6,90 € Versand (brutto)
einmalig pro Bestellung

Lieferzeit: 5 Werktage

Pos.
93
BOSCH Kontaktlasche | Ersatzteile für GCM 18V-216 | 1609BP7341
Hersteller: BOSCH
Artikelnummer: EB-3601M41040-1609BP7341
Netto: 3,60 € zzgl. MwSt.
zzgl. 6,90 € Versand (brutto)
einmalig pro Bestellung

Lieferzeit: 5 Werktage

Pos.
94
BOSCH Gerätefuss | Ersatzteile für GCM 18V-216 | 1609B03727
Hersteller: BOSCH
Artikelnummer: EB-3601M41040-1609B03727
Netto: 4,36 € zzgl. MwSt.
zzgl. 6,90 € Versand (brutto)
einmalig pro Bestellung

Lieferzeit: 5 Werktage

Pos.
95
BOSCH Verschleissplatte | Ersatzteile für GCM 18V-216 | 1609B03729
Hersteller: BOSCH
Artikelnummer: EB-3601M41040-1609B03729
Netto: 3,60 € zzgl. MwSt.
zzgl. 6,90 € Versand (brutto)
einmalig pro Bestellung

Lieferzeit: 5 Werktage

Pos.
96
BOSCH Lagerwelle | Ersatzteile für GCM 18V-216 | 1609B04108
Hersteller: BOSCH
Artikelnummer: EB-3601M41040-1609B04108
Netto: 5,65 € zzgl. MwSt.
zzgl. 6,90 € Versand (brutto)
einmalig pro Bestellung

Lieferzeit: 5 Werktage

Pos.
97
BOSCH Schraube | Ersatzteile für GCM 18V-216 | 1609B04086
Hersteller: BOSCH
Artikelnummer: EB-3601M41040-1609B04086
Netto: 4,36 € zzgl. MwSt.
zzgl. 6,90 € Versand (brutto)
einmalig pro Bestellung

Lieferzeit: 5 Werktage

Pos.
98
BOSCH Schraube | Ersatzteile für GCM 18V-216 | 1609B03723
Hersteller: BOSCH
Artikelnummer: EB-3601M41040-1609B03723
Netto: 3,60 € zzgl. MwSt.
zzgl. 6,90 € Versand (brutto)
einmalig pro Bestellung

Lieferzeit: 5 Werktage

Pos.
99
BOSCH Unterlegscheibe | Ersatzteile für GCM 18V-216 | 1609B01324
Hersteller: BOSCH
Artikelnummer: EB-3601M41040-1609B01324
Netto: 3,60 € zzgl. MwSt.
zzgl. 6,90 € Versand (brutto)
einmalig pro Bestellung

Lieferzeit: 5 Werktage

Pos.
101
BOSCH Schulterschraube | Ersatzteile für GCM 18V-216 | 1609B01462
Hersteller: BOSCH
Artikelnummer: EB-3601M41040-1609B01462
Netto: 3,60 € zzgl. MwSt.
zzgl. 6,90 € Versand (brutto)
einmalig pro Bestellung

Lieferzeit: 5 Werktage

Pos.
105
BOSCH Gewindestift | Ersatzteile für GCM 18V-216 | 1609BP7143
Hersteller: BOSCH
Artikelnummer: EB-3601M41040-1609BP7143
Netto: 3,60 € zzgl. MwSt.
zzgl. 6,90 € Versand (brutto)
einmalig pro Bestellung

Lieferzeit: 5 Werktage

Pos.
111
BOSCH Vorlegscheibe | Ersatzteile für GCM 18V-216 | 1609B01668
Hersteller: BOSCH
Artikelnummer: EB-3601M41040-1609B01668
Netto: 3,60 € zzgl. MwSt.
zzgl. 6,90 € Versand (brutto)
einmalig pro Bestellung

Lieferzeit: 5 Werktage

Pos.
114
BOSCH Anschlagplatte | Ersatzteile für GCM 18V-216 | 1609B03739
Hersteller: BOSCH
Artikelnummer: EB-3601M41040-1609B03739
Netto: 3,60 € zzgl. MwSt.
zzgl. 6,90 € Versand (brutto)
einmalig pro Bestellung

Lieferzeit: 5 Werktage

Pos.
118
BOSCH Verschleissplatte | Ersatzteile für GCM 18V-216 | 1609B04134
Hersteller: BOSCH
Artikelnummer: EB-3601M41040-1609B04134
Netto: 3,60 € zzgl. MwSt.
zzgl. 6,90 € Versand (brutto)
einmalig pro Bestellung

Lieferzeit: 5 Werktage

Pos.
119
BOSCH Zeiger | Ersatzteile für GCM 18V-216 | 1609B03758
Hersteller: BOSCH
Artikelnummer: EB-3601M41040-1609B03758
Netto: 3,94 € zzgl. MwSt.
zzgl. 6,90 € Versand (brutto)
einmalig pro Bestellung

Lieferzeit: 5 Werktage

Pos.
120
BOSCH Druckfeder | Ersatzteile für GCM 18V-216 | 1609BP7053
Hersteller: BOSCH
Artikelnummer: EB-3601M41040-1609BP7053
nur Informationsartikel
Nie mehr lieferbar
keine Alternativen
Pos.
121
BOSCH Unterlegscheibe | Ersatzteile für GCM 18V-216 | 1609BP7045
Hersteller: BOSCH
Artikelnummer: EB-3601M41040-1609BP7045
nur Informationsartikel
Nie mehr lieferbar
keine Alternativen
Pos.
122
BOSCH Innensechskantschraube | Ersatzteile für GCM 18V-216 | 1609B03749
Hersteller: BOSCH
Artikelnummer: EB-3601M41040-1609B03749
Netto: 3,60 € zzgl. MwSt.
zzgl. 6,90 € Versand (brutto)
einmalig pro Bestellung

Lieferzeit: 5 Werktage

Pos.
123
BOSCH Kontaktlasche | Ersatzteile für GCM 18V-216 | 1609BP7343
Hersteller: BOSCH
Artikelnummer: EB-3601M41040-1609BP7343
Netto: 3,60 € zzgl. MwSt.
zzgl. 6,90 € Versand (brutto)
einmalig pro Bestellung

Lieferzeit: 5 Werktage

Pos.
124
BOSCH Knopf | Ersatzteile für GCM 18V-216 | 1609B03755
Hersteller: BOSCH
Artikelnummer: EB-3601M41040-1609B03755
Netto: 3,94 € zzgl. MwSt.
zzgl. 6,90 € Versand (brutto)
einmalig pro Bestellung

Lieferzeit: 5 Werktage

Pos.
125
BOSCH Rotor | Ersatzteile für GCM 18V-216 | 1609B03762
Hersteller: BOSCH
Artikelnummer: EB-3601M41040-1609B03762
nur Informationsartikel
Nie mehr lieferbar
keine Alternativen
Pos.
126
BOSCH Filzring | Ersatzteile für GCM 18V-216 | 1609B03763
Hersteller: BOSCH
Artikelnummer: EB-3601M41040-1609B03763
Netto: 3,60 € zzgl. MwSt.
zzgl. 6,90 € Versand (brutto)
einmalig pro Bestellung

Lieferzeit: 5 Werktage

Pos.
127
BOSCH Bolzen | Ersatzteile für GCM 18V-216 | 1609B03769
Hersteller: BOSCH
Artikelnummer: EB-3601M41040-1609B03769
nur Informationsartikel
Nie mehr lieferbar
keine Alternativen
Pos.
128
BOSCH Hebel | Ersatzteile für GCM 18V-216 | 1609B02215
Hersteller: BOSCH
Artikelnummer: EB-3601M41040-1609B02215
nur Informationsartikel
Nie mehr lieferbar
keine Alternativen
Pos.
129
BOSCH Schraube | Ersatzteile für GCM 18V-216 | 1609BP7081
Hersteller: BOSCH
Artikelnummer: EB-3601M41040-1609BP7081
nur Informationsartikel
Nie mehr lieferbar
keine Alternativen
Pos.
130
BOSCH Friktionsteller | Ersatzteile für GCM 18V-216 | 1609B03773
Hersteller: BOSCH
Artikelnummer: EB-3601M41040-1609B03773
Netto: 7,66 € zzgl. MwSt.
zzgl. 6,90 € Versand (brutto)
einmalig pro Bestellung

Lieferzeit: 5 Werktage

Pos.
131
BOSCH Sechskantmutter | Ersatzteile für GCM 18V-216 | 1609B01041
Hersteller: BOSCH
Artikelnummer: EB-3601M41040-1609B01041
nur Informationsartikel
Nie mehr lieferbar
keine Alternativen
Pos.
132
BOSCH Anschlagbolzen | Ersatzteile für GCM 18V-216 | 1609B03776
Hersteller: BOSCH
Artikelnummer: EB-3601M41040-1609B03776
Netto: 3,60 € zzgl. MwSt.
zzgl. 6,90 € Versand (brutto)
einmalig pro Bestellung

Lieferzeit: 5 Werktage

Pos.
133
BOSCH Gelenkbolzen | Ersatzteile für GCM 18V-216 | 1609B03771
Hersteller: BOSCH
Artikelnummer: EB-3601M41040-1609B03771
Netto: 7,26 € zzgl. MwSt.
zzgl. 6,90 € Versand (brutto)
einmalig pro Bestellung

Lieferzeit: 5 Werktage

Pos.
134
BOSCH Schraube | Ersatzteile für GCM 18V-216 | 1609B06272
Hersteller: BOSCH
Artikelnummer: EB-3601M41040-1609B06272
Netto: 3,60 € zzgl. MwSt.
zzgl. 6,90 € Versand (brutto)
einmalig pro Bestellung

Lieferzeit: 5 Werktage

Pos.
136
BOSCH Rastbolzen | Ersatzteile für GCM 18V-216 | 1609B03767
Hersteller: BOSCH
Artikelnummer: EB-3601M41040-1609B03767
Netto: 4,80 € zzgl. MwSt.
zzgl. 6,90 € Versand (brutto)
einmalig pro Bestellung

Lieferzeit: 5 Werktage

Pos.
137
BOSCH Geräteclip | Ersatzteile für GCM 18V-216 | 1609B03757
Hersteller: BOSCH
Artikelnummer: EB-3601M41040-1609B03757
Netto: 3,94 € zzgl. MwSt.
zzgl. 6,90 € Versand (brutto)
einmalig pro Bestellung

Lieferzeit: 5 Werktage

Pos.
138
BOSCH O-Ring | Ersatzteile für GCM 18V-216 | 1609B00601
Hersteller: BOSCH
Artikelnummer: EB-3601M41040-1609B00601
Netto: 3,94 € zzgl. MwSt.
zzgl. 6,90 € Versand (brutto)
einmalig pro Bestellung

Lieferzeit: 5 Werktage

Pos.
140
BOSCH Griffschale | Ersatzteile für GCM 18V-216 | 1609B03745
Hersteller: BOSCH
Artikelnummer: EB-3601M41040-1609B03745
Netto: 4,80 € zzgl. MwSt.
zzgl. 6,90 € Versand (brutto)
einmalig pro Bestellung

Lieferzeit: 5 Werktage

Pos.
141
BOSCH Traggriff | Ersatzteile für GCM 18V-216 | 1609B03747
Hersteller: BOSCH
Artikelnummer: EB-3601M41040-1609B03747
Netto: 9,75 € zzgl. MwSt.
zzgl. 6,90 € Versand (brutto)
einmalig pro Bestellung

Lieferzeit: 5 Werktage

Pos.
142
BOSCH Blechschraube | Ersatzteile für GCM 18V-216 | 1609B03768
Hersteller: BOSCH
Artikelnummer: EB-3601M41040-1609B03768
Netto: 3,60 € zzgl. MwSt.
zzgl. 6,90 € Versand (brutto)
einmalig pro Bestellung

Lieferzeit: 5 Werktage

Pos.
143
BOSCH Verschiebeanschlag | Ersatzteile für GCM 18V-216 | 1609B03753
Hersteller: BOSCH
Artikelnummer: EB-3601M41040-1609B03753
Netto: 3,94 € zzgl. MwSt.
zzgl. 6,90 € Versand (brutto)
einmalig pro Bestellung

Lieferzeit: 5 Werktage

Pos.
144
BOSCH Spezialmutter | Ersatzteile für GCM 18V-216 | 1609B03752
Hersteller: BOSCH
Artikelnummer: EB-3601M41040-1609B03752
Netto: 5,17 € zzgl. MwSt.
zzgl. 6,90 € Versand (brutto)
einmalig pro Bestellung

Lieferzeit: 5 Werktage

Pos.
145
BOSCH O-Ring 12,2 x 3,6 SCHWARZ | Ersatzteile für GCM 18V-216 | 1609B06667
Hersteller: BOSCH
Artikelnummer: EB-3601M41040-1609B06667
Netto: 3,60 € zzgl. MwSt.
zzgl. 6,90 € Versand (brutto)
einmalig pro Bestellung

Lieferzeit: 5 Werktage

Pos.
146
BOSCH Federscheibe | Ersatzteile für GCM 18V-216 | 1609B00660
Hersteller: BOSCH
Artikelnummer: EB-3601M41040-1609B00660
Netto: 3,60 € zzgl. MwSt.
zzgl. 6,90 € Versand (brutto)
einmalig pro Bestellung

Lieferzeit: 5 Werktage

Pos.
147
BOSCH Ansatzschraube | Ersatzteile für GCM 18V-216 | 1609B03795
Hersteller: BOSCH
Artikelnummer: EB-3601M41040-1609B03795
nur Informationsartikel
Nie mehr lieferbar
keine Alternativen
Pos.
148
BOSCH Knopf ROT | Ersatzteile für GCM 18V-216 | 1609B00382
Hersteller: BOSCH
Artikelnummer: EB-3601M41040-1609B00382
Netto: 6,27 € zzgl. MwSt.
zzgl. 6,90 € Versand (brutto)
einmalig pro Bestellung

Lieferzeit: 5 Werktage

Pos.
149
BOSCH Druckfeder | Ersatzteile für GCM 18V-216 | 1609B00417
Hersteller: BOSCH
Artikelnummer: EB-3601M41040-1609B00417
Netto: 3,60 € zzgl. MwSt.
zzgl. 6,90 € Versand (brutto)
einmalig pro Bestellung

Lieferzeit: 5 Werktage

Pos.
150
BOSCH Rückhalteblech | Ersatzteile für GCM 18V-216 | 1609B02203
Hersteller: BOSCH
Artikelnummer: EB-3601M41040-1609B02203
nur Informationsartikel
Nie mehr lieferbar
keine Alternativen
Pos.
151
BOSCH Rückhalteblech | Ersatzteile für GCM 18V-216 | 1609B03766
Hersteller: BOSCH
Artikelnummer: EB-3601M41040-1609B03766
Netto: 3,94 € zzgl. MwSt.
zzgl. 6,90 € Versand (brutto)
einmalig pro Bestellung

Lieferzeit: 5 Werktage

Pos.
152
BOSCH Staubabsaugung | Ersatzteile für GCM 18V-216 | 2610027044
Hersteller: BOSCH
Artikelnummer: EB-3601M41040-2610027044
Netto: 8,23 € zzgl. MwSt.
zzgl. 6,90 € Versand (brutto)
einmalig pro Bestellung

Lieferzeit: 5 Werktage

Pos.
153
BOSCH Gewindestift | Ersatzteile für GCM 18V-216 | 1609B03777
Hersteller: BOSCH
Artikelnummer: EB-3601M41040-1609B03777
Netto: 3,60 € zzgl. MwSt.
zzgl. 6,90 € Versand (brutto)
einmalig pro Bestellung

Lieferzeit: 5 Werktage

Pos.
158
BOSCH Staubabsaugung | Ersatzteile für GCM 18V-216 | 2610027045
Hersteller: BOSCH
Artikelnummer: EB-3601M41040-2610027045
Netto: 5,65 € zzgl. MwSt.
zzgl. 6,90 € Versand (brutto)
einmalig pro Bestellung

Lieferzeit: 5 Werktage

Pos.
159
BOSCH Haltearm | Ersatzteile für GCM 18V-216 | 2610027046
Hersteller: BOSCH
Artikelnummer: EB-3601M41040-2610027046
Netto: 3,94 € zzgl. MwSt.
zzgl. 6,90 € Versand (brutto)
einmalig pro Bestellung

Lieferzeit: 5 Werktage

Pos.
160
BOSCH Schraube | Ersatzteile für GCM 18V-216 | 1609B01561
Hersteller: BOSCH
Artikelnummer: EB-3601M41040-1609B01561
Netto: 3,60 € zzgl. MwSt.
zzgl. 6,90 € Versand (brutto)
einmalig pro Bestellung

Lieferzeit: 5 Werktage

Pos.
161
BOSCH Schulterschraube | Ersatzteile für GCM 18V-216 | 1609B05201
Hersteller: BOSCH
Artikelnummer: EB-3601M41040-1609B05201
Netto: 3,94 € zzgl. MwSt.
zzgl. 6,90 € Versand (brutto)
einmalig pro Bestellung

Lieferzeit: 5 Werktage

Pos.
162
BOSCH Schraube | Ersatzteile für GCM 18V-216 | 1609B00623
Hersteller: BOSCH
Artikelnummer: EB-3601M41040-1609B00623
Netto: 3,60 € zzgl. MwSt.
zzgl. 6,90 € Versand (brutto)
einmalig pro Bestellung

Lieferzeit: 5 Werktage

Pos.
164
BOSCH Schraube | Ersatzteile für GCM 18V-216 | 1609B01690
Hersteller: BOSCH
Artikelnummer: EB-3601M41040-1609B01690
Netto: 3,60 € zzgl. MwSt.
zzgl. 6,90 € Versand (brutto)
einmalig pro Bestellung

Lieferzeit: 5 Werktage

Pos.
167
BOSCH Verschleissplatte | Ersatzteile für GCM 18V-216 | 1609B01602
Hersteller: BOSCH
Artikelnummer: EB-3601M41040-1609B01602
Netto: 3,60 € zzgl. MwSt.
zzgl. 6,90 € Versand (brutto)
einmalig pro Bestellung

Lieferzeit: 5 Werktage

Pos.
168
BOSCH Schutzunterteil | Ersatzteile für GCM 18V-216 | 1609B04188
Hersteller: BOSCH
Artikelnummer: EB-3601M41040-1609B04188
Netto: 12,50 € zzgl. MwSt.
zzgl. 6,90 € Versand (brutto)
einmalig pro Bestellung

Lieferzeit: 5 Werktage

Pos.
169
BOSCH Gestänge | Ersatzteile für GCM 18V-216 | 1609B04001
Hersteller: BOSCH
Artikelnummer: EB-3601M41040-1609B04001
Netto: 10,62 € zzgl. MwSt.
zzgl. 6,90 € Versand (brutto)
einmalig pro Bestellung

Lieferzeit: 5 Werktage

Pos.
170
BOSCH Abdeckung | Ersatzteile für GCM 18V-216 | 1609B04002
Hersteller: BOSCH
Artikelnummer: EB-3601M41040-1609B04002
Netto: 3,60 € zzgl. MwSt.
zzgl. 6,90 € Versand (brutto)
einmalig pro Bestellung

Lieferzeit: 5 Werktage

Pos.
171
BOSCH Feder | Ersatzteile für GCM 18V-216 | 1609B04004
Hersteller: BOSCH
Artikelnummer: EB-3601M41040-1609B04004
Netto: 3,94 € zzgl. MwSt.
zzgl. 6,90 € Versand (brutto)
einmalig pro Bestellung

Lieferzeit: 5 Werktage

Pos.
172
BOSCH Schraube | Ersatzteile für GCM 18V-216 | 1609BP7145
Hersteller: BOSCH
Artikelnummer: EB-3601M41040-1609BP7145
Netto: 3,60 € zzgl. MwSt.
zzgl. 6,90 € Versand (brutto)
einmalig pro Bestellung

Lieferzeit: 5 Werktage

Pos.
173
BOSCH Federclip | Ersatzteile für GCM 18V-216 | 1609B05251
Hersteller: BOSCH
Artikelnummer: EB-3601M41040-1609B05251
nur Informationsartikel
Nie mehr lieferbar
keine Alternativen
Pos.
174
BOSCH Kugellager | Ersatzteile für GCM 18V-216 | 1609B04235
Hersteller: BOSCH
Artikelnummer: EB-3601M41040-1609B04235
Netto: 6,27 € zzgl. MwSt.
zzgl. 6,90 € Versand (brutto)
einmalig pro Bestellung

Lieferzeit: 5 Werktage

Pos.
176
BOSCH Schraube | Ersatzteile für GCM 18V-216 | 1609B04163
Hersteller: BOSCH
Artikelnummer: EB-3601M41040-1609B04163
Netto: 3,60 € zzgl. MwSt.
zzgl. 6,90 € Versand (brutto)
einmalig pro Bestellung

Lieferzeit: 5 Werktage

Pos.
178
BOSCH Klemmutter | Ersatzteile für GCM 18V-216 | 1609B00974
Hersteller: BOSCH
Artikelnummer: EB-3601M41040-1609B00974
nur Informationsartikel
Nie mehr lieferbar
keine Alternativen
Pos.
179
BOSCH Blechschraube | Ersatzteile für GCM 18V-216 | 1609BP7134
Hersteller: BOSCH
Artikelnummer: EB-3601M41040-1609BP7134
Netto: 3,60 € zzgl. MwSt.
zzgl. 6,90 € Versand (brutto)
einmalig pro Bestellung

Lieferzeit: 5 Werktage

Pos.
182
BOSCH Gewindestift | Ersatzteile für GCM 18V-216 | 1609B04205
Hersteller: BOSCH
Artikelnummer: EB-3601M41040-1609B04205
Netto: 3,60 € zzgl. MwSt.
zzgl. 6,90 € Versand (brutto)
einmalig pro Bestellung

Lieferzeit: 5 Werktage

Pos.
184
BOSCH Mutter | Ersatzteile für GCM 18V-216 | 1609BT4033
Hersteller: BOSCH
Artikelnummer: EB-3601M41040-1609BT4033
Netto: 3,60 € zzgl. MwSt.
zzgl. 6,90 € Versand (brutto)
einmalig pro Bestellung

Lieferzeit: 5 Werktage

Pos.
185
BOSCH Sicherungsring | Ersatzteile für GCM 18V-216 | 1609BP7068
Hersteller: BOSCH
Artikelnummer: EB-3601M41040-1609BP7068
Netto: 3,94 € zzgl. MwSt.
zzgl. 6,90 € Versand (brutto)
einmalig pro Bestellung

Lieferzeit: 5 Werktage

Pos.
186
BOSCH Scheibe | Ersatzteile für GCM 18V-216 | 1609BP7050
Hersteller: BOSCH
Artikelnummer: EB-3601M41040-1609BP7050
Netto: 4,56 € zzgl. MwSt.
zzgl. 6,90 € Versand (brutto)
einmalig pro Bestellung

Lieferzeit: 5 Werktage

Pos.
187
BOSCH Kugellager | Ersatzteile für GCM 18V-216 | 1609B03774
Hersteller: BOSCH
Artikelnummer: EB-3601M41040-1609B03774
Netto: 10,62 € zzgl. MwSt.
zzgl. 6,90 € Versand (brutto)
einmalig pro Bestellung

Lieferzeit: 5 Werktage

Pos.
188
BOSCH Distanzstück | Ersatzteile für GCM 18V-216 | 1609B03780
Hersteller: BOSCH
Artikelnummer: EB-3601M41040-1609B03780
Netto: 3,60 € zzgl. MwSt.
zzgl. 6,90 € Versand (brutto)
einmalig pro Bestellung

Lieferzeit: 5 Werktage

Pos.
189
BOSCH Gleitlager | Ersatzteile für GCM 18V-216 | 1600200029
Hersteller: BOSCH
Artikelnummer: EB-3601M41040-1600200029
Netto: 5,65 € zzgl. MwSt.
zzgl. 6,90 € Versand (brutto)
einmalig pro Bestellung

Lieferzeit: 5 Werktage

Pos.
190
BOSCH Abweiser | Ersatzteile für GCM 18V-216 | 1609B04017
Hersteller: BOSCH
Artikelnummer: EB-3601M41040-1609B04017
Netto: 5,65 € zzgl. MwSt.
zzgl. 6,90 € Versand (brutto)
einmalig pro Bestellung

Lieferzeit: 5 Werktage

Pos.
191
BOSCH Spanabweiser | Ersatzteile für GCM 18V-216 | 1609B06271
Hersteller: BOSCH
Artikelnummer: EB-3601M41040-1609B06271
Netto: 5,17 € zzgl. MwSt.
zzgl. 6,90 € Versand (brutto)
einmalig pro Bestellung

Lieferzeit: 5 Werktage

Pos.
192
BOSCH Aufspannflansch | Ersatzteile für GCM 18V-216 | 1609B04018
Hersteller: BOSCH
Artikelnummer: EB-3601M41040-1609B04018
Netto: 7,66 € zzgl. MwSt.
zzgl. 6,90 € Versand (brutto)
einmalig pro Bestellung

Lieferzeit: 5 Werktage

Pos.
193
BOSCH Aufspannflansch | Ersatzteile für GCM 18V-216 | 1609B06289
Hersteller: BOSCH
Artikelnummer: EB-3601M41040-1609B06289
Netto: 5,65 € zzgl. MwSt.
zzgl. 6,90 € Versand (brutto)
einmalig pro Bestellung

Lieferzeit: 5 Werktage

Pos.
194
BOSCH Flanschbolzen | Ersatzteile für GCM 18V-216 | 1609B05364
Hersteller: BOSCH
Artikelnummer: EB-3601M41040-1609B05364
nur Informationsartikel
Nie mehr lieferbar
keine Alternativen
Pos.
195
BOSCH Rad | Ersatzteile für GCM 18V-216 | 1609B04020
Hersteller: BOSCH
Artikelnummer: EB-3601M41040-1609B04020
Netto: 3,60 € zzgl. MwSt.
zzgl. 6,90 € Versand (brutto)
einmalig pro Bestellung

Lieferzeit: 5 Werktage

Pos.
197
BOSCH Gehäusedeckel | Ersatzteile für GCM 18V-216 | 1609B06264
Hersteller: BOSCH
Artikelnummer: EB-3601M41040-1609B06264
Netto: 4,80 € zzgl. MwSt.
zzgl. 6,90 € Versand (brutto)
einmalig pro Bestellung

Lieferzeit: 5 Werktage

Pos.
198
BOSCH Gehäusedeckel | Ersatzteile für GCM 18V-216 | 1609B06286
Hersteller: BOSCH
Artikelnummer: EB-3601M41040-1609B06286
Netto: 4,56 € zzgl. MwSt.
zzgl. 6,90 € Versand (brutto)
einmalig pro Bestellung

Lieferzeit: 5 Werktage

Pos.
199
BOSCH Torx-Linsenschraube | Ersatzteile für GCM 18V-216 | 2609110353
Hersteller: BOSCH
Artikelnummer: EB-3601M41040-2609110353
Netto: 4,36 € zzgl. MwSt.
zzgl. 6,90 € Versand (brutto)
einmalig pro Bestellung

Lieferzeit: 5 Werktage

Pos.
200
BOSCH Blechschraube | Ersatzteile für GCM 18V-216 | 1609B00637
Hersteller: BOSCH
Artikelnummer: EB-3601M41040-1609B00637
Netto: 3,60 € zzgl. MwSt.
zzgl. 6,90 € Versand (brutto)
einmalig pro Bestellung

Lieferzeit: 5 Werktage

Pos.
201
BOSCH Schraube | Ersatzteile für GCM 18V-216 | 1609B00973
Hersteller: BOSCH
Artikelnummer: EB-3601M41040-1609B00973
Netto: 3,60 € zzgl. MwSt.
zzgl. 6,90 € Versand (brutto)
einmalig pro Bestellung

Lieferzeit: 5 Werktage

Pos.
202
BOSCH Schraube | Ersatzteile für GCM 18V-216 | 1609B06270
Hersteller: BOSCH
Artikelnummer: EB-3601M41040-1609B06270
Netto: 3,60 € zzgl. MwSt.
zzgl. 6,90 € Versand (brutto)
einmalig pro Bestellung

Lieferzeit: 5 Werktage

Pos.
203
BOSCH Schnellverschluss | Ersatzteile für GCM 18V-216 | 1609B00458
Hersteller: BOSCH
Artikelnummer: EB-3601M41040-1609B00458
Netto: 3,60 € zzgl. MwSt.
zzgl. 6,90 € Versand (brutto)
einmalig pro Bestellung

Lieferzeit: 5 Werktage

Pos.
212
BOSCH Schraube | Ersatzteile für GCM 18V-216 | 1609B04208
Hersteller: BOSCH
Artikelnummer: EB-3601M41040-1609B04208
Netto: 3,60 € zzgl. MwSt.
zzgl. 6,90 € Versand (brutto)
einmalig pro Bestellung

Lieferzeit: 5 Werktage

Pos.
215
BOSCH Spanabweiser | Ersatzteile für GCM 18V-216 | 1609B04664
Hersteller: BOSCH
Artikelnummer: EB-3601M41040-1609B04664
Netto: 6,75 € zzgl. MwSt.
zzgl. 6,90 € Versand (brutto)
einmalig pro Bestellung

Lieferzeit: 5 Werktage

Pos.
225
BOSCH Abdeckung | Ersatzteile für GCM 18V-216 | 1609B06301
Hersteller: BOSCH
Artikelnummer: EB-3601M41040-1609B06301
Netto: 3,94 € zzgl. MwSt.
zzgl. 6,90 € Versand (brutto)
einmalig pro Bestellung

Lieferzeit: 5 Werktage

Pos.
231
BOSCH Flachbandkabel | Ersatzteile für GCM 18V-216 | 1609B06266
Hersteller: BOSCH
Artikelnummer: EB-3601M41040-1609B06266
Netto: 3,94 € zzgl. MwSt.
zzgl. 6,90 € Versand (brutto)
einmalig pro Bestellung

Lieferzeit: 5 Werktage

Pos.
232
BOSCH Mutter | Ersatzteile für GCM 18V-216 | 1609B00691
Hersteller: BOSCH
Artikelnummer: EB-3601M41040-1609B00691
Netto: 4,36 € zzgl. MwSt.
zzgl. 6,90 € Versand (brutto)
einmalig pro Bestellung

Lieferzeit: 5 Werktage

Pos.
234
BOSCH Gummilippe | Ersatzteile für GCM 18V-216 | 1609B03791
Hersteller: BOSCH
Artikelnummer: EB-3601M41040-1609B03791
Netto: 3,94 € zzgl. MwSt.
zzgl. 6,90 € Versand (brutto)
einmalig pro Bestellung

Lieferzeit: 5 Werktage

Pos.
235
BOSCH Unterlegscheibe | Ersatzteile für GCM 18V-216 | 1609B04225
Hersteller: BOSCH
Artikelnummer: EB-3601M41040-1609B04225
Netto: 3,60 € zzgl. MwSt.
zzgl. 6,90 € Versand (brutto)
einmalig pro Bestellung

Lieferzeit: 5 Werktage

Pos.
236
BOSCH Gummistreifen | Ersatzteile für GCM 18V-216 | 1609B04220
Hersteller: BOSCH
Artikelnummer: EB-3601M41040-1609B04220
Netto: 3,94 € zzgl. MwSt.
zzgl. 6,90 € Versand (brutto)
einmalig pro Bestellung

Lieferzeit: 5 Werktage

Pos.
238
BOSCH Gummistreifen | Ersatzteile für GCM 18V-216 | 1609B04222
Hersteller: BOSCH
Artikelnummer: EB-3601M41040-1609B04222
Netto: 3,94 € zzgl. MwSt.
zzgl. 6,90 € Versand (brutto)
einmalig pro Bestellung

Lieferzeit: 5 Werktage

Pos.
239
BOSCH Schraube | Ersatzteile für GCM 18V-216 | 1609B00633
Hersteller: BOSCH
Artikelnummer: EB-3601M41040-1609B00633
Netto: 3,60 € zzgl. MwSt.
zzgl. 6,90 € Versand (brutto)
einmalig pro Bestellung

Lieferzeit: 5 Werktage

Pos.
240
BOSCH Batteriehalter | Ersatzteile für GCM 18V-216 | 1609B06262
Hersteller: BOSCH
Artikelnummer: EB-3601M41040-1609B06262
Netto: 6,27 € zzgl. MwSt.
zzgl. 6,90 € Versand (brutto)
einmalig pro Bestellung

Lieferzeit: 5 Werktage

Pos.
241
BOSCH Elektronik-Modul | Ersatzteile für GCM 18V-216 | 16072335F8
Hersteller: BOSCH
Artikelnummer: EB-3601M41040-16072335F8
Netto: 132,61 € zzgl. MwSt.
zzgl. 6,90 € Versand (brutto)
einmalig pro Bestellung

Lieferzeit: 5 Werktage

Pos.
242
BOSCH Kabelsatz | Ersatzteile für GCM 18V-216 | 1609B06832
Hersteller: BOSCH
Artikelnummer: EB-3601M41040-1609B06832
Netto: 18,86 € zzgl. MwSt.
zzgl. 6,90 € Versand (brutto)
einmalig pro Bestellung

Lieferzeit: 5 Werktage

Pos.
242
BOSCH Kontakthalter | Ersatzteile für GCM 18V-216 | 1609B06258
Hersteller: BOSCH
Artikelnummer: EB-3601M41040-1609B06258
Netto: 11,42 € zzgl. MwSt.
zzgl. 6,90 € Versand (brutto)
einmalig pro Bestellung

Lieferzeit: 5 Werktage

Pos.
244
BOSCH Schraube | Ersatzteile für GCM 18V-216 | 1609B03361
Hersteller: BOSCH
Artikelnummer: EB-3601M41040-1609B03361
Netto: 3,60 € zzgl. MwSt.
zzgl. 6,90 € Versand (brutto)
einmalig pro Bestellung

Lieferzeit: 5 Werktage

Pos.
245
BOSCH Druckfeder | Ersatzteile für GCM 18V-216 | 1609280477
Hersteller: BOSCH
Artikelnummer: EB-3601M41040-1609280477
Netto: 3,94 € zzgl. MwSt.
zzgl. 6,90 € Versand (brutto)
einmalig pro Bestellung

Lieferzeit: 5 Werktage

Pos.
246
BOSCH Schraube | Ersatzteile für GCM 18V-216 | 1609B05353
Hersteller: BOSCH
Artikelnummer: EB-3601M41040-1609B06800
nur Informationsartikel
Nie mehr lieferbar
keine Alternativen
Pos.
247
BOSCH Abdeckung | Ersatzteile für GCM 18V-216 | 1609B06267
Hersteller: BOSCH
Artikelnummer: EB-3601M41040-1609B06267
Netto: 3,60 € zzgl. MwSt.
zzgl. 6,90 € Versand (brutto)
einmalig pro Bestellung

Lieferzeit: 5 Werktage

Pos.
254
BOSCH Einklebeblatt | Ersatzteile für GCM 18V-216 | 1609B06283
Hersteller: BOSCH
Artikelnummer: EB-3601M41040-1609B06283
Netto: 4,56 € zzgl. MwSt.
zzgl. 6,90 € Versand (brutto)
einmalig pro Bestellung

Lieferzeit: 5 Werktage

Pos.
255
BOSCH Einklebeblatt | Ersatzteile für GCM 18V-216 | 1609B06285
Hersteller: BOSCH
Artikelnummer: EB-3601M41040-1609B06285
Netto: 4,56 € zzgl. MwSt.
zzgl. 6,90 € Versand (brutto)
einmalig pro Bestellung

Lieferzeit: 5 Werktage

Pos.
263
BOSCH Einklebeblatt | Ersatzteile für GCM 18V-216 | 1609B06575
Hersteller: BOSCH
Artikelnummer: EB-3601M41040-1609B06575
Netto: 4,56 € zzgl. MwSt.
zzgl. 6,90 € Versand (brutto)
einmalig pro Bestellung

Lieferzeit: 5 Werktage

Pos.
284
BOSCH Unterlegscheibe | Ersatzteile für GCM 18V-216 | 1609B00703
Hersteller: BOSCH
Artikelnummer: EB-3601M41040-1609B00703
Netto: 3,94 € zzgl. MwSt.
zzgl. 6,90 € Versand (brutto)
einmalig pro Bestellung

Lieferzeit: 5 Werktage

Pos.
808
BOSCH Typschild | Ersatzteile für GCM 18V-216 | 1609BN0378
Hersteller: BOSCH
Artikelnummer: EB-3601M41040-1609BN0378
Netto: 4,56 € zzgl. MwSt.
zzgl. 6,90 € Versand (brutto)
einmalig pro Bestellung

Lieferzeit: 5 Werktage

Pos.
822
BOSCH Laser | Ersatzteile für GCM 18V-216 | 1609B01726
Hersteller: BOSCH
Artikelnummer: EB-3601M41040-1609B01726
nur Informationsartikel
Nie mehr lieferbar
keine Alternativen
Pos.
825
BOSCH Staubschutzdeckel | Ersatzteile für GCM 18V-216 | 1609B04127
Hersteller: BOSCH
Artikelnummer: EB-3601M41040-1609B04127
nur Informationsartikel
Nie mehr lieferbar
keine Alternativen
Pos.
840
BOSCH Sockel | Ersatzteile für GCM 18V-216 | 1609B06665
Hersteller: BOSCH
Artikelnummer: EB-3601M41040-1609B06665
Netto: 55,88 € zzgl. MwSt.
zzgl. 6,90 € Versand (brutto)
einmalig pro Bestellung

Lieferzeit: 5 Werktage

Pos.
843
BOSCH Gehrungslineal | Ersatzteile für GCM 18V-216 | 1609B06578
Hersteller: BOSCH
Artikelnummer: EB-3601M41040-1609B06578
Netto: 15,15 € zzgl. MwSt.
zzgl. 6,90 € Versand (brutto)
einmalig pro Bestellung

Lieferzeit: 5 Werktage

Pos.
844
BOSCH LED-Lampe | Ersatzteile für GCM 18V-216 | 1609B06666
Hersteller: BOSCH
Artikelnummer: EB-3601M41040-1609B06666
Netto: 9,05 € zzgl. MwSt.
zzgl. 6,90 € Versand (brutto)
einmalig pro Bestellung

Lieferzeit: 5 Werktage

Pos.
847
BOSCH Zapfen | Ersatzteile für GCM 18V-216 | 1609B06579
Hersteller: BOSCH
Artikelnummer: EB-3601M41040-1609B06579
Netto: 55,88 € zzgl. MwSt.
zzgl. 6,90 € Versand (brutto)
einmalig pro Bestellung

Lieferzeit: 5 Werktage

Pos.
848
BOSCH Joch | Ersatzteile für GCM 18V-216 | 1609B06663
Hersteller: BOSCH
Artikelnummer: EB-3601M41040-1609B06663
Netto: 46,22 € zzgl. MwSt.
zzgl. 6,90 € Versand (brutto)
einmalig pro Bestellung

Lieferzeit: 5 Werktage

Pos.
849
BOSCH Arm | Ersatzteile für GCM 18V-216 | 1609B06664
Hersteller: BOSCH
Artikelnummer: EB-3601M41040-1609B06664
Netto: 42,08 € zzgl. MwSt.
zzgl. 6,90 € Versand (brutto)
einmalig pro Bestellung

Lieferzeit: 5 Werktage

Pos.
850
BOSCH Getriebeabdeckung | Ersatzteile für GCM 18V-216 | 1609B05349
Hersteller: BOSCH
Artikelnummer: EB-3601M41040-1609B05349
Netto: 10,62 € zzgl. MwSt.
zzgl. 6,90 € Versand (brutto)
einmalig pro Bestellung

Lieferzeit: 5 Werktage

Pos.
851
BOSCH Akku-Paket | Ersatzteile für GCM 18V-216 | 1617S019K0
Hersteller: BOSCH
Artikelnummer: EB-3601M41040-1617S019K0
Netto: 185,46 € zzgl. MwSt.
zzgl. 6,90 € Versand (brutto)
einmalig pro Bestellung

Lieferzeit: 5 Werktage

Pos.
851
BOSCH Akku-Paket GBA 18V 8,0Ah | Ersatzteile für GCM 18V-216 | 1607A350CG
Hersteller: BOSCH
Artikelnummer: EB-3601M41040-1607A350CG
nur Informationsartikel
Nie mehr lieferbar
keine Alternativen
Pos.
851
BOSCH Akku-Paket GBA 18V 8.0Ah ProCore SCM | Ersatzteile für GCM 18V-216 | 1607A350AT
Hersteller: BOSCH
Artikelnummer: EB-3601M41040-1607A350AT
Netto: 182,06 € zzgl. MwSt.
zzgl. 6,90 € Versand (brutto)
einmalig pro Bestellung

Lieferzeit: 5 Werktage

Pos.
852
BOSCH Klemmschelle | Ersatzteile für GCM 18V-216 | 1609B04224
Hersteller: BOSCH
Artikelnummer: EB-3601M41040-1609B04224
Netto: 15,15 € zzgl. MwSt.
zzgl. 6,90 € Versand (brutto)
einmalig pro Bestellung

Lieferzeit: 5 Werktage

Pos.
853
BOSCH Ladegerät EU GAL 1880 CV 230/14,4-18V | Ersatzteile für GCM 18V-216 | 2607225921
Hersteller: BOSCH
Artikelnummer: EB-3601M41040-2607225921
Netto: 91,88 € zzgl. MwSt.
zzgl. 6,90 € Versand (brutto)
einmalig pro Bestellung

Lieferzeit: 5 Werktage

Pos.
854
BOSCH Staubbeutel | Ersatzteile für GCM 18V-216 | 1609B06278
Hersteller: BOSCH
Artikelnummer: EB-3601M41040-1609B06278
Netto: 7,66 € zzgl. MwSt.
zzgl. 6,90 € Versand (brutto)
einmalig pro Bestellung

Lieferzeit: 5 Werktage

Pos.
855
BOSCH Getriebe | Ersatzteile für GCM 18V-216 | 1609B06573
Hersteller: BOSCH
Artikelnummer: EB-3601M41040-1609B06573
Netto: 20,80 € zzgl. MwSt.
zzgl. 6,90 € Versand (brutto)
einmalig pro Bestellung

Lieferzeit: 5 Werktage

Pos.
866
BOSCH Torsionsfeder | Ersatzteile für GCM 18V-216 | 1609B04124
Hersteller: BOSCH
Artikelnummer: EB-3601M41040-1609B04124
nur Informationsartikel
Nie mehr lieferbar
keine Alternativen
Pos.
876
BOSCH Knopf | Ersatzteile für GCM 18V-216 | 1609B05323
Hersteller: BOSCH
Artikelnummer: EB-3601M41040-1609B05323
nur Informationsartikel
Nie mehr lieferbar
keine Alternativen

Angaben zur Produktsicherheit

Hersteller:
Robert Bosch Power Tools GmbH
Postfach 30 02 20
70442 Stuttgart

E-Mail:
kontakt@bosch.de