BOSCH Gestänge | Ersatzteile für GCM 254 D | 1619PB6243

Artikelnummer: EB-3601M530L0-1619PB6243

Position: 207

Marke: BOSCH


Bitte Kompatibilität prüfen!

Bitte prüfen Sie unbedingt die 10-stellige Typennummer Ihrer Maschine / Ihres Gerätes. Das Ersatzteil ist nur kompatibel, wenn Sie die Typennummer Ihrer Maschine in der unten stehenden Produktbeschreibung finden.

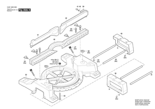
Bitte prüfen Sie ebenfalls detailliert die Explosionszeichnung mit Ihrem Artikelwunsch und der jeweiligen Pos-Nummer.

Alle Elemente, welche vom schwarzen Strich der Pos-Nummer ausgehend berührt / erfasst werden, gehören zu dieser Pos-Nummer und somit zu diesem Artikel. Jede Pos-Nummer ist ein eigenständiger Artikel, welchen Sie in der Auflistung finden.

Sie erhalten stets die aktuellste, neueste Produktversion zu der gewählten Pos-Nummer seitens des Herstellers. Es kann daher je nach Gerätealter vorkommen, dass Sie ggf. weitere, zugehörige Elemente, welche an diese Pos-Nummer grenzen, ebenfalls mittauschen müssen.

Nähere Informationen finden Sie unter dem Link
Hinweise zu Ihrer BOSCH Ersatzteilsuche

Preisübersicht

Einzelpreis: 3,63 €* (Brutto: 4,32 €)
Gesamtpreis: 3,63 €* 
Position:

Lieferzeit: 5 Werktage


Beschreibung

  • Gestänge
  • Original Bosch Zubehör / BOSCH Ersatzteil (1619PB6243)
  • im Gerät verbaut: 1
Dieses BOSCH Ersatzteil ist mit folgendem Gerät und Modell kompatibel:
  • BOSCH Gerätename: GCM 254 D
  • BOSCH Explosionszeichnung: Position 207
  • BOSCH Typennummer: 3601M530L0
  • BOSCH Typennummer alternative Schreibweisen: 3 601 M53 0L0, 3601 M53 0L0, 3.601.M53.0L0, 3-601-M53-0L0
    Bitte prüfen Sie diese Typennummer auf Ihrem Gerät um die Kompatibilität des BOSCH Ersatzteils zu gewährleisten.
Weitere BOSCH Ersatzteile des Gerätes GCM 254 D (Kapp-/Zugsäge) mit der Typennummer 3601M530L0 finden Sie in der nachfolgenden Darstellung und im Dropdown zu Ihrer Auswahl:

Pos.
2
BOSCH Polschuh 115-127V | Ersatzteile für GCM 254 D | 1619PC0835
Hersteller: BOSCH
Artikelnummer: EB-3601M530L0-1619PC0835
Netto: 47,09 € zzgl. MwSt.
zzgl. 6,90 € Versand (brutto)
einmalig pro Bestellung

Lieferzeit: 5 Werktage

Pos.
2
BOSCH Polschuh 220-240V | Ersatzteile für GCM 254 D | 1619PC0688
Hersteller: BOSCH
Artikelnummer: EB-3601M530L0-1619PC0688
Netto: 47,09 € zzgl. MwSt.
zzgl. 6,90 € Versand (brutto)
einmalig pro Bestellung

Lieferzeit: 5 Werktage

Pos.
4
BOSCH Schalter | Ersatzteile für GCM 254 D | 1619PC0675
Hersteller: BOSCH
Artikelnummer: EB-3601M530L0-1619PC0675
Netto: 11,92 € zzgl. MwSt.
zzgl. 6,90 € Versand (brutto)
einmalig pro Bestellung

Lieferzeit: 5 Werktage

Pos.
5
BOSCH Netzanschlussleitung | Ersatzteile für GCM 254 D | 1619PC0692
Hersteller: BOSCH
Artikelnummer: EB-3601M530L0-1619PC0692
Netto: 14,36 € zzgl. MwSt.
zzgl. 6,90 € Versand (brutto)
einmalig pro Bestellung

Lieferzeit: 5 Werktage

Pos.
6
BOSCH Tülle | Ersatzteile für GCM 254 D | 1619PB6112
Hersteller: BOSCH
Artikelnummer: EB-3601M530L0-1619PB6112
Netto: 3,94 € zzgl. MwSt.
zzgl. 6,90 € Versand (brutto)
einmalig pro Bestellung

Lieferzeit: 5 Werktage

Pos.
7
BOSCH Leitungsclip | Ersatzteile für GCM 254 D | 1619PB9038
Hersteller: BOSCH
Artikelnummer: EB-3601M530L0-1619PB9038
Netto: 3,63 € zzgl. MwSt.
zzgl. 6,90 € Versand (brutto)
einmalig pro Bestellung

Lieferzeit: 5 Werktage

Pos.
8
BOSCH Typschild | Ersatzteile für GCM 254 D | 1619PC0699
Hersteller: BOSCH
Artikelnummer: EB-3601M530L0-1619PC0699
Netto: 4,53 € zzgl. MwSt.
zzgl. 6,90 € Versand (brutto)
einmalig pro Bestellung

Lieferzeit: 5 Werktage

Pos.
12
BOSCH Kondensator | Ersatzteile für GCM 254 D | 1619PB9041
Hersteller: BOSCH
Artikelnummer: EB-3601M530L0-1619PB9041
Netto: 3,94 € zzgl. MwSt.
zzgl. 6,90 € Versand (brutto)
einmalig pro Bestellung

Lieferzeit: 5 Werktage

Pos.
19
BOSCH Flachkopfschraube | Ersatzteile für GCM 254 D | 1619PB6120
Hersteller: BOSCH
Artikelnummer: EB-3601M530L0-1619PB6120
Netto: 3,63 € zzgl. MwSt.
zzgl. 6,90 € Versand (brutto)
einmalig pro Bestellung

Lieferzeit: 5 Werktage

Pos.
20
BOSCH Warnzettel | Ersatzteile für GCM 254 D | 1619PB9047
Hersteller: BOSCH
Artikelnummer: EB-3601M530L0-1619PB9047
Netto: 3,63 € zzgl. MwSt.
zzgl. 6,90 € Versand (brutto)
einmalig pro Bestellung

Lieferzeit: 5 Werktage

Pos.
24
BOSCH Flügelgriff | Ersatzteile für GCM 254 D | 1619PC0710
Hersteller: BOSCH
Artikelnummer: EB-3601M530L0-1619PC0710
Netto: 3,63 € zzgl. MwSt.
zzgl. 6,90 € Versand (brutto)
einmalig pro Bestellung

Lieferzeit: 5 Werktage

Pos.
30
BOSCH Schraube | Ersatzteile für GCM 254 D | 1619PC0569
Hersteller: BOSCH
Artikelnummer: EB-3601M530L0-1619PC0569
Netto: 3,63 € zzgl. MwSt.
zzgl. 6,90 € Versand (brutto)
einmalig pro Bestellung

Lieferzeit: 5 Werktage

Pos.
39
BOSCH Gleitschuh | Ersatzteile für GCM 254 D | 1619PB6136
Hersteller: BOSCH
Artikelnummer: EB-3601M530L0-1619PB6136
Netto: 3,94 € zzgl. MwSt.
zzgl. 6,90 € Versand (brutto)
einmalig pro Bestellung

Lieferzeit: 5 Werktage

Pos.
40
BOSCH Federscheibe 65MN | Ersatzteile für GCM 254 D | 1619PB6138
Hersteller: BOSCH
Artikelnummer: EB-3601M530L0-1619PB6138
Netto: 3,63 € zzgl. MwSt.
zzgl. 6,90 € Versand (brutto)
einmalig pro Bestellung

Lieferzeit: 5 Werktage

Pos.
41
BOSCH Zylinderschraube PP-GF25+Q235A | Ersatzteile für GCM 254 D | 1619PB6137
Hersteller: BOSCH
Artikelnummer: EB-3601M530L0-1619PB6137
Netto: 3,63 € zzgl. MwSt.
zzgl. 6,90 € Versand (brutto)
einmalig pro Bestellung

Lieferzeit: 5 Werktage

Pos.
42
BOSCH Gehrungslineal YL102 | Ersatzteile für GCM 254 D | 1619PC0714
Hersteller: BOSCH
Artikelnummer: EB-3601M530L0-1619PC0714
Netto: 14,36 € zzgl. MwSt.
zzgl. 6,90 € Versand (brutto)
einmalig pro Bestellung

Lieferzeit: 5 Werktage

Pos.
45
BOSCH Ergänzungsgestell YL102 | Ersatzteile für GCM 254 D | 1619PC0715
Hersteller: BOSCH
Artikelnummer: EB-3601M530L0-1619PC0715
Netto: 11,92 € zzgl. MwSt.
zzgl. 6,90 € Versand (brutto)
einmalig pro Bestellung

Lieferzeit: 5 Werktage

Pos.
46
BOSCH Gehrungslineal YL102 | Ersatzteile für GCM 254 D | 1619PC0716
Hersteller: BOSCH
Artikelnummer: EB-3601M530L0-1619PC0716
Netto: 32,74 € zzgl. MwSt.
zzgl. 6,90 € Versand (brutto)
einmalig pro Bestellung

Lieferzeit: 5 Werktage

Pos.
47
BOSCH Knopfgriff | Ersatzteile für GCM 254 D | 1619PB6142
Hersteller: BOSCH
Artikelnummer: EB-3601M530L0-1619PB6142
Netto: 3,94 € zzgl. MwSt.
zzgl. 6,90 € Versand (brutto)
einmalig pro Bestellung

Lieferzeit: 5 Werktage

Pos.
48
BOSCH Schraube M6×30 | Ersatzteile für GCM 254 D | 1619PC0717
Hersteller: BOSCH
Artikelnummer: EB-3601M530L0-1619PC0717
Netto: 3,63 € zzgl. MwSt.
zzgl. 6,90 € Versand (brutto)
einmalig pro Bestellung

Lieferzeit: 5 Werktage

Pos.
49
BOSCH Gewindestift | Ersatzteile für GCM 254 D | 1619PB6171
Hersteller: BOSCH
Artikelnummer: EB-3601M530L0-1619PB6171
Netto: 3,63 € zzgl. MwSt.
zzgl. 6,90 € Versand (brutto)
einmalig pro Bestellung

Lieferzeit: 5 Werktage

Pos.
50
BOSCH Etikett | Ersatzteile für GCM 254 D | 1619PB9053
Hersteller: BOSCH
Artikelnummer: EB-3601M530L0-1619PB9053
Netto: 3,63 € zzgl. MwSt.
zzgl. 6,90 € Versand (brutto)
einmalig pro Bestellung

Lieferzeit: 5 Werktage

Pos.
51
BOSCH Gehrungslineal YL102 | Ersatzteile für GCM 254 D | 1619PC0718
Hersteller: BOSCH
Artikelnummer: EB-3601M530L0-1619PC0718
Netto: 9,95 € zzgl. MwSt.
zzgl. 6,90 € Versand (brutto)
einmalig pro Bestellung

Lieferzeit: 5 Werktage

Pos.
52
BOSCH Sockel YL102 | Ersatzteile für GCM 254 D | 1619PC0719
Hersteller: BOSCH
Artikelnummer: EB-3601M530L0-1619PC0719
Netto: 70,50 € zzgl. MwSt.
zzgl. 6,90 € Versand (brutto)
einmalig pro Bestellung

Lieferzeit: 5 Werktage

Pos.
53
BOSCH Bolzen M8×50 | Ersatzteile für GCM 254 D | 1619PC0720
Hersteller: BOSCH
Artikelnummer: EB-3601M530L0-1619PC0720
Netto: 3,63 € zzgl. MwSt.
zzgl. 6,90 € Versand (brutto)
einmalig pro Bestellung

Lieferzeit: 5 Werktage

Pos.
54
BOSCH Flachkopfschraube | Ersatzteile für GCM 254 D | 1619PB6130
Hersteller: BOSCH
Artikelnummer: EB-3601M530L0-1619PB6130
Netto: 3,63 € zzgl. MwSt.
zzgl. 6,90 € Versand (brutto)
einmalig pro Bestellung

Lieferzeit: 5 Werktage

Pos.
55
BOSCH Stab Q235A | Ersatzteile für GCM 254 D | 1619PC0721
Hersteller: BOSCH
Artikelnummer: EB-3601M530L0-1619PC0721
Netto: 9,95 € zzgl. MwSt.
zzgl. 6,90 € Versand (brutto)
einmalig pro Bestellung

Lieferzeit: 5 Werktage

Pos.
56
BOSCH Ergänzungsgestell YL102 | Ersatzteile für GCM 254 D | 1619PC0722
Hersteller: BOSCH
Artikelnummer: EB-3601M530L0-1619PC0722
Netto: 10,92 € zzgl. MwSt.
zzgl. 6,90 € Versand (brutto)
einmalig pro Bestellung

Lieferzeit: 5 Werktage

Pos.
57
BOSCH Schraube M6×6 | Ersatzteile für GCM 254 D | 1619PC0723
Hersteller: BOSCH
Artikelnummer: EB-3601M530L0-1619PC0723
Netto: 3,63 € zzgl. MwSt.
zzgl. 6,90 € Versand (brutto)
einmalig pro Bestellung

Lieferzeit: 5 Werktage

Pos.
58
BOSCH Drehgriff | Ersatzteile für GCM 254 D | 1619PB9084
Hersteller: BOSCH
Artikelnummer: EB-3601M530L0-1619PB9084
Netto: 4,53 € zzgl. MwSt.
zzgl. 6,90 € Versand (brutto)
einmalig pro Bestellung

Lieferzeit: 5 Werktage

Pos.
59
BOSCH Feder 65MN | Ersatzteile für GCM 254 D | 1619PC0724
Hersteller: BOSCH
Artikelnummer: EB-3601M530L0-1619PC0724
Netto: 3,63 € zzgl. MwSt.
zzgl. 6,90 € Versand (brutto)
einmalig pro Bestellung

Lieferzeit: 5 Werktage

Pos.
60
BOSCH Drehgriff PP-GF25+Q235A | Ersatzteile für GCM 254 D | 1619PC0725
Hersteller: BOSCH
Artikelnummer: EB-3601M530L0-1619PC0725
Netto: 3,63 € zzgl. MwSt.
zzgl. 6,90 € Versand (brutto)
einmalig pro Bestellung

Lieferzeit: 5 Werktage

Pos.
61
BOSCH Ansatzstift 6×40 | Ersatzteile für GCM 254 D | 1619PC0726
Hersteller: BOSCH
Artikelnummer: EB-3601M530L0-1619PC0726
Netto: 3,63 € zzgl. MwSt.
zzgl. 6,90 € Versand (brutto)
einmalig pro Bestellung

Lieferzeit: 5 Werktage

Pos.
62
BOSCH Stellknopf PA6-GF30 | Ersatzteile für GCM 254 D | 1619PC0727
Hersteller: BOSCH
Artikelnummer: EB-3601M530L0-1619PC0727
Netto: 3,63 € zzgl. MwSt.
zzgl. 6,90 € Versand (brutto)
einmalig pro Bestellung

Lieferzeit: 5 Werktage

Pos.
63
BOSCH Sechskantmutter Q235A | Ersatzteile für GCM 254 D | 1619PB6149
Hersteller: BOSCH
Artikelnummer: EB-3601M530L0-1619PB6149
Netto: 3,63 € zzgl. MwSt.
zzgl. 6,90 € Versand (brutto)
einmalig pro Bestellung

Lieferzeit: 5 Werktage

Pos.
64
BOSCH Schraube Q235A, M5×12 | Ersatzteile für GCM 254 D | 1619PC0728
Hersteller: BOSCH
Artikelnummer: EB-3601M530L0-1619PC0728
Netto: 3,63 € zzgl. MwSt.
zzgl. 6,90 € Versand (brutto)
einmalig pro Bestellung

Lieferzeit: 5 Werktage

Pos.
65
BOSCH Knopf YL102 | Ersatzteile für GCM 254 D | 1619PC0729
Hersteller: BOSCH
Artikelnummer: EB-3601M530L0-1619PC0729
Netto: 4,82 € zzgl. MwSt.
zzgl. 6,90 € Versand (brutto)
einmalig pro Bestellung

Lieferzeit: 5 Werktage

Pos.
66
BOSCH Hohlfeder 65MN | Ersatzteile für GCM 254 D | 1619PC0730
Hersteller: BOSCH
Artikelnummer: EB-3601M530L0-1619PC0730
Netto: 3,63 € zzgl. MwSt.
zzgl. 6,90 € Versand (brutto)
einmalig pro Bestellung

Lieferzeit: 5 Werktage

Pos.
67
BOSCH Gummi-Ohrkissen POM | Ersatzteile für GCM 254 D | 1619PC0731
Hersteller: BOSCH
Artikelnummer: EB-3601M530L0-1619PC0731
Netto: 3,63 € zzgl. MwSt.
zzgl. 6,90 € Versand (brutto)
einmalig pro Bestellung

Lieferzeit: 5 Werktage

Pos.
69
BOSCH Klemmlasche Q235A | Ersatzteile für GCM 254 D | 1619PC0732
Hersteller: BOSCH
Artikelnummer: EB-3601M530L0-1619PC0732
Netto: 3,63 € zzgl. MwSt.
zzgl. 6,90 € Versand (brutto)
einmalig pro Bestellung

Lieferzeit: 5 Werktage

Pos.
72
BOSCH Welle Q235A | Ersatzteile für GCM 254 D | 1619PC0733
Hersteller: BOSCH
Artikelnummer: EB-3601M530L0-1619PC0733
Netto: 4,82 € zzgl. MwSt.
zzgl. 6,90 € Versand (brutto)
einmalig pro Bestellung

Lieferzeit: 5 Werktage

Pos.
73
BOSCH Gegenscheibe Q235A | Ersatzteile für GCM 254 D | 1619PC0734
Hersteller: BOSCH
Artikelnummer: EB-3601M530L0-1619PC0734
Netto: 3,94 € zzgl. MwSt.
zzgl. 6,90 € Versand (brutto)
einmalig pro Bestellung

Lieferzeit: 5 Werktage

Pos.
74
BOSCH Gewindestift | Ersatzteile für GCM 254 D | 1619PB6155
Hersteller: BOSCH
Artikelnummer: EB-3601M530L0-1619PB6155
Netto: 3,63 € zzgl. MwSt.
zzgl. 6,90 € Versand (brutto)
einmalig pro Bestellung

Lieferzeit: 5 Werktage

Pos.
75
BOSCH Anschlagklotz FZ1360 | Ersatzteile für GCM 254 D | 1619PC0735
Hersteller: BOSCH
Artikelnummer: EB-3601M530L0-1619PC0735
Netto: 6,70 € zzgl. MwSt.
zzgl. 6,90 € Versand (brutto)
einmalig pro Bestellung

Lieferzeit: 5 Werktage

Pos.
76
BOSCH Schraube Q235A | Ersatzteile für GCM 254 D | 1619PC0736
Hersteller: BOSCH
Artikelnummer: EB-3601M530L0-1619PC0736
Netto: 3,94 € zzgl. MwSt.
zzgl. 6,90 € Versand (brutto)
einmalig pro Bestellung

Lieferzeit: 5 Werktage

Pos.
78
BOSCH Gewindestift | Ersatzteile für GCM 254 D | 1619PB6175
Hersteller: BOSCH
Artikelnummer: EB-3601M530L0-1619PB6175
Netto: 3,63 € zzgl. MwSt.
zzgl. 6,90 € Versand (brutto)
einmalig pro Bestellung

Lieferzeit: 5 Werktage

Pos.
79
BOSCH Unterlegscheibe F4×12×1 | Ersatzteile für GCM 254 D | 1619PC0738
Hersteller: BOSCH
Artikelnummer: EB-3601M530L0-1619PC0738
Netto: 3,63 € zzgl. MwSt.
zzgl. 6,90 € Versand (brutto)
einmalig pro Bestellung

Lieferzeit: 5 Werktage

Pos.
80
BOSCH Knopf FZ1360 | Ersatzteile für GCM 254 D | 1619PC0739
Hersteller: BOSCH
Artikelnummer: EB-3601M530L0-1619PC0739
Netto: 3,94 € zzgl. MwSt.
zzgl. 6,90 € Versand (brutto)
einmalig pro Bestellung

Lieferzeit: 5 Werktage

Pos.
81
BOSCH Hohlfeder 65MN | Ersatzteile für GCM 254 D | 1619PC0740
Hersteller: BOSCH
Artikelnummer: EB-3601M530L0-1619PC0740
Netto: 3,63 € zzgl. MwSt.
zzgl. 6,90 € Versand (brutto)
einmalig pro Bestellung

Lieferzeit: 5 Werktage

Pos.
82
BOSCH Schraube M6×10 | Ersatzteile für GCM 254 D | 1619PC0741
Hersteller: BOSCH
Artikelnummer: EB-3601M530L0-1619PC0741
Netto: 3,94 € zzgl. MwSt.
zzgl. 6,90 € Versand (brutto)
einmalig pro Bestellung

Lieferzeit: 5 Werktage

Pos.
83
BOSCH Welle | Ersatzteile für GCM 254 D | 1619PC0742
Hersteller: BOSCH
Artikelnummer: EB-3601M530L0-1619PC0742
Netto: 4,53 € zzgl. MwSt.
zzgl. 6,90 € Versand (brutto)
einmalig pro Bestellung

Lieferzeit: 5 Werktage

Pos.
85
BOSCH Etikett | Ersatzteile für GCM 254 D | 1619PC0744
Hersteller: BOSCH
Artikelnummer: EB-3601M530L0-1619PC0744
Netto: 3,63 € zzgl. MwSt.
zzgl. 6,90 € Versand (brutto)
einmalig pro Bestellung

Lieferzeit: 5 Werktage

Pos.
86
BOSCH Knopf YL102 | Ersatzteile für GCM 254 D | 1619PC0745
Hersteller: BOSCH
Artikelnummer: EB-3601M530L0-1619PC0745
Netto: 3,63 € zzgl. MwSt.
zzgl. 6,90 € Versand (brutto)
einmalig pro Bestellung

Lieferzeit: 5 Werktage

Pos.
87
BOSCH Senkschraube | Ersatzteile für GCM 254 D | 1619PB6186
Hersteller: BOSCH
Artikelnummer: EB-3601M530L0-1619PB6186
Netto: 3,63 € zzgl. MwSt.
zzgl. 6,90 € Versand (brutto)
einmalig pro Bestellung

Lieferzeit: 5 Werktage

Pos.
88
BOSCH Sechskantmutter Q235A | Ersatzteile für GCM 254 D | 1619PB6178
Hersteller: BOSCH
Artikelnummer: EB-3601M530L0-1619PB6178
Netto: 3,63 € zzgl. MwSt.
zzgl. 6,90 € Versand (brutto)
einmalig pro Bestellung

Lieferzeit: 5 Werktage

Pos.
89
BOSCH Gegenscheibe | Ersatzteile für GCM 254 D | 1619PC0746
Hersteller: BOSCH
Artikelnummer: EB-3601M530L0-1619PC0746
Netto: 3,63 € zzgl. MwSt.
zzgl. 6,90 € Versand (brutto)
einmalig pro Bestellung

Lieferzeit: 5 Werktage

Pos.
90
BOSCH Anzeigegerät | Ersatzteile für GCM 254 D | 1619PC0747
Hersteller: BOSCH
Artikelnummer: EB-3601M530L0-1619PC0747
Netto: 3,63 € zzgl. MwSt.
zzgl. 6,90 € Versand (brutto)
einmalig pro Bestellung

Lieferzeit: 5 Werktage

Pos.
91
BOSCH Gegenscheibe | Ersatzteile für GCM 254 D | 1619PC0748
Hersteller: BOSCH
Artikelnummer: EB-3601M530L0-1619PC0748
Netto: 3,94 € zzgl. MwSt.
zzgl. 6,90 € Versand (brutto)
einmalig pro Bestellung

Lieferzeit: 5 Werktage

Pos.
92
BOSCH Welle | Ersatzteile für GCM 254 D | 1619PC0749
Hersteller: BOSCH
Artikelnummer: EB-3601M530L0-1619PC0749
Netto: 3,63 € zzgl. MwSt.
zzgl. 6,90 € Versand (brutto)
einmalig pro Bestellung

Lieferzeit: 5 Werktage

Pos.
93
BOSCH Schraube | Ersatzteile für GCM 254 D | 1619PC0750
Hersteller: BOSCH
Artikelnummer: EB-3601M530L0-1619PC0750
Netto: 3,63 € zzgl. MwSt.
zzgl. 6,90 € Versand (brutto)
einmalig pro Bestellung

Lieferzeit: 5 Werktage

Pos.
94
BOSCH Anschlussplatte PA6-GF30 | Ersatzteile für GCM 254 D | 1619PC0751
Hersteller: BOSCH
Artikelnummer: EB-3601M530L0-1619PC0751
Netto: 4,53 € zzgl. MwSt.
zzgl. 6,90 € Versand (brutto)
einmalig pro Bestellung

Lieferzeit: 5 Werktage

Pos.
95
BOSCH Stab Q235A | Ersatzteile für GCM 254 D | 1619PC0752
Hersteller: BOSCH
Artikelnummer: EB-3601M530L0-1619PC0752
Netto: 3,94 € zzgl. MwSt.
zzgl. 6,90 € Versand (brutto)
einmalig pro Bestellung

Lieferzeit: 5 Werktage

Pos.
96
BOSCH Abdeckplatte ABS | Ersatzteile für GCM 254 D | 1619PC0753
Hersteller: BOSCH
Artikelnummer: EB-3601M530L0-1619PC0753
Netto: 4,53 € zzgl. MwSt.
zzgl. 6,90 € Versand (brutto)
einmalig pro Bestellung

Lieferzeit: 5 Werktage

Pos.
97
BOSCH O-Ring F6.3×1.8 | Ersatzteile für GCM 254 D | 1619PC0754
Hersteller: BOSCH
Artikelnummer: EB-3601M530L0-1619PC0754
Netto: 3,63 € zzgl. MwSt.
zzgl. 6,90 € Versand (brutto)
einmalig pro Bestellung

Lieferzeit: 5 Werktage

Pos.
98
BOSCH Anzeigegerät | Ersatzteile für GCM 254 D | 1619PC0755
Hersteller: BOSCH
Artikelnummer: EB-3601M530L0-1619PC0755
Netto: 3,63 € zzgl. MwSt.
zzgl. 6,90 € Versand (brutto)
einmalig pro Bestellung

Lieferzeit: 5 Werktage

Pos.
99
BOSCH Mutter | Ersatzteile für GCM 254 D | 1619PB6210
Hersteller: BOSCH
Artikelnummer: EB-3601M530L0-1619PB6210
Netto: 3,63 € zzgl. MwSt.
zzgl. 6,90 € Versand (brutto)
einmalig pro Bestellung

Lieferzeit: 5 Werktage

Pos.
100
BOSCH Bolzen M6×25 | Ersatzteile für GCM 254 D | 1619PC0756
Hersteller: BOSCH
Artikelnummer: EB-3601M530L0-1619PC0756
Netto: 3,63 € zzgl. MwSt.
zzgl. 6,90 € Versand (brutto)
einmalig pro Bestellung

Lieferzeit: 5 Werktage

Pos.
101
BOSCH Bolzen M6×30 | Ersatzteile für GCM 254 D | 1619PC0757
Hersteller: BOSCH
Artikelnummer: EB-3601M530L0-1619PC0757
Netto: 3,63 € zzgl. MwSt.
zzgl. 6,90 € Versand (brutto)
einmalig pro Bestellung

Lieferzeit: 5 Werktage

Pos.
102
BOSCH Unterlegscheibe | Ersatzteile für GCM 254 D | 1619PB6166
Hersteller: BOSCH
Artikelnummer: EB-3601M530L0-1619PB6166
Netto: 3,63 € zzgl. MwSt.
zzgl. 6,90 € Versand (brutto)
einmalig pro Bestellung

Lieferzeit: 5 Werktage

Pos.
103
BOSCH Mutter | Ersatzteile für GCM 254 D | 1619PB6167
Hersteller: BOSCH
Artikelnummer: EB-3601M530L0-1619PB6167
Netto: 3,63 € zzgl. MwSt.
zzgl. 6,90 € Versand (brutto)
einmalig pro Bestellung

Lieferzeit: 5 Werktage

Pos.
104
BOSCH Blech 65MN | Ersatzteile für GCM 254 D | 1619PC0758
Hersteller: BOSCH
Artikelnummer: EB-3601M530L0-1619PC0758
Netto: 4,53 € zzgl. MwSt.
zzgl. 6,90 € Versand (brutto)
einmalig pro Bestellung

Lieferzeit: 5 Werktage

Pos.
105
BOSCH Gegenscheibe FZ1360 | Ersatzteile für GCM 254 D | 1619PC0759
Hersteller: BOSCH
Artikelnummer: EB-3601M530L0-1619PC0759
Netto: 3,94 € zzgl. MwSt.
zzgl. 6,90 € Versand (brutto)
einmalig pro Bestellung

Lieferzeit: 5 Werktage

Pos.
106
BOSCH Schraube M4×16 | Ersatzteile für GCM 254 D | 1619PC0760
Hersteller: BOSCH
Artikelnummer: EB-3601M530L0-1619PC0760
Netto: 3,63 € zzgl. MwSt.
zzgl. 6,90 € Versand (brutto)
einmalig pro Bestellung

Lieferzeit: 5 Werktage

Pos.
107
BOSCH Bolzen M4×16 | Ersatzteile für GCM 254 D | 1619PC0761
Hersteller: BOSCH
Artikelnummer: EB-3601M530L0-1619PC0761
Netto: 3,63 € zzgl. MwSt.
zzgl. 6,90 € Versand (brutto)
einmalig pro Bestellung

Lieferzeit: 5 Werktage

Pos.
108
BOSCH Deckel M10 | Ersatzteile für GCM 254 D | 1619PC0762
Hersteller: BOSCH
Artikelnummer: EB-3601M530L0-1619PC0762
Netto: 3,94 € zzgl. MwSt.
zzgl. 6,90 € Versand (brutto)
einmalig pro Bestellung

Lieferzeit: 5 Werktage

Pos.
109
BOSCH Schraube ABS | Ersatzteile für GCM 254 D | 1619PC0763
Hersteller: BOSCH
Artikelnummer: EB-3601M530L0-1619PC0763
Netto: 3,63 € zzgl. MwSt.
zzgl. 6,90 € Versand (brutto)
einmalig pro Bestellung

Lieferzeit: 5 Werktage

Pos.
110
BOSCH Deckel M5×16 | Ersatzteile für GCM 254 D | 1619PC0764
Hersteller: BOSCH
Artikelnummer: EB-3601M530L0-1619PC0764
Netto: 7,30 € zzgl. MwSt.
zzgl. 6,90 € Versand (brutto)
einmalig pro Bestellung

Lieferzeit: 5 Werktage

Pos.
111
BOSCH Welle YL102 | Ersatzteile für GCM 254 D | 1619PC0765
Hersteller: BOSCH
Artikelnummer: EB-3601M530L0-1619PC0765
Netto: 3,63 € zzgl. MwSt.
zzgl. 6,90 € Versand (brutto)
einmalig pro Bestellung

Lieferzeit: 5 Werktage

Pos.
112
BOSCH Stab ?6×12,65MN | Ersatzteile für GCM 254 D | 1619PC0766
Hersteller: BOSCH
Artikelnummer: EB-3601M530L0-1619PC0766
Netto: 8,33 € zzgl. MwSt.
zzgl. 6,90 € Versand (brutto)
einmalig pro Bestellung

Lieferzeit: 5 Werktage

Pos.
113
BOSCH Schraube | Ersatzteile für GCM 254 D | 1619PC0767
Hersteller: BOSCH
Artikelnummer: EB-3601M530L0-1619PC0767
Netto: 3,63 € zzgl. MwSt.
zzgl. 6,90 € Versand (brutto)
einmalig pro Bestellung

Lieferzeit: 5 Werktage

Pos.
114
BOSCH Deckel M5×10 | Ersatzteile für GCM 254 D | 1619PC0768
Hersteller: BOSCH
Artikelnummer: EB-3601M530L0-1619PC0768
Netto: 3,94 € zzgl. MwSt.
zzgl. 6,90 € Versand (brutto)
einmalig pro Bestellung

Lieferzeit: 5 Werktage

Pos.
115
BOSCH Polster ABS | Ersatzteile für GCM 254 D | 1619PC0769
Hersteller: BOSCH
Artikelnummer: EB-3601M530L0-1619PC0769
Netto: 3,63 € zzgl. MwSt.
zzgl. 6,90 € Versand (brutto)
einmalig pro Bestellung

Lieferzeit: 5 Werktage

Pos.
116
BOSCH Filzgleiter SOFT PVC | Ersatzteile für GCM 254 D | 1619PC0770
Hersteller: BOSCH
Artikelnummer: EB-3601M530L0-1619PC0770
Netto: 3,94 € zzgl. MwSt.
zzgl. 6,90 € Versand (brutto)
einmalig pro Bestellung

Lieferzeit: 5 Werktage

Pos.
117
BOSCH Linearkugellager F25×F40×1 | Ersatzteile für GCM 254 D | 1619PC0771
Hersteller: BOSCH
Artikelnummer: EB-3601M530L0-1619PC0771
Netto: 3,94 € zzgl. MwSt.
zzgl. 6,90 € Versand (brutto)
einmalig pro Bestellung

Lieferzeit: 5 Werktage

Pos.
118
BOSCH Knopf F25×F40×30 | Ersatzteile für GCM 254 D | 1619PC0772
Hersteller: BOSCH
Artikelnummer: EB-3601M530L0-1619PC0772
Netto: 3,94 € zzgl. MwSt.
zzgl. 6,90 € Versand (brutto)
einmalig pro Bestellung

Lieferzeit: 5 Werktage

Pos.
119
BOSCH Arm PP-GF25+Q235A | Ersatzteile für GCM 254 D | 1619PC0773
Hersteller: BOSCH
Artikelnummer: EB-3601M530L0-1619PC0773
Netto: 32,74 € zzgl. MwSt.
zzgl. 6,90 € Versand (brutto)
einmalig pro Bestellung

Lieferzeit: 5 Werktage

Pos.
120
BOSCH Gewindestift | Ersatzteile für GCM 254 D | 1619PB6192
Hersteller: BOSCH
Artikelnummer: EB-3601M530L0-1619PB6192
Netto: 3,94 € zzgl. MwSt.
zzgl. 6,90 € Versand (brutto)
einmalig pro Bestellung

Lieferzeit: 5 Werktage

Pos.
121
BOSCH Kfz-Halterung YL102 | Ersatzteile für GCM 254 D | 1619PC0774
Hersteller: BOSCH
Artikelnummer: EB-3601M530L0-1619PC0774
Netto: 3,63 € zzgl. MwSt.
zzgl. 6,90 € Versand (brutto)
einmalig pro Bestellung

Lieferzeit: 5 Werktage

Pos.
122
BOSCH Laser | Ersatzteile für GCM 254 D | 1619PB9077
Hersteller: BOSCH
Artikelnummer: EB-3601M530L0-1619PB9077
Netto: 7,76 € zzgl. MwSt.
zzgl. 6,90 € Versand (brutto)
einmalig pro Bestellung

Lieferzeit: 5 Werktage

Pos.
123
BOSCH Haltearm | Ersatzteile für GCM 254 D | 1619PC0775
Hersteller: BOSCH
Artikelnummer: EB-3601M530L0-1619PC0775
Netto: 21,16 € zzgl. MwSt.
zzgl. 6,90 € Versand (brutto)
einmalig pro Bestellung

Lieferzeit: 5 Werktage

Pos.
124
BOSCH Rastbolzen Q235A | Ersatzteile für GCM 254 D | 1619PB6173
Hersteller: BOSCH
Artikelnummer: EB-3601M530L0-1619PB6173
Netto: 3,94 € zzgl. MwSt.
zzgl. 6,90 € Versand (brutto)
einmalig pro Bestellung

Lieferzeit: 5 Werktage

Pos.
125
BOSCH O-Ring ABS | Ersatzteile für GCM 254 D | 1619PB6174
Hersteller: BOSCH
Artikelnummer: EB-3601M530L0-1619PB6174
Netto: 3,63 € zzgl. MwSt.
zzgl. 6,90 € Versand (brutto)
einmalig pro Bestellung

Lieferzeit: 5 Werktage

Pos.
126
BOSCH Drehfeder YL102 | Ersatzteile für GCM 254 D | 1619PC0776
Hersteller: BOSCH
Artikelnummer: EB-3601M530L0-1619PC0776
Netto: 7,30 € zzgl. MwSt.
zzgl. 6,90 € Versand (brutto)
einmalig pro Bestellung

Lieferzeit: 5 Werktage

Pos.
127
BOSCH Spannbuchse Q235A | Ersatzteile für GCM 254 D | 1619PB6162
Hersteller: BOSCH
Artikelnummer: EB-3601M530L0-1619PB6162
Netto: 3,63 € zzgl. MwSt.
zzgl. 6,90 € Versand (brutto)
einmalig pro Bestellung

Lieferzeit: 5 Werktage

Pos.
128
BOSCH Ansatzstift 55CRSI | Ersatzteile für GCM 254 D | 1619PC0777
Hersteller: BOSCH
Artikelnummer: EB-3601M530L0-1619PC0777
Netto: 4,53 € zzgl. MwSt.
zzgl. 6,90 € Versand (brutto)
einmalig pro Bestellung

Lieferzeit: 5 Werktage

Pos.
129
BOSCH Schraube Q235A | Ersatzteile für GCM 254 D | 1619PC0778
Hersteller: BOSCH
Artikelnummer: EB-3601M530L0-1619PC0778
Netto: 3,63 € zzgl. MwSt.
zzgl. 6,90 € Versand (brutto)
einmalig pro Bestellung

Lieferzeit: 5 Werktage

Pos.
130
BOSCH Schraube M6×16 | Ersatzteile für GCM 254 D | 1619PC0779
Hersteller: BOSCH
Artikelnummer: EB-3601M530L0-1619PC0779
Netto: 3,63 € zzgl. MwSt.
zzgl. 6,90 € Versand (brutto)
einmalig pro Bestellung

Lieferzeit: 5 Werktage

Pos.
131
BOSCH Federscheibe | Ersatzteile für GCM 254 D | 1619PB6177
Hersteller: BOSCH
Artikelnummer: EB-3601M530L0-1619PB6177
Netto: 3,63 € zzgl. MwSt.
zzgl. 6,90 € Versand (brutto)
einmalig pro Bestellung

Lieferzeit: 5 Werktage

Pos.
132
BOSCH Gegenscheibe | Ersatzteile für GCM 254 D | 1619PC0780
Hersteller: BOSCH
Artikelnummer: EB-3601M530L0-1619PC0780
Netto: 3,63 € zzgl. MwSt.
zzgl. 6,90 € Versand (brutto)
einmalig pro Bestellung

Lieferzeit: 5 Werktage

Pos.
133
BOSCH Blech F7×F12×0.8 | Ersatzteile für GCM 254 D | 1619PC0781
Hersteller: BOSCH
Artikelnummer: EB-3601M530L0-1619PC0781
Netto: 3,63 € zzgl. MwSt.
zzgl. 6,90 € Versand (brutto)
einmalig pro Bestellung

Lieferzeit: 5 Werktage

Pos.
134
BOSCH Bolzen | Ersatzteile für GCM 254 D | 1619PB6215
Hersteller: BOSCH
Artikelnummer: EB-3601M530L0-1619PB6215
Netto: 3,94 € zzgl. MwSt.
zzgl. 6,90 € Versand (brutto)
einmalig pro Bestellung

Lieferzeit: 5 Werktage

Pos.
135
BOSCH Aufspannflansch | Ersatzteile für GCM 254 D | 1619PB9140
Hersteller: BOSCH
Artikelnummer: EB-3601M530L0-1619PB9140
Netto: 5,67 € zzgl. MwSt.
zzgl. 6,90 € Versand (brutto)
einmalig pro Bestellung

Lieferzeit: 5 Werktage

Pos.
136
BOSCH Aufspannflansch | Ersatzteile für GCM 254 D | 1619PC0782
Hersteller: BOSCH
Artikelnummer: EB-3601M530L0-1619PC0782
Netto: 4,53 € zzgl. MwSt.
zzgl. 6,90 € Versand (brutto)
einmalig pro Bestellung

Lieferzeit: 5 Werktage

Pos.
137
BOSCH Schraube | Ersatzteile für GCM 254 D | 1619PC0783
Hersteller: BOSCH
Artikelnummer: EB-3601M530L0-1619PC0783
Netto: 3,63 € zzgl. MwSt.
zzgl. 6,90 € Versand (brutto)
einmalig pro Bestellung

Lieferzeit: 5 Werktage

Pos.
138
BOSCH Kugellager | Ersatzteile für GCM 254 D | 1619PB6221
Hersteller: BOSCH
Artikelnummer: EB-3601M530L0-1619PB6221
Netto: 5,67 € zzgl. MwSt.
zzgl. 6,90 € Versand (brutto)
einmalig pro Bestellung

Lieferzeit: 5 Werktage

Pos.
144
BOSCH Kollektor 40CR | Ersatzteile für GCM 254 D | 1619PC0786
Hersteller: BOSCH
Artikelnummer: EB-3601M530L0-1619PC0786
Netto: 4,82 € zzgl. MwSt.
zzgl. 6,90 € Versand (brutto)
einmalig pro Bestellung

Lieferzeit: 5 Werktage

Pos.
146
BOSCH Knopffeder ABS | Ersatzteile für GCM 254 D | 1619PC0787
Hersteller: BOSCH
Artikelnummer: EB-3601M530L0-1619PC0787
Netto: 3,63 € zzgl. MwSt.
zzgl. 6,90 € Versand (brutto)
einmalig pro Bestellung

Lieferzeit: 5 Werktage

Pos.
147
BOSCH Gegenscheibe 65MN | Ersatzteile für GCM 254 D | 1619PC0788
Hersteller: BOSCH
Artikelnummer: EB-3601M530L0-1619PC0788
Netto: 3,63 € zzgl. MwSt.
zzgl. 6,90 € Versand (brutto)
einmalig pro Bestellung

Lieferzeit: 5 Werktage

Pos.
148
BOSCH Tastknopf F5.5XF15X1 | Ersatzteile für GCM 254 D | 1619PC0789
Hersteller: BOSCH
Artikelnummer: EB-3601M530L0-1619PC0789
Netto: 3,63 € zzgl. MwSt.
zzgl. 6,90 € Versand (brutto)
einmalig pro Bestellung

Lieferzeit: 5 Werktage

Pos.
149
BOSCH Schraube Q235A | Ersatzteile für GCM 254 D | 1619PC0790
Hersteller: BOSCH
Artikelnummer: EB-3601M530L0-1619PC0790
Netto: 3,63 € zzgl. MwSt.
zzgl. 6,90 € Versand (brutto)
einmalig pro Bestellung

Lieferzeit: 5 Werktage

Pos.
150
BOSCH Sprengring Q235A | Ersatzteile für GCM 254 D | 1619PC0791
Hersteller: BOSCH
Artikelnummer: EB-3601M530L0-1619PC0791
Netto: 3,63 € zzgl. MwSt.
zzgl. 6,90 € Versand (brutto)
einmalig pro Bestellung

Lieferzeit: 5 Werktage

Pos.
151
BOSCH Blech F10 | Ersatzteile für GCM 254 D | 1619PC0792
Hersteller: BOSCH
Artikelnummer: EB-3601M530L0-1619PC0792
Netto: 3,63 € zzgl. MwSt.
zzgl. 6,90 € Versand (brutto)
einmalig pro Bestellung

Lieferzeit: 5 Werktage

Pos.
152
BOSCH Riemenscheibe | Ersatzteile für GCM 254 D | 1619PC0793
Hersteller: BOSCH
Artikelnummer: EB-3601M530L0-1619PC0793
Netto: 8,33 € zzgl. MwSt.
zzgl. 6,90 € Versand (brutto)
einmalig pro Bestellung

Lieferzeit: 5 Werktage

Pos.
153
BOSCH Riemen | Ersatzteile für GCM 254 D | 1619PC0794
Hersteller: BOSCH
Artikelnummer: EB-3601M530L0-1619PC0794
Netto: 17,38 € zzgl. MwSt.
zzgl. 6,90 € Versand (brutto)
einmalig pro Bestellung

Lieferzeit: 5 Werktage

Pos.
154
BOSCH Gegenscheibe | Ersatzteile für GCM 254 D | 1619PC0795
Hersteller: BOSCH
Artikelnummer: EB-3601M530L0-1619PC0795
Netto: 3,63 € zzgl. MwSt.
zzgl. 6,90 € Versand (brutto)
einmalig pro Bestellung

Lieferzeit: 5 Werktage

Pos.
155
BOSCH Schraube | Ersatzteile für GCM 254 D | 1619PC0796
Hersteller: BOSCH
Artikelnummer: EB-3601M530L0-1619PC0796
Netto: 3,63 € zzgl. MwSt.
zzgl. 6,90 € Versand (brutto)
einmalig pro Bestellung

Lieferzeit: 5 Werktage

Pos.
156
BOSCH Abdeckung M6×20 | Ersatzteile für GCM 254 D | 1619PC0797
Hersteller: BOSCH
Artikelnummer: EB-3601M530L0-1619PC0797
Netto: 7,76 € zzgl. MwSt.
zzgl. 6,90 € Versand (brutto)
einmalig pro Bestellung

Lieferzeit: 5 Werktage

Pos.
157
BOSCH Riemenscheibe M4×16 | Ersatzteile für GCM 254 D | 1619PC0798
Hersteller: BOSCH
Artikelnummer: EB-3601M530L0-1619PC0798
Netto: 5,67 € zzgl. MwSt.
zzgl. 6,90 € Versand (brutto)
einmalig pro Bestellung

Lieferzeit: 5 Werktage

Pos.
158
BOSCH Schraube | Ersatzteile für GCM 254 D | 1619PC0799
Hersteller: BOSCH
Artikelnummer: EB-3601M530L0-1619PC0799
Netto: 3,63 € zzgl. MwSt.
zzgl. 6,90 € Versand (brutto)
einmalig pro Bestellung

Lieferzeit: 5 Werktage

Pos.
159
BOSCH Schraube | Ersatzteile für GCM 254 D | 1619PC0800
Hersteller: BOSCH
Artikelnummer: EB-3601M530L0-1619PC0800
Netto: 3,63 € zzgl. MwSt.
zzgl. 6,90 € Versand (brutto)
einmalig pro Bestellung

Lieferzeit: 5 Werktage

Pos.
161
BOSCH Knopf | Ersatzteile für GCM 254 D | 1619PC0801
Hersteller: BOSCH
Artikelnummer: EB-3601M530L0-1619PC0801
Netto: 3,63 € zzgl. MwSt.
zzgl. 6,90 € Versand (brutto)
einmalig pro Bestellung

Lieferzeit: 5 Werktage

Pos.
162
BOSCH Nuss PP-GF25+Q235A | Ersatzteile für GCM 254 D | 1619PC0802
Hersteller: BOSCH
Artikelnummer: EB-3601M530L0-1619PC0802
Netto: 3,63 € zzgl. MwSt.
zzgl. 6,90 € Versand (brutto)
einmalig pro Bestellung

Lieferzeit: 5 Werktage

Pos.
163
BOSCH Schutzoberteil M6 | Ersatzteile für GCM 254 D | 1619PC0803
Hersteller: BOSCH
Artikelnummer: EB-3601M530L0-1619PC0803
Netto: 52,14 € zzgl. MwSt.
zzgl. 6,90 € Versand (brutto)
einmalig pro Bestellung

Lieferzeit: 5 Werktage

Pos.
164
BOSCH Schraube YL102 | Ersatzteile für GCM 254 D | 1619PC0804
Hersteller: BOSCH
Artikelnummer: EB-3601M530L0-1619PC0804
Netto: 3,63 € zzgl. MwSt.
zzgl. 6,90 € Versand (brutto)
einmalig pro Bestellung

Lieferzeit: 5 Werktage

Pos.
169
BOSCH Ansatzschraube | Ersatzteile für GCM 254 D | 1619PB6204
Hersteller: BOSCH
Artikelnummer: EB-3601M530L0-1619PB6204
Netto: 3,63 € zzgl. MwSt.
zzgl. 6,90 € Versand (brutto)
einmalig pro Bestellung

Lieferzeit: 5 Werktage

Pos.
170
BOSCH Verbindungsblech YL102 | Ersatzteile für GCM 254 D | 1619PC0807
Hersteller: BOSCH
Artikelnummer: EB-3601M530L0-1619PC0807
Netto: 5,67 € zzgl. MwSt.
zzgl. 6,90 € Versand (brutto)
einmalig pro Bestellung

Lieferzeit: 5 Werktage

Pos.
171
BOSCH Schraube | Ersatzteile für GCM 254 D | 1619PC0808
Hersteller: BOSCH
Artikelnummer: EB-3601M530L0-1619PC0808
Netto: 3,63 € zzgl. MwSt.
zzgl. 6,90 € Versand (brutto)
einmalig pro Bestellung

Lieferzeit: 5 Werktage

Pos.
172
BOSCH Blech M6×14 | Ersatzteile für GCM 254 D | 1619PC0809
Hersteller: BOSCH
Artikelnummer: EB-3601M530L0-1619PC0809
Netto: 3,94 € zzgl. MwSt.
zzgl. 6,90 € Versand (brutto)
einmalig pro Bestellung

Lieferzeit: 5 Werktage

Pos.
177
BOSCH Hohlfeder | Ersatzteile für GCM 254 D | 1619PC0811
Hersteller: BOSCH
Artikelnummer: EB-3601M530L0-1619PC0811
Netto: 3,63 € zzgl. MwSt.
zzgl. 6,90 € Versand (brutto)
einmalig pro Bestellung

Lieferzeit: 5 Werktage

Pos.
178
BOSCH Blech | Ersatzteile für GCM 254 D | 1619PC0812
Hersteller: BOSCH
Artikelnummer: EB-3601M530L0-1619PC0812
Netto: 3,94 € zzgl. MwSt.
zzgl. 6,90 € Versand (brutto)
einmalig pro Bestellung

Lieferzeit: 5 Werktage

Pos.
179
BOSCH Gegenscheibe | Ersatzteile für GCM 254 D | 1619PC0813
Hersteller: BOSCH
Artikelnummer: EB-3601M530L0-1619PC0813
Netto: 3,63 € zzgl. MwSt.
zzgl. 6,90 € Versand (brutto)
einmalig pro Bestellung

Lieferzeit: 5 Werktage

Pos.
180
BOSCH Flachkopfschraube | Ersatzteile für GCM 254 D | 1619PB6202
Hersteller: BOSCH
Artikelnummer: EB-3601M530L0-1619PB6202
Netto: 3,63 € zzgl. MwSt.
zzgl. 6,90 € Versand (brutto)
einmalig pro Bestellung

Lieferzeit: 5 Werktage

Pos.
181
BOSCH Schraube | Ersatzteile für GCM 254 D | 1619PB9153
Hersteller: BOSCH
Artikelnummer: EB-3601M530L0-1619PB9153
Netto: 3,63 € zzgl. MwSt.
zzgl. 6,90 € Versand (brutto)
einmalig pro Bestellung

Lieferzeit: 5 Werktage

Pos.
182
BOSCH Gehäusedeckel F6×12×0.8 | Ersatzteile für GCM 254 D | 1619PC0814
Hersteller: BOSCH
Artikelnummer: EB-3601M530L0-1619PC0814
Netto: 4,53 € zzgl. MwSt.
zzgl. 6,90 € Versand (brutto)
einmalig pro Bestellung

Lieferzeit: 5 Werktage

Pos.
183
BOSCH Schraube | Ersatzteile für GCM 254 D | 1619PC0815
Hersteller: BOSCH
Artikelnummer: EB-3601M530L0-1619PC0815
Netto: 3,63 € zzgl. MwSt.
zzgl. 6,90 € Versand (brutto)
einmalig pro Bestellung

Lieferzeit: 5 Werktage

Pos.
184
BOSCH Deckel | Ersatzteile für GCM 254 D | 1619PB9126
Hersteller: BOSCH
Artikelnummer: EB-3601M530L0-1619PB9126
Netto: 6,15 € zzgl. MwSt.
zzgl. 6,90 € Versand (brutto)
einmalig pro Bestellung

Lieferzeit: 5 Werktage

Pos.
185
BOSCH Gummibuchse M5×10 | Ersatzteile für GCM 254 D | 1619PC0816
Hersteller: BOSCH
Artikelnummer: EB-3601M530L0-1619PC0816
Netto: 4,53 € zzgl. MwSt.
zzgl. 6,90 € Versand (brutto)
einmalig pro Bestellung

Lieferzeit: 5 Werktage

Pos.
186
BOSCH Schraube | Ersatzteile für GCM 254 D | 1619PC0817
Hersteller: BOSCH
Artikelnummer: EB-3601M530L0-1619PC0817
Netto: 3,63 € zzgl. MwSt.
zzgl. 6,90 € Versand (brutto)
einmalig pro Bestellung

Lieferzeit: 5 Werktage

Pos.
187
BOSCH Abweiser ST4.8×55 | Ersatzteile für GCM 254 D | 1619PC0818
Hersteller: BOSCH
Artikelnummer: EB-3601M530L0-1619PC0818
Netto: 3,94 € zzgl. MwSt.
zzgl. 6,90 € Versand (brutto)
einmalig pro Bestellung

Lieferzeit: 5 Werktage

Pos.
188
BOSCH Deckel PA6-GF30 | Ersatzteile für GCM 254 D | 1619PC0819
Hersteller: BOSCH
Artikelnummer: EB-3601M530L0-1619PC0819
Netto: 14,36 € zzgl. MwSt.
zzgl. 6,90 € Versand (brutto)
einmalig pro Bestellung

Lieferzeit: 5 Werktage

Pos.
191
BOSCH Flachkopfschraube | Ersatzteile für GCM 254 D | 1619PB6235
Hersteller: BOSCH
Artikelnummer: EB-3601M530L0-1619PB6235
Netto: 3,63 € zzgl. MwSt.
zzgl. 6,90 € Versand (brutto)
einmalig pro Bestellung

Lieferzeit: 5 Werktage

Pos.
192
BOSCH Werkzeuggriff | Ersatzteile für GCM 254 D | 1619PC0822
Hersteller: BOSCH
Artikelnummer: EB-3601M530L0-1619PC0822
Netto: 5,67 € zzgl. MwSt.
zzgl. 6,90 € Versand (brutto)
einmalig pro Bestellung

Lieferzeit: 5 Werktage

Pos.
193
BOSCH Elektronik-Modul | Ersatzteile für GCM 254 D | 1619PB6229
Hersteller: BOSCH
Artikelnummer: EB-3601M530L0-1619PB6229
Netto: 7,76 € zzgl. MwSt.
zzgl. 6,90 € Versand (brutto)
einmalig pro Bestellung

Lieferzeit: 5 Werktage

Pos.
195
BOSCH Gestänge | Ersatzteile für GCM 254 D | 1619PB6231
Hersteller: BOSCH
Artikelnummer: EB-3601M530L0-1619PB6231
Netto: 3,63 € zzgl. MwSt.
zzgl. 6,90 € Versand (brutto)
einmalig pro Bestellung

Lieferzeit: 5 Werktage

Pos.
196
BOSCH Werkzeuggriff PP-GF25 | Ersatzteile für GCM 254 D | 1619PC0823
Hersteller: BOSCH
Artikelnummer: EB-3601M530L0-1619PC0823
Netto: 6,15 € zzgl. MwSt.
zzgl. 6,90 € Versand (brutto)
einmalig pro Bestellung

Lieferzeit: 5 Werktage

Pos.
197
BOSCH Verriegelung | Ersatzteile für GCM 254 D | 1619PB6228
Hersteller: BOSCH
Artikelnummer: EB-3601M530L0-1619PB6228
Netto: 3,63 € zzgl. MwSt.
zzgl. 6,90 € Versand (brutto)
einmalig pro Bestellung

Lieferzeit: 5 Werktage

Pos.
198
BOSCH Schraube PP-GF25 | Ersatzteile für GCM 254 D | 1619PC0824
Hersteller: BOSCH
Artikelnummer: EB-3601M530L0-1619PC0824
Netto: 3,63 € zzgl. MwSt.
zzgl. 6,90 € Versand (brutto)
einmalig pro Bestellung

Lieferzeit: 5 Werktage

Pos.
199
BOSCH Traggriff M5×60 | Ersatzteile für GCM 254 D | 1619PC0825
Hersteller: BOSCH
Artikelnummer: EB-3601M530L0-1619PC0825
Netto: 5,67 € zzgl. MwSt.
zzgl. 6,90 € Versand (brutto)
einmalig pro Bestellung

Lieferzeit: 5 Werktage

Pos.
200
BOSCH Schalter | Ersatzteile für GCM 254 D | 1619PB6239
Hersteller: BOSCH
Artikelnummer: EB-3601M530L0-1619PB6239
Netto: 4,53 € zzgl. MwSt.
zzgl. 6,90 € Versand (brutto)
einmalig pro Bestellung

Lieferzeit: 5 Werktage

Pos.
201
BOSCH Flachkopfschraube | Ersatzteile für GCM 254 D | 1619PB6233
Hersteller: BOSCH
Artikelnummer: EB-3601M530L0-1619PB6233
Netto: 3,63 € zzgl. MwSt.
zzgl. 6,90 € Versand (brutto)
einmalig pro Bestellung

Lieferzeit: 5 Werktage

Pos.
202
BOSCH Klemmenblock | Ersatzteile für GCM 254 D | 1619PB6232
Hersteller: BOSCH
Artikelnummer: EB-3601M530L0-1619PB6232
Netto: 3,94 € zzgl. MwSt.
zzgl. 6,90 € Versand (brutto)
einmalig pro Bestellung

Lieferzeit: 5 Werktage

Pos.
203
BOSCH Drosselspule | Ersatzteile für GCM 254 D | 1619PB6230
Hersteller: BOSCH
Artikelnummer: EB-3601M530L0-1619PB6230
Netto: 3,94 € zzgl. MwSt.
zzgl. 6,90 € Versand (brutto)
einmalig pro Bestellung

Lieferzeit: 5 Werktage

Pos.
204
BOSCH Schalterknopf PA6-GF30 | Ersatzteile für GCM 254 D | 1619PC0826
Hersteller: BOSCH
Artikelnummer: EB-3601M530L0-1619PC0826
Netto: 3,63 € zzgl. MwSt.
zzgl. 6,90 € Versand (brutto)
einmalig pro Bestellung

Lieferzeit: 5 Werktage

Pos.
206
BOSCH Feder | Ersatzteile für GCM 254 D | 1619PB6244
Hersteller: BOSCH
Artikelnummer: EB-3601M530L0-1619PB6244
Netto: 3,63 € zzgl. MwSt.
zzgl. 6,90 € Versand (brutto)
einmalig pro Bestellung

Lieferzeit: 5 Werktage

Pos.
207
BOSCH Gestänge | Ersatzteile für GCM 254 D | 1619PB6243
Hersteller: BOSCH
Artikelnummer: EB-3601M530L0-1619PB6243
Netto: 3,63 € zzgl. MwSt.
zzgl. 6,90 € Versand (brutto)
einmalig pro Bestellung

Lieferzeit: 5 Werktage

Pos.
210
BOSCH Stopper | Ersatzteile für GCM 254 D | 1619PC0827
Hersteller: BOSCH
Artikelnummer: EB-3601M530L0-1619PC0827
Netto: 14,36 € zzgl. MwSt.
zzgl. 6,90 € Versand (brutto)
einmalig pro Bestellung

Lieferzeit: 5 Werktage

Pos.
211
BOSCH Befestigungsschelle | Ersatzteile für GCM 254 D | 1619PB6113
Hersteller: BOSCH
Artikelnummer: EB-3601M530L0-1619PB6113
Netto: 3,63 € zzgl. MwSt.
zzgl. 6,90 € Versand (brutto)
einmalig pro Bestellung

Lieferzeit: 5 Werktage

Pos.
214
BOSCH Feder | Ersatzteile für GCM 254 D | 1619PB6151
Hersteller: BOSCH
Artikelnummer: EB-3601M530L0-1619PB6151
Netto: 3,63 € zzgl. MwSt.
zzgl. 6,90 € Versand (brutto)
einmalig pro Bestellung

Lieferzeit: 5 Werktage

Pos.
215
BOSCH Nuss | Ersatzteile für GCM 254 D | 1619PC0828
Hersteller: BOSCH
Artikelnummer: EB-3601M530L0-1619PC0828
Netto: 3,63 € zzgl. MwSt.
zzgl. 6,90 € Versand (brutto)
einmalig pro Bestellung

Lieferzeit: 5 Werktage

Pos.
216
BOSCH Schraube M6 | Ersatzteile für GCM 254 D | 1619PC0829
Hersteller: BOSCH
Artikelnummer: EB-3601M530L0-1619PC0829
Netto: 3,63 € zzgl. MwSt.
zzgl. 6,90 € Versand (brutto)
einmalig pro Bestellung

Lieferzeit: 5 Werktage

Pos.
217
BOSCH Schraube M6×16 | Ersatzteile für GCM 254 D | 1619PC0830
Hersteller: BOSCH
Artikelnummer: EB-3601M530L0-1619PC0830
Netto: 3,63 € zzgl. MwSt.
zzgl. 6,90 € Versand (brutto)
einmalig pro Bestellung

Lieferzeit: 5 Werktage

Pos.
218
BOSCH Schraube M5×10 | Ersatzteile für GCM 254 D | 1619PC0831
Hersteller: BOSCH
Artikelnummer: EB-3601M530L0-1619PC0831
Netto: 3,63 € zzgl. MwSt.
zzgl. 6,90 € Versand (brutto)
einmalig pro Bestellung

Lieferzeit: 5 Werktage

Pos.
219
BOSCH Gegenscheibe M5×8 | Ersatzteile für GCM 254 D | 1619PC0832
Hersteller: BOSCH
Artikelnummer: EB-3601M530L0-1619PC0832
Netto: 3,63 € zzgl. MwSt.
zzgl. 6,90 € Versand (brutto)
einmalig pro Bestellung

Lieferzeit: 5 Werktage

Pos.
220
BOSCH Flachkopfschraube | Ersatzteile für GCM 254 D | 1619PB9035
Hersteller: BOSCH
Artikelnummer: EB-3601M530L0-1619PB9035
Netto: 3,94 € zzgl. MwSt.
zzgl. 6,90 € Versand (brutto)
einmalig pro Bestellung

Lieferzeit: 5 Werktage

Pos.
221
BOSCH Schraube 5×1.6 | Ersatzteile für GCM 254 D | 1619PC0833
Hersteller: BOSCH
Artikelnummer: EB-3601M530L0-1619PC0833
Netto: 3,63 € zzgl. MwSt.
zzgl. 6,90 € Versand (brutto)
einmalig pro Bestellung

Lieferzeit: 5 Werktage

Pos.
222
BOSCH Stab M5×12 | Ersatzteile für GCM 254 D | 1619PC0834
Hersteller: BOSCH
Artikelnummer: EB-3601M530L0-1619PC0834
Netto: 9,18 € zzgl. MwSt.
zzgl. 6,90 € Versand (brutto)
einmalig pro Bestellung

Lieferzeit: 5 Werktage

Pos.
651
BOSCH Spannschlüssel | Ersatzteile für GCM 254 D | 1619PB9159
Hersteller: BOSCH
Artikelnummer: EB-3601M530L0-1619PB9159
Netto: 3,94 € zzgl. MwSt.
zzgl. 6,90 € Versand (brutto)
einmalig pro Bestellung

Lieferzeit: 5 Werktage

Pos.
652
BOSCH Messlineal | Ersatzteile für GCM 254 D | 1619PB9141
Hersteller: BOSCH
Artikelnummer: EB-3601M530L0-1619PB9141
Netto: 3,63 € zzgl. MwSt.
zzgl. 6,90 € Versand (brutto)
einmalig pro Bestellung

Lieferzeit: 5 Werktage

Pos.
653
BOSCH Staubbeutel | Ersatzteile für GCM 254 D | 1619PB6246
Hersteller: BOSCH
Artikelnummer: EB-3601M530L0-1619PB6246
Netto: 4,53 € zzgl. MwSt.
zzgl. 6,90 € Versand (brutto)
einmalig pro Bestellung

Lieferzeit: 5 Werktage

Pos.
654
BOSCH Befestigungsklammer | Ersatzteile für GCM 254 D | 1619PB9102
Hersteller: BOSCH
Artikelnummer: EB-3601M530L0-1619PB9102
Netto: 11,92 € zzgl. MwSt.
zzgl. 6,90 € Versand (brutto)
einmalig pro Bestellung

Lieferzeit: 5 Werktage

Pos.
655
BOSCH Auflageklotz | Ersatzteile für GCM 254 D | 1619PB9050
Hersteller: BOSCH
Artikelnummer: EB-3601M530L0-1619PB9050
Netto: 9,18 € zzgl. MwSt.
zzgl. 6,90 € Versand (brutto)
einmalig pro Bestellung

Lieferzeit: 5 Werktage

Pos.
801
BOSCH Gehäusebaugruppe | Ersatzteile für GCM 254 D | 1619PC1024
Hersteller: BOSCH
Artikelnummer: EB-3601M530L0-1619PC1024
Netto: 10,92 € zzgl. MwSt.
zzgl. 6,90 € Versand (brutto)
einmalig pro Bestellung

Lieferzeit: 5 Werktage

Pos.
803
BOSCH Ankerbaugruppe 220-240V | Ersatzteile für GCM 254 D | 1619PC1025
Hersteller: BOSCH
Artikelnummer: EB-3601M530L0-1619PC1025
Netto: 77,60 € zzgl. MwSt.
zzgl. 6,90 € Versand (brutto)
einmalig pro Bestellung

Lieferzeit: 5 Werktage

Pos.
810
BOSCH Kohlebürstensatz | Ersatzteile für GCM 254 D | 1619PC1027
Hersteller: BOSCH
Artikelnummer: EB-3601M530L0-1619PC1027
Netto: 12,98 € zzgl. MwSt.
zzgl. 6,90 € Versand (brutto)
einmalig pro Bestellung

Lieferzeit: 5 Werktage

Pos.
811
BOSCH Laufschienensatz | Ersatzteile für GCM 254 D | 1619PC1030
Hersteller: BOSCH
Artikelnummer: EB-3601M530L0-1619PC1030
Netto: 7,30 € zzgl. MwSt.
zzgl. 6,90 € Versand (brutto)
einmalig pro Bestellung

Lieferzeit: 5 Werktage

Pos.
814
BOSCH Lagerflansch | Ersatzteile für GCM 254 D | 1619PC1029
Hersteller: BOSCH
Artikelnummer: EB-3601M530L0-1619PC1029
Netto: 5,67 € zzgl. MwSt.
zzgl. 6,90 € Versand (brutto)
einmalig pro Bestellung

Lieferzeit: 5 Werktage

Pos.
817
BOSCH Schutzunterteil | Ersatzteile für GCM 254 D | 1619PC1028
Hersteller: BOSCH
Artikelnummer: EB-3601M530L0-1619PC1028
Netto: 15,75 € zzgl. MwSt.
zzgl. 6,90 € Versand (brutto)
einmalig pro Bestellung

Lieferzeit: 5 Werktage

Pos.
884
BOSCH Tisch-/Gehrungssäge | Ersatzteile für GCM 254 D | 1619PC1031
Hersteller: BOSCH
Artikelnummer: EB-3601M530L0-1619PC1031
Netto: 63,99 € zzgl. MwSt.
zzgl. 6,90 € Versand (brutto)
einmalig pro Bestellung

Lieferzeit: 5 Werktage

Angaben zur Produktsicherheit

Hersteller:
Robert Bosch Power Tools GmbH
Postfach 30 02 20
70442 Stuttgart

E-Mail:
kontakt@bosch.de