BOSCH Druckschraube M8×25/45H | Ersatzteile für GCM 305-216 D | 1609B07681

Artikelnummer: EB-3601M49040-1609B07681

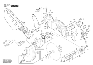
Position: 169

Marke: BOSCH


Bitte Kompatibilität prüfen!

Bitte prüfen Sie unbedingt die 10-stellige Typennummer Ihrer Maschine / Ihres Gerätes. Das Ersatzteil ist nur kompatibel, wenn Sie die Typennummer Ihrer Maschine in der unten stehenden Produktbeschreibung finden.

Bitte prüfen Sie ebenfalls detailliert die Explosionszeichnung mit Ihrem Artikelwunsch und der jeweiligen Pos-Nummer.

Alle Elemente, welche vom schwarzen Strich der Pos-Nummer ausgehend berührt / erfasst werden, gehören zu dieser Pos-Nummer und somit zu diesem Artikel. Jede Pos-Nummer ist ein eigenständiger Artikel, welchen Sie in der Auflistung finden.

Sie erhalten stets die aktuellste, neueste Produktversion zu der gewählten Pos-Nummer seitens des Herstellers. Es kann daher je nach Gerätealter vorkommen, dass Sie ggf. weitere, zugehörige Elemente, welche an diese Pos-Nummer grenzen, ebenfalls mittauschen müssen.

Nähere Informationen finden Sie unter dem Link
Hinweise zu Ihrer BOSCH Ersatzteilsuche

Preisübersicht

Einzelpreis: 3,63 €* (Brutto: 4,32 €)
Gesamtpreis: 3,63 €* 
Position:

Lieferzeit: 5 Werktage


Beschreibung

  • Druckschraube M8×25/45H
  • Original Bosch Zubehör / BOSCH Ersatzteil (1609B07681)
  • im Gerät verbaut: 1
Dieses BOSCH Ersatzteil ist mit folgendem Gerät und Modell kompatibel:
  • BOSCH Gerätename: GCM 305-216 D
  • BOSCH Explosionszeichnung: Position 169
  • BOSCH Typennummer: 3601M49040
  • BOSCH Typennummer alternative Schreibweisen: 3 601 M49 040, 3601 M49 040, 3.601.M49.040, 3-601-M49-040
    Bitte prüfen Sie diese Typennummer auf Ihrem Gerät um die Kompatibilität des BOSCH Ersatzteils zu gewährleisten.
Weitere BOSCH Ersatzteile des Gerätes GCM 305-216 D (Kapp-/Gehrungssäge) mit der Typennummer 3601M49040 finden Sie in der nachfolgenden Darstellung und im Dropdown zu Ihrer Auswahl:

Pos.
2
BOSCH Stator | Ersatzteile für GCM 305-216 D | 1609B07708
Hersteller: BOSCH
Artikelnummer: EB-3601M49040-1609B07708
Netto: 39,11 € zzgl. MwSt.
zzgl. 6,90 € Versand (brutto)
einmalig pro Bestellung

Lieferzeit: 5 Werktage

Pos.
4
BOSCH Ein/Aus-Schalter | Ersatzteile für GCM 305-216 D | 160720039F
Hersteller: BOSCH
Artikelnummer: EB-3601M49040-160720039F
Netto: 10,92 € zzgl. MwSt.
zzgl. 6,90 € Versand (brutto)
einmalig pro Bestellung

Lieferzeit: 5 Werktage

Pos.
5
BOSCH Netzanschlussleitung AUS H05VV-F | Ersatzteile für GCM 305-216 D | 1609B08297
Hersteller: BOSCH
Artikelnummer: EB-3601M49040-1609B08297
Netto: 11,92 € zzgl. MwSt.
zzgl. 6,90 € Versand (brutto)
einmalig pro Bestellung

Lieferzeit: 5 Werktage

Pos.
6
BOSCH Tülle | Ersatzteile für GCM 305-216 D | 1609B08117
Hersteller: BOSCH
Artikelnummer: EB-3601M49040-1609B08117
Netto: 3,94 € zzgl. MwSt.
zzgl. 6,90 € Versand (brutto)
einmalig pro Bestellung

Lieferzeit: 5 Werktage

Pos.
7
BOSCH Befestigungsschelle | Ersatzteile für GCM 305-216 D | 1609B08118
Hersteller: BOSCH
Artikelnummer: EB-3601M49040-1609B08118
Netto: 3,63 € zzgl. MwSt.
zzgl. 6,90 € Versand (brutto)
einmalig pro Bestellung

Lieferzeit: 5 Werktage

Pos.
12
BOSCH Kondensator | Ersatzteile für GCM 305-216 D | 1609B08122
Hersteller: BOSCH
Artikelnummer: EB-3601M49040-1609B08122
Netto: 4,32 € zzgl. MwSt.
zzgl. 6,90 € Versand (brutto)
einmalig pro Bestellung

Lieferzeit: 5 Werktage

Pos.
17
BOSCH Gummiring | Ersatzteile für GCM 305-216 D | 1609B07556
Hersteller: BOSCH
Artikelnummer: EB-3601M49040-1609B07556
Netto: 3,63 € zzgl. MwSt.
zzgl. 6,90 € Versand (brutto)
einmalig pro Bestellung

Lieferzeit: 5 Werktage

Pos.
19
BOSCH Schraube M5×30/4.8 | Ersatzteile für GCM 305-216 D | 1609B07540
Hersteller: BOSCH
Artikelnummer: EB-3601M49040-1609B07540
Netto: 3,63 € zzgl. MwSt.
zzgl. 6,90 € Versand (brutto)
einmalig pro Bestellung

Lieferzeit: 5 Werktage

Pos.
20
BOSCH Warnzettel | Ersatzteile für GCM 305-216 D | 1609B07541
Hersteller: BOSCH
Artikelnummer: EB-3601M49040-1609B07541
Netto: 3,94 € zzgl. MwSt.
zzgl. 6,90 € Versand (brutto)
einmalig pro Bestellung

Lieferzeit: 5 Werktage

Pos.
22
BOSCH Aufspannplatte | Ersatzteile für GCM 305-216 D | 1609B07542
Hersteller: BOSCH
Artikelnummer: EB-3601M49040-1609B07542
Netto: 4,82 € zzgl. MwSt.
zzgl. 6,90 € Versand (brutto)
einmalig pro Bestellung

Lieferzeit: 5 Werktage

Pos.
27
BOSCH Sinterlager | Ersatzteile für GCM 305-216 D | 1609B07547
Hersteller: BOSCH
Artikelnummer: EB-3601M49040-1609B07547
Netto: 5,67 € zzgl. MwSt.
zzgl. 6,90 € Versand (brutto)
einmalig pro Bestellung

Lieferzeit: 5 Werktage

Pos.
28
BOSCH Arm | Ersatzteile für GCM 305-216 D | 1609B08176
Hersteller: BOSCH
Artikelnummer: EB-3601M49040-1609B08176
Netto: 42,86 € zzgl. MwSt.
zzgl. 6,90 € Versand (brutto)
einmalig pro Bestellung

Lieferzeit: 5 Werktage

Pos.
29
BOSCH Kabelabdeckung | Ersatzteile für GCM 305-216 D | 1609B08135
Hersteller: BOSCH
Artikelnummer: EB-3601M49040-1609B08135
Netto: 3,63 € zzgl. MwSt.
zzgl. 6,90 € Versand (brutto)
einmalig pro Bestellung

Lieferzeit: 5 Werktage

Pos.
30
BOSCH Schraube M4×8 | Ersatzteile für GCM 305-216 D | 1609B07550
Hersteller: BOSCH
Artikelnummer: EB-3601M49040-1609B07550
Netto: 3,63 € zzgl. MwSt.
zzgl. 6,90 € Versand (brutto)
einmalig pro Bestellung

Lieferzeit: 5 Werktage

Pos.
31
BOSCH Druckfeder | Ersatzteile für GCM 305-216 D | 1609B07551
Hersteller: BOSCH
Artikelnummer: EB-3601M49040-1609B07551
Netto: 3,63 € zzgl. MwSt.
zzgl. 6,90 € Versand (brutto)
einmalig pro Bestellung

Lieferzeit: 5 Werktage

Pos.
32
BOSCH Arretierstift | Ersatzteile für GCM 305-216 D | 1609B07552
Hersteller: BOSCH
Artikelnummer: EB-3601M49040-1609B07552
Netto: 4,32 € zzgl. MwSt.
zzgl. 6,90 € Versand (brutto)
einmalig pro Bestellung

Lieferzeit: 5 Werktage

Pos.
33
BOSCH Sprengring | Ersatzteile für GCM 305-216 D | 1609B07553
Hersteller: BOSCH
Artikelnummer: EB-3601M49040-1609B07553
Netto: 3,63 € zzgl. MwSt.
zzgl. 6,90 € Versand (brutto)
einmalig pro Bestellung

Lieferzeit: 5 Werktage

Pos.
34
BOSCH Tastknopf | Ersatzteile für GCM 305-216 D | 1609B07554
Hersteller: BOSCH
Artikelnummer: EB-3601M49040-1609B07554
Netto: 3,63 € zzgl. MwSt.
zzgl. 6,90 € Versand (brutto)
einmalig pro Bestellung

Lieferzeit: 5 Werktage

Pos.
37
BOSCH Leiterplatte bestückt | Ersatzteile für GCM 305-216 D | 1619PA3508
Hersteller: BOSCH
Artikelnummer: EB-3601M49040-1619PA3508
Netto: 32,74 € zzgl. MwSt.
zzgl. 6,90 € Versand (brutto)
einmalig pro Bestellung

Lieferzeit: 5 Werktage

Pos.
39
BOSCH Schutzglas | Ersatzteile für GCM 305-216 D | 1609B07558
Hersteller: BOSCH
Artikelnummer: EB-3601M49040-1609B07558
Netto: 3,63 € zzgl. MwSt.
zzgl. 6,90 € Versand (brutto)
einmalig pro Bestellung

Lieferzeit: 5 Werktage

Pos.
40
BOSCH Led-Platte | Ersatzteile für GCM 305-216 D | 1609B08131
Hersteller: BOSCH
Artikelnummer: EB-3601M49040-1609B08131
Netto: 4,32 € zzgl. MwSt.
zzgl. 6,90 € Versand (brutto)
einmalig pro Bestellung

Lieferzeit: 5 Werktage

Pos.
41
BOSCH Reflektor | Ersatzteile für GCM 305-216 D | 1609B07559
Hersteller: BOSCH
Artikelnummer: EB-3601M49040-1609B07559
Netto: 3,94 € zzgl. MwSt.
zzgl. 6,90 € Versand (brutto)
einmalig pro Bestellung

Lieferzeit: 5 Werktage

Pos.
42
BOSCH Sanftstarter | Ersatzteile für GCM 305-216 D | 1609B06928
Hersteller: BOSCH
Artikelnummer: EB-3601M49040-1609B06928
Netto: 19,18 € zzgl. MwSt.
zzgl. 6,90 € Versand (brutto)
einmalig pro Bestellung

Lieferzeit: 5 Werktage

Pos.
43
BOSCH Deckel | Ersatzteile für GCM 305-216 D | 1609B08178
Hersteller: BOSCH
Artikelnummer: EB-3601M49040-1609B08178
Netto: 4,32 € zzgl. MwSt.
zzgl. 6,90 € Versand (brutto)
einmalig pro Bestellung

Lieferzeit: 5 Werktage

Pos.
44
BOSCH Bürstendeckel | Ersatzteile für GCM 305-216 D | 1609B08152
Hersteller: BOSCH
Artikelnummer: EB-3601M49040-1609B08152
Netto: 3,63 € zzgl. MwSt.
zzgl. 6,90 € Versand (brutto)
einmalig pro Bestellung

Lieferzeit: 5 Werktage

Pos.
45
BOSCH Federscheibe | Ersatzteile für GCM 305-216 D | 1609B07564
Hersteller: BOSCH
Artikelnummer: EB-3601M49040-1609B07564
Netto: 3,63 € zzgl. MwSt.
zzgl. 6,90 € Versand (brutto)
einmalig pro Bestellung

Lieferzeit: 5 Werktage

Pos.
46
BOSCH Henkel | Ersatzteile für GCM 305-216 D | 1609B08179
Hersteller: BOSCH
Artikelnummer: EB-3601M49040-1609B08179
Netto: 10,92 € zzgl. MwSt.
zzgl. 6,90 € Versand (brutto)
einmalig pro Bestellung

Lieferzeit: 5 Werktage

Pos.
47
BOSCH Schraube ST4.2×13/1022A | Ersatzteile für GCM 305-216 D | 1609B07566
Hersteller: BOSCH
Artikelnummer: EB-3601M49040-1609B07566
Netto: 3,63 € zzgl. MwSt.
zzgl. 6,90 € Versand (brutto)
einmalig pro Bestellung

Lieferzeit: 5 Werktage

Pos.
49
BOSCH Taster | Ersatzteile für GCM 305-216 D | 1609B08138
Hersteller: BOSCH
Artikelnummer: EB-3601M49040-1609B08138
Netto: 4,32 € zzgl. MwSt.
zzgl. 6,90 € Versand (brutto)
einmalig pro Bestellung

Lieferzeit: 5 Werktage

Pos.
50
BOSCH Taster | Ersatzteile für GCM 305-216 D | 1609B08137
Hersteller: BOSCH
Artikelnummer: EB-3601M49040-1609B08137
Netto: 4,32 € zzgl. MwSt.
zzgl. 6,90 € Versand (brutto)
einmalig pro Bestellung

Lieferzeit: 5 Werktage

Pos.
51
BOSCH Auslöser | Ersatzteile für GCM 305-216 D | 1609B08140
Hersteller: BOSCH
Artikelnummer: EB-3601M49040-1609B08140
Netto: 3,63 € zzgl. MwSt.
zzgl. 6,90 € Versand (brutto)
einmalig pro Bestellung

Lieferzeit: 5 Werktage

Pos.
52
BOSCH Druckfeder | Ersatzteile für GCM 305-216 D | 1609B07570
Hersteller: BOSCH
Artikelnummer: EB-3601M49040-1609B07570
Netto: 3,63 € zzgl. MwSt.
zzgl. 6,90 € Versand (brutto)
einmalig pro Bestellung

Lieferzeit: 5 Werktage

Pos.
53
BOSCH Luftleitring | Ersatzteile für GCM 305-216 D | 1609B08181
Hersteller: BOSCH
Artikelnummer: EB-3601M49040-1609B08181
Netto: 3,63 € zzgl. MwSt.
zzgl. 6,90 € Versand (brutto)
einmalig pro Bestellung

Lieferzeit: 5 Werktage

Pos.
54
BOSCH Henkel | Ersatzteile für GCM 305-216 D | 1609B08180
Hersteller: BOSCH
Artikelnummer: EB-3601M49040-1609B08180
Netto: 10,92 € zzgl. MwSt.
zzgl. 6,90 € Versand (brutto)
einmalig pro Bestellung

Lieferzeit: 5 Werktage

Pos.
55
BOSCH Schraube M4X64 | Ersatzteile für GCM 305-216 D | 1609B08153
Hersteller: BOSCH
Artikelnummer: EB-3601M49040-1609B08153
Netto: 3,63 € zzgl. MwSt.
zzgl. 6,90 € Versand (brutto)
einmalig pro Bestellung

Lieferzeit: 5 Werktage

Pos.
56
BOSCH Kombi-Schraube M5×16/4.8 | Ersatzteile für GCM 305-216 D | 1609B07574
Hersteller: BOSCH
Artikelnummer: EB-3601M49040-1609B07574
Netto: 3,63 € zzgl. MwSt.
zzgl. 6,90 € Versand (brutto)
einmalig pro Bestellung

Lieferzeit: 5 Werktage

Pos.
63
BOSCH Kabeladapter | Ersatzteile für GCM 305-216 D | 1609B08154
Hersteller: BOSCH
Artikelnummer: EB-3601M49040-1609B08154
Netto: 4,53 € zzgl. MwSt.
zzgl. 6,90 € Versand (brutto)
einmalig pro Bestellung

Lieferzeit: 5 Werktage

Pos.
64
BOSCH Steckverbinder | Ersatzteile für GCM 305-216 D | 1609B08150
Hersteller: BOSCH
Artikelnummer: EB-3601M49040-1609B08150
Netto: 3,94 € zzgl. MwSt.
zzgl. 6,90 € Versand (brutto)
einmalig pro Bestellung

Lieferzeit: 5 Werktage

Pos.
65
BOSCH Schraube M6×16/8.8 | Ersatzteile für GCM 305-216 D | 1609B07537
Hersteller: BOSCH
Artikelnummer: EB-3601M49040-1609B07537
Netto: 3,63 € zzgl. MwSt.
zzgl. 6,90 € Versand (brutto)
einmalig pro Bestellung

Lieferzeit: 5 Werktage

Pos.
66
BOSCH Stellmutter M6/5 | Ersatzteile für GCM 305-216 D | 1609B07583
Hersteller: BOSCH
Artikelnummer: EB-3601M49040-1609B07583
Netto: 3,63 € zzgl. MwSt.
zzgl. 6,90 € Versand (brutto)
einmalig pro Bestellung

Lieferzeit: 5 Werktage

Pos.
69
BOSCH Anschlagplatte | Ersatzteile für GCM 305-216 D | 1609B07586
Hersteller: BOSCH
Artikelnummer: EB-3601M49040-1609B07586
Netto: 4,32 € zzgl. MwSt.
zzgl. 6,90 € Versand (brutto)
einmalig pro Bestellung

Lieferzeit: 5 Werktage

Pos.
72
BOSCH Schraube M6×16/4.8 | Ersatzteile für GCM 305-216 D | 1609B07633
Hersteller: BOSCH
Artikelnummer: EB-3601M49040-1609B07633
Netto: 3,63 € zzgl. MwSt.
zzgl. 6,90 € Versand (brutto)
einmalig pro Bestellung

Lieferzeit: 5 Werktage

Pos.
74
BOSCH Schraube M6×16/4.8 | Ersatzteile für GCM 305-216 D | 1609B08161
Hersteller: BOSCH
Artikelnummer: EB-3601M49040-1609B08161
Netto: 3,63 € zzgl. MwSt.
zzgl. 6,90 € Versand (brutto)
einmalig pro Bestellung

Lieferzeit: 5 Werktage

Pos.
75
BOSCH Knopf | Ersatzteile für GCM 305-216 D | 1609B07592
Hersteller: BOSCH
Artikelnummer: EB-3601M49040-1609B07592
Netto: 3,94 € zzgl. MwSt.
zzgl. 6,90 € Versand (brutto)
einmalig pro Bestellung

Lieferzeit: 5 Werktage

Pos.
76
BOSCH Gerätefuss | Ersatzteile für GCM 305-216 D | 1609B07593
Hersteller: BOSCH
Artikelnummer: EB-3601M49040-1609B07593
Netto: 3,94 € zzgl. MwSt.
zzgl. 6,90 € Versand (brutto)
einmalig pro Bestellung

Lieferzeit: 5 Werktage

Pos.
77
BOSCH Gegenscheibe | Ersatzteile für GCM 305-216 D | 1609B07594
Hersteller: BOSCH
Artikelnummer: EB-3601M49040-1609B07594
Netto: 3,63 € zzgl. MwSt.
zzgl. 6,90 € Versand (brutto)
einmalig pro Bestellung

Lieferzeit: 5 Werktage

Pos.
78
BOSCH Federscheibe | Ersatzteile für GCM 305-216 D | 1609B07595
Hersteller: BOSCH
Artikelnummer: EB-3601M49040-1609B07595
Netto: 3,63 € zzgl. MwSt.
zzgl. 6,90 € Versand (brutto)
einmalig pro Bestellung

Lieferzeit: 5 Werktage

Pos.
79
BOSCH Stellmutter | Ersatzteile für GCM 305-216 D | 1609B07596
Hersteller: BOSCH
Artikelnummer: EB-3601M49040-1609B07596
Netto: 3,63 € zzgl. MwSt.
zzgl. 6,90 € Versand (brutto)
einmalig pro Bestellung

Lieferzeit: 5 Werktage

Pos.
80
BOSCH Sockel | Ersatzteile für GCM 305-216 D | 1609B07597
Hersteller: BOSCH
Artikelnummer: EB-3601M49040-1609B07597
Netto: 96,32 € zzgl. MwSt.
zzgl. 6,90 € Versand (brutto)
einmalig pro Bestellung

Lieferzeit: 5 Werktage

Pos.
81
BOSCH Anschlagplatte | Ersatzteile für GCM 305-216 D | 1609B07598
Hersteller: BOSCH
Artikelnummer: EB-3601M49040-1609B07598
Netto: 3,94 € zzgl. MwSt.
zzgl. 6,90 € Versand (brutto)
einmalig pro Bestellung

Lieferzeit: 5 Werktage

Pos.
82
BOSCH Zusatzhalter | Ersatzteile für GCM 305-216 D | 1609B07599
Hersteller: BOSCH
Artikelnummer: EB-3601M49040-1609B07599
Netto: 8,33 € zzgl. MwSt.
zzgl. 6,90 € Versand (brutto)
einmalig pro Bestellung

Lieferzeit: 5 Werktage

Pos.
84
BOSCH Bolzen | Ersatzteile für GCM 305-216 D | 1609B07600
Hersteller: BOSCH
Artikelnummer: EB-3601M49040-1609B07600
Netto: 3,63 € zzgl. MwSt.
zzgl. 6,90 € Versand (brutto)
einmalig pro Bestellung

Lieferzeit: 5 Werktage

Pos.
85
BOSCH Skalenplatte | Ersatzteile für GCM 305-216 D | 1609B07601
Hersteller: BOSCH
Artikelnummer: EB-3601M49040-1609B07601
Netto: 4,32 € zzgl. MwSt.
zzgl. 6,90 € Versand (brutto)
einmalig pro Bestellung

Lieferzeit: 5 Werktage

Pos.
86
BOSCH Verschleissplatte | Ersatzteile für GCM 305-216 D | 1609B07602
Hersteller: BOSCH
Artikelnummer: EB-3601M49040-1609B07602
Netto: 6,70 € zzgl. MwSt.
zzgl. 6,90 € Versand (brutto)
einmalig pro Bestellung

Lieferzeit: 5 Werktage

Pos.
87
BOSCH Gehrungslineal | Ersatzteile für GCM 305-216 D | 1609B07603
Hersteller: BOSCH
Artikelnummer: EB-3601M49040-1609B07603
Netto: 24,13 € zzgl. MwSt.
zzgl. 6,90 € Versand (brutto)
einmalig pro Bestellung

Lieferzeit: 5 Werktage

Pos.
92
BOSCH Gehrungslineal | Ersatzteile für GCM 305-216 D | 1609B07608
Hersteller: BOSCH
Artikelnummer: EB-3601M49040-1609B07608
Netto: 12,98 € zzgl. MwSt.
zzgl. 6,90 € Versand (brutto)
einmalig pro Bestellung

Lieferzeit: 5 Werktage

Pos.
93
BOSCH Gehrungslineal | Ersatzteile für GCM 305-216 D | 1609B07609
Hersteller: BOSCH
Artikelnummer: EB-3601M49040-1609B07609
Netto: 12,98 € zzgl. MwSt.
zzgl. 6,90 € Versand (brutto)
einmalig pro Bestellung

Lieferzeit: 5 Werktage

Pos.
94
BOSCH Schraube M8×20/8.8 | Ersatzteile für GCM 305-216 D | 1609B07610
Hersteller: BOSCH
Artikelnummer: EB-3601M49040-1609B07610
Netto: 3,63 € zzgl. MwSt.
zzgl. 6,90 € Versand (brutto)
einmalig pro Bestellung

Lieferzeit: 5 Werktage

Pos.
95
BOSCH Schutzunterteil | Ersatzteile für GCM 305-216 D | 1609B07652
Hersteller: BOSCH
Artikelnummer: EB-3601M49040-1609B07652
Netto: 3,63 € zzgl. MwSt.
zzgl. 6,90 € Versand (brutto)
einmalig pro Bestellung

Lieferzeit: 5 Werktage

Pos.
96
BOSCH Sperrhebel | Ersatzteile für GCM 305-216 D | 1609B07612
Hersteller: BOSCH
Artikelnummer: EB-3601M49040-1609B07612
Netto: 6,15 € zzgl. MwSt.
zzgl. 6,90 € Versand (brutto)
einmalig pro Bestellung

Lieferzeit: 5 Werktage

Pos.
97
BOSCH Knopf | Ersatzteile für GCM 305-216 D | 1609B07613
Hersteller: BOSCH
Artikelnummer: EB-3601M49040-1609B07613
Netto: 6,70 € zzgl. MwSt.
zzgl. 6,90 € Versand (brutto)
einmalig pro Bestellung

Lieferzeit: 5 Werktage

Pos.
98
BOSCH Federblech | Ersatzteile für GCM 305-216 D | 1609B07614
Hersteller: BOSCH
Artikelnummer: EB-3601M49040-1609B07614
Netto: 4,32 € zzgl. MwSt.
zzgl. 6,90 € Versand (brutto)
einmalig pro Bestellung

Lieferzeit: 5 Werktage

Pos.
99
BOSCH Gegenscheibe | Ersatzteile für GCM 305-216 D | 1609B07615
Hersteller: BOSCH
Artikelnummer: EB-3601M49040-1609B07615
Netto: 3,63 € zzgl. MwSt.
zzgl. 6,90 € Versand (brutto)
einmalig pro Bestellung

Lieferzeit: 5 Werktage

Pos.
100
BOSCH Stange | Ersatzteile für GCM 305-216 D | 1609B07616
Hersteller: BOSCH
Artikelnummer: EB-3601M49040-1609B07616
Netto: 5,19 € zzgl. MwSt.
zzgl. 6,90 € Versand (brutto)
einmalig pro Bestellung

Lieferzeit: 5 Werktage

Pos.
101
BOSCH Befestigungsplatte | Ersatzteile für GCM 305-216 D | 1609B07617
Hersteller: BOSCH
Artikelnummer: EB-3601M49040-1609B07617
Netto: 3,63 € zzgl. MwSt.
zzgl. 6,90 € Versand (brutto)
einmalig pro Bestellung

Lieferzeit: 5 Werktage

Pos.
103
BOSCH Druckschraube M6×20/45H | Ersatzteile für GCM 305-216 D | 1609B07619
Hersteller: BOSCH
Artikelnummer: EB-3601M49040-1609B07619
Netto: 3,63 € zzgl. MwSt.
zzgl. 6,90 € Versand (brutto)
einmalig pro Bestellung

Lieferzeit: 5 Werktage

Pos.
104
BOSCH Gummihaltering | Ersatzteile für GCM 305-216 D | 1609B07620
Hersteller: BOSCH
Artikelnummer: EB-3601M49040-1609B07620
Netto: 3,63 € zzgl. MwSt.
zzgl. 6,90 € Versand (brutto)
einmalig pro Bestellung

Lieferzeit: 5 Werktage

Pos.
106
BOSCH Stützplatte | Ersatzteile für GCM 305-216 D | 1609B07622
Hersteller: BOSCH
Artikelnummer: EB-3601M49040-1609B07622
Netto: 4,32 € zzgl. MwSt.
zzgl. 6,90 € Versand (brutto)
einmalig pro Bestellung

Lieferzeit: 5 Werktage

Pos.
107
BOSCH Zeiger | Ersatzteile für GCM 305-216 D | 1609B07623
Hersteller: BOSCH
Artikelnummer: EB-3601M49040-1609B07623
Netto: 3,63 € zzgl. MwSt.
zzgl. 6,90 € Versand (brutto)
einmalig pro Bestellung

Lieferzeit: 5 Werktage

Pos.
112
BOSCH Federscheibe | Ersatzteile für GCM 305-216 D | 1609B07628
Hersteller: BOSCH
Artikelnummer: EB-3601M49040-1609B07628
Netto: 3,63 € zzgl. MwSt.
zzgl. 6,90 € Versand (brutto)
einmalig pro Bestellung

Lieferzeit: 5 Werktage

Pos.
113
BOSCH Gegenscheibe | Ersatzteile für GCM 305-216 D | 1609B07629
Hersteller: BOSCH
Artikelnummer: EB-3601M49040-1609B07629
Netto: 3,63 € zzgl. MwSt.
zzgl. 6,90 € Versand (brutto)
einmalig pro Bestellung

Lieferzeit: 5 Werktage

Pos.
118
BOSCH Schraube M6×10/4.8 | Ersatzteile für GCM 305-216 D | 1609B07634
Hersteller: BOSCH
Artikelnummer: EB-3601M49040-1609B07634
Netto: 3,63 € zzgl. MwSt.
zzgl. 6,90 € Versand (brutto)
einmalig pro Bestellung

Lieferzeit: 5 Werktage

Pos.
119
BOSCH Schraube M6×16/8.8 | Ersatzteile für GCM 305-216 D | 1609B07635
Hersteller: BOSCH
Artikelnummer: EB-3601M49040-1609B07635
Netto: 3,63 € zzgl. MwSt.
zzgl. 6,90 € Versand (brutto)
einmalig pro Bestellung

Lieferzeit: 5 Werktage

Pos.
125
BOSCH Kordelmutter | Ersatzteile für GCM 305-216 D | 1609B07639
Hersteller: BOSCH
Artikelnummer: EB-3601M49040-1609B07639
Netto: 3,63 € zzgl. MwSt.
zzgl. 6,90 € Versand (brutto)
einmalig pro Bestellung

Lieferzeit: 5 Werktage

Pos.
126
BOSCH Knopf | Ersatzteile für GCM 305-216 D | 1609B07640
Hersteller: BOSCH
Artikelnummer: EB-3601M49040-1609B07640
Netto: 4,53 € zzgl. MwSt.
zzgl. 6,90 € Versand (brutto)
einmalig pro Bestellung

Lieferzeit: 5 Werktage

Pos.
127
BOSCH Haltezapfen | Ersatzteile für GCM 305-216 D | 1609B07641
Hersteller: BOSCH
Artikelnummer: EB-3601M49040-1609B07641
Netto: 5,19 € zzgl. MwSt.
zzgl. 6,90 € Versand (brutto)
einmalig pro Bestellung

Lieferzeit: 5 Werktage

Pos.
128
BOSCH Stellmutter | Ersatzteile für GCM 305-216 D | 1609B07642
Hersteller: BOSCH
Artikelnummer: EB-3601M49040-1609B07642
Netto: 3,63 € zzgl. MwSt.
zzgl. 6,90 € Versand (brutto)
einmalig pro Bestellung

Lieferzeit: 5 Werktage

Pos.
130
BOSCH Schulterschraube | Ersatzteile für GCM 305-216 D | 1609B07644
Hersteller: BOSCH
Artikelnummer: EB-3601M49040-1609B07644
Netto: 3,94 € zzgl. MwSt.
zzgl. 6,90 € Versand (brutto)
einmalig pro Bestellung

Lieferzeit: 5 Werktage

Pos.
131
BOSCH Verbindungsglied | Ersatzteile für GCM 305-216 D | 1609B07645
Hersteller: BOSCH
Artikelnummer: EB-3601M49040-1609B07645
Netto: 10,92 € zzgl. MwSt.
zzgl. 6,90 € Versand (brutto)
einmalig pro Bestellung

Lieferzeit: 5 Werktage

Pos.
132
BOSCH Flansch | Ersatzteile für GCM 305-216 D | 1609B07604
Hersteller: BOSCH
Artikelnummer: EB-3601M49040-1609B07604
Netto: 7,30 € zzgl. MwSt.
zzgl. 6,90 € Versand (brutto)
einmalig pro Bestellung

Lieferzeit: 5 Werktage

Pos.
134
BOSCH Flansch | Ersatzteile für GCM 305-216 D | 1609B07606
Hersteller: BOSCH
Artikelnummer: EB-3601M49040-1609B07606
Netto: 6,15 € zzgl. MwSt.
zzgl. 6,90 € Versand (brutto)
einmalig pro Bestellung

Lieferzeit: 5 Werktage

Pos.
135
BOSCH Gewindefurchschraube | Ersatzteile für GCM 305-216 D | 1619PA4354
Hersteller: BOSCH
Artikelnummer: EB-3601M49040-1619PA4354
Netto: 3,94 € zzgl. MwSt.
zzgl. 6,90 € Versand (brutto)
einmalig pro Bestellung

Lieferzeit: 5 Werktage

Pos.
136
BOSCH Buchse | Ersatzteile für GCM 305-216 D | 1609B07649
Hersteller: BOSCH
Artikelnummer: EB-3601M49040-1609B07649
Netto: 3,63 € zzgl. MwSt.
zzgl. 6,90 € Versand (brutto)
einmalig pro Bestellung

Lieferzeit: 5 Werktage

Pos.
137
BOSCH Verschleissplatte | Ersatzteile für GCM 305-216 D | 1609B07650
Hersteller: BOSCH
Artikelnummer: EB-3601M49040-1609B07650
Netto: 3,94 € zzgl. MwSt.
zzgl. 6,90 € Versand (brutto)
einmalig pro Bestellung

Lieferzeit: 5 Werktage

Pos.
138
BOSCH Buchse | Ersatzteile für GCM 305-216 D | 1609B07651
Hersteller: BOSCH
Artikelnummer: EB-3601M49040-1609B07651
Netto: 4,82 € zzgl. MwSt.
zzgl. 6,90 € Versand (brutto)
einmalig pro Bestellung

Lieferzeit: 5 Werktage

Pos.
139
BOSCH Drehfeder | Ersatzteile für GCM 305-216 D | 1609B07611
Hersteller: BOSCH
Artikelnummer: EB-3601M49040-1609B07611
Netto: 26,88 € zzgl. MwSt.
zzgl. 6,90 € Versand (brutto)
einmalig pro Bestellung

Lieferzeit: 5 Werktage

Pos.
140
BOSCH Pressscheibenwelle | Ersatzteile für GCM 305-216 D | 1609B07653
Hersteller: BOSCH
Artikelnummer: EB-3601M49040-1609B07653
Netto: 5,19 € zzgl. MwSt.
zzgl. 6,90 € Versand (brutto)
einmalig pro Bestellung

Lieferzeit: 5 Werktage

Pos.
141
BOSCH Anschlagplatte | Ersatzteile für GCM 305-216 D | 1609B07654
Hersteller: BOSCH
Artikelnummer: EB-3601M49040-1609B07654
Netto: 3,94 € zzgl. MwSt.
zzgl. 6,90 € Versand (brutto)
einmalig pro Bestellung

Lieferzeit: 5 Werktage

Pos.
143
BOSCH Wellenfeder | Ersatzteile für GCM 305-216 D | 1609B07655
Hersteller: BOSCH
Artikelnummer: EB-3601M49040-1609B07655
Netto: 3,63 € zzgl. MwSt.
zzgl. 6,90 € Versand (brutto)
einmalig pro Bestellung

Lieferzeit: 5 Werktage

Pos.
145
BOSCH Verschlussstift | Ersatzteile für GCM 305-216 D | 1609B07657
Hersteller: BOSCH
Artikelnummer: EB-3601M49040-1609B07657
Netto: 5,67 € zzgl. MwSt.
zzgl. 6,90 € Versand (brutto)
einmalig pro Bestellung

Lieferzeit: 5 Werktage

Pos.
146
BOSCH Pressscheibenwelle | Ersatzteile für GCM 305-216 D | 1609B07658
Hersteller: BOSCH
Artikelnummer: EB-3601M49040-1609B07658
Netto: 5,19 € zzgl. MwSt.
zzgl. 6,90 € Versand (brutto)
einmalig pro Bestellung

Lieferzeit: 5 Werktage

Pos.
147
BOSCH Nuss M10/6 | Ersatzteile für GCM 305-216 D | 1609B07659
Hersteller: BOSCH
Artikelnummer: EB-3601M49040-1609B07659
Netto: 3,63 € zzgl. MwSt.
zzgl. 6,90 € Versand (brutto)
einmalig pro Bestellung

Lieferzeit: 5 Werktage

Pos.
148
BOSCH Zeiger | Ersatzteile für GCM 305-216 D | 1609B07660
Hersteller: BOSCH
Artikelnummer: EB-3601M49040-1609B07660
Netto: 3,63 € zzgl. MwSt.
zzgl. 6,90 € Versand (brutto)
einmalig pro Bestellung

Lieferzeit: 5 Werktage

Pos.
149
BOSCH Schraube | Ersatzteile für GCM 305-216 D | 1609B07661
Hersteller: BOSCH
Artikelnummer: EB-3601M49040-1609B07661
Netto: 3,63 € zzgl. MwSt.
zzgl. 6,90 € Versand (brutto)
einmalig pro Bestellung

Lieferzeit: 5 Werktage

Pos.
150
BOSCH Abdeckplatte | Ersatzteile für GCM 305-216 D | 1609B07662
Hersteller: BOSCH
Artikelnummer: EB-3601M49040-1609B07662
Netto: 4,32 € zzgl. MwSt.
zzgl. 6,90 € Versand (brutto)
einmalig pro Bestellung

Lieferzeit: 5 Werktage

Pos.
151
BOSCH Filzring | Ersatzteile für GCM 305-216 D | 1609B07663
Hersteller: BOSCH
Artikelnummer: EB-3601M49040-1609B07663
Netto: 3,63 € zzgl. MwSt.
zzgl. 6,90 € Versand (brutto)
einmalig pro Bestellung

Lieferzeit: 5 Werktage

Pos.
152
BOSCH Gummi-Ohrkissen | Ersatzteile für GCM 305-216 D | 1609B07664
Hersteller: BOSCH
Artikelnummer: EB-3601M49040-1609B07664
Netto: 3,63 € zzgl. MwSt.
zzgl. 6,90 € Versand (brutto)
einmalig pro Bestellung

Lieferzeit: 5 Werktage

Pos.
153
BOSCH Haltearm | Ersatzteile für GCM 305-216 D | 1609B07665
Hersteller: BOSCH
Artikelnummer: EB-3601M49040-1609B07665
Netto: 57,47 € zzgl. MwSt.
zzgl. 6,90 € Versand (brutto)
einmalig pro Bestellung

Lieferzeit: 5 Werktage

Pos.
154
BOSCH Druckfeder | Ersatzteile für GCM 305-216 D | 1609B07666
Hersteller: BOSCH
Artikelnummer: EB-3601M49040-1609B07666
Netto: 3,63 € zzgl. MwSt.
zzgl. 6,90 € Versand (brutto)
einmalig pro Bestellung

Lieferzeit: 5 Werktage

Pos.
155
BOSCH Knopf | Ersatzteile für GCM 305-216 D | 1609B07667
Hersteller: BOSCH
Artikelnummer: EB-3601M49040-1609B07667
Netto: 3,94 € zzgl. MwSt.
zzgl. 6,90 € Versand (brutto)
einmalig pro Bestellung

Lieferzeit: 5 Werktage

Pos.
156
BOSCH Druckfeder | Ersatzteile für GCM 305-216 D | 1609B07668
Hersteller: BOSCH
Artikelnummer: EB-3601M49040-1609B07668
Netto: 3,63 € zzgl. MwSt.
zzgl. 6,90 € Versand (brutto)
einmalig pro Bestellung

Lieferzeit: 5 Werktage

Pos.
157
BOSCH Gegenscheibe | Ersatzteile für GCM 305-216 D | 1609B07669
Hersteller: BOSCH
Artikelnummer: EB-3601M49040-1609B07669
Netto: 3,63 € zzgl. MwSt.
zzgl. 6,90 € Versand (brutto)
einmalig pro Bestellung

Lieferzeit: 5 Werktage

Pos.
158
BOSCH Druckschraube M10×110/45H | Ersatzteile für GCM 305-216 D | 1609B07670
Hersteller: BOSCH
Artikelnummer: EB-3601M49040-1609B07670
Netto: 3,94 € zzgl. MwSt.
zzgl. 6,90 € Versand (brutto)
einmalig pro Bestellung

Lieferzeit: 5 Werktage

Pos.
160
BOSCH Handrad | Ersatzteile für GCM 305-216 D | 1609B07672
Hersteller: BOSCH
Artikelnummer: EB-3601M49040-1609B07672
Netto: 5,67 € zzgl. MwSt.
zzgl. 6,90 € Versand (brutto)
einmalig pro Bestellung

Lieferzeit: 5 Werktage

Pos.
164
BOSCH Schraube M6×20/10.9 | Ersatzteile für GCM 305-216 D | 1609B07676
Hersteller: BOSCH
Artikelnummer: EB-3601M49040-1609B07676
Netto: 3,63 € zzgl. MwSt.
zzgl. 6,90 € Versand (brutto)
einmalig pro Bestellung

Lieferzeit: 5 Werktage

Pos.
165
BOSCH Schulterschraube | Ersatzteile für GCM 305-216 D | 1609B07677
Hersteller: BOSCH
Artikelnummer: EB-3601M49040-1609B07677
Netto: 3,63 € zzgl. MwSt.
zzgl. 6,90 € Versand (brutto)
einmalig pro Bestellung

Lieferzeit: 5 Werktage

Pos.
167
BOSCH Druckschraube M6×8/45H | Ersatzteile für GCM 305-216 D | 1609B07679
Hersteller: BOSCH
Artikelnummer: EB-3601M49040-1609B07679
Netto: 3,63 € zzgl. MwSt.
zzgl. 6,90 € Versand (brutto)
einmalig pro Bestellung

Lieferzeit: 5 Werktage

Pos.
168
BOSCH Nuss M8/5 | Ersatzteile für GCM 305-216 D | 1609B07680
Hersteller: BOSCH
Artikelnummer: EB-3601M49040-1609B07680
Netto: 3,63 € zzgl. MwSt.
zzgl. 6,90 € Versand (brutto)
einmalig pro Bestellung

Lieferzeit: 5 Werktage

Pos.
169
BOSCH Druckschraube M8×25/45H | Ersatzteile für GCM 305-216 D | 1609B07681
Hersteller: BOSCH
Artikelnummer: EB-3601M49040-1609B07681
Netto: 3,63 € zzgl. MwSt.
zzgl. 6,90 € Versand (brutto)
einmalig pro Bestellung

Lieferzeit: 5 Werktage

Pos.
171
BOSCH Druckfeder | Ersatzteile für GCM 305-216 D | 1609B07683
Hersteller: BOSCH
Artikelnummer: EB-3601M49040-1609B07683
Netto: 3,63 € zzgl. MwSt.
zzgl. 6,90 € Versand (brutto)
einmalig pro Bestellung

Lieferzeit: 5 Werktage

Pos.
172
BOSCH Gegenscheibe | Ersatzteile für GCM 305-216 D | 1609B07684
Hersteller: BOSCH
Artikelnummer: EB-3601M49040-1609B07684
Netto: 3,63 € zzgl. MwSt.
zzgl. 6,90 € Versand (brutto)
einmalig pro Bestellung

Lieferzeit: 5 Werktage

Pos.
173
BOSCH Knopf | Ersatzteile für GCM 305-216 D | 1609B07685
Hersteller: BOSCH
Artikelnummer: EB-3601M49040-1609B07685
Netto: 3,94 € zzgl. MwSt.
zzgl. 6,90 € Versand (brutto)
einmalig pro Bestellung

Lieferzeit: 5 Werktage

Pos.
174
BOSCH Anschlussplatte | Ersatzteile für GCM 305-216 D | 1609B07686
Hersteller: BOSCH
Artikelnummer: EB-3601M49040-1609B07686
Netto: 5,19 € zzgl. MwSt.
zzgl. 6,90 € Versand (brutto)
einmalig pro Bestellung

Lieferzeit: 5 Werktage

Pos.
175
BOSCH Traggriff | Ersatzteile für GCM 305-216 D | 1609B07687
Hersteller: BOSCH
Artikelnummer: EB-3601M49040-1609B07687
Netto: 8,33 € zzgl. MwSt.
zzgl. 6,90 € Versand (brutto)
einmalig pro Bestellung

Lieferzeit: 5 Werktage

Pos.
176
BOSCH Blechschraube ST4.8×16-F | Ersatzteile für GCM 305-216 D | 1609B07688
Hersteller: BOSCH
Artikelnummer: EB-3601M49040-1609B07688
Netto: 3,63 € zzgl. MwSt.
zzgl. 6,90 € Versand (brutto)
einmalig pro Bestellung

Lieferzeit: 5 Werktage

Pos.
177
BOSCH Arretierblech | Ersatzteile für GCM 305-216 D | 1609B07689
Hersteller: BOSCH
Artikelnummer: EB-3601M49040-1609B07689
Netto: 7,30 € zzgl. MwSt.
zzgl. 6,90 € Versand (brutto)
einmalig pro Bestellung

Lieferzeit: 5 Werktage

Pos.
178
BOSCH Gummilippe | Ersatzteile für GCM 305-216 D | 1609B07690
Hersteller: BOSCH
Artikelnummer: EB-3601M49040-1609B07690
Netto: 3,63 € zzgl. MwSt.
zzgl. 6,90 € Versand (brutto)
einmalig pro Bestellung

Lieferzeit: 5 Werktage

Pos.
179
BOSCH Staubabsaugung | Ersatzteile für GCM 305-216 D | 1609B07691
Hersteller: BOSCH
Artikelnummer: EB-3601M49040-1609B07691
Netto: 5,19 € zzgl. MwSt.
zzgl. 6,90 € Versand (brutto)
einmalig pro Bestellung

Lieferzeit: 5 Werktage

Pos.
180
BOSCH Blechschraube ST4.2×25-F | Ersatzteile für GCM 305-216 D | 1609B07692
Hersteller: BOSCH
Artikelnummer: EB-3601M49040-1609B07692
Netto: 3,63 € zzgl. MwSt.
zzgl. 6,90 € Versand (brutto)
einmalig pro Bestellung

Lieferzeit: 5 Werktage

Pos.
181
BOSCH Blechschraube ST4.2×9.5-F | Ersatzteile für GCM 305-216 D | 1609B07693
Hersteller: BOSCH
Artikelnummer: EB-3601M49040-1609B07693
Netto: 3,63 € zzgl. MwSt.
zzgl. 6,90 € Versand (brutto)
einmalig pro Bestellung

Lieferzeit: 5 Werktage

Pos.
182
BOSCH Blechschraube ST3.5×9.5-F | Ersatzteile für GCM 305-216 D | 1609B07694
Hersteller: BOSCH
Artikelnummer: EB-3601M49040-1609B07694
Netto: 3,63 € zzgl. MwSt.
zzgl. 6,90 € Versand (brutto)
einmalig pro Bestellung

Lieferzeit: 5 Werktage

Pos.
184
BOSCH Stecker | Ersatzteile für GCM 305-216 D | 1609B07696
Hersteller: BOSCH
Artikelnummer: EB-3601M49040-1609B07696
Netto: 3,94 € zzgl. MwSt.
zzgl. 6,90 € Versand (brutto)
einmalig pro Bestellung

Lieferzeit: 5 Werktage

Pos.
187
BOSCH Buchse | Ersatzteile für GCM 305-216 D | 1609B07699
Hersteller: BOSCH
Artikelnummer: EB-3601M49040-1609B07699
Netto: 3,94 € zzgl. MwSt.
zzgl. 6,90 € Versand (brutto)
einmalig pro Bestellung

Lieferzeit: 5 Werktage

Pos.
188
BOSCH Sprengring | Ersatzteile für GCM 305-216 D | 1609B07700
Hersteller: BOSCH
Artikelnummer: EB-3601M49040-1609B07700
Netto: 3,63 € zzgl. MwSt.
zzgl. 6,90 € Versand (brutto)
einmalig pro Bestellung

Lieferzeit: 5 Werktage

Pos.
189
BOSCH Knopf | Ersatzteile für GCM 305-216 D | 1609B07701
Hersteller: BOSCH
Artikelnummer: EB-3601M49040-1609B07701
Netto: 3,94 € zzgl. MwSt.
zzgl. 6,90 € Versand (brutto)
einmalig pro Bestellung

Lieferzeit: 5 Werktage

Pos.
190
BOSCH Knopf | Ersatzteile für GCM 305-216 D | 1609B07702
Hersteller: BOSCH
Artikelnummer: EB-3601M49040-1609B07702
Netto: 3,94 € zzgl. MwSt.
zzgl. 6,90 € Versand (brutto)
einmalig pro Bestellung

Lieferzeit: 5 Werktage

Pos.
191
BOSCH Schraube M5×10/4.8 | Ersatzteile für GCM 305-216 D | 1609B07703
Hersteller: BOSCH
Artikelnummer: EB-3601M49040-1609B07703
Netto: 3,63 € zzgl. MwSt.
zzgl. 6,90 € Versand (brutto)
einmalig pro Bestellung

Lieferzeit: 5 Werktage

Pos.
192
BOSCH Befestigung | Ersatzteile für GCM 305-216 D | 1609B07704
Hersteller: BOSCH
Artikelnummer: EB-3601M49040-1609B07704
Netto: 3,94 € zzgl. MwSt.
zzgl. 6,90 € Versand (brutto)
einmalig pro Bestellung

Lieferzeit: 5 Werktage

Pos.
193
BOSCH Befestigung | Ersatzteile für GCM 305-216 D | 1609B07705
Hersteller: BOSCH
Artikelnummer: EB-3601M49040-1609B07705
Netto: 3,94 € zzgl. MwSt.
zzgl. 6,90 € Versand (brutto)
einmalig pro Bestellung

Lieferzeit: 5 Werktage

Pos.
194
BOSCH Schraube M4×12/8.8 | Ersatzteile für GCM 305-216 D | 1609B07706
Hersteller: BOSCH
Artikelnummer: EB-3601M49040-1609B07706
Netto: 3,63 € zzgl. MwSt.
zzgl. 6,90 € Versand (brutto)
einmalig pro Bestellung

Lieferzeit: 5 Werktage

Pos.
195
BOSCH Lasermodul | Ersatzteile für GCM 305-216 D | 1609B07707
Hersteller: BOSCH
Artikelnummer: EB-3601M49040-1609B07707
Netto: 14,36 € zzgl. MwSt.
zzgl. 6,90 € Versand (brutto)
einmalig pro Bestellung

Lieferzeit: 5 Werktage

Pos.
197
BOSCH Deckel | Ersatzteile für GCM 305-216 D | 1609B07709
Hersteller: BOSCH
Artikelnummer: EB-3601M49040-1609B07709
Netto: 3,94 € zzgl. MwSt.
zzgl. 6,90 € Versand (brutto)
einmalig pro Bestellung

Lieferzeit: 5 Werktage

Pos.
200
BOSCH Innensechskantschlüssel | Ersatzteile für GCM 305-216 D | 1609B07712
Hersteller: BOSCH
Artikelnummer: EB-3601M49040-1609B07712
Netto: 4,82 € zzgl. MwSt.
zzgl. 6,90 € Versand (brutto)
einmalig pro Bestellung

Lieferzeit: 5 Werktage

Pos.
201
BOSCH Befestigung | Ersatzteile für GCM 305-216 D | 1619PA7028
Hersteller: BOSCH
Artikelnummer: EB-3601M49040-1619PA7028
Netto: 3,63 € zzgl. MwSt.
zzgl. 6,90 € Versand (brutto)
einmalig pro Bestellung

Lieferzeit: 5 Werktage

Pos.
202
BOSCH Regulierhebel | Ersatzteile für GCM 305-216 D | 1609B07714
Hersteller: BOSCH
Artikelnummer: EB-3601M49040-1609B07714
Netto: 3,94 € zzgl. MwSt.
zzgl. 6,90 € Versand (brutto)
einmalig pro Bestellung

Lieferzeit: 5 Werktage

Pos.
203
BOSCH Stellmutter M5/5 | Ersatzteile für GCM 305-216 D | 1609B07715
Hersteller: BOSCH
Artikelnummer: EB-3601M49040-1609B07715
Netto: 3,63 € zzgl. MwSt.
zzgl. 6,90 € Versand (brutto)
einmalig pro Bestellung

Lieferzeit: 5 Werktage

Pos.
204
BOSCH Stützplatte | Ersatzteile für GCM 305-216 D | 1609B07716
Hersteller: BOSCH
Artikelnummer: EB-3601M49040-1609B07716
Netto: 3,94 € zzgl. MwSt.
zzgl. 6,90 € Versand (brutto)
einmalig pro Bestellung

Lieferzeit: 5 Werktage

Pos.
205
BOSCH O-Ring 6.7×1.8 | Ersatzteile für GCM 305-216 D | 1609B07717
Hersteller: BOSCH
Artikelnummer: EB-3601M49040-1609B07717
Netto: 4,32 € zzgl. MwSt.
zzgl. 6,90 € Versand (brutto)
einmalig pro Bestellung

Lieferzeit: 5 Werktage

Pos.
207
BOSCH Schraube M4×16/8.8 | Ersatzteile für GCM 305-216 D | 1609B07719
Hersteller: BOSCH
Artikelnummer: EB-3601M49040-1609B07719
Netto: 3,63 € zzgl. MwSt.
zzgl. 6,90 € Versand (brutto)
einmalig pro Bestellung

Lieferzeit: 5 Werktage

Pos.
208
BOSCH Kabelschuh | Ersatzteile für GCM 305-216 D | 1609B07720
Hersteller: BOSCH
Artikelnummer: EB-3601M49040-1609B07720
Netto: 3,63 € zzgl. MwSt.
zzgl. 6,90 € Versand (brutto)
einmalig pro Bestellung

Lieferzeit: 5 Werktage

Pos.
211
BOSCH Einklebeblatt | Ersatzteile für GCM 305-216 D | 1609B07722
Hersteller: BOSCH
Artikelnummer: EB-3601M49040-1609B07722
Netto: 3,94 € zzgl. MwSt.
zzgl. 6,90 € Versand (brutto)
einmalig pro Bestellung

Lieferzeit: 5 Werktage

Pos.
212
BOSCH Einklebeblatt | Ersatzteile für GCM 305-216 D | 1609B07723
Hersteller: BOSCH
Artikelnummer: EB-3601M49040-1609B07723
Netto: 3,94 € zzgl. MwSt.
zzgl. 6,90 € Versand (brutto)
einmalig pro Bestellung

Lieferzeit: 5 Werktage

Pos.
213
BOSCH Einklebeblatt | Ersatzteile für GCM 305-216 D | 1609B07724
Hersteller: BOSCH
Artikelnummer: EB-3601M49040-1609B07724
Netto: 3,94 € zzgl. MwSt.
zzgl. 6,90 € Versand (brutto)
einmalig pro Bestellung

Lieferzeit: 5 Werktage

Pos.
214
BOSCH Einklebeblatt | Ersatzteile für GCM 305-216 D | 1609B07725
Hersteller: BOSCH
Artikelnummer: EB-3601M49040-1609B07725
Netto: 3,94 € zzgl. MwSt.
zzgl. 6,90 € Versand (brutto)
einmalig pro Bestellung

Lieferzeit: 5 Werktage

Pos.
217
BOSCH Befestigungsschelle | Ersatzteile für GCM 305-216 D | 1609B08171
Hersteller: BOSCH
Artikelnummer: EB-3601M49040-1609B08171
Netto: 3,94 € zzgl. MwSt.
zzgl. 6,90 € Versand (brutto)
einmalig pro Bestellung

Lieferzeit: 5 Werktage

Pos.
218
BOSCH Schraube M5X16/4.8 | Ersatzteile für GCM 305-216 D | 1609B07578
Hersteller: BOSCH
Artikelnummer: EB-3601M49040-1609B07578
Netto: 3,63 € zzgl. MwSt.
zzgl. 6,90 € Versand (brutto)
einmalig pro Bestellung

Lieferzeit: 5 Werktage

Pos.
219
BOSCH Befestigungsschelle | Ersatzteile für GCM 305-216 D | 1609B08170
Hersteller: BOSCH
Artikelnummer: EB-3601M49040-1609B08170
Netto: 3,94 € zzgl. MwSt.
zzgl. 6,90 € Versand (brutto)
einmalig pro Bestellung

Lieferzeit: 5 Werktage

Pos.
220
BOSCH Schraube M5X12/4.8 | Ersatzteile für GCM 305-216 D | 1609B08173
Hersteller: BOSCH
Artikelnummer: EB-3601M49040-1609B08173
Netto: 3,63 € zzgl. MwSt.
zzgl. 6,90 € Versand (brutto)
einmalig pro Bestellung

Lieferzeit: 5 Werktage

Pos.
221
BOSCH Leitungsclip | Ersatzteile für GCM 305-216 D | 1609B08162
Hersteller: BOSCH
Artikelnummer: EB-3601M49040-1609B08162
Netto: 3,63 € zzgl. MwSt.
zzgl. 6,90 € Versand (brutto)
einmalig pro Bestellung

Lieferzeit: 5 Werktage

Pos.
801
BOSCH Gehäusebaugruppe | Ersatzteile für GCM 305-216 D | 1609B07713
Hersteller: BOSCH
Artikelnummer: EB-3601M49040-1609B07713
Netto: 9,95 € zzgl. MwSt.
zzgl. 6,90 € Versand (brutto)
einmalig pro Bestellung

Lieferzeit: 5 Werktage

Pos.
802
BOSCH Tisch | Ersatzteile für GCM 305-216 D | 1609B08268
Hersteller: BOSCH
Artikelnummer: EB-3601M49040-1609B08268
Netto: 57,47 € zzgl. MwSt.
zzgl. 6,90 € Versand (brutto)
einmalig pro Bestellung

Lieferzeit: 5 Werktage

Pos.
803
BOSCH Ankerbaugruppe | Ersatzteile für GCM 305-216 D | 1609B07648
Hersteller: BOSCH
Artikelnummer: EB-3601M49040-1609B07648
Netto: 57,47 € zzgl. MwSt.
zzgl. 6,90 € Versand (brutto)
einmalig pro Bestellung

Lieferzeit: 5 Werktage

Pos.
808
BOSCH Typschild | Ersatzteile für GCM 305-216 D | 1609B08307
Hersteller: BOSCH
Artikelnummer: EB-3601M49040-1609B08307
Netto: 4,53 € zzgl. MwSt.
zzgl. 6,90 € Versand (brutto)
einmalig pro Bestellung

Lieferzeit: 5 Werktage

Pos.
810
BOSCH Schutzunterteil | Ersatzteile für GCM 305-216 D | 1609B08166
Hersteller: BOSCH
Artikelnummer: EB-3601M49040-1609B08166
Netto: 26,88 € zzgl. MwSt.
zzgl. 6,90 € Versand (brutto)
einmalig pro Bestellung

Lieferzeit: 5 Werktage

Pos.
811
BOSCH Kohlebürstensatz | Ersatzteile für GCM 305-216 D | 1609B08240
Hersteller: BOSCH
Artikelnummer: EB-3601M49040-1609B08240
Netto: 11,92 € zzgl. MwSt.
zzgl. 6,90 € Versand (brutto)
einmalig pro Bestellung

Lieferzeit: 5 Werktage

Pos.
823
BOSCH Abtriebswelle | Ersatzteile für GCM 305-216 D | 1609B07630
Hersteller: BOSCH
Artikelnummer: EB-3601M49040-1609B07630
Netto: 19,18 € zzgl. MwSt.
zzgl. 6,90 € Versand (brutto)
einmalig pro Bestellung

Lieferzeit: 5 Werktage

Pos.
829
BOSCH Haltearm | Ersatzteile für GCM 305-216 D | 1609B08169
Hersteller: BOSCH
Artikelnummer: EB-3601M49040-1609B08169
Netto: 42,86 € zzgl. MwSt.
zzgl. 6,90 € Versand (brutto)
einmalig pro Bestellung

Lieferzeit: 5 Werktage

Pos.
861
BOSCH Linearkugellager | Ersatzteile für GCM 305-216 D | 1609B08352
Hersteller: BOSCH
Artikelnummer: EB-3601M49040-1609B08352
Netto: 10,92 € zzgl. MwSt.
zzgl. 6,90 € Versand (brutto)
einmalig pro Bestellung

Lieferzeit: 5 Werktage

Pos.
870
BOSCH Ergänzungsgestell | Ersatzteile für GCM 305-216 D | 1609B08167
Hersteller: BOSCH
Artikelnummer: EB-3601M49040-1609B08167
Netto: 26,88 € zzgl. MwSt.
zzgl. 6,90 € Versand (brutto)
einmalig pro Bestellung

Lieferzeit: 5 Werktage

Pos.
885
BOSCH Staubbeutel | Ersatzteile für GCM 305-216 D | 1609B07930
Hersteller: BOSCH
Artikelnummer: EB-3601M49040-1609B07930
Netto: 9,18 € zzgl. MwSt.
zzgl. 6,90 € Versand (brutto)
einmalig pro Bestellung

Lieferzeit: 5 Werktage

Pos.
890
BOSCH Schraubzwinge | Ersatzteile für GCM 305-216 D | 1609B06930
Hersteller: BOSCH
Artikelnummer: EB-3601M49040-1609B06930
Netto: 15,75 € zzgl. MwSt.
zzgl. 6,90 € Versand (brutto)
einmalig pro Bestellung

Lieferzeit: 5 Werktage

Pos.
898
BOSCH Auflageklotz | Ersatzteile für GCM 305-216 D | 1609B07675
Hersteller: BOSCH
Artikelnummer: EB-3601M49040-1609B07675
Netto: 26,88 € zzgl. MwSt.
zzgl. 6,90 € Versand (brutto)
einmalig pro Bestellung

Lieferzeit: 5 Werktage

Angaben zur Produktsicherheit

Hersteller:
Robert Bosch Power Tools GmbH
Postfach 30 02 20
70442 Stuttgart

E-Mail:
kontakt@bosch.de