BOSCH Blechschraube ST4.8×16-F | Ersatzteile für GCM 305-254 D | 1609B07688

Artikelnummer: EB-3601M49170-1609B07688

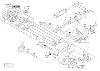
Position: 178

Marke: BOSCH


Bitte Kompatibilität prüfen!

Bitte prüfen Sie unbedingt die 10-stellige Typennummer Ihrer Maschine / Ihres Gerätes. Das Ersatzteil ist nur kompatibel, wenn Sie die Typennummer Ihrer Maschine in der unten stehenden Produktbeschreibung finden.

Bitte prüfen Sie ebenfalls detailliert die Explosionszeichnung mit Ihrem Artikelwunsch und der jeweiligen Pos-Nummer.

Alle Elemente, welche vom schwarzen Strich der Pos-Nummer ausgehend berührt / erfasst werden, gehören zu dieser Pos-Nummer und somit zu diesem Artikel. Jede Pos-Nummer ist ein eigenständiger Artikel, welchen Sie in der Auflistung finden.

Sie erhalten stets die aktuellste, neueste Produktversion zu der gewählten Pos-Nummer seitens des Herstellers. Es kann daher je nach Gerätealter vorkommen, dass Sie ggf. weitere, zugehörige Elemente, welche an diese Pos-Nummer grenzen, ebenfalls mittauschen müssen.

Nähere Informationen finden Sie unter dem Link
Hinweise zu Ihrer BOSCH Ersatzteilsuche

Preisübersicht

Einzelpreis: 3,63 €* (Brutto: 4,32 €)
Gesamtpreis: 3,63 €* 
Position:

Lieferzeit: 5 Werktage


Beschreibung

  • Blechschraube ST4.8×16-F
  • Original Bosch Zubehör / BOSCH Ersatzteil (1609B07688)
  • im Gerät verbaut: 1
Dieses BOSCH Ersatzteil ist mit folgendem Gerät und Modell kompatibel:
  • BOSCH Gerätename: GCM 305-254 D
  • BOSCH Explosionszeichnung: Position 178
  • BOSCH Typennummer: 3601M49170
  • BOSCH Typennummer alternative Schreibweisen: 3 601 M49 170, 3601 M49 170, 3.601.M49.170, 3-601-M49-170
    Bitte prüfen Sie diese Typennummer auf Ihrem Gerät um die Kompatibilität des BOSCH Ersatzteils zu gewährleisten.
Weitere BOSCH Ersatzteile des Gerätes GCM 305-254 D (Kapp-/Gehrungssäge) mit der Typennummer 3601M49170 finden Sie in der nachfolgenden Darstellung und im Dropdown zu Ihrer Auswahl:

Pos.
2
BOSCH Stator | Ersatzteile für GCM 305-254 D | 1609B08114
Hersteller: BOSCH
Artikelnummer: EB-3601M49170-1609B08114
Netto: 52,14 € zzgl. MwSt.
zzgl. 6,90 € Versand (brutto)
einmalig pro Bestellung

Lieferzeit: 5 Werktage

Pos.
4
BOSCH Ein/Aus-Schalter | Ersatzteile für GCM 305-254 D | 160720039G
Hersteller: BOSCH
Artikelnummer: EB-3601M49170-160720039G
Netto: 10,92 € zzgl. MwSt.
zzgl. 6,90 € Versand (brutto)
einmalig pro Bestellung

Lieferzeit: 5 Werktage

Pos.
5
BOSCH Netzanschlussleitung | Ersatzteile für GCM 305-254 D | 1609B08319
Hersteller: BOSCH
Artikelnummer: EB-3601M49170-1609B08319
Netto: 14,36 € zzgl. MwSt.
zzgl. 6,90 € Versand (brutto)
einmalig pro Bestellung

Lieferzeit: 5 Werktage

Pos.
6
BOSCH Tülle | Ersatzteile für GCM 305-254 D | 1609B08117
Hersteller: BOSCH
Artikelnummer: EB-3601M49170-1609B08117
Netto: 3,94 € zzgl. MwSt.
zzgl. 6,90 € Versand (brutto)
einmalig pro Bestellung

Lieferzeit: 5 Werktage

Pos.
7
BOSCH Befestigungsschelle | Ersatzteile für GCM 305-254 D | 1609B08118
Hersteller: BOSCH
Artikelnummer: EB-3601M49170-1609B08118
Netto: 3,63 € zzgl. MwSt.
zzgl. 6,90 € Versand (brutto)
einmalig pro Bestellung

Lieferzeit: 5 Werktage

Pos.
12
BOSCH Kondensator | Ersatzteile für GCM 305-254 D | 1609B08122
Hersteller: BOSCH
Artikelnummer: EB-3601M49170-1609B08122
Netto: 4,32 € zzgl. MwSt.
zzgl. 6,90 € Versand (brutto)
einmalig pro Bestellung

Lieferzeit: 5 Werktage

Pos.
19
BOSCH Schraube M5×30/4.8 | Ersatzteile für GCM 305-254 D | 1609B07540
Hersteller: BOSCH
Artikelnummer: EB-3601M49170-1609B07540
Netto: 3,63 € zzgl. MwSt.
zzgl. 6,90 € Versand (brutto)
einmalig pro Bestellung

Lieferzeit: 5 Werktage

Pos.
20
BOSCH Warnzettel | Ersatzteile für GCM 305-254 D | 1609B07541
Hersteller: BOSCH
Artikelnummer: EB-3601M49170-1609B07541
Netto: 3,94 € zzgl. MwSt.
zzgl. 6,90 € Versand (brutto)
einmalig pro Bestellung

Lieferzeit: 5 Werktage

Pos.
22
BOSCH Schraube M6×16/8.8 | Ersatzteile für GCM 305-254 D | 1609B07537
Hersteller: BOSCH
Artikelnummer: EB-3601M49170-1609B07537
Netto: 3,63 € zzgl. MwSt.
zzgl. 6,90 € Versand (brutto)
einmalig pro Bestellung

Lieferzeit: 5 Werktage

Pos.
23
BOSCH Federscheibe | Ersatzteile für GCM 305-254 D | 1609B07564
Hersteller: BOSCH
Artikelnummer: EB-3601M49170-1609B07564
Netto: 3,63 € zzgl. MwSt.
zzgl. 6,90 € Versand (brutto)
einmalig pro Bestellung

Lieferzeit: 5 Werktage

Pos.
24
BOSCH Aufspannplatte | Ersatzteile für GCM 305-254 D | 1609B07542
Hersteller: BOSCH
Artikelnummer: EB-3601M49170-1609B07542
Netto: 4,82 € zzgl. MwSt.
zzgl. 6,90 € Versand (brutto)
einmalig pro Bestellung

Lieferzeit: 5 Werktage

Pos.
29
BOSCH Sinterlager | Ersatzteile für GCM 305-254 D | 1609B07547
Hersteller: BOSCH
Artikelnummer: EB-3601M49170-1609B07547
Netto: 5,67 € zzgl. MwSt.
zzgl. 6,90 € Versand (brutto)
einmalig pro Bestellung

Lieferzeit: 5 Werktage

Pos.
30
BOSCH Arm | Ersatzteile für GCM 305-254 D | 1609B08127
Hersteller: BOSCH
Artikelnummer: EB-3601M49170-1609B08127
Netto: 52,14 € zzgl. MwSt.
zzgl. 6,90 € Versand (brutto)
einmalig pro Bestellung

Lieferzeit: 5 Werktage

Pos.
31
BOSCH Kabelabdeckung | Ersatzteile für GCM 305-254 D | 1609B08128
Hersteller: BOSCH
Artikelnummer: EB-3601M49170-1609B08128
Netto: 3,63 € zzgl. MwSt.
zzgl. 6,90 € Versand (brutto)
einmalig pro Bestellung

Lieferzeit: 5 Werktage

Pos.
32
BOSCH Schraube M4×8 | Ersatzteile für GCM 305-254 D | 1609B07550
Hersteller: BOSCH
Artikelnummer: EB-3601M49170-1609B07550
Netto: 3,63 € zzgl. MwSt.
zzgl. 6,90 € Versand (brutto)
einmalig pro Bestellung

Lieferzeit: 5 Werktage

Pos.
33
BOSCH Druckfeder | Ersatzteile für GCM 305-254 D | 1609B07551
Hersteller: BOSCH
Artikelnummer: EB-3601M49170-1609B07551
Netto: 3,63 € zzgl. MwSt.
zzgl. 6,90 € Versand (brutto)
einmalig pro Bestellung

Lieferzeit: 5 Werktage

Pos.
34
BOSCH Arretierstift | Ersatzteile für GCM 305-254 D | 1609B07552
Hersteller: BOSCH
Artikelnummer: EB-3601M49170-1609B07552
Netto: 4,32 € zzgl. MwSt.
zzgl. 6,90 € Versand (brutto)
einmalig pro Bestellung

Lieferzeit: 5 Werktage

Pos.
35
BOSCH Sprengring | Ersatzteile für GCM 305-254 D | 1609B07553
Hersteller: BOSCH
Artikelnummer: EB-3601M49170-1609B07553
Netto: 3,63 € zzgl. MwSt.
zzgl. 6,90 € Versand (brutto)
einmalig pro Bestellung

Lieferzeit: 5 Werktage

Pos.
36
BOSCH Tastknopf | Ersatzteile für GCM 305-254 D | 1609B07554
Hersteller: BOSCH
Artikelnummer: EB-3601M49170-1609B07554
Netto: 3,63 € zzgl. MwSt.
zzgl. 6,90 € Versand (brutto)
einmalig pro Bestellung

Lieferzeit: 5 Werktage

Pos.
37
BOSCH Leiterplatte bestückt | Ersatzteile für GCM 305-254 D | 1619PA3508
Hersteller: BOSCH
Artikelnummer: EB-3601M49170-1619PA3508
Netto: 32,74 € zzgl. MwSt.
zzgl. 6,90 € Versand (brutto)
einmalig pro Bestellung

Lieferzeit: 5 Werktage

Pos.
41
BOSCH Schutzglas | Ersatzteile für GCM 305-254 D | 1609B07558
Hersteller: BOSCH
Artikelnummer: EB-3601M49170-1609B07558
Netto: 3,63 € zzgl. MwSt.
zzgl. 6,90 € Versand (brutto)
einmalig pro Bestellung

Lieferzeit: 5 Werktage

Pos.
42
BOSCH Reflektor | Ersatzteile für GCM 305-254 D | 1609B07559
Hersteller: BOSCH
Artikelnummer: EB-3601M49170-1609B07559
Netto: 3,94 € zzgl. MwSt.
zzgl. 6,90 € Versand (brutto)
einmalig pro Bestellung

Lieferzeit: 5 Werktage

Pos.
43
BOSCH Led-Platte | Ersatzteile für GCM 305-254 D | 1609B08131
Hersteller: BOSCH
Artikelnummer: EB-3601M49170-1609B08131
Netto: 4,32 € zzgl. MwSt.
zzgl. 6,90 € Versand (brutto)
einmalig pro Bestellung

Lieferzeit: 5 Werktage

Pos.
44
BOSCH Bürstendeckel | Ersatzteile für GCM 305-254 D | 1609B08132
Hersteller: BOSCH
Artikelnummer: EB-3601M49170-1609B08132
Netto: 3,94 € zzgl. MwSt.
zzgl. 6,90 € Versand (brutto)
einmalig pro Bestellung

Lieferzeit: 5 Werktage

Pos.
45
BOSCH Kabelschuh | Ersatzteile für GCM 305-254 D | 1609B08133
Hersteller: BOSCH
Artikelnummer: EB-3601M49170-1609B08133
Netto: 3,63 € zzgl. MwSt.
zzgl. 6,90 € Versand (brutto)
einmalig pro Bestellung

Lieferzeit: 5 Werktage

Pos.
46
BOSCH Deckel | Ersatzteile für GCM 305-254 D | 1609B08134
Hersteller: BOSCH
Artikelnummer: EB-3601M49170-1609B08134
Netto: 4,82 € zzgl. MwSt.
zzgl. 6,90 € Versand (brutto)
einmalig pro Bestellung

Lieferzeit: 5 Werktage

Pos.
47
BOSCH Sanftstarter | Ersatzteile für GCM 305-254 D | 1609B06928
Hersteller: BOSCH
Artikelnummer: EB-3601M49170-1609B06928
Netto: 19,18 € zzgl. MwSt.
zzgl. 6,90 € Versand (brutto)
einmalig pro Bestellung

Lieferzeit: 5 Werktage

Pos.
48
BOSCH Henkel | Ersatzteile für GCM 305-254 D | 1609B08136
Hersteller: BOSCH
Artikelnummer: EB-3601M49170-1609B08136
Netto: 10,92 € zzgl. MwSt.
zzgl. 6,90 € Versand (brutto)
einmalig pro Bestellung

Lieferzeit: 5 Werktage

Pos.
49
BOSCH Schraube ST4.2×13/1022A | Ersatzteile für GCM 305-254 D | 1609B07566
Hersteller: BOSCH
Artikelnummer: EB-3601M49170-1609B07566
Netto: 3,63 € zzgl. MwSt.
zzgl. 6,90 € Versand (brutto)
einmalig pro Bestellung

Lieferzeit: 5 Werktage

Pos.
50
BOSCH Taster | Ersatzteile für GCM 305-254 D | 1609B08137
Hersteller: BOSCH
Artikelnummer: EB-3601M49170-1609B08137
Netto: 4,32 € zzgl. MwSt.
zzgl. 6,90 € Versand (brutto)
einmalig pro Bestellung

Lieferzeit: 5 Werktage

Pos.
51
BOSCH Taster | Ersatzteile für GCM 305-254 D | 1609B08138
Hersteller: BOSCH
Artikelnummer: EB-3601M49170-1609B08138
Netto: 4,32 € zzgl. MwSt.
zzgl. 6,90 € Versand (brutto)
einmalig pro Bestellung

Lieferzeit: 5 Werktage

Pos.
52
BOSCH Gummiring | Ersatzteile für GCM 305-254 D | 1609B08139
Hersteller: BOSCH
Artikelnummer: EB-3601M49170-1609B08139
Netto: 3,63 € zzgl. MwSt.
zzgl. 6,90 € Versand (brutto)
einmalig pro Bestellung

Lieferzeit: 5 Werktage

Pos.
53
BOSCH Auslöser | Ersatzteile für GCM 305-254 D | 1609B08140
Hersteller: BOSCH
Artikelnummer: EB-3601M49170-1609B08140
Netto: 3,63 € zzgl. MwSt.
zzgl. 6,90 € Versand (brutto)
einmalig pro Bestellung

Lieferzeit: 5 Werktage

Pos.
54
BOSCH Druckfeder | Ersatzteile für GCM 305-254 D | 1609B07570
Hersteller: BOSCH
Artikelnummer: EB-3601M49170-1609B07570
Netto: 3,63 € zzgl. MwSt.
zzgl. 6,90 € Versand (brutto)
einmalig pro Bestellung

Lieferzeit: 5 Werktage

Pos.
55
BOSCH Luftleitring | Ersatzteile für GCM 305-254 D | 1609B08141
Hersteller: BOSCH
Artikelnummer: EB-3601M49170-1609B08141
Netto: 3,94 € zzgl. MwSt.
zzgl. 6,90 € Versand (brutto)
einmalig pro Bestellung

Lieferzeit: 5 Werktage

Pos.
56
BOSCH Henkel | Ersatzteile für GCM 305-254 D | 1609B08142
Hersteller: BOSCH
Artikelnummer: EB-3601M49170-1609B08142
Netto: 12,98 € zzgl. MwSt.
zzgl. 6,90 € Versand (brutto)
einmalig pro Bestellung

Lieferzeit: 5 Werktage

Pos.
57
BOSCH Schraube M5X70 | Ersatzteile für GCM 305-254 D | 1609B08143
Hersteller: BOSCH
Artikelnummer: EB-3601M49170-1609B08143
Netto: 3,63 € zzgl. MwSt.
zzgl. 6,90 € Versand (brutto)
einmalig pro Bestellung

Lieferzeit: 5 Werktage

Pos.
58
BOSCH Kombi-Schraube M5×16/4.8 | Ersatzteile für GCM 305-254 D | 1609B07574
Hersteller: BOSCH
Artikelnummer: EB-3601M49170-1609B07574
Netto: 3,63 € zzgl. MwSt.
zzgl. 6,90 € Versand (brutto)
einmalig pro Bestellung

Lieferzeit: 5 Werktage

Pos.
62
BOSCH Isolierrohr | Ersatzteile für GCM 305-254 D | 1609B08146
Hersteller: BOSCH
Artikelnummer: EB-3601M49170-1609B08146
Netto: 3,63 € zzgl. MwSt.
zzgl. 6,90 € Versand (brutto)
einmalig pro Bestellung

Lieferzeit: 5 Werktage

Pos.
63
BOSCH Elektr Leitung | Ersatzteile für GCM 305-254 D | 1609B08147
Hersteller: BOSCH
Artikelnummer: EB-3601M49170-1609B08147
Netto: 3,63 € zzgl. MwSt.
zzgl. 6,90 € Versand (brutto)
einmalig pro Bestellung

Lieferzeit: 5 Werktage

Pos.
64
BOSCH Elektr Leitung | Ersatzteile für GCM 305-254 D | 1609B08148
Hersteller: BOSCH
Artikelnummer: EB-3601M49170-1609B08148
Netto: 3,63 € zzgl. MwSt.
zzgl. 6,90 € Versand (brutto)
einmalig pro Bestellung

Lieferzeit: 5 Werktage

Pos.
65
BOSCH Elektr Leitung | Ersatzteile für GCM 305-254 D | 1609B08149
Hersteller: BOSCH
Artikelnummer: EB-3601M49170-1609B08149
Netto: 3,63 € zzgl. MwSt.
zzgl. 6,90 € Versand (brutto)
einmalig pro Bestellung

Lieferzeit: 5 Werktage

Pos.
66
BOSCH Steckverbinder | Ersatzteile für GCM 305-254 D | 1609B08150
Hersteller: BOSCH
Artikelnummer: EB-3601M49170-1609B08150
Netto: 3,94 € zzgl. MwSt.
zzgl. 6,90 € Versand (brutto)
einmalig pro Bestellung

Lieferzeit: 5 Werktage

Pos.
67
BOSCH Kabeladapter | Ersatzteile für GCM 305-254 D | 1609B08151
Hersteller: BOSCH
Artikelnummer: EB-3601M49170-1609B08151
Netto: 4,82 € zzgl. MwSt.
zzgl. 6,90 € Versand (brutto)
einmalig pro Bestellung

Lieferzeit: 5 Werktage

Pos.
68
BOSCH Gegenscheibe | Ersatzteile für GCM 305-254 D | 1609B07669
Hersteller: BOSCH
Artikelnummer: EB-3601M49170-1609B07669
Netto: 3,63 € zzgl. MwSt.
zzgl. 6,90 € Versand (brutto)
einmalig pro Bestellung

Lieferzeit: 5 Werktage

Pos.
69
BOSCH Anschlagplatte | Ersatzteile für GCM 305-254 D | 1609B07586
Hersteller: BOSCH
Artikelnummer: EB-3601M49170-1609B07586
Netto: 4,32 € zzgl. MwSt.
zzgl. 6,90 € Versand (brutto)
einmalig pro Bestellung

Lieferzeit: 5 Werktage

Pos.
72
BOSCH Schraube M6×16/4.8 | Ersatzteile für GCM 305-254 D | 1609B07633
Hersteller: BOSCH
Artikelnummer: EB-3601M49170-1609B07633
Netto: 3,63 € zzgl. MwSt.
zzgl. 6,90 € Versand (brutto)
einmalig pro Bestellung

Lieferzeit: 5 Werktage

Pos.
74
BOSCH Schraube M5×10/4.8 | Ersatzteile für GCM 305-254 D | 1609B07703
Hersteller: BOSCH
Artikelnummer: EB-3601M49170-1609B07703
Netto: 3,63 € zzgl. MwSt.
zzgl. 6,90 € Versand (brutto)
einmalig pro Bestellung

Lieferzeit: 5 Werktage

Pos.
75
BOSCH Knopf | Ersatzteile für GCM 305-254 D | 1609B07592
Hersteller: BOSCH
Artikelnummer: EB-3601M49170-1609B07592
Netto: 3,94 € zzgl. MwSt.
zzgl. 6,90 € Versand (brutto)
einmalig pro Bestellung

Lieferzeit: 5 Werktage

Pos.
76
BOSCH Gerätefuss | Ersatzteile für GCM 305-254 D | 1609B07593
Hersteller: BOSCH
Artikelnummer: EB-3601M49170-1609B07593
Netto: 3,94 € zzgl. MwSt.
zzgl. 6,90 € Versand (brutto)
einmalig pro Bestellung

Lieferzeit: 5 Werktage

Pos.
77
BOSCH Gegenscheibe | Ersatzteile für GCM 305-254 D | 1609B07594
Hersteller: BOSCH
Artikelnummer: EB-3601M49170-1609B07594
Netto: 3,63 € zzgl. MwSt.
zzgl. 6,90 € Versand (brutto)
einmalig pro Bestellung

Lieferzeit: 5 Werktage

Pos.
78
BOSCH Federscheibe | Ersatzteile für GCM 305-254 D | 1609B07595
Hersteller: BOSCH
Artikelnummer: EB-3601M49170-1609B07595
Netto: 3,63 € zzgl. MwSt.
zzgl. 6,90 € Versand (brutto)
einmalig pro Bestellung

Lieferzeit: 5 Werktage

Pos.
79
BOSCH Stellmutter | Ersatzteile für GCM 305-254 D | 1609B07642
Hersteller: BOSCH
Artikelnummer: EB-3601M49170-1609B07642
Netto: 3,63 € zzgl. MwSt.
zzgl. 6,90 € Versand (brutto)
einmalig pro Bestellung

Lieferzeit: 5 Werktage

Pos.
80
BOSCH Sockel | Ersatzteile für GCM 305-254 D | 1609B08068
Hersteller: BOSCH
Artikelnummer: EB-3601M49170-1609B08068
Netto: 96,32 € zzgl. MwSt.
zzgl. 6,90 € Versand (brutto)
einmalig pro Bestellung

Lieferzeit: 5 Werktage

Pos.
81
BOSCH Anschlagplatte | Ersatzteile für GCM 305-254 D | 1609B07598
Hersteller: BOSCH
Artikelnummer: EB-3601M49170-1609B07598
Netto: 3,94 € zzgl. MwSt.
zzgl. 6,90 € Versand (brutto)
einmalig pro Bestellung

Lieferzeit: 5 Werktage

Pos.
82
BOSCH Zusatzhalter | Ersatzteile für GCM 305-254 D | 1609B07599
Hersteller: BOSCH
Artikelnummer: EB-3601M49170-1609B07599
Netto: 8,33 € zzgl. MwSt.
zzgl. 6,90 € Versand (brutto)
einmalig pro Bestellung

Lieferzeit: 5 Werktage

Pos.
83
BOSCH Schraube M4×16/8.8 | Ersatzteile für GCM 305-254 D | 1609B07719
Hersteller: BOSCH
Artikelnummer: EB-3601M49170-1609B07719
Netto: 3,63 € zzgl. MwSt.
zzgl. 6,90 € Versand (brutto)
einmalig pro Bestellung

Lieferzeit: 5 Werktage

Pos.
84
BOSCH Bolzen M10X55/4.6 | Ersatzteile für GCM 305-254 D | 1609B08070
Hersteller: BOSCH
Artikelnummer: EB-3601M49170-1609B08070
Netto: 3,63 € zzgl. MwSt.
zzgl. 6,90 € Versand (brutto)
einmalig pro Bestellung

Lieferzeit: 5 Werktage

Pos.
85
BOSCH Skalenplatte | Ersatzteile für GCM 305-254 D | 1609B08071
Hersteller: BOSCH
Artikelnummer: EB-3601M49170-1609B08071
Netto: 4,32 € zzgl. MwSt.
zzgl. 6,90 € Versand (brutto)
einmalig pro Bestellung

Lieferzeit: 5 Werktage

Pos.
86
BOSCH Verschleissplatte | Ersatzteile für GCM 305-254 D | 1609B08072
Hersteller: BOSCH
Artikelnummer: EB-3601M49170-1609B08072
Netto: 5,67 € zzgl. MwSt.
zzgl. 6,90 € Versand (brutto)
einmalig pro Bestellung

Lieferzeit: 5 Werktage

Pos.
87
BOSCH Gehrungslineal | Ersatzteile für GCM 305-254 D | 1609B08073
Hersteller: BOSCH
Artikelnummer: EB-3601M49170-1609B08073
Netto: 35,77 € zzgl. MwSt.
zzgl. 6,90 € Versand (brutto)
einmalig pro Bestellung

Lieferzeit: 5 Werktage

Pos.
94
BOSCH Gehrungslineal | Ersatzteile für GCM 305-254 D | 1609B08076
Hersteller: BOSCH
Artikelnummer: EB-3601M49170-1609B08076
Netto: 12,98 € zzgl. MwSt.
zzgl. 6,90 € Versand (brutto)
einmalig pro Bestellung

Lieferzeit: 63 Werktage

Pos.
95
BOSCH Gehrungslineal | Ersatzteile für GCM 305-254 D | 1609B08077
Hersteller: BOSCH
Artikelnummer: EB-3601M49170-1609B08077
Netto: 14,36 € zzgl. MwSt.
zzgl. 6,90 € Versand (brutto)
einmalig pro Bestellung

Lieferzeit: 5 Werktage

Pos.
96
BOSCH Schraube M8×20/8.8 | Ersatzteile für GCM 305-254 D | 1609B07610
Hersteller: BOSCH
Artikelnummer: EB-3601M49170-1609B07610
Netto: 3,63 € zzgl. MwSt.
zzgl. 6,90 € Versand (brutto)
einmalig pro Bestellung

Lieferzeit: 5 Werktage

Pos.
97
BOSCH Schulterschraube M6×50/4.8 | Ersatzteile für GCM 305-254 D | 1609B08159
Hersteller: BOSCH
Artikelnummer: EB-3601M49170-1609B08159
Netto: 3,94 € zzgl. MwSt.
zzgl. 6,90 € Versand (brutto)
einmalig pro Bestellung

Lieferzeit: 5 Werktage

Pos.
98
BOSCH Sperrhebel | Ersatzteile für GCM 305-254 D | 1609B08078
Hersteller: BOSCH
Artikelnummer: EB-3601M49170-1609B08078
Netto: 5,67 € zzgl. MwSt.
zzgl. 6,90 € Versand (brutto)
einmalig pro Bestellung

Lieferzeit: 5 Werktage

Pos.
99
BOSCH Knopf | Ersatzteile für GCM 305-254 D | 1609B07613
Hersteller: BOSCH
Artikelnummer: EB-3601M49170-1609B07613
Netto: 6,70 € zzgl. MwSt.
zzgl. 6,90 € Versand (brutto)
einmalig pro Bestellung

Lieferzeit: 5 Werktage

Pos.
100
BOSCH Federblech | Ersatzteile für GCM 305-254 D | 1609B08080
Hersteller: BOSCH
Artikelnummer: EB-3601M49170-1609B08080
Netto: 3,94 € zzgl. MwSt.
zzgl. 6,90 € Versand (brutto)
einmalig pro Bestellung

Lieferzeit: 5 Werktage

Pos.
101
BOSCH Gegenscheibe | Ersatzteile für GCM 305-254 D | 1609B07615
Hersteller: BOSCH
Artikelnummer: EB-3601M49170-1609B07615
Netto: 3,63 € zzgl. MwSt.
zzgl. 6,90 € Versand (brutto)
einmalig pro Bestellung

Lieferzeit: 5 Werktage

Pos.
102
BOSCH Stange | Ersatzteile für GCM 305-254 D | 1609B08081
Hersteller: BOSCH
Artikelnummer: EB-3601M49170-1609B08081
Netto: 5,19 € zzgl. MwSt.
zzgl. 6,90 € Versand (brutto)
einmalig pro Bestellung

Lieferzeit: 5 Werktage

Pos.
103
BOSCH Befestigungsplatte | Ersatzteile für GCM 305-254 D | 1609B07617
Hersteller: BOSCH
Artikelnummer: EB-3601M49170-1609B07617
Netto: 3,63 € zzgl. MwSt.
zzgl. 6,90 € Versand (brutto)
einmalig pro Bestellung

Lieferzeit: 5 Werktage

Pos.
105
BOSCH Druckschraube M6×20/45H | Ersatzteile für GCM 305-254 D | 1609B07619
Hersteller: BOSCH
Artikelnummer: EB-3601M49170-1609B07619
Netto: 3,63 € zzgl. MwSt.
zzgl. 6,90 € Versand (brutto)
einmalig pro Bestellung

Lieferzeit: 5 Werktage

Pos.
106
BOSCH Gummihaltering | Ersatzteile für GCM 305-254 D | 1609B07620
Hersteller: BOSCH
Artikelnummer: EB-3601M49170-1609B07620
Netto: 3,63 € zzgl. MwSt.
zzgl. 6,90 € Versand (brutto)
einmalig pro Bestellung

Lieferzeit: 5 Werktage

Pos.
108
BOSCH Stützplatte | Ersatzteile für GCM 305-254 D | 1609B07622
Hersteller: BOSCH
Artikelnummer: EB-3601M49170-1609B07622
Netto: 4,32 € zzgl. MwSt.
zzgl. 6,90 € Versand (brutto)
einmalig pro Bestellung

Lieferzeit: 5 Werktage

Pos.
109
BOSCH Zeiger | Ersatzteile für GCM 305-254 D | 1609B07623
Hersteller: BOSCH
Artikelnummer: EB-3601M49170-1609B07623
Netto: 3,63 € zzgl. MwSt.
zzgl. 6,90 € Versand (brutto)
einmalig pro Bestellung

Lieferzeit: 5 Werktage

Pos.
114
BOSCH Federscheibe | Ersatzteile für GCM 305-254 D | 1609B07628
Hersteller: BOSCH
Artikelnummer: EB-3601M49170-1609B07628
Netto: 3,63 € zzgl. MwSt.
zzgl. 6,90 € Versand (brutto)
einmalig pro Bestellung

Lieferzeit: 5 Werktage

Pos.
115
BOSCH Schraube M6×20/10.9 | Ersatzteile für GCM 305-254 D | 1609B07676
Hersteller: BOSCH
Artikelnummer: EB-3601M49170-1609B07676
Netto: 3,63 € zzgl. MwSt.
zzgl. 6,90 € Versand (brutto)
einmalig pro Bestellung

Lieferzeit: 5 Werktage

Pos.
120
BOSCH Schraube M6×10/4.8 | Ersatzteile für GCM 305-254 D | 1609B07634
Hersteller: BOSCH
Artikelnummer: EB-3601M49170-1609B07634
Netto: 3,63 € zzgl. MwSt.
zzgl. 6,90 € Versand (brutto)
einmalig pro Bestellung

Lieferzeit: 5 Werktage

Pos.
121
BOSCH Schraube M6X20/8,8 | Ersatzteile für GCM 305-254 D | 1609B08087
Hersteller: BOSCH
Artikelnummer: EB-3601M49170-1609B08087
Netto: 3,63 € zzgl. MwSt.
zzgl. 6,90 € Versand (brutto)
einmalig pro Bestellung

Lieferzeit: 5 Werktage

Pos.
123
BOSCH Stellmutter | Ersatzteile für GCM 305-254 D | 1609B08089
Hersteller: BOSCH
Artikelnummer: EB-3601M49170-1609B08089
Netto: 3,94 € zzgl. MwSt.
zzgl. 6,90 € Versand (brutto)
einmalig pro Bestellung

Lieferzeit: 5 Werktage

Pos.
124
BOSCH Stellmutter M5/5 | Ersatzteile für GCM 305-254 D | 1609B07715
Hersteller: BOSCH
Artikelnummer: EB-3601M49170-1609B07715
Netto: 3,63 € zzgl. MwSt.
zzgl. 6,90 € Versand (brutto)
einmalig pro Bestellung

Lieferzeit: 5 Werktage

Pos.
127
BOSCH Kordelmutter | Ersatzteile für GCM 305-254 D | 1609B07639
Hersteller: BOSCH
Artikelnummer: EB-3601M49170-1609B07639
Netto: 3,63 € zzgl. MwSt.
zzgl. 6,90 € Versand (brutto)
einmalig pro Bestellung

Lieferzeit: 5 Werktage

Pos.
128
BOSCH Knopf | Ersatzteile für GCM 305-254 D | 1609B08091
Hersteller: BOSCH
Artikelnummer: EB-3601M49170-1609B08091
Netto: 4,32 € zzgl. MwSt.
zzgl. 6,90 € Versand (brutto)
einmalig pro Bestellung

Lieferzeit: 5 Werktage

Pos.
129
BOSCH Haltezapfen | Ersatzteile für GCM 305-254 D | 1609B07641
Hersteller: BOSCH
Artikelnummer: EB-3601M49170-1609B07641
Netto: 5,19 € zzgl. MwSt.
zzgl. 6,90 € Versand (brutto)
einmalig pro Bestellung

Lieferzeit: 5 Werktage

Pos.
130
BOSCH Gegenscheibe | Ersatzteile für GCM 305-254 D | 1609B08092
Hersteller: BOSCH
Artikelnummer: EB-3601M49170-1609B08092
Netto: 3,63 € zzgl. MwSt.
zzgl. 6,90 € Versand (brutto)
einmalig pro Bestellung

Lieferzeit: 5 Werktage

Pos.
132
BOSCH Schulterschraube | Ersatzteile für GCM 305-254 D | 1609B07644
Hersteller: BOSCH
Artikelnummer: EB-3601M49170-1609B07644
Netto: 3,94 € zzgl. MwSt.
zzgl. 6,90 € Versand (brutto)
einmalig pro Bestellung

Lieferzeit: 5 Werktage

Pos.
133
BOSCH Verbindungsglied | Ersatzteile für GCM 305-254 D | 1609B08094
Hersteller: BOSCH
Artikelnummer: EB-3601M49170-1609B08094
Netto: 14,36 € zzgl. MwSt.
zzgl. 6,90 € Versand (brutto)
einmalig pro Bestellung

Lieferzeit: 5 Werktage

Pos.
134
BOSCH Flansch | Ersatzteile für GCM 305-254 D | 1609B07631
Hersteller: BOSCH
Artikelnummer: EB-3601M49170-1609B07631
Netto: 8,33 € zzgl. MwSt.
zzgl. 6,90 € Versand (brutto)
einmalig pro Bestellung

Lieferzeit: 5 Werktage

Pos.
136
BOSCH Aufspannflansch | Ersatzteile für GCM 305-254 D | 1619PA6973
Hersteller: BOSCH
Artikelnummer: EB-3601M49170-1619PA6973
Netto: 5,19 € zzgl. MwSt.
zzgl. 6,90 € Versand (brutto)
einmalig pro Bestellung

Lieferzeit: 5 Werktage

Pos.
137
BOSCH Gewindefurchschraube | Ersatzteile für GCM 305-254 D | 1619PA4354
Hersteller: BOSCH
Artikelnummer: EB-3601M49170-1619PA4354
Netto: 3,94 € zzgl. MwSt.
zzgl. 6,90 € Versand (brutto)
einmalig pro Bestellung

Lieferzeit: 5 Werktage

Pos.
138
BOSCH Buchse | Ersatzteile für GCM 305-254 D | 1609B07649
Hersteller: BOSCH
Artikelnummer: EB-3601M49170-1609B07649
Netto: 3,63 € zzgl. MwSt.
zzgl. 6,90 € Versand (brutto)
einmalig pro Bestellung

Lieferzeit: 5 Werktage

Pos.
139
BOSCH Verschleissplatte | Ersatzteile für GCM 305-254 D | 1609B08095
Hersteller: BOSCH
Artikelnummer: EB-3601M49170-1609B08095
Netto: 3,94 € zzgl. MwSt.
zzgl. 6,90 € Versand (brutto)
einmalig pro Bestellung

Lieferzeit: 5 Werktage

Pos.
140
BOSCH Buchse | Ersatzteile für GCM 305-254 D | 1609B08096
Hersteller: BOSCH
Artikelnummer: EB-3601M49170-1609B08096
Netto: 4,82 € zzgl. MwSt.
zzgl. 6,90 € Versand (brutto)
einmalig pro Bestellung

Lieferzeit: 5 Werktage

Pos.
141
BOSCH Drehfeder | Ersatzteile für GCM 305-254 D | 1609B07591
Hersteller: BOSCH
Artikelnummer: EB-3601M49170-1609B07591
Netto: 24,13 € zzgl. MwSt.
zzgl. 6,90 € Versand (brutto)
einmalig pro Bestellung

Lieferzeit: 5 Werktage

Pos.
142
BOSCH Pressscheibenwelle | Ersatzteile für GCM 305-254 D | 1609B08097
Hersteller: BOSCH
Artikelnummer: EB-3601M49170-1609B08097
Netto: 6,15 € zzgl. MwSt.
zzgl. 6,90 € Versand (brutto)
einmalig pro Bestellung

Lieferzeit: 5 Werktage

Pos.
143
BOSCH Anschlagplatte | Ersatzteile für GCM 305-254 D | 1609B07654
Hersteller: BOSCH
Artikelnummer: EB-3601M49170-1609B07654
Netto: 3,94 € zzgl. MwSt.
zzgl. 6,90 € Versand (brutto)
einmalig pro Bestellung

Lieferzeit: 5 Werktage

Pos.
145
BOSCH Wellenfeder | Ersatzteile für GCM 305-254 D | 1609B07655
Hersteller: BOSCH
Artikelnummer: EB-3601M49170-1609B07655
Netto: 3,63 € zzgl. MwSt.
zzgl. 6,90 € Versand (brutto)
einmalig pro Bestellung

Lieferzeit: 5 Werktage

Pos.
147
BOSCH Verschlussstift | Ersatzteile für GCM 305-254 D | 1609B07657
Hersteller: BOSCH
Artikelnummer: EB-3601M49170-1609B07657
Netto: 5,67 € zzgl. MwSt.
zzgl. 6,90 € Versand (brutto)
einmalig pro Bestellung

Lieferzeit: 5 Werktage

Pos.
148
BOSCH Pressscheibenwelle | Ersatzteile für GCM 305-254 D | 1609B08098
Hersteller: BOSCH
Artikelnummer: EB-3601M49170-1609B08098
Netto: 5,19 € zzgl. MwSt.
zzgl. 6,90 € Versand (brutto)
einmalig pro Bestellung

Lieferzeit: 5 Werktage

Pos.
149
BOSCH Nuss M10/6 | Ersatzteile für GCM 305-254 D | 1609B07659
Hersteller: BOSCH
Artikelnummer: EB-3601M49170-1609B07659
Netto: 3,63 € zzgl. MwSt.
zzgl. 6,90 € Versand (brutto)
einmalig pro Bestellung

Lieferzeit: 5 Werktage

Pos.
150
BOSCH Zeiger | Ersatzteile für GCM 305-254 D | 1609B07660
Hersteller: BOSCH
Artikelnummer: EB-3601M49170-1609B07660
Netto: 3,63 € zzgl. MwSt.
zzgl. 6,90 € Versand (brutto)
einmalig pro Bestellung

Lieferzeit: 5 Werktage

Pos.
152
BOSCH Abdeckplatte | Ersatzteile für GCM 305-254 D | 1609B08101
Hersteller: BOSCH
Artikelnummer: EB-3601M49170-1609B08101
Netto: 4,32 € zzgl. MwSt.
zzgl. 6,90 € Versand (brutto)
einmalig pro Bestellung

Lieferzeit: 5 Werktage

Pos.
153
BOSCH Filzring | Ersatzteile für GCM 305-254 D | 1609B07663
Hersteller: BOSCH
Artikelnummer: EB-3601M49170-1609B07663
Netto: 3,63 € zzgl. MwSt.
zzgl. 6,90 € Versand (brutto)
einmalig pro Bestellung

Lieferzeit: 5 Werktage

Pos.
154
BOSCH Gummi-Ohrkissen | Ersatzteile für GCM 305-254 D | 1609B07664
Hersteller: BOSCH
Artikelnummer: EB-3601M49170-1609B07664
Netto: 3,63 € zzgl. MwSt.
zzgl. 6,90 € Versand (brutto)
einmalig pro Bestellung

Lieferzeit: 5 Werktage

Pos.
155
BOSCH Haltearm | Ersatzteile für GCM 305-254 D | 1609B08102
Hersteller: BOSCH
Artikelnummer: EB-3601M49170-1609B08102
Netto: 63,99 € zzgl. MwSt.
zzgl. 6,90 € Versand (brutto)
einmalig pro Bestellung

Lieferzeit: 5 Werktage

Pos.
156
BOSCH Druckfeder | Ersatzteile für GCM 305-254 D | 1609B07666
Hersteller: BOSCH
Artikelnummer: EB-3601M49170-1609B07666
Netto: 3,63 € zzgl. MwSt.
zzgl. 6,90 € Versand (brutto)
einmalig pro Bestellung

Lieferzeit: 5 Werktage

Pos.
157
BOSCH Knopf | Ersatzteile für GCM 305-254 D | 1609B07667
Hersteller: BOSCH
Artikelnummer: EB-3601M49170-1609B07667
Netto: 3,94 € zzgl. MwSt.
zzgl. 6,90 € Versand (brutto)
einmalig pro Bestellung

Lieferzeit: 5 Werktage

Pos.
158
BOSCH Druckfeder | Ersatzteile für GCM 305-254 D | 1609B07668
Hersteller: BOSCH
Artikelnummer: EB-3601M49170-1609B07668
Netto: 3,63 € zzgl. MwSt.
zzgl. 6,90 € Versand (brutto)
einmalig pro Bestellung

Lieferzeit: 5 Werktage

Pos.
159
BOSCH Befestigung | Ersatzteile für GCM 305-254 D | 1619PA7028
Hersteller: BOSCH
Artikelnummer: EB-3601M49170-1619PA7028
Netto: 3,63 € zzgl. MwSt.
zzgl. 6,90 € Versand (brutto)
einmalig pro Bestellung

Lieferzeit: 5 Werktage

Pos.
160
BOSCH Druckschraube M10X110 | Ersatzteile für GCM 305-254 D | 1609B08103
Hersteller: BOSCH
Artikelnummer: EB-3601M49170-1609B08103
Netto: 3,94 € zzgl. MwSt.
zzgl. 6,90 € Versand (brutto)
einmalig pro Bestellung

Lieferzeit: 5 Werktage

Pos.
162
BOSCH Handrad | Ersatzteile für GCM 305-254 D | 1609B07672
Hersteller: BOSCH
Artikelnummer: EB-3601M49170-1609B07672
Netto: 5,67 € zzgl. MwSt.
zzgl. 6,90 € Versand (brutto)
einmalig pro Bestellung

Lieferzeit: 5 Werktage

Pos.
167
BOSCH Schulterschraube | Ersatzteile für GCM 305-254 D | 1609B07677
Hersteller: BOSCH
Artikelnummer: EB-3601M49170-1609B07677
Netto: 3,63 € zzgl. MwSt.
zzgl. 6,90 € Versand (brutto)
einmalig pro Bestellung

Lieferzeit: 5 Werktage

Pos.
169
BOSCH Druckschraube M6×8/45H | Ersatzteile für GCM 305-254 D | 1609B07679
Hersteller: BOSCH
Artikelnummer: EB-3601M49170-1609B07679
Netto: 3,63 € zzgl. MwSt.
zzgl. 6,90 € Versand (brutto)
einmalig pro Bestellung

Lieferzeit: 5 Werktage

Pos.
170
BOSCH Nuss M8/5 | Ersatzteile für GCM 305-254 D | 1609B07680
Hersteller: BOSCH
Artikelnummer: EB-3601M49170-1609B07680
Netto: 3,63 € zzgl. MwSt.
zzgl. 6,90 € Versand (brutto)
einmalig pro Bestellung

Lieferzeit: 5 Werktage

Pos.
171
BOSCH Druckschraube M8×25/45H | Ersatzteile für GCM 305-254 D | 1609B07681
Hersteller: BOSCH
Artikelnummer: EB-3601M49170-1609B07681
Netto: 3,63 € zzgl. MwSt.
zzgl. 6,90 € Versand (brutto)
einmalig pro Bestellung

Lieferzeit: 5 Werktage

Pos.
172
BOSCH Knopf | Ersatzteile für GCM 305-254 D | 1609B08266
Hersteller: BOSCH
Artikelnummer: EB-3601M49170-1609B08266
Netto: 3,63 € zzgl. MwSt.
zzgl. 6,90 € Versand (brutto)
einmalig pro Bestellung

Lieferzeit: 5 Werktage

Pos.
173
BOSCH Druckfeder | Ersatzteile für GCM 305-254 D | 1609B07683
Hersteller: BOSCH
Artikelnummer: EB-3601M49170-1609B07683
Netto: 3,63 € zzgl. MwSt.
zzgl. 6,90 € Versand (brutto)
einmalig pro Bestellung

Lieferzeit: 5 Werktage

Pos.
174
BOSCH Blechschraube ST4.2×9.5-F | Ersatzteile für GCM 305-254 D | 1609B07693
Hersteller: BOSCH
Artikelnummer: EB-3601M49170-1609B07693
Netto: 3,63 € zzgl. MwSt.
zzgl. 6,90 € Versand (brutto)
einmalig pro Bestellung

Lieferzeit: 5 Werktage

Pos.
175
BOSCH Knopf | Ersatzteile für GCM 305-254 D | 1609B07685
Hersteller: BOSCH
Artikelnummer: EB-3601M49170-1609B07685
Netto: 3,94 € zzgl. MwSt.
zzgl. 6,90 € Versand (brutto)
einmalig pro Bestellung

Lieferzeit: 5 Werktage

Pos.
176
BOSCH Anschlussplatte | Ersatzteile für GCM 305-254 D | 1609B07686
Hersteller: BOSCH
Artikelnummer: EB-3601M49170-1609B07686
Netto: 5,19 € zzgl. MwSt.
zzgl. 6,90 € Versand (brutto)
einmalig pro Bestellung

Lieferzeit: 5 Werktage

Pos.
177
BOSCH Traggriff | Ersatzteile für GCM 305-254 D | 1609B07687
Hersteller: BOSCH
Artikelnummer: EB-3601M49170-1609B07687
Netto: 8,33 € zzgl. MwSt.
zzgl. 6,90 € Versand (brutto)
einmalig pro Bestellung

Lieferzeit: 5 Werktage

Pos.
178
BOSCH Blechschraube ST4.8×16-F | Ersatzteile für GCM 305-254 D | 1609B07688
Hersteller: BOSCH
Artikelnummer: EB-3601M49170-1609B07688
Netto: 3,63 € zzgl. MwSt.
zzgl. 6,90 € Versand (brutto)
einmalig pro Bestellung

Lieferzeit: 5 Werktage

Pos.
179
BOSCH Arretierblech | Ersatzteile für GCM 305-254 D | 1609B08106
Hersteller: BOSCH
Artikelnummer: EB-3601M49170-1609B08106
Netto: 9,18 € zzgl. MwSt.
zzgl. 6,90 € Versand (brutto)
einmalig pro Bestellung

Lieferzeit: 5 Werktage

Pos.
180
BOSCH Gummilippe | Ersatzteile für GCM 305-254 D | 1609B07690
Hersteller: BOSCH
Artikelnummer: EB-3601M49170-1609B07690
Netto: 3,63 € zzgl. MwSt.
zzgl. 6,90 € Versand (brutto)
einmalig pro Bestellung

Lieferzeit: 5 Werktage

Pos.
181
BOSCH Staubabsaugung | Ersatzteile für GCM 305-254 D | 1609B08107
Hersteller: BOSCH
Artikelnummer: EB-3601M49170-1609B08107
Netto: 5,67 € zzgl. MwSt.
zzgl. 6,90 € Versand (brutto)
einmalig pro Bestellung

Lieferzeit: 5 Werktage

Pos.
182
BOSCH Blechschraube | Ersatzteile für GCM 305-254 D | 1609B08246
Hersteller: BOSCH
Artikelnummer: EB-3601M49170-1609B08246
Netto: 3,63 € zzgl. MwSt.
zzgl. 6,90 € Versand (brutto)
einmalig pro Bestellung

Lieferzeit: 5 Werktage

Pos.
183
BOSCH Gegenscheibe | Ersatzteile für GCM 305-254 D | 1609B08108
Hersteller: BOSCH
Artikelnummer: EB-3601M49170-1609B08108
Netto: 3,63 € zzgl. MwSt.
zzgl. 6,90 € Versand (brutto)
einmalig pro Bestellung

Lieferzeit: 5 Werktage

Pos.
184
BOSCH Blechschraube ST3.5×9.5-F | Ersatzteile für GCM 305-254 D | 1609B07694
Hersteller: BOSCH
Artikelnummer: EB-3601M49170-1609B07694
Netto: 3,63 € zzgl. MwSt.
zzgl. 6,90 € Versand (brutto)
einmalig pro Bestellung

Lieferzeit: 5 Werktage

Pos.
186
BOSCH Stecker | Ersatzteile für GCM 305-254 D | 1609B07696
Hersteller: BOSCH
Artikelnummer: EB-3601M49170-1609B07696
Netto: 3,94 € zzgl. MwSt.
zzgl. 6,90 € Versand (brutto)
einmalig pro Bestellung

Lieferzeit: 5 Werktage

Pos.
189
BOSCH O-Ring 6.7×1.8 | Ersatzteile für GCM 305-254 D | 1609B07717
Hersteller: BOSCH
Artikelnummer: EB-3601M49170-1609B07717
Netto: 4,32 € zzgl. MwSt.
zzgl. 6,90 € Versand (brutto)
einmalig pro Bestellung

Lieferzeit: 5 Werktage

Pos.
190
BOSCH Sprengring | Ersatzteile für GCM 305-254 D | 1609B07700
Hersteller: BOSCH
Artikelnummer: EB-3601M49170-1609B07700
Netto: 3,63 € zzgl. MwSt.
zzgl. 6,90 € Versand (brutto)
einmalig pro Bestellung

Lieferzeit: 5 Werktage

Pos.
191
BOSCH Knopf | Ersatzteile für GCM 305-254 D | 1609B08258
Hersteller: BOSCH
Artikelnummer: EB-3601M49170-1609B08258
Netto: 3,63 € zzgl. MwSt.
zzgl. 6,90 € Versand (brutto)
einmalig pro Bestellung

Lieferzeit: 5 Werktage

Pos.
192
BOSCH Schraube M6×16/4.8 | Ersatzteile für GCM 305-254 D | 1609B08161
Hersteller: BOSCH
Artikelnummer: EB-3601M49170-1609B08161
Netto: 3,63 € zzgl. MwSt.
zzgl. 6,90 € Versand (brutto)
einmalig pro Bestellung

Lieferzeit: 5 Werktage

Pos.
193
BOSCH Regulierhebel | Ersatzteile für GCM 305-254 D | 1609B07714
Hersteller: BOSCH
Artikelnummer: EB-3601M49170-1609B07714
Netto: 3,94 € zzgl. MwSt.
zzgl. 6,90 € Versand (brutto)
einmalig pro Bestellung

Lieferzeit: 5 Werktage

Pos.
194
BOSCH Gegenscheibe | Ersatzteile für GCM 305-254 D | 1609B07629
Hersteller: BOSCH
Artikelnummer: EB-3601M49170-1609B07629
Netto: 3,63 € zzgl. MwSt.
zzgl. 6,90 € Versand (brutto)
einmalig pro Bestellung

Lieferzeit: 5 Werktage

Pos.
195
BOSCH Innensechskantschlüssel | Ersatzteile für GCM 305-254 D | 1609B07712
Hersteller: BOSCH
Artikelnummer: EB-3601M49170-1609B07712
Netto: 4,82 € zzgl. MwSt.
zzgl. 6,90 € Versand (brutto)
einmalig pro Bestellung

Lieferzeit: 5 Werktage

Pos.
196
BOSCH Schraube M4×12/8.8 | Ersatzteile für GCM 305-254 D | 1609B07706
Hersteller: BOSCH
Artikelnummer: EB-3601M49170-1609B07706
Netto: 3,63 € zzgl. MwSt.
zzgl. 6,90 € Versand (brutto)
einmalig pro Bestellung

Lieferzeit: 5 Werktage

Pos.
197
BOSCH Lasermodul | Ersatzteile für GCM 305-254 D | 1609B07707
Hersteller: BOSCH
Artikelnummer: EB-3601M49170-1609B07707
Netto: 14,36 € zzgl. MwSt.
zzgl. 6,90 € Versand (brutto)
einmalig pro Bestellung

Lieferzeit: 5 Werktage

Pos.
199
BOSCH Deckel | Ersatzteile für GCM 305-254 D | 1609B08109
Hersteller: BOSCH
Artikelnummer: EB-3601M49170-1609B08109
Netto: 3,94 € zzgl. MwSt.
zzgl. 6,90 € Versand (brutto)
einmalig pro Bestellung

Lieferzeit: 5 Werktage

Pos.
202
BOSCH Befestigung | Ersatzteile für GCM 305-254 D | 1609B07704
Hersteller: BOSCH
Artikelnummer: EB-3601M49170-1609B07704
Netto: 3,94 € zzgl. MwSt.
zzgl. 6,90 € Versand (brutto)
einmalig pro Bestellung

Lieferzeit: 5 Werktage

Pos.
203
BOSCH Befestigung | Ersatzteile für GCM 305-254 D | 1609B07705
Hersteller: BOSCH
Artikelnummer: EB-3601M49170-1609B07705
Netto: 3,94 € zzgl. MwSt.
zzgl. 6,90 € Versand (brutto)
einmalig pro Bestellung

Lieferzeit: 5 Werktage

Pos.
204
BOSCH Stützplatte | Ersatzteile für GCM 305-254 D | 1609B07716
Hersteller: BOSCH
Artikelnummer: EB-3601M49170-1609B07716
Netto: 3,94 € zzgl. MwSt.
zzgl. 6,90 € Versand (brutto)
einmalig pro Bestellung

Lieferzeit: 5 Werktage

Pos.
205
BOSCH Kabelschuh | Ersatzteile für GCM 305-254 D | 1609B07720
Hersteller: BOSCH
Artikelnummer: EB-3601M49170-1609B07720
Netto: 3,63 € zzgl. MwSt.
zzgl. 6,90 € Versand (brutto)
einmalig pro Bestellung

Lieferzeit: 5 Werktage

Pos.
206
BOSCH Einklebeblatt | Ersatzteile für GCM 305-254 D | 1609B07724
Hersteller: BOSCH
Artikelnummer: EB-3601M49170-1609B07724
Netto: 3,94 € zzgl. MwSt.
zzgl. 6,90 € Versand (brutto)
einmalig pro Bestellung

Lieferzeit: 5 Werktage

Pos.
207
BOSCH Einklebeblatt | Ersatzteile für GCM 305-254 D | 1609B07722
Hersteller: BOSCH
Artikelnummer: EB-3601M49170-1609B07722
Netto: 3,94 € zzgl. MwSt.
zzgl. 6,90 € Versand (brutto)
einmalig pro Bestellung

Lieferzeit: 5 Werktage

Pos.
208
BOSCH Einklebeblatt | Ersatzteile für GCM 305-254 D | 1609B07723
Hersteller: BOSCH
Artikelnummer: EB-3601M49170-1609B07723
Netto: 3,94 € zzgl. MwSt.
zzgl. 6,90 € Versand (brutto)
einmalig pro Bestellung

Lieferzeit: 5 Werktage

Pos.
210
BOSCH Gegenscheibe | Ersatzteile für GCM 305-254 D | 1609B07684
Hersteller: BOSCH
Artikelnummer: EB-3601M49170-1609B07684
Netto: 3,63 € zzgl. MwSt.
zzgl. 6,90 € Versand (brutto)
einmalig pro Bestellung

Lieferzeit: 5 Werktage

Pos.
212
BOSCH Befestigungsschelle | Ersatzteile für GCM 305-254 D | 1609B08170
Hersteller: BOSCH
Artikelnummer: EB-3601M49170-1609B08170
Netto: 3,94 € zzgl. MwSt.
zzgl. 6,90 € Versand (brutto)
einmalig pro Bestellung

Lieferzeit: 5 Werktage

Pos.
213
BOSCH Befestigungsschelle | Ersatzteile für GCM 305-254 D | 1609B08171
Hersteller: BOSCH
Artikelnummer: EB-3601M49170-1609B08171
Netto: 3,94 € zzgl. MwSt.
zzgl. 6,90 € Versand (brutto)
einmalig pro Bestellung

Lieferzeit: 5 Werktage

Pos.
215
BOSCH Schraube M5X12/4.8 | Ersatzteile für GCM 305-254 D | 1609B08173
Hersteller: BOSCH
Artikelnummer: EB-3601M49170-1609B08173
Netto: 3,63 € zzgl. MwSt.
zzgl. 6,90 € Versand (brutto)
einmalig pro Bestellung

Lieferzeit: 5 Werktage

Pos.
216
BOSCH Einklebeblatt | Ersatzteile für GCM 305-254 D | 1609B07725
Hersteller: BOSCH
Artikelnummer: EB-3601M49170-1609B07725
Netto: 3,94 € zzgl. MwSt.
zzgl. 6,90 € Versand (brutto)
einmalig pro Bestellung

Lieferzeit: 5 Werktage

Pos.
217
BOSCH Stellmutter M6/5 | Ersatzteile für GCM 305-254 D | 1609B07583
Hersteller: BOSCH
Artikelnummer: EB-3601M49170-1609B07583
Netto: 3,63 € zzgl. MwSt.
zzgl. 6,90 € Versand (brutto)
einmalig pro Bestellung

Lieferzeit: 5 Werktage

Pos.
218
BOSCH Schraube | Ersatzteile für GCM 305-254 D | 1609B07661
Hersteller: BOSCH
Artikelnummer: EB-3601M49170-1609B07661
Netto: 3,63 € zzgl. MwSt.
zzgl. 6,90 € Versand (brutto)
einmalig pro Bestellung

Lieferzeit: 5 Werktage

Pos.
219
BOSCH Leitungsclip | Ersatzteile für GCM 305-254 D | 1609B08162
Hersteller: BOSCH
Artikelnummer: EB-3601M49170-1609B08162
Netto: 3,63 € zzgl. MwSt.
zzgl. 6,90 € Versand (brutto)
einmalig pro Bestellung

Lieferzeit: 5 Werktage

Pos.
221
BOSCH Schraube | Ersatzteile für GCM 305-254 D | 1609B08251
Hersteller: BOSCH
Artikelnummer: EB-3601M49170-1609B08251
Netto: 3,63 € zzgl. MwSt.
zzgl. 6,90 € Versand (brutto)
einmalig pro Bestellung

Lieferzeit: 5 Werktage

Pos.
801
BOSCH Gehäusebaugruppe | Ersatzteile für GCM 305-254 D | 1609B08168
Hersteller: BOSCH
Artikelnummer: EB-3601M49170-1609B08168
Netto: 15,75 € zzgl. MwSt.
zzgl. 6,90 € Versand (brutto)
einmalig pro Bestellung

Lieferzeit: 5 Werktage

Pos.
803
BOSCH Ankerbaugruppe | Ersatzteile für GCM 305-254 D | 1609B08238
Hersteller: BOSCH
Artikelnummer: EB-3601M49170-1609B08238
Netto: 70,50 € zzgl. MwSt.
zzgl. 6,90 € Versand (brutto)
einmalig pro Bestellung

Lieferzeit: 5 Werktage

Pos.
804
BOSCH Tisch | Ersatzteile für GCM 305-254 D | 1609B08155
Hersteller: BOSCH
Artikelnummer: EB-3601M49170-1609B08155
Netto: 96,32 € zzgl. MwSt.
zzgl. 6,90 € Versand (brutto)
einmalig pro Bestellung

Lieferzeit: 5 Werktage

Pos.
808
BOSCH Typschild | Ersatzteile für GCM 305-254 D | 1609B08324
Hersteller: BOSCH
Artikelnummer: EB-3601M49170-1609B08324
Netto: 4,53 € zzgl. MwSt.
zzgl. 6,90 € Versand (brutto)
einmalig pro Bestellung

Lieferzeit: 5 Werktage

Pos.
811
BOSCH Kohlebürstensatz | Ersatzteile für GCM 305-254 D | 1609B07646
Hersteller: BOSCH
Artikelnummer: EB-3601M49170-1609B07646
Netto: 11,92 € zzgl. MwSt.
zzgl. 6,90 € Versand (brutto)
einmalig pro Bestellung

Lieferzeit: 5 Werktage

Pos.
812
BOSCH Schutzunterteil | Ersatzteile für GCM 305-254 D | 1609B08120
Hersteller: BOSCH
Artikelnummer: EB-3601M49170-1609B08120
Netto: 29,45 € zzgl. MwSt.
zzgl. 6,90 € Versand (brutto)
einmalig pro Bestellung

Lieferzeit: 5 Werktage

Pos.
825
BOSCH Abtriebswelle | Ersatzteile für GCM 305-254 D | 1609B08239
Hersteller: BOSCH
Artikelnummer: EB-3601M49170-1609B08239
Netto: 21,16 € zzgl. MwSt.
zzgl. 6,90 € Versand (brutto)
einmalig pro Bestellung

Lieferzeit: 5 Werktage

Pos.
831
BOSCH Haltearm | Ersatzteile für GCM 305-254 D | 1609B08129
Hersteller: BOSCH
Artikelnummer: EB-3601M49170-1609B08129
Netto: 77,60 € zzgl. MwSt.
zzgl. 6,90 € Versand (brutto)
einmalig pro Bestellung

Lieferzeit: 5 Werktage

Pos.
861
BOSCH Auflageklotz | Ersatzteile für GCM 305-254 D | 1609B07675
Hersteller: BOSCH
Artikelnummer: EB-3601M49170-1609B07675
Netto: 26,88 € zzgl. MwSt.
zzgl. 6,90 € Versand (brutto)
einmalig pro Bestellung

Lieferzeit: 5 Werktage

Pos.
863
BOSCH Linearkugellager | Ersatzteile für GCM 305-254 D | 1609B08353
Hersteller: BOSCH
Artikelnummer: EB-3601M49170-1609B08353
Netto: 10,92 € zzgl. MwSt.
zzgl. 6,90 € Versand (brutto)
einmalig pro Bestellung

Lieferzeit: 5 Werktage

Pos.
870
BOSCH Ergänzungsgestell | Ersatzteile für GCM 305-254 D | 1609B08121
Hersteller: BOSCH
Artikelnummer: EB-3601M49170-1609B08121
Netto: 32,74 € zzgl. MwSt.
zzgl. 6,90 € Versand (brutto)
einmalig pro Bestellung

Lieferzeit: 5 Werktage

Pos.
887
BOSCH Staubbeutel | Ersatzteile für GCM 305-254 D | 1609B07930
Hersteller: BOSCH
Artikelnummer: EB-3601M49170-1609B07930
Netto: 9,18 € zzgl. MwSt.
zzgl. 6,90 € Versand (brutto)
einmalig pro Bestellung

Lieferzeit: 5 Werktage

Pos.
892
BOSCH Schraubzwinge | Ersatzteile für GCM 305-254 D | 1609B06932
Hersteller: BOSCH
Artikelnummer: EB-3601M49170-1609B06932
Netto: 15,75 € zzgl. MwSt.
zzgl. 6,90 € Versand (brutto)
einmalig pro Bestellung

Lieferzeit: 5 Werktage

Angaben zur Produktsicherheit

Hersteller:
Robert Bosch Power Tools GmbH
Postfach 30 02 20
70442 Stuttgart

E-Mail:
kontakt@bosch.de