BOSCH Schalter | Ersatzteile für GCM 8 SJ | 1609B05392

Artikelnummer: EB-3601L16270-1609B05392

Position: 180

Marke: BOSCH


Bitte Kompatibilität prüfen!

Bitte prüfen Sie unbedingt die 10-stellige Typennummer Ihrer Maschine / Ihres Gerätes. Das Ersatzteil ist nur kompatibel, wenn Sie die Typennummer Ihrer Maschine in der unten stehenden Produktbeschreibung finden.

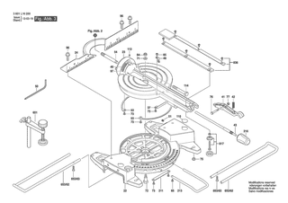
Bitte prüfen Sie ebenfalls detailliert die Explosionszeichnung mit Ihrem Artikelwunsch und der jeweiligen Pos-Nummer.

Alle Elemente, welche vom schwarzen Strich der Pos-Nummer ausgehend berührt / erfasst werden, gehören zu dieser Pos-Nummer und somit zu diesem Artikel. Jede Pos-Nummer ist ein eigenständiger Artikel, welchen Sie in der Auflistung finden.

Sie erhalten stets die aktuellste, neueste Produktversion zu der gewählten Pos-Nummer seitens des Herstellers. Es kann daher je nach Gerätealter vorkommen, dass Sie ggf. weitere, zugehörige Elemente, welche an diese Pos-Nummer grenzen, ebenfalls mittauschen müssen.

Nähere Informationen finden Sie unter dem Link
Hinweise zu Ihrer BOSCH Ersatzteilsuche

Preisübersicht

Einzelpreis: 5,19 €* (Brutto: 6,18 €)
Gesamtpreis: 5,19 €* 
Position:

Lieferzeit: 5 Werktage


Beschreibung

  • Schalter
  • Original Bosch Zubehör / BOSCH Ersatzteil (1609B05392)
  • im Gerät verbaut: 1
Dieses BOSCH Ersatzteil ist mit folgendem Gerät und Modell kompatibel:
  • BOSCH Gerätename: GCM 8 SJ
  • BOSCH Explosionszeichnung: Position 180
  • BOSCH Typennummer: 3601L16270
  • BOSCH Typennummer alternative Schreibweisen: 3 601 L16 270, 3601 L16 270, 3.601.L16.270, 3-601-L16-270
    Bitte prüfen Sie diese Typennummer auf Ihrem Gerät um die Kompatibilität des BOSCH Ersatzteils zu gewährleisten.
Weitere BOSCH Ersatzteile des Gerätes GCM 8 SJ (Kapp-/Zugsäge) mit der Typennummer 3601L16270 finden Sie in der nachfolgenden Darstellung und im Dropdown zu Ihrer Auswahl:

Pos.
1
BOSCH Motorgehäuse | Ersatzteile für GCM 8 SJ | 1619P03493
Hersteller: BOSCH
Artikelnummer: EB-3601L16270-1619P03493
Netto: 13,61 € zzgl. MwSt.
zzgl. 6,90 € Versand (brutto)
einmalig pro Bestellung

Lieferzeit: 5 Werktage

Pos.
653/62
BOSCH Verlängerung | Ersatzteile für GCM 8 SJ | 1619P03546
Hersteller: BOSCH
Artikelnummer: EB-3601L16270-1619P03546
nur Informationsartikel
Nie mehr lieferbar
keine Alternativen
Pos.
653/63
BOSCH Schraube | Ersatzteile für GCM 8 SJ | 1619P03563
Hersteller: BOSCH
Artikelnummer: EB-3601L16270-1619P03563
Netto: 3,59 € zzgl. MwSt.
zzgl. 6,90 € Versand (brutto)
einmalig pro Bestellung

Lieferzeit: 5 Werktage

Pos.
2
BOSCH Polschuh 230V | Ersatzteile für GCM 8 SJ | 2610013485
Hersteller: BOSCH
Artikelnummer: EB-3601L16270-2610013485
Netto: 45,41 € zzgl. MwSt.
zzgl. 6,90 € Versand (brutto)
einmalig pro Bestellung

Lieferzeit: 5 Werktage

Pos.
3
BOSCH Anker 230V | Ersatzteile für GCM 8 SJ | 1619P03495
Hersteller: BOSCH
Artikelnummer: EB-3601L16270-1619P03495
nur Informationsartikel
Nie mehr lieferbar
keine Alternativen
Pos.
4
BOSCH Schalter | Ersatzteile für GCM 8 SJ | 1619P03496
Hersteller: BOSCH
Artikelnummer: EB-3601L16270-1619P03496
nur Informationsartikel
Nie mehr lieferbar
keine Alternativen
Pos.
5
BOSCH Netzanschlussleitung | Ersatzteile für GCM 8 SJ | 1619P03683
Hersteller: BOSCH
Artikelnummer: EB-3601L16270-1619P03683
Netto: 32,74 € zzgl. MwSt.
zzgl. 6,90 € Versand (brutto)
einmalig pro Bestellung

Lieferzeit: 5 Werktage

Pos.
6
BOSCH Tülle | Ersatzteile für GCM 8 SJ | 1619P03498
Hersteller: BOSCH
Artikelnummer: EB-3601L16270-1619P03498
nur Informationsartikel
Nie mehr lieferbar
keine Alternativen
Pos.
7
BOSCH Klemmschelle | Ersatzteile für GCM 8 SJ | 1619P03499
Hersteller: BOSCH
Artikelnummer: EB-3601L16270-1619P03499
nur Informationsartikel
Nie mehr lieferbar
keine Alternativen
Pos.
8
BOSCH Typschild | Ersatzteile für GCM 8 SJ | 2610011862
Hersteller: BOSCH
Artikelnummer: EB-3601L16270-2610011862
nur Informationsartikel
Nie mehr lieferbar
keine Alternativen
Pos.
12
BOSCH Motorkondensator | Ersatzteile für GCM 8 SJ | 1619P03501
Hersteller: BOSCH
Artikelnummer: EB-3601L16270-1619P03501
nur Informationsartikel
Nie mehr lieferbar
keine Alternativen
Pos.
13
BOSCH Lager | Ersatzteile für GCM 8 SJ | 1619P03502
Hersteller: BOSCH
Artikelnummer: EB-3601L16270-1619P03502
nur Informationsartikel
Nie mehr lieferbar
keine Alternativen
Pos.
14
BOSCH Lager | Ersatzteile für GCM 8 SJ | 1619P03503
Hersteller: BOSCH
Artikelnummer: EB-3601L16270-1619P03503
nur Informationsartikel
Nie mehr lieferbar
keine Alternativen
Pos.
15
BOSCH Lüfter | Ersatzteile für GCM 8 SJ | 1619P03504
Hersteller: BOSCH
Artikelnummer: EB-3601L16270-1619P03504
Netto: 6,68 € zzgl. MwSt.
zzgl. 6,90 € Versand (brutto)
einmalig pro Bestellung

Lieferzeit: 5 Werktage

Pos.
16
BOSCH Bürstenhalter | Ersatzteile für GCM 8 SJ | 1619P03505
Hersteller: BOSCH
Artikelnummer: EB-3601L16270-1619P03505
nur Informationsartikel
Nie mehr lieferbar
keine Alternativen
Pos.
17
BOSCH Scheibe | Ersatzteile für GCM 8 SJ | 1619P04814
Hersteller: BOSCH
Artikelnummer: EB-3601L16270-1619P04814
nur Informationsartikel
Nie mehr lieferbar
keine Alternativen
Pos.
19
BOSCH Schraube | Ersatzteile für GCM 8 SJ | 1619P03506
Hersteller: BOSCH
Artikelnummer: EB-3601L16270-1619P03506
nur Informationsartikel
Nie mehr lieferbar
keine Alternativen
Pos.
20
BOSCH Warnzettel | Ersatzteile für GCM 8 SJ | 2610013583
Hersteller: BOSCH
Artikelnummer: EB-3601L16270-2610013583
nur Informationsartikel
Nie mehr lieferbar
keine Alternativen
Pos.
22
BOSCH Sockel | Ersatzteile für GCM 8 SJ | 1619P03508
Hersteller: BOSCH
Artikelnummer: EB-3601L16270-1619P03508
nur Informationsartikel
Nie mehr lieferbar
keine Alternativen
Pos.
23
BOSCH Tisch | Ersatzteile für GCM 8 SJ | 1619P03509
Hersteller: BOSCH
Artikelnummer: EB-3601L16270-1619P03509
Netto: 99,94 € zzgl. MwSt.
zzgl. 6,90 € Versand (brutto)
einmalig pro Bestellung

Lieferzeit: 5 Werktage

Pos.
24
BOSCH Gehrungslineal | Ersatzteile für GCM 8 SJ | 1619P03510
Hersteller: BOSCH
Artikelnummer: EB-3601L16270-1619P03510
nur Informationsartikel
Nie mehr lieferbar
keine Alternativen
Pos.
25
BOSCH Zapfen | Ersatzteile für GCM 8 SJ | 1619P03511
Hersteller: BOSCH
Artikelnummer: EB-3601L16270-1619P03511
Netto: 60,55 € zzgl. MwSt.
zzgl. 6,90 € Versand (brutto)
einmalig pro Bestellung

Lieferzeit: 5 Werktage

Pos.
26
BOSCH Handgriff | Ersatzteile für GCM 8 SJ | 1619P03512
Hersteller: BOSCH
Artikelnummer: EB-3601L16270-1619P03512
nur Informationsartikel
Nie mehr lieferbar
keine Alternativen
Pos.
27
BOSCH Handgriff | Ersatzteile für GCM 8 SJ | 1619P03513
Hersteller: BOSCH
Artikelnummer: EB-3601L16270-1619P03513
nur Informationsartikel
Nie mehr lieferbar
keine Alternativen
Pos.
28
BOSCH Handgriff | Ersatzteile für GCM 8 SJ | 1619P03514
Hersteller: BOSCH
Artikelnummer: EB-3601L16270-1619P03514
Netto: 10,47 € zzgl. MwSt.
zzgl. 6,90 € Versand (brutto)
einmalig pro Bestellung

Lieferzeit: 5 Werktage

Pos.
29
BOSCH Auflageplatte | Ersatzteile für GCM 8 SJ | 1619P03515
Hersteller: BOSCH
Artikelnummer: EB-3601L16270-1619P03515
Netto: 60,55 € zzgl. MwSt.
zzgl. 6,90 € Versand (brutto)
einmalig pro Bestellung

Lieferzeit: 5 Werktage

Pos.
30
BOSCH Schutzabdeckung | Ersatzteile für GCM 8 SJ | 1619P03516
Hersteller: BOSCH
Artikelnummer: EB-3601L16270-1619P03516
nur Informationsartikel
Nie mehr lieferbar
keine Alternativen
Pos.
31
BOSCH Gehäusedeckel | Ersatzteile für GCM 8 SJ | 1619P03517
Hersteller: BOSCH
Artikelnummer: EB-3601L16270-1619P03517
nur Informationsartikel
Nie mehr lieferbar
keine Alternativen
Pos.
32
BOSCH Handgriff | Ersatzteile für GCM 8 SJ | 1619P03518
Hersteller: BOSCH
Artikelnummer: EB-3601L16270-1619P03518
nur Informationsartikel
Nie mehr lieferbar
keine Alternativen
Pos.
33
BOSCH Griffschale | Ersatzteile für GCM 8 SJ | 1619P03519
Hersteller: BOSCH
Artikelnummer: EB-3601L16270-1619P03519
nur Informationsartikel
Nie mehr lieferbar
keine Alternativen
Pos.
34
BOSCH Drehfeder | Ersatzteile für GCM 8 SJ | 1619P03520
Hersteller: BOSCH
Artikelnummer: EB-3601L16270-1619P03520
nur Informationsartikel
Nie mehr lieferbar
keine Alternativen
Pos.
35
BOSCH Blech | Ersatzteile für GCM 8 SJ | 1619P03521
Hersteller: BOSCH
Artikelnummer: EB-3601L16270-1619P03521
Netto: 5,13 € zzgl. MwSt.
zzgl. 6,90 € Versand (brutto)
einmalig pro Bestellung

Lieferzeit: 5 Werktage

Pos.
36
BOSCH Softstartmodul | Ersatzteile für GCM 8 SJ | 1607233421
Hersteller: BOSCH
Artikelnummer: EB-3601L16270-1607233421
Netto: 28,45 € zzgl. MwSt.
zzgl. 6,90 € Versand (brutto)
einmalig pro Bestellung

Lieferzeit: 5 Werktage

Pos.
37
BOSCH Druckplatte | Ersatzteile für GCM 8 SJ | 1619P03522
Hersteller: BOSCH
Artikelnummer: EB-3601L16270-1619P03522
nur Informationsartikel
Nie mehr lieferbar
keine Alternativen
Pos.
38
BOSCH Schutzhaube | Ersatzteile für GCM 8 SJ | 1619P03523
Hersteller: BOSCH
Artikelnummer: EB-3601L16270-1619P03523
nur Informationsartikel
Nie mehr lieferbar
keine Alternativen
Pos.
39
BOSCH Blech | Ersatzteile für GCM 8 SJ | 1619P03524
Hersteller: BOSCH
Artikelnummer: EB-3601L16270-1619P03524
Netto: 6,68 € zzgl. MwSt.
zzgl. 6,90 € Versand (brutto)
einmalig pro Bestellung

Lieferzeit: 5 Werktage

Pos.
40
BOSCH Gestänge | Ersatzteile für GCM 8 SJ | 1619P03525
Hersteller: BOSCH
Artikelnummer: EB-3601L16270-1619P03525
nur Informationsartikel
Nie mehr lieferbar
keine Alternativen
Pos.
41
BOSCH Sperrhebel | Ersatzteile für GCM 8 SJ | 1619P03526
Hersteller: BOSCH
Artikelnummer: EB-3601L16270-1619P03526
nur Informationsartikel
Nie mehr lieferbar
keine Alternativen
Pos.
42
BOSCH Kontaktlasche | Ersatzteile für GCM 8 SJ | 1619P03527
Hersteller: BOSCH
Artikelnummer: EB-3601L16270-1619P03527
Netto: 3,59 € zzgl. MwSt.
zzgl. 6,90 € Versand (brutto)
einmalig pro Bestellung

Lieferzeit: 5 Werktage

Pos.
43
BOSCH Spannstange | Ersatzteile für GCM 8 SJ | 1619P03528
Hersteller: BOSCH
Artikelnummer: EB-3601L16270-1619P03528
nur Informationsartikel
Nie mehr lieferbar
keine Alternativen
Pos.
44
BOSCH Gehäuse | Ersatzteile für GCM 8 SJ | 2610011867
Hersteller: BOSCH
Artikelnummer: EB-3601L16270-2610011867
Netto: 9,63 € zzgl. MwSt.
zzgl. 6,90 € Versand (brutto)
einmalig pro Bestellung

Lieferzeit: 5 Werktage

Pos.
45
BOSCH Rückhalteblech | Ersatzteile für GCM 8 SJ | 1619P03530
Hersteller: BOSCH
Artikelnummer: EB-3601L16270-1619P03530
nur Informationsartikel
Nie mehr lieferbar
keine Alternativen
Pos.
46
BOSCH Knopf | Ersatzteile für GCM 8 SJ | 1619P05009
Hersteller: BOSCH
Artikelnummer: EB-3601L16270-1619P05009
nur Informationsartikel
Nie mehr lieferbar
keine Alternativen
Pos.
47
BOSCH Zeiger | Ersatzteile für GCM 8 SJ | 1619P03532
Hersteller: BOSCH
Artikelnummer: EB-3601L16270-1619P03532
Netto: 3,59 € zzgl. MwSt.
zzgl. 6,90 € Versand (brutto)
einmalig pro Bestellung

Lieferzeit: 5 Werktage

Pos.
48
BOSCH Zeiger | Ersatzteile für GCM 8 SJ | 1619P03533
Hersteller: BOSCH
Artikelnummer: EB-3601L16270-1619P03533
Netto: 3,59 € zzgl. MwSt.
zzgl. 6,90 € Versand (brutto)
einmalig pro Bestellung

Lieferzeit: 5 Werktage

Pos.
49
BOSCH Skale | Ersatzteile für GCM 8 SJ | 1619P03534
Hersteller: BOSCH
Artikelnummer: EB-3601L16270-1619P03534
Netto: 3,59 € zzgl. MwSt.
zzgl. 6,90 € Versand (brutto)
einmalig pro Bestellung

Lieferzeit: 5 Werktage

Pos.
50
BOSCH Winkelschraubendreher | Ersatzteile für GCM 8 SJ | 1619P03535
Hersteller: BOSCH
Artikelnummer: EB-3601L16270-1619P03535
nur Informationsartikel
Nie mehr lieferbar
keine Alternativen
Pos.
51
BOSCH Gummibuchse | Ersatzteile für GCM 8 SJ | 1619P03536
Hersteller: BOSCH
Artikelnummer: EB-3601L16270-1619P03536
Netto: 3,59 € zzgl. MwSt.
zzgl. 6,90 € Versand (brutto)
einmalig pro Bestellung

Lieferzeit: 5 Werktage

Pos.
52
BOSCH Lagerlasche | Ersatzteile für GCM 8 SJ | 1619P03537
Hersteller: BOSCH
Artikelnummer: EB-3601L16270-1619P03537
nur Informationsartikel
Nie mehr lieferbar
keine Alternativen
Pos.
53
BOSCH Schiebeblech | Ersatzteile für GCM 8 SJ | 1619P03538
Hersteller: BOSCH
Artikelnummer: EB-3601L16270-1619P03538
Netto: 6,68 € zzgl. MwSt.
zzgl. 6,90 € Versand (brutto)
einmalig pro Bestellung

Lieferzeit: 5 Werktage

Pos.
54
BOSCH Welle | Ersatzteile für GCM 8 SJ | 1619P03539
Hersteller: BOSCH
Artikelnummer: EB-3601L16270-1619P03539
Netto: 6,21 € zzgl. MwSt.
zzgl. 6,90 € Versand (brutto)
einmalig pro Bestellung

Lieferzeit: 5 Werktage

Pos.
55
BOSCH Kugellager | Ersatzteile für GCM 8 SJ | 1619P03540
Hersteller: BOSCH
Artikelnummer: EB-3601L16270-1619P03540
nur Informationsartikel
Nie mehr lieferbar
keine Alternativen
Pos.
56
BOSCH Gleitleiste | Ersatzteile für GCM 8 SJ | 1619P03541
Hersteller: BOSCH
Artikelnummer: EB-3601L16270-1619P03541
nur Informationsartikel
Nie mehr lieferbar
keine Alternativen
Pos.
57
BOSCH Drehfeder | Ersatzteile für GCM 8 SJ | 1619P03542
Hersteller: BOSCH
Artikelnummer: EB-3601L16270-1619P03542
nur Informationsartikel
Nie mehr lieferbar
keine Alternativen
Pos.
58
BOSCH Hülse | Ersatzteile für GCM 8 SJ | 1619P03543
Hersteller: BOSCH
Artikelnummer: EB-3601L16270-1619P03543
Netto: 4,76 € zzgl. MwSt.
zzgl. 6,90 € Versand (brutto)
einmalig pro Bestellung

Lieferzeit: 5 Werktage

Pos.
59
BOSCH Zahnrad | Ersatzteile für GCM 8 SJ | 1609203J19
Hersteller: BOSCH
Artikelnummer: EB-3601L16270-1609203J19
Netto: 19,18 € zzgl. MwSt.
zzgl. 6,90 € Versand (brutto)
einmalig pro Bestellung

Lieferzeit: 5 Werktage

Pos.
60
BOSCH Innenscheibe | Ersatzteile für GCM 8 SJ | 1619P03544
Hersteller: BOSCH
Artikelnummer: EB-3601L16270-1619P03544
nur Informationsartikel
Nie mehr lieferbar
keine Alternativen
Pos.
61
BOSCH Bürstendeckel | Ersatzteile für GCM 8 SJ | 1619P03545
Hersteller: BOSCH
Artikelnummer: EB-3601L16270-1619P03545
nur Informationsartikel
Nie mehr lieferbar
keine Alternativen
Pos.
62
BOSCH Steckkupplung | Ersatzteile für GCM 8 SJ | 2610013458
Hersteller: BOSCH
Artikelnummer: EB-3601L16270-2610013458
nur Informationsartikel
Nie mehr lieferbar
keine Alternativen
Pos.
63
BOSCH Einklebeblatt GCM 8SJ | Ersatzteile für GCM 8 SJ | 2610013582
Hersteller: BOSCH
Artikelnummer: EB-3601L16270-2610013582
nur Informationsartikel
Nie mehr lieferbar
keine Alternativen
Pos.
64
BOSCH Sicherungsmutter | Ersatzteile für GCM 8 SJ | 1619P03587
Hersteller: BOSCH
Artikelnummer: EB-3601L16270-1619P03587
Netto: 3,63 € zzgl. MwSt.
zzgl. 6,90 € Versand (brutto)
einmalig pro Bestellung

Lieferzeit: 5 Werktage

Pos.
65
BOSCH Schraube | Ersatzteile für GCM 8 SJ | 1619P03605
Hersteller: BOSCH
Artikelnummer: EB-3601L16270-1619P03605
Netto: 3,59 € zzgl. MwSt.
zzgl. 6,90 € Versand (brutto)
einmalig pro Bestellung

Lieferzeit: 5 Werktage

Pos.
66
BOSCH Schraube | Ersatzteile für GCM 8 SJ | 1619P03606
Hersteller: BOSCH
Artikelnummer: EB-3601L16270-1619P03606
nur Informationsartikel
Nie mehr lieferbar
keine Alternativen
Pos.
67
BOSCH Tülle | Ersatzteile für GCM 8 SJ | 2610013487
Hersteller: BOSCH
Artikelnummer: EB-3601L16270-2610013487
Netto: 4,33 € zzgl. MwSt.
zzgl. 6,90 € Versand (brutto)
einmalig pro Bestellung

Lieferzeit: 5 Werktage

Pos.
68
BOSCH Flansch | Ersatzteile für GCM 8 SJ | 1619P03481
Hersteller: BOSCH
Artikelnummer: EB-3601L16270-1619P03481
nur Informationsartikel
Nie mehr lieferbar
keine Alternativen
Pos.
69
BOSCH Bolzen | Ersatzteile für GCM 8 SJ | 1619P03482
Hersteller: BOSCH
Artikelnummer: EB-3601L16270-1619P03482
Netto: 4,32 € zzgl. MwSt.
zzgl. 6,90 € Versand (brutto)
einmalig pro Bestellung

Lieferzeit: 5 Werktage

Pos.
70
BOSCH Schraube | Ersatzteile für GCM 8 SJ | 1619P03608
Hersteller: BOSCH
Artikelnummer: EB-3601L16270-1619P03608
nur Informationsartikel
Nie mehr lieferbar
keine Alternativen
Pos.
71
BOSCH Scheibe | Ersatzteile für GCM 8 SJ | 1619P03609
Hersteller: BOSCH
Artikelnummer: EB-3601L16270-1619P03609
Netto: 3,60 € zzgl. MwSt.
zzgl. 6,90 € Versand (brutto)
einmalig pro Bestellung

Lieferzeit: 5 Werktage

Pos.
72
BOSCH Sechskantschraube | Ersatzteile für GCM 8 SJ | 1619P03547
Hersteller: BOSCH
Artikelnummer: EB-3601L16270-1619P03547
Netto: 5,65 € zzgl. MwSt.
zzgl. 6,90 € Versand (brutto)
einmalig pro Bestellung

Lieferzeit: 5 Werktage

Pos.
73
BOSCH Schraube | Ersatzteile für GCM 8 SJ | 1619P03610
Hersteller: BOSCH
Artikelnummer: EB-3601L16270-1619P03610
Netto: 3,59 € zzgl. MwSt.
zzgl. 6,90 € Versand (brutto)
einmalig pro Bestellung

Lieferzeit: 5 Werktage

Pos.
75
BOSCH Gummibuchse | Ersatzteile für GCM 8 SJ | 1619P03548
Hersteller: BOSCH
Artikelnummer: EB-3601L16270-1619P03548
nur Informationsartikel
Nie mehr lieferbar
keine Alternativen
Pos.
76
BOSCH Schraube | Ersatzteile für GCM 8 SJ | 1619P03612
Hersteller: BOSCH
Artikelnummer: EB-3601L16270-1619P03612
Netto: 3,59 € zzgl. MwSt.
zzgl. 6,90 € Versand (brutto)
einmalig pro Bestellung

Lieferzeit: 5 Werktage

Pos.
77
BOSCH Sicherungsmutter | Ersatzteile für GCM 8 SJ | 1619P03613
Hersteller: BOSCH
Artikelnummer: EB-3601L16270-1619P03613
nur Informationsartikel
Nie mehr lieferbar
keine Alternativen
Pos.
78
BOSCH Schraube | Ersatzteile für GCM 8 SJ | 1619P03614
Hersteller: BOSCH
Artikelnummer: EB-3601L16270-1619P03614
nur Informationsartikel
Nie mehr lieferbar
keine Alternativen
Pos.
79
BOSCH Dichtung | Ersatzteile für GCM 8 SJ | 1619P03549
Hersteller: BOSCH
Artikelnummer: EB-3601L16270-1619P03549
nur Informationsartikel
Nie mehr lieferbar
keine Alternativen
Pos.
80
BOSCH Gummi-Ohrkissen | Ersatzteile für GCM 8 SJ | 1619P03550
Hersteller: BOSCH
Artikelnummer: EB-3601L16270-1619P03550
Netto: 5,60 € zzgl. MwSt.
zzgl. 6,90 € Versand (brutto)
einmalig pro Bestellung

Lieferzeit: 5 Werktage

Pos.
81
BOSCH Knopf | Ersatzteile für GCM 8 SJ | 1609B03755
Hersteller: BOSCH
Artikelnummer: EB-3601L16270-1609B03755
Netto: 3,94 € zzgl. MwSt.
zzgl. 6,90 € Versand (brutto)
einmalig pro Bestellung

Lieferzeit: 5 Werktage

Pos.
82
BOSCH Kontaktlasche | Ersatzteile für GCM 8 SJ | 1619P03552
Hersteller: BOSCH
Artikelnummer: EB-3601L16270-1619P03552
nur Informationsartikel
Nie mehr lieferbar
keine Alternativen
Pos.
83
BOSCH Rastbolzen | Ersatzteile für GCM 8 SJ | 1619P03553
Hersteller: BOSCH
Artikelnummer: EB-3601L16270-1619P03553
nur Informationsartikel
Nie mehr lieferbar
keine Alternativen
Pos.
84
BOSCH Haltebolzen | Ersatzteile für GCM 8 SJ | 1619P03554
Hersteller: BOSCH
Artikelnummer: EB-3601L16270-1619P03554
nur Informationsartikel
Nie mehr lieferbar
keine Alternativen
Pos.
85
BOSCH Sicherungsring | Ersatzteile für GCM 8 SJ | 1619P03555
Hersteller: BOSCH
Artikelnummer: EB-3601L16270-1619P03555
nur Informationsartikel
Nie mehr lieferbar
keine Alternativen
Pos.
86
BOSCH Schraube | Ersatzteile für GCM 8 SJ | 1619P03615
Hersteller: BOSCH
Artikelnummer: EB-3601L16270-1619P03615
nur Informationsartikel
Nie mehr lieferbar
keine Alternativen
Pos.
88
BOSCH Scheibe | Ersatzteile für GCM 8 SJ | 1619P03617
Hersteller: BOSCH
Artikelnummer: EB-3601L16270-1619P03617
Netto: 3,63 € zzgl. MwSt.
zzgl. 6,90 € Versand (brutto)
einmalig pro Bestellung

Lieferzeit: 5 Werktage

Pos.
89
BOSCH Schraube | Ersatzteile für GCM 8 SJ | 1619P03618
Hersteller: BOSCH
Artikelnummer: EB-3601L16270-1619P03618
nur Informationsartikel
Nie mehr lieferbar
keine Alternativen
Pos.
90
BOSCH Schraube | Ersatzteile für GCM 8 SJ | 1619P03619
Hersteller: BOSCH
Artikelnummer: EB-3601L16270-1619P03619
nur Informationsartikel
Nie mehr lieferbar
keine Alternativen
Pos.
91
BOSCH Kugellager | Ersatzteile für GCM 8 SJ | 1619P03556
Hersteller: BOSCH
Artikelnummer: EB-3601L16270-1619P03556
Netto: 8,33 € zzgl. MwSt.
zzgl. 6,90 € Versand (brutto)
einmalig pro Bestellung

Lieferzeit: 5 Werktage

Pos.
92
BOSCH Schlüssel | Ersatzteile für GCM 8 SJ | 1619P03557
Hersteller: BOSCH
Artikelnummer: EB-3601L16270-1619P03557
Netto: 3,59 € zzgl. MwSt.
zzgl. 6,90 € Versand (brutto)
einmalig pro Bestellung

Lieferzeit: 5 Werktage

Pos.
93
BOSCH Sicherungsring | Ersatzteile für GCM 8 SJ | 1619P03620
Hersteller: BOSCH
Artikelnummer: EB-3601L16270-1619P03620
Netto: 3,59 € zzgl. MwSt.
zzgl. 6,90 € Versand (brutto)
einmalig pro Bestellung

Lieferzeit: 5 Werktage

Pos.
94
BOSCH Sicherungsring | Ersatzteile für GCM 8 SJ | 1619P03621
Hersteller: BOSCH
Artikelnummer: EB-3601L16270-1619P03621
nur Informationsartikel
Nie mehr lieferbar
keine Alternativen
Pos.
95
BOSCH Nadellager | Ersatzteile für GCM 8 SJ | 1619P03558
Hersteller: BOSCH
Artikelnummer: EB-3601L16270-1619P03558
nur Informationsartikel
Nie mehr lieferbar
keine Alternativen
Pos.
96
BOSCH Schraube | Ersatzteile für GCM 8 SJ | 1619P03622
Hersteller: BOSCH
Artikelnummer: EB-3601L16270-1619P03622
Netto: 3,63 € zzgl. MwSt.
zzgl. 6,90 € Versand (brutto)
einmalig pro Bestellung

Lieferzeit: 5 Werktage

Pos.
97
BOSCH Schraube | Ersatzteile für GCM 8 SJ | 1619P03623
Hersteller: BOSCH
Artikelnummer: EB-3601L16270-1619P03623
Netto: 3,59 € zzgl. MwSt.
zzgl. 6,90 € Versand (brutto)
einmalig pro Bestellung

Lieferzeit: 5 Werktage

Pos.
98
BOSCH Schraube | Ersatzteile für GCM 8 SJ | 1619P03559
Hersteller: BOSCH
Artikelnummer: EB-3601L16270-1619P03559
Netto: 3,60 € zzgl. MwSt.
zzgl. 6,90 € Versand (brutto)
einmalig pro Bestellung

Lieferzeit: 5 Werktage

Pos.
100
BOSCH Schraube | Ersatzteile für GCM 8 SJ | 1619P03625
Hersteller: BOSCH
Artikelnummer: EB-3601L16270-1619P03625
Netto: 3,63 € zzgl. MwSt.
zzgl. 6,90 € Versand (brutto)
einmalig pro Bestellung

Lieferzeit: 5 Werktage

Pos.
101
BOSCH Schraube | Ersatzteile für GCM 8 SJ | 1619P03626
Hersteller: BOSCH
Artikelnummer: EB-3601L16270-1619P03626
Netto: 3,59 € zzgl. MwSt.
zzgl. 6,90 € Versand (brutto)
einmalig pro Bestellung

Lieferzeit: 5 Werktage

Pos.
104
BOSCH Schraube | Ersatzteile für GCM 8 SJ | 1619P03629
Hersteller: BOSCH
Artikelnummer: EB-3601L16270-1619P03629
Netto: 3,63 € zzgl. MwSt.
zzgl. 6,90 € Versand (brutto)
einmalig pro Bestellung

Lieferzeit: 5 Werktage

Pos.
105
BOSCH Schraube | Ersatzteile für GCM 8 SJ | 1619P03630
Hersteller: BOSCH
Artikelnummer: EB-3601L16270-1619P03630
Netto: 3,63 € zzgl. MwSt.
zzgl. 6,90 € Versand (brutto)
einmalig pro Bestellung

Lieferzeit: 5 Werktage

Pos.
107
BOSCH Schraube | Ersatzteile für GCM 8 SJ | 1619P03631
Hersteller: BOSCH
Artikelnummer: EB-3601L16270-1619P03631
Netto: 3,59 € zzgl. MwSt.
zzgl. 6,90 € Versand (brutto)
einmalig pro Bestellung

Lieferzeit: 5 Werktage

Pos.
108
BOSCH Schraube | Ersatzteile für GCM 8 SJ | 1619P03632
Hersteller: BOSCH
Artikelnummer: EB-3601L16270-1619P03632
nur Informationsartikel
Nie mehr lieferbar
keine Alternativen
Pos.
109
BOSCH Schraube | Ersatzteile für GCM 8 SJ | 1619P03633
Hersteller: BOSCH
Artikelnummer: EB-3601L16270-1619P03633
Netto: 3,59 € zzgl. MwSt.
zzgl. 6,90 € Versand (brutto)
einmalig pro Bestellung

Lieferzeit: 5 Werktage

Pos.
110
BOSCH Warnzettel | Ersatzteile für GCM 8 SJ | 2610909006
Hersteller: BOSCH
Artikelnummer: EB-3601L16270-2610909006
Netto: 5,13 € zzgl. MwSt.
zzgl. 6,90 € Versand (brutto)
einmalig pro Bestellung

Lieferzeit: 5 Werktage

Pos.
111
BOSCH Scheibe | Ersatzteile für GCM 8 SJ | 1619P03634
Hersteller: BOSCH
Artikelnummer: EB-3601L16270-1619P03634
Netto: 3,59 € zzgl. MwSt.
zzgl. 6,90 € Versand (brutto)
einmalig pro Bestellung

Lieferzeit: 5 Werktage

Pos.
112
BOSCH Sicherungsmutter | Ersatzteile für GCM 8 SJ | 1619P03635
Hersteller: BOSCH
Artikelnummer: EB-3601L16270-1619P03635
Netto: 3,59 € zzgl. MwSt.
zzgl. 6,90 € Versand (brutto)
einmalig pro Bestellung

Lieferzeit: 5 Werktage

Pos.
113
BOSCH Schraube | Ersatzteile für GCM 8 SJ | 1619P03636
Hersteller: BOSCH
Artikelnummer: EB-3601L16270-1619P03636
nur Informationsartikel
Nie mehr lieferbar
keine Alternativen
Pos.
114
BOSCH Bolzen | Ersatzteile für GCM 8 SJ | 1619P03564
Hersteller: BOSCH
Artikelnummer: EB-3601L16270-1619P03564
Netto: 4,33 € zzgl. MwSt.
zzgl. 6,90 € Versand (brutto)
einmalig pro Bestellung

Lieferzeit: 5 Werktage

Pos.
115
BOSCH Scheibe | Ersatzteile für GCM 8 SJ | 1619P03637
Hersteller: BOSCH
Artikelnummer: EB-3601L16270-1619P03637
Netto: 3,94 € zzgl. MwSt.
zzgl. 6,90 € Versand (brutto)
einmalig pro Bestellung

Lieferzeit: 5 Werktage

Pos.
116
BOSCH Hebel | Ersatzteile für GCM 8 SJ | 1619P03565
Hersteller: BOSCH
Artikelnummer: EB-3601L16270-1619P03565
nur Informationsartikel
Nie mehr lieferbar
keine Alternativen
Pos.
120
BOSCH Scheibe | Ersatzteile für GCM 8 SJ | 1619P03638
Hersteller: BOSCH
Artikelnummer: EB-3601L16270-1619P03638
nur Informationsartikel
Nie mehr lieferbar
keine Alternativen
Pos.
121
BOSCH Knebel | Ersatzteile für GCM 8 SJ | 1619P03569
Hersteller: BOSCH
Artikelnummer: EB-3601L16270-1619P03569
Netto: 3,92 € zzgl. MwSt.
zzgl. 6,90 € Versand (brutto)
einmalig pro Bestellung

Lieferzeit: 5 Werktage

Pos.
122
BOSCH Kontaktlasche | Ersatzteile für GCM 8 SJ | 1619P03570
Hersteller: BOSCH
Artikelnummer: EB-3601L16270-1619P03570
nur Informationsartikel
Nie mehr lieferbar
keine Alternativen
Pos.
123
BOSCH Kugellager | Ersatzteile für GCM 8 SJ | 1619P03571
Hersteller: BOSCH
Artikelnummer: EB-3601L16270-1619P03571
nur Informationsartikel
Nie mehr lieferbar
keine Alternativen
Pos.
124
BOSCH Schraube | Ersatzteile für GCM 8 SJ | 1619P03639
Hersteller: BOSCH
Artikelnummer: EB-3601L16270-1619P03639
Netto: 3,60 € zzgl. MwSt.
zzgl. 6,90 € Versand (brutto)
einmalig pro Bestellung

Lieferzeit: 5 Werktage

Pos.
125
BOSCH Klemmstück | Ersatzteile für GCM 8 SJ | 1619P03640
Hersteller: BOSCH
Artikelnummer: EB-3601L16270-1619P03640
Netto: 3,59 € zzgl. MwSt.
zzgl. 6,90 € Versand (brutto)
einmalig pro Bestellung

Lieferzeit: 5 Werktage

Pos.
127
BOSCH Abdeckung | Ersatzteile für GCM 8 SJ | 1619P03572
Hersteller: BOSCH
Artikelnummer: EB-3601L16270-1619P03572
nur Informationsartikel
Nie mehr lieferbar
keine Alternativen
Pos.
128
BOSCH Blech | Ersatzteile für GCM 8 SJ | 1619P03573
Hersteller: BOSCH
Artikelnummer: EB-3601L16270-1619P03573
nur Informationsartikel
Nie mehr lieferbar
keine Alternativen
Pos.
129
BOSCH Schraube | Ersatzteile für GCM 8 SJ | 1619P03642
Hersteller: BOSCH
Artikelnummer: EB-3601L16270-1619P03642
nur Informationsartikel
Nie mehr lieferbar
keine Alternativen
Pos.
130
BOSCH Sicherungsmutter | Ersatzteile für GCM 8 SJ | 1619P03643
Hersteller: BOSCH
Artikelnummer: EB-3601L16270-1619P03643
Netto: 3,63 € zzgl. MwSt.
zzgl. 6,90 € Versand (brutto)
einmalig pro Bestellung

Lieferzeit: 5 Werktage

Pos.
131
BOSCH Blech | Ersatzteile für GCM 8 SJ | 1619P03574
Hersteller: BOSCH
Artikelnummer: EB-3601L16270-1619P03574
Netto: 6,21 € zzgl. MwSt.
zzgl. 6,90 € Versand (brutto)
einmalig pro Bestellung

Lieferzeit: 5 Werktage

Pos.
136
BOSCH Abdeckung | Ersatzteile für GCM 8 SJ | 1619P03577
Hersteller: BOSCH
Artikelnummer: EB-3601L16270-1619P03577
Netto: 6,21 € zzgl. MwSt.
zzgl. 6,90 € Versand (brutto)
einmalig pro Bestellung

Lieferzeit: 5 Werktage

Pos.
138
BOSCH Abdeckung | Ersatzteile für GCM 8 SJ | 1619P03578
Hersteller: BOSCH
Artikelnummer: EB-3601L16270-1619P03578
Netto: 7,18 € zzgl. MwSt.
zzgl. 6,90 € Versand (brutto)
einmalig pro Bestellung

Lieferzeit: 5 Werktage

Pos.
146
BOSCH Abdeckung | Ersatzteile für GCM 8 SJ | 1619P03583
Hersteller: BOSCH
Artikelnummer: EB-3601L16270-1619P03583
Netto: 4,76 € zzgl. MwSt.
zzgl. 6,90 € Versand (brutto)
einmalig pro Bestellung

Lieferzeit: 5 Werktage

Pos.
154
BOSCH Mutter | Ersatzteile für GCM 8 SJ | 1619P03654
Hersteller: BOSCH
Artikelnummer: EB-3601L16270-1619P03654
Netto: 3,63 € zzgl. MwSt.
zzgl. 6,90 € Versand (brutto)
einmalig pro Bestellung

Lieferzeit: 5 Werktage

Pos.
159
BOSCH Gehäuse | Ersatzteile für GCM 8 SJ | 1619P03588
Hersteller: BOSCH
Artikelnummer: EB-3601L16270-1619P03588
nur Informationsartikel
Nie mehr lieferbar
keine Alternativen
Pos.
160
BOSCH Gehäuse | Ersatzteile für GCM 8 SJ | 1619P03589
Hersteller: BOSCH
Artikelnummer: EB-3601L16270-1619P03589
Netto: 5,60 € zzgl. MwSt.
zzgl. 6,90 € Versand (brutto)
einmalig pro Bestellung

Lieferzeit: 5 Werktage

Pos.
161
BOSCH Gehäuse | Ersatzteile für GCM 8 SJ | 1619P03590
Hersteller: BOSCH
Artikelnummer: EB-3601L16270-1619P03590
nur Informationsartikel
Nie mehr lieferbar
keine Alternativen
Pos.
162
BOSCH Gehäuse | Ersatzteile für GCM 8 SJ | 1619P03656
Hersteller: BOSCH
Artikelnummer: EB-3601L16270-1619P03656
Netto: 4,76 € zzgl. MwSt.
zzgl. 6,90 € Versand (brutto)
einmalig pro Bestellung

Lieferzeit: 5 Werktage

Pos.
163
BOSCH Leiterplatte | Ersatzteile für GCM 8 SJ | 1619P04801
Hersteller: BOSCH
Artikelnummer: EB-3601L16270-1619P04801
nur Informationsartikel
Nie mehr lieferbar
keine Alternativen
Pos.
164
BOSCH Objektiv | Ersatzteile für GCM 8 SJ | 1619P03592
Hersteller: BOSCH
Artikelnummer: EB-3601L16270-1619P03592
Netto: 3,59 € zzgl. MwSt.
zzgl. 6,90 € Versand (brutto)
einmalig pro Bestellung

Lieferzeit: 5 Werktage

Pos.
165
BOSCH Reflektor | Ersatzteile für GCM 8 SJ | 1619P03602
Hersteller: BOSCH
Artikelnummer: EB-3601L16270-1619P03602
Netto: 3,63 € zzgl. MwSt.
zzgl. 6,90 € Versand (brutto)
einmalig pro Bestellung

Lieferzeit: 5 Werktage

Pos.
166
BOSCH Reflektor | Ersatzteile für GCM 8 SJ | 1619P03603
Hersteller: BOSCH
Artikelnummer: EB-3601L16270-1619P03603
Netto: 3,63 € zzgl. MwSt.
zzgl. 6,90 € Versand (brutto)
einmalig pro Bestellung

Lieferzeit: 5 Werktage

Pos.
167
BOSCH Schraube | Ersatzteile für GCM 8 SJ | 1619P03657
Hersteller: BOSCH
Artikelnummer: EB-3601L16270-1619P03657
nur Informationsartikel
Nie mehr lieferbar
keine Alternativen
Pos.
168
BOSCH Schraube | Ersatzteile für GCM 8 SJ | 1619P03658
Hersteller: BOSCH
Artikelnummer: EB-3601L16270-1619P03658
Netto: 3,59 € zzgl. MwSt.
zzgl. 6,90 € Versand (brutto)
einmalig pro Bestellung

Lieferzeit: 5 Werktage

Pos.
169
BOSCH Schraube | Ersatzteile für GCM 8 SJ | 1619P03659
Hersteller: BOSCH
Artikelnummer: EB-3601L16270-1619P03659
Netto: 3,59 € zzgl. MwSt.
zzgl. 6,90 € Versand (brutto)
einmalig pro Bestellung

Lieferzeit: 5 Werktage

Pos.
170
BOSCH Schraube | Ersatzteile für GCM 8 SJ | 1619P03660
Hersteller: BOSCH
Artikelnummer: EB-3601L16270-1619P03660
Netto: 3,63 € zzgl. MwSt.
zzgl. 6,90 € Versand (brutto)
einmalig pro Bestellung

Lieferzeit: 5 Werktage

Pos.
172
BOSCH Kabelkasten | Ersatzteile für GCM 8 SJ | 1619P03661
Hersteller: BOSCH
Artikelnummer: EB-3601L16270-1619P03661
Netto: 5,13 € zzgl. MwSt.
zzgl. 6,90 € Versand (brutto)
einmalig pro Bestellung

Lieferzeit: 5 Werktage

Pos.
173
BOSCH Schraube | Ersatzteile für GCM 8 SJ | 1619P03662
Hersteller: BOSCH
Artikelnummer: EB-3601L16270-1619P03662
Netto: 3,60 € zzgl. MwSt.
zzgl. 6,90 € Versand (brutto)
einmalig pro Bestellung

Lieferzeit: 5 Werktage

Pos.
175
BOSCH Gehäuse | Ersatzteile für GCM 8 SJ | 1619P03594
Hersteller: BOSCH
Artikelnummer: EB-3601L16270-1619P03594
Netto: 7,18 € zzgl. MwSt.
zzgl. 6,90 € Versand (brutto)
einmalig pro Bestellung

Lieferzeit: 5 Werktage

Pos.
176
BOSCH Schraube M4x55 | Ersatzteile für GCM 8 SJ | 2610013457
Hersteller: BOSCH
Artikelnummer: EB-3601L16270-2610013457
Netto: 3,93 € zzgl. MwSt.
zzgl. 6,90 € Versand (brutto)
einmalig pro Bestellung

Lieferzeit: 5 Werktage

Pos.
177
BOSCH Schraube | Ersatzteile für GCM 8 SJ | 1619P03665
Hersteller: BOSCH
Artikelnummer: EB-3601L16270-1619P03665
Netto: 3,63 € zzgl. MwSt.
zzgl. 6,90 € Versand (brutto)
einmalig pro Bestellung

Lieferzeit: 5 Werktage

Pos.
178
BOSCH Schraube | Ersatzteile für GCM 8 SJ | 1619P03666
Hersteller: BOSCH
Artikelnummer: EB-3601L16270-1619P03666
Netto: 3,59 € zzgl. MwSt.
zzgl. 6,90 € Versand (brutto)
einmalig pro Bestellung

Lieferzeit: 5 Werktage

Pos.
179
BOSCH Schraube | Ersatzteile für GCM 8 SJ | 1619P03667
Hersteller: BOSCH
Artikelnummer: EB-3601L16270-1619P03667
Netto: 3,63 € zzgl. MwSt.
zzgl. 6,90 € Versand (brutto)
einmalig pro Bestellung

Lieferzeit: 5 Werktage

Pos.
180
BOSCH Ein/Aus-Schalter | Ersatzteile für GCM 8 SJ | 1619P03669
Hersteller: BOSCH
Artikelnummer: EB-3601L16270-1619P03669
Netto: 16,44 € zzgl. MwSt.
zzgl. 6,90 € Versand (brutto)
einmalig pro Bestellung

Lieferzeit: 5 Werktage

Pos.
180
BOSCH Schalter | Ersatzteile für GCM 8 SJ | 1609B05392
Hersteller: BOSCH
Artikelnummer: EB-3601L16270-1609B05392
Netto: 5,19 € zzgl. MwSt.
zzgl. 6,90 € Versand (brutto)
einmalig pro Bestellung

Lieferzeit: 5 Werktage

Pos.
182
BOSCH Mutter | Ersatzteile für GCM 8 SJ | 1619P03671
Hersteller: BOSCH
Artikelnummer: EB-3601L16270-1619P03671
Netto: 3,59 € zzgl. MwSt.
zzgl. 6,90 € Versand (brutto)
einmalig pro Bestellung

Lieferzeit: 5 Werktage

Pos.
183
BOSCH Luftleitring | Ersatzteile für GCM 8 SJ | 1619P03595
Hersteller: BOSCH
Artikelnummer: EB-3601L16270-1619P03595
nur Informationsartikel
Nie mehr lieferbar
keine Alternativen
Pos.
187
BOSCH Ein/Aus-Schalter | Ersatzteile für GCM 8 SJ | 1619P03597
Hersteller: BOSCH
Artikelnummer: EB-3601L16270-1619P03597
Netto: 4,53 € zzgl. MwSt.
zzgl. 6,90 € Versand (brutto)
einmalig pro Bestellung

Lieferzeit: 5 Werktage

Pos.
188
BOSCH Vorlegscheibe | Ersatzteile für GCM 8 SJ | 1619P03689
Hersteller: BOSCH
Artikelnummer: EB-3601L16270-1619P03689
nur Informationsartikel
Nie mehr lieferbar
keine Alternativen
Pos.
189
BOSCH Unterlegscheibe | Ersatzteile für GCM 8 SJ | 1619P03690
Hersteller: BOSCH
Artikelnummer: EB-3601L16270-1619P03690
Netto: 3,59 € zzgl. MwSt.
zzgl. 6,90 € Versand (brutto)
einmalig pro Bestellung

Lieferzeit: 5 Werktage

Pos.
192
BOSCH Feder | Ersatzteile für GCM 8 SJ | 1619P03598
Hersteller: BOSCH
Artikelnummer: EB-3601L16270-1619P03598
nur Informationsartikel
Nie mehr lieferbar
keine Alternativen
Pos.
193
BOSCH Kabelsatz | Ersatzteile für GCM 8 SJ | 1619P03599
Hersteller: BOSCH
Artikelnummer: EB-3601L16270-1619P03599
Netto: 31,62 € zzgl. MwSt.
zzgl. 6,90 € Versand (brutto)
einmalig pro Bestellung

Lieferzeit: 5 Werktage

Pos.
194
BOSCH Abdeckkappe | Ersatzteile für GCM 8 SJ | 1619P03693
Hersteller: BOSCH
Artikelnummer: EB-3601L16270-1619P03693
Netto: 3,59 € zzgl. MwSt.
zzgl. 6,90 € Versand (brutto)
einmalig pro Bestellung

Lieferzeit: 5 Werktage

Pos.
199
BOSCH Isolierhülse | Ersatzteile für GCM 8 SJ | 1619P03715
Hersteller: BOSCH
Artikelnummer: EB-3601L16270-1619P03715
nur Informationsartikel
Nie mehr lieferbar
keine Alternativen
Pos.
200
BOSCH Lagerabdeckung | Ersatzteile für GCM 8 SJ | 1619P03716
Hersteller: BOSCH
Artikelnummer: EB-3601L16270-1619P03716
nur Informationsartikel
Nie mehr lieferbar
keine Alternativen
Pos.
204
BOSCH Lagerwelle | Ersatzteile für GCM 8 SJ | 1619P03694
Hersteller: BOSCH
Artikelnummer: EB-3601L16270-1619P03694
Netto: 7,76 € zzgl. MwSt.
zzgl. 6,90 € Versand (brutto)
einmalig pro Bestellung

Lieferzeit: 5 Werktage

Pos.
205
BOSCH Druckfeder | Ersatzteile für GCM 8 SJ | 1619P03695
Hersteller: BOSCH
Artikelnummer: EB-3601L16270-1619P03695
nur Informationsartikel
Nie mehr lieferbar
keine Alternativen
Pos.
206
BOSCH Unterlegscheibe | Ersatzteile für GCM 8 SJ | 1619P03696
Hersteller: BOSCH
Artikelnummer: EB-3601L16270-1619P03696
Netto: 3,59 € zzgl. MwSt.
zzgl. 6,90 € Versand (brutto)
einmalig pro Bestellung

Lieferzeit: 5 Werktage

Pos.
207
BOSCH Knopf | Ersatzteile für GCM 8 SJ | 1619P03697
Hersteller: BOSCH
Artikelnummer: EB-3601L16270-1619P03697
Netto: 4,53 € zzgl. MwSt.
zzgl. 6,90 € Versand (brutto)
einmalig pro Bestellung

Lieferzeit: 5 Werktage

Pos.
208
BOSCH Bolzen | Ersatzteile für GCM 8 SJ | 1619P03698
Hersteller: BOSCH
Artikelnummer: EB-3601L16270-1619P03698
Netto: 4,76 € zzgl. MwSt.
zzgl. 6,90 € Versand (brutto)
einmalig pro Bestellung

Lieferzeit: 5 Werktage

Pos.
209
BOSCH Schaftschraube | Ersatzteile für GCM 8 SJ | 1619P03699
Hersteller: BOSCH
Artikelnummer: EB-3601L16270-1619P03699
Netto: 3,63 € zzgl. MwSt.
zzgl. 6,90 € Versand (brutto)
einmalig pro Bestellung

Lieferzeit: 5 Werktage

Pos.
210
BOSCH Schaft | Ersatzteile für GCM 8 SJ | 1619P03700
Hersteller: BOSCH
Artikelnummer: EB-3601L16270-1619P03700
nur Informationsartikel
Nie mehr lieferbar
keine Alternativen
Pos.
211
BOSCH Teller | Ersatzteile für GCM 8 SJ | 1619P03701
Hersteller: BOSCH
Artikelnummer: EB-3601L16270-1619P03701
Netto: 3,59 € zzgl. MwSt.
zzgl. 6,90 € Versand (brutto)
einmalig pro Bestellung

Lieferzeit: 5 Werktage

Pos.
213
BOSCH Stange | Ersatzteile für GCM 8 SJ | 1619P03703
Hersteller: BOSCH
Artikelnummer: EB-3601L16270-1619P03703
Netto: 11,42 € zzgl. MwSt.
zzgl. 6,90 € Versand (brutto)
einmalig pro Bestellung

Lieferzeit: 5 Werktage

Pos.
214
BOSCH Arm | Ersatzteile für GCM 8 SJ | 1619P03712
Hersteller: BOSCH
Artikelnummer: EB-3601L16270-1619P03712
Netto: 60,55 € zzgl. MwSt.
zzgl. 6,90 € Versand (brutto)
einmalig pro Bestellung

Lieferzeit: 5 Werktage

Pos.
216
BOSCH Knopf | Ersatzteile für GCM 8 SJ | 1619P03720
Hersteller: BOSCH
Artikelnummer: EB-3601L16270-1619P03720
nur Informationsartikel
Nie mehr lieferbar
keine Alternativen
Pos.
217
BOSCH Verschleissplatte | Ersatzteile für GCM 8 SJ | 1619P03971
Hersteller: BOSCH
Artikelnummer: EB-3601L16270-1619P03971
nur Informationsartikel
Nie mehr lieferbar
keine Alternativen
Pos.
651
BOSCH Klemmschelle | Ersatzteile für GCM 8 SJ | 1619P05772
Hersteller: BOSCH
Artikelnummer: EB-3601L16270-1619P05772
nur Informationsartikel
Nie mehr lieferbar
keine Alternativen
Pos.
810
BOSCH Kohlebürstensatz | Ersatzteile für GCM 8 SJ | 1619P04451
Hersteller: BOSCH
Artikelnummer: EB-3601L16270-1619P04451
nur Informationsartikel
Nie mehr lieferbar
keine Alternativen
Pos.
814
BOSCH Laser | Ersatzteile für GCM 8 SJ | 1619P04816
Hersteller: BOSCH
Artikelnummer: EB-3601L16270-1619P04816
Netto: 26,88 € zzgl. MwSt.
zzgl. 6,90 € Versand (brutto)
einmalig pro Bestellung

Lieferzeit: 39 Werktage

Pos.
815
BOSCH Hebel | Ersatzteile für GCM 8 SJ | 1619P03706
Hersteller: BOSCH
Artikelnummer: EB-3601L16270-1619P03706
Netto: 9,63 € zzgl. MwSt.
zzgl. 6,90 € Versand (brutto)
einmalig pro Bestellung

Lieferzeit: 5 Werktage

Pos.
817
BOSCH Schraubfuss | Ersatzteile für GCM 8 SJ | 1619P03707
Hersteller: BOSCH
Artikelnummer: EB-3601L16270-1619P03707
nur Informationsartikel
Nie mehr lieferbar
keine Alternativen
Pos.
820
BOSCH Haltezapfen | Ersatzteile für GCM 8 SJ | 1619P03708
Hersteller: BOSCH
Artikelnummer: EB-3601L16270-1619P03708
Netto: 7,18 € zzgl. MwSt.
zzgl. 6,90 € Versand (brutto)
einmalig pro Bestellung

Lieferzeit: 5 Werktage

Pos.
836
BOSCH Einsatz | Ersatzteile für GCM 8 SJ | 1619P03709
Hersteller: BOSCH
Artikelnummer: EB-3601L16270-1619P03709
nur Informationsartikel
Nie mehr lieferbar
keine Alternativen
Pos.
844
BOSCH Rolle | Ersatzteile für GCM 8 SJ | 1619P03710
Hersteller: BOSCH
Artikelnummer: EB-3601L16270-1619P03710
nur Informationsartikel
Nie mehr lieferbar
keine Alternativen

Angaben zur Produktsicherheit

Hersteller:
Robert Bosch Power Tools GmbH
Postfach 30 02 20
70442 Stuttgart

E-Mail:
kontakt@bosch.de