BOSCH Gleichstrommotor 18V | Ersatzteile für GDR 18 V-LI MF | 2609199263

Artikelnummer: EB-3601JA10B0-2609199263

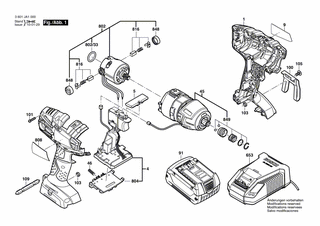
Position: 802

Marke: BOSCH


Bitte Kompatibilität prüfen!

Bitte prüfen Sie unbedingt die 10-stellige Typennummer Ihrer Maschine / Ihres Gerätes. Das Ersatzteil ist nur kompatibel, wenn Sie die Typennummer Ihrer Maschine in der unten stehenden Produktbeschreibung finden.

Bitte prüfen Sie ebenfalls detailliert die Explosionszeichnung mit Ihrem Artikelwunsch und der jeweiligen Pos-Nummer.

Alle Elemente, welche vom schwarzen Strich der Pos-Nummer ausgehend berührt / erfasst werden, gehören zu dieser Pos-Nummer und somit zu diesem Artikel. Jede Pos-Nummer ist ein eigenständiger Artikel, welchen Sie in der Auflistung finden.

Sie erhalten stets die aktuellste, neueste Produktversion zu der gewählten Pos-Nummer seitens des Herstellers. Es kann daher je nach Gerätealter vorkommen, dass Sie ggf. weitere, zugehörige Elemente, welche an diese Pos-Nummer grenzen, ebenfalls mittauschen müssen.

Nähere Informationen finden Sie unter dem Link
Hinweise zu Ihrer BOSCH Ersatzteilsuche

Preisübersicht

Einzelpreis: 61,64 €* (Brutto: 73,35 €)
Gesamtpreis: 61,64 €* 
Position:

Lieferzeit: 5 Werktage


Beschreibung

  • Gleichstrommotor 18V
  • Original Bosch Zubehör / BOSCH Ersatzteil (2609199263)
  • im Gerät verbaut: 1
Dieses BOSCH Ersatzteil ist mit folgendem Gerät und Modell kompatibel:
  • BOSCH Gerätename: GDR 18 V-LI MF
  • BOSCH Explosionszeichnung: Position 802
  • BOSCH Typennummer: 3601JA10B0
  • BOSCH Typennummer alternative Schreibweisen: 3 601 JA1 0B0, 3601 JA1 0B0, 3.601.JA1.0B0, 3-601-JA1-0B0
    Bitte prüfen Sie diese Typennummer auf Ihrem Gerät um die Kompatibilität des BOSCH Ersatzteils zu gewährleisten.
Weitere BOSCH Ersatzteile des Gerätes GDR 18 V-LI MF (Schlagschrauber) mit der Typennummer 3601JA10B0 finden Sie in der nachfolgenden Darstellung und im Dropdown zu Ihrer Auswahl:

Pos.
1
BOSCH Gehäuse BLAU | Ersatzteile für GDR 18 V-LI MF | 2609100788
Hersteller: BOSCH
Artikelnummer: EB-3601JA10B0-2609100788
Netto: 32,16 € zzgl. MwSt.
zzgl. 6,90 € Versand (brutto)
einmalig pro Bestellung

Lieferzeit: 5 Werktage

Pos.
802/33
BOSCH O-Ring | Ersatzteile für GDR 18 V-LI MF | 2609170104
Hersteller: BOSCH
Artikelnummer: EB-3601JA10B0-2609170104
Netto: 3,60 € zzgl. MwSt.
zzgl. 6,90 € Versand (brutto)
einmalig pro Bestellung

Lieferzeit: 5 Werktage

Pos.
4
BOSCH EL-Baugruppe | Ersatzteile für GDR 18 V-LI MF | 1607233351
Hersteller: BOSCH
Artikelnummer: EB-3601JA10B0-1607233351
Netto: 82,83 € zzgl. MwSt.
zzgl. 6,90 € Versand (brutto)
einmalig pro Bestellung

Lieferzeit: 5 Werktage

Pos.
5
BOSCH Taste | Ersatzteile für GDR 18 V-LI MF | 2609100698
Hersteller: BOSCH
Artikelnummer: EB-3601JA10B0-2609100698
Netto: 4,80 € zzgl. MwSt.
zzgl. 6,90 € Versand (brutto)
einmalig pro Bestellung

Lieferzeit: 5 Werktage

Pos.
9
BOSCH Firmenschild GDR 18V-LI MF | Ersatzteile für GDR 18 V-LI MF | 2609132429
Hersteller: BOSCH
Artikelnummer: EB-3601JA10B0-2609132429
Netto: 4,80 € zzgl. MwSt.
zzgl. 6,90 € Versand (brutto)
einmalig pro Bestellung

Lieferzeit: 5 Werktage

Pos.
45
BOSCH Getriebekasten | Ersatzteile für GDR 18 V-LI MF | 2609199230
Hersteller: BOSCH
Artikelnummer: EB-3601JA10B0-2609199230
Netto: 91,88 € zzgl. MwSt.
zzgl. 6,90 € Versand (brutto)
einmalig pro Bestellung

Lieferzeit: 5 Werktage

Pos.
46
BOSCH Druckfeder | Ersatzteile für GDR 18 V-LI MF | 1609280477
Hersteller: BOSCH
Artikelnummer: EB-3601JA10B0-1609280477
Netto: 3,94 € zzgl. MwSt.
zzgl. 6,90 € Versand (brutto)
einmalig pro Bestellung

Lieferzeit: 5 Werktage

Pos.
91
BOSCH Einschub-Akkupaket BBS MR 18V, 4,0Ah, 47 S | Ersatzteile für GDR 18 V-LI MF | 1607A350M0
Hersteller: BOSCH
Artikelnummer: EB-3601JA10B0-1607A350M0
Netto: 82,83 € zzgl. MwSt.
zzgl. 6,90 € Versand (brutto)
einmalig pro Bestellung

Lieferzeit: 5 Werktage

Pos.
100
BOSCH Geräteclip | Ersatzteile für GDR 18 V-LI MF | 2609110833
Hersteller: BOSCH
Artikelnummer: EB-3601JA10B0-2609110833
Netto: 9,05 € zzgl. MwSt.
zzgl. 6,90 € Versand (brutto)
einmalig pro Bestellung

Lieferzeit: 5 Werktage

Pos.
101
BOSCH Torx-Senkschraube 3x16 | Ersatzteile für GDR 18 V-LI MF | 2609110201
Hersteller: BOSCH
Artikelnummer: EB-3601JA10B0-2609110201
Netto: 4,36 € zzgl. MwSt.
zzgl. 6,90 € Versand (brutto)
einmalig pro Bestellung

Lieferzeit: 5 Werktage

Pos.
103
BOSCH Mutter | Ersatzteile für GDR 18 V-LI MF | 2609110835
Hersteller: BOSCH
Artikelnummer: EB-3601JA10B0-2609110835
Netto: 3,94 € zzgl. MwSt.
zzgl. 6,90 € Versand (brutto)
einmalig pro Bestellung

Lieferzeit: 5 Werktage

Pos.
105
BOSCH Schraube | Ersatzteile für GDR 18 V-LI MF | 2609110834
Hersteller: BOSCH
Artikelnummer: EB-3601JA10B0-2609110834
Netto: 3,94 € zzgl. MwSt.
zzgl. 6,90 € Versand (brutto)
einmalig pro Bestellung

Lieferzeit: 5 Werktage

Pos.
109
BOSCH Schrauberklinge | Ersatzteile für GDR 18 V-LI MF | 2609110342
Hersteller: BOSCH
Artikelnummer: EB-3601JA10B0-2609110342
Netto: 4,56 € zzgl. MwSt.
zzgl. 6,90 € Versand (brutto)
einmalig pro Bestellung

Lieferzeit: 5 Werktage

Pos.
653
BOSCH Ladegerät EU 230/14,4-18V, 30 40 S | Ersatzteile für GDR 18 V-LI MF | 2607225321
Hersteller: BOSCH
Artikelnummer: EB-3601JA10B0-2607225321
Netto: 43,84 € zzgl. MwSt.
zzgl. 6,90 € Versand (brutto)
einmalig pro Bestellung

Lieferzeit: 5 Werktage

Pos.
653
BOSCH Ladegerät ROK GAL 1880 CV 220V/14,4-18V | Ersatzteile für GDR 18V-LI bare | 2607225933
Hersteller: BOSCH
Artikelnummer: EB-3601JA10B0-2607225933
Netto: 101,78 € zzgl. MwSt.
zzgl. 6,90 € Versand (brutto)
einmalig pro Bestellung

Lieferzeit: 5 Werktage

Pos.
653
BOSCH Schnell-Lader | Ersatzteile für GDR 18V-LI bare | 2607226281
Hersteller: BOSCH
Artikelnummer: EB-3601JA10B0-2607226281
Netto: 51,18 € zzgl. MwSt.
zzgl. 6,90 € Versand (brutto)
einmalig pro Bestellung

Lieferzeit: 5 Werktage

Pos.
653
BOSCH Schnell-Lader EU AL 1820 CV 220V | Ersatzteile für GDR 18 V-LI MF | 2607225423
Hersteller: BOSCH
Artikelnummer: EB-3601JA10B0-2607225423
nur Informationsartikel
Nie mehr lieferbar
keine Alternativen
Pos.
653
BOSCH Schnell-Lader GB 230/10,8-18V, 1h | Ersatzteile für GDR 18 V-LI MF | 2607225425
Hersteller: BOSCH
Artikelnummer: EB-3601JA10B0-2607225425
Netto: 46,22 € zzgl. MwSt.
zzgl. 6,90 € Versand (brutto)
einmalig pro Bestellung

Lieferzeit: 5 Werktage

Pos.
653
BOSCH Schnell-Lader RC 115/10,8-18V, 30 MIN | Ersatzteile für GDR 18 V-LI MF | 2607225329
Hersteller: BOSCH
Artikelnummer: EB-3601JA10B0-2607225329
Netto: 101,78 € zzgl. MwSt.
zzgl. 6,90 € Versand (brutto)
einmalig pro Bestellung

Lieferzeit: 5 Werktage

Pos.
653
BOSCH Schnell-Lader ROK 220/10,8-18V, 30 MIN | Ersatzteile für GDR 18 V-LI MF | 2607225333
Hersteller: BOSCH
Artikelnummer: EB-3601JA10B0-2607225333
Netto: 91,88 € zzgl. MwSt.
zzgl. 6,90 € Versand (brutto)
einmalig pro Bestellung

Lieferzeit: 5 Werktage

Pos.
802
BOSCH Gleichstrommotor 18V | Ersatzteile für GDR 18 V-LI MF | 2609199263
Hersteller: BOSCH
Artikelnummer: EB-3601JA10B0-2609199263
Netto: 61,64 € zzgl. MwSt.
zzgl. 6,90 € Versand (brutto)
einmalig pro Bestellung

Lieferzeit: 5 Werktage

Pos.
804
BOSCH Kontakthalter | Ersatzteile für GDR 18 V-LI MF | 1609280478
Hersteller: BOSCH
Artikelnummer: EB-3601JA10B0-1609280478
Netto: 10,62 € zzgl. MwSt.
zzgl. 6,90 € Versand (brutto)
einmalig pro Bestellung

Lieferzeit: 5 Werktage

Pos.
808
BOSCH Typschild | Ersatzteile für GDR 18 V-LI MF | 2609132423
Hersteller: BOSCH
Artikelnummer: EB-3601JA10B0-2609132423
Netto: 4,56 € zzgl. MwSt.
zzgl. 6,90 € Versand (brutto)
einmalig pro Bestellung

Lieferzeit: 5 Werktage

Pos.
816
BOSCH Kohlebürstensatz | Ersatzteile für GDR 18 V-LI MF | 2609199169
Hersteller: BOSCH
Artikelnummer: EB-3601JA10B0-2609199169
Netto: 9,05 € zzgl. MwSt.
zzgl. 6,90 € Versand (brutto)
einmalig pro Bestellung

Lieferzeit: 5 Werktage

Pos.
848
BOSCH Bürstendeckel | Ersatzteile für GDR 18 V-LI MF | 2609199190
Hersteller: BOSCH
Artikelnummer: EB-3601JA10B0-2609199190
Netto: 5,17 € zzgl. MwSt.
zzgl. 6,90 € Versand (brutto)
einmalig pro Bestellung

Lieferzeit: 5 Werktage

Pos.
849
BOSCH Bohrhalter | Ersatzteile für GDR 18 V-LI MF | 2609199223
Hersteller: BOSCH
Artikelnummer: EB-3601JA10B0-2609199223
Netto: 9,75 € zzgl. MwSt.
zzgl. 6,90 € Versand (brutto)
einmalig pro Bestellung

Lieferzeit: 5 Werktage

Angaben zur Produktsicherheit

Hersteller:
Robert Bosch Power Tools GmbH
Postfach 30 02 20
70442 Stuttgart

E-Mail:
kontakt@bosch.de