BOSCH Typschild | Ersatzteile für GDR18V-1860C | 160111A7ZW

Artikelnummer: EB-3601JJ0110-160111A7ZW

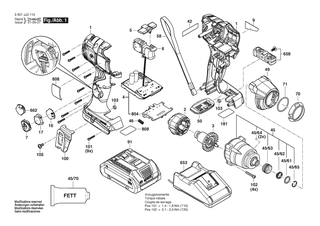
Position: 808

Marke: BOSCH


Bitte Kompatibilität prüfen!

Bitte prüfen Sie unbedingt die 10-stellige Typennummer Ihrer Maschine / Ihres Gerätes. Das Ersatzteil ist nur kompatibel, wenn Sie die Typennummer Ihrer Maschine in der unten stehenden Produktbeschreibung finden.

Bitte prüfen Sie ebenfalls detailliert die Explosionszeichnung mit Ihrem Artikelwunsch und der jeweiligen Pos-Nummer.

Alle Elemente, welche vom schwarzen Strich der Pos-Nummer ausgehend berührt / erfasst werden, gehören zu dieser Pos-Nummer und somit zu diesem Artikel. Jede Pos-Nummer ist ein eigenständiger Artikel, welchen Sie in der Auflistung finden.

Sie erhalten stets die aktuellste, neueste Produktversion zu der gewählten Pos-Nummer seitens des Herstellers. Es kann daher je nach Gerätealter vorkommen, dass Sie ggf. weitere, zugehörige Elemente, welche an diese Pos-Nummer grenzen, ebenfalls mittauschen müssen.

Nähere Informationen finden Sie unter dem Link
Hinweise zu Ihrer BOSCH Ersatzteilsuche

Preisübersicht

Einzelpreis: 5,67 €* (Brutto: 6,75 €)
Gesamtpreis: 5,67 €* 
Position:

Lieferzeit: 5 Werktage


Beschreibung

  • Typschild
  • Original Bosch Zubehör / BOSCH Ersatzteil (160111A7ZW)
  • im Gerät verbaut: 1
Dieses BOSCH Ersatzteil ist mit folgendem Gerät und Modell kompatibel:
  • BOSCH Gerätename: GDR18V-1860C
  • BOSCH Explosionszeichnung: Position 808
  • BOSCH Typennummer: 3601JJ0110
  • BOSCH Typennummer alternative Schreibweisen: 3 601 JJ0 110, 3601 JJ0 110, 3.601.JJ0.110, 3-601-JJ0-110
    Bitte prüfen Sie diese Typennummer auf Ihrem Gerät um die Kompatibilität des BOSCH Ersatzteils zu gewährleisten.
Weitere BOSCH Ersatzteile des Gerätes GDR18V-1860C (Schlagschrauber) mit der Typennummer 3601JJ0110 finden Sie in der nachfolgenden Darstellung und im Dropdown zu Ihrer Auswahl:

Pos.
1
BOSCH Gehäuse | Ersatzteile für GDR18V-1860C | 1600A0144C
Hersteller: BOSCH
Artikelnummer: EB-3601JJ0110-1600A0144C
Netto: 17,38 € zzgl. MwSt.
zzgl. 6,90 € Versand (brutto)
einmalig pro Bestellung

Lieferzeit: 5 Werktage

Pos.
45/61
BOSCH Scheibe | Ersatzteile für GDR18V-1860C | 1600A00ZP4
Hersteller: BOSCH
Artikelnummer: EB-3601JJ0110-1600A00ZP4
Netto: 3,63 € zzgl. MwSt.
zzgl. 6,90 € Versand (brutto)
einmalig pro Bestellung

Lieferzeit: 5 Werktage

Pos.
45/62
BOSCH Druckfeder | Ersatzteile für GDR18V-1860C | 061880004V
Hersteller: BOSCH
Artikelnummer: EB-3601JJ0110-061880004V
Netto: 3,63 € zzgl. MwSt.
zzgl. 6,90 € Versand (brutto)
einmalig pro Bestellung

Lieferzeit: 5 Werktage

Pos.
45/63
BOSCH Hülse | Ersatzteile für GDR18V-1860C | 061880004S
Hersteller: BOSCH
Artikelnummer: EB-3601JJ0110-061880004S
Netto: 3,63 € zzgl. MwSt.
zzgl. 6,90 € Versand (brutto)
einmalig pro Bestellung

Lieferzeit: 5 Werktage

Pos.
45/64
BOSCH Stahlkugel | Ersatzteile für GDR18V-1860C | 1600A00F4A
Hersteller: BOSCH
Artikelnummer: EB-3601JJ0110-1600A00F4A
Netto: 3,63 € zzgl. MwSt.
zzgl. 6,90 € Versand (brutto)
einmalig pro Bestellung

Lieferzeit: 5 Werktage

Pos.
45/65
BOSCH Sprengring | Ersatzteile für GDR18V-1860C | 061880004U
Hersteller: BOSCH
Artikelnummer: EB-3601JJ0110-061880004U
Netto: 3,63 € zzgl. MwSt.
zzgl. 6,90 € Versand (brutto)
einmalig pro Bestellung

Lieferzeit: 5 Werktage

Pos.
45/70
BOSCH Fetttube 45 ML | Ersatzteile für GDR18V-1860C | 1600A002NE
Hersteller: BOSCH
Artikelnummer: EB-3601JJ0110-1600A002NE
Netto: 24,13 € zzgl. MwSt.
zzgl. 6,90 € Versand (brutto)
einmalig pro Bestellung

Lieferzeit: 5 Werktage

Pos.
2
BOSCH Ständer | Ersatzteile für GDR18V-1860C | 1619P15347
Hersteller: BOSCH
Artikelnummer: EB-3601JJ0110-1619P15347
Netto: 29,45 € zzgl. MwSt.
zzgl. 6,90 € Versand (brutto)
einmalig pro Bestellung

Lieferzeit: 5 Werktage

Pos.
3
BOSCH Rotor | Ersatzteile für GDR18V-1860C | 1619P14405
Hersteller: BOSCH
Artikelnummer: EB-3601JJ0110-1619P14405
Netto: 26,88 € zzgl. MwSt.
zzgl. 6,90 € Versand (brutto)
einmalig pro Bestellung

Lieferzeit: 5 Werktage

Pos.
4
BOSCH Elektronikmodul | Ersatzteile für GDR18V-1860C | 16072335MK
Hersteller: BOSCH
Artikelnummer: EB-3601JJ0110-16072335MK
Netto: 86,83 € zzgl. MwSt.
zzgl. 6,90 € Versand (brutto)
einmalig pro Bestellung

Lieferzeit: 5 Werktage

Pos.
5
BOSCH Umschalthebel | Ersatzteile für GDR18V-1860C | 1600A01YF1
Hersteller: BOSCH
Artikelnummer: EB-3601JJ0110-1600A01YF1
Netto: 7,76 € zzgl. MwSt.
zzgl. 6,90 € Versand (brutto)
einmalig pro Bestellung

Lieferzeit: 5 Werktage

Pos.
6
BOSCH Schalter | Ersatzteile für GDR18V-1860C | 2607202501
Hersteller: BOSCH
Artikelnummer: EB-3601JJ0110-2607202501
Netto: 14,36 € zzgl. MwSt.
zzgl. 6,90 € Versand (brutto)
einmalig pro Bestellung

Lieferzeit: 5 Werktage

Pos.
7
BOSCH Deckeleinheit | Ersatzteile für GDR18V-1860C | 1600A020BX
Hersteller: BOSCH
Artikelnummer: EB-3601JJ0110-1600A0385P
nur Informationsartikel
Nie mehr lieferbar
keine Alternativen
Pos.
9
BOSCH Firmenschild | Ersatzteile für GDR18V-1860C | 160111C3VT
Hersteller: BOSCH
Artikelnummer: EB-3601JJ0110-160111C3VT
Netto: 5,67 € zzgl. MwSt.
zzgl. 6,90 € Versand (brutto)
einmalig pro Bestellung

Lieferzeit: 5 Werktage

Pos.
16
BOSCH Elektronikmodul | Ersatzteile für GDR18V-1860C | 1600A016CY
Hersteller: BOSCH
Artikelnummer: EB-3601JJ0110-1600A016CY
Netto: 9,18 € zzgl. MwSt.
zzgl. 6,90 € Versand (brutto)
einmalig pro Bestellung

Lieferzeit: 5 Werktage

Pos.
17
BOSCH Abdeckblende | Ersatzteile für GDR18V-1860C | 1600A02KY7
Hersteller: BOSCH
Artikelnummer: EB-3601JJ0110-1600A02KY7
Netto: 4,32 € zzgl. MwSt.
zzgl. 6,90 € Versand (brutto)
einmalig pro Bestellung

Lieferzeit: 5 Werktage

Pos.
42
BOSCH Klebeschild | Ersatzteile für GDR18V-1860C | 160111C441
Hersteller: BOSCH
Artikelnummer: EB-3601JJ0110-160111C441
Netto: 5,67 € zzgl. MwSt.
zzgl. 6,90 € Versand (brutto)
einmalig pro Bestellung

Lieferzeit: 5 Werktage

Pos.
45
BOSCH Getriebekasten | Ersatzteile für GDR18V-1860C | 1600A011PP
Hersteller: BOSCH
Artikelnummer: EB-3601JJ0110-1600A011PP
Netto: 63,99 € zzgl. MwSt.
zzgl. 6,90 € Versand (brutto)
einmalig pro Bestellung

Lieferzeit: 5 Werktage

Pos.
46
BOSCH Druckfeder | Ersatzteile für GDR18V-1860C | 1609280477
Hersteller: BOSCH
Artikelnummer: EB-3601JJ0110-1609280477
Netto: 3,94 € zzgl. MwSt.
zzgl. 6,90 € Versand (brutto)
einmalig pro Bestellung

Lieferzeit: 5 Werktage

Pos.
49
BOSCH Abdeckung | Ersatzteile für GDR18V-1860C | 1600A01YF5
Hersteller: BOSCH
Artikelnummer: EB-3601JJ0110-1600A01YF5
Netto: 7,30 € zzgl. MwSt.
zzgl. 6,90 € Versand (brutto)
einmalig pro Bestellung

Lieferzeit: 5 Werktage

Pos.
50
BOSCH Separator | Ersatzteile für GDR18V-1860C | 1600A01Z0M
Hersteller: BOSCH
Artikelnummer: EB-3601JJ0110-1600A01Z0M
Netto: 9,18 € zzgl. MwSt.
zzgl. 6,90 € Versand (brutto)
einmalig pro Bestellung

Lieferzeit: 5 Werktage

Pos.
58
BOSCH Pedalriemen | Ersatzteile für GDR18V-1860C | 2609100301
Hersteller: BOSCH
Artikelnummer: EB-3601JJ0110-2609100301
Netto: 4,53 € zzgl. MwSt.
zzgl. 6,90 € Versand (brutto)
einmalig pro Bestellung

Lieferzeit: 5 Werktage

Pos.
70
BOSCH Schutzkappe | Ersatzteile für GDR18V-1860C | 1600A01YZ3
Hersteller: BOSCH
Artikelnummer: EB-3601JJ0110-1600A01YZ3
Netto: 7,30 € zzgl. MwSt.
zzgl. 6,90 € Versand (brutto)
einmalig pro Bestellung

Lieferzeit: 5 Werktage

Pos.
71
BOSCH Sprengring | Ersatzteile für GDR18V-1860C | 1604601037
Hersteller: BOSCH
Artikelnummer: EB-3601JJ0110-1604601037
Netto: 3,63 € zzgl. MwSt.
zzgl. 6,90 € Versand (brutto)
einmalig pro Bestellung

Lieferzeit: 5 Werktage

Pos.
91
BOSCH Akku-Paket | Ersatzteile für GDR18V-1860C | 1607A350AP
Hersteller: BOSCH
Artikelnummer: EB-3601JJ0110-1607A350AP
Netto: 114,51 € zzgl. MwSt.
zzgl. 6,90 € Versand (brutto)
einmalig pro Bestellung

Lieferzeit: 5 Werktage

Pos.
100
BOSCH Geräteclip | Ersatzteile für GDR18V-1860C | 2609111584
Hersteller: BOSCH
Artikelnummer: EB-3601JJ0110-2609111584
Netto: 5,19 € zzgl. MwSt.
zzgl. 6,90 € Versand (brutto)
einmalig pro Bestellung

Lieferzeit: 5 Werktage

Pos.
101
BOSCH Torx-Senkschraube 3X16 | Ersatzteile für GDR18V-1860C | 2609110201
Hersteller: BOSCH
Artikelnummer: EB-3601JJ0110-2609110201
Netto: 4,32 € zzgl. MwSt.
zzgl. 6,90 € Versand (brutto)
einmalig pro Bestellung

Lieferzeit: 5 Werktage

Pos.
102
BOSCH Torx-Senkschraube | Ersatzteile für GDR18V-1860C | 061880004W
Hersteller: BOSCH
Artikelnummer: EB-3601JJ0110-061880004W
Netto: 3,63 € zzgl. MwSt.
zzgl. 6,90 € Versand (brutto)
einmalig pro Bestellung

Lieferzeit: 5 Werktage

Pos.
103
BOSCH Mutter | Ersatzteile für GDR18V-1860C | 2609110835
Hersteller: BOSCH
Artikelnummer: EB-3601JJ0110-2609110835
Netto: 3,94 € zzgl. MwSt.
zzgl. 6,90 € Versand (brutto)
einmalig pro Bestellung

Lieferzeit: 5 Werktage

Pos.
105
BOSCH Schraube | Ersatzteile für GDR18V-1860C | 2609110834
Hersteller: BOSCH
Artikelnummer: EB-3601JJ0110-2609110834
Netto: 3,94 € zzgl. MwSt.
zzgl. 6,90 € Versand (brutto)
einmalig pro Bestellung

Lieferzeit: 5 Werktage

Pos.
181
BOSCH Warnzettel | Ersatzteile für GDR18V-1860C | 1600A014J4
Hersteller: BOSCH
Artikelnummer: EB-3601JJ0110-1600A014J4
Netto: 4,53 € zzgl. MwSt.
zzgl. 6,90 € Versand (brutto)
einmalig pro Bestellung

Lieferzeit: 5 Werktage

Pos.
653
BOSCH Schnell-Lader | Ersatzteile für GDR18V-1860C | 2607226257
Hersteller: BOSCH
Artikelnummer: EB-3601JJ0110-2607226257
Netto: 63,99 € zzgl. MwSt.
zzgl. 6,90 € Versand (brutto)
einmalig pro Bestellung

Lieferzeit: 5 Werktage

Pos.
658
BOSCH Bohrhalter | Ersatzteile für GDR18V-1860C | 2609199748
Hersteller: BOSCH
Artikelnummer: EB-3601JJ0110-2609199748
Netto: 4,32 € zzgl. MwSt.
zzgl. 6,90 € Versand (brutto)
einmalig pro Bestellung

Lieferzeit: 5 Werktage

Pos.
662
BOSCH Elektronikmodul | Ersatzteile für GDR18V-1860C | 1600A013WF
Hersteller: BOSCH
Artikelnummer: EB-3601JJ0110-1600A013WF
Netto: 29,45 € zzgl. MwSt.
zzgl. 6,90 € Versand (brutto)
einmalig pro Bestellung

Lieferzeit: 5 Werktage

Pos.
804
BOSCH Kontakthalter 18V | Ersatzteile für GDR18V-1860C | 1609280820
Hersteller: BOSCH
Artikelnummer: EB-3601JJ0110-1609280820
Netto: 6,70 € zzgl. MwSt.
zzgl. 6,90 € Versand (brutto)
einmalig pro Bestellung

Lieferzeit: 5 Werktage

Pos.
808
BOSCH Typschild | Ersatzteile für GDR18V-1860C | 160111A7ZW
Hersteller: BOSCH
Artikelnummer: EB-3601JJ0110-160111A7ZW
Netto: 5,67 € zzgl. MwSt.
zzgl. 6,90 € Versand (brutto)
einmalig pro Bestellung

Lieferzeit: 5 Werktage

Angaben zur Produktsicherheit

Hersteller:
Robert Bosch Power Tools GmbH
Postfach 30 02 20
70442 Stuttgart

E-Mail:
kontakt@bosch.de