BOSCH Modulplatte | Ersatzteile für GDS 10,8 V-EV | 2609125143

Artikelnummer: EB-3601JE01F0-2609125143

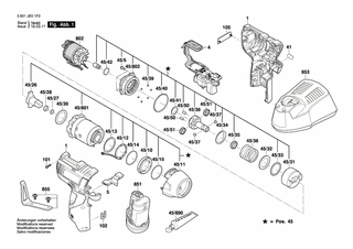
Position: 45/12

Marke: BOSCH


Bitte Kompatibilität prüfen!

Bitte prüfen Sie unbedingt die 10-stellige Typennummer Ihrer Maschine / Ihres Gerätes. Das Ersatzteil ist nur kompatibel, wenn Sie die Typennummer Ihrer Maschine in der unten stehenden Produktbeschreibung finden.

Bitte prüfen Sie ebenfalls detailliert die Explosionszeichnung mit Ihrem Artikelwunsch und der jeweiligen Pos-Nummer.

Alle Elemente, welche vom schwarzen Strich der Pos-Nummer ausgehend berührt / erfasst werden, gehören zu dieser Pos-Nummer und somit zu diesem Artikel. Jede Pos-Nummer ist ein eigenständiger Artikel, welchen Sie in der Auflistung finden.

Sie erhalten stets die aktuellste, neueste Produktversion zu der gewählten Pos-Nummer seitens des Herstellers. Es kann daher je nach Gerätealter vorkommen, dass Sie ggf. weitere, zugehörige Elemente, welche an diese Pos-Nummer grenzen, ebenfalls mittauschen müssen.

Nähere Informationen finden Sie unter dem Link
Hinweise zu Ihrer BOSCH Ersatzteilsuche

Preisübersicht

Einzelpreis: 9,18 €* (Brutto: 10,92 €)
Gesamtpreis: 9,18 €* 
Position:

Lieferzeit: 5 Werktage


Beschreibung

  • Modulplatte
  • Original Bosch Zubehör / BOSCH Ersatzteil (2609125143)
  • im Gerät verbaut: 1
Dieses BOSCH Ersatzteil ist mit folgendem Gerät und Modell kompatibel:
  • BOSCH Gerätename: GDS 10,8 V-EV
  • BOSCH Explosionszeichnung: Position 45/12
  • BOSCH Typennummer: 3601JE01F0
  • BOSCH Typennummer alternative Schreibweisen: 3 601 JE0 1F0, 3601 JE0 1F0, 3.601.JE0.1F0, 3-601-JE0-1F0
    Bitte prüfen Sie diese Typennummer auf Ihrem Gerät um die Kompatibilität des BOSCH Ersatzteils zu gewährleisten.
Weitere BOSCH Ersatzteile des Gerätes GDS 10,8 V-EV (Schlagschrauber) mit der Typennummer 3601JE01F0 finden Sie in der nachfolgenden Darstellung und im Dropdown zu Ihrer Auswahl:

Pos.
1
BOSCH Gehäuse | Ersatzteile für GDS 10,8 V-EV | 2609101420
Hersteller: BOSCH
Artikelnummer: EB-3601JE01F0-2609101420
Netto: 12,98 € zzgl. MwSt.
zzgl. 6,90 € Versand (brutto)
einmalig pro Bestellung

Lieferzeit: 5 Werktage

Pos.
45/10
BOSCH Objektiv | Ersatzteile für GDS 10,8 V-EV | 2609101305
Hersteller: BOSCH
Artikelnummer: EB-3601JE01F0-2609101305
Netto: 3,63 € zzgl. MwSt.
zzgl. 6,90 € Versand (brutto)
einmalig pro Bestellung

Lieferzeit: 5 Werktage

Pos.
45/11
BOSCH Abdeckung | Ersatzteile für GDS 10,8 V-EV | 2609101306
Hersteller: BOSCH
Artikelnummer: EB-3601JE01F0-2609101306
Netto: 3,94 € zzgl. MwSt.
zzgl. 6,90 € Versand (brutto)
einmalig pro Bestellung

Lieferzeit: 5 Werktage

Pos.
45/12
BOSCH Modulplatte | Ersatzteile für GDS 10,8 V-EV | 2609125143
Hersteller: BOSCH
Artikelnummer: EB-3601JE01F0-2609125143
Netto: 9,18 € zzgl. MwSt.
zzgl. 6,90 € Versand (brutto)
einmalig pro Bestellung

Lieferzeit: 5 Werktage

Pos.
45/13
BOSCH Gummi-Ohrkissen | Ersatzteile für GDS 10,8 V-EV | 2609170218
Hersteller: BOSCH
Artikelnummer: EB-3601JE01F0-2609170218
Netto: 3,63 € zzgl. MwSt.
zzgl. 6,90 € Versand (brutto)
einmalig pro Bestellung

Lieferzeit: 5 Werktage

Pos.
45/14
BOSCH O-Ring | Ersatzteile für GDS 10,8 V-EV | 2609170259
Hersteller: BOSCH
Artikelnummer: EB-3601JE01F0-2609170259
Netto: 3,63 € zzgl. MwSt.
zzgl. 6,90 € Versand (brutto)
einmalig pro Bestellung

Lieferzeit: 5 Werktage

Pos.
45/15
BOSCH Dämpfungsgummi | Ersatzteile für GDS 10,8 V-EV | 2609170260
Hersteller: BOSCH
Artikelnummer: EB-3601JE01F0-2609170260
Netto: 3,63 € zzgl. MwSt.
zzgl. 6,90 € Versand (brutto)
einmalig pro Bestellung

Lieferzeit: 5 Werktage

Pos.
45/26
BOSCH Kupplungshälfte | Ersatzteile für GDS 10,8 V-EV | 2609111677
Hersteller: BOSCH
Artikelnummer: EB-3601JE01F0-2609111677
nur Informationsartikel
Nie mehr lieferbar
keine Alternativen
Pos.
45/27
BOSCH Blechring | Ersatzteile für GDS 10,8 V-EV | 2609111678
Hersteller: BOSCH
Artikelnummer: EB-3601JE01F0-2609111678
Netto: 3,63 € zzgl. MwSt.
zzgl. 6,90 € Versand (brutto)
einmalig pro Bestellung

Lieferzeit: 5 Werktage

Pos.
45/28
BOSCH O-Ring | Ersatzteile für GDS 10,8 V-EV | 2609170227
Hersteller: BOSCH
Artikelnummer: EB-3601JE01F0-2609170227
Netto: 3,63 € zzgl. MwSt.
zzgl. 6,90 € Versand (brutto)
einmalig pro Bestellung

Lieferzeit: 5 Werktage

Pos.
45/30
BOSCH Scheibe | Ersatzteile für GDS 10,8 V-EV | 2609111788
Hersteller: BOSCH
Artikelnummer: EB-3601JE01F0-2609111788
Netto: 3,94 € zzgl. MwSt.
zzgl. 6,90 € Versand (brutto)
einmalig pro Bestellung

Lieferzeit: 5 Werktage

Pos.
45/31
BOSCH Schläger | Ersatzteile für GDS 10,8 V-EV | 2609111531
Hersteller: BOSCH
Artikelnummer: EB-3601JE01F0-2609111531
Netto: 14,36 € zzgl. MwSt.
zzgl. 6,90 € Versand (brutto)
einmalig pro Bestellung

Lieferzeit: 5 Werktage

Pos.
45/32
BOSCH Scheibe | Ersatzteile für GDS 10,8 V-EV | 2609111666
Hersteller: BOSCH
Artikelnummer: EB-3601JE01F0-2609111666
Netto: 3,63 € zzgl. MwSt.
zzgl. 6,90 € Versand (brutto)
einmalig pro Bestellung

Lieferzeit: 5 Werktage

Pos.
45/33
BOSCH Stahlkugel | Ersatzteile für GDS 10,8 V-EV | 2609110513
Hersteller: BOSCH
Artikelnummer: EB-3601JE01F0-2609110513
Netto: 3,63 € zzgl. MwSt.
zzgl. 6,90 € Versand (brutto)
einmalig pro Bestellung

Lieferzeit: 5 Werktage

Pos.
45/34
BOSCH Axialscheibe | Ersatzteile für GDS 10,8 V-EV | 2609111667
Hersteller: BOSCH
Artikelnummer: EB-3601JE01F0-2609111667
Netto: 3,63 € zzgl. MwSt.
zzgl. 6,90 € Versand (brutto)
einmalig pro Bestellung

Lieferzeit: 5 Werktage

Pos.
45/35
BOSCH Schaumstoff-Zuschnitt | Ersatzteile für GDS 10,8 V-EV | 2609170220
Hersteller: BOSCH
Artikelnummer: EB-3601JE01F0-2609170220
Netto: 3,63 € zzgl. MwSt.
zzgl. 6,90 € Versand (brutto)
einmalig pro Bestellung

Lieferzeit: 5 Werktage

Pos.
45/36
BOSCH Kontaktlasche | Ersatzteile für GDS 10,8 V-EV | 2609111668
Hersteller: BOSCH
Artikelnummer: EB-3601JE01F0-2609111668
Netto: 4,82 € zzgl. MwSt.
zzgl. 6,90 € Versand (brutto)
einmalig pro Bestellung

Lieferzeit: 5 Werktage

Pos.
45/37
BOSCH Stahlkugel | Ersatzteile für GDS 10,8 V-EV | 2609111906
Hersteller: BOSCH
Artikelnummer: EB-3601JE01F0-2609111906
Netto: 3,63 € zzgl. MwSt.
zzgl. 6,90 € Versand (brutto)
einmalig pro Bestellung

Lieferzeit: 5 Werktage

Pos.
45/38
BOSCH Zwischenwelle | Ersatzteile für GDS 10,8 V-EV | 2609111530
Hersteller: BOSCH
Artikelnummer: EB-3601JE01F0-2609111530
Netto: 15,75 € zzgl. MwSt.
zzgl. 6,90 € Versand (brutto)
einmalig pro Bestellung

Lieferzeit: 5 Werktage

Pos.
45/39
BOSCH Steckerstift | Ersatzteile für GDS 10,8 V-EV | 2609111738
Hersteller: BOSCH
Artikelnummer: EB-3601JE01F0-2609111738
Netto: 3,63 € zzgl. MwSt.
zzgl. 6,90 € Versand (brutto)
einmalig pro Bestellung

Lieferzeit: 5 Werktage

Pos.
45/40
BOSCH Dichtung | Ersatzteile für GDS 10,8 V-EV | 2609170221
Hersteller: BOSCH
Artikelnummer: EB-3601JE01F0-2609170221
Netto: 3,63 € zzgl. MwSt.
zzgl. 6,90 € Versand (brutto)
einmalig pro Bestellung

Lieferzeit: 5 Werktage

Pos.
45/41
BOSCH Scheibe | Ersatzteile für GDS 10,8 V-EV | 2609111673
Hersteller: BOSCH
Artikelnummer: EB-3601JE01F0-2609111673
Netto: 3,63 € zzgl. MwSt.
zzgl. 6,90 € Versand (brutto)
einmalig pro Bestellung

Lieferzeit: 5 Werktage

Pos.
45/42
BOSCH O-Ring | Ersatzteile für GDS 10,8 V-EV | 2609170243
Hersteller: BOSCH
Artikelnummer: EB-3601JE01F0-2609170243
Netto: 3,63 € zzgl. MwSt.
zzgl. 6,90 € Versand (brutto)
einmalig pro Bestellung

Lieferzeit: 5 Werktage

Pos.
45/5
BOSCH Schraube | Ersatzteile für GDS 10,8 V-EV | 2609111708
Hersteller: BOSCH
Artikelnummer: EB-3601JE01F0-2609111708
nur Informationsartikel
Nie mehr lieferbar
keine Alternativen
Pos.
45/50
BOSCH Steckerstift | Ersatzteile für GDS 10,8 V-EV | 2609111669
Hersteller: BOSCH
Artikelnummer: EB-3601JE01F0-2609111669
Netto: 3,63 € zzgl. MwSt.
zzgl. 6,90 € Versand (brutto)
einmalig pro Bestellung

Lieferzeit: 5 Werktage

Pos.
45/51
BOSCH Planetenrad | Ersatzteile für GDS 10,8 V-EV | 2609111670
Hersteller: BOSCH
Artikelnummer: EB-3601JE01F0-2609111670
Netto: 14,36 € zzgl. MwSt.
zzgl. 6,90 € Versand (brutto)
einmalig pro Bestellung

Lieferzeit: 5 Werktage

Pos.
45/801
BOSCH Getriebegehäuse | Ersatzteile für GDS 10,8 V-EV | 2609199784
Hersteller: BOSCH
Artikelnummer: EB-3601JE01F0-2609199784
Netto: 11,92 € zzgl. MwSt.
zzgl. 6,90 € Versand (brutto)
einmalig pro Bestellung

Lieferzeit: 5 Werktage

Pos.
45/802
BOSCH Flanschgehäuse | Ersatzteile für GDS 10,8 V-EV | 2609199785
Hersteller: BOSCH
Artikelnummer: EB-3601JE01F0-2609199785
Netto: 12,98 € zzgl. MwSt.
zzgl. 6,90 € Versand (brutto)
einmalig pro Bestellung

Lieferzeit: 5 Werktage

Pos.
45/890
BOSCH Fetttube 45 ml | Ersatzteile für GDS 10,8 V-EV | 1600A002NE
Hersteller: BOSCH
Artikelnummer: EB-3601JE01F0-1600A002NE
Netto: 24,13 € zzgl. MwSt.
zzgl. 6,90 € Versand (brutto)
einmalig pro Bestellung

Lieferzeit: 5 Werktage

Pos.
4
BOSCH Elektronik-Modul | Ersatzteile für GDS 10,8 V-EV | 160723359U
Hersteller: BOSCH
Artikelnummer: EB-3601JE01F0-160723359U
Netto: 86,83 € zzgl. MwSt.
zzgl. 6,90 € Versand (brutto)
einmalig pro Bestellung

Lieferzeit: 5 Werktage

Pos.
5
BOSCH Verstellhebel | Ersatzteile für GDS 10,8 V-EV | 2609101236
Hersteller: BOSCH
Artikelnummer: EB-3601JE01F0-2609101236
Netto: 3,94 € zzgl. MwSt.
zzgl. 6,90 € Versand (brutto)
einmalig pro Bestellung

Lieferzeit: 5 Werktage

Pos.
41
BOSCH Aufkleber | Ersatzteile für GDS 10,8 V-EV | 2609134168
Hersteller: BOSCH
Artikelnummer: EB-3601JE01F0-2609134168
Netto: 4,53 € zzgl. MwSt.
zzgl. 6,90 € Versand (brutto)
einmalig pro Bestellung

Lieferzeit: 5 Werktage

Pos.
45
BOSCH Getriebekasten | Ersatzteile für GDS 10,8 V-EV | 2609199731
Hersteller: BOSCH
Artikelnummer: EB-3601JE01F0-2609199731
Netto: 57,47 € zzgl. MwSt.
zzgl. 6,90 € Versand (brutto)
einmalig pro Bestellung

Lieferzeit: 5 Werktage

Pos.
101
BOSCH Schraube | Ersatzteile für GDS 10,8 V-EV | 2609110883
Hersteller: BOSCH
Artikelnummer: EB-3601JE01F0-2609110883
Netto: 4,32 € zzgl. MwSt.
zzgl. 6,90 € Versand (brutto)
einmalig pro Bestellung

Lieferzeit: 5 Werktage

Pos.
102
BOSCH Clip | Ersatzteile für GDS 10,8 V-EV | 2609110537
Hersteller: BOSCH
Artikelnummer: EB-3601JE01F0-2609110537
Netto: 3,94 € zzgl. MwSt.
zzgl. 6,90 € Versand (brutto)
einmalig pro Bestellung

Lieferzeit: 5 Werktage

Pos.
105
BOSCH Farbclip | Ersatzteile für GDS 10,8 V-EV | 2609101394
Hersteller: BOSCH
Artikelnummer: EB-3601JE01F0-2609101394
Netto: 3,94 € zzgl. MwSt.
zzgl. 6,90 € Versand (brutto)
einmalig pro Bestellung

Lieferzeit: 5 Werktage

Pos.
802
BOSCH Bürstenloser DC-Motor | Ersatzteile für GDS 10,8 V-EV | 2609199661
Hersteller: BOSCH
Artikelnummer: EB-3601JE01F0-2609199661
Netto: 35,77 € zzgl. MwSt.
zzgl. 6,90 € Versand (brutto)
einmalig pro Bestellung

Lieferzeit: 5 Werktage

Pos.
851
BOSCH Akku-Paket 10,8V, 2,0Ah, LI | Ersatzteile für GDS 10,8 V-EV | 2607336879
Hersteller: BOSCH
Artikelnummer: EB-3601JE01F0-2607336879
nur Informationsartikel
Nie mehr lieferbar
keine Alternativen
Pos.
851
BOSCH Akku-Paket GBA 12V 2.0AH LI SCM | Ersatzteile für GDS 10.8V-EC | 1607A350C5
Hersteller: BOSCH
Artikelnummer: EB-3601JE01F0-1607A350C5
Netto: 52,14 € zzgl. MwSt.
zzgl. 6,90 € Versand (brutto)
einmalig pro Bestellung

Lieferzeit: 5 Werktage

Pos.
853
BOSCH Schnell-Lader EU GAL 1230 CV 230/12V | Ersatzteile für GDS 10,8 V-EV | 2607226101
Hersteller: BOSCH
Artikelnummer: EB-3601JE01F0-2607226101
Netto: 60,55 € zzgl. MwSt.
zzgl. 6,90 € Versand (brutto)
einmalig pro Bestellung

Lieferzeit: 5 Werktage

Pos.
853
BOSCH Schnell-Lader EU GAL 12V-40 | Ersatzteile für GDS 10.8V-EC | 2607226219
Hersteller: BOSCH
Artikelnummer: EB-3601JE01F0-2607226219
nur Informationsartikel
Nie mehr lieferbar
keine Alternativen
Pos.
855
BOSCH Geräteclip | Ersatzteile für GDS 10,8 V-EV | 2609199986
Hersteller: BOSCH
Artikelnummer: EB-3601JE01F0-2609199986
Netto: 5,67 € zzgl. MwSt.
zzgl. 6,90 € Versand (brutto)
einmalig pro Bestellung

Lieferzeit: 5 Werktage

Angaben zur Produktsicherheit

Hersteller:
Robert Bosch Power Tools GmbH
Postfach 30 02 20
70442 Stuttgart

E-Mail:
kontakt@bosch.de