BOSCH Rillenkugellager 9x24x7 | Ersatzteile für GDS 18-E | 2600905021

Artikelnummer: EB-0601436832-2600905021

Position: 14

Marke: BOSCH


Bitte Kompatibilität prüfen!

Bitte prüfen Sie unbedingt die 10-stellige Typennummer Ihrer Maschine / Ihres Gerätes. Das Ersatzteil ist nur kompatibel, wenn Sie die Typennummer Ihrer Maschine in der unten stehenden Produktbeschreibung finden.

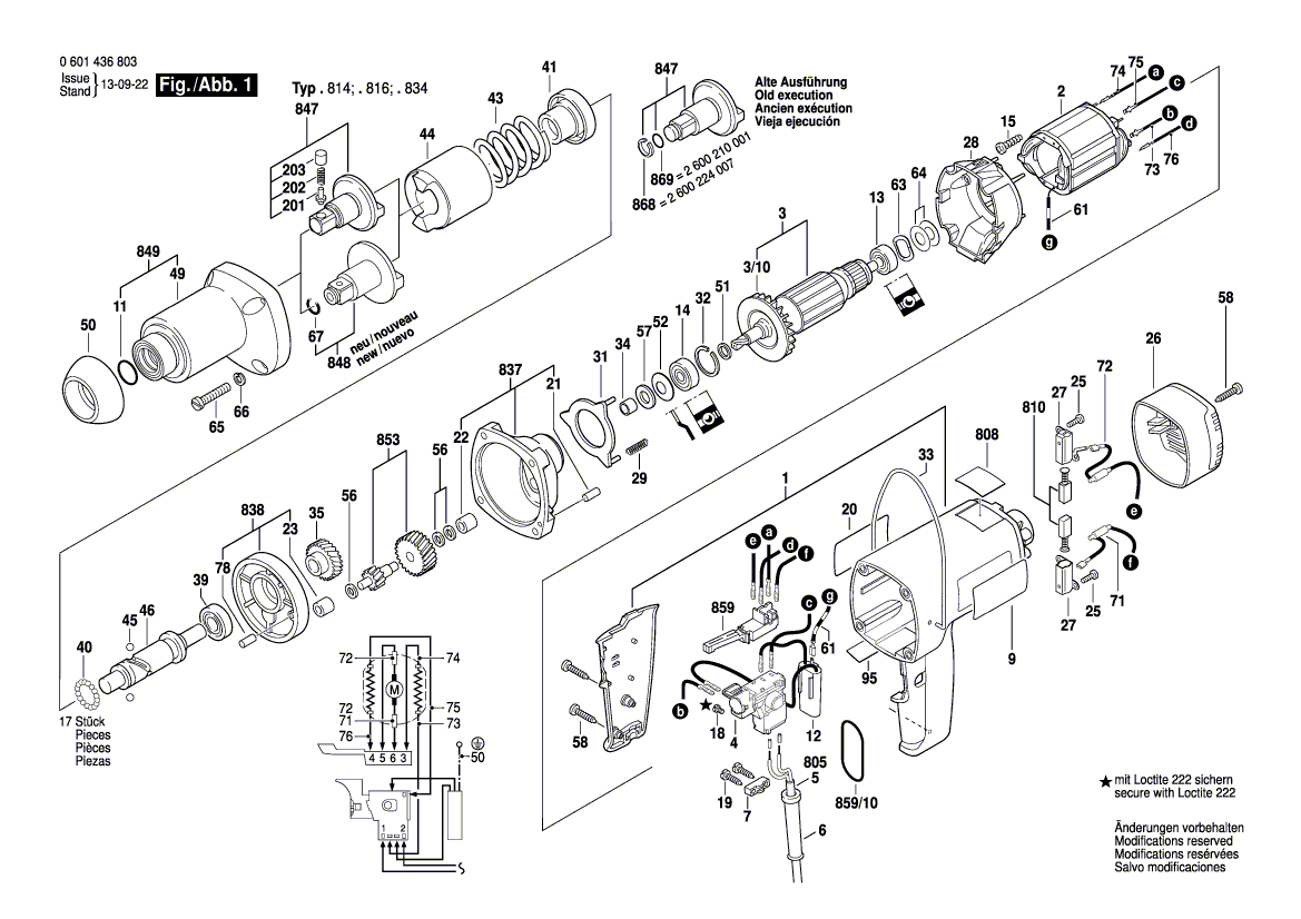
Bitte prüfen Sie ebenfalls detailliert die Explosionszeichnung mit Ihrem Artikelwunsch und der jeweiligen Pos-Nummer.

Alle Elemente, welche vom schwarzen Strich der Pos-Nummer ausgehend berührt / erfasst werden, gehören zu dieser Pos-Nummer und somit zu diesem Artikel. Jede Pos-Nummer ist ein eigenständiger Artikel, welchen Sie in der Auflistung finden.

Sie erhalten stets die aktuellste, neueste Produktversion zu der gewählten Pos-Nummer seitens des Herstellers. Es kann daher je nach Gerätealter vorkommen, dass Sie ggf. weitere, zugehörige Elemente, welche an diese Pos-Nummer grenzen, ebenfalls mittauschen müssen.

Nähere Informationen finden Sie unter dem Link
Hinweise zu Ihrer BOSCH Ersatzteilsuche

Preisübersicht

Einzelpreis: 8,23 €* (Brutto: 9,79 €)
Gesamtpreis: 8,23 €* 
Position:

Lieferzeit: 5 Werktage


Beschreibung

  • Rillenkugellager 9x24x7
  • Original Bosch Zubehör / BOSCH Ersatzteil (2600905021)
  • im Gerät verbaut: 1
Dieses BOSCH Ersatzteil ist mit folgendem Gerät und Modell kompatibel:
  • BOSCH Gerätename: GDS 18-E
  • BOSCH Explosionszeichnung: Position 14
  • BOSCH Typennummer: 0601436832
  • BOSCH Typennummer alternative Schreibweisen: 0 601 436 832, 0601 436 832, 0.601.436.832, 0-601-436-832
    Bitte prüfen Sie diese Typennummer auf Ihrem Gerät um die Kompatibilität des BOSCH Ersatzteils zu gewährleisten.
Weitere BOSCH Ersatzteile des Gerätes GDS 18-E (Schlagschrauber) mit der Typennummer 0601436832 finden Sie in der nachfolgenden Darstellung und im Dropdown zu Ihrer Auswahl:

Pos.
1
BOSCH Motorgehäuse BLAU | Ersatzteile für GDS 18-E | 3605108109
Hersteller: BOSCH
Artikelnummer: EB-0601436832-3605108109
Netto: 46,22 € zzgl. MwSt.
zzgl. 6,90 € Versand (brutto)
einmalig pro Bestellung

Lieferzeit: 5 Werktage

Pos.
3/10
BOSCH Lüfter | Ersatzteile für GDS 18-E | 2606610049
Hersteller: BOSCH
Artikelnummer: EB-0601436832-2606610049
Netto: 4,36 € zzgl. MwSt.
zzgl. 6,90 € Versand (brutto)
einmalig pro Bestellung

Lieferzeit: 5 Werktage

Pos.
859/10
BOSCH O-Ring 33,0x2,0 MM | Ersatzteile für GDS 18-E | 2600210019
Hersteller: BOSCH
Artikelnummer: EB-0601436832-2600210019
Netto: 3,94 € zzgl. MwSt.
zzgl. 6,90 € Versand (brutto)
einmalig pro Bestellung

Lieferzeit: 5 Werktage

Pos.
2
BOSCH Polschuh 220-230V | Ersatzteile für GDS 18-E | 2604220429
Hersteller: BOSCH
Artikelnummer: EB-0601436832-2604220429
Netto: 20,80 € zzgl. MwSt.
zzgl. 6,90 € Versand (brutto)
einmalig pro Bestellung

Lieferzeit: 5 Werktage

Pos.
3
BOSCH Anker 220-230V | Ersatzteile für GDS 18-E | 2604010629
Hersteller: BOSCH
Artikelnummer: EB-0601436832-2604010629
Netto: 51,18 € zzgl. MwSt.
zzgl. 6,90 € Versand (brutto)
einmalig pro Bestellung

Lieferzeit: 5 Werktage

Pos.
4
BOSCH Schalter | Ersatzteile für GDS 18-E | 2607200248
Hersteller: BOSCH
Artikelnummer: EB-0601436832-2607200248
Netto: 61,64 € zzgl. MwSt.
zzgl. 6,90 € Versand (brutto)
einmalig pro Bestellung

Lieferzeit: 5 Werktage

Pos.
5
BOSCH Elektr Leitung CH 2,65m 2 x 1,0mm H07RN-F | Ersatzteile für GDS 18-E | 3604460004
Hersteller: BOSCH
Artikelnummer: EB-0601436832-3604460004
nur Informationsartikel
Nie mehr lieferbar
keine Alternativen
Pos.
6
BOSCH Tülle Ø7,3-Ø8,6x67 MM | Ersatzteile für GDS 18-E | 1600703031
Hersteller: BOSCH
Artikelnummer: EB-0601436832-1600703031
Netto: 4,80 € zzgl. MwSt.
zzgl. 6,90 € Versand (brutto)
einmalig pro Bestellung

Lieferzeit: 5 Werktage

Pos.
7
BOSCH Leitungshalter | Ersatzteile für GDS 18-E | 2601035001
Hersteller: BOSCH
Artikelnummer: EB-0601436832-2601035001
Netto: 3,94 € zzgl. MwSt.
zzgl. 6,90 € Versand (brutto)
einmalig pro Bestellung

Lieferzeit: 5 Werktage

Pos.
9
BOSCH Klebeschild | Ersatzteile für GDS 18-E | 3601110365
Hersteller: BOSCH
Artikelnummer: EB-0601436832-3601110365
Netto: 3,94 € zzgl. MwSt.
zzgl. 6,90 € Versand (brutto)
einmalig pro Bestellung

Lieferzeit: 5 Werktage

Pos.
11
BOSCH O-Ring 22,0x2,2 MM | Ersatzteile für GDS 18-E | 3600210134
Hersteller: BOSCH
Artikelnummer: EB-0601436832-3600210134
Netto: 4,36 € zzgl. MwSt.
zzgl. 6,90 € Versand (brutto)
einmalig pro Bestellung

Lieferzeit: 5 Werktage

Pos.
12
BOSCH Entstörfilter | Ersatzteile für GDS 18-E | 2607329096
Hersteller: BOSCH
Artikelnummer: EB-0601436832-2607329096
Netto: 7,66 € zzgl. MwSt.
zzgl. 6,90 € Versand (brutto)
einmalig pro Bestellung

Lieferzeit: 5 Werktage

Pos.
13
BOSCH Kugellager 7x22x7 | Ersatzteile für GDS 18-E | 1900905018
Hersteller: BOSCH
Artikelnummer: EB-0601436832-1900905018
Netto: 15,15 € zzgl. MwSt.
zzgl. 6,90 € Versand (brutto)
einmalig pro Bestellung

Lieferzeit: 5 Werktage

Pos.
14
BOSCH Rillenkugellager 9x24x7 | Ersatzteile für GDS 18-E | 2600905021
Hersteller: BOSCH
Artikelnummer: EB-0601436832-2600905021
Netto: 8,23 € zzgl. MwSt.
zzgl. 6,90 € Versand (brutto)
einmalig pro Bestellung

Lieferzeit: 5 Werktage

Pos.
15
BOSCH Kreuzschlitzschraube DIN 7981-ST3,5x9,5-F | Ersatzteile für GDS 18-E | 2603435015
Hersteller: BOSCH
Artikelnummer: EB-0601436832-2603435015
Netto: 4,36 € zzgl. MwSt.
zzgl. 6,90 € Versand (brutto)
einmalig pro Bestellung

Lieferzeit: 5 Werktage

Pos.
18
BOSCH Zylinderschraube M3x6,5-4.8 | Ersatzteile für GDS 18-E | 2603410001
Hersteller: BOSCH
Artikelnummer: EB-0601436832-2603410001
Netto: 3,94 € zzgl. MwSt.
zzgl. 6,90 € Versand (brutto)
einmalig pro Bestellung

Lieferzeit: 5 Werktage

Pos.
19
BOSCH Schraube 4x16 | Ersatzteile für GDS 18-E | 2603490022
Hersteller: BOSCH
Artikelnummer: EB-0601436832-2603490022
Netto: 3,60 € zzgl. MwSt.
zzgl. 6,90 € Versand (brutto)
einmalig pro Bestellung

Lieferzeit: 5 Werktage

Pos.
20
BOSCH Klebeschild | Ersatzteile für GDS 18-E | 3601110367
Hersteller: BOSCH
Artikelnummer: EB-0601436832-3601110367
nur Informationsartikel
Nie mehr lieferbar
keine Alternativen
Pos.
21
BOSCH Zylinderstift 4 H 8x12 DIN 7 | Ersatzteile für GDS 18-E | 2917500095
Hersteller: BOSCH
Artikelnummer: EB-0601436832-2917500095
Netto: 3,94 € zzgl. MwSt.
zzgl. 6,90 € Versand (brutto)
einmalig pro Bestellung

Lieferzeit: 5 Werktage

Pos.
23
BOSCH Nadellager Ø6 MM | Ersatzteile für GDS 18-E | 2600914010
Hersteller: BOSCH
Artikelnummer: EB-0601436832-2600914010
Netto: 4,80 € zzgl. MwSt.
zzgl. 6,90 € Versand (brutto)
einmalig pro Bestellung

Lieferzeit: 5 Werktage

Pos.
25
BOSCH Linsenkopfschraube 3x10 ST | Ersatzteile für GDS 18-E | 1613435034
Hersteller: BOSCH
Artikelnummer: EB-0601436832-1613435034
nur Informationsartikel
Nie mehr lieferbar
keine Alternativen
Pos.
26
BOSCH Gehäusedeckel SCHWARZ | Ersatzteile für GDS 18-E | 3605500018
Hersteller: BOSCH
Artikelnummer: EB-0601436832-3605500018
Netto: 7,66 € zzgl. MwSt.
zzgl. 6,90 € Versand (brutto)
einmalig pro Bestellung

Lieferzeit: 5 Werktage

Pos.
27
BOSCH Bürstenhalter | Ersatzteile für GDS 18-E | 2604337003
Hersteller: BOSCH
Artikelnummer: EB-0601436832-2604337003
Netto: 4,36 € zzgl. MwSt.
zzgl. 6,90 € Versand (brutto)
einmalig pro Bestellung

Lieferzeit: 5 Werktage

Pos.
28
BOSCH Luftleitring | Ersatzteile für GDS 18-E | 3605500017
Hersteller: BOSCH
Artikelnummer: EB-0601436832-3605500017
nur Informationsartikel
Nie mehr lieferbar
keine Alternativen
Pos.
29
BOSCH Druckfeder | Ersatzteile für GDS 18-E | 2604611024
Hersteller: BOSCH
Artikelnummer: EB-0601436832-2604611024
Netto: 4,36 € zzgl. MwSt.
zzgl. 6,90 € Versand (brutto)
einmalig pro Bestellung

Lieferzeit: 5 Werktage

Pos.
31
BOSCH Stützscheibe | Ersatzteile für GDS 18-E | 3600190003
Hersteller: BOSCH
Artikelnummer: EB-0601436832-3600190003
Netto: 5,65 € zzgl. MwSt.
zzgl. 6,90 € Versand (brutto)
einmalig pro Bestellung

Lieferzeit: 5 Werktage

Pos.
32
BOSCH Sicherungsring DIN 472-24x1,2 MM | Ersatzteile für GDS 18-E | 2916660008
Hersteller: BOSCH
Artikelnummer: EB-0601436832-2916660008
Netto: 4,36 € zzgl. MwSt.
zzgl. 6,90 € Versand (brutto)
einmalig pro Bestellung

Lieferzeit: 5 Werktage

Pos.
33
BOSCH Aufhängebügel | Ersatzteile für GDS 18-E | 2604682001
Hersteller: BOSCH
Artikelnummer: EB-0601436832-2604682001
nur Informationsartikel
Nie mehr lieferbar
keine Alternativen
Pos.
34
BOSCH Steckhülse | Ersatzteile für GDS 18-E | 2600400008
Hersteller: BOSCH
Artikelnummer: EB-0601436832-2600400008
Netto: 3,94 € zzgl. MwSt.
zzgl. 6,90 € Versand (brutto)
einmalig pro Bestellung

Lieferzeit: 5 Werktage

Pos.
35
BOSCH Stirnrad Z=31 | Ersatzteile für GDS 18-E | 2606317001
Hersteller: BOSCH
Artikelnummer: EB-0601436832-2606317001
Netto: 26,41 € zzgl. MwSt.
zzgl. 6,90 € Versand (brutto)
einmalig pro Bestellung

Lieferzeit: 5 Werktage

Pos.
39
BOSCH Rillenkugellager 12x28x8 | Ersatzteile für GDS 18-E | 1900900287
Hersteller: BOSCH
Artikelnummer: EB-0601436832-1900900287
Netto: 18,86 € zzgl. MwSt.
zzgl. 6,90 € Versand (brutto)
einmalig pro Bestellung

Lieferzeit: 5 Werktage

Pos.
40
BOSCH Kugel DIN 5401-4 MM-III-ST | Ersatzteile für GDS 18-E | 1903230007
Hersteller: BOSCH
Artikelnummer: EB-0601436832-1903230007
Netto: 3,94 € zzgl. MwSt.
zzgl. 6,90 € Versand (brutto)
einmalig pro Bestellung

Lieferzeit: 5 Werktage

Pos.
41
BOSCH Lagerbuchse | Ersatzteile für GDS 18-E | 1605801018
Hersteller: BOSCH
Artikelnummer: EB-0601436832-1605801018
Netto: 38,40 € zzgl. MwSt.
zzgl. 6,90 € Versand (brutto)
einmalig pro Bestellung

Lieferzeit: 5 Werktage

Pos.
43
BOSCH Druckfeder | Ersatzteile für GDS 18-E | 1604619010
Hersteller: BOSCH
Artikelnummer: EB-0601436832-1604619010
Netto: 7,26 € zzgl. MwSt.
zzgl. 6,90 € Versand (brutto)
einmalig pro Bestellung

Lieferzeit: 5 Werktage

Pos.
44
BOSCH Schläger | Ersatzteile für GDS 18-E | 2608710001
Hersteller: BOSCH
Artikelnummer: EB-0601436832-2608710001
Netto: 166,58 € zzgl. MwSt.
zzgl. 6,90 € Versand (brutto)
einmalig pro Bestellung

Lieferzeit: 5 Werktage

Pos.
45
BOSCH Kugel DIN 5401-Ø7MM-III-ST | Ersatzteile für GDS 18-E | 1903230013
Hersteller: BOSCH
Artikelnummer: EB-0601436832-1903230013
Netto: 4,36 € zzgl. MwSt.
zzgl. 6,90 € Versand (brutto)
einmalig pro Bestellung

Lieferzeit: 5 Werktage

Pos.
46
BOSCH Antriebswelle | Ersatzteile für GDS 18-E | 2603124002
Hersteller: BOSCH
Artikelnummer: EB-0601436832-2603124002
Netto: 67,29 € zzgl. MwSt.
zzgl. 6,90 € Versand (brutto)
einmalig pro Bestellung

Lieferzeit: 5 Werktage

Pos.
50
BOSCH Schutzring | Ersatzteile für GDS 18-E | 2600250005
Hersteller: BOSCH
Artikelnummer: EB-0601436832-2600250005
Netto: 5,65 € zzgl. MwSt.
zzgl. 6,90 € Versand (brutto)
einmalig pro Bestellung

Lieferzeit: 5 Werktage

Pos.
51
BOSCH Distanzring | Ersatzteile für GDS 18-E | 3600113007
Hersteller: BOSCH
Artikelnummer: EB-0601436832-3600113007
Netto: 4,36 € zzgl. MwSt.
zzgl. 6,90 € Versand (brutto)
einmalig pro Bestellung

Lieferzeit: 5 Werktage

Pos.
52
BOSCH Tellerscheibe | Ersatzteile für GDS 18-E | 2600500002
Hersteller: BOSCH
Artikelnummer: EB-0601436832-2600500002
Netto: 3,94 € zzgl. MwSt.
zzgl. 6,90 € Versand (brutto)
einmalig pro Bestellung

Lieferzeit: 5 Werktage

Pos.
56
BOSCH Ausgleichscheibe 1,0 MM | Ersatzteile für GDS 18-E | 2600100569
Hersteller: BOSCH
Artikelnummer: EB-0601436832-2600100569
Netto: 3,94 € zzgl. MwSt.
zzgl. 6,90 € Versand (brutto)
einmalig pro Bestellung

Lieferzeit: 5 Werktage

Pos.
57
BOSCH Filzring | Ersatzteile für GDS 18-E | 2600108077
Hersteller: BOSCH
Artikelnummer: EB-0601436832-2600108077
Netto: 3,94 € zzgl. MwSt.
zzgl. 6,90 € Versand (brutto)
einmalig pro Bestellung

Lieferzeit: 5 Werktage

Pos.
58
BOSCH Blechschraube DIN 7971-BZ3,9x19 | Ersatzteile für GDS 18-E | 2910211020
Hersteller: BOSCH
Artikelnummer: EB-0601436832-2910211020
Netto: 4,36 € zzgl. MwSt.
zzgl. 6,90 € Versand (brutto)
einmalig pro Bestellung

Lieferzeit: 5 Werktage

Pos.
61
BOSCH Elektr Leitung | Ersatzteile für GDS 18-E | 3604431001
Hersteller: BOSCH
Artikelnummer: EB-0601436832-3604431001
Netto: 4,56 € zzgl. MwSt.
zzgl. 6,90 € Versand (brutto)
einmalig pro Bestellung

Lieferzeit: 5 Werktage

Pos.
63
BOSCH Ausgleichscheibe | Ersatzteile für GDS 18-E | 2600150004
Hersteller: BOSCH
Artikelnummer: EB-0601436832-2600150004
Netto: 4,36 € zzgl. MwSt.
zzgl. 6,90 € Versand (brutto)
einmalig pro Bestellung

Lieferzeit: 5 Werktage

Pos.
64
BOSCH Ausgleichscheibe 0,2 MM | Ersatzteile für GDS 18-E | 2600101022
Hersteller: BOSCH
Artikelnummer: EB-0601436832-2600101022
Netto: 3,94 € zzgl. MwSt.
zzgl. 6,90 € Versand (brutto)
einmalig pro Bestellung

Lieferzeit: 5 Werktage

Pos.
64
BOSCH Ausgleichscheibe 0,3 MM | Ersatzteile für GDS 18-E | 2600101023
Hersteller: BOSCH
Artikelnummer: EB-0601436832-2600101023
Netto: 3,94 € zzgl. MwSt.
zzgl. 6,90 € Versand (brutto)
einmalig pro Bestellung

Lieferzeit: 5 Werktage

Pos.
64
BOSCH Ausgleichscheibe 0,5 MM | Ersatzteile für GDS 18-E | 2600101020
Hersteller: BOSCH
Artikelnummer: EB-0601436832-2600101020
Netto: 3,94 € zzgl. MwSt.
zzgl. 6,90 € Versand (brutto)
einmalig pro Bestellung

Lieferzeit: 5 Werktage

Pos.
65
BOSCH Innensechskantschraube DIN 912-M 5x30-8.8 | Ersatzteile für GDS 18-E | 2910141166
Hersteller: BOSCH
Artikelnummer: EB-0601436832-2910141166
Netto: 3,94 € zzgl. MwSt.
zzgl. 6,90 € Versand (brutto)
einmalig pro Bestellung

Lieferzeit: 5 Werktage

Pos.
66
BOSCH Federring DIN 128-A5-FST | Ersatzteile für GDS 18-E | 2916690004
Hersteller: BOSCH
Artikelnummer: EB-0601436832-2916690004
Netto: 3,94 € zzgl. MwSt.
zzgl. 6,90 € Versand (brutto)
einmalig pro Bestellung

Lieferzeit: 5 Werktage

Pos.
67
BOSCH Sprengring | Ersatzteile für GDS 18-E | 3600224063
Hersteller: BOSCH
Artikelnummer: EB-0601436832-3600224063
Netto: 4,80 € zzgl. MwSt.
zzgl. 6,90 € Versand (brutto)
einmalig pro Bestellung

Lieferzeit: 5 Werktage

Pos.
71
BOSCH Entstörfilter | Ersatzteile für GDS 18-E | 3604503005
Hersteller: BOSCH
Artikelnummer: EB-0601436832-3604503005
Netto: 9,05 € zzgl. MwSt.
zzgl. 6,90 € Versand (brutto)
einmalig pro Bestellung

Lieferzeit: 5 Werktage

Pos.
72
BOSCH Entstörfilter | Ersatzteile für GDS 18-E | 3604503006
Hersteller: BOSCH
Artikelnummer: EB-0601436832-3604503006
Netto: 9,05 € zzgl. MwSt.
zzgl. 6,90 € Versand (brutto)
einmalig pro Bestellung

Lieferzeit: 5 Werktage

Pos.
73
BOSCH Elektr Leitung BLAU | Ersatzteile für GDS 18-E | 3604431000
Hersteller: BOSCH
Artikelnummer: EB-0601436832-3604431000
Netto: 6,75 € zzgl. MwSt.
zzgl. 6,90 € Versand (brutto)
einmalig pro Bestellung

Lieferzeit: 5 Werktage

Pos.
74
BOSCH Elektr Leitung GRAU | Ersatzteile für GDS 18-E | 3604431019
Hersteller: BOSCH
Artikelnummer: EB-0601436832-3604431019
nur Informationsartikel
Nie mehr lieferbar
keine Alternativen
Pos.
75
BOSCH Elektr Leitung SCHWARZ | Ersatzteile für GDS 18-E | 3604431008
Hersteller: BOSCH
Artikelnummer: EB-0601436832-3604431008
Netto: 6,75 € zzgl. MwSt.
zzgl. 6,90 € Versand (brutto)
einmalig pro Bestellung

Lieferzeit: 5 Werktage

Pos.
76
BOSCH Elektr Leitung WEISS | Ersatzteile für GDS 18-E | 3604431020
Hersteller: BOSCH
Artikelnummer: EB-0601436832-3604431020
Netto: 6,75 € zzgl. MwSt.
zzgl. 6,90 € Versand (brutto)
einmalig pro Bestellung

Lieferzeit: 5 Werktage

Pos.
78
BOSCH Zylinderstift 4 H 8x24 DIN 7 | Ersatzteile für GDS 18-E | 2917500101
Hersteller: BOSCH
Artikelnummer: EB-0601436832-2917500101
Netto: 3,94 € zzgl. MwSt.
zzgl. 6,90 € Versand (brutto)
einmalig pro Bestellung

Lieferzeit: 5 Werktage

Pos.
808
BOSCH Typschild | Ersatzteile für GDS 18-E | 160111A3H6
Hersteller: BOSCH
Artikelnummer: EB-0601436832-160111A3H6
Netto: 4,56 € zzgl. MwSt.
zzgl. 6,90 € Versand (brutto)
einmalig pro Bestellung

Lieferzeit: 5 Werktage

Pos.
810
BOSCH Kohlebürstensatz | Ersatzteile für GDS 18-E | 2604321905
Hersteller: BOSCH
Artikelnummer: EB-0601436832-2604321905
Netto: 9,75 € zzgl. MwSt.
zzgl. 6,90 € Versand (brutto)
einmalig pro Bestellung

Lieferzeit: 5 Werktage

Pos.
810
BOSCH Kohlebürstensatz 10 x 2 604 321 905 | Ersatzteile für GDS 18-E | 1607000484
Hersteller: BOSCH
Artikelnummer: EB-0601436832-1607000484
Netto: 67,29 € zzgl. MwSt.
zzgl. 6,90 € Versand (brutto)
einmalig pro Bestellung

Lieferzeit: 5 Werktage

Pos.
837
BOSCH Zwischenlager | Ersatzteile für GDS 18-E | 3605500187
Hersteller: BOSCH
Artikelnummer: EB-0601436832-3605500187
Netto: 82,83 € zzgl. MwSt.
zzgl. 6,90 € Versand (brutto)
einmalig pro Bestellung

Lieferzeit: 5 Werktage

Pos.
838
BOSCH Zwischenflansch | Ersatzteile für GDS 18-E | 3605700120
Hersteller: BOSCH
Artikelnummer: EB-0601436832-3605700120
Netto: 32,16 € zzgl. MwSt.
zzgl. 6,90 € Versand (brutto)
einmalig pro Bestellung

Lieferzeit: 5 Werktage

Pos.
848
BOSCH Werkzeugaufnahme | Ersatzteile für GDS 18-E | 3607030424
Hersteller: BOSCH
Artikelnummer: EB-0601436832-3607030424
Netto: 116,63 € zzgl. MwSt.
zzgl. 6,90 € Versand (brutto)
einmalig pro Bestellung

Lieferzeit: 5 Werktage

Pos.
849
BOSCH Schlagwerkgehäuse | Ersatzteile für GDS 18-E | 3605190188
Hersteller: BOSCH
Artikelnummer: EB-0601436832-3605190188
Netto: 82,83 € zzgl. MwSt.
zzgl. 6,90 € Versand (brutto)
einmalig pro Bestellung

Lieferzeit: 5 Werktage

Pos.
853
BOSCH Zahnwelle | Ersatzteile für GDS 18-E | 3606309058
Hersteller: BOSCH
Artikelnummer: EB-0601436832-3606309058
Netto: 55,88 € zzgl. MwSt.
zzgl. 6,90 € Versand (brutto)
einmalig pro Bestellung

Lieferzeit: 5 Werktage

Pos.
859
BOSCH Schalter | Ersatzteile für GDS 18-E | 1617200042
Hersteller: BOSCH
Artikelnummer: EB-0601436832-1617200042
Netto: 13,81 € zzgl. MwSt.
zzgl. 6,90 € Versand (brutto)
einmalig pro Bestellung

Lieferzeit: 5 Werktage

Pos.
868
BOSCH Sprengring | Ersatzteile für GDS 18-E | 2600224007
Hersteller: BOSCH
Artikelnummer: EB-0601436832-2600224007
Netto: 7,18 € zzgl. MwSt.
zzgl. 6,90 € Versand (brutto)
einmalig pro Bestellung

Lieferzeit: 5 Werktage

Pos.
869
BOSCH O-Ring 7,65x1,78 MM | Ersatzteile für GDS 18-E | 2600210001
Hersteller: BOSCH
Artikelnummer: EB-0601436832-2600210001
Netto: 4,36 € zzgl. MwSt.
zzgl. 6,90 € Versand (brutto)
einmalig pro Bestellung

Lieferzeit: 5 Werktage

Angaben zur Produktsicherheit

Hersteller:
Robert Bosch Power Tools GmbH
Postfach 30 02 20
70442 Stuttgart

E-Mail:
kontakt@bosch.de