BOSCH Zusatzhandgriff | Ersatzteile für GDS 24 | 160202509Z

Artikelnummer: EB-0601434138-160202509Z

Position: 650

Marke: BOSCH


Bitte Kompatibilität prüfen!

Bitte prüfen Sie unbedingt die 10-stellige Typennummer Ihrer Maschine / Ihres Gerätes. Das Ersatzteil ist nur kompatibel, wenn Sie die Typennummer Ihrer Maschine in der unten stehenden Produktbeschreibung finden.

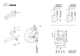
Bitte prüfen Sie ebenfalls detailliert die Explosionszeichnung mit Ihrem Artikelwunsch und der jeweiligen Pos-Nummer.

Alle Elemente, welche vom schwarzen Strich der Pos-Nummer ausgehend berührt / erfasst werden, gehören zu dieser Pos-Nummer und somit zu diesem Artikel. Jede Pos-Nummer ist ein eigenständiger Artikel, welchen Sie in der Auflistung finden.

Sie erhalten stets die aktuellste, neueste Produktversion zu der gewählten Pos-Nummer seitens des Herstellers. Es kann daher je nach Gerätealter vorkommen, dass Sie ggf. weitere, zugehörige Elemente, welche an diese Pos-Nummer grenzen, ebenfalls mittauschen müssen.

Nähere Informationen finden Sie unter dem Link
Hinweise zu Ihrer BOSCH Ersatzteilsuche

Preisübersicht

Einzelpreis: 14,36 €* (Brutto: 17,09 €)
Gesamtpreis: 14,36 €* 
Position:

Lieferzeit: 5 Werktage


Beschreibung

  • Zusatzhandgriff
  • Original Bosch Zubehör / BOSCH Ersatzteil (160202509Z)
  • im Gerät verbaut: 1
Dieses BOSCH Ersatzteil ist mit folgendem Gerät und Modell kompatibel:
  • BOSCH Gerätename: GDS 24
  • BOSCH Explosionszeichnung: Position 650
  • BOSCH Typennummer: 0601434138
  • BOSCH Typennummer alternative Schreibweisen: 0 601 434 138, 0601 434 138, 0.601.434.138, 0-601-434-138
    Bitte prüfen Sie diese Typennummer auf Ihrem Gerät um die Kompatibilität des BOSCH Ersatzteils zu gewährleisten.
Weitere BOSCH Ersatzteile des Gerätes GDS 24 (Gw-Schlagschrauber) mit der Typennummer 0601434138 finden Sie in der nachfolgenden Darstellung und im Dropdown zu Ihrer Auswahl:

Pos.
1
BOSCH Motorgehäuse BLAU | Ersatzteile für GDS 24 | 3605108091
Hersteller: BOSCH
Artikelnummer: EB-0601434138-3605108091
Netto: 29,45 € zzgl. MwSt.
zzgl. 6,90 € Versand (brutto)
einmalig pro Bestellung

Lieferzeit: 5 Werktage

Pos.
3/50
BOSCH Lüfter | Ersatzteile für GDS 24 | 1606610122
Hersteller: BOSCH
Artikelnummer: EB-0601434138-1606610122
Netto: 4,82 € zzgl. MwSt.
zzgl. 6,90 € Versand (brutto)
einmalig pro Bestellung

Lieferzeit: 5 Werktage

Pos.
301/63
BOSCH Verbindungsleitung L=60 MM BLAU | Ersatzteile für GDS 24 | 3604412002
Hersteller: BOSCH
Artikelnummer: EB-0601434138-3604412002
Netto: 7,76 € zzgl. MwSt.
zzgl. 6,90 € Versand (brutto)
einmalig pro Bestellung

Lieferzeit: 5 Werktage

Pos.
4/10
BOSCH Zylinderschraube DIN 84-AM3,5x6-5.8 | Ersatzteile für GDS 24 | 2910011082
Hersteller: BOSCH
Artikelnummer: EB-0601434138-2910011082
Netto: 3,63 € zzgl. MwSt.
zzgl. 6,90 € Versand (brutto)
einmalig pro Bestellung

Lieferzeit: 5 Werktage

Pos.
4
BOSCH Schalter | Ersatzteile für GDS 24 | 1607200079
Hersteller: BOSCH
Artikelnummer: EB-0601434138-1607200079
Netto: 29,45 € zzgl. MwSt.
zzgl. 6,90 € Versand (brutto)
einmalig pro Bestellung

Lieferzeit: 5 Werktage

Pos.
5
BOSCH Netzanschlussleitung J 5m 2 x 1,25mm PVC | Ersatzteile für GDS 24 | 1614460023
Hersteller: BOSCH
Artikelnummer: EB-0601434138-1614460023
nur Informationsartikel
Nie mehr lieferbar
keine Alternativen
Pos.
6
BOSCH Tülle Ø9,2-Ø12x120 MM | Ersatzteile für GDS 24 | 3600703011
Hersteller: BOSCH
Artikelnummer: EB-0601434138-3600703011
Netto: 4,82 € zzgl. MwSt.
zzgl. 6,90 € Versand (brutto)
einmalig pro Bestellung

Lieferzeit: 5 Werktage

Pos.
7
BOSCH Befestigungsschelle | Ersatzteile für GDS 24 | 1601302014
Hersteller: BOSCH
Artikelnummer: EB-0601434138-1601302014
Netto: 3,94 € zzgl. MwSt.
zzgl. 6,90 € Versand (brutto)
einmalig pro Bestellung

Lieferzeit: 5 Werktage

Pos.
9
BOSCH Firmenschild | Ersatzteile für GDS 24 | 3601110221
Hersteller: BOSCH
Artikelnummer: EB-0601434138-3601110221
nur Informationsartikel
Nie mehr lieferbar
keine Alternativen
Pos.
12
BOSCH Entstörfilter | Ersatzteile für GDS 24 | 2607329096
Hersteller: BOSCH
Artikelnummer: EB-0601434138-2607329096
Netto: 7,76 € zzgl. MwSt.
zzgl. 6,90 € Versand (brutto)
einmalig pro Bestellung

Lieferzeit: 5 Werktage

Pos.
13
BOSCH Kugellager 7x19x6 | Ersatzteile für GDS 24 | 2600905032
Hersteller: BOSCH
Artikelnummer: EB-0601434138-2600905032
Netto: 6,15 € zzgl. MwSt.
zzgl. 6,90 € Versand (brutto)
einmalig pro Bestellung

Lieferzeit: 45 Werktage

Pos.
14
BOSCH Rillenkugellager 9x26x8 | Ersatzteile für GDS 24 | 3600905131
Hersteller: BOSCH
Artikelnummer: EB-0601434138-3600905131
Netto: 9,95 € zzgl. MwSt.
zzgl. 6,90 € Versand (brutto)
einmalig pro Bestellung

Lieferzeit: 5 Werktage

Pos.
20
BOSCH Zylinderstift DIN 7-5H8x14 | Ersatzteile für GDS 24 | 2917500119
Hersteller: BOSCH
Artikelnummer: EB-0601434138-2917500119
Netto: 3,63 € zzgl. MwSt.
zzgl. 6,90 € Versand (brutto)
einmalig pro Bestellung

Lieferzeit: 5 Werktage

Pos.
21
BOSCH Spindellager | Ersatzteile für GDS 24 | 3605806220
Hersteller: BOSCH
Artikelnummer: EB-0601434138-3605806220
Netto: 42,86 € zzgl. MwSt.
zzgl. 6,90 € Versand (brutto)
einmalig pro Bestellung

Lieferzeit: 5 Werktage

Pos.
27
BOSCH Kupplungshälfte 3/4" | Ersatzteile für GDS 24 | 1606455031
Hersteller: BOSCH
Artikelnummer: EB-0601434138-1606455031
Netto: 135,20 € zzgl. MwSt.
zzgl. 6,90 € Versand (brutto)
einmalig pro Bestellung

Lieferzeit: 5 Werktage

Pos.
28
BOSCH Distanzscheibe | Ersatzteile für GDS 24 | 3600114013
Hersteller: BOSCH
Artikelnummer: EB-0601434138-3600114013
Netto: 19,18 € zzgl. MwSt.
zzgl. 6,90 € Versand (brutto)
einmalig pro Bestellung

Lieferzeit: 5 Werktage

Pos.
29
BOSCH Schläger | Ersatzteile für GDS 24 | 1608710018
Hersteller: BOSCH
Artikelnummer: EB-0601434138-1608710018
Netto: 210,92 € zzgl. MwSt.
zzgl. 6,90 € Versand (brutto)
einmalig pro Bestellung

Lieferzeit: 5 Werktage

Pos.
30
BOSCH Antriebswelle | Ersatzteile für GDS 24 | 1603124077
Hersteller: BOSCH
Artikelnummer: EB-0601434138-1603124077
Netto: 135,20 € zzgl. MwSt.
zzgl. 6,90 € Versand (brutto)
einmalig pro Bestellung

Lieferzeit: 5 Werktage

Pos.
31
BOSCH Stützring | Ersatzteile für GDS 24 | 1600220015
Hersteller: BOSCH
Artikelnummer: EB-0601434138-1600220015
Netto: 90,22 € zzgl. MwSt.
zzgl. 6,90 € Versand (brutto)
einmalig pro Bestellung

Lieferzeit: 5 Werktage

Pos.
32
BOSCH Luftleitring | Ersatzteile für GDS 24 | 1600502019
Hersteller: BOSCH
Artikelnummer: EB-0601434138-1600502019
Netto: 5,19 € zzgl. MwSt.
zzgl. 6,90 € Versand (brutto)
einmalig pro Bestellung

Lieferzeit: 5 Werktage

Pos.
33
BOSCH Zwischenring | Ersatzteile für GDS 24 | 3600300042
Hersteller: BOSCH
Artikelnummer: EB-0601434138-3600300042
Netto: 9,18 € zzgl. MwSt.
zzgl. 6,90 € Versand (brutto)
einmalig pro Bestellung

Lieferzeit: 5 Werktage

Pos.
35
BOSCH Nadelhülse Ø8xØ12x8 MM | Ersatzteile für GDS 24 | 1600910018
Hersteller: BOSCH
Artikelnummer: EB-0601434138-1600910018
Netto: 6,15 € zzgl. MwSt.
zzgl. 6,90 € Versand (brutto)
einmalig pro Bestellung

Lieferzeit: 5 Werktage

Pos.
36
BOSCH Rillenkugellager 15x35x11 | Ersatzteile für GDS 24 | 1900905279
Hersteller: BOSCH
Artikelnummer: EB-0601434138-1900905279
Netto: 9,95 € zzgl. MwSt.
zzgl. 6,90 € Versand (brutto)
einmalig pro Bestellung

Lieferzeit: 5 Werktage

Pos.
37
BOSCH Kugel DIN 5401-8 MM III-ST | Ersatzteile für GDS 24 | 1903230014
Hersteller: BOSCH
Artikelnummer: EB-0601434138-1903230014
Netto: 3,63 € zzgl. MwSt.
zzgl. 6,90 € Versand (brutto)
einmalig pro Bestellung

Lieferzeit: 5 Werktage

Pos.
38
BOSCH Kugel DIN 5401-4 MM-III-ST | Ersatzteile für GDS 24 | 1903230007
Hersteller: BOSCH
Artikelnummer: EB-0601434138-1903230007
Netto: 3,94 € zzgl. MwSt.
zzgl. 6,90 € Versand (brutto)
einmalig pro Bestellung

Lieferzeit: 5 Werktage

Pos.
39
BOSCH Sicherungsring DIN 472 38X1,5MM | Ersatzteile für GDS 24 | 2916660017
Hersteller: BOSCH
Artikelnummer: EB-0601434138-2916660017
Netto: 5,67 € zzgl. MwSt.
zzgl. 6,90 € Versand (brutto)
einmalig pro Bestellung

Lieferzeit: 5 Werktage

Pos.
40
BOSCH Federscheibe Ø27,5x38,4 MM | Ersatzteile für GDS 24 | 1600150007
Hersteller: BOSCH
Artikelnummer: EB-0601434138-1600150007
nur Informationsartikel
Nie mehr lieferbar
keine Alternativen
Pos.
41
BOSCH Sicherungsbügel DIN 471-15x1-FSt | Ersatzteile für GDS 24 | 2916650006
Hersteller: BOSCH
Artikelnummer: EB-0601434138-2916650006
Netto: 3,94 € zzgl. MwSt.
zzgl. 6,90 € Versand (brutto)
einmalig pro Bestellung

Lieferzeit: 5 Werktage

Pos.
42
BOSCH Passfeder DIN 6885-A6X4X14 | Ersatzteile für GDS 24 | 1902300083
Hersteller: BOSCH
Artikelnummer: EB-0601434138-1902300083
Netto: 3,63 € zzgl. MwSt.
zzgl. 6,90 € Versand (brutto)
einmalig pro Bestellung

Lieferzeit: 5 Werktage

Pos.
43
BOSCH Stirnrad Z=25 | Ersatzteile für GDS 24 | 3606301006
Hersteller: BOSCH
Artikelnummer: EB-0601434138-3606301006
Netto: 57,47 € zzgl. MwSt.
zzgl. 6,90 € Versand (brutto)
einmalig pro Bestellung

Lieferzeit: 5 Werktage

Pos.
45
BOSCH Ausgleichscheibe 0,5 MM DICK | Ersatzteile für GDS 24 | 1600100617
Hersteller: BOSCH
Artikelnummer: EB-0601434138-1600100617
Netto: 3,94 € zzgl. MwSt.
zzgl. 6,90 € Versand (brutto)
einmalig pro Bestellung

Lieferzeit: 5 Werktage

Pos.
46
BOSCH O-Ring 28x3 MM | Ersatzteile für GDS 24 | 1900210129
Hersteller: BOSCH
Artikelnummer: EB-0601434138-1900210129
Netto: 4,53 € zzgl. MwSt.
zzgl. 6,90 € Versand (brutto)
einmalig pro Bestellung

Lieferzeit: 5 Werktage

Pos.
47
BOSCH O-Ring 66,0x3,0 MM | Ersatzteile für GDS 24 | 1600210005
Hersteller: BOSCH
Artikelnummer: EB-0601434138-1600210005
Netto: 4,82 € zzgl. MwSt.
zzgl. 6,90 € Versand (brutto)
einmalig pro Bestellung

Lieferzeit: 5 Werktage

Pos.
48
BOSCH Gummiring 7 MM BREIT | Ersatzteile für GDS 24 | 1600206020
Hersteller: BOSCH
Artikelnummer: EB-0601434138-1600206020
Netto: 3,94 € zzgl. MwSt.
zzgl. 6,90 € Versand (brutto)
einmalig pro Bestellung

Lieferzeit: 5 Werktage

Pos.
49
BOSCH Lagerdeckel | Ersatzteile für GDS 24 | 3605500043
Hersteller: BOSCH
Artikelnummer: EB-0601434138-3605500043
Netto: 5,67 € zzgl. MwSt.
zzgl. 6,90 € Versand (brutto)
einmalig pro Bestellung

Lieferzeit: 5 Werktage

Pos.
50
BOSCH Zwischenring | Ersatzteile für GDS 24 | 1600502011
Hersteller: BOSCH
Artikelnummer: EB-0601434138-1600502011
Netto: 4,53 € zzgl. MwSt.
zzgl. 6,90 € Versand (brutto)
einmalig pro Bestellung

Lieferzeit: 31 Werktage

Pos.
51
BOSCH Druckfeder | Ersatzteile für GDS 24 | 1604613006
Hersteller: BOSCH
Artikelnummer: EB-0601434138-1604613006
Netto: 3,94 € zzgl. MwSt.
zzgl. 6,90 € Versand (brutto)
einmalig pro Bestellung

Lieferzeit: 5 Werktage

Pos.
52
BOSCH Druckfeder | Ersatzteile für GDS 24 | 3604610034
Hersteller: BOSCH
Artikelnummer: EB-0601434138-3604610034
Netto: 12,98 € zzgl. MwSt.
zzgl. 6,90 € Versand (brutto)
einmalig pro Bestellung

Lieferzeit: 5 Werktage

Pos.
53
BOSCH Spiralfeder | Ersatzteile für GDS 24 | 160465202C
Hersteller: BOSCH
Artikelnummer: EB-0601434138-160465202K
nur Informationsartikel
Nie mehr lieferbar
keine Alternativen
Pos.
54
BOSCH Zylinderschraube DIN 84-AM4x8-8.8 | Ersatzteile für GDS 24 | 2910021118
Hersteller: BOSCH
Artikelnummer: EB-0601434138-2910021118
Netto: 3,63 € zzgl. MwSt.
zzgl. 6,90 € Versand (brutto)
einmalig pro Bestellung

Lieferzeit: 5 Werktage

Pos.
55
BOSCH Isolierstreifen | Ersatzteile für GDS 24 | 3602317025
Hersteller: BOSCH
Artikelnummer: EB-0601434138-3602317025
Netto: 4,53 € zzgl. MwSt.
zzgl. 6,90 € Versand (brutto)
einmalig pro Bestellung

Lieferzeit: 5 Werktage

Pos.
56
BOSCH Blechschraube DIN 7971-ST3,9x16-F | Ersatzteile für GDS 24 | 2910211019
Hersteller: BOSCH
Artikelnummer: EB-0601434138-2910211019
Netto: 3,63 € zzgl. MwSt.
zzgl. 6,90 € Versand (brutto)
einmalig pro Bestellung

Lieferzeit: 5 Werktage

Pos.
59
BOSCH Linsenkopfschraube | Ersatzteile für GDS 24 | 3603435040
Hersteller: BOSCH
Artikelnummer: EB-0601434138-3603435040
Netto: 3,94 € zzgl. MwSt.
zzgl. 6,90 € Versand (brutto)
einmalig pro Bestellung

Lieferzeit: 5 Werktage

Pos.
60
BOSCH Innensechskantschraube DIN 912-BM 5x40-10.9 | Ersatzteile für GDS 24 | 2910151170
Hersteller: BOSCH
Artikelnummer: EB-0601434138-2910151170
Netto: 3,94 € zzgl. MwSt.
zzgl. 6,90 € Versand (brutto)
einmalig pro Bestellung

Lieferzeit: 5 Werktage

Pos.
61
BOSCH Linsenkopfschraube | Ersatzteile für GDS 24 | 3603435041
Hersteller: BOSCH
Artikelnummer: EB-0601434138-3603435041
Netto: 3,94 € zzgl. MwSt.
zzgl. 6,90 € Versand (brutto)
einmalig pro Bestellung

Lieferzeit: 5 Werktage

Pos.
62
BOSCH Blechschraube 5x30 | Ersatzteile für GDS 24 | 3603435027
Hersteller: BOSCH
Artikelnummer: EB-0601434138-3603435027
Netto: 3,63 € zzgl. MwSt.
zzgl. 6,90 € Versand (brutto)
einmalig pro Bestellung

Lieferzeit: 5 Werktage

Pos.
64
BOSCH Unterlegscheibe DIN 7603-A4x8 | Ersatzteile für GDS 24 | 3600120013
Hersteller: BOSCH
Artikelnummer: EB-0601434138-3600120013
Netto: 3,63 € zzgl. MwSt.
zzgl. 6,90 € Versand (brutto)
einmalig pro Bestellung

Lieferzeit: 5 Werktage

Pos.
65
BOSCH Distanzscheibe 0,4 MM DICK | Ersatzteile für GDS 24 | 1600101600
Hersteller: BOSCH
Artikelnummer: EB-0601434138-1600101600
Netto: 3,94 € zzgl. MwSt.
zzgl. 6,90 € Versand (brutto)
einmalig pro Bestellung

Lieferzeit: 5 Werktage

Pos.
66
BOSCH Hinweisschild ARBEITSHINWEIS | Ersatzteile für GDS 24 | 3601110224
Hersteller: BOSCH
Artikelnummer: EB-0601434138-3601110224
nur Informationsartikel
Nie mehr lieferbar
keine Alternativen
Pos.
67
BOSCH Schrumpfschlauch | Ersatzteile für GDS 24 | 1600712027
Hersteller: BOSCH
Artikelnummer: EB-0601434138-1600712027
Netto: 3,94 € zzgl. MwSt.
zzgl. 6,90 € Versand (brutto)
einmalig pro Bestellung

Lieferzeit: 5 Werktage

Pos.
68
BOSCH Elktr Leitg M Anschluss L=250 MM WEISS | Ersatzteile für GDS 24 | 3604448044
Hersteller: BOSCH
Artikelnummer: EB-0601434138-3604448044
Netto: 5,19 € zzgl. MwSt.
zzgl. 6,90 € Versand (brutto)
einmalig pro Bestellung

Lieferzeit: 5 Werktage

Pos.
69
BOSCH Verbindungsleitung L=470 MM WEISS | Ersatzteile für GDS 24 | 3604438025
Hersteller: BOSCH
Artikelnummer: EB-0601434138-3604438025
Netto: 7,76 € zzgl. MwSt.
zzgl. 6,90 € Versand (brutto)
einmalig pro Bestellung

Lieferzeit: 5 Werktage

Pos.
70
BOSCH Verbindungsleitung L=330 MM WEISS | Ersatzteile für GDS 24 | 1604438012
Hersteller: BOSCH
Artikelnummer: EB-0601434138-1604438012
Netto: 7,76 € zzgl. MwSt.
zzgl. 6,90 € Versand (brutto)
einmalig pro Bestellung

Lieferzeit: 5 Werktage

Pos.
71
BOSCH Verbindungsleitung L=330 MM | Ersatzteile für GDS 24 | 3604460135
Hersteller: BOSCH
Artikelnummer: EB-0601434138-3604460135
Netto: 8,33 € zzgl. MwSt.
zzgl. 6,90 € Versand (brutto)
einmalig pro Bestellung

Lieferzeit: 5 Werktage

Pos.
72
BOSCH Verbindungsleitung L=160 MM ROT | Ersatzteile für GDS 24 | 3604438008
Hersteller: BOSCH
Artikelnummer: EB-0601434138-3604438008
Netto: 8,33 € zzgl. MwSt.
zzgl. 6,90 € Versand (brutto)
einmalig pro Bestellung

Lieferzeit: 5 Werktage

Pos.
73
BOSCH Entstörfilter L=300 MM WEISS | Ersatzteile für GDS 24 | 3604503036
Hersteller: BOSCH
Artikelnummer: EB-0601434138-3604503036
Netto: 6,15 € zzgl. MwSt.
zzgl. 6,90 € Versand (brutto)
einmalig pro Bestellung

Lieferzeit: 5 Werktage

Pos.
74
BOSCH Entstörfilter L=150 MM BLAU | Ersatzteile für GDS 24 | 3604503037
Hersteller: BOSCH
Artikelnummer: EB-0601434138-3604503037
Netto: 6,15 € zzgl. MwSt.
zzgl. 6,90 € Versand (brutto)
einmalig pro Bestellung

Lieferzeit: 5 Werktage

Pos.
75
BOSCH Leitungsführung | Ersatzteile für GDS 24 | 3601025003
Hersteller: BOSCH
Artikelnummer: EB-0601434138-3601025003
Netto: 3,94 € zzgl. MwSt.
zzgl. 6,90 € Versand (brutto)
einmalig pro Bestellung

Lieferzeit: 5 Werktage

Pos.
76
BOSCH Torx-Linsenschraube | Ersatzteile für GDS 24 | 2914201527
Hersteller: BOSCH
Artikelnummer: EB-0601434138-2914201527
Netto: 4,32 € zzgl. MwSt.
zzgl. 6,90 € Versand (brutto)
einmalig pro Bestellung

Lieferzeit: 5 Werktage

Pos.
77
BOSCH Verschlussdeckel SCHWARZ | Ersatzteile für GDS 24 | 3605500062
Hersteller: BOSCH
Artikelnummer: EB-0601434138-3605500062
Netto: 11,92 € zzgl. MwSt.
zzgl. 6,90 € Versand (brutto)
einmalig pro Bestellung

Lieferzeit: 5 Werktage

Pos.
78
BOSCH Aufhängebügel | Ersatzteile für GDS 24 | 3601310013
Hersteller: BOSCH
Artikelnummer: EB-0601434138-3601310013
Netto: 19,18 € zzgl. MwSt.
zzgl. 6,90 € Versand (brutto)
einmalig pro Bestellung

Lieferzeit: 5 Werktage

Pos.
79
BOSCH Innensechskantschraube | Ersatzteile für GDS 24 | 2910131193
Hersteller: BOSCH
Artikelnummer: EB-0601434138-2910131193
Netto: 3,63 € zzgl. MwSt.
zzgl. 6,90 € Versand (brutto)
einmalig pro Bestellung

Lieferzeit: 5 Werktage

Pos.
80
BOSCH Torx-Linsenschraube | Ersatzteile für GDS 24 | 2914201508
Hersteller: BOSCH
Artikelnummer: EB-0601434138-2914201508
Netto: 3,63 € zzgl. MwSt.
zzgl. 6,90 € Versand (brutto)
einmalig pro Bestellung

Lieferzeit: 5 Werktage

Pos.
81
BOSCH Schrumpfschlauch | Ersatzteile für GDS 24 | 3600707022
Hersteller: BOSCH
Artikelnummer: EB-0601434138-3600707022
Netto: 5,19 € zzgl. MwSt.
zzgl. 6,90 € Versand (brutto)
einmalig pro Bestellung

Lieferzeit: 5 Werktage

Pos.
88
BOSCH Zylinderschraube | Ersatzteile für GDS 24 | 3603435045
Hersteller: BOSCH
Artikelnummer: EB-0601434138-3603435045
Netto: 3,63 € zzgl. MwSt.
zzgl. 6,90 € Versand (brutto)
einmalig pro Bestellung

Lieferzeit: 5 Werktage

Pos.
89
BOSCH Dichtung | Ersatzteile für GDS 24 | 3601023009
Hersteller: BOSCH
Artikelnummer: EB-0601434138-3601023009
Netto: 7,30 € zzgl. MwSt.
zzgl. 6,90 € Versand (brutto)
einmalig pro Bestellung

Lieferzeit: 5 Werktage

Pos.
90
BOSCH Sicherungsblech | Ersatzteile für GDS 24 | 1601030022
Hersteller: BOSCH
Artikelnummer: EB-0601434138-1601030022
Netto: 3,94 € zzgl. MwSt.
zzgl. 6,90 € Versand (brutto)
einmalig pro Bestellung

Lieferzeit: 5 Werktage

Pos.
180
BOSCH Warnschild ACHTUNG | Ersatzteile für GDS 24 | 3601119137
Hersteller: BOSCH
Artikelnummer: EB-0601434138-3601119137
Netto: 5,19 € zzgl. MwSt.
zzgl. 6,90 € Versand (brutto)
einmalig pro Bestellung

Lieferzeit: 5 Werktage

Pos.
650
BOSCH Zusatzhandgriff | Ersatzteile für GDS 24 | 160202509Z
Hersteller: BOSCH
Artikelnummer: EB-0601434138-16020250A1
Netto: 14,36 € zzgl. MwSt.
zzgl. 6,90 € Versand (brutto)
einmalig pro Bestellung

Lieferzeit: 5 Werktage

Pos.
650
BOSCH Zusatzhandgriff M14 SCHWARZ | Ersatzteile für GDS 24 | 1602025022
Hersteller: BOSCH
Artikelnummer: EB-0601434138-1602025022
Netto: 11,41 € zzgl. MwSt.
zzgl. 6,90 € Versand (brutto)
einmalig pro Bestellung

Lieferzeit: 5 Werktage

Pos.
650
BOSCH Zusatzhandgriff M14, Ø37x115 MM SCHWARZ | Ersatzteile für GDS 24 | 1602025030
Hersteller: BOSCH
Artikelnummer: EB-0601434138-1602025030
Netto: 14,92 € zzgl. MwSt.
zzgl. 6,90 € Versand (brutto)
einmalig pro Bestellung

Lieferzeit: 5 Werktage

Pos.
700
BOSCH Federzug 6-8 KG TRAGLAST | Ersatzteile für GDS 24 | 0607950925
Hersteller: BOSCH
Artikelnummer: EB-0601434138-0607950925
nur Informationsartikel
Nie mehr lieferbar
keine Alternativen
Pos.
711
BOSCH Dichtring Ø 8x14 MM | Ersatzteile für GDS 24 | 1600280000
Hersteller: BOSCH
Artikelnummer: EB-0601434138-1600280000
nur Informationsartikel
Nie mehr lieferbar
keine Alternativen
Pos.
711
BOSCH O-Ring 26,0x16,0 MM | Ersatzteile für GDS 24 | 1600210018
Hersteller: BOSCH
Artikelnummer: EB-0601434138-1600210018
nur Informationsartikel
Nie mehr lieferbar
keine Alternativen
Pos.
712
BOSCH Kugelgelenk 3/4", 90 MM | Ersatzteile für GDS 24 | 1608500008
Hersteller: BOSCH
Artikelnummer: EB-0601434138-1608500008
nur Informationsartikel
Nie mehr lieferbar
keine Alternativen
Pos.
751
BOSCH Gewindestück M14, L=70 MM | Ersatzteile für GDS 24 | 1603527017
Hersteller: BOSCH
Artikelnummer: EB-0601434138-1603527017
nur Informationsartikel
Nie mehr lieferbar
keine Alternativen
Pos.
802
BOSCH Polschuh 100-115V | Ersatzteile für GDS 24 | 3604220139
Hersteller: BOSCH
Artikelnummer: EB-0601434138-3604220139
Netto: 70,50 € zzgl. MwSt.
zzgl. 6,90 € Versand (brutto)
einmalig pro Bestellung

Lieferzeit: 5 Werktage

Pos.
803
BOSCH Anker Mit Lüfter 100V | Ersatzteile für GDS 24 | 3604010073
Hersteller: BOSCH
Artikelnummer: EB-0601434138-3604010073
nur Informationsartikel
Nie mehr lieferbar
keine Alternativen
Pos.
808
BOSCH Typschild | Ersatzteile für GDS 24 | 160111A3H3
Hersteller: BOSCH
Artikelnummer: EB-0601434138-160111A3H3
Netto: 4,53 € zzgl. MwSt.
zzgl. 6,90 € Versand (brutto)
einmalig pro Bestellung

Lieferzeit: 5 Werktage

Pos.
810
BOSCH Kohlebürstensatz | Ersatzteile für GDS 24 | 3607014012
Hersteller: BOSCH
Artikelnummer: EB-0601434138-3607014012
Netto: 21,16 € zzgl. MwSt.
zzgl. 6,90 € Versand (brutto)
einmalig pro Bestellung

Lieferzeit: 5 Werktage

Pos.
816
BOSCH Bürstenhalter | Ersatzteile für GDS 24 | 3604336012
Hersteller: BOSCH
Artikelnummer: EB-0601434138-3604336012
Netto: 6,70 € zzgl. MwSt.
zzgl. 6,90 € Versand (brutto)
einmalig pro Bestellung

Lieferzeit: 5 Werktage

Pos.
822
BOSCH Getriebegehäuse | Ersatzteile für GDS 24 | 3605806167
Hersteller: BOSCH
Artikelnummer: EB-0601434138-3605806167
Netto: 106,72 € zzgl. MwSt.
zzgl. 6,90 € Versand (brutto)
einmalig pro Bestellung

Lieferzeit: 5 Werktage

Pos.
823
BOSCH Zwischenflansch | Ersatzteile für GDS 24 | 3605806168
Hersteller: BOSCH
Artikelnummer: EB-0601434138-3605806168
Netto: 70,50 € zzgl. MwSt.
zzgl. 6,90 € Versand (brutto)
einmalig pro Bestellung

Lieferzeit: 5 Werktage

Pos.
824
BOSCH Handgriff BLAU | Ersatzteile für GDS 24 | 3605132064
Hersteller: BOSCH
Artikelnummer: EB-0601434138-3605132064
Netto: 21,16 € zzgl. MwSt.
zzgl. 6,90 € Versand (brutto)
einmalig pro Bestellung

Lieferzeit: 5 Werktage

Pos.
825
BOSCH Verschlussdeckel BLAU | Ersatzteile für GDS 24 | 3605500063
Hersteller: BOSCH
Artikelnummer: EB-0601434138-3605500060
Netto: 5,65 € zzgl. MwSt.
zzgl. 6,90 € Versand (brutto)
einmalig pro Bestellung

Lieferzeit: 5 Werktage

Pos.
826
BOSCH Schalter | Ersatzteile für GDS 24 | 3607200000
Hersteller: BOSCH
Artikelnummer: EB-0601434138-3607200000
Netto: 17,38 € zzgl. MwSt.
zzgl. 6,90 € Versand (brutto)
einmalig pro Bestellung

Lieferzeit: 24 Werktage

Pos.
834
BOSCH Radial-Wellendichtring | Ersatzteile für GDS 24 | 3600290070
Hersteller: BOSCH
Artikelnummer: EB-0601434138-3600290070
Netto: 10,92 € zzgl. MwSt.
zzgl. 6,90 € Versand (brutto)
einmalig pro Bestellung

Lieferzeit: 5 Werktage

Pos.
844
BOSCH Getriebewelle | Ersatzteile für GDS 24 | 1607000C6N
Hersteller: BOSCH
Artikelnummer: EB-0601434138-1607000C6N
Netto: 77,60 € zzgl. MwSt.
zzgl. 6,90 € Versand (brutto)
einmalig pro Bestellung

Lieferzeit: 5 Werktage

Pos.
855
BOSCH Sicherungsfeder | Ersatzteile für GDS 24 | 3607000094
Hersteller: BOSCH
Artikelnummer: EB-0601434138-3607000094
Netto: 12,98 € zzgl. MwSt.
zzgl. 6,90 € Versand (brutto)
einmalig pro Bestellung

Lieferzeit: 5 Werktage

Pos.
869
BOSCH Verbindungsleitung L=450 MM WEISS | Ersatzteile für GDS 24 | 3604460009
Hersteller: BOSCH
Artikelnummer: EB-0601434138-3604460009
Netto: 7,18 € zzgl. MwSt.
zzgl. 6,90 € Versand (brutto)
einmalig pro Bestellung

Lieferzeit: 5 Werktage

Pos.
871
BOSCH Verbindungsleitung L=345 MM GRAU | Ersatzteile für GDS 24 | 1604438013
Hersteller: BOSCH
Artikelnummer: EB-0601434138-1604438013
Netto: 7,58 € zzgl. MwSt.
zzgl. 6,90 € Versand (brutto)
einmalig pro Bestellung

Lieferzeit: 5 Werktage

Pos.
875
BOSCH Leitungsführung | Ersatzteile für GDS 24 | 1601025001
Hersteller: BOSCH
Artikelnummer: EB-0601434138-1601025001
Netto: 3,94 € zzgl. MwSt.
zzgl. 6,90 € Versand (brutto)
einmalig pro Bestellung

Lieferzeit: 5 Werktage

Angaben zur Produktsicherheit

Hersteller:
Robert Bosch Power Tools GmbH
Postfach 30 02 20
70442 Stuttgart

E-Mail:
kontakt@bosch.de