BOSCH Zusatzhandgriff | Ersatzteile für GDS 30 | 160202509Z

Artikelnummer: EB-0601435108-160202509Z

Position: 650

Marke: BOSCH


Bitte Kompatibilität prüfen!

Bitte prüfen Sie unbedingt die 10-stellige Typennummer Ihrer Maschine / Ihres Gerätes. Das Ersatzteil ist nur kompatibel, wenn Sie die Typennummer Ihrer Maschine in der unten stehenden Produktbeschreibung finden.

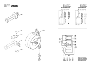
Bitte prüfen Sie ebenfalls detailliert die Explosionszeichnung mit Ihrem Artikelwunsch und der jeweiligen Pos-Nummer.

Alle Elemente, welche vom schwarzen Strich der Pos-Nummer ausgehend berührt / erfasst werden, gehören zu dieser Pos-Nummer und somit zu diesem Artikel. Jede Pos-Nummer ist ein eigenständiger Artikel, welchen Sie in der Auflistung finden.

Sie erhalten stets die aktuellste, neueste Produktversion zu der gewählten Pos-Nummer seitens des Herstellers. Es kann daher je nach Gerätealter vorkommen, dass Sie ggf. weitere, zugehörige Elemente, welche an diese Pos-Nummer grenzen, ebenfalls mittauschen müssen.

Nähere Informationen finden Sie unter dem Link
Hinweise zu Ihrer BOSCH Ersatzteilsuche

Preisübersicht

Einzelpreis: 14,36 €* (Brutto: 17,09 €)
Gesamtpreis: 14,36 €* 
Position:

Lieferzeit: 5 Werktage


Beschreibung

  • Zusatzhandgriff
  • Original Bosch Zubehör / BOSCH Ersatzteil (160202509Z)
  • im Gerät verbaut: 1
Dieses BOSCH Ersatzteil ist mit folgendem Gerät und Modell kompatibel:
  • BOSCH Gerätename: GDS 30
  • BOSCH Explosionszeichnung: Position 650
  • BOSCH Typennummer: 0601435108
  • BOSCH Typennummer alternative Schreibweisen: 0 601 435 108, 0601 435 108, 0.601.435.108, 0-601-435-108
    Bitte prüfen Sie diese Typennummer auf Ihrem Gerät um die Kompatibilität des BOSCH Ersatzteils zu gewährleisten.
Weitere BOSCH Ersatzteile des Gerätes GDS 30 (Schlagschrauber) mit der Typennummer 0601435108 finden Sie in der nachfolgenden Darstellung und im Dropdown zu Ihrer Auswahl:

Pos.
1
BOSCH Motorgehäuse BLAU | Ersatzteile für GDS 30 | 3605108091
Hersteller: BOSCH
Artikelnummer: EB-0601435108-3605108091
Netto: 29,45 € zzgl. MwSt.
zzgl. 0,00 € Versand (brutto)
einmalig pro Bestellung

Lieferzeit: 5 Werktage

Pos.
53
BOSCH Spiralfeder | Ersatzteile für GDS 30 | 160465202C
Hersteller: BOSCH
Artikelnummer: EB-0601435108-160465202C
nur Informationsartikel
Nie mehr lieferbar
keine Alternativen
Pos.
650
BOSCH Zusatzhandgriff | Ersatzteile für GDS 30 | 160202509Z
Hersteller: BOSCH
Artikelnummer: EB-0601435108-160202509Z
Netto: 14,36 € zzgl. MwSt.
zzgl. 0,00 € Versand (brutto)
einmalig pro Bestellung

Lieferzeit: 5 Werktage

Pos.
3/50
BOSCH Lüfter | Ersatzteile für GDS 30 | 1606610122
Hersteller: BOSCH
Artikelnummer: EB-0601435108-1606610122
Netto: 4,82 € zzgl. MwSt.
zzgl. 0,00 € Versand (brutto)
einmalig pro Bestellung

Lieferzeit: 5 Werktage

Pos.
4
BOSCH Schalter | Ersatzteile für GDS 30 | 1607200079
Hersteller: BOSCH
Artikelnummer: EB-0601435108-1607200079
Netto: 29,45 € zzgl. MwSt.
zzgl. 0,00 € Versand (brutto)
einmalig pro Bestellung

Lieferzeit: 5 Werktage

Pos.
4/10
BOSCH Zylinderschraube DIN 84-AM3,5x6-5.8 | Ersatzteile für GDS 30 | 2910011082
Hersteller: BOSCH
Artikelnummer: EB-0601435108-2910011082
Netto: 3,63 € zzgl. MwSt.
zzgl. 0,00 € Versand (brutto)
einmalig pro Bestellung

Lieferzeit: 5 Werktage

Pos.
6
BOSCH Tülle Ø9,2-Ø12x120 MM | Ersatzteile für GDS 30 | 3600703011
Hersteller: BOSCH
Artikelnummer: EB-0601435108-3600703011
Netto: 4,82 € zzgl. MwSt.
zzgl. 0,00 € Versand (brutto)
einmalig pro Bestellung

Lieferzeit: 5 Werktage

Pos.
7
BOSCH Befestigungsschelle | Ersatzteile für GDS 30 | 1601302014
Hersteller: BOSCH
Artikelnummer: EB-0601435108-1601302014
Netto: 3,94 € zzgl. MwSt.
zzgl. 0,00 € Versand (brutto)
einmalig pro Bestellung

Lieferzeit: 5 Werktage

Pos.
12
BOSCH Entstörfilter | Ersatzteile für GDS 30 | 2607329096
Hersteller: BOSCH
Artikelnummer: EB-0601435108-2607329096
Netto: 7,76 € zzgl. MwSt.
zzgl. 0,00 € Versand (brutto)
einmalig pro Bestellung

Lieferzeit: 5 Werktage

Pos.
13
BOSCH Kugellager 7x19x6 | Ersatzteile für GDS 30 | 2600905032
Hersteller: BOSCH
Artikelnummer: EB-0601435108-2600905032
Netto: 6,15 € zzgl. MwSt.
zzgl. 0,00 € Versand (brutto)
einmalig pro Bestellung

Lieferzeit: 8 Werktage

Pos.
9
BOSCH Klebeschild | Ersatzteile für GDS 30 | 3601110614
Hersteller: BOSCH
Artikelnummer: EB-0601435108-3601110614
Netto: 4,53 € zzgl. MwSt.
zzgl. 0,00 € Versand (brutto)
einmalig pro Bestellung

Lieferzeit: 5 Werktage

Pos.
14
BOSCH Rillenkugellager 9x26x8 | Ersatzteile für GDS 30 | 3600905131
Hersteller: BOSCH
Artikelnummer: EB-0601435108-3600905131
Netto: 9,95 € zzgl. MwSt.
zzgl. 0,00 € Versand (brutto)
einmalig pro Bestellung

Lieferzeit: 5 Werktage

Pos.
20
BOSCH Zylinderstift DIN 7-5H8x14 | Ersatzteile für GDS 30 | 2917500119
Hersteller: BOSCH
Artikelnummer: EB-0601435108-2917500119
Netto: 3,63 € zzgl. MwSt.
zzgl. 0,00 € Versand (brutto)
einmalig pro Bestellung

Lieferzeit: 5 Werktage

Pos.
21
BOSCH Spindellager | Ersatzteile für GDS 30 | 3605806222
Hersteller: BOSCH
Artikelnummer: EB-0601435108-3605806222
Netto: 57,47 € zzgl. MwSt.
zzgl. 0,00 € Versand (brutto)
einmalig pro Bestellung

Lieferzeit: 5 Werktage

Pos.
27
BOSCH Kupplungshälfte | Ersatzteile für GDS 30 | 1606455054
Hersteller: BOSCH
Artikelnummer: EB-0601435108-1606455054
Netto: 169,85 € zzgl. MwSt.
zzgl. 0,00 € Versand (brutto)
einmalig pro Bestellung

Lieferzeit: 5 Werktage

Pos.
28
BOSCH Distanzring | Ersatzteile für GDS 30 | 3600202019
Hersteller: BOSCH
Artikelnummer: EB-0601435108-3600202019
Netto: 21,16 € zzgl. MwSt.
zzgl. 0,00 € Versand (brutto)
einmalig pro Bestellung

Lieferzeit: 5 Werktage

Pos.
29
BOSCH Schläger | Ersatzteile für GDS 30 | 1608710028
Hersteller: BOSCH
Artikelnummer: EB-0601435108-1608710028
Netto: 210,92 € zzgl. MwSt.
zzgl. 0,00 € Versand (brutto)
einmalig pro Bestellung

Lieferzeit: 5 Werktage

Pos.
30
BOSCH Antriebswelle | Ersatzteile für GDS 30 | 1603124106
Hersteller: BOSCH
Artikelnummer: EB-0601435108-1603124106
Netto: 121,18 € zzgl. MwSt.
zzgl. 0,00 € Versand (brutto)
einmalig pro Bestellung

Lieferzeit: 5 Werktage

Pos.
31
BOSCH Stützring | Ersatzteile für GDS 30 | 3600220019
Hersteller: BOSCH
Artikelnummer: EB-0601435108-3600220019
Netto: 96,32 € zzgl. MwSt.
zzgl. 0,00 € Versand (brutto)
einmalig pro Bestellung

Lieferzeit: 5 Werktage

Pos.
32
BOSCH Luftleitring | Ersatzteile für GDS 30 | 1600502019
Hersteller: BOSCH
Artikelnummer: EB-0601435108-1600502019
Netto: 5,19 € zzgl. MwSt.
zzgl. 0,00 € Versand (brutto)
einmalig pro Bestellung

Lieferzeit: 5 Werktage

Pos.
33
BOSCH Zwischenring | Ersatzteile für GDS 30 | 3600300042
Hersteller: BOSCH
Artikelnummer: EB-0601435108-3600300042
Netto: 9,18 € zzgl. MwSt.
zzgl. 0,00 € Versand (brutto)
einmalig pro Bestellung

Lieferzeit: 5 Werktage

Pos.
35
BOSCH Nadelhülse Ø8xØ12x8 MM | Ersatzteile für GDS 30 | 1600910018
Hersteller: BOSCH
Artikelnummer: EB-0601435108-1600910018
Netto: 6,15 € zzgl. MwSt.
zzgl. 0,00 € Versand (brutto)
einmalig pro Bestellung

Lieferzeit: 5 Werktage

Pos.
36
BOSCH Rillenkugellager 17x40x12 | Ersatzteile für GDS 30 | 1900905281
Hersteller: BOSCH
Artikelnummer: EB-0601435108-1900905281
Netto: 26,88 € zzgl. MwSt.
zzgl. 0,00 € Versand (brutto)
einmalig pro Bestellung

Lieferzeit: 5 Werktage

Pos.
37
BOSCH Kugel DIN 5401-9 MM III-ST | Ersatzteile für GDS 30 | 1903230015
Hersteller: BOSCH
Artikelnummer: EB-0601435108-1903230015
Netto: 4,53 € zzgl. MwSt.
zzgl. 0,00 € Versand (brutto)
einmalig pro Bestellung

Lieferzeit: 5 Werktage

Pos.
38
BOSCH Kugel DIN 5401-5 G28 | Ersatzteile für GDS 30 | 1903230009
Hersteller: BOSCH
Artikelnummer: EB-0601435108-1903230009
Netto: 3,63 € zzgl. MwSt.
zzgl. 0,00 € Versand (brutto)
einmalig pro Bestellung

Lieferzeit: 5 Werktage

Pos.
39
BOSCH Sicherungsring | Ersatzteile für GDS 30 | 1600119004
Hersteller: BOSCH
Artikelnummer: EB-0601435108-1600119004
Netto: 4,82 € zzgl. MwSt.
zzgl. 0,00 € Versand (brutto)
einmalig pro Bestellung

Lieferzeit: 5 Werktage

Pos.
40
BOSCH Federscheibe Ø32,3xØ43,5x0,6 MM | Ersatzteile für GDS 30 | 1600150009
Hersteller: BOSCH
Artikelnummer: EB-0601435108-1600150009
Netto: 4,82 € zzgl. MwSt.
zzgl. 0,00 € Versand (brutto)
einmalig pro Bestellung

Lieferzeit: 5 Werktage

Pos.
41
BOSCH Sicherungsbügel DIN 471-15x1-FSt | Ersatzteile für GDS 30 | 2916650006
Hersteller: BOSCH
Artikelnummer: EB-0601435108-2916650006
Netto: 3,94 € zzgl. MwSt.
zzgl. 0,00 € Versand (brutto)
einmalig pro Bestellung

Lieferzeit: 5 Werktage

Pos.
42
BOSCH Passfeder DIN 6885-A6X4X14 | Ersatzteile für GDS 30 | 1902300083
Hersteller: BOSCH
Artikelnummer: EB-0601435108-1902300083
Netto: 3,63 € zzgl. MwSt.
zzgl. 0,00 € Versand (brutto)
einmalig pro Bestellung

Lieferzeit: 5 Werktage

Pos.
43
BOSCH Stirnrad Z=25 | Ersatzteile für GDS 30 | 3606301006
Hersteller: BOSCH
Artikelnummer: EB-0601435108-3606301006
Netto: 57,47 € zzgl. MwSt.
zzgl. 0,00 € Versand (brutto)
einmalig pro Bestellung

Lieferzeit: 5 Werktage

Pos.
45
BOSCH Ausgleichscheibe 0,5 MM DICK | Ersatzteile für GDS 30 | 1600100617
Hersteller: BOSCH
Artikelnummer: EB-0601435108-1600100617
Netto: 3,94 € zzgl. MwSt.
zzgl. 0,00 € Versand (brutto)
einmalig pro Bestellung

Lieferzeit: 5 Werktage

Pos.
46
BOSCH O-Ring 35,0x3,0 MM | Ersatzteile für GDS 30 | 3600210131
Hersteller: BOSCH
Artikelnummer: EB-0601435108-3600210131
Netto: 5,19 € zzgl. MwSt.
zzgl. 0,00 € Versand (brutto)
einmalig pro Bestellung

Lieferzeit: 5 Werktage

Pos.
47
BOSCH O-Ring 66,0x3,0 MM | Ersatzteile für GDS 30 | 1600210005
Hersteller: BOSCH
Artikelnummer: EB-0601435108-1600210005
Netto: 4,82 € zzgl. MwSt.
zzgl. 0,00 € Versand (brutto)
einmalig pro Bestellung

Lieferzeit: 5 Werktage

Pos.
48
BOSCH Gummiring | Ersatzteile für GDS 30 | 1600206022
Hersteller: BOSCH
Artikelnummer: EB-0601435108-1600206022
Netto: 4,32 € zzgl. MwSt.
zzgl. 0,00 € Versand (brutto)
einmalig pro Bestellung

Lieferzeit: 5 Werktage

Pos.
49
BOSCH Lagerdeckel | Ersatzteile für GDS 30 | 3605500043
Hersteller: BOSCH
Artikelnummer: EB-0601435108-3605500043
Netto: 5,67 € zzgl. MwSt.
zzgl. 0,00 € Versand (brutto)
einmalig pro Bestellung

Lieferzeit: 5 Werktage

Pos.
50
BOSCH Zwischenring | Ersatzteile für GDS 30 | 1600502011
Hersteller: BOSCH
Artikelnummer: EB-0601435108-1600502011
Netto: 4,53 € zzgl. MwSt.
zzgl. 0,00 € Versand (brutto)
einmalig pro Bestellung

Lieferzeit: 5 Werktage

Pos.
51
BOSCH Druckfeder | Ersatzteile für GDS 30 | 1604613006
Hersteller: BOSCH
Artikelnummer: EB-0601435108-1604613006
Netto: 3,94 € zzgl. MwSt.
zzgl. 0,00 € Versand (brutto)
einmalig pro Bestellung

Lieferzeit: 5 Werktage

Pos.
52
BOSCH Druckfeder | Ersatzteile für GDS 30 | 3604610059
Hersteller: BOSCH
Artikelnummer: EB-0601435108-3604610059
Netto: 17,38 € zzgl. MwSt.
zzgl. 0,00 € Versand (brutto)
einmalig pro Bestellung

Lieferzeit: 5 Werktage

Pos.
54
BOSCH Zylinderschraube DIN 84-AM4x8-8.8 | Ersatzteile für GDS 30 | 2910021118
Hersteller: BOSCH
Artikelnummer: EB-0601435108-2910021118
Netto: 3,63 € zzgl. MwSt.
zzgl. 0,00 € Versand (brutto)
einmalig pro Bestellung

Lieferzeit: 5 Werktage

Pos.
55
BOSCH Isolierstreifen | Ersatzteile für GDS 30 | 3602317025
Hersteller: BOSCH
Artikelnummer: EB-0601435108-3602317025
Netto: 4,53 € zzgl. MwSt.
zzgl. 0,00 € Versand (brutto)
einmalig pro Bestellung

Lieferzeit: 5 Werktage

Pos.
56
BOSCH Blechschraube DIN 7971-ST3,9x16-F | Ersatzteile für GDS 30 | 2910211019
Hersteller: BOSCH
Artikelnummer: EB-0601435108-2910211019
Netto: 3,63 € zzgl. MwSt.
zzgl. 0,00 € Versand (brutto)
einmalig pro Bestellung

Lieferzeit: 5 Werktage

Pos.
59
BOSCH Linsenkopfschraube | Ersatzteile für GDS 30 | 3603435040
Hersteller: BOSCH
Artikelnummer: EB-0601435108-3603435040
Netto: 3,94 € zzgl. MwSt.
zzgl. 0,00 € Versand (brutto)
einmalig pro Bestellung

Lieferzeit: 5 Werktage

Pos.
60
BOSCH Innensechskantschraube DIN 912-BM 5x40-10.9 | Ersatzteile für GDS 30 | 2910151170
Hersteller: BOSCH
Artikelnummer: EB-0601435108-2910151170
Netto: 3,94 € zzgl. MwSt.
zzgl. 0,00 € Versand (brutto)
einmalig pro Bestellung

Lieferzeit: 5 Werktage

Pos.
61
BOSCH Linsenkopfschraube | Ersatzteile für GDS 30 | 3603435041
Hersteller: BOSCH
Artikelnummer: EB-0601435108-3603435041
Netto: 3,94 € zzgl. MwSt.
zzgl. 0,00 € Versand (brutto)
einmalig pro Bestellung

Lieferzeit: 5 Werktage

Pos.
62
BOSCH Blechschraube 5x30 | Ersatzteile für GDS 30 | 3603435027
Hersteller: BOSCH
Artikelnummer: EB-0601435108-3603435027
Netto: 3,63 € zzgl. MwSt.
zzgl. 0,00 € Versand (brutto)
einmalig pro Bestellung

Lieferzeit: 5 Werktage

Pos.
63
BOSCH Verbindungsleitung L=60 MM BLAU | Ersatzteile für GDS 30 | 3604412002
Hersteller: BOSCH
Artikelnummer: EB-0601435108-3604412002
Netto: 7,76 € zzgl. MwSt.
zzgl. 0,00 € Versand (brutto)
einmalig pro Bestellung

Lieferzeit: 5 Werktage

Pos.
64
BOSCH Unterlegscheibe DIN 7603-A4x8 | Ersatzteile für GDS 30 | 3600120013
Hersteller: BOSCH
Artikelnummer: EB-0601435108-3600120013
Netto: 3,63 € zzgl. MwSt.
zzgl. 0,00 € Versand (brutto)
einmalig pro Bestellung

Lieferzeit: 5 Werktage

Pos.
65
BOSCH Distanzscheibe 0,4 MM DICK | Ersatzteile für GDS 30 | 1600101600
Hersteller: BOSCH
Artikelnummer: EB-0601435108-1600101600
Netto: 3,94 € zzgl. MwSt.
zzgl. 0,00 € Versand (brutto)
einmalig pro Bestellung

Lieferzeit: 5 Werktage

Pos.
66
BOSCH Klebeschild | Ersatzteile für GDS 30 | 3601110370
Hersteller: BOSCH
Artikelnummer: EB-0601435108-3601110370
Netto: 5,19 € zzgl. MwSt.
zzgl. 0,00 € Versand (brutto)
einmalig pro Bestellung

Lieferzeit: 5 Werktage

Pos.
67
BOSCH Schrumpfschlauch | Ersatzteile für GDS 30 | 1600712027
Hersteller: BOSCH
Artikelnummer: EB-0601435108-1600712027
Netto: 3,94 € zzgl. MwSt.
zzgl. 0,00 € Versand (brutto)
einmalig pro Bestellung

Lieferzeit: 5 Werktage

Pos.
68
BOSCH Elktr Leitg M Anschluss L=250 MM WEISS | Ersatzteile für GDS 30 | 3604448044
Hersteller: BOSCH
Artikelnummer: EB-0601435108-3604448044
Netto: 5,19 € zzgl. MwSt.
zzgl. 0,00 € Versand (brutto)
einmalig pro Bestellung

Lieferzeit: 5 Werktage

Pos.
69
BOSCH Verbindungsleitung L=470 MM WEISS | Ersatzteile für GDS 30 | 3604438025
Hersteller: BOSCH
Artikelnummer: EB-0601435108-3604438025
Netto: 7,76 € zzgl. MwSt.
zzgl. 0,00 € Versand (brutto)
einmalig pro Bestellung

Lieferzeit: 5 Werktage

Pos.
70
BOSCH Verbindungsleitung L=330 MM WEISS | Ersatzteile für GDS 30 | 1604438012
Hersteller: BOSCH
Artikelnummer: EB-0601435108-1604438012
Netto: 7,76 € zzgl. MwSt.
zzgl. 0,00 € Versand (brutto)
einmalig pro Bestellung

Lieferzeit: 5 Werktage

Pos.
BOSCH Spiralfeder | Ersatzteile für GDS 30 | 160465202K
Hersteller: BOSCH
Artikelnummer:
Netto: 4,53 € zzgl. MwSt.
zzgl. 0,00 € Versand (brutto)
einmalig pro Bestellung

Lieferzeit: 5 Werktage

Pos.
71
BOSCH Verbindungsleitung L=330 MM | Ersatzteile für GDS 30 | 3604460135
Hersteller: BOSCH
Artikelnummer: EB-0601435108-3604460135
Netto: 8,33 € zzgl. MwSt.
zzgl. 0,00 € Versand (brutto)
einmalig pro Bestellung

Lieferzeit: 5 Werktage

Pos.
72
BOSCH Verbindungsleitung L=160 MM ROT | Ersatzteile für GDS 30 | 3604438008
Hersteller: BOSCH
Artikelnummer: EB-0601435108-3604438008
Netto: 8,33 € zzgl. MwSt.
zzgl. 0,00 € Versand (brutto)
einmalig pro Bestellung

Lieferzeit: 5 Werktage

Pos.
73
BOSCH Entstörfilter L=300 MM WEISS | Ersatzteile für GDS 30 | 3604503036
Hersteller: BOSCH
Artikelnummer: EB-0601435108-3604503036
Netto: 6,15 € zzgl. MwSt.
zzgl. 0,00 € Versand (brutto)
einmalig pro Bestellung

Lieferzeit: 5 Werktage

Pos.
74
BOSCH Entstörfilter L=150 MM BLAU | Ersatzteile für GDS 30 | 3604503037
Hersteller: BOSCH
Artikelnummer: EB-0601435108-3604503037
Netto: 6,15 € zzgl. MwSt.
zzgl. 0,00 € Versand (brutto)
einmalig pro Bestellung

Lieferzeit: 5 Werktage

Pos.
75
BOSCH Leitungsführung | Ersatzteile für GDS 30 | 3601025003
Hersteller: BOSCH
Artikelnummer: EB-0601435108-3601025003
Netto: 3,94 € zzgl. MwSt.
zzgl. 0,00 € Versand (brutto)
einmalig pro Bestellung

Lieferzeit: 5 Werktage

Pos.
76
BOSCH Torx-Linsenschraube | Ersatzteile für GDS 30 | 2914201527
Hersteller: BOSCH
Artikelnummer: EB-0601435108-2914201527
Netto: 4,32 € zzgl. MwSt.
zzgl. 0,00 € Versand (brutto)
einmalig pro Bestellung

Lieferzeit: 5 Werktage

Pos.
77
BOSCH Verschlussdeckel SCHWARZ | Ersatzteile für GDS 30 | 3605500062
Hersteller: BOSCH
Artikelnummer: EB-0601435108-3605500062
Netto: 11,92 € zzgl. MwSt.
zzgl. 0,00 € Versand (brutto)
einmalig pro Bestellung

Lieferzeit: 5 Werktage

Pos.
78
BOSCH Aufhängebügel | Ersatzteile für GDS 30 | 3601310013
Hersteller: BOSCH
Artikelnummer: EB-0601435108-3601310013
Netto: 19,18 € zzgl. MwSt.
zzgl. 0,00 € Versand (brutto)
einmalig pro Bestellung

Lieferzeit: 5 Werktage

Pos.
79
BOSCH Innensechskantschraube | Ersatzteile für GDS 30 | 2910131193
Hersteller: BOSCH
Artikelnummer: EB-0601435108-2910131193
Netto: 3,63 € zzgl. MwSt.
zzgl. 0,00 € Versand (brutto)
einmalig pro Bestellung

Lieferzeit: 5 Werktage

Pos.
80
BOSCH Torx-Linsenschraube | Ersatzteile für GDS 30 | 2914201508
Hersteller: BOSCH
Artikelnummer: EB-0601435108-2914201508
Netto: 3,63 € zzgl. MwSt.
zzgl. 0,00 € Versand (brutto)
einmalig pro Bestellung

Lieferzeit: 5 Werktage

Pos.
81
BOSCH Schrumpfschlauch | Ersatzteile für GDS 30 | 3600707022
Hersteller: BOSCH
Artikelnummer: EB-0601435108-3600707022
Netto: 5,19 € zzgl. MwSt.
zzgl. 0,00 € Versand (brutto)
einmalig pro Bestellung

Lieferzeit: 5 Werktage

Pos.
88
BOSCH Zylinderschraube | Ersatzteile für GDS 30 | 3603435045
Hersteller: BOSCH
Artikelnummer: EB-0601435108-3603435045
Netto: 3,63 € zzgl. MwSt.
zzgl. 0,00 € Versand (brutto)
einmalig pro Bestellung

Lieferzeit: 5 Werktage

Pos.
89
BOSCH Dichtung | Ersatzteile für GDS 30 | 3601023010
Hersteller: BOSCH
Artikelnummer: EB-0601435108-3601023010
Netto: 7,30 € zzgl. MwSt.
zzgl. 0,00 € Versand (brutto)
einmalig pro Bestellung

Lieferzeit: 5 Werktage

Pos.
90
BOSCH Sicherungsblech | Ersatzteile für GDS 30 | 1601030022
Hersteller: BOSCH
Artikelnummer: EB-0601435108-1601030022
Netto: 3,94 € zzgl. MwSt.
zzgl. 0,00 € Versand (brutto)
einmalig pro Bestellung

Lieferzeit: 5 Werktage

Pos.
650
BOSCH Zusatzhandgriff M14 SCHWARZ | Ersatzteile für GDS 30 | 1602025022
Hersteller: BOSCH
Artikelnummer: EB-0601435108-1602025022
Netto: 11,41 € zzgl. MwSt.
zzgl. 0,00 € Versand (brutto)
einmalig pro Bestellung

Lieferzeit: 5 Werktage

Pos.
650
BOSCH Zusatzhandgriff M14, Ø37x115 MM SCHWARZ | Ersatzteile für GDS 30 | 1602025030
Hersteller: BOSCH
Artikelnummer: EB-0601435108-1602025030
Netto: 14,92 € zzgl. MwSt.
zzgl. 0,00 € Versand (brutto)
einmalig pro Bestellung

Lieferzeit: 5 Werktage

Pos.
700
BOSCH Federzug 8-10 KG TRAGLAST | Ersatzteile für GDS 30 | 0607950926
Hersteller: BOSCH
Artikelnummer: EB-0601435108-0607950926
nur Informationsartikel
Nie mehr lieferbar
keine Alternativen
Pos.
712
BOSCH Kugelgelenk 1 Zoll, 100 MM | Ersatzteile für GDS 30 | 1608500009
Hersteller: BOSCH
Artikelnummer: EB-0601435108-1608500009
Netto: 173,25 € zzgl. MwSt.
zzgl. 0,00 € Versand (brutto)
einmalig pro Bestellung

Lieferzeit: 5 Werktage

Pos.
751
BOSCH Gewindestück M14, L=70 MM | Ersatzteile für GDS 30 | 1603527017
Hersteller: BOSCH
Artikelnummer: EB-0601435108-1603527017
nur Informationsartikel
Nie mehr lieferbar
keine Alternativen
Pos.
802
BOSCH Polschuh 220-230V | Ersatzteile für GDS 30 | 3604220138
Hersteller: BOSCH
Artikelnummer: EB-0601435108-3604220138
Netto: 63,99 € zzgl. MwSt.
zzgl. 0,00 € Versand (brutto)
einmalig pro Bestellung

Lieferzeit: 5 Werktage

Pos.
803
BOSCH Anker 220-230V | Ersatzteile für GDS 30 | 3604010071
Hersteller: BOSCH
Artikelnummer: EB-0601435108-3604010071
Netto: 135,20 € zzgl. MwSt.
zzgl. 0,00 € Versand (brutto)
einmalig pro Bestellung

Lieferzeit: 5 Werktage

Pos.
805
BOSCH Netzanschlussleitung EU 4,15m 2 x 1,0mm H07 RN-F | Ersatzteile für GDS 30 | 1607000227
Hersteller: BOSCH
Artikelnummer: EB-0601435108-1607000227
Netto: 21,16 € zzgl. MwSt.
zzgl. 0,00 € Versand (brutto)
einmalig pro Bestellung

Lieferzeit: 5 Werktage

Pos.
808
BOSCH Typschild | Ersatzteile für GDS 30 | 160111A3H3
Hersteller: BOSCH
Artikelnummer: EB-0601435108-160111A3H3
Netto: 4,53 € zzgl. MwSt.
zzgl. 0,00 € Versand (brutto)
einmalig pro Bestellung

Lieferzeit: 5 Werktage

Pos.
808
BOSCH Typschild 26x52 MM | Ersatzteile für GDS 30 | 1601106032
Hersteller: BOSCH
Artikelnummer: EB-0601435108-1601106032
nur Informationsartikel
Nie mehr lieferbar
keine Alternativen
Pos.
810
BOSCH Kohlebürstensatz | Ersatzteile für GDS 30 | 3607014012
Hersteller: BOSCH
Artikelnummer: EB-0601435108-3607014012
Netto: 21,16 € zzgl. MwSt.
zzgl. 0,00 € Versand (brutto)
einmalig pro Bestellung

Lieferzeit: 21 Werktage

Pos.
822
BOSCH Getriebegehäuse | Ersatzteile für GDS 30 | 3607031648
Hersteller: BOSCH
Artikelnummer: EB-0601435108-3607031648
Netto: 106,72 € zzgl. MwSt.
zzgl. 0,00 € Versand (brutto)
einmalig pro Bestellung

Lieferzeit: 5 Werktage

Pos.
823
BOSCH Zwischenflansch | Ersatzteile für GDS 30 | 3605806168
Hersteller: BOSCH
Artikelnummer: EB-0601435108-3605806168
Netto: 70,50 € zzgl. MwSt.
zzgl. 0,00 € Versand (brutto)
einmalig pro Bestellung

Lieferzeit: 5 Werktage

Pos.
824
BOSCH Handgriff BLAU | Ersatzteile für GDS 30 | 3605132064
Hersteller: BOSCH
Artikelnummer: EB-0601435108-3605132064
Netto: 21,16 € zzgl. MwSt.
zzgl. 0,00 € Versand (brutto)
einmalig pro Bestellung

Lieferzeit: 5 Werktage

Pos.
825
BOSCH Verschlussdeckel BLAU | Ersatzteile für GDS 30 | 3605500060
Hersteller: BOSCH
Artikelnummer: EB-0601435108-3605500060
Netto: 3,94 € zzgl. MwSt.
zzgl. 0,00 € Versand (brutto)
einmalig pro Bestellung

Lieferzeit: 5 Werktage

Pos.
826
BOSCH Schalter | Ersatzteile für GDS 30 | 3607200000
Hersteller: BOSCH
Artikelnummer: EB-0601435108-3607200000
Netto: 17,38 € zzgl. MwSt.
zzgl. 0,00 € Versand (brutto)
einmalig pro Bestellung

Lieferzeit: 5 Werktage

Pos.
834
BOSCH Radial-Wellendichtring | Ersatzteile für GDS 30 | 3600290070
Hersteller: BOSCH
Artikelnummer: EB-0601435108-3600290070
Netto: 10,92 € zzgl. MwSt.
zzgl. 0,00 € Versand (brutto)
einmalig pro Bestellung

Lieferzeit: 5 Werktage

Pos.
844
BOSCH Getriebewelle | Ersatzteile für GDS 30 | 1607000C6N
Hersteller: BOSCH
Artikelnummer: EB-0601435108-1607000C6N
Netto: 77,60 € zzgl. MwSt.
zzgl. 0,00 € Versand (brutto)
einmalig pro Bestellung

Lieferzeit: 5 Werktage

Pos.
855
BOSCH Sicherungsfeder | Ersatzteile für GDS 30 | 3607000094
Hersteller: BOSCH
Artikelnummer: EB-0601435108-3607000094
Netto: 12,98 € zzgl. MwSt.
zzgl. 0,00 € Versand (brutto)
einmalig pro Bestellung

Lieferzeit: 5 Werktage

Pos.
860
BOSCH Innensechskantschraube | Ersatzteile für GDS 30 | 3603414028
Hersteller: BOSCH
Artikelnummer: EB-0601435108-3603414028
Netto: 3,94 € zzgl. MwSt.
zzgl. 0,00 € Versand (brutto)
einmalig pro Bestellung

Lieferzeit: 5 Werktage

Pos.
869
BOSCH Verbindungsleitung L=450 MM WEISS | Ersatzteile für GDS 30 | 3604460009
Hersteller: BOSCH
Artikelnummer: EB-0601435108-3604460009
Netto: 7,18 € zzgl. MwSt.
zzgl. 0,00 € Versand (brutto)
einmalig pro Bestellung

Lieferzeit: 5 Werktage

Pos.
871
BOSCH Verbindungsleitung L=345 MM GRAU | Ersatzteile für GDS 30 | 1604438013
Hersteller: BOSCH
Artikelnummer: EB-0601435108-1604438013
Netto: 7,58 € zzgl. MwSt.
zzgl. 0,00 € Versand (brutto)
einmalig pro Bestellung

Lieferzeit: 5 Werktage

Pos.
875
BOSCH Leitungsführung | Ersatzteile für GDS 30 | 1601025001
Hersteller: BOSCH
Artikelnummer: EB-0601435108-1601025001
Netto: 3,94 € zzgl. MwSt.
zzgl. 0,00 € Versand (brutto)
einmalig pro Bestellung

Lieferzeit: 5 Werktage

Pos.
BOSCH Zusatzhandgriff | Ersatzteile für GDS 30 | 16020250A1
Hersteller: BOSCH
Artikelnummer:
Netto: 12,98 € zzgl. MwSt.
zzgl. 0,00 € Versand (brutto)
einmalig pro Bestellung

Lieferzeit: 5 Werktage

Pos.
816
BOSCH Bürstenhalter | Ersatzteile für GDS 30 | 3604336012
Hersteller: BOSCH
Artikelnummer: EB-0601435108-3604336012
Netto: 6,70 € zzgl. MwSt.
zzgl. 0,00 € Versand (brutto)
einmalig pro Bestellung

Lieferzeit: 5 Werktage

Angaben zur Produktsicherheit

Hersteller:
Robert Bosch Power Tools GmbH
Postfach 30 02 20
70442 Stuttgart

E-Mail:
kontakt@bosch.de