BOSCH Ausgleichscheibe 0,5 MM | Ersatzteile für GEB 1000 CE | 2600101091

Artikelnummer: EB-0601213750-2600101091

Position: 35

Marke: BOSCH


Bitte Kompatibilität prüfen!

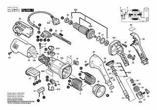
Bitte prüfen Sie unbedingt die 10-stellige Typennummer Ihrer Maschine / Ihres Gerätes. Das Ersatzteil ist nur kompatibel, wenn Sie die Typennummer Ihrer Maschine in der unten stehenden Produktbeschreibung finden.

Bitte prüfen Sie ebenfalls detailliert die Explosionszeichnung mit Ihrem Artikelwunsch und der jeweiligen Pos-Nummer.

Alle Elemente, welche vom schwarzen Strich der Pos-Nummer ausgehend berührt / erfasst werden, gehören zu dieser Pos-Nummer und somit zu diesem Artikel. Jede Pos-Nummer ist ein eigenständiger Artikel, welchen Sie in der Auflistung finden.

Sie erhalten stets die aktuellste, neueste Produktversion zu der gewählten Pos-Nummer seitens des Herstellers. Es kann daher je nach Gerätealter vorkommen, dass Sie ggf. weitere, zugehörige Elemente, welche an diese Pos-Nummer grenzen, ebenfalls mittauschen müssen.

Nähere Informationen finden Sie unter dem Link
Hinweise zu Ihrer BOSCH Ersatzteilsuche

Preisübersicht

Einzelpreis: 4,36 €* (Brutto: 5,19 €)
Gesamtpreis: 4,36 €* 
Position:

Lieferzeit: 5 Werktage


Beschreibung

  • Ausgleichscheibe 0,5 MM
  • Original Bosch Zubehör / BOSCH Ersatzteil (2600101091)
  • im Gerät verbaut: 1
Dieses BOSCH Ersatzteil ist mit folgendem Gerät und Modell kompatibel:
  • BOSCH Gerätename: GEB 1000 CE
  • BOSCH Explosionszeichnung: Position 35
  • BOSCH Typennummer: 0601213750
  • BOSCH Typennummer alternative Schreibweisen: 0 601 213 750, 0601 213 750, 0.601.213.750, 0-601-213-750
    Bitte prüfen Sie diese Typennummer auf Ihrem Gerät um die Kompatibilität des BOSCH Ersatzteils zu gewährleisten.
Weitere BOSCH Ersatzteile des Gerätes GEB 1000 CE (Elektrobürste) mit der Typennummer 0601213750 finden Sie in der nachfolgenden Darstellung und im Dropdown zu Ihrer Auswahl:

Pos.
1
BOSCH Motorgehäuse BLAU | Ersatzteile für GEB 1000 CE | 1605108213
Hersteller: BOSCH
Artikelnummer: EB-0601213750-1605108213
Netto: 8,23 € zzgl. MwSt.
zzgl. 6,90 € Versand (brutto)
einmalig pro Bestellung

Lieferzeit: 5 Werktage

Pos.
3/50
BOSCH Lüfter | Ersatzteile für GEB 1000 CE | 1606610129
Hersteller: BOSCH
Artikelnummer: EB-0601213750-1606610129
Netto: 4,36 € zzgl. MwSt.
zzgl. 6,90 € Versand (brutto)
einmalig pro Bestellung

Lieferzeit: 5 Werktage

Pos.
4/10
BOSCH Flachkopfschraube DIN 85-AM3x6-CUZN | Ersatzteile für GEB 1000 CE | 2910110048
Hersteller: BOSCH
Artikelnummer: EB-0601213750-2910110048
Netto: 3,60 € zzgl. MwSt.
zzgl. 6,90 € Versand (brutto)
einmalig pro Bestellung

Lieferzeit: 5 Werktage

Pos.
2
BOSCH Polschuh | Ersatzteile für ELECTRO-BRUSH | 1607000F0P
Hersteller: BOSCH
Artikelnummer: EB-0601213750-1607000F0P
Netto: 26,41 € zzgl. MwSt.
zzgl. 6,90 € Versand (brutto)
einmalig pro Bestellung

Lieferzeit: 5 Werktage

Pos.
2
BOSCH Polschuh 220-240V | Ersatzteile für GEB 1000 CE | 1604220459
Hersteller: BOSCH
Artikelnummer: EB-0601213750-1604220459
Netto: 14,92 € zzgl. MwSt.
zzgl. 6,90 € Versand (brutto)
einmalig pro Bestellung

Lieferzeit: 5 Werktage

Pos.
4
BOSCH Ein/Aus-Schalter | Ersatzteile für GEB 1000 CE | 1607200086
Hersteller: BOSCH
Artikelnummer: EB-0601213750-1607200086
Netto: 9,75 € zzgl. MwSt.
zzgl. 6,90 € Versand (brutto)
einmalig pro Bestellung

Lieferzeit: 5 Werktage

Pos.
5
BOSCH Netzanschlussleitung I/BR 230V 4,15m 2 x 1,0mm H05 RN-F | Ersatzteile für GEB 1000 CE | 2604460287
Hersteller: BOSCH
Artikelnummer: EB-0601213750-2604460287
nur Informationsartikel
Nie mehr lieferbar
keine Alternativen
Pos.
6
BOSCH Tülle Ø8,3-Ø9,4x95 MM | Ersatzteile für GEB 1000 CE | 2600703011
Hersteller: BOSCH
Artikelnummer: EB-0601213750-2600703011
Netto: 4,80 € zzgl. MwSt.
zzgl. 6,90 € Versand (brutto)
einmalig pro Bestellung

Lieferzeit: 5 Werktage

Pos.
7
BOSCH Befestigungsschelle | Ersatzteile für GEB 1000 CE | 1601302017
Hersteller: BOSCH
Artikelnummer: EB-0601213750-1601302017
Netto: 3,60 € zzgl. MwSt.
zzgl. 6,90 € Versand (brutto)
einmalig pro Bestellung

Lieferzeit: 5 Werktage

Pos.
9
BOSCH Firmenschild | Ersatzteile für GEB 1000 CE | 1601118791
Hersteller: BOSCH
Artikelnummer: EB-0601213750-1601118791
Netto: 5,13 € zzgl. MwSt.
zzgl. 6,90 € Versand (brutto)
einmalig pro Bestellung

Lieferzeit: 5 Werktage

Pos.
12
BOSCH Entstörfilter | Ersatzteile für GEB 1000 CE | 1607328042
Hersteller: BOSCH
Artikelnummer: EB-0601213750-1607328042
Netto: 7,26 € zzgl. MwSt.
zzgl. 6,90 € Versand (brutto)
einmalig pro Bestellung

Lieferzeit: 5 Werktage

Pos.
13
BOSCH Kugellager 7x19x6 | Ersatzteile für GEB 1000 CE | 2600905032
Hersteller: BOSCH
Artikelnummer: EB-0601213750-2600905032
Netto: 6,27 € zzgl. MwSt.
zzgl. 6,90 € Versand (brutto)
einmalig pro Bestellung

Lieferzeit: 5 Werktage

Pos.
14
BOSCH Rillenkugellager 8x22x7 | Ersatzteile für GEB 1000 CE | 1600905016
Hersteller: BOSCH
Artikelnummer: EB-0601213750-1600905016
Netto: 9,05 € zzgl. MwSt.
zzgl. 6,90 € Versand (brutto)
einmalig pro Bestellung

Lieferzeit: 5 Werktage

Pos.
16
BOSCH Bürstenhalter | Ersatzteile für GEB 1000 CE | 1601323025
Hersteller: BOSCH
Artikelnummer: EB-0601213750-1601323025
Netto: 4,80 € zzgl. MwSt.
zzgl. 6,90 € Versand (brutto)
einmalig pro Bestellung

Lieferzeit: 5 Werktage

Pos.
18
BOSCH Schaltergriff SCHWARZ | Ersatzteile für GEB 1000 CE | 1602026057
Hersteller: BOSCH
Artikelnummer: EB-0601213750-1602026057
Netto: 3,94 € zzgl. MwSt.
zzgl. 6,90 € Versand (brutto)
einmalig pro Bestellung

Lieferzeit: 5 Werktage

Pos.
19
BOSCH Druckfeder | Ersatzteile für GEB 1000 CE | 1604611026
Hersteller: BOSCH
Artikelnummer: EB-0601213750-1604611026
Netto: 3,60 € zzgl. MwSt.
zzgl. 6,90 € Versand (brutto)
einmalig pro Bestellung

Lieferzeit: 5 Werktage

Pos.
20
BOSCH Verstellschieber SCHWARZ | Ersatzteile für GEB 1000 CE | 1602319010
Hersteller: BOSCH
Artikelnummer: EB-0601213750-1602319010
Netto: 3,94 € zzgl. MwSt.
zzgl. 6,90 € Versand (brutto)
einmalig pro Bestellung

Lieferzeit: 5 Werktage

Pos.
25
BOSCH Gehäusedeckel BLAU | Ersatzteile für GEB 1000 CE | 1605190144
Hersteller: BOSCH
Artikelnummer: EB-0601213750-1605190144
nur Informationsartikel
Nie mehr lieferbar
keine Alternativen
Pos.
26
BOSCH Zwischenring | Ersatzteile für GEB 1000 CE | 1600502023
Hersteller: BOSCH
Artikelnummer: EB-0601213750-1600502023
nur Informationsartikel
Nie mehr lieferbar
keine Alternativen
Pos.
27
BOSCH Gummiring | Ersatzteile für GEB 1000 CE | 1600206025
Hersteller: BOSCH
Artikelnummer: EB-0601213750-1600206025
Netto: 4,36 € zzgl. MwSt.
zzgl. 6,90 € Versand (brutto)
einmalig pro Bestellung

Lieferzeit: 5 Werktage

Pos.
29
BOSCH Luftleitring | Ersatzteile für GEB 1000 CE | 1600591025
Hersteller: BOSCH
Artikelnummer: EB-0601213750-1600591025
Netto: 4,56 € zzgl. MwSt.
zzgl. 6,90 € Versand (brutto)
einmalig pro Bestellung

Lieferzeit: 5 Werktage

Pos.
32
BOSCH Antriebswelle | Ersatzteile für GEB 1000 CE | 2603020028
Hersteller: BOSCH
Artikelnummer: EB-0601213750-2603020028
nur Informationsartikel
Nie mehr lieferbar
keine Alternativen
Pos.
35
BOSCH Ausgleichscheibe 0,2 MM | Ersatzteile für GEB 1000 CE | 2600101088
Hersteller: BOSCH
Artikelnummer: EB-0601213750-2600101088
Netto: 3,94 € zzgl. MwSt.
zzgl. 6,90 € Versand (brutto)
einmalig pro Bestellung

Lieferzeit: 5 Werktage

Pos.
35
BOSCH Ausgleichscheibe 0,3 MM | Ersatzteile für GEB 1000 CE | 2600101089
Hersteller: BOSCH
Artikelnummer: EB-0601213750-2600101089
nur Informationsartikel
Nie mehr lieferbar
keine Alternativen
Pos.
35
BOSCH Ausgleichscheibe 0,4 MM | Ersatzteile für GEB 1000 CE | 2600101090
Hersteller: BOSCH
Artikelnummer: EB-0601213750-2600101090
nur Informationsartikel
Nie mehr lieferbar
keine Alternativen
Pos.
35
BOSCH Ausgleichscheibe 0,5 MM | Ersatzteile für GEB 1000 CE | 2600101091
Hersteller: BOSCH
Artikelnummer: EB-0601213750-2600101091
Netto: 4,36 € zzgl. MwSt.
zzgl. 6,90 € Versand (brutto)
einmalig pro Bestellung

Lieferzeit: 5 Werktage

Pos.
38
BOSCH Tellerrad Z=36 | Ersatzteile für GEB 1000 CE | 2606100064
Hersteller: BOSCH
Artikelnummer: EB-0601213750-2606100064
Netto: 9,05 € zzgl. MwSt.
zzgl. 6,90 € Versand (brutto)
einmalig pro Bestellung

Lieferzeit: 5 Werktage

Pos.
39
BOSCH Ritzel Z=10 | Ersatzteile für GEB 1000 CE | 2606333034
Hersteller: BOSCH
Artikelnummer: EB-0601213750-2606333034
Netto: 7,18 € zzgl. MwSt.
zzgl. 6,90 € Versand (brutto)
einmalig pro Bestellung

Lieferzeit: 5 Werktage

Pos.
40
BOSCH Sicherungsbügel | Ersatzteile für GEB 1000 CE | 1600119011
Hersteller: BOSCH
Artikelnummer: EB-0601213750-1600119011
Netto: 4,36 € zzgl. MwSt.
zzgl. 6,90 € Versand (brutto)
einmalig pro Bestellung

Lieferzeit: 5 Werktage

Pos.
45
BOSCH Sechskantmutter M7, SW10 | Ersatzteile für GEB 1000 CE | 1603300016
Hersteller: BOSCH
Artikelnummer: EB-0601213750-1603300016
Netto: 3,94 € zzgl. MwSt.
zzgl. 6,90 € Versand (brutto)
einmalig pro Bestellung

Lieferzeit: 5 Werktage

Pos.
47
BOSCH Blechschraube DIN7981-ST3,9x13-C-Z | Ersatzteile für GEB 1000 CE | 2912401018
Hersteller: BOSCH
Artikelnummer: EB-0601213750-2912401018
Netto: 3,60 € zzgl. MwSt.
zzgl. 6,90 € Versand (brutto)
einmalig pro Bestellung

Lieferzeit: 5 Werktage

Pos.
48
BOSCH Blechschraube DIN7981-ST2,9x9,5C-Z | Ersatzteile für GEB 1000 CE | 2912401005
Hersteller: BOSCH
Artikelnummer: EB-0601213750-2912401005
Netto: 3,60 € zzgl. MwSt.
zzgl. 6,90 € Versand (brutto)
einmalig pro Bestellung

Lieferzeit: 5 Werktage

Pos.
50
BOSCH Blechschraube TORX-T20 | Ersatzteile für GEB 1000 CE | 1603435061
Hersteller: BOSCH
Artikelnummer: EB-0601213750-1603435061
nur Informationsartikel
Nie mehr lieferbar
keine Alternativen
Pos.
51
BOSCH Drehzahlregler 230-240V | Ersatzteile für GEB 1000 CE | 1607233130
Hersteller: BOSCH
Artikelnummer: EB-0601213750-1607233130
nur Informationsartikel
Nie mehr lieferbar
keine Alternativen
Pos.
55
BOSCH Gewindefurchschraube | Ersatzteile für GEB 1000 CE | 1603435062
Hersteller: BOSCH
Artikelnummer: EB-0601213750-1603435062
nur Informationsartikel
Nie mehr lieferbar
keine Alternativen
Pos.
60
BOSCH Gehäuseschale BLAU | Ersatzteile für GEB 1000 CE | 1605132133
Hersteller: BOSCH
Artikelnummer: EB-0601213750-1605132133
nur Informationsartikel
Nie mehr lieferbar
keine Alternativen
Pos.
62
BOSCH Rillenkugellager | Ersatzteile für GEB 1000 CE | 1600900042
Hersteller: BOSCH
Artikelnummer: EB-0601213750-1600900042
Netto: 6,75 € zzgl. MwSt.
zzgl. 6,90 € Versand (brutto)
einmalig pro Bestellung

Lieferzeit: 5 Werktage

Pos.
63
BOSCH Rillenkugellager 12x28x8 | Ersatzteile für GEB 1000 CE | 1900905121
Hersteller: BOSCH
Artikelnummer: EB-0601213750-1900905121
nur Informationsartikel
Nie mehr lieferbar
keine Alternativen
Pos.
64
BOSCH Warnschild | Ersatzteile für GEB 1000 CE | 1601118792
Hersteller: BOSCH
Artikelnummer: EB-0601213750-1601118792
nur Informationsartikel
Nie mehr lieferbar
keine Alternativen
Pos.
65
BOSCH Dämpfungsgummi | Ersatzteile für GEB 1000 CE | 2603100056
Hersteller: BOSCH
Artikelnummer: EB-0601213750-2603100056
Netto: 3,94 € zzgl. MwSt.
zzgl. 6,90 € Versand (brutto)
einmalig pro Bestellung

Lieferzeit: 5 Werktage

Pos.
67
BOSCH Druckfeder | Ersatzteile für GEB 1000 CE | 2604616009
Hersteller: BOSCH
Artikelnummer: EB-0601213750-2604616009
Netto: 3,60 € zzgl. MwSt.
zzgl. 6,90 € Versand (brutto)
einmalig pro Bestellung

Lieferzeit: 5 Werktage

Pos.
68
BOSCH Spannscheibe | Ersatzteile für GEB 1000 CE | 2600190089
Hersteller: BOSCH
Artikelnummer: EB-0601213750-2600190089
Netto: 4,33 € zzgl. MwSt.
zzgl. 6,90 € Versand (brutto)
einmalig pro Bestellung

Lieferzeit: 5 Werktage

Pos.
72
BOSCH Haltefeder | Ersatzteile für GEB 1000 CE | 2601290022
Hersteller: BOSCH
Artikelnummer: EB-0601213750-2601290022
nur Informationsartikel
Nie mehr lieferbar
keine Alternativen
Pos.
73
BOSCH Schaltschieber ROT | Ersatzteile für GEB 1000 CE | 2602319016
Hersteller: BOSCH
Artikelnummer: EB-0601213750-2602319016
nur Informationsartikel
Nie mehr lieferbar
keine Alternativen
Pos.
74
BOSCH Druckfeder | Ersatzteile für GEB 1000 CE | 2604611046
Hersteller: BOSCH
Artikelnummer: EB-0601213750-2604611046
nur Informationsartikel
Nie mehr lieferbar
keine Alternativen
Pos.
75
BOSCH Druckfeder | Ersatzteile für GEB 1000 CE | 2604615013
Hersteller: BOSCH
Artikelnummer: EB-0601213750-2604615013
nur Informationsartikel
Nie mehr lieferbar
keine Alternativen
Pos.
76
BOSCH Spannring | Ersatzteile für GEB 1000 CE | 2600290038
Hersteller: BOSCH
Artikelnummer: EB-0601213750-2600290038
Netto: 3,60 € zzgl. MwSt.
zzgl. 6,90 € Versand (brutto)
einmalig pro Bestellung

Lieferzeit: 5 Werktage

Pos.
105
BOSCH Isolierplatte | Ersatzteile für GEB 1000 CE | 1601008006
Hersteller: BOSCH
Artikelnummer: EB-0601213750-1601008006
nur Informationsartikel
Nie mehr lieferbar
keine Alternativen
Pos.
803
BOSCH Anker Mit Lüfter 220-240V | Ersatzteile für GEB 1000 CE | 1604010640
Hersteller: BOSCH
Artikelnummer: EB-0601213750-1604010640
Netto: 51,18 € zzgl. MwSt.
zzgl. 6,90 € Versand (brutto)
einmalig pro Bestellung

Lieferzeit: 5 Werktage

Pos.
808
BOSCH Typschild | Ersatzteile für GEB 1000 CE | 160111A3H3
Hersteller: BOSCH
Artikelnummer: EB-0601213750-160111A3H3
Netto: 4,56 € zzgl. MwSt.
zzgl. 6,90 € Versand (brutto)
einmalig pro Bestellung

Lieferzeit: 5 Werktage

Pos.
810
BOSCH Kohlebürstensatz | Ersatzteile für GEB 1000 CE | 1607014176
Hersteller: BOSCH
Artikelnummer: EB-0601213750-1607014176
Netto: 11,58 € zzgl. MwSt.
zzgl. 6,90 € Versand (brutto)
einmalig pro Bestellung

Lieferzeit: 5 Werktage

Pos.
821
BOSCH Getriebegehäuse | Ersatzteile für GEB 1000 CE | 1605806485
Hersteller: BOSCH
Artikelnummer: EB-0601213750-1605806485
nur Informationsartikel
Nie mehr lieferbar
keine Alternativen
Pos.
832
BOSCH Antriebswelle | Ersatzteile für GEB 1000 CE | 1607000861
Hersteller: BOSCH
Artikelnummer: EB-0601213750-1607000861
nur Informationsartikel
Nie mehr lieferbar
keine Alternativen
Pos.
869
BOSCH Betätigungselement | Ersatzteile für GEB 1000 CE | 2600499053
Hersteller: BOSCH
Artikelnummer: EB-0601213750-2600499053
nur Informationsartikel
Nie mehr lieferbar
keine Alternativen

Angaben zur Produktsicherheit

Hersteller:
Robert Bosch Power Tools GmbH
Postfach 30 02 20
70442 Stuttgart

E-Mail:
kontakt@bosch.de