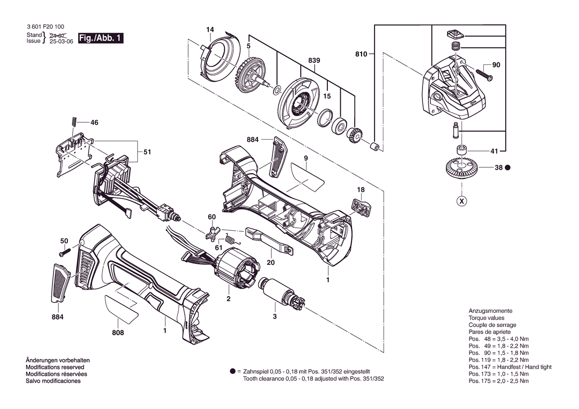
BOSCH Umlenkhebel | Ersatzteile für GFF 18V-22 | 1619P15795

Artikelnummer: EB-3601F20100-1619P15795

Position: 60

Marke: BOSCH


Bitte Kompatibilität prüfen!

Bitte prüfen Sie unbedingt die 10-stellige Typennummer Ihrer Maschine / Ihres Gerätes. Das Ersatzteil ist nur kompatibel, wenn Sie die Typennummer Ihrer Maschine in der unten stehenden Produktbeschreibung finden.

Bitte prüfen Sie ebenfalls detailliert die Explosionszeichnung mit Ihrem Artikelwunsch und der jeweiligen Pos-Nummer.

Alle Elemente, welche vom schwarzen Strich der Pos-Nummer ausgehend berührt / erfasst werden, gehören zu dieser Pos-Nummer und somit zu diesem Artikel. Jede Pos-Nummer ist ein eigenständiger Artikel, welchen Sie in der Auflistung finden.

Sie erhalten stets die aktuellste, neueste Produktversion zu der gewählten Pos-Nummer seitens des Herstellers. Es kann daher je nach Gerätealter vorkommen, dass Sie ggf. weitere, zugehörige Elemente, welche an diese Pos-Nummer grenzen, ebenfalls mittauschen müssen.

Nähere Informationen finden Sie unter dem Link
Hinweise zu Ihrer BOSCH Ersatzteilsuche

Preisübersicht

Einzelpreis: 3,63 €* (Brutto: 4,32 €)
Gesamtpreis: 3,63 €* 
Position:

Lieferzeit: 5 Werktage


Beschreibung

  • Umlenkhebel
  • Original Bosch Zubehör / BOSCH Ersatzteil (1619P15795)
  • im Gerät verbaut: 1
Dieses BOSCH Ersatzteil ist mit folgendem Gerät und Modell kompatibel:
  • BOSCH Gerätename: GFF 18V-22
  • BOSCH Explosionszeichnung: Position 60
  • BOSCH Typennummer: 3601F20100
  • BOSCH Typennummer alternative Schreibweisen: 3 601 F20 100, 3601 F20 100, 3.601.F20.100, 3-601-F20-100
    Bitte prüfen Sie diese Typennummer auf Ihrem Gerät um die Kompatibilität des BOSCH Ersatzteils zu gewährleisten.
Weitere BOSCH Ersatzteile des Gerätes GFF 18V-22 (Flachdübelfräse) mit der Typennummer 3601F20100 finden Sie in der nachfolgenden Darstellung und im Dropdown zu Ihrer Auswahl:

Pos.
1
BOSCH Motorgehäuse | Ersatzteile für GFF 18V-22 | 1619P15044
Hersteller: BOSCH
Artikelnummer: EB-3601F20100-1619P15044
Netto: 9,95 € zzgl. MwSt.
zzgl. 6,90 € Versand (brutto)
einmalig pro Bestellung

Lieferzeit: 5 Werktage

Pos.
10/129
BOSCH Flachrundschraube | Ersatzteile für GFF 18V-22 | 1600A02LP5
Hersteller: BOSCH
Artikelnummer: EB-3601F20100-1600A02LP5
Netto: 3,63 € zzgl. MwSt.
zzgl. 6,90 € Versand (brutto)
einmalig pro Bestellung

Lieferzeit: 5 Werktage

Pos.
10/130
BOSCH Rahmen | Ersatzteile für GFF 18V-22 | 1600A02LM8
Hersteller: BOSCH
Artikelnummer: EB-3601F20100-1600A02LM8
Netto: 21,16 € zzgl. MwSt.
zzgl. 6,90 € Versand (brutto)
einmalig pro Bestellung

Lieferzeit: 5 Werktage

Pos.
10/131
BOSCH Zylinderstift | Ersatzteile für GFF 18V-22 | 1600A02LN7
Hersteller: BOSCH
Artikelnummer: EB-3601F20100-1600A02LN7
Netto: 4,53 € zzgl. MwSt.
zzgl. 6,90 € Versand (brutto)
einmalig pro Bestellung

Lieferzeit: 5 Werktage

Pos.
10/132
BOSCH O-Ring 4,0X1,5 MM | Ersatzteile für GFF 18V-22 | 1610210043
Hersteller: BOSCH
Artikelnummer: EB-3601F20100-1610210043
Netto: 3,94 € zzgl. MwSt.
zzgl. 6,90 € Versand (brutto)
einmalig pro Bestellung

Lieferzeit: 5 Werktage

Pos.
10/133
BOSCH Zugfeder | Ersatzteile für GFF 18V-22 | 1600A02LP9
Hersteller: BOSCH
Artikelnummer: EB-3601F20100-1600A02LP9
Netto: 5,67 € zzgl. MwSt.
zzgl. 6,90 € Versand (brutto)
einmalig pro Bestellung

Lieferzeit: 5 Werktage

Pos.
10/134
BOSCH Druckfeder | Ersatzteile für GFF 18V-22 | 160461205E
Hersteller: BOSCH
Artikelnummer: EB-3601F20100-160461205E
Netto: 3,63 € zzgl. MwSt.
zzgl. 6,90 € Versand (brutto)
einmalig pro Bestellung

Lieferzeit: 5 Werktage

Pos.
10/135
BOSCH Kugel | Ersatzteile für GFF 18V-22 | 1600A02LN8
Hersteller: BOSCH
Artikelnummer: EB-3601F20100-1600A02LN8
Netto: 3,63 € zzgl. MwSt.
zzgl. 6,90 € Versand (brutto)
einmalig pro Bestellung

Lieferzeit: 5 Werktage

Pos.
10/136
BOSCH Passscheibe | Ersatzteile für GFF 18V-22 | 1600A02LP4
Hersteller: BOSCH
Artikelnummer: EB-3601F20100-1600A02LP4
Netto: 3,63 € zzgl. MwSt.
zzgl. 6,90 € Versand (brutto)
einmalig pro Bestellung

Lieferzeit: 5 Werktage

Pos.
10/137
BOSCH Sechskantmutter | Ersatzteile für GFF 18V-22 | 1600A02LN9
Hersteller: BOSCH
Artikelnummer: EB-3601F20100-1600A02LN9
Netto: 3,94 € zzgl. MwSt.
zzgl. 6,90 € Versand (brutto)
einmalig pro Bestellung

Lieferzeit: 5 Werktage

Pos.
10/138
BOSCH Spannhebel | Ersatzteile für GFF 18V-22 | 1600A02LP0
Hersteller: BOSCH
Artikelnummer: EB-3601F20100-1600A02LP0
Netto: 3,94 € zzgl. MwSt.
zzgl. 6,90 € Versand (brutto)
einmalig pro Bestellung

Lieferzeit: 5 Werktage

Pos.
10/139
BOSCH Linsenschraube | Ersatzteile für GFF 18V-22 | 1600A02LP6
Hersteller: BOSCH
Artikelnummer: EB-3601F20100-1600A02LP6
Netto: 3,94 € zzgl. MwSt.
zzgl. 6,90 € Versand (brutto)
einmalig pro Bestellung

Lieferzeit: 5 Werktage

Pos.
10/140
BOSCH Gummianschlag | Ersatzteile für GFF 18V-22 | 1600A02LN4
Hersteller: BOSCH
Artikelnummer: EB-3601F20100-1600A02LN4
Netto: 3,63 € zzgl. MwSt.
zzgl. 6,90 € Versand (brutto)
einmalig pro Bestellung

Lieferzeit: 5 Werktage

Pos.
10/141
BOSCH Sicherungsring | Ersatzteile für GFF 18V-22 | 1600150047
Hersteller: BOSCH
Artikelnummer: EB-3601F20100-1600150047
Netto: 3,63 € zzgl. MwSt.
zzgl. 6,90 € Versand (brutto)
einmalig pro Bestellung

Lieferzeit: 5 Werktage

Pos.
10/142
BOSCH Gehäuseunterteil | Ersatzteile für GFF 18V-22 | 1600A02LN0
Hersteller: BOSCH
Artikelnummer: EB-3601F20100-1600A02LN0
Netto: 26,88 € zzgl. MwSt.
zzgl. 6,90 € Versand (brutto)
einmalig pro Bestellung

Lieferzeit: 5 Werktage

Pos.
10/146
BOSCH Verschlussscheibe | Ersatzteile für GFF 18V-22 | 1600A02LP1
Hersteller: BOSCH
Artikelnummer: EB-3601F20100-1600A02LP1
Netto: 3,94 € zzgl. MwSt.
zzgl. 6,90 € Versand (brutto)
einmalig pro Bestellung

Lieferzeit: 5 Werktage

Pos.
10/147
BOSCH Verschlussschraube | Ersatzteile für GFF 18V-22 | 1600A02LP2
Hersteller: BOSCH
Artikelnummer: EB-3601F20100-1600A02LP2
Netto: 4,82 € zzgl. MwSt.
zzgl. 6,90 € Versand (brutto)
einmalig pro Bestellung

Lieferzeit: 5 Werktage

Pos.
10/148
BOSCH O-Ring | Ersatzteile für GFF 18V-22 | 16002100B9
Hersteller: BOSCH
Artikelnummer: EB-3601F20100-16002100B9
Netto: 3,63 € zzgl. MwSt.
zzgl. 6,90 € Versand (brutto)
einmalig pro Bestellung

Lieferzeit: 5 Werktage

Pos.
10/149
BOSCH Absauganschluss | Ersatzteile für GFF 18V-22 | 1600A02LN5
Hersteller: BOSCH
Artikelnummer: EB-3601F20100-1600A02LN5
Netto: 3,94 € zzgl. MwSt.
zzgl. 6,90 € Versand (brutto)
einmalig pro Bestellung

Lieferzeit: 5 Werktage

Pos.
10/158
BOSCH Gehäuseoberteil | Ersatzteile für GFF 18V-22 | 1600A02LM9
Hersteller: BOSCH
Artikelnummer: EB-3601F20100-1600A02LM9
Netto: 29,45 € zzgl. MwSt.
zzgl. 6,90 € Versand (brutto)
einmalig pro Bestellung

Lieferzeit: 5 Werktage

Pos.
10/159
BOSCH Zylinderschraube | Ersatzteile für GFF 18V-22 | 160341001U
Hersteller: BOSCH
Artikelnummer: EB-3601F20100-160341001U
Netto: 3,94 € zzgl. MwSt.
zzgl. 6,90 € Versand (brutto)
einmalig pro Bestellung

Lieferzeit: 5 Werktage

Pos.
10/160
BOSCH Tiefenanschlag | Ersatzteile für GFF 18V-22 | 1600A02LN6
Hersteller: BOSCH
Artikelnummer: EB-3601F20100-1600A02LN6
Netto: 9,95 € zzgl. MwSt.
zzgl. 6,90 € Versand (brutto)
einmalig pro Bestellung

Lieferzeit: 5 Werktage

Pos.
10/181
BOSCH Sechskantschraube | Ersatzteile für GFF 18V-22 | 16034350A8
Hersteller: BOSCH
Artikelnummer: EB-3601F20100-16034350A8
Netto: 3,63 € zzgl. MwSt.
zzgl. 6,90 € Versand (brutto)
einmalig pro Bestellung

Lieferzeit: 5 Werktage

Pos.
10/182
BOSCH Werkstückanschlag | Ersatzteile für GFF 18V-22 | 1600A02LN1
Hersteller: BOSCH
Artikelnummer: EB-3601F20100-1600A02LN1
Netto: 19,18 € zzgl. MwSt.
zzgl. 6,90 € Versand (brutto)
einmalig pro Bestellung

Lieferzeit: 5 Werktage

Pos.
10/183
BOSCH Rändelschraube | Ersatzteile für GFF 18V-22 | 1600A02LP3
Hersteller: BOSCH
Artikelnummer: EB-3601F20100-1600A02LP3
Netto: 3,63 € zzgl. MwSt.
zzgl. 6,90 € Versand (brutto)
einmalig pro Bestellung

Lieferzeit: 5 Werktage

Pos.
10/184
BOSCH Blattfeder | Ersatzteile für GFF 18V-22 | 160120000N
Hersteller: BOSCH
Artikelnummer: EB-3601F20100-160120000N
Netto: 3,63 € zzgl. MwSt.
zzgl. 6,90 € Versand (brutto)
einmalig pro Bestellung

Lieferzeit: 5 Werktage

Pos.
10/185
BOSCH Zahnrad | Ersatzteile für GFF 18V-22 | 160630001N
Hersteller: BOSCH
Artikelnummer: EB-3601F20100-160630001N
Netto: 3,94 € zzgl. MwSt.
zzgl. 6,90 € Versand (brutto)
einmalig pro Bestellung

Lieferzeit: 5 Werktage

Pos.
10/188
BOSCH Klemmstück | Ersatzteile für GFF 18V-22 | 1600A02LN2
Hersteller: BOSCH
Artikelnummer: EB-3601F20100-1600A02LN2
Netto: 3,63 € zzgl. MwSt.
zzgl. 6,90 € Versand (brutto)
einmalig pro Bestellung

Lieferzeit: 5 Werktage

Pos.
10/192
BOSCH Ausgleichscheibe 0,5 MM DICK | Ersatzteile für GFF 18V-22 | 1600100631
Hersteller: BOSCH
Artikelnummer: EB-3601F20100-1600100631
Netto: 3,94 € zzgl. MwSt.
zzgl. 6,90 € Versand (brutto)
einmalig pro Bestellung

Lieferzeit: 5 Werktage

Pos.
11/166
BOSCH Anschlagschraube | Ersatzteile für GFF 18V-22 | 1600A02LM5
Hersteller: BOSCH
Artikelnummer: EB-3601F20100-1600A02LM5
Netto: 3,63 € zzgl. MwSt.
zzgl. 6,90 € Versand (brutto)
einmalig pro Bestellung

Lieferzeit: 5 Werktage

Pos.
11/173
BOSCH Sechskantmutter | Ersatzteile für GFF 18V-22 | 1600A02LM6
Hersteller: BOSCH
Artikelnummer: EB-3601F20100-1600A02LM6
Netto: 3,63 € zzgl. MwSt.
zzgl. 6,90 € Versand (brutto)
einmalig pro Bestellung

Lieferzeit: 5 Werktage

Pos.
2
BOSCH Stator | Ersatzteile für GFF 18V-22 | 1600A01A6N
Hersteller: BOSCH
Artikelnummer: EB-3601F20100-1600A01A6N
Netto: 24,13 € zzgl. MwSt.
zzgl. 6,90 € Versand (brutto)
einmalig pro Bestellung

Lieferzeit: 5 Werktage

Pos.
3
BOSCH Rotor | Ersatzteile für GFF 18V-22 | 1600A01A6S
Hersteller: BOSCH
Artikelnummer: EB-3601F20100-1600A01A6S
Netto: 24,13 € zzgl. MwSt.
zzgl. 6,90 € Versand (brutto)
einmalig pro Bestellung

Lieferzeit: 5 Werktage

Pos.
5
BOSCH Lüfter | Ersatzteile für GFF 18V-22 | 1619P15054
Hersteller: BOSCH
Artikelnummer: EB-3601F20100-1619P15054
Netto: 3,94 € zzgl. MwSt.
zzgl. 6,90 € Versand (brutto)
einmalig pro Bestellung

Lieferzeit: 5 Werktage

Pos.
9
BOSCH Firmenschild | Ersatzteile für GFF 18V-22 | 160111C5ET
Hersteller: BOSCH
Artikelnummer: EB-3601F20100-160111C5ET
Netto: 4,53 € zzgl. MwSt.
zzgl. 6,90 € Versand (brutto)
einmalig pro Bestellung

Lieferzeit: 5 Werktage

Pos.
10
BOSCH Fräskopf | Ersatzteile für GFF 18V-22 | 1600A02LT3
Hersteller: BOSCH
Artikelnummer: EB-3601F20100-1600A02LT3
Netto: 63,99 € zzgl. MwSt.
zzgl. 6,90 € Versand (brutto)
einmalig pro Bestellung

Lieferzeit: 5 Werktage

Pos.
11
BOSCH Zwischenflansch | Ersatzteile für GFF 18V-22 | 1600A02LT4
Hersteller: BOSCH
Artikelnummer: EB-3601F20100-1600A02LT4
Netto: 24,13 € zzgl. MwSt.
zzgl. 6,90 € Versand (brutto)
einmalig pro Bestellung

Lieferzeit: 5 Werktage

Pos.
14
BOSCH Luftleitring | Ersatzteile für GFF 18V-22 | 1600591065
Hersteller: BOSCH
Artikelnummer: EB-3601F20100-1600591065
Netto: 4,53 € zzgl. MwSt.
zzgl. 6,90 € Versand (brutto)
einmalig pro Bestellung

Lieferzeit: 5 Werktage

Pos.
15
BOSCH Gummiring | Ersatzteile für GFF 18V-22 | 1600206025
Hersteller: BOSCH
Artikelnummer: EB-3601F20100-1600206025
Netto: 4,32 € zzgl. MwSt.
zzgl. 6,90 € Versand (brutto)
einmalig pro Bestellung

Lieferzeit: 5 Werktage

Pos.
18
BOSCH Schaltergriff | Ersatzteile für GFF 18V-22 | 1619P15338
Hersteller: BOSCH
Artikelnummer: EB-3601F20100-1619P15338
Netto: 3,94 € zzgl. MwSt.
zzgl. 6,90 € Versand (brutto)
einmalig pro Bestellung

Lieferzeit: 5 Werktage

Pos.
20
BOSCH Verstellschieber | Ersatzteile für GFF 18V-22 | 1619P15050
Hersteller: BOSCH
Artikelnummer: EB-3601F20100-1619P15050
Netto: 3,63 € zzgl. MwSt.
zzgl. 6,90 € Versand (brutto)
einmalig pro Bestellung

Lieferzeit: 5 Werktage

Pos.
29
BOSCH O-Ring 44,0X1,0 MM | Ersatzteile für GFF 18V-22 | 1619P02820
Hersteller: BOSCH
Artikelnummer: EB-3601F20100-1619P02820
Netto: 3,94 € zzgl. MwSt.
zzgl. 6,90 € Versand (brutto)
einmalig pro Bestellung

Lieferzeit: 5 Werktage

Pos.
32
BOSCH Spindel | Ersatzteile für GFF 18V-22 | 1600A02N5H
Hersteller: BOSCH
Artikelnummer: EB-3601F20100-1600A02N5H
Netto: 7,76 € zzgl. MwSt.
zzgl. 6,90 € Versand (brutto)
einmalig pro Bestellung

Lieferzeit: 5 Werktage

Pos.
38
BOSCH Tellerrad | Ersatzteile für GFF 18V-22 | 1619P15331
Hersteller: BOSCH
Artikelnummer: EB-3601F20100-1619P15331
Netto: 9,18 € zzgl. MwSt.
zzgl. 6,90 € Versand (brutto)
einmalig pro Bestellung

Lieferzeit: 5 Werktage

Pos.
41
BOSCH Gleitlager | Ersatzteile für GFF 18V-22 | 1600200029
Hersteller: BOSCH
Artikelnummer: EB-3601F20100-1600200029
Netto: 5,19 € zzgl. MwSt.
zzgl. 6,90 € Versand (brutto)
einmalig pro Bestellung

Lieferzeit: 5 Werktage

Pos.
46
BOSCH Druckfeder | Ersatzteile für GFF 18V-22 | 1609280477
Hersteller: BOSCH
Artikelnummer: EB-3601F20100-1609280477
Netto: 3,94 € zzgl. MwSt.
zzgl. 6,90 € Versand (brutto)
einmalig pro Bestellung

Lieferzeit: 5 Werktage

Pos.
48
BOSCH Torx-Linsenschraube | Ersatzteile für GFF 18V-22 | 3603435055
Hersteller: BOSCH
Artikelnummer: EB-3601F20100-3603435055
Netto: 4,53 € zzgl. MwSt.
zzgl. 6,90 € Versand (brutto)
einmalig pro Bestellung

Lieferzeit: 5 Werktage

Pos.
49
BOSCH Gewindefurchschraube M4X16 | Ersatzteile für GFF 18V-22 | 2914491410
Hersteller: BOSCH
Artikelnummer: EB-3601F20100-2914491410
Netto: 3,63 € zzgl. MwSt.
zzgl. 6,90 € Versand (brutto)
einmalig pro Bestellung

Lieferzeit: 5 Werktage

Pos.
50
BOSCH Torx-Senkschraube 3X16 | Ersatzteile für GFF 18V-22 | 2609110201
Hersteller: BOSCH
Artikelnummer: EB-3601F20100-2609110201
Netto: 4,32 € zzgl. MwSt.
zzgl. 6,90 € Versand (brutto)
einmalig pro Bestellung

Lieferzeit: 5 Werktage

Pos.
51
BOSCH Elektronikmodul | Ersatzteile für GFF 18V-22 | 1600A01NC3
Hersteller: BOSCH
Artikelnummer: EB-3601F20100-1600A01NC3
Netto: 63,99 € zzgl. MwSt.
zzgl. 6,90 € Versand (brutto)
einmalig pro Bestellung

Lieferzeit: 5 Werktage

Pos.
60
BOSCH Umlenkhebel | Ersatzteile für GFF 18V-22 | 1619P15795
Hersteller: BOSCH
Artikelnummer: EB-3601F20100-1619P15795
Netto: 3,63 € zzgl. MwSt.
zzgl. 6,90 € Versand (brutto)
einmalig pro Bestellung

Lieferzeit: 5 Werktage

Pos.
61
BOSCH Drehfeder | Ersatzteile für GFF 18V-22 | 1619P15806
Hersteller: BOSCH
Artikelnummer: EB-3601F20100-1619P15806
Netto: 3,63 € zzgl. MwSt.
zzgl. 6,90 € Versand (brutto)
einmalig pro Bestellung

Lieferzeit: 5 Werktage

Pos.
90
BOSCH Torx-Linsenschraube 4X25 | Ersatzteile für GFF 18V-22 | 2603490024
Hersteller: BOSCH
Artikelnummer: EB-3601F20100-2603490024
Netto: 3,94 € zzgl. MwSt.
zzgl. 6,90 € Versand (brutto)
einmalig pro Bestellung

Lieferzeit: 5 Werktage

Pos.
119
BOSCH Sechskantschraube | Ersatzteile für GFF 18V-22 | 1619P07611
Hersteller: BOSCH
Artikelnummer: EB-3601F20100-1619P07611
Netto: 5,19 € zzgl. MwSt.
zzgl. 6,90 € Versand (brutto)
einmalig pro Bestellung

Lieferzeit: 5 Werktage

Pos.
120
BOSCH Handgriff | Ersatzteile für GFF 18V-22 | 16051321AE
Hersteller: BOSCH
Artikelnummer: EB-3601F20100-16051321AE
Netto: 8,33 € zzgl. MwSt.
zzgl. 6,90 € Versand (brutto)
einmalig pro Bestellung

Lieferzeit: 5 Werktage

Pos.
128
BOSCH Zylinderstift | Ersatzteile für GFF 18V-22 | 1600A02LP7
Hersteller: BOSCH
Artikelnummer: EB-3601F20100-1600A02LP7
Netto: 4,82 € zzgl. MwSt.
zzgl. 6,90 € Versand (brutto)
einmalig pro Bestellung

Lieferzeit: 5 Werktage

Pos.
143
BOSCH Rundmutter | Ersatzteile für GFF 18V-22 | 1600A027JS
Hersteller: BOSCH
Artikelnummer: EB-3601F20100-1600A027JS
Netto: 5,67 € zzgl. MwSt.
zzgl. 6,90 € Versand (brutto)
einmalig pro Bestellung

Lieferzeit: 5 Werktage

Pos.
144
BOSCH Distanzhülse | Ersatzteile für GFF 18V-22 | 1600A02LR2
Hersteller: BOSCH
Artikelnummer: EB-3601F20100-1600A02LR2
Netto: 4,82 € zzgl. MwSt.
zzgl. 6,90 € Versand (brutto)
einmalig pro Bestellung

Lieferzeit: 5 Werktage

Pos.
145
BOSCH Aufnahmeflansch Ø 22 MM | Ersatzteile für GFF 18V-22 | 3605700154
Hersteller: BOSCH
Artikelnummer: EB-3601F20100-3605700154
Netto: 15,75 € zzgl. MwSt.
zzgl. 6,90 € Versand (brutto)
einmalig pro Bestellung

Lieferzeit: 5 Werktage

Pos.
175
BOSCH Abgleichschraube | Ersatzteile für GFF 18V-22 | 2610924685
Hersteller: BOSCH
Artikelnummer: EB-3601F20100-2610924685
Netto: 3,63 € zzgl. MwSt.
zzgl. 6,90 € Versand (brutto)
einmalig pro Bestellung

Lieferzeit: 5 Werktage

Pos.
176
BOSCH Abdeckung | Ersatzteile für GFF 18V-22 | 1600A02LR0
Hersteller: BOSCH
Artikelnummer: EB-3601F20100-1600A02LR0
Netto: 5,19 € zzgl. MwSt.
zzgl. 6,90 € Versand (brutto)
einmalig pro Bestellung

Lieferzeit: 5 Werktage

Pos.
198
BOSCH Aufkleber | Ersatzteile für GFF 18V-22 | 160111C5CS
Hersteller: BOSCH
Artikelnummer: EB-3601F20100-160111C5CS
Netto: 4,53 € zzgl. MwSt.
zzgl. 6,90 € Versand (brutto)
einmalig pro Bestellung

Lieferzeit: 5 Werktage

Pos.
199
BOSCH Aufkleber | Ersatzteile für GFF 18V-22 | 160111C5CT
Hersteller: BOSCH
Artikelnummer: EB-3601F20100-160111C5CT
Netto: 5,19 € zzgl. MwSt.
zzgl. 6,90 € Versand (brutto)
einmalig pro Bestellung

Lieferzeit: 5 Werktage

Pos.
351
BOSCH Ausgleichscheibe 0,1 MM | Ersatzteile für GFF 18V-22 | 1619P02821
Hersteller: BOSCH
Artikelnummer: EB-3601F20100-1619P02821
Netto: 3,63 € zzgl. MwSt.
zzgl. 6,90 € Versand (brutto)
einmalig pro Bestellung

Lieferzeit: 5 Werktage

Pos.
352
BOSCH Ausgleichscheibe 0,2 MM | Ersatzteile für GFF 18V-22 | 1619P02822
Hersteller: BOSCH
Artikelnummer: EB-3601F20100-1619P02822
Netto: 3,94 € zzgl. MwSt.
zzgl. 6,90 € Versand (brutto)
einmalig pro Bestellung

Lieferzeit: 5 Werktage

Pos.
657
BOSCH Zwischenplatte | Ersatzteile für GFF 18V-22 | 1600A02LR1
Hersteller: BOSCH
Artikelnummer: EB-3601F20100-1600A02LR1
Netto: 4,53 € zzgl. MwSt.
zzgl. 6,90 € Versand (brutto)
einmalig pro Bestellung

Lieferzeit: 5 Werktage

Pos.
658
BOSCH Staubbeutel | Ersatzteile für GFF 18V-22 | 1600A02UW6
Hersteller: BOSCH
Artikelnummer: EB-3601F20100-1600A02UW6
Netto: 6,15 € zzgl. MwSt.
zzgl. 6,90 € Versand (brutto)
einmalig pro Bestellung

Lieferzeit: 5 Werktage

Pos.
659
BOSCH Zweilochmutterndreher | Ersatzteile für GFF 18V-22 | 1607950052
Hersteller: BOSCH
Artikelnummer: EB-3601F20100-1607950052
Netto: 5,19 € zzgl. MwSt.
zzgl. 6,90 € Versand (brutto)
einmalig pro Bestellung

Lieferzeit: 5 Werktage

Pos.
660
BOSCH Scheibenfräser Ø 105X22X4 MM, Z=8-HM | Ersatzteile für GFF 18V-22 | 3608641013
Hersteller: BOSCH
Artikelnummer: EB-3601F20100-3608641013
Netto: 81,52 € zzgl. MwSt.
zzgl. 6,90 € Versand (brutto)
einmalig pro Bestellung

Lieferzeit: 5 Werktage

Pos.
808
BOSCH Typschild | Ersatzteile für GFF 18V-22 | 160111AD37
Hersteller: BOSCH
Artikelnummer: EB-3601F20100-160111AD37
Nie mehr lieferbar
keine Alternativen
Pos.
810
BOSCH Getriebegehäuse | Ersatzteile für GFF 18V-22 | 1619P16238
Hersteller: BOSCH
Artikelnummer: EB-3601F20100-1619P16238
Netto: 11,88 € zzgl. MwSt.
zzgl. 6,90 € Versand (brutto)
einmalig pro Bestellung

Lieferzeit: 5 Werktage

Pos.
839
BOSCH Kegelradwelle | Ersatzteile für GFF 18V-22 | 1619P16235
Hersteller: BOSCH
Artikelnummer: EB-3601F20100-1619P16235
Netto: 10,72 € zzgl. MwSt.
zzgl. 6,90 € Versand (brutto)
einmalig pro Bestellung

Lieferzeit: 5 Werktage

Pos.
884
BOSCH Filtereinheit | Ersatzteile für GFF 18V-22 | 1607000CA9
Hersteller: BOSCH
Artikelnummer: EB-3601F20100-1607000CA9
Netto: 9,95 € zzgl. MwSt.
zzgl. 6,90 € Versand (brutto)
einmalig pro Bestellung

Lieferzeit: 5 Werktage

Pos.
894
BOSCH Fetttube 225 ML | Ersatzteile für GFF 18V-22 | 1615430020
Hersteller: BOSCH
Artikelnummer: EB-3601F20100-1615430020
Netto: 17,38 € zzgl. MwSt.
zzgl. 6,90 € Versand (brutto)
einmalig pro Bestellung

Lieferzeit: 5 Werktage

Pos.
895
BOSCH Fetttube 225 ML | Ersatzteile für GFF 18V-22 | 1605430003
Hersteller: BOSCH
Artikelnummer: EB-3601F20100-1605430003
Netto: 29,45 € zzgl. MwSt.
zzgl. 6,90 € Versand (brutto)
einmalig pro Bestellung

Lieferzeit: 5 Werktage

Angaben zur Produktsicherheit

Hersteller:
Robert Bosch Power Tools GmbH
Postfach 30 02 20
70442 Stuttgart

E-Mail:
kontakt@bosch.de