BOSCH Druckfeder | Ersatzteile für GFF 22 A | 3609202379

Artikelnummer: EB-0601620037-3609202379

Position: 134

Marke: BOSCH


Bitte Kompatibilität prüfen!

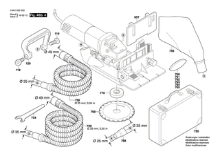
Bitte prüfen Sie unbedingt die 10-stellige Typennummer Ihrer Maschine / Ihres Gerätes. Das Ersatzteil ist nur kompatibel, wenn Sie die Typennummer Ihrer Maschine in der unten stehenden Produktbeschreibung finden.

Bitte prüfen Sie ebenfalls detailliert die Explosionszeichnung mit Ihrem Artikelwunsch und der jeweiligen Pos-Nummer.

Alle Elemente, welche vom schwarzen Strich der Pos-Nummer ausgehend berührt / erfasst werden, gehören zu dieser Pos-Nummer und somit zu diesem Artikel. Jede Pos-Nummer ist ein eigenständiger Artikel, welchen Sie in der Auflistung finden.

Sie erhalten stets die aktuellste, neueste Produktversion zu der gewählten Pos-Nummer seitens des Herstellers. Es kann daher je nach Gerätealter vorkommen, dass Sie ggf. weitere, zugehörige Elemente, welche an diese Pos-Nummer grenzen, ebenfalls mittauschen müssen.

Nähere Informationen finden Sie unter dem Link
Hinweise zu Ihrer BOSCH Ersatzteilsuche

Preisübersicht

Einzelpreis: 4,56 €* (Brutto: 5,43 €)
Gesamtpreis: 4,56 €* 
Position:

Lieferzeit: 5 Werktage


Beschreibung

  • Druckfeder
  • Original Bosch Zubehör / BOSCH Ersatzteil (3609202379)
  • im Gerät verbaut: 1
Dieses BOSCH Ersatzteil ist mit folgendem Gerät und Modell kompatibel:
  • BOSCH Gerätename: GFF 22 A
  • BOSCH Explosionszeichnung: Position 134
  • BOSCH Typennummer: 0601620037
  • BOSCH Typennummer alternative Schreibweisen: 0 601 620 037, 0601 620 037, 0.601.620.037, 0-601-620-037
    Bitte prüfen Sie diese Typennummer auf Ihrem Gerät um die Kompatibilität des BOSCH Ersatzteils zu gewährleisten.
Weitere BOSCH Ersatzteile des Gerätes GFF 22 A (Flachdübelfräse) mit der Typennummer 0601620037 finden Sie in der nachfolgenden Darstellung und im Dropdown zu Ihrer Auswahl:

Pos.
1
BOSCH Motorgehäuse | Ersatzteile für GFF 22 A | 1619P09772
Hersteller: BOSCH
Artikelnummer: EB-0601620037-1619P09772
Netto: 11,58 € zzgl. MwSt.
zzgl. 6,90 € Versand (brutto)
einmalig pro Bestellung

Lieferzeit: 5 Werktage

Pos.
3/50
BOSCH Lüfter | Ersatzteile für GFF 22 A | 1606610141
Hersteller: BOSCH
Artikelnummer: EB-0601620037-1606610141
Netto: 5,65 € zzgl. MwSt.
zzgl. 6,90 € Versand (brutto)
einmalig pro Bestellung

Lieferzeit: 5 Werktage

Pos.
38/1
BOSCH Tellerrad | Ersatzteile für GFF 22 A | 1619P15035
Hersteller: BOSCH
Artikelnummer: EB-0601620037-1619P15035
Nie mehr lieferbar
keine Alternativen
Pos.
39/1
BOSCH Ritzel | Ersatzteile für GFF 22 A | 1619P15034
Hersteller: BOSCH
Artikelnummer: EB-0601620037-1619P15034
nur Informationsartikel
Nie mehr lieferbar
keine Alternativen
Pos.
821/010
BOSCH Druckknopf SCHWARZ | Ersatzteile für GFF 22 A | 1607000298
Hersteller: BOSCH
Artikelnummer: EB-0601620037-1607000298
Netto: 5,65 € zzgl. MwSt.
zzgl. 6,90 € Versand (brutto)
einmalig pro Bestellung

Lieferzeit: 5 Werktage

Pos.
2
BOSCH Polschuh 220-240V | Ersatzteile für GFF 22 A | 2609160011
Hersteller: BOSCH
Artikelnummer: EB-0601620037-2609160011
Netto: 26,41 € zzgl. MwSt.
zzgl. 6,90 € Versand (brutto)
einmalig pro Bestellung

Lieferzeit: 5 Werktage

Pos.
3
BOSCH Anker 220-240V | Ersatzteile für GFF 22 A | 1604010626
Hersteller: BOSCH
Artikelnummer: EB-0601620037-1604010626
Netto: 26,41 € zzgl. MwSt.
zzgl. 6,90 € Versand (brutto)
einmalig pro Bestellung

Lieferzeit: 5 Werktage

Pos.
4
BOSCH Schalter | Ersatzteile für GFF 22 A | 1607200146
Hersteller: BOSCH
Artikelnummer: EB-0601620037-1607200146
nur Informationsartikel
Nie mehr lieferbar
keine Alternativen
Pos.
5
BOSCH Netzanschlussleitung AUS 2,6m 2 x 0,75mm PVC | Ersatzteile für GFF 22 A | 2604460223
Hersteller: BOSCH
Artikelnummer: EB-0601620037-2604460223
nur Informationsartikel
Nie mehr lieferbar
keine Alternativen
Pos.
6
BOSCH Tülle Ø8,3-Ø9,4x95 MM | Ersatzteile für GFF 22 A | 2600703011
Hersteller: BOSCH
Artikelnummer: EB-0601620037-2600703011
Netto: 4,80 € zzgl. MwSt.
zzgl. 6,90 € Versand (brutto)
einmalig pro Bestellung

Lieferzeit: 5 Werktage

Pos.
7
BOSCH Befestigungsschelle | Ersatzteile für GFF 22 A | 1601302017
Hersteller: BOSCH
Artikelnummer: EB-0601620037-1601302017
Netto: 3,60 € zzgl. MwSt.
zzgl. 6,90 € Versand (brutto)
einmalig pro Bestellung

Lieferzeit: 5 Werktage

Pos.
9
BOSCH Firmenschild | Ersatzteile für GFF 22 A | 3601110610
Hersteller: BOSCH
Artikelnummer: EB-0601620037-3601110610
nur Informationsartikel
Nie mehr lieferbar
keine Alternativen
Pos.
12
BOSCH Entstörfilter | Ersatzteile für GFF 22 A | 1607328039
Hersteller: BOSCH
Artikelnummer: EB-0601620037-1607328039
Netto: 9,75 € zzgl. MwSt.
zzgl. 6,90 € Versand (brutto)
einmalig pro Bestellung

Lieferzeit: 5 Werktage

Pos.
13
BOSCH Kugellager 7x19x6 | Ersatzteile für GFF 22 A | 2600905032
Hersteller: BOSCH
Artikelnummer: EB-0601620037-2600905032
Netto: 6,27 € zzgl. MwSt.
zzgl. 6,90 € Versand (brutto)
einmalig pro Bestellung

Lieferzeit: 19 Werktage

Pos.
14
BOSCH Rillenkugellager 8x22x7 | Ersatzteile für GFF 22 A | 1600905016
Hersteller: BOSCH
Artikelnummer: EB-0601620037-1600905016
Netto: 9,05 € zzgl. MwSt.
zzgl. 6,90 € Versand (brutto)
einmalig pro Bestellung

Lieferzeit: 5 Werktage

Pos.
16
BOSCH Bürstenhalter | Ersatzteile für GFF 22 A | 1619P01811
Hersteller: BOSCH
Artikelnummer: EB-0601620037-1619P01811
Netto: 4,80 € zzgl. MwSt.
zzgl. 6,90 € Versand (brutto)
einmalig pro Bestellung

Lieferzeit: 5 Werktage

Pos.
17
BOSCH Spiralfeder | Ersatzteile für GFF 22 A | 1604652013
Hersteller: BOSCH
Artikelnummer: EB-0601620037-1604652013
Netto: 3,94 € zzgl. MwSt.
zzgl. 6,90 € Versand (brutto)
einmalig pro Bestellung

Lieferzeit: 5 Werktage

Pos.
18
BOSCH Druckfeder | Ersatzteile für GFF 22 A | 1604611031
Hersteller: BOSCH
Artikelnummer: EB-0601620037-1604611031
Netto: 4,80 € zzgl. MwSt.
zzgl. 6,90 € Versand (brutto)
einmalig pro Bestellung

Lieferzeit: 5 Werktage

Pos.
22
BOSCH Verstellschieber | Ersatzteile für GFF 22 A | 1602319009
Hersteller: BOSCH
Artikelnummer: EB-0601620037-1602319009
Netto: 4,80 € zzgl. MwSt.
zzgl. 6,90 € Versand (brutto)
einmalig pro Bestellung

Lieferzeit: 5 Werktage

Pos.
23
BOSCH Schaltergriff SCHWARZ | Ersatzteile für GFF 22 A | 1602026068
Hersteller: BOSCH
Artikelnummer: EB-0601620037-1602026068
Netto: 4,56 € zzgl. MwSt.
zzgl. 6,90 € Versand (brutto)
einmalig pro Bestellung

Lieferzeit: 5 Werktage

Pos.
25
BOSCH Gehäusedeckel BLAU | Ersatzteile für GFF 22 A | 1605500194
Hersteller: BOSCH
Artikelnummer: EB-0601620037-1605500194
Netto: 6,27 € zzgl. MwSt.
zzgl. 6,90 € Versand (brutto)
einmalig pro Bestellung

Lieferzeit: 5 Werktage

Pos.
26
BOSCH Zwischenring | Ersatzteile für GFF 22 A | 1600502024
Hersteller: BOSCH
Artikelnummer: EB-0601620037-1600502024
Netto: 4,36 € zzgl. MwSt.
zzgl. 6,90 € Versand (brutto)
einmalig pro Bestellung

Lieferzeit: 5 Werktage

Pos.
27
BOSCH Gummiring | Ersatzteile für GFF 22 A | 1600206025
Hersteller: BOSCH
Artikelnummer: EB-0601620037-1600206025
Netto: 4,36 € zzgl. MwSt.
zzgl. 6,90 € Versand (brutto)
einmalig pro Bestellung

Lieferzeit: 5 Werktage

Pos.
29
BOSCH Luftleitring | Ersatzteile für GFF 22 A | 1600591023
Hersteller: BOSCH
Artikelnummer: EB-0601620037-1600591023
Netto: 4,56 € zzgl. MwSt.
zzgl. 6,90 € Versand (brutto)
einmalig pro Bestellung

Lieferzeit: 5 Werktage

Pos.
30
BOSCH Luftleitring | Ersatzteile für GFF 22 A | 1600591024
Hersteller: BOSCH
Artikelnummer: EB-0601620037-1600591024
Netto: 5,17 € zzgl. MwSt.
zzgl. 6,90 € Versand (brutto)
einmalig pro Bestellung

Lieferzeit: 5 Werktage

Pos.
32
BOSCH Spindel M10 | Ersatzteile für GFF 22 A | 3606120040
Hersteller: BOSCH
Artikelnummer: EB-0601620037-3606120040
Netto: 9,75 € zzgl. MwSt.
zzgl. 6,90 € Versand (brutto)
einmalig pro Bestellung

Lieferzeit: 5 Werktage

Pos.
33
BOSCH O-Ring 42,0x1,0 MM | Ersatzteile für GFF 22 A | 3600210136
Hersteller: BOSCH
Artikelnummer: EB-0601620037-3600210136
nur Informationsartikel
Nie mehr lieferbar
keine Alternativen
Pos.
35
BOSCH Ausgleichscheibe 0,1 MM DICK | Ersatzteile für GFF 22 A | 1600136016
Hersteller: BOSCH
Artikelnummer: EB-0601620037-1600136016
Netto: 4,56 € zzgl. MwSt.
zzgl. 6,90 € Versand (brutto)
einmalig pro Bestellung

Lieferzeit: 5 Werktage

Pos.
35
BOSCH Ausgleichscheibe 0,2 MM DICK | Ersatzteile für GFF 22 A | 1600136017
Hersteller: BOSCH
Artikelnummer: EB-0601620037-1600136017
Netto: 4,56 € zzgl. MwSt.
zzgl. 6,90 € Versand (brutto)
einmalig pro Bestellung

Lieferzeit: 5 Werktage

Pos.
37
BOSCH Abdeckscheibe | Ersatzteile für GFF 22 A | 1600100033
Hersteller: BOSCH
Artikelnummer: EB-0601620037-1600100033
Netto: 4,56 € zzgl. MwSt.
zzgl. 6,90 € Versand (brutto)
einmalig pro Bestellung

Lieferzeit: 5 Werktage

Pos.
38
BOSCH Umsetzgetriebe | Ersatzteile für GFF 22 A | 2609110150
Hersteller: BOSCH
Artikelnummer: EB-0601620037-2609110150
Netto: 7,26 € zzgl. MwSt.
zzgl. 6,90 € Versand (brutto)
einmalig pro Bestellung

Lieferzeit: 5 Werktage

Pos.
39
BOSCH Ritzel | Ersatzteile für GFF 22 A | 2609110149
Hersteller: BOSCH
Artikelnummer: EB-0601620037-2609110149
Netto: 5,65 € zzgl. MwSt.
zzgl. 6,90 € Versand (brutto)
einmalig pro Bestellung

Lieferzeit: 5 Werktage

Pos.
41
BOSCH Nadelhülse Ø8xØ12x8 MM | Ersatzteile für GFF 22 A | 1600910018
Hersteller: BOSCH
Artikelnummer: EB-0601620037-1600910018
Netto: 6,27 € zzgl. MwSt.
zzgl. 6,90 € Versand (brutto)
einmalig pro Bestellung

Lieferzeit: 5 Werktage

Pos.
45
BOSCH Sechskantmutter DIN 934-M6-8-A | Ersatzteile für GFF 22 A | 2915011007
Hersteller: BOSCH
Artikelnummer: EB-0601620037-2915011007
Netto: 3,60 € zzgl. MwSt.
zzgl. 6,90 € Versand (brutto)
einmalig pro Bestellung

Lieferzeit: 5 Werktage

Pos.
47
BOSCH Torx-Linsenschraube 4x12 | Ersatzteile für GFF 22 A | 2603490021
Hersteller: BOSCH
Artikelnummer: EB-0601620037-2603490021
Netto: 3,60 € zzgl. MwSt.
zzgl. 6,90 € Versand (brutto)
einmalig pro Bestellung

Lieferzeit: 5 Werktage

Pos.
48
BOSCH Torx-Linsenschraube 3x10 | Ersatzteile für GFF 22 A | 2603490017
Hersteller: BOSCH
Artikelnummer: EB-0601620037-2603490017
Netto: 4,36 € zzgl. MwSt.
zzgl. 6,90 € Versand (brutto)
einmalig pro Bestellung

Lieferzeit: 5 Werktage

Pos.
49
BOSCH Gewindefurchschraube M4x16 | Ersatzteile für GFF 22 A | 2914491410
Hersteller: BOSCH
Artikelnummer: EB-0601620037-2914491410
Netto: 3,60 € zzgl. MwSt.
zzgl. 6,90 € Versand (brutto)
einmalig pro Bestellung

Lieferzeit: 5 Werktage

Pos.
50
BOSCH Blechschraube DIN7981-ST3,9x19-F-Z | Ersatzteile für GFF 22 A | 2912401420
Hersteller: BOSCH
Artikelnummer: EB-0601620037-2912401420
nur Informationsartikel
Nie mehr lieferbar
keine Alternativen
Pos.
55
BOSCH Torx-Linsenschraube 4x25 | Ersatzteile für GFF 22 A | 2603490024
Hersteller: BOSCH
Artikelnummer: EB-0601620037-2603490024
Netto: 3,94 € zzgl. MwSt.
zzgl. 6,90 € Versand (brutto)
einmalig pro Bestellung

Lieferzeit: 5 Werktage

Pos.
57
BOSCH Linsenschraube DIN7985-M3,5x5-4.8-H | Ersatzteile für GFF 22 A | 2910641081
Hersteller: BOSCH
Artikelnummer: EB-0601620037-2910641081
nur Informationsartikel
Nie mehr lieferbar
keine Alternativen
Pos.
91
BOSCH Ferritkern | Ersatzteile für GFF 22 A | 3602317039
Hersteller: BOSCH
Artikelnummer: EB-0601620037-3602317039
Netto: 6,27 € zzgl. MwSt.
zzgl. 6,90 € Versand (brutto)
einmalig pro Bestellung

Lieferzeit: 5 Werktage

Pos.
119
BOSCH Innensechskantschraube DIN 7984-M10x20 | Ersatzteile für GFF 22 A | 2910135289
Hersteller: BOSCH
Artikelnummer: EB-0601620037-2910135289
Netto: 3,94 € zzgl. MwSt.
zzgl. 6,90 € Versand (brutto)
einmalig pro Bestellung

Lieferzeit: 5 Werktage

Pos.
120
BOSCH Handgriff SCHWARZ | Ersatzteile für GFF 22 A | 3602025015
Hersteller: BOSCH
Artikelnummer: EB-0601620037-3602025015
Netto: 9,05 € zzgl. MwSt.
zzgl. 6,90 € Versand (brutto)
einmalig pro Bestellung

Lieferzeit: 5 Werktage

Pos.
125
BOSCH Sicherungsbügel DIN 472-32x1,2 MM | Ersatzteile für GFF 22 A | 2916660013
Hersteller: BOSCH
Artikelnummer: EB-0601620037-2916660013
Netto: 4,36 € zzgl. MwSt.
zzgl. 6,90 € Versand (brutto)
einmalig pro Bestellung

Lieferzeit: 5 Werktage

Pos.
126
BOSCH Rillenkugellager | Ersatzteile für GFF 22 A | 160090003C
Hersteller: BOSCH
Artikelnummer: EB-0601620037-160090003C
Netto: 6,27 € zzgl. MwSt.
zzgl. 6,90 € Versand (brutto)
einmalig pro Bestellung

Lieferzeit: 5 Werktage

Pos.
126
BOSCH Rillenkugellager 12x32x10 | Ersatzteile für GFF 22 A | 3600905130
Hersteller: BOSCH
Artikelnummer: EB-0601620037-3600905130
nur Informationsartikel
Nie mehr lieferbar
keine Alternativen
Pos.
128
BOSCH Zylinderstift | Ersatzteile für GFF 22 A | 3609202C01
Hersteller: BOSCH
Artikelnummer: EB-0601620037-3609202C01
nur Informationsartikel
Nie mehr lieferbar
keine Alternativen
Pos.
129
BOSCH Flachrundschraube M6x15 DIN 603 | Ersatzteile für GFF 22 A | 2910281196
Hersteller: BOSCH
Artikelnummer: EB-0601620037-2910281196
nur Informationsartikel
Nie mehr lieferbar
keine Alternativen
Pos.
130
BOSCH Rahmen | Ersatzteile für GFF 22 A | 3609202C19
Hersteller: BOSCH
Artikelnummer: EB-0601620037-3609202C19
nur Informationsartikel
Nie mehr lieferbar
keine Alternativen
Pos.
131
BOSCH Zylinderstift | Ersatzteile für GFF 22 A | 3609202376
Hersteller: BOSCH
Artikelnummer: EB-0601620037-3609202376
Netto: 5,17 € zzgl. MwSt.
zzgl. 6,90 € Versand (brutto)
einmalig pro Bestellung

Lieferzeit: 5 Werktage

Pos.
132
BOSCH O-Ring | Ersatzteile für GFF 22 A | 3609202C15
Hersteller: BOSCH
Artikelnummer: EB-0601620037-3609202C15
nur Informationsartikel
Nie mehr lieferbar
keine Alternativen
Pos.
133
BOSCH Zugfeder | Ersatzteile für GFF 22 A | 3609202378
Hersteller: BOSCH
Artikelnummer: EB-0601620037-3609202378
Netto: 5,65 € zzgl. MwSt.
zzgl. 6,90 € Versand (brutto)
einmalig pro Bestellung

Lieferzeit: 5 Werktage

Pos.
134
BOSCH Druckfeder | Ersatzteile für GFF 22 A | 3609202379
Hersteller: BOSCH
Artikelnummer: EB-0601620037-3609202379
Netto: 4,56 € zzgl. MwSt.
zzgl. 6,90 € Versand (brutto)
einmalig pro Bestellung

Lieferzeit: 5 Werktage

Pos.
135
BOSCH Kugel | Ersatzteile für GFF 22 A | 3609202380
Hersteller: BOSCH
Artikelnummer: EB-0601620037-3609202380
Netto: 4,56 € zzgl. MwSt.
zzgl. 6,90 € Versand (brutto)
einmalig pro Bestellung

Lieferzeit: 5 Werktage

Pos.
136
BOSCH Passscheibe DIN 988-6x12x0,5 | Ersatzteile für GFF 22 A | 2916190012
Hersteller: BOSCH
Artikelnummer: EB-0601620037-2916190012
Netto: 3,60 € zzgl. MwSt.
zzgl. 6,90 € Versand (brutto)
einmalig pro Bestellung

Lieferzeit: 5 Werktage

Pos.
137
BOSCH Sechskantmutter M 6x13, SW10 | Ersatzteile für GFF 22 A | 3603300018
Hersteller: BOSCH
Artikelnummer: EB-0601620037-3603300018
Netto: 4,80 € zzgl. MwSt.
zzgl. 6,90 € Versand (brutto)
einmalig pro Bestellung

Lieferzeit: 5 Werktage

Pos.
138
BOSCH Spannhebel | Ersatzteile für GFF 22 A | 3601923020
Hersteller: BOSCH
Artikelnummer: EB-0601620037-3601923020
Netto: 4,56 € zzgl. MwSt.
zzgl. 6,90 € Versand (brutto)
einmalig pro Bestellung

Lieferzeit: 5 Werktage

Pos.
139
BOSCH Linsenschraube DIN 7985-M6x10-4.8 | Ersatzteile für GFF 22 A | 2910641191
Hersteller: BOSCH
Artikelnummer: EB-0601620037-2910641191
Netto: 3,60 € zzgl. MwSt.
zzgl. 6,90 € Versand (brutto)
einmalig pro Bestellung

Lieferzeit: 5 Werktage

Pos.
140
BOSCH Gummistopfen | Ersatzteile für GFF 22 A | 3609202C03
Hersteller: BOSCH
Artikelnummer: EB-0601620037-3609202C03
nur Informationsartikel
Nie mehr lieferbar
keine Alternativen
Pos.
141
BOSCH Sicherungsring | Ersatzteile für GFF 22 A | 3609202382
Hersteller: BOSCH
Artikelnummer: EB-0601620037-3609202382
Netto: 4,56 € zzgl. MwSt.
zzgl. 6,90 € Versand (brutto)
einmalig pro Bestellung

Lieferzeit: 5 Werktage

Pos.
143
BOSCH Rundmutter | Ersatzteile für GFF 22 A | 3603376009
Hersteller: BOSCH
Artikelnummer: EB-0601620037-3603376009
Netto: 18,86 € zzgl. MwSt.
zzgl. 6,90 € Versand (brutto)
einmalig pro Bestellung

Lieferzeit: 5 Werktage

Pos.
144
BOSCH Ringstück | Ersatzteile für GFF 22 A | 3600200047
Hersteller: BOSCH
Artikelnummer: EB-0601620037-3600200047
Netto: 4,80 € zzgl. MwSt.
zzgl. 6,90 € Versand (brutto)
einmalig pro Bestellung

Lieferzeit: 5 Werktage

Pos.
145
BOSCH Aufnahmeflansch Ø 22 MM | Ersatzteile für GFF 22 A | 3605700154
Hersteller: BOSCH
Artikelnummer: EB-0601620037-3605700154
Netto: 15,15 € zzgl. MwSt.
zzgl. 6,90 € Versand (brutto)
einmalig pro Bestellung

Lieferzeit: 5 Werktage

Pos.
146
BOSCH Blattfeder | Ersatzteile für GFF 22 A | 3609202384
Hersteller: BOSCH
Artikelnummer: EB-0601620037-3609202384
Netto: 5,17 € zzgl. MwSt.
zzgl. 6,90 € Versand (brutto)
einmalig pro Bestellung

Lieferzeit: 5 Werktage

Pos.
147
BOSCH Verschlussschraube | Ersatzteile für GFF 22 A | 3609202C05
Hersteller: BOSCH
Artikelnummer: EB-0601620037-3609202C05
nur Informationsartikel
Nie mehr lieferbar
keine Alternativen
Pos.
148
BOSCH O-Ring | Ersatzteile für GFF 22 A | 3609202386
Hersteller: BOSCH
Artikelnummer: EB-0601620037-3609202386
Netto: 3,94 € zzgl. MwSt.
zzgl. 6,90 € Versand (brutto)
einmalig pro Bestellung

Lieferzeit: 5 Werktage

Pos.
149
BOSCH Absauganschluss | Ersatzteile für GFF 22 A | 3609202387
Hersteller: BOSCH
Artikelnummer: EB-0601620037-3609202387
Netto: 7,26 € zzgl. MwSt.
zzgl. 6,90 € Versand (brutto)
einmalig pro Bestellung

Lieferzeit: 5 Werktage

Pos.
158
BOSCH Gehäuseoberteil | Ersatzteile für GFF 22 A | 3609202C06
Hersteller: BOSCH
Artikelnummer: EB-0601620037-3609202C06
nur Informationsartikel
Nie mehr lieferbar
keine Alternativen
Pos.
159
BOSCH Zylinderschraube | Ersatzteile für GFF 22 A | 3609202C07
Hersteller: BOSCH
Artikelnummer: EB-0601620037-3609202C07
nur Informationsartikel
Nie mehr lieferbar
keine Alternativen
Pos.
160
BOSCH Stopper | Ersatzteile für GFF 22 A | 3609202C08
Hersteller: BOSCH
Artikelnummer: EB-0601620037-3609202C08
nur Informationsartikel
Nie mehr lieferbar
keine Alternativen
Pos.
166
BOSCH Justierhilfe | Ersatzteile für GFF 22 A | 3609202C17
Hersteller: BOSCH
Artikelnummer: EB-0601620037-3609202C17
Netto: 3,60 € zzgl. MwSt.
zzgl. 6,90 € Versand (brutto)
einmalig pro Bestellung

Lieferzeit: 5 Werktage

Pos.
166
BOSCH Justierschraube | Ersatzteile für GFF 22 A | 3603410022
Hersteller: BOSCH
Artikelnummer: EB-0601620037-3603410022
nur Informationsartikel
Nie mehr lieferbar
keine Alternativen
Pos.
173
BOSCH Rundmutter | Ersatzteile für GFF 22 A | 3603376010
Hersteller: BOSCH
Artikelnummer: EB-0601620037-3603376010
nur Informationsartikel
Nie mehr lieferbar
keine Alternativen
Pos.
173
BOSCH Sechskantmutter | Ersatzteile für GFF 22 A | 3609202C18
Hersteller: BOSCH
Artikelnummer: EB-0601620037-3609202C18
Netto: 3,60 € zzgl. MwSt.
zzgl. 6,90 € Versand (brutto)
einmalig pro Bestellung

Lieferzeit: 5 Werktage

Pos.
175
BOSCH Gewindestift | Ersatzteile für GFF 22 A | 3609202C14
Hersteller: BOSCH
Artikelnummer: EB-0601620037-3609202C14
nur Informationsartikel
Nie mehr lieferbar
keine Alternativen
Pos.
176
BOSCH Abdeckung | Ersatzteile für GFF 22 A | 3609202C16
Hersteller: BOSCH
Artikelnummer: EB-0601620037-3609202C16
nur Informationsartikel
Nie mehr lieferbar
keine Alternativen
Pos.
180
BOSCH Passscheibe DIN 988 6x12x1 | Ersatzteile für GFF 22 A | 2916190013
Hersteller: BOSCH
Artikelnummer: EB-0601620037-2916190013
Netto: 3,60 € zzgl. MwSt.
zzgl. 6,90 € Versand (brutto)
einmalig pro Bestellung

Lieferzeit: 5 Werktage

Pos.
181
BOSCH Sechskantschraube DIN 933-M6x16-5.6-A | Ersatzteile für GFF 22 A | 2911051197
Hersteller: BOSCH
Artikelnummer: EB-0601620037-2911051197
Netto: 3,94 € zzgl. MwSt.
zzgl. 6,90 € Versand (brutto)
einmalig pro Bestellung

Lieferzeit: 5 Werktage

Pos.
182
BOSCH Winkelrahmen | Ersatzteile für GFF 22 A | 3609202C09
Hersteller: BOSCH
Artikelnummer: EB-0601620037-3609202C09
Netto: 42,08 € zzgl. MwSt.
zzgl. 6,90 € Versand (brutto)
einmalig pro Bestellung

Lieferzeit: 5 Werktage

Pos.
183
BOSCH Rändelschraube | Ersatzteile für GFF 22 A | 3609202C10
Hersteller: BOSCH
Artikelnummer: EB-0601620037-3609202C10
nur Informationsartikel
Nie mehr lieferbar
keine Alternativen
Pos.
184
BOSCH Blattfeder | Ersatzteile für GFF 22 A | 3609202C11
Hersteller: BOSCH
Artikelnummer: EB-0601620037-3609202C11
nur Informationsartikel
Nie mehr lieferbar
keine Alternativen
Pos.
185
BOSCH Zahnrad | Ersatzteile für GFF 22 A | 3609202394
Hersteller: BOSCH
Artikelnummer: EB-0601620037-3609202394
Netto: 4,56 € zzgl. MwSt.
zzgl. 6,90 € Versand (brutto)
einmalig pro Bestellung

Lieferzeit: 5 Werktage

Pos.
187
BOSCH Skala | Ersatzteile für GFF 22 A | 3609202C12
Hersteller: BOSCH
Artikelnummer: EB-0601620037-3609202C12
nur Informationsartikel
Nie mehr lieferbar
keine Alternativen
Pos.
188
BOSCH Klemmstück | Ersatzteile für GFF 22 A | 3609202C13
Hersteller: BOSCH
Artikelnummer: EB-0601620037-3609202C13
nur Informationsartikel
Nie mehr lieferbar
keine Alternativen
Pos.
192
BOSCH Ausgleichscheibe 0,5 MM DICK | Ersatzteile für GFF 22 A | 1600100631
Hersteller: BOSCH
Artikelnummer: EB-0601620037-1600100631
Netto: 3,94 € zzgl. MwSt.
zzgl. 6,90 € Versand (brutto)
einmalig pro Bestellung

Lieferzeit: 5 Werktage

Pos.
192
BOSCH Unterlegscheibe | Ersatzteile für GFF 22 A | 3609202396
Hersteller: BOSCH
Artikelnummer: EB-0601620037-3609202396
Netto: 3,94 € zzgl. MwSt.
zzgl. 6,90 € Versand (brutto)
einmalig pro Bestellung

Lieferzeit: 5 Werktage

Pos.
195
BOSCH Gleitlager | Ersatzteile für GFF 22 A | 3600905123
Hersteller: BOSCH
Artikelnummer: EB-0601620037-3600905123
nur Informationsartikel
Nie mehr lieferbar
keine Alternativen
Pos.
657
BOSCH Zwischenplatte | Ersatzteile für GFF 22 A | 3609202397
Hersteller: BOSCH
Artikelnummer: EB-0601620037-3609202397
Netto: 12,50 € zzgl. MwSt.
zzgl. 6,90 € Versand (brutto)
einmalig pro Bestellung

Lieferzeit: 5 Werktage

Pos.
689
BOSCH Adapter | Ersatzteile für GFF 22 A | 1600A00B8V
Hersteller: BOSCH
Artikelnummer: EB-0601620037-1600A00B8V
Netto: 8,23 € zzgl. MwSt.
zzgl. 6,90 € Versand (brutto)
einmalig pro Bestellung

Lieferzeit: 5 Werktage

Pos.
750
BOSCH Tragkasten | Ersatzteile für GFF 22 A | 3605438043
Hersteller: BOSCH
Artikelnummer: EB-0601620037-3605438043
nur Informationsartikel
Nie mehr lieferbar
keine Alternativen
Pos.
754
BOSCH Zweilochmutterndreher | Ersatzteile für GFF 22 A | 1607950043
Hersteller: BOSCH
Artikelnummer: EB-0601620037-1607950043
Netto: 7,74 € zzgl. MwSt.
zzgl. 6,90 € Versand (brutto)
einmalig pro Bestellung

Lieferzeit: 5 Werktage

Pos.
755
BOSCH Scheibenfräser Ø 105x22x4 MM, Z=8-HM | Ersatzteile für GFF 22 A | 3608641013
Hersteller: BOSCH
Artikelnummer: EB-0601620037-3608641013
Netto: 81,52 € zzgl. MwSt.
zzgl. 6,90 € Versand (brutto)
einmalig pro Bestellung

Lieferzeit: 5 Werktage

Pos.
756
BOSCH Staubbeutel | Ersatzteile für GFF 22 A | 3605411003
Hersteller: BOSCH
Artikelnummer: EB-0601620037-3605411003
Netto: 21,41 € zzgl. MwSt.
zzgl. 6,90 € Versand (brutto)
einmalig pro Bestellung

Lieferzeit: 5 Werktage

Pos.
758
BOSCH Luftschlauch Ø35MM,3M,1 | Ersatzteile für GFF 22 A | 2607000837
Hersteller: BOSCH
Artikelnummer: EB-0601620037-2607000837
Netto: 101,67 € zzgl. MwSt.
zzgl. 6,90 € Versand (brutto)
einmalig pro Bestellung

Lieferzeit: 5 Werktage

Pos.
759
BOSCH Luftschlauch Ø 35 MM, L=5 M | Ersatzteile für GFF 22 A | 1609202230
Hersteller: BOSCH
Artikelnummer: EB-0601620037-1609202230
Netto: 113,31 € zzgl. MwSt.
zzgl. 6,90 € Versand (brutto)
einmalig pro Bestellung

Lieferzeit: 5 Werktage

Pos.
760
BOSCH Flachkeil 50 ST.,GR.0 | Ersatzteile für GFF 22 A | 2607000796
Hersteller: BOSCH
Artikelnummer: EB-0601620037-2607000796
Netto: 10,44 € zzgl. MwSt.
zzgl. 6,90 € Versand (brutto)
einmalig pro Bestellung

Lieferzeit: 5 Werktage

Pos.
761
BOSCH Flachkeil 50 ST.,GR.10 | Ersatzteile für GFF 22 A | 2607000797
Hersteller: BOSCH
Artikelnummer: EB-0601620037-2607000797
Netto: 10,89 € zzgl. MwSt.
zzgl. 6,90 € Versand (brutto)
einmalig pro Bestellung

Lieferzeit: 5 Werktage

Pos.
762
BOSCH Flachkeil 50 STUECK | Ersatzteile für GFF 22 A | 2607000103
Hersteller: BOSCH
Artikelnummer: EB-0601620037-2607000103
Netto: 11,88 € zzgl. MwSt.
zzgl. 6,90 € Versand (brutto)
einmalig pro Bestellung

Lieferzeit: 5 Werktage

Pos.
763
BOSCH Flachkeil GR. 0 1000 STUECK | Ersatzteile für GFF 22 A | 2607000147
Hersteller: BOSCH
Artikelnummer: EB-0601620037-2607000147
Netto: 78,24 € zzgl. MwSt.
zzgl. 6,90 € Versand (brutto)
einmalig pro Bestellung

Lieferzeit: 5 Werktage

Pos.
764
BOSCH Flachkeil GR.10 1000 STUECK | Ersatzteile für GFF 22 A | 2607000148
Hersteller: BOSCH
Artikelnummer: EB-0601620037-2607000148
Netto: 84,27 € zzgl. MwSt.
zzgl. 6,90 € Versand (brutto)
einmalig pro Bestellung

Lieferzeit: 5 Werktage

Pos.
765
BOSCH Flachkeil GR.20 1000 STUECK | Ersatzteile für GFF 22 A | 2607000149
Hersteller: BOSCH
Artikelnummer: EB-0601620037-2607000149
Netto: 88,24 € zzgl. MwSt.
zzgl. 6,90 € Versand (brutto)
einmalig pro Bestellung

Lieferzeit: 5 Werktage

Pos.
768
BOSCH Anschlussstutzen Ø 25x35 MM | Ersatzteile für GFF 22 A | 1600499005
Hersteller: BOSCH
Artikelnummer: EB-0601620037-1600499005
Netto: 6,75 € zzgl. MwSt.
zzgl. 6,90 € Versand (brutto)
einmalig pro Bestellung

Lieferzeit: 5 Werktage

Pos.
769
BOSCH Scheibenfräser Ø 105x20x2,8 MM, Z=22 | Ersatzteile für GFF 22 A | 3608641002
Hersteller: BOSCH
Artikelnummer: EB-0601620037-3608641002
Netto: 81,52 € zzgl. MwSt.
zzgl. 6,90 € Versand (brutto)
einmalig pro Bestellung

Lieferzeit: 5 Werktage

Pos.
770
BOSCH Aufnahmeflansch Ø 20 MM | Ersatzteile für GFF 22 A | 3605700155
Hersteller: BOSCH
Artikelnummer: EB-0601620037-3605700155
Netto: 34,12 € zzgl. MwSt.
zzgl. 6,90 € Versand (brutto)
einmalig pro Bestellung

Lieferzeit: 5 Werktage

Pos.
808
BOSCH Typschild | Ersatzteile für GFF 22 A | 3601110451
Hersteller: BOSCH
Artikelnummer: EB-0601620037-3601110451
Netto: 5,65 € zzgl. MwSt.
zzgl. 6,90 € Versand (brutto)
einmalig pro Bestellung

Lieferzeit: 5 Werktage

Pos.
810
BOSCH Kohlebürstensatz | Ersatzteile für GFF 22 A | 1607014145
Hersteller: BOSCH
Artikelnummer: EB-0601620037-1607014145
Netto: 9,05 € zzgl. MwSt.
zzgl. 6,90 € Versand (brutto)
einmalig pro Bestellung

Lieferzeit: 5 Werktage

Pos.
821
BOSCH Getriebegehäuse | Ersatzteile für GFF 22 A | 1605806466
Hersteller: BOSCH
Artikelnummer: EB-0601620037-1605806466
Netto: 13,81 € zzgl. MwSt.
zzgl. 6,90 € Versand (brutto)
einmalig pro Bestellung

Lieferzeit: 5 Werktage

Pos.
828
BOSCH Zwischenflansch | Ersatzteile für GFF 22 A | 3607031855
Hersteller: BOSCH
Artikelnummer: EB-0601620037-3607031855
nur Informationsartikel
Nie mehr lieferbar
keine Alternativen
Pos.
829
BOSCH Gehäuseunterteil | Ersatzteile für GFF 22 A | 3607031856
Hersteller: BOSCH
Artikelnummer: EB-0601620037-3607031856
nur Informationsartikel
Nie mehr lieferbar
keine Alternativen
Pos.
840
BOSCH Gummileiste | Ersatzteile für GFF 22 A | 3609202381
Hersteller: BOSCH
Artikelnummer: EB-0601620037-3609202381
nur Informationsartikel
Nie mehr lieferbar
keine Alternativen
Pos.
858
BOSCH Gehäuseoberteil | Ersatzteile für GFF 22 A | 3609202431
Hersteller: BOSCH
Artikelnummer: EB-0601620037-3609202431
Netto: 67,29 € zzgl. MwSt.
zzgl. 6,90 € Versand (brutto)
einmalig pro Bestellung

Lieferzeit: 5 Werktage

Pos.
860
BOSCH Stopper | Ersatzteile für GFF 22 A | 3607031857
Hersteller: BOSCH
Artikelnummer: EB-0601620037-3607031857
nur Informationsartikel
Nie mehr lieferbar
keine Alternativen
Pos.
866
BOSCH Justierschraube | Ersatzteile für GFF 22 A | 3603410021
Hersteller: BOSCH
Artikelnummer: EB-0601620037-3603410021
Netto: 7,26 € zzgl. MwSt.
zzgl. 6,90 € Versand (brutto)
einmalig pro Bestellung

Lieferzeit: 5 Werktage

Pos.
873
BOSCH Rundmutter | Ersatzteile für GFF 22 A | 3603376005
Hersteller: BOSCH
Artikelnummer: EB-0601620037-3603376005
Netto: 4,80 € zzgl. MwSt.
zzgl. 6,90 € Versand (brutto)
einmalig pro Bestellung

Lieferzeit: 5 Werktage

Pos.
890
BOSCH Zwischenflansch | Ersatzteile für GFF 22 A | 3607031514
Hersteller: BOSCH
Artikelnummer: EB-0601620037-3607031514
Netto: 38,40 € zzgl. MwSt.
zzgl. 6,90 € Versand (brutto)
einmalig pro Bestellung

Lieferzeit: 5 Werktage

Pos.
891
BOSCH Zylinderstift | Ersatzteile für GFF 22 A | 3609202374
Hersteller: BOSCH
Artikelnummer: EB-0601620037-3609202374
Netto: 9,05 € zzgl. MwSt.
zzgl. 6,90 € Versand (brutto)
einmalig pro Bestellung

Lieferzeit: 5 Werktage

Angaben zur Produktsicherheit

Hersteller:
Robert Bosch Power Tools GmbH
Postfach 30 02 20
70442 Stuttgart

E-Mail:
kontakt@bosch.de