BOSCH Radial-Wellendichtring | Ersatzteile für GGS 16 | 3600290083

Artikelnummer: EB-0601209103-3600290083

Position: 22/1

Marke: BOSCH


Bitte Kompatibilität prüfen!

Bitte prüfen Sie unbedingt die 10-stellige Typennummer Ihrer Maschine / Ihres Gerätes. Das Ersatzteil ist nur kompatibel, wenn Sie die Typennummer Ihrer Maschine in der unten stehenden Produktbeschreibung finden.

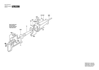
Bitte prüfen Sie ebenfalls detailliert die Explosionszeichnung mit Ihrem Artikelwunsch und der jeweiligen Pos-Nummer.

Alle Elemente, welche vom schwarzen Strich der Pos-Nummer ausgehend berührt / erfasst werden, gehören zu dieser Pos-Nummer und somit zu diesem Artikel. Jede Pos-Nummer ist ein eigenständiger Artikel, welchen Sie in der Auflistung finden.

Sie erhalten stets die aktuellste, neueste Produktversion zu der gewählten Pos-Nummer seitens des Herstellers. Es kann daher je nach Gerätealter vorkommen, dass Sie ggf. weitere, zugehörige Elemente, welche an diese Pos-Nummer grenzen, ebenfalls mittauschen müssen.

Nähere Informationen finden Sie unter dem Link
Hinweise zu Ihrer BOSCH Ersatzteilsuche

Preisübersicht

Einzelpreis: 4,82 €* (Brutto: 5,74 €)
Gesamtpreis: 4,82 €* 
Position:

Lieferzeit: 5 Werktage


Beschreibung

  • Radial-Wellendichtring
  • Original Bosch Zubehör / BOSCH Ersatzteil (3600290083)
  • im Gerät verbaut: 1
Dieses BOSCH Ersatzteil ist mit folgendem Gerät und Modell kompatibel:
  • BOSCH Gerätename: GGS 16
  • BOSCH Explosionszeichnung: Position 22/1
  • BOSCH Typennummer: 0601209103
  • BOSCH Typennummer alternative Schreibweisen: 0 601 209 103, 0601 209 103, 0.601.209.103, 0-601-209-103
    Bitte prüfen Sie diese Typennummer auf Ihrem Gerät um die Kompatibilität des BOSCH Ersatzteils zu gewährleisten.
Weitere BOSCH Ersatzteile des Gerätes GGS 16 (Geradschleifer) mit der Typennummer 0601209103 finden Sie in der nachfolgenden Darstellung und im Dropdown zu Ihrer Auswahl:

Pos.
1
BOSCH Motorgehäuse BLAU | Ersatzteile für GGS 16 | 3605108145
Hersteller: BOSCH
Artikelnummer: EB-0601209103-3605108145
Netto: 24,13 € zzgl. MwSt.
zzgl. 6,90 € Versand (brutto)
einmalig pro Bestellung

Lieferzeit: 5 Werktage

Pos.
22/1
BOSCH Radial-Wellendichtring | Ersatzteile für GGS 16 | 3600290083
Hersteller: BOSCH
Artikelnummer: EB-0601209103-3600290083
Netto: 4,82 € zzgl. MwSt.
zzgl. 6,90 € Versand (brutto)
einmalig pro Bestellung

Lieferzeit: 5 Werktage

Pos.
3
BOSCH Anker | Ersatzteile für GGS 16 | 1619P13607
Hersteller: BOSCH
Artikelnummer: EB-0601209103-1619P13607
Netto: 121,18 € zzgl. MwSt.
zzgl. 6,90 € Versand (brutto)
einmalig pro Bestellung

Lieferzeit: 5 Werktage

Pos.
3
BOSCH Anker 230V | Ersatzteile für GGS 16 | 3604010007
Hersteller: BOSCH
Artikelnummer: EB-0601209103-3604010007
Netto: 135,60 € zzgl. MwSt.
zzgl. 6,90 € Versand (brutto)
einmalig pro Bestellung

Lieferzeit: 5 Werktage

Pos.
3/50
BOSCH Lüfter | Ersatzteile für GGS 16 | 1606610122
Hersteller: BOSCH
Artikelnummer: EB-0601209103-1606610122
Netto: 4,82 € zzgl. MwSt.
zzgl. 6,90 € Versand (brutto)
einmalig pro Bestellung

Lieferzeit: 5 Werktage

Pos.
4
BOSCH Schalter | Ersatzteile für GGS 16 | 1607200064
Hersteller: BOSCH
Artikelnummer: EB-0601209103-1607200064
Netto: 35,77 € zzgl. MwSt.
zzgl. 6,90 € Versand (brutto)
einmalig pro Bestellung

Lieferzeit: 5 Werktage

Pos.
6
BOSCH Tülle Ø9,2-Ø12x120 MM | Ersatzteile für GGS 16 | 3600703011
Hersteller: BOSCH
Artikelnummer: EB-0601209103-3600703011
Netto: 4,82 € zzgl. MwSt.
zzgl. 6,90 € Versand (brutto)
einmalig pro Bestellung

Lieferzeit: 5 Werktage

Pos.
7
BOSCH Befestigungsschelle | Ersatzteile für GGS 16 | 1601302014
Hersteller: BOSCH
Artikelnummer: EB-0601209103-1601302014
Netto: 3,94 € zzgl. MwSt.
zzgl. 6,90 € Versand (brutto)
einmalig pro Bestellung

Lieferzeit: 5 Werktage

Pos.
9
BOSCH Firmenschild | Ersatzteile für GGS 16 | 3601119416
Hersteller: BOSCH
Artikelnummer: EB-0601209103-3601119416
Netto: 4,53 € zzgl. MwSt.
zzgl. 6,90 € Versand (brutto)
einmalig pro Bestellung

Lieferzeit: 5 Werktage

Pos.
11
BOSCH Entstörfilter | Ersatzteile für GGS 16 | 3607328000
Hersteller: BOSCH
Artikelnummer: EB-0601209103-3607328000
nur Informationsartikel
Nie mehr lieferbar
keine Alternativen
Pos.
15
BOSCH Spannzange Ø 8, M 8, SW 14 | Ersatzteile für GGS 16 | 2608570009
Hersteller: BOSCH
Artikelnummer: EB-0601209103-2608570009
Netto: 35,77 € zzgl. MwSt.
zzgl. 6,90 € Versand (brutto)
einmalig pro Bestellung

Lieferzeit: 5 Werktage

Pos.
16
BOSCH Gewindebuchse M 32x1 LINKSGEWINDE | Ersatzteile für GGS 16 | 1600362018
Hersteller: BOSCH
Artikelnummer: EB-0601209103-1600362018
Netto: 63,99 € zzgl. MwSt.
zzgl. 6,90 € Versand (brutto)
einmalig pro Bestellung

Lieferzeit: 5 Werktage

Pos.
17
BOSCH Rillenkugellager | Ersatzteile für GGS 16 | 3600905019
Hersteller: BOSCH
Artikelnummer: EB-0601209103-3600905019
Netto: 42,86 € zzgl. MwSt.
zzgl. 6,90 € Versand (brutto)
einmalig pro Bestellung

Lieferzeit: 5 Werktage

Pos.
18
BOSCH Spindellager | Ersatzteile für GGS 16 | 3605806054
Hersteller: BOSCH
Artikelnummer: EB-0601209103-3605806054
Netto: 169,85 € zzgl. MwSt.
zzgl. 6,90 € Versand (brutto)
einmalig pro Bestellung

Lieferzeit: 5 Werktage

Pos.
18/2
BOSCH Schrumpfschlauch | Ersatzteile für GGS 16 | 3600707043
Hersteller: BOSCH
Artikelnummer: EB-0601209103-3600707043
Netto: 17,38 € zzgl. MwSt.
zzgl. 6,90 € Versand (brutto)
einmalig pro Bestellung

Lieferzeit: 5 Werktage

Pos.
19
BOSCH Schleifspindel M 8,SW 22 | Ersatzteile für GGS 16 | 3603124010
Hersteller: BOSCH
Artikelnummer: EB-0601209103-3603124010
Netto: 106,72 € zzgl. MwSt.
zzgl. 6,90 € Versand (brutto)
einmalig pro Bestellung

Lieferzeit: 5 Werktage

Pos.
20
BOSCH Rillenkugellager 12x32x10 | Ersatzteile für GGS 16 | 1600905007
Hersteller: BOSCH
Artikelnummer: EB-0601209103-1600905007
Netto: 9,63 € zzgl. MwSt.
zzgl. 6,90 € Versand (brutto)
einmalig pro Bestellung

Lieferzeit: 5 Werktage

Pos.
21
BOSCH Gummiring | Ersatzteile für GGS 16 | 3600206004
Hersteller: BOSCH
Artikelnummer: EB-0601209103-3600206004
Netto: 5,67 € zzgl. MwSt.
zzgl. 6,90 € Versand (brutto)
einmalig pro Bestellung

Lieferzeit: 5 Werktage

Pos.
22
BOSCH Radial-Wellendichtring | Ersatzteile für GGS 16 | 1600290016
Hersteller: BOSCH
Artikelnummer: EB-0601209103-1600290016
Netto: 4,53 € zzgl. MwSt.
zzgl. 6,90 € Versand (brutto)
einmalig pro Bestellung

Lieferzeit: 5 Werktage

Pos.
23
BOSCH O-Ring 57,0x1,5 MM | Ersatzteile für GGS 16 | 1600210031
Hersteller: BOSCH
Artikelnummer: EB-0601209103-1600210031
Netto: 3,63 € zzgl. MwSt.
zzgl. 6,90 € Versand (brutto)
einmalig pro Bestellung

Lieferzeit: 5 Werktage

Pos.
24
BOSCH Zwischenring | Ersatzteile für GGS 16 | 1600221003
Hersteller: BOSCH
Artikelnummer: EB-0601209103-1600221003
Netto: 4,53 € zzgl. MwSt.
zzgl. 6,90 € Versand (brutto)
einmalig pro Bestellung

Lieferzeit: 5 Werktage

Pos.
27
BOSCH Blechschraube DIN 7971-ST3,9x16-F | Ersatzteile für GGS 16 | 2910211019
Hersteller: BOSCH
Artikelnummer: EB-0601209103-2910211019
Netto: 3,63 € zzgl. MwSt.
zzgl. 6,90 € Versand (brutto)
einmalig pro Bestellung

Lieferzeit: 5 Werktage

Pos.
28
BOSCH Sechskantmutter M6 LINKSGEWINDE | Ersatzteile für GGS 16 | 3603300004
Hersteller: BOSCH
Artikelnummer: EB-0601209103-3603300004
Netto: 3,94 € zzgl. MwSt.
zzgl. 6,90 € Versand (brutto)
einmalig pro Bestellung

Lieferzeit: 5 Werktage

Pos.
29
BOSCH Abdeckplatte | Ersatzteile für GGS 16 | 3601038049
Hersteller: BOSCH
Artikelnummer: EB-0601209103-3601038049
nur Informationsartikel
Nie mehr lieferbar
keine Alternativen
Pos.
30
BOSCH Tülle | Ersatzteile für GGS 16 | 1600306001
Hersteller: BOSCH
Artikelnummer: EB-0601209103-1600306001
Netto: 4,53 € zzgl. MwSt.
zzgl. 6,90 € Versand (brutto)
einmalig pro Bestellung

Lieferzeit: 5 Werktage

Pos.
26
BOSCH Verschlussdeckel BLAU | Ersatzteile für GGS 16 | 3605500063
Hersteller: BOSCH
Artikelnummer: EB-0601209103-3605500060
Netto: 5,65 € zzgl. MwSt.
zzgl. 6,90 € Versand (brutto)
einmalig pro Bestellung

Lieferzeit: 5 Werktage

Pos.
31
BOSCH Zwischenring | Ersatzteile für GGS 16 | 1600502011
Hersteller: BOSCH
Artikelnummer: EB-0601209103-1600502011
Netto: 4,53 € zzgl. MwSt.
zzgl. 6,90 € Versand (brutto)
einmalig pro Bestellung

Lieferzeit: 15 Werktage

Pos.
33
BOSCH Sicherungsring DIN 471 17x1 MM | Ersatzteile für GGS 16 | 2916650008
Hersteller: BOSCH
Artikelnummer: EB-0601209103-2916650008
Netto: 3,94 € zzgl. MwSt.
zzgl. 6,90 € Versand (brutto)
einmalig pro Bestellung

Lieferzeit: 5 Werktage

Pos.
36
BOSCH Stirnrad Z=25 | Ersatzteile für GGS 16 | 3606320011
Hersteller: BOSCH
Artikelnummer: EB-0601209103-3606320011
Netto: 35,77 € zzgl. MwSt.
zzgl. 6,90 € Versand (brutto)
einmalig pro Bestellung

Lieferzeit: 5 Werktage

Pos.
37
BOSCH Zwischenring | Ersatzteile für GGS 16 | 1600300090
Hersteller: BOSCH
Artikelnummer: EB-0601209103-1600300090
Netto: 5,19 € zzgl. MwSt.
zzgl. 6,90 € Versand (brutto)
einmalig pro Bestellung

Lieferzeit: 5 Werktage

Pos.
38
BOSCH Rillenkugellager 9x26x8 | Ersatzteile für GGS 16 | 3600905131
Hersteller: BOSCH
Artikelnummer: EB-0601209103-3600905131
Netto: 9,95 € zzgl. MwSt.
zzgl. 6,90 € Versand (brutto)
einmalig pro Bestellung

Lieferzeit: 5 Werktage

Pos.
39
BOSCH Bürstenhalter | Ersatzteile für GGS 16 | 1604336017
Hersteller: BOSCH
Artikelnummer: EB-0601209103-1604336017
Netto: 7,76 € zzgl. MwSt.
zzgl. 6,90 € Versand (brutto)
einmalig pro Bestellung

Lieferzeit: 5 Werktage

Pos.
40
BOSCH Stirnrad Z=14 | Ersatzteile für GGS 16 | 3606320010
Hersteller: BOSCH
Artikelnummer: EB-0601209103-3606320010
Netto: 20,38 € zzgl. MwSt.
zzgl. 6,90 € Versand (brutto)
einmalig pro Bestellung

Lieferzeit: 5 Werktage

Pos.
41
BOSCH Torx-Linsenschraube | Ersatzteile für GGS 16 | 3603435057
Hersteller: BOSCH
Artikelnummer: EB-0601209103-3603435057
Netto: 3,94 € zzgl. MwSt.
zzgl. 6,90 € Versand (brutto)
einmalig pro Bestellung

Lieferzeit: 5 Werktage

Pos.
43
BOSCH Druckfeder | Ersatzteile für GGS 16 | 1604613006
Hersteller: BOSCH
Artikelnummer: EB-0601209103-1604613006
Netto: 3,94 € zzgl. MwSt.
zzgl. 6,90 € Versand (brutto)
einmalig pro Bestellung

Lieferzeit: 5 Werktage

Pos.
44
BOSCH Rillenkugellager 7x19x6 | Ersatzteile für GGS 16 | 2600905032
Hersteller: BOSCH
Artikelnummer: EB-0601209103-2600905032
Netto: 6,15 € zzgl. MwSt.
zzgl. 6,90 € Versand (brutto)
einmalig pro Bestellung

Lieferzeit: 36 Werktage

Pos.
47
BOSCH Zylinderschraube DIN 84-AM4x8-8.8 | Ersatzteile für GGS 16 | 2910021118
Hersteller: BOSCH
Artikelnummer: EB-0601209103-2910021118
Netto: 3,63 € zzgl. MwSt.
zzgl. 6,90 € Versand (brutto)
einmalig pro Bestellung

Lieferzeit: 5 Werktage

Pos.
48
BOSCH Spiralfeder | Ersatzteile für GGS 16 | 1604652006
Hersteller: BOSCH
Artikelnummer: EB-0601209103-1604652006
Netto: 3,94 € zzgl. MwSt.
zzgl. 6,90 € Versand (brutto)
einmalig pro Bestellung

Lieferzeit: 5 Werktage

Pos.
49
BOSCH Blechschraube DIN 7971-BZ3,5x13 | Ersatzteile für GGS 16 | 2910211011
Hersteller: BOSCH
Artikelnummer: EB-0601209103-2910211011
Netto: 3,63 € zzgl. MwSt.
zzgl. 6,90 € Versand (brutto)
einmalig pro Bestellung

Lieferzeit: 5 Werktage

Pos.
50
BOSCH Torx-Linsenschraube | Ersatzteile für GGS 16 | 2914201531
Hersteller: BOSCH
Artikelnummer: EB-0601209103-2914201531
Netto: 3,63 € zzgl. MwSt.
zzgl. 6,90 € Versand (brutto)
einmalig pro Bestellung

Lieferzeit: 5 Werktage

Pos.
40
BOSCH Stirnrad | Ersatzteile für GGS 16 | 1600A01L6F
Hersteller: BOSCH
Artikelnummer: EB-0601209103-1600A01L6F
Netto: 24,13 € zzgl. MwSt.
zzgl. 6,90 € Versand (brutto)
einmalig pro Bestellung

Lieferzeit: 5 Werktage

Pos.
52
BOSCH Torx-Linsenschraube | Ersatzteile für GGS 16 | 2914201508
Hersteller: BOSCH
Artikelnummer: EB-0601209103-2914201508
Netto: 3,63 € zzgl. MwSt.
zzgl. 6,90 € Versand (brutto)
einmalig pro Bestellung

Lieferzeit: 5 Werktage

Pos.
54
BOSCH Leitungsführung | Ersatzteile für GGS 16 | 3601025003
Hersteller: BOSCH
Artikelnummer: EB-0601209103-3601025003
Netto: 3,94 € zzgl. MwSt.
zzgl. 6,90 € Versand (brutto)
einmalig pro Bestellung

Lieferzeit: 5 Werktage

Pos.
55
BOSCH Luftleitring | Ersatzteile für GGS 16 | 1600502019
Hersteller: BOSCH
Artikelnummer: EB-0601209103-1600502019
Netto: 5,19 € zzgl. MwSt.
zzgl. 6,90 € Versand (brutto)
einmalig pro Bestellung

Lieferzeit: 5 Werktage

Pos.
57
BOSCH Firmenschild | Ersatzteile für GGS 16 | 3601119417
Hersteller: BOSCH
Artikelnummer: EB-0601209103-3601119417
Netto: 4,82 € zzgl. MwSt.
zzgl. 6,90 € Versand (brutto)
einmalig pro Bestellung

Lieferzeit: 5 Werktage

Pos.
59
BOSCH Isolierplatte 20x20x50 MM | Ersatzteile für GGS 16 | 1602381006
Hersteller: BOSCH
Artikelnummer: EB-0601209103-1602381006
Netto: 3,94 € zzgl. MwSt.
zzgl. 6,90 € Versand (brutto)
einmalig pro Bestellung

Lieferzeit: 5 Werktage

Pos.
60
BOSCH Unterlegscheibe A 8,4 DIN 125-ST | Ersatzteile für GGS 16 | 2916010016
Hersteller: BOSCH
Artikelnummer: EB-0601209103-2916010016
Netto: 3,63 € zzgl. MwSt.
zzgl. 6,90 € Versand (brutto)
einmalig pro Bestellung

Lieferzeit: 5 Werktage

Pos.
61
BOSCH Sechskantmutter DIN 439-BM8-04 | Ersatzteile für GGS 16 | 2915050107
Hersteller: BOSCH
Artikelnummer: EB-0601209103-2915050107
Netto: 3,63 € zzgl. MwSt.
zzgl. 6,90 € Versand (brutto)
einmalig pro Bestellung

Lieferzeit: 5 Werktage

Pos.
62
BOSCH Unterlegscheibe DIN 125-A 6,4-ST | Ersatzteile für GGS 16 | 2916011014
Hersteller: BOSCH
Artikelnummer: EB-0601209103-2916011014
Netto: 3,63 € zzgl. MwSt.
zzgl. 6,90 € Versand (brutto)
einmalig pro Bestellung

Lieferzeit: 5 Werktage

Pos.
90
BOSCH Sicherungsblech | Ersatzteile für GGS 16 | 1601030022
Hersteller: BOSCH
Artikelnummer: EB-0601209103-1601030022
Netto: 3,94 € zzgl. MwSt.
zzgl. 6,90 € Versand (brutto)
einmalig pro Bestellung

Lieferzeit: 5 Werktage

Pos.
150
BOSCH Schrumpfschlauch | Ersatzteile für GGS 16 | 3600707022
Hersteller: BOSCH
Artikelnummer: EB-0601209103-3600707022
Netto: 5,19 € zzgl. MwSt.
zzgl. 6,90 € Versand (brutto)
einmalig pro Bestellung

Lieferzeit: 5 Werktage

Pos.
152
BOSCH Flachstecker | Ersatzteile für GGS 16 | 1604477001
Hersteller: BOSCH
Artikelnummer: EB-0601209103-1604477001
Netto: 3,94 € zzgl. MwSt.
zzgl. 6,90 € Versand (brutto)
einmalig pro Bestellung

Lieferzeit: 5 Werktage

Pos.
153
BOSCH Verbindungsleitung | Ersatzteile für GGS 16 | 3604438029
Hersteller: BOSCH
Artikelnummer: EB-0601209103-3604438029
Netto: 9,18 € zzgl. MwSt.
zzgl. 6,90 € Versand (brutto)
einmalig pro Bestellung

Lieferzeit: 5 Werktage

Pos.
53
BOSCH Zwischenlager | Ersatzteile für GGS 16 | 3605820045
Hersteller: BOSCH
Artikelnummer: EB-0601209103-1607000FF6
Netto: 77,60 € zzgl. MwSt.
zzgl. 6,90 € Versand (brutto)
einmalig pro Bestellung

Lieferzeit: 5 Werktage

Pos.
651
BOSCH Einmaulschlüssel SW 14 | Ersatzteile für GGS 16 | 1907950508
Hersteller: BOSCH
Artikelnummer: EB-0601209103-1907950508
Netto: 12,98 € zzgl. MwSt.
zzgl. 6,90 € Versand (brutto)
einmalig pro Bestellung

Lieferzeit: 5 Werktage

Pos.
652
BOSCH Einmaulschlüssel SW22 | Ersatzteile für GGS 16 | 1607950505
Hersteller: BOSCH
Artikelnummer: EB-0601209103-1607950505
Netto: 14,36 € zzgl. MwSt.
zzgl. 6,90 € Versand (brutto)
einmalig pro Bestellung

Lieferzeit: 5 Werktage

Pos.
801
BOSCH Kohlebürstensatz | Ersatzteile für GGS 16 | 1607014126
Hersteller: BOSCH
Artikelnummer: EB-0601209103-1607014126
Netto: 14,36 € zzgl. MwSt.
zzgl. 6,90 € Versand (brutto)
einmalig pro Bestellung

Lieferzeit: 5 Werktage

Pos.
802
BOSCH Polschuh 230V | Ersatzteile für GGS 16 | 3604220131
Hersteller: BOSCH
Artikelnummer: EB-0601209103-3604220131
Netto: 52,14 € zzgl. MwSt.
zzgl. 6,90 € Versand (brutto)
einmalig pro Bestellung

Lieferzeit: 5 Werktage

Pos.
803
BOSCH Handgriff DUNKELBLAU | Ersatzteile für GGS 16 | 3605132048
Hersteller: BOSCH
Artikelnummer: EB-0601209103-3605132048
Netto: 57,47 € zzgl. MwSt.
zzgl. 6,90 € Versand (brutto)
einmalig pro Bestellung

Lieferzeit: 5 Werktage

Pos.
804
BOSCH Schaltersatz | Ersatzteile für GGS 16 | 1607000034
Hersteller: BOSCH
Artikelnummer: EB-0601209103-1607000034
nur Informationsartikel
Nie mehr lieferbar
keine Alternativen
Pos.
804/10
BOSCH Flachkopfschraube DIN 85-M4x10-4.8 | Ersatzteile für GGS 16 | 2910091120
Hersteller: BOSCH
Artikelnummer: EB-0601209103-2910091120
Netto: 3,63 € zzgl. MwSt.
zzgl. 6,90 € Versand (brutto)
einmalig pro Bestellung

Lieferzeit: 5 Werktage

Pos.
805
BOSCH Netzanschlussleitung | Ersatzteile für GGS 16 | 1607000391
Hersteller: BOSCH
Artikelnummer: EB-0601209103-1607000391
Netto: 17,38 € zzgl. MwSt.
zzgl. 6,90 € Versand (brutto)
einmalig pro Bestellung

Lieferzeit: 5 Werktage

Pos.
807
BOSCH Befestigungsschelle | Ersatzteile für GGS 16 | 1601302013
Hersteller: BOSCH
Artikelnummer: EB-0601209103-1601302013
Netto: 3,94 € zzgl. MwSt.
zzgl. 6,90 € Versand (brutto)
einmalig pro Bestellung

Lieferzeit: 5 Werktage

Pos.
808
BOSCH Typschild | Ersatzteile für GGS 16 | 160111A3H3
Hersteller: BOSCH
Artikelnummer: EB-0601209103-160111A3H3
Netto: 4,53 € zzgl. MwSt.
zzgl. 6,90 € Versand (brutto)
einmalig pro Bestellung

Lieferzeit: 5 Werktage

Pos.
808
BOSCH Typschild 26x52 MM | Ersatzteile für GGS 16 | 1601106032
Hersteller: BOSCH
Artikelnummer: EB-0601209103-1601106032
nur Informationsartikel
Nie mehr lieferbar
keine Alternativen
Pos.
832
BOSCH Schalthebel | Ersatzteile für GGS 16 | 1602026030
Hersteller: BOSCH
Artikelnummer: EB-0601209103-1602026030
Netto: 9,18 € zzgl. MwSt.
zzgl. 6,90 € Versand (brutto)
einmalig pro Bestellung

Lieferzeit: 5 Werktage

Pos.
832/80
BOSCH Filzring | Ersatzteile für GGS 16 | 1600205008
Hersteller: BOSCH
Artikelnummer: EB-0601209103-1600205008
Netto: 3,94 € zzgl. MwSt.
zzgl. 6,90 € Versand (brutto)
einmalig pro Bestellung

Lieferzeit: 5 Werktage

Pos.
834
BOSCH Dichtung | Ersatzteile für GGS 16 | 1600113013
Hersteller: BOSCH
Artikelnummer: EB-0601209103-1600113013
nur Informationsartikel
Nie mehr lieferbar
keine Alternativen
Pos.
835
BOSCH Gehäuseschale | Ersatzteile für GGS 16 | 3607031661
Hersteller: BOSCH
Artikelnummer: EB-0601209103-3607031661
Netto: 29,45 € zzgl. MwSt.
zzgl. 6,90 € Versand (brutto)
einmalig pro Bestellung

Lieferzeit: 5 Werktage

Pos.
845
BOSCH Dichtschnur | Ersatzteile für GGS 16 | 1601014000
Hersteller: BOSCH
Artikelnummer: EB-0601209103-1601014000
Netto: 4,82 € zzgl. MwSt.
zzgl. 6,90 € Versand (brutto)
einmalig pro Bestellung

Lieferzeit: 5 Werktage

Pos.
846
BOSCH Schraubensatz | Ersatzteile für GGS 16 | 3607031662
Hersteller: BOSCH
Artikelnummer: EB-0601209103-3607031662
Netto: 14,36 € zzgl. MwSt.
zzgl. 6,90 € Versand (brutto)
einmalig pro Bestellung

Lieferzeit: 5 Werktage

Pos.
851
BOSCH Unterlegscheibe DIN 433-3,2-ST 50 | Ersatzteile für GGS 16 | 2916011005
Hersteller: BOSCH
Artikelnummer: EB-0601209103-2916011005
Netto: 3,63 € zzgl. MwSt.
zzgl. 6,90 € Versand (brutto)
einmalig pro Bestellung

Lieferzeit: 5 Werktage

Pos.
853
BOSCH Verbindungsleitung L=220 MM WEISS | Ersatzteile für GGS 16 | 3604438001
Hersteller: BOSCH
Artikelnummer: EB-0601209103-3604438001
Netto: 7,76 € zzgl. MwSt.
zzgl. 6,90 € Versand (brutto)
einmalig pro Bestellung

Lieferzeit: 5 Werktage

Pos.
854
BOSCH Leitungsführung | Ersatzteile für GGS 16 | 1601025001
Hersteller: BOSCH
Artikelnummer: EB-0601209103-1601025001
Netto: 3,94 € zzgl. MwSt.
zzgl. 6,90 € Versand (brutto)
einmalig pro Bestellung

Lieferzeit: 5 Werktage

Angaben zur Produktsicherheit

Hersteller:
Robert Bosch Power Tools GmbH
Postfach 30 02 20
70442 Stuttgart

E-Mail:
kontakt@bosch.de