BOSCH Kohlebürstensatz | Ersatzteile für GGS 27 C | 2604320910

Artikelnummer: EB-0601210750-2604320910

Position: 810

Marke: BOSCH


Bitte Kompatibilität prüfen!

Bitte prüfen Sie unbedingt die 10-stellige Typennummer Ihrer Maschine / Ihres Gerätes. Das Ersatzteil ist nur kompatibel, wenn Sie die Typennummer Ihrer Maschine in der unten stehenden Produktbeschreibung finden.

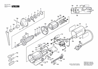
Bitte prüfen Sie ebenfalls detailliert die Explosionszeichnung mit Ihrem Artikelwunsch und der jeweiligen Pos-Nummer.

Alle Elemente, welche vom schwarzen Strich der Pos-Nummer ausgehend berührt / erfasst werden, gehören zu dieser Pos-Nummer und somit zu diesem Artikel. Jede Pos-Nummer ist ein eigenständiger Artikel, welchen Sie in der Auflistung finden.

Sie erhalten stets die aktuellste, neueste Produktversion zu der gewählten Pos-Nummer seitens des Herstellers. Es kann daher je nach Gerätealter vorkommen, dass Sie ggf. weitere, zugehörige Elemente, welche an diese Pos-Nummer grenzen, ebenfalls mittauschen müssen.

Nähere Informationen finden Sie unter dem Link
Hinweise zu Ihrer BOSCH Ersatzteilsuche

Preisübersicht

Einzelpreis: 9,18 €* (Brutto: 10,92 €)
Gesamtpreis: 9,18 €* 
Position:

Lieferzeit: 5 Werktage


Beschreibung

  • Kohlebürstensatz
  • Original Bosch Zubehör / BOSCH Ersatzteil (2604320910)
  • im Gerät verbaut: 1
Dieses BOSCH Ersatzteil ist mit folgendem Gerät und Modell kompatibel:
  • BOSCH Gerätename: GGS 27 C
  • BOSCH Explosionszeichnung: Position 810
  • BOSCH Typennummer: 0601210750
  • BOSCH Typennummer alternative Schreibweisen: 0 601 210 750, 0601 210 750, 0.601.210.750, 0-601-210-750
    Bitte prüfen Sie diese Typennummer auf Ihrem Gerät um die Kompatibilität des BOSCH Ersatzteils zu gewährleisten.
Weitere BOSCH Ersatzteile des Gerätes GGS 27 C (Geradschleifer) mit der Typennummer 0601210750 finden Sie in der nachfolgenden Darstellung und im Dropdown zu Ihrer Auswahl:

Pos.
1
BOSCH Spindelgehaeuse BLAU | Ersatzteile für GGS 27 C | 2605806375
Hersteller: BOSCH
Artikelnummer: EB-0601210750-2605806375
nur Informationsartikel
Nie mehr lieferbar
keine Alternativen
Pos.
103/60
BOSCH Lüfter | Ersatzteile für GGS 27 C | 2606610029
Hersteller: BOSCH
Artikelnummer: EB-0601210750-2606610029
Netto: 4,53 € zzgl. MwSt.
zzgl. 6,90 € Versand (brutto)
einmalig pro Bestellung

Lieferzeit: 5 Werktage

Pos.
104/10
BOSCH Flachkopfschraube DIN 85-AM3x6-CUZN | Ersatzteile für GGS 27 C | 2910110048
Hersteller: BOSCH
Artikelnummer: EB-0601210750-2910110048
Netto: 3,63 € zzgl. MwSt.
zzgl. 6,90 € Versand (brutto)
einmalig pro Bestellung

Lieferzeit: 5 Werktage

Pos.
2
BOSCH Überwurfmutter SW 17, Ø 18,5 MM | Ersatzteile für GGS 27 C | 2603312006
Hersteller: BOSCH
Artikelnummer: EB-0601210750-2603312006
Netto: 7,30 € zzgl. MwSt.
zzgl. 6,90 € Versand (brutto)
einmalig pro Bestellung

Lieferzeit: 5 Werktage

Pos.
4
BOSCH Dichtbuchse | Ersatzteile für GGS 27 C | 2600300073
Hersteller: BOSCH
Artikelnummer: EB-0601210750-2600300073
Netto: 7,30 € zzgl. MwSt.
zzgl. 6,90 € Versand (brutto)
einmalig pro Bestellung

Lieferzeit: 5 Werktage

Pos.
5
BOSCH Sicherungsbügel DIN 472-32x1,2 MM | Ersatzteile für GGS 27 C | 2916660013
Hersteller: BOSCH
Artikelnummer: EB-0601210750-2916660013
Netto: 4,32 € zzgl. MwSt.
zzgl. 6,90 € Versand (brutto)
einmalig pro Bestellung

Lieferzeit: 5 Werktage

Pos.
6
BOSCH Sicherungsbügel DIN 471-15x1-FSt | Ersatzteile für GGS 27 C | 2916650006
Hersteller: BOSCH
Artikelnummer: EB-0601210750-2916650006
Netto: 3,94 € zzgl. MwSt.
zzgl. 6,90 € Versand (brutto)
einmalig pro Bestellung

Lieferzeit: 5 Werktage

Pos.
7
BOSCH Tellerscheibe | Ersatzteile für GGS 27 C | 2600500033
Hersteller: BOSCH
Artikelnummer: EB-0601210750-2600500033
nur Informationsartikel
Nie mehr lieferbar
keine Alternativen
Pos.
8
BOSCH Filzring | Ersatzteile für GGS 27 C | 2600108033
Hersteller: BOSCH
Artikelnummer: EB-0601210750-2600108033
nur Informationsartikel
Nie mehr lieferbar
keine Alternativen
Pos.
9
BOSCH Torx-Linsenschraube 4x20 | Ersatzteile für GGS 27 C | 2603490023
Hersteller: BOSCH
Artikelnummer: EB-0601210750-2603490023
Netto: 3,63 € zzgl. MwSt.
zzgl. 6,90 € Versand (brutto)
einmalig pro Bestellung

Lieferzeit: 5 Werktage

Pos.
10
BOSCH Rillenkugellager 15x32x9 | Ersatzteile für GGS 27 C | 2600905017
Hersteller: BOSCH
Artikelnummer: EB-0601210750-2600905017
Netto: 9,18 € zzgl. MwSt.
zzgl. 6,90 € Versand (brutto)
einmalig pro Bestellung

Lieferzeit: 5 Werktage

Pos.
11
BOSCH Ausgleichscheibe 0,1 MM DICK | Ersatzteile für GGS 27 C | 1600102626
Hersteller: BOSCH
Artikelnummer: EB-0601210750-1600102626
Netto: 4,32 € zzgl. MwSt.
zzgl. 6,90 € Versand (brutto)
einmalig pro Bestellung

Lieferzeit: 5 Werktage

Pos.
102
BOSCH Polschuh 220-230V | Ersatzteile für GGS 27 C | 2604220491
Hersteller: BOSCH
Artikelnummer: EB-0601210750-2604220491
Netto: 19,18 € zzgl. MwSt.
zzgl. 6,90 € Versand (brutto)
einmalig pro Bestellung

Lieferzeit: 5 Werktage

Pos.
103
BOSCH Anker 220-230V | Ersatzteile für GGS 27 C | 2604010769
Hersteller: BOSCH
Artikelnummer: EB-0601210750-2604010769
Netto: 57,47 € zzgl. MwSt.
zzgl. 6,90 € Versand (brutto)
einmalig pro Bestellung

Lieferzeit: 5 Werktage

Pos.
104
BOSCH Ein/Aus-Schalter | Ersatzteile für GGS 27 C | 1607200086
Hersteller: BOSCH
Artikelnummer: EB-0601210750-1607200086
Netto: 9,95 € zzgl. MwSt.
zzgl. 6,90 € Versand (brutto)
einmalig pro Bestellung

Lieferzeit: 5 Werktage

Pos.
105
BOSCH Netzanschlussleitung I / BR 2,65m 2 x 1,0mm H05 VV-F | Ersatzteile für GGS 27 C | 2604460275
Hersteller: BOSCH
Artikelnummer: EB-0601210750-2604460275
nur Informationsartikel
Nie mehr lieferbar
keine Alternativen
Pos.
106
BOSCH Tülle Ø6,5-Ø6,9x95 MM | Ersatzteile für GGS 27 C | 2600703012
Hersteller: BOSCH
Artikelnummer: EB-0601210750-2600703012
Netto: 4,82 € zzgl. MwSt.
zzgl. 6,90 € Versand (brutto)
einmalig pro Bestellung

Lieferzeit: 5 Werktage

Pos.
107
BOSCH Befestigungsschelle | Ersatzteile für GGS 27 C | 1601302017
Hersteller: BOSCH
Artikelnummer: EB-0601210750-1601302017
Netto: 3,63 € zzgl. MwSt.
zzgl. 6,90 € Versand (brutto)
einmalig pro Bestellung

Lieferzeit: 5 Werktage

Pos.
109
BOSCH Firmenschild | Ersatzteile für GGS 27 C | 2601116672
Hersteller: BOSCH
Artikelnummer: EB-0601210750-2601116672
Netto: 5,19 € zzgl. MwSt.
zzgl. 6,90 € Versand (brutto)
einmalig pro Bestellung

Lieferzeit: 5 Werktage

Pos.
112
BOSCH Entstörfilter | Ersatzteile für GGS 27 C | 2607329124
Hersteller: BOSCH
Artikelnummer: EB-0601210750-2607329124
Netto: 9,18 € zzgl. MwSt.
zzgl. 6,90 € Versand (brutto)
einmalig pro Bestellung

Lieferzeit: 5 Werktage

Pos.
113
BOSCH Rillenkugellager | Ersatzteile für GGS 27 C | 2600905088
Hersteller: BOSCH
Artikelnummer: EB-0601210750-2600905088
Netto: 7,76 € zzgl. MwSt.
zzgl. 6,90 € Versand (brutto)
einmalig pro Bestellung

Lieferzeit: 5 Werktage

Pos.
116
BOSCH Bürstenhalter | Ersatzteile für GGS 27 C | 1600A003G4
Hersteller: BOSCH
Artikelnummer: EB-0601210750-2601323022
Netto: 5,19 € zzgl. MwSt.
zzgl. 6,90 € Versand (brutto)
einmalig pro Bestellung

Lieferzeit: 5 Werktage

Pos.
119
BOSCH Torx-Linsenschraube 4x12 | Ersatzteile für GGS 27 C | 2603490021
Hersteller: BOSCH
Artikelnummer: EB-0601210750-2603490021
Netto: 3,63 € zzgl. MwSt.
zzgl. 6,90 € Versand (brutto)
einmalig pro Bestellung

Lieferzeit: 5 Werktage

Pos.
125
BOSCH Torx-Linsenschraube 3x10 | Ersatzteile für GGS 27 C | 2603490017
Hersteller: BOSCH
Artikelnummer: EB-0601210750-2603490017
Netto: 4,32 € zzgl. MwSt.
zzgl. 6,90 € Versand (brutto)
einmalig pro Bestellung

Lieferzeit: 5 Werktage

Pos.
126
BOSCH Spiralfeder | Ersatzteile für GGS 27 C | 2604652009
Hersteller: BOSCH
Artikelnummer: EB-0601210750-2604652009
Netto: 3,94 € zzgl. MwSt.
zzgl. 6,90 € Versand (brutto)
einmalig pro Bestellung

Lieferzeit: 5 Werktage

Pos.
127
BOSCH Ausgleichscheibe | Ersatzteile für GGS 27 C | 2600150033
Hersteller: BOSCH
Artikelnummer: EB-0601210750-2600150033
Netto: 4,32 € zzgl. MwSt.
zzgl. 6,90 € Versand (brutto)
einmalig pro Bestellung

Lieferzeit: 5 Werktage

Pos.
128
BOSCH Distanzscheibe 0,2 MM | Ersatzteile für GGS 27 C | 2600101665
Hersteller: BOSCH
Artikelnummer: EB-0601210750-2600101665
Netto: 3,94 € zzgl. MwSt.
zzgl. 6,90 € Versand (brutto)
einmalig pro Bestellung

Lieferzeit: 5 Werktage

Pos.
128
BOSCH Distanzscheibe 0,3 MM | Ersatzteile für GGS 27 C | 2600101027
Hersteller: BOSCH
Artikelnummer: EB-0601210750-2600101027
Netto: 3,94 € zzgl. MwSt.
zzgl. 6,90 € Versand (brutto)
einmalig pro Bestellung

Lieferzeit: 5 Werktage

Pos.
128
BOSCH Distanzscheibe 0,5 MM | Ersatzteile für GGS 27 C | 2600101667
Hersteller: BOSCH
Artikelnummer: EB-0601210750-2600101667
Netto: 3,94 € zzgl. MwSt.
zzgl. 6,90 € Versand (brutto)
einmalig pro Bestellung

Lieferzeit: 5 Werktage

Pos.
129
BOSCH Schrumpfschlauch | Ersatzteile für GGS 27 C | 1610712034
Hersteller: BOSCH
Artikelnummer: EB-0601210750-1610712034
nur Informationsartikel
Nie mehr lieferbar
keine Alternativen
Pos.
131
BOSCH Gehäusedeckel BLAU | Ersatzteile für GGS 27 C | 1600508011
Hersteller: BOSCH
Artikelnummer: EB-0601210750-1600508011
Netto: 8,33 € zzgl. MwSt.
zzgl. 6,90 € Versand (brutto)
einmalig pro Bestellung

Lieferzeit: 5 Werktage

Pos.
133
BOSCH Schaltergriff SCHWARZ | Ersatzteile für GGS 27 C | 1602026057
Hersteller: BOSCH
Artikelnummer: EB-0601210750-1602026057
Netto: 3,94 € zzgl. MwSt.
zzgl. 6,90 € Versand (brutto)
einmalig pro Bestellung

Lieferzeit: 5 Werktage

Pos.
134
BOSCH Verstellschieber | Ersatzteile für GGS 27 C | 1602319002
Hersteller: BOSCH
Artikelnummer: EB-0601210750-1602319002
Netto: 4,53 € zzgl. MwSt.
zzgl. 6,90 € Versand (brutto)
einmalig pro Bestellung

Lieferzeit: 5 Werktage

Pos.
135
BOSCH Abdeckscheibe | Ersatzteile für GGS 27 C | 2601328045
Hersteller: BOSCH
Artikelnummer: EB-0601210750-2601328045
Netto: 4,32 € zzgl. MwSt.
zzgl. 6,90 € Versand (brutto)
einmalig pro Bestellung

Lieferzeit: 5 Werktage

Pos.
137
BOSCH Verbindungsleitung L=52MM WEISS | Ersatzteile für GGS 27 C | 2604448016
Hersteller: BOSCH
Artikelnummer: EB-0601210750-2604448016
Netto: 3,94 € zzgl. MwSt.
zzgl. 6,90 € Versand (brutto)
einmalig pro Bestellung

Lieferzeit: 5 Werktage

Pos.
138
BOSCH Elektr Leitung | Ersatzteile für GGS 27 C | 2604448149
Hersteller: BOSCH
Artikelnummer: EB-0601210750-2604448149
Netto: 3,94 € zzgl. MwSt.
zzgl. 6,90 € Versand (brutto)
einmalig pro Bestellung

Lieferzeit: 5 Werktage

Pos.
139
BOSCH Entstörfilter | Ersatzteile für GGS 27 C | 2604465096
Hersteller: BOSCH
Artikelnummer: EB-0601210750-2604465096
Netto: 6,15 € zzgl. MwSt.
zzgl. 6,90 € Versand (brutto)
einmalig pro Bestellung

Lieferzeit: 5 Werktage

Pos.
140
BOSCH Druckfeder | Ersatzteile für GGS 27 C | 1604611026
Hersteller: BOSCH
Artikelnummer: EB-0601210750-1604611026
Netto: 3,63 € zzgl. MwSt.
zzgl. 6,90 € Versand (brutto)
einmalig pro Bestellung

Lieferzeit: 33 Werktage

Pos.
141
BOSCH Drehzahlregler 230V | Ersatzteile für GGS 27 C | 2607230013
Hersteller: BOSCH
Artikelnummer: EB-0601210750-2607230013
Netto: 35,77 € zzgl. MwSt.
zzgl. 6,90 € Versand (brutto)
einmalig pro Bestellung

Lieferzeit: 5 Werktage

Pos.
151
BOSCH Kugel SCHWARZ | Ersatzteile für GGS 27 C | 2603230002
Hersteller: BOSCH
Artikelnummer: EB-0601210750-2603230002
Netto: 3,94 € zzgl. MwSt.
zzgl. 6,90 € Versand (brutto)
einmalig pro Bestellung

Lieferzeit: 5 Werktage

Pos.
703
BOSCH Spannzange Ø 6 MM / Ø 10 MM | Ersatzteile für GGS 27 C | 2608570047
Hersteller: BOSCH
Artikelnummer: EB-0601210750-2608570047
Netto: 16,77 € zzgl. MwSt.
zzgl. 6,90 € Versand (brutto)
einmalig pro Bestellung

Lieferzeit: 5 Werktage

Pos.
703
BOSCH Spannzange Ø 8 MM / Ø 10 MM | Ersatzteile für GGS 27 C | 2608570049
Hersteller: BOSCH
Artikelnummer: EB-0601210750-2608570049
Netto: 16,77 € zzgl. MwSt.
zzgl. 6,90 € Versand (brutto)
einmalig pro Bestellung

Lieferzeit: 5 Werktage

Pos.
753
BOSCH Schleifstift Ø 6 MM | Ersatzteile für GGS 27 C | 2608620012
Hersteller: BOSCH
Artikelnummer: EB-0601210750-2608620012
Netto: 7,19 € zzgl. MwSt.
zzgl. 6,90 € Versand (brutto)
einmalig pro Bestellung

Lieferzeit: 5 Werktage

Pos.
753
BOSCH Schleifstift Ø6,4 MM=1/4 Zoll | Ersatzteile für GGS 27 C | 2608620013
Hersteller: BOSCH
Artikelnummer: EB-0601210750-2608620013
nur Informationsartikel
Nie mehr lieferbar
keine Alternativen
Pos.
754
BOSCH Schleifstift Ø 6 MM | Ersatzteile für GGS 27 C | 2608620014
Hersteller: BOSCH
Artikelnummer: EB-0601210750-2608620014
Netto: 7,19 € zzgl. MwSt.
zzgl. 6,90 € Versand (brutto)
einmalig pro Bestellung

Lieferzeit: 5 Werktage

Pos.
754
BOSCH Schleifstift Ø6,4 MM=1/4 Zoll | Ersatzteile für GGS 27 C | 2608620015
Hersteller: BOSCH
Artikelnummer: EB-0601210750-2608620015
nur Informationsartikel
Nie mehr lieferbar
keine Alternativen
Pos.
755
BOSCH Abziehstein | Ersatzteile für GGS 27 C | 1607929000
Hersteller: BOSCH
Artikelnummer: EB-0601210750-1607929000
nur Informationsartikel
Nie mehr lieferbar
keine Alternativen
Pos.
756
BOSCH Zylinderstift 4x60 MM | Ersatzteile für GGS 27 C | 2603101035
Hersteller: BOSCH
Artikelnummer: EB-0601210750-2603101035
Netto: 4,82 € zzgl. MwSt.
zzgl. 6,90 € Versand (brutto)
einmalig pro Bestellung

Lieferzeit: 5 Werktage

Pos.
757
BOSCH Einmaulschlüssel SW17 | Ersatzteile für GGS 27 C | 1607950525
Hersteller: BOSCH
Artikelnummer: EB-0601210750-1607950525
Netto: 7,74 € zzgl. MwSt.
zzgl. 6,90 € Versand (brutto)
einmalig pro Bestellung

Lieferzeit: 5 Werktage

Pos.
801
BOSCH Motorgehäuse BLAU | Ersatzteile für GGS 27 C | 2605108908
Hersteller: BOSCH
Artikelnummer: EB-0601210750-2605108908
nur Informationsartikel
Nie mehr lieferbar
keine Alternativen
Pos.
810
BOSCH Kohlebürstensatz | Ersatzteile für GGS 27 C | 2604320910
Hersteller: BOSCH
Artikelnummer: EB-0601210750-2604320910
Netto: 9,18 € zzgl. MwSt.
zzgl. 6,90 € Versand (brutto)
einmalig pro Bestellung

Lieferzeit: 5 Werktage

Pos.
888
BOSCH Typschild | Ersatzteile für GGS 27 C | 160111A3H3
Hersteller: BOSCH
Artikelnummer: EB-0601210750-160111A3H3
Netto: 4,53 € zzgl. MwSt.
zzgl. 6,90 € Versand (brutto)
einmalig pro Bestellung

Lieferzeit: 5 Werktage

Angaben zur Produktsicherheit

Hersteller:
Robert Bosch Power Tools GmbH
Postfach 30 02 20
70442 Stuttgart

E-Mail:
kontakt@bosch.de