BOSCH Ausgleichscheibe 0,5 MM | Ersatzteile für GGS 27 L | 2600101020

Artikelnummer: EB-0601215043-2600101020

Position: 128

Marke: BOSCH


Bitte Kompatibilität prüfen!

Bitte prüfen Sie unbedingt die 10-stellige Typennummer Ihrer Maschine / Ihres Gerätes. Das Ersatzteil ist nur kompatibel, wenn Sie die Typennummer Ihrer Maschine in der unten stehenden Produktbeschreibung finden.

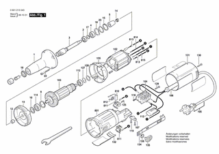
Bitte prüfen Sie ebenfalls detailliert die Explosionszeichnung mit Ihrem Artikelwunsch und der jeweiligen Pos-Nummer.

Alle Elemente, welche vom schwarzen Strich der Pos-Nummer ausgehend berührt / erfasst werden, gehören zu dieser Pos-Nummer und somit zu diesem Artikel. Jede Pos-Nummer ist ein eigenständiger Artikel, welchen Sie in der Auflistung finden.

Sie erhalten stets die aktuellste, neueste Produktversion zu der gewählten Pos-Nummer seitens des Herstellers. Es kann daher je nach Gerätealter vorkommen, dass Sie ggf. weitere, zugehörige Elemente, welche an diese Pos-Nummer grenzen, ebenfalls mittauschen müssen.

Nähere Informationen finden Sie unter dem Link
Hinweise zu Ihrer BOSCH Ersatzteilsuche

Preisübersicht

Einzelpreis: 3,94 €* (Brutto: 4,69 €)
Gesamtpreis: 3,94 €* 
Position:

Lieferzeit: 5 Werktage


Beschreibung

  • Ausgleichscheibe 0,5 MM
  • Original Bosch Zubehör / BOSCH Ersatzteil (2600101020)
  • im Gerät verbaut: 1
Dieses BOSCH Ersatzteil ist mit folgendem Gerät und Modell kompatibel:
  • BOSCH Gerätename: GGS 27 L
  • BOSCH Explosionszeichnung: Position 128
  • BOSCH Typennummer: 0601215043
  • BOSCH Typennummer alternative Schreibweisen: 0 601 215 043, 0601 215 043, 0.601.215.043, 0-601-215-043
    Bitte prüfen Sie diese Typennummer auf Ihrem Gerät um die Kompatibilität des BOSCH Ersatzteils zu gewährleisten.
Weitere BOSCH Ersatzteile des Gerätes GGS 27 L (Geradschleifer) mit der Typennummer 0601215043 finden Sie in der nachfolgenden Darstellung und im Dropdown zu Ihrer Auswahl:

Pos.
1
BOSCH Lagerflansch | Ersatzteile für GGS 27 L | F000635264
Hersteller: BOSCH
Artikelnummer: EB-0601215043-F000635264
nur Informationsartikel
Nie mehr lieferbar
keine Alternativen
Pos.
2
BOSCH Rillenkugellager | Ersatzteile für GGS 27 L | 3600900020
Hersteller: BOSCH
Artikelnummer: EB-0601215043-3600900020
Netto: 11,92 € zzgl. MwSt.
zzgl. 6,90 € Versand (brutto)
einmalig pro Bestellung

Lieferzeit: 5 Werktage

Pos.
3
BOSCH Schleifspindel | Ersatzteile für GGS 27 L | F000635263
Hersteller: BOSCH
Artikelnummer: EB-0601215043-F000635263
nur Informationsartikel
Nie mehr lieferbar
keine Alternativen
Pos.
4
BOSCH Rillenkugellager | Ersatzteile für GGS 27 L | 1600900029
Hersteller: BOSCH
Artikelnummer: EB-0601215043-1600900029
nur Informationsartikel
Nie mehr lieferbar
keine Alternativen
Pos.
5
BOSCH Kupplungshälfte | Ersatzteile für GGS 27 L | 2606446002
Hersteller: BOSCH
Artikelnummer: EB-0601215043-2606446002
Netto: 8,33 € zzgl. MwSt.
zzgl. 6,90 € Versand (brutto)
einmalig pro Bestellung

Lieferzeit: 5 Werktage

Pos.
9
BOSCH Sicherungsring DIN 472-24x1,2 MM | Ersatzteile für GGS 27 L | 2916660008
Hersteller: BOSCH
Artikelnummer: EB-0601215043-2916660008
Netto: 4,32 € zzgl. MwSt.
zzgl. 6,90 € Versand (brutto)
einmalig pro Bestellung

Lieferzeit: 5 Werktage

Pos.
10
BOSCH Tellerscheibe | Ersatzteile für GGS 27 L | 2600500002
Hersteller: BOSCH
Artikelnummer: EB-0601215043-2600500002
Netto: 3,94 € zzgl. MwSt.
zzgl. 6,90 € Versand (brutto)
einmalig pro Bestellung

Lieferzeit: 5 Werktage

Pos.
12
BOSCH Steckhülse | Ersatzteile für GGS 27 L | 2600400008
Hersteller: BOSCH
Artikelnummer: EB-0601215043-2600400008
Netto: 3,94 € zzgl. MwSt.
zzgl. 6,90 € Versand (brutto)
einmalig pro Bestellung

Lieferzeit: 5 Werktage

Pos.
13
BOSCH Zwischenflansch | Ersatzteile für GGS 27 L | F000635467
Hersteller: BOSCH
Artikelnummer: EB-0601215043-F000635467
nur Informationsartikel
Nie mehr lieferbar
keine Alternativen
Pos.
14
BOSCH Druckfeder | Ersatzteile für GGS 27 L | 2604630001
Hersteller: BOSCH
Artikelnummer: EB-0601215043-2604630001
Netto: 4,32 € zzgl. MwSt.
zzgl. 6,90 € Versand (brutto)
einmalig pro Bestellung

Lieferzeit: 5 Werktage

Pos.
15
BOSCH Sicherungsring DIN 472-26x1,2 MM | Ersatzteile für GGS 27 L | 2916660010
Hersteller: BOSCH
Artikelnummer: EB-0601215043-2916660010
Netto: 3,63 € zzgl. MwSt.
zzgl. 6,90 € Versand (brutto)
einmalig pro Bestellung

Lieferzeit: 5 Werktage

Pos.
17
BOSCH Sicherungsring DIN 471-12x1-FSt | Ersatzteile für GGS 27 L | 2916650003
Hersteller: BOSCH
Artikelnummer: EB-0601215043-2916650003
Netto: 3,94 € zzgl. MwSt.
zzgl. 6,90 € Versand (brutto)
einmalig pro Bestellung

Lieferzeit: 5 Werktage

Pos.
18
BOSCH Ausgleichscheibe | Ersatzteile für GGS 27 L | 3600150011
Hersteller: BOSCH
Artikelnummer: EB-0601215043-3600150011
Netto: 3,94 € zzgl. MwSt.
zzgl. 6,90 € Versand (brutto)
einmalig pro Bestellung

Lieferzeit: 5 Werktage

Pos.
19
BOSCH Abdeckring 8,5 mm | Ersatzteile für GGS 27 L | 2600501001
Hersteller: BOSCH
Artikelnummer: EB-0601215043-2600501001
nur Informationsartikel
Nie mehr lieferbar
keine Alternativen
Pos.
22
BOSCH Kreuzschlitzschraube | Ersatzteile für GGS 27 L | F000616012
Hersteller: BOSCH
Artikelnummer: EB-0601215043-F000616012
Netto: 3,94 € zzgl. MwSt.
zzgl. 6,90 € Versand (brutto)
einmalig pro Bestellung

Lieferzeit: 5 Werktage

Pos.
23
BOSCH Ausgleichscheibe 0,10 MM | Ersatzteile für GGS 27 L | 1710102601
Hersteller: BOSCH
Artikelnummer: EB-0601215043-1710102601
Netto: 3,94 € zzgl. MwSt.
zzgl. 6,90 € Versand (brutto)
einmalig pro Bestellung

Lieferzeit: 5 Werktage

Pos.
102
BOSCH Polschuh | Ersatzteile für GGS 27 L | F000607054
Hersteller: BOSCH
Artikelnummer: EB-0601215043-F000607054
nur Informationsartikel
Nie mehr lieferbar
keine Alternativen
Pos.
103
BOSCH Anker 220-230V | Ersatzteile für GGS 27 L | 2604010639
Hersteller: BOSCH
Artikelnummer: EB-0601215043-2604010639
nur Informationsartikel
Nie mehr lieferbar
keine Alternativen
Pos.
104
BOSCH Schalter | Ersatzteile für GGS 27 L | 2607200093
Hersteller: BOSCH
Artikelnummer: EB-0601215043-2607200093
nur Informationsartikel
Nie mehr lieferbar
keine Alternativen
Pos.
105
BOSCH Netzanschlussleitung | Ersatzteile für GGS 27 L | F000609257
Hersteller: BOSCH
Artikelnummer: EB-0601215043-F000609257
nur Informationsartikel
Nie mehr lieferbar
keine Alternativen
Pos.
106
BOSCH Tülle Ø7,6-Ø8,2x95 MM | Ersatzteile für GGS 27 L | 2600703013
Hersteller: BOSCH
Artikelnummer: EB-0601215043-2600703013
Netto: 4,53 € zzgl. MwSt.
zzgl. 6,90 € Versand (brutto)
einmalig pro Bestellung

Lieferzeit: 5 Werktage

Pos.
107
BOSCH Leitungshalter | Ersatzteile für GGS 27 L | F000635217
Hersteller: BOSCH
Artikelnummer: EB-0601215043-F000635217
Netto: 3,63 € zzgl. MwSt.
zzgl. 6,90 € Versand (brutto)
einmalig pro Bestellung

Lieferzeit: 5 Werktage

Pos.
112
BOSCH Entstörkondensator | Ersatzteile für GGS 27 L | F000610033
Hersteller: BOSCH
Artikelnummer: EB-0601215043-F000610033
nur Informationsartikel
Nie mehr lieferbar
keine Alternativen
Pos.
113
BOSCH Rillenkugellager 7x22x7 | Ersatzteile für GGS 27 L | 2600905018
Hersteller: BOSCH
Artikelnummer: EB-0601215043-2600905018
nur Informationsartikel
Nie mehr lieferbar
keine Alternativen
Pos.
114
BOSCH Kugellager 9x24x7 | Ersatzteile für GGS 27 L | 2600905095
Hersteller: BOSCH
Artikelnummer: EB-0601215043-2600905095
Netto: 10,92 € zzgl. MwSt.
zzgl. 6,90 € Versand (brutto)
einmalig pro Bestellung

Lieferzeit: 5 Werktage

Pos.
118
BOSCH Zylinderschraube M3x6,5-4.8 | Ersatzteile für GGS 27 L | 2603410001
Hersteller: BOSCH
Artikelnummer: EB-0601215043-2603410001
Netto: 3,94 € zzgl. MwSt.
zzgl. 6,90 € Versand (brutto)
einmalig pro Bestellung

Lieferzeit: 5 Werktage

Pos.
119
BOSCH Blechschraube 4x16 MM | Ersatzteile für GGS 27 L | 9618087099
Hersteller: BOSCH
Artikelnummer: EB-0601215043-9618087099
nur Informationsartikel
Nie mehr lieferbar
keine Alternativen
Pos.
125
BOSCH Torx-Linsenschraube 3x10 | Ersatzteile für GGS 27 L | 2603490017
Hersteller: BOSCH
Artikelnummer: EB-0601215043-2603490017
Netto: 4,32 € zzgl. MwSt.
zzgl. 6,90 € Versand (brutto)
einmalig pro Bestellung

Lieferzeit: 5 Werktage

Pos.
127
BOSCH Ausgleichscheibe | Ersatzteile für GGS 27 L | F000635092
Hersteller: BOSCH
Artikelnummer: EB-0601215043-F000635092
nur Informationsartikel
Nie mehr lieferbar
keine Alternativen
Pos.
128
BOSCH Ausgleichscheibe 0,2 MM | Ersatzteile für GGS 27 L | 2600101022
Hersteller: BOSCH
Artikelnummer: EB-0601215043-2600101022
Netto: 3,94 € zzgl. MwSt.
zzgl. 6,90 € Versand (brutto)
einmalig pro Bestellung

Lieferzeit: 5 Werktage

Pos.
128
BOSCH Ausgleichscheibe 0,3 MM | Ersatzteile für GGS 27 L | 2600101023
Hersteller: BOSCH
Artikelnummer: EB-0601215043-2600101023
Netto: 3,94 € zzgl. MwSt.
zzgl. 6,90 € Versand (brutto)
einmalig pro Bestellung

Lieferzeit: 5 Werktage

Pos.
128
BOSCH Ausgleichscheibe 0,5 MM | Ersatzteile für GGS 27 L | 2600101020
Hersteller: BOSCH
Artikelnummer: EB-0601215043-2600101020
Netto: 3,94 € zzgl. MwSt.
zzgl. 6,90 € Versand (brutto)
einmalig pro Bestellung

Lieferzeit: 5 Werktage

Pos.
129
BOSCH Blechschraube DIN 7971-BZ2,9x13 | Ersatzteile für GGS 27 L | 2910211006
Hersteller: BOSCH
Artikelnummer: EB-0601215043-2910211006
Netto: 3,63 € zzgl. MwSt.
zzgl. 6,90 € Versand (brutto)
einmalig pro Bestellung

Lieferzeit: 5 Werktage

Pos.
130
BOSCH Blechschraube BZ 3,9x25 DIN 7972 | Ersatzteile für GGS 27 L | 2910601022
Hersteller: BOSCH
Artikelnummer: EB-0601215043-2910601022
nur Informationsartikel
Nie mehr lieferbar
keine Alternativen
Pos.
131
BOSCH Gehäusedeckel | Ersatzteile für GGS 27 L | 2600508004
Hersteller: BOSCH
Artikelnummer: EB-0601215043-2600508004
nur Informationsartikel
Nie mehr lieferbar
keine Alternativen
Pos.
132
BOSCH Zwischenstück BLAU | Ersatzteile für GGS 27 L | 1600026000
Hersteller: BOSCH
Artikelnummer: EB-0601215043-1600026000
Netto: 3,63 € zzgl. MwSt.
zzgl. 6,90 € Versand (brutto)
einmalig pro Bestellung

Lieferzeit: 5 Werktage

Pos.
133
BOSCH Schaltergriff | Ersatzteile für GGS 27 L | 1602026054
Hersteller: BOSCH
Artikelnummer: EB-0601215043-1602026054
Netto: 3,94 € zzgl. MwSt.
zzgl. 6,90 € Versand (brutto)
einmalig pro Bestellung

Lieferzeit: 5 Werktage

Pos.
134
BOSCH Verstellhebel | Ersatzteile für GGS 27 L | F000635221
Hersteller: BOSCH
Artikelnummer: EB-0601215043-F000635221
nur Informationsartikel
Nie mehr lieferbar
keine Alternativen
Pos.
135
BOSCH Abdeckscheibe | Ersatzteile für GGS 27 L | 2601328034
Hersteller: BOSCH
Artikelnummer: EB-0601215043-2601328034
Netto: 4,39 € zzgl. MwSt.
zzgl. 6,90 € Versand (brutto)
einmalig pro Bestellung

Lieferzeit: 5 Werktage

Pos.
136
BOSCH Zwischenscheibe | Ersatzteile für GGS 27 L | 1600140009
Hersteller: BOSCH
Artikelnummer: EB-0601215043-1600140009
nur Informationsartikel
Nie mehr lieferbar
keine Alternativen
Pos.
801
BOSCH Motorgehäuse | Ersatzteile für GGS 27 L | 9618085665
Hersteller: BOSCH
Artikelnummer: EB-0601215043-9618085665
Netto: 24,13 € zzgl. MwSt.
zzgl. 6,90 € Versand (brutto)
einmalig pro Bestellung

Lieferzeit: 5 Werktage

Pos.
803
BOSCH Rundmutter | Ersatzteile für GGS 27 L | 3603342009
Hersteller: BOSCH
Artikelnummer: EB-0601215043-3603342009
Netto: 12,98 € zzgl. MwSt.
zzgl. 6,90 € Versand (brutto)
einmalig pro Bestellung

Lieferzeit: 5 Werktage

Pos.
810
BOSCH Kohlebürstensatz | Ersatzteile für GGS 27 L | 2604320912
Hersteller: BOSCH
Artikelnummer: EB-0601215043-2604320912
Netto: 8,33 € zzgl. MwSt.
zzgl. 6,90 € Versand (brutto)
einmalig pro Bestellung

Lieferzeit: 5 Werktage

Pos.
811
BOSCH Bürstenhalter | Ersatzteile für GGS 27 L | 2601323019
Hersteller: BOSCH
Artikelnummer: EB-0601215043-2601323019
Netto: 3,95 € zzgl. MwSt.
zzgl. 6,90 € Versand (brutto)
einmalig pro Bestellung

Lieferzeit: 5 Werktage

Pos.
812
BOSCH Spiralfeder | Ersatzteile für GGS 27 L | 1604652013
Hersteller: BOSCH
Artikelnummer: EB-0601215043-1604652013
Netto: 3,94 € zzgl. MwSt.
zzgl. 6,90 € Versand (brutto)
einmalig pro Bestellung

Lieferzeit: 5 Werktage

Pos.
813
BOSCH Entstörglied | Ersatzteile für GGS 27 L | 2604465106
Hersteller: BOSCH
Artikelnummer: EB-0601215043-2604465106
Netto: 5,67 € zzgl. MwSt.
zzgl. 6,90 € Versand (brutto)
einmalig pro Bestellung

Lieferzeit: 5 Werktage

Pos.
814
BOSCH Kabelführung | Ersatzteile für GGS 27 L | 2604448009
Hersteller: BOSCH
Artikelnummer: EB-0601215043-2604448009
nur Informationsartikel
Nie mehr lieferbar
keine Alternativen
Pos.
815
BOSCH Kabelführung | Ersatzteile für GGS 27 L | 2604448008
Hersteller: BOSCH
Artikelnummer: EB-0601215043-2604448008
Netto: 4,61 € zzgl. MwSt.
zzgl. 6,90 € Versand (brutto)
einmalig pro Bestellung

Lieferzeit: 5 Werktage

Angaben zur Produktsicherheit

Hersteller:
Robert Bosch Power Tools GmbH
Postfach 30 02 20
70442 Stuttgart

E-Mail:
kontakt@bosch.de