BOSCH Torx-Linsenschraube | Ersatzteile für GGS 8 H | 3603435057

Artikelnummer: EB-3601B14300-3603435057

Position: 41

Marke: BOSCH


Bitte Kompatibilität prüfen!

Bitte prüfen Sie unbedingt die 10-stellige Typennummer Ihrer Maschine / Ihres Gerätes. Das Ersatzteil ist nur kompatibel, wenn Sie die Typennummer Ihrer Maschine in der unten stehenden Produktbeschreibung finden.

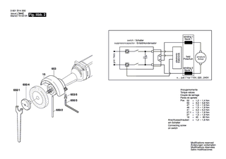
Bitte prüfen Sie ebenfalls detailliert die Explosionszeichnung mit Ihrem Artikelwunsch und der jeweiligen Pos-Nummer.

Alle Elemente, welche vom schwarzen Strich der Pos-Nummer ausgehend berührt / erfasst werden, gehören zu dieser Pos-Nummer und somit zu diesem Artikel. Jede Pos-Nummer ist ein eigenständiger Artikel, welchen Sie in der Auflistung finden.

Sie erhalten stets die aktuellste, neueste Produktversion zu der gewählten Pos-Nummer seitens des Herstellers. Es kann daher je nach Gerätealter vorkommen, dass Sie ggf. weitere, zugehörige Elemente, welche an diese Pos-Nummer grenzen, ebenfalls mittauschen müssen.

Nähere Informationen finden Sie unter dem Link
Hinweise zu Ihrer BOSCH Ersatzteilsuche

Preisübersicht

Einzelpreis: 3,94 €* (Brutto: 4,69 €)
Gesamtpreis: 3,94 €* 
Position:

Lieferzeit: 5 Werktage


Beschreibung

  • Torx-Linsenschraube
  • Original Bosch Zubehör / BOSCH Ersatzteil (3603435057)
  • im Gerät verbaut: 1
Dieses BOSCH Ersatzteil ist mit folgendem Gerät und Modell kompatibel:
  • BOSCH Gerätename: GGS 8 H
  • BOSCH Explosionszeichnung: Position 41
  • BOSCH Typennummer: 3601B14300
  • BOSCH Typennummer alternative Schreibweisen: 3 601 B14 300, 3601 B14 300, 3.601.B14.300, 3-601-B14-300
    Bitte prüfen Sie diese Typennummer auf Ihrem Gerät um die Kompatibilität des BOSCH Ersatzteils zu gewährleisten.
Weitere BOSCH Ersatzteile des Gerätes GGS 8 H (Geradschleifer) mit der Typennummer 3601B14300 finden Sie in der nachfolgenden Darstellung und im Dropdown zu Ihrer Auswahl:

Pos.
1
BOSCH Motorgehäuse BLAU | Ersatzteile für GGS 8 H | 3605108092
Hersteller: BOSCH
Artikelnummer: EB-3601B14300-3605108092
Netto: 24,13 € zzgl. MwSt.
zzgl. 6,90 € Versand (brutto)
einmalig pro Bestellung

Lieferzeit: 5 Werktage

Pos.
50
BOSCH Torx-Linsenschraube | Ersatzteile für GGS 8 H | 2914201529
Hersteller: BOSCH
Artikelnummer: EB-3601B14300-2914201529
Netto: 3,63 € zzgl. MwSt.
zzgl. 6,90 € Versand (brutto)
einmalig pro Bestellung

Lieferzeit: 5 Werktage

Pos.
826
BOSCH Verschlussdeckel BLAU | Ersatzteile für GGS 8 H | 3605500063
Hersteller: BOSCH
Artikelnummer: EB-3601B14300-3605500063
Netto: 5,65 € zzgl. MwSt.
zzgl. 6,90 € Versand (brutto)
einmalig pro Bestellung

Lieferzeit: 5 Werktage

Pos.
3
BOSCH Anker | Ersatzteile für GGS 8 H | 1619P13611
Hersteller: BOSCH
Artikelnummer: EB-3601B14300-1619P13611
Netto: 35,77 € zzgl. MwSt.
zzgl. 6,90 € Versand (brutto)
einmalig pro Bestellung

Lieferzeit: 5 Werktage

Pos.
3
BOSCH Anker 220-240V | Ersatzteile für GGS 8 H | 1604010474
Hersteller: BOSCH
Artikelnummer: EB-3601B14300-1604010474
Netto: 32,32 € zzgl. MwSt.
zzgl. 6,90 € Versand (brutto)
einmalig pro Bestellung

Lieferzeit: 5 Werktage

Pos.
3/5
BOSCH Lüfter | Ersatzteile für GGS 8 H | 1606610122
Hersteller: BOSCH
Artikelnummer: EB-3601B14300-1606610122
Netto: 4,82 € zzgl. MwSt.
zzgl. 6,90 € Versand (brutto)
einmalig pro Bestellung

Lieferzeit: 5 Werktage

Pos.
6
BOSCH Tülle Ø 10,5-Ø11,0x100 MM | Ersatzteile für GGS 8 H | 1600703023
Hersteller: BOSCH
Artikelnummer: EB-3601B14300-1600703023
Netto: 4,53 € zzgl. MwSt.
zzgl. 6,90 € Versand (brutto)
einmalig pro Bestellung

Lieferzeit: 5 Werktage

Pos.
7
BOSCH Befestigungsschelle | Ersatzteile für GGS 8 H | 1601302018
Hersteller: BOSCH
Artikelnummer: EB-3601B14300-1601302018
Netto: 3,94 € zzgl. MwSt.
zzgl. 6,90 € Versand (brutto)
einmalig pro Bestellung

Lieferzeit: 5 Werktage

Pos.
9
BOSCH Firmenschild | Ersatzteile für GGS 8 H | 3601110600
Hersteller: BOSCH
Artikelnummer: EB-3601B14300-3601110600
Netto: 4,53 € zzgl. MwSt.
zzgl. 6,90 € Versand (brutto)
einmalig pro Bestellung

Lieferzeit: 5 Werktage

Pos.
15
BOSCH Aufspannflansch Ø 65x16 MM | Ersatzteile für GGS 8 H | 1605703065
Hersteller: BOSCH
Artikelnummer: EB-3601B14300-1605703065
Netto: 33,96 € zzgl. MwSt.
zzgl. 6,90 € Versand (brutto)
einmalig pro Bestellung

Lieferzeit: 5 Werktage

Pos.
16
BOSCH Gewindering | Ersatzteile für GGS 8 H | 1603344005
Hersteller: BOSCH
Artikelnummer: EB-3601B14300-1603344005
Netto: 24,13 € zzgl. MwSt.
zzgl. 6,90 € Versand (brutto)
einmalig pro Bestellung

Lieferzeit: 5 Werktage

Pos.
17
BOSCH Rillenkugellager 17x47x14 | Ersatzteile für GGS 8 H | 1900900352
Hersteller: BOSCH
Artikelnummer: EB-3601B14300-1900900352
Netto: 24,13 € zzgl. MwSt.
zzgl. 6,90 € Versand (brutto)
einmalig pro Bestellung

Lieferzeit: 5 Werktage

Pos.
18
BOSCH Spindellager | Ersatzteile für GGS 8 H | 3605806084
Hersteller: BOSCH
Artikelnummer: EB-3601B14300-3605806084
Netto: 135,20 € zzgl. MwSt.
zzgl. 6,90 € Versand (brutto)
einmalig pro Bestellung

Lieferzeit: 5 Werktage

Pos.
19
BOSCH Schleifspindel M14 | Ersatzteile für GGS 8 H | 3603160000
Hersteller: BOSCH
Artikelnummer: EB-3601B14300-3603160000
Netto: 63,99 € zzgl. MwSt.
zzgl. 6,90 € Versand (brutto)
einmalig pro Bestellung

Lieferzeit: 5 Werktage

Pos.
21
BOSCH Gummiring Ø41xØ37x7,5 MM | Ersatzteile für GGS 8 H | 1600206029
Hersteller: BOSCH
Artikelnummer: EB-3601B14300-1600206029
Netto: 4,53 € zzgl. MwSt.
zzgl. 6,90 € Versand (brutto)
einmalig pro Bestellung

Lieferzeit: 5 Werktage

Pos.
22
BOSCH Radial-Wellendichtring | Ersatzteile für GGS 8 H | 1600290016
Hersteller: BOSCH
Artikelnummer: EB-3601B14300-1600290016
Netto: 4,53 € zzgl. MwSt.
zzgl. 6,90 € Versand (brutto)
einmalig pro Bestellung

Lieferzeit: 5 Werktage

Pos.
23
BOSCH O-Ring 57,0x1,5 MM | Ersatzteile für GGS 8 H | 1600210031
Hersteller: BOSCH
Artikelnummer: EB-3601B14300-1600210031
Netto: 3,63 € zzgl. MwSt.
zzgl. 6,90 € Versand (brutto)
einmalig pro Bestellung

Lieferzeit: 5 Werktage

Pos.
24
BOSCH Zwischenring | Ersatzteile für GGS 8 H | 1600221003
Hersteller: BOSCH
Artikelnummer: EB-3601B14300-1600221003
Netto: 4,53 € zzgl. MwSt.
zzgl. 6,90 € Versand (brutto)
einmalig pro Bestellung

Lieferzeit: 5 Werktage

Pos.
28
BOSCH Schnellspannmutter | Ersatzteile für GGS 8 H | 3603301010
Hersteller: BOSCH
Artikelnummer: EB-3601B14300-3603301010
Netto: 121,18 € zzgl. MwSt.
zzgl. 6,90 € Versand (brutto)
einmalig pro Bestellung

Lieferzeit: 5 Werktage

Pos.
31
BOSCH Zwischenring | Ersatzteile für GGS 8 H | 1600502011
Hersteller: BOSCH
Artikelnummer: EB-3601B14300-1600502011
Netto: 4,53 € zzgl. MwSt.
zzgl. 6,90 € Versand (brutto)
einmalig pro Bestellung

Lieferzeit: 5 Werktage

Pos.
33
BOSCH Sprengring 16 DIN 9045 | Ersatzteile für GGS 8 H | 2916600009
Hersteller: BOSCH
Artikelnummer: EB-3601B14300-2916600009
Netto: 3,63 € zzgl. MwSt.
zzgl. 6,90 € Versand (brutto)
einmalig pro Bestellung

Lieferzeit: 5 Werktage

Pos.
35
BOSCH Handgriff | Ersatzteile für GGS 8 H | 3605132079
Hersteller: BOSCH
Artikelnummer: EB-3601B14300-3605132079
Netto: 39,11 € zzgl. MwSt.
zzgl. 6,90 € Versand (brutto)
einmalig pro Bestellung

Lieferzeit: 5 Werktage

Pos.
36
BOSCH Stirnrad Z=25 | Ersatzteile für GGS 8 H | 3606320015
Hersteller: BOSCH
Artikelnummer: EB-3601B14300-3606320015
Netto: 57,47 € zzgl. MwSt.
zzgl. 6,90 € Versand (brutto)
einmalig pro Bestellung

Lieferzeit: 5 Werktage

Pos.
37
BOSCH Zwischenring | Ersatzteile für GGS 8 H | 1600300090
Hersteller: BOSCH
Artikelnummer: EB-3601B14300-1600300090
Netto: 5,19 € zzgl. MwSt.
zzgl. 6,90 € Versand (brutto)
einmalig pro Bestellung

Lieferzeit: 5 Werktage

Pos.
38
BOSCH Rillenkugellager 9x26x8 | Ersatzteile für GGS 8 H | 3600905131
Hersteller: BOSCH
Artikelnummer: EB-3601B14300-3600905131
Netto: 9,95 € zzgl. MwSt.
zzgl. 6,90 € Versand (brutto)
einmalig pro Bestellung

Lieferzeit: 5 Werktage

Pos.
40
BOSCH Scheibenfeder DIN 6888-4x5-ST60-2 | Ersatzteile für GGS 8 H | 1900023006
Hersteller: BOSCH
Artikelnummer: EB-3601B14300-1900023006
Netto: 4,53 € zzgl. MwSt.
zzgl. 6,90 € Versand (brutto)
einmalig pro Bestellung

Lieferzeit: 5 Werktage

Pos.
41
BOSCH Torx-Linsenschraube | Ersatzteile für GGS 8 H | 3603435057
Hersteller: BOSCH
Artikelnummer: EB-3601B14300-3603435057
Netto: 3,94 € zzgl. MwSt.
zzgl. 6,90 € Versand (brutto)
einmalig pro Bestellung

Lieferzeit: 5 Werktage

Pos.
43
BOSCH Druckfeder | Ersatzteile für GGS 8 H | 1604613006
Hersteller: BOSCH
Artikelnummer: EB-3601B14300-1604613006
Netto: 3,94 € zzgl. MwSt.
zzgl. 6,90 € Versand (brutto)
einmalig pro Bestellung

Lieferzeit: 5 Werktage

Pos.
44
BOSCH Rillenkugellager | Ersatzteile für GGS 8 H | 1600905017
Hersteller: BOSCH
Artikelnummer: EB-3601B14300-1600905017
Netto: 6,70 € zzgl. MwSt.
zzgl. 6,90 € Versand (brutto)
einmalig pro Bestellung

Lieferzeit: 5 Werktage

Pos.
46
BOSCH Schraube 4x16 | Ersatzteile für GGS 8 H | 2603490022
Hersteller: BOSCH
Artikelnummer: EB-3601B14300-2603490022
Netto: 3,63 € zzgl. MwSt.
zzgl. 6,90 € Versand (brutto)
einmalig pro Bestellung

Lieferzeit: 5 Werktage

Pos.
47
BOSCH Zylinderschraube DIN 84-AM4x8-8.8 | Ersatzteile für GGS 8 H | 2910021118
Hersteller: BOSCH
Artikelnummer: EB-3601B14300-2910021118
Netto: 3,63 € zzgl. MwSt.
zzgl. 6,90 € Versand (brutto)
einmalig pro Bestellung

Lieferzeit: 5 Werktage

Pos.
48
BOSCH Spiralfeder | Ersatzteile für GGS 8 H | 1604652006
Hersteller: BOSCH
Artikelnummer: EB-3601B14300-1604652006
Netto: 3,94 € zzgl. MwSt.
zzgl. 6,90 € Versand (brutto)
einmalig pro Bestellung

Lieferzeit: 5 Werktage

Pos.
51
BOSCH Elektronikmodul | Ersatzteile für GGS 8 H | 1607233319
Hersteller: BOSCH
Artikelnummer: EB-3601B14300-1607233319
Netto: 32,74 € zzgl. MwSt.
zzgl. 6,90 € Versand (brutto)
einmalig pro Bestellung

Lieferzeit: 5 Werktage

Pos.
52
BOSCH Linsenschraube 4x18 MM,TORX T20 | Ersatzteile für GGS 8 H | 2914201506
Hersteller: BOSCH
Artikelnummer: EB-3601B14300-2914201506
Netto: 3,63 € zzgl. MwSt.
zzgl. 6,90 € Versand (brutto)
einmalig pro Bestellung

Lieferzeit: 5 Werktage

Pos.
53
BOSCH Zwischenlager | Ersatzteile für GGS 8 H | 3605820045
Hersteller: BOSCH
Artikelnummer: EB-3601B14300-3605820045
Netto: 77,60 € zzgl. MwSt.
zzgl. 6,90 € Versand (brutto)
einmalig pro Bestellung

Lieferzeit: 5 Werktage

Pos.
54
BOSCH Leitungsführung | Ersatzteile für GGS 8 H | 3601025003
Hersteller: BOSCH
Artikelnummer: EB-3601B14300-3601025003
Netto: 3,94 € zzgl. MwSt.
zzgl. 6,90 € Versand (brutto)
einmalig pro Bestellung

Lieferzeit: 5 Werktage

Pos.
55
BOSCH Luftleitring | Ersatzteile für GGS 8 H | 1600502019
Hersteller: BOSCH
Artikelnummer: EB-3601B14300-1600502019
Netto: 5,19 € zzgl. MwSt.
zzgl. 6,90 € Versand (brutto)
einmalig pro Bestellung

Lieferzeit: 5 Werktage

Pos.
63
BOSCH Flachkopfschraube M4x10 MM | Ersatzteile für GGS 8 H | 1603410014
Hersteller: BOSCH
Artikelnummer: EB-3601B14300-1603410014
Netto: 3,94 € zzgl. MwSt.
zzgl. 6,90 € Versand (brutto)
einmalig pro Bestellung

Lieferzeit: 5 Werktage

Pos.
68
BOSCH Dichtblech | Ersatzteile für GGS 8 H | 1601006011
Hersteller: BOSCH
Artikelnummer: EB-3601B14300-1601006011
Netto: 4,53 € zzgl. MwSt.
zzgl. 6,90 € Versand (brutto)
einmalig pro Bestellung

Lieferzeit: 5 Werktage

Pos.
90
BOSCH Sicherungsblech | Ersatzteile für GGS 8 H | 1601030022
Hersteller: BOSCH
Artikelnummer: EB-3601B14300-1601030022
Netto: 3,94 € zzgl. MwSt.
zzgl. 6,90 € Versand (brutto)
einmalig pro Bestellung

Lieferzeit: 5 Werktage

Pos.
150
BOSCH Schrumpfschlauch | Ersatzteile für GGS 8 H | 3600707022
Hersteller: BOSCH
Artikelnummer: EB-3601B14300-3600707022
Netto: 5,19 € zzgl. MwSt.
zzgl. 6,90 € Versand (brutto)
einmalig pro Bestellung

Lieferzeit: 5 Werktage

Pos.
152
BOSCH Flachstecker | Ersatzteile für GGS 8 H | 1604477001
Hersteller: BOSCH
Artikelnummer: EB-3601B14300-1604477001
Netto: 3,94 € zzgl. MwSt.
zzgl. 6,90 € Versand (brutto)
einmalig pro Bestellung

Lieferzeit: 5 Werktage

Pos.
153
BOSCH Verbindungsleitung | Ersatzteile für GGS 8 H | 3604438034
Hersteller: BOSCH
Artikelnummer: EB-3601B14300-3604438034
Netto: 7,76 € zzgl. MwSt.
zzgl. 6,90 € Versand (brutto)
einmalig pro Bestellung

Lieferzeit: 5 Werktage

Pos.
650/1
BOSCH Zweilochmutterndreher | Ersatzteile für GGS 8 H | 1607950061
Hersteller: BOSCH
Artikelnummer: EB-3601B14300-1607950061
Netto: 5,60 € zzgl. MwSt.
zzgl. 6,90 € Versand (brutto)
einmalig pro Bestellung

Lieferzeit: 5 Werktage

Pos.
650/2
BOSCH Haltestift | Ersatzteile für GGS 8 H | 3603101005
Hersteller: BOSCH
Artikelnummer: EB-3601B14300-3603101005
Netto: 6,15 € zzgl. MwSt.
zzgl. 6,90 € Versand (brutto)
einmalig pro Bestellung

Lieferzeit: 5 Werktage

Pos.
650/3
BOSCH Winkelschraubendreher DIN 911 SW6 | Ersatzteile für GGS 8 H | 1907950007
Hersteller: BOSCH
Artikelnummer: EB-3601B14300-1907950007
Netto: 6,15 € zzgl. MwSt.
zzgl. 6,90 € Versand (brutto)
einmalig pro Bestellung

Lieferzeit: 5 Werktage

Pos.
650/4
BOSCH Rundmutter | Ersatzteile für GGS 8 H | 3603345014
Hersteller: BOSCH
Artikelnummer: EB-3601B14300-3603345014
Netto: 47,09 € zzgl. MwSt.
zzgl. 6,90 € Versand (brutto)
einmalig pro Bestellung

Lieferzeit: 5 Werktage

Pos.
653
BOSCH Schutzhaube Ø 125 MM | Ersatzteile für GGS 8 H | 3605510030
Hersteller: BOSCH
Artikelnummer: EB-3601B14300-3605510030
Netto: 24,13 € zzgl. MwSt.
zzgl. 6,90 € Versand (brutto)
einmalig pro Bestellung

Lieferzeit: 5 Werktage

Pos.
653/5
BOSCH Innensechskantschraube DIN 912-M8x25-8.8 | Ersatzteile für GGS 8 H | 2910141244
Hersteller: BOSCH
Artikelnummer: EB-3601B14300-2910141244
Netto: 3,94 € zzgl. MwSt.
zzgl. 6,90 € Versand (brutto)
einmalig pro Bestellung

Lieferzeit: 5 Werktage

Pos.
802
BOSCH Polschuh | Ersatzteile für GGS 8 H | 3607031864
Hersteller: BOSCH
Artikelnummer: EB-3601B14300-3607031864
Netto: 86,83 € zzgl. MwSt.
zzgl. 6,90 € Versand (brutto)
einmalig pro Bestellung

Lieferzeit: 5 Werktage

Pos.
BOSCH Torx-Linsenschraube | Ersatzteile für GGS 8 SH | 2914201527
Hersteller: BOSCH
Artikelnummer:
Netto: 4,32 € zzgl. MwSt.
zzgl. 6,90 € Versand (brutto)
einmalig pro Bestellung

Lieferzeit: 5 Werktage

Pos.
804
BOSCH Ein/Aus-Schalter GRAU | Ersatzteile für GGS 8 H | 1607000C14
Hersteller: BOSCH
Artikelnummer: EB-3601B14300-1607000C14
Netto: 24,13 € zzgl. MwSt.
zzgl. 6,90 € Versand (brutto)
einmalig pro Bestellung

Lieferzeit: 5 Werktage

Pos.
805
BOSCH Netzanschlussleitung | Ersatzteile für GGS 8 H | 1607000391
Hersteller: BOSCH
Artikelnummer: EB-3601B14300-1607000391
Netto: 17,38 € zzgl. MwSt.
zzgl. 6,90 € Versand (brutto)
einmalig pro Bestellung

Lieferzeit: 5 Werktage

Pos.
808
BOSCH Typschild | Ersatzteile für GGS 8 H | 160111A3H3
Hersteller: BOSCH
Artikelnummer: EB-3601B14300-160111A3H3
Netto: 4,53 € zzgl. MwSt.
zzgl. 6,90 € Versand (brutto)
einmalig pro Bestellung

Lieferzeit: 5 Werktage

Pos.
808
BOSCH Typschild 26x52 MM | Ersatzteile für GGS 8 H | 1601106032
Hersteller: BOSCH
Artikelnummer: EB-3601B14300-1601106032
nur Informationsartikel
Nie mehr lieferbar
keine Alternativen
Pos.
810
BOSCH Kohlebürstensatz | Ersatzteile für GGS 8 H | 3607014012
Hersteller: BOSCH
Artikelnummer: EB-3601B14300-3607014012
Netto: 21,16 € zzgl. MwSt.
zzgl. 6,90 € Versand (brutto)
einmalig pro Bestellung

Lieferzeit: 22 Werktage

Pos.
820
BOSCH Lagereinheit | Ersatzteile für GGS 8 H | 3604441011
Hersteller: BOSCH
Artikelnummer: EB-3601B14300-3604441011
Netto: 26,88 € zzgl. MwSt.
zzgl. 6,90 € Versand (brutto)
einmalig pro Bestellung

Lieferzeit: 5 Werktage

Pos.
BOSCH Verschlussdeckel BLAU | Ersatzteile für GGS 8 SH | 3605500060
Hersteller: BOSCH
Artikelnummer:
Netto: 3,94 € zzgl. MwSt.
zzgl. 6,90 € Versand (brutto)
einmalig pro Bestellung

Lieferzeit: 5 Werktage

Pos.
839
BOSCH Bürstenhalter | Ersatzteile für GGS 8 H | 3604336012
Hersteller: BOSCH
Artikelnummer: EB-3601B14300-3604336012
Netto: 6,70 € zzgl. MwSt.
zzgl. 6,90 € Versand (brutto)
einmalig pro Bestellung

Lieferzeit: 5 Werktage

Angaben zur Produktsicherheit

Hersteller:
Robert Bosch Power Tools GmbH
Postfach 30 02 20
70442 Stuttgart

E-Mail:
kontakt@bosch.de