BOSCH Kohlebürstensatz | Ersatzteile für GGW 10 E | 2604321905

Artikelnummer: EB-0601462840-2604321905

Position: 810

Marke: BOSCH


Bitte Kompatibilität prüfen!

Bitte prüfen Sie unbedingt die 10-stellige Typennummer Ihrer Maschine / Ihres Gerätes. Das Ersatzteil ist nur kompatibel, wenn Sie die Typennummer Ihrer Maschine in der unten stehenden Produktbeschreibung finden.

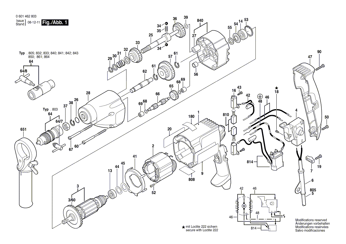
Bitte prüfen Sie ebenfalls detailliert die Explosionszeichnung mit Ihrem Artikelwunsch und der jeweiligen Pos-Nummer.

Alle Elemente, welche vom schwarzen Strich der Pos-Nummer ausgehend berührt / erfasst werden, gehören zu dieser Pos-Nummer und somit zu diesem Artikel. Jede Pos-Nummer ist ein eigenständiger Artikel, welchen Sie in der Auflistung finden.

Sie erhalten stets die aktuellste, neueste Produktversion zu der gewählten Pos-Nummer seitens des Herstellers. Es kann daher je nach Gerätealter vorkommen, dass Sie ggf. weitere, zugehörige Elemente, welche an diese Pos-Nummer grenzen, ebenfalls mittauschen müssen.

Nähere Informationen finden Sie unter dem Link
Hinweise zu Ihrer BOSCH Ersatzteilsuche

Preisübersicht

Einzelpreis: 9,18 €* (Brutto: 10,92 €)
Gesamtpreis: 9,18 €* 
Position:

Lieferzeit: 5 Werktage


Beschreibung

  • Kohlebürstensatz
  • Original Bosch Zubehör / BOSCH Ersatzteil (2604321905)
  • im Gerät verbaut: 1
Dieses BOSCH Ersatzteil ist mit folgendem Gerät und Modell kompatibel:
  • BOSCH Gerätename: GGW 10 E
  • BOSCH Explosionszeichnung: Position 810
  • BOSCH Typennummer: 0601462840
  • BOSCH Typennummer alternative Schreibweisen: 0 601 462 840, 0601 462 840, 0.601.462.840, 0-601-462-840
    Bitte prüfen Sie diese Typennummer auf Ihrem Gerät um die Kompatibilität des BOSCH Ersatzteils zu gewährleisten.
Weitere BOSCH Ersatzteile des Gerätes GGW 10 E (Gewindeschneider) mit der Typennummer 0601462840 finden Sie in der nachfolgenden Darstellung und im Dropdown zu Ihrer Auswahl:

Pos.
1
BOSCH Motorgehäuse BLAU | Ersatzteile für GGW 10 E | 2605104309
Hersteller: BOSCH
Artikelnummer: EB-0601462840-2605104309
Netto: 21,16 € zzgl. MwSt.
zzgl. 6,90 € Versand (brutto)
einmalig pro Bestellung

Lieferzeit: 5 Werktage

Pos.
3/60
BOSCH Lüfter | Ersatzteile für GGW 10 E | 2606610049
Hersteller: BOSCH
Artikelnummer: EB-0601462840-2606610049
Netto: 4,32 € zzgl. MwSt.
zzgl. 6,90 € Versand (brutto)
einmalig pro Bestellung

Lieferzeit: 5 Werktage

Pos.
64/8
BOSCH Bohrfutterschlüssel | Ersatzteile für GGW 10 E | 2607950012
Hersteller: BOSCH
Artikelnummer: EB-0601462840-2607950012
Netto: 14,36 € zzgl. MwSt.
zzgl. 6,90 € Versand (brutto)
einmalig pro Bestellung

Lieferzeit: 5 Werktage

Pos.
2
BOSCH Polschuh 220-230V | Ersatzteile für GGW 10 E | 2604220445
Hersteller: BOSCH
Artikelnummer: EB-0601462840-2604220445
Netto: 24,13 € zzgl. MwSt.
zzgl. 6,90 € Versand (brutto)
einmalig pro Bestellung

Lieferzeit: 5 Werktage

Pos.
3
BOSCH Anker 220-230V | Ersatzteile für GGW 10 E | 2604010612
Hersteller: BOSCH
Artikelnummer: EB-0601462840-2604010612
nur Informationsartikel
Nie mehr lieferbar
keine Alternativen
Pos.
4
BOSCH Schalter | Ersatzteile für GGW 10 E | 2607200184
Hersteller: BOSCH
Artikelnummer: EB-0601462840-2607200184
nur Informationsartikel
Nie mehr lieferbar
keine Alternativen
Pos.
6
BOSCH Tülle Ø6,9 MM | Ersatzteile für GGW 10 E | 2600707059
Hersteller: BOSCH
Artikelnummer: EB-0601462840-2600707059
Netto: 5,19 € zzgl. MwSt.
zzgl. 6,90 € Versand (brutto)
einmalig pro Bestellung

Lieferzeit: 5 Werktage

Pos.
7
BOSCH Leitungshalter | Ersatzteile für GGW 10 E | 2601035001
Hersteller: BOSCH
Artikelnummer: EB-0601462840-2601035001
Netto: 3,94 € zzgl. MwSt.
zzgl. 6,90 € Versand (brutto)
einmalig pro Bestellung

Lieferzeit: 5 Werktage

Pos.
9
BOSCH Klebeschild SONNENSEITE | Ersatzteile für GGW 10 E | 3601110341
Hersteller: BOSCH
Artikelnummer: EB-0601462840-3601110341
nur Informationsartikel
Nie mehr lieferbar
keine Alternativen
Pos.
13
BOSCH Kugellager 7x22x7 | Ersatzteile für GGW 10 E | 1900905018
Hersteller: BOSCH
Artikelnummer: EB-0601462840-1900905018
Netto: 15,75 € zzgl. MwSt.
zzgl. 6,90 € Versand (brutto)
einmalig pro Bestellung

Lieferzeit: 5 Werktage

Pos.
14
BOSCH Rillenkugellager 9x24x7 | Ersatzteile für GGW 10 E | 2600905021
Hersteller: BOSCH
Artikelnummer: EB-0601462840-2600905021
Netto: 8,33 € zzgl. MwSt.
zzgl. 6,90 € Versand (brutto)
einmalig pro Bestellung

Lieferzeit: 5 Werktage

Pos.
16
BOSCH Bürstenhalter | Ersatzteile für GGW 10 E | 2604337003
Hersteller: BOSCH
Artikelnummer: EB-0601462840-2604337003
Netto: 4,32 € zzgl. MwSt.
zzgl. 6,90 € Versand (brutto)
einmalig pro Bestellung

Lieferzeit: 5 Werktage

Pos.
18
BOSCH Zylinderschraube M3x6,5-4.8 | Ersatzteile für GGW 10 E | 2603410001
Hersteller: BOSCH
Artikelnummer: EB-0601462840-2603410001
Netto: 3,94 € zzgl. MwSt.
zzgl. 6,90 € Versand (brutto)
einmalig pro Bestellung

Lieferzeit: 5 Werktage

Pos.
19
BOSCH Blechschraube DIN 7971-ST3,9x16-F | Ersatzteile für GGW 10 E | 2910211019
Hersteller: BOSCH
Artikelnummer: EB-0601462840-2910211019
Netto: 3,63 € zzgl. MwSt.
zzgl. 6,90 € Versand (brutto)
einmalig pro Bestellung

Lieferzeit: 5 Werktage

Pos.
20
BOSCH Klebeschild SCHATTENSEITE | Ersatzteile für GGW 10 E | 3601110342
Hersteller: BOSCH
Artikelnummer: EB-0601462840-3601110342
nur Informationsartikel
Nie mehr lieferbar
keine Alternativen
Pos.
25
BOSCH Bohrspindel 1/2" | Ersatzteile für GGW 10 E | 3606135003
Hersteller: BOSCH
Artikelnummer: EB-0601462840-3606135003
Netto: 96,32 € zzgl. MwSt.
zzgl. 6,90 € Versand (brutto)
einmalig pro Bestellung

Lieferzeit: 5 Werktage

Pos.
26
BOSCH O-Ring 13,0x2,0 MM | Ersatzteile für GGW 10 E | 3600210065
Hersteller: BOSCH
Artikelnummer: EB-0601462840-3600210065
nur Informationsartikel
Nie mehr lieferbar
keine Alternativen
Pos.
27
BOSCH Lagerbuchse | Ersatzteile für GGW 10 E | 3600328036
Hersteller: BOSCH
Artikelnummer: EB-0601462840-3600328036
nur Informationsartikel
Nie mehr lieferbar
keine Alternativen
Pos.
28
BOSCH Getriebegehäuse | Ersatzteile für GGW 10 E | 3605190131
Hersteller: BOSCH
Artikelnummer: EB-0601462840-3605190131
Netto: 121,18 € zzgl. MwSt.
zzgl. 6,90 € Versand (brutto)
einmalig pro Bestellung

Lieferzeit: 5 Werktage

Pos.
29
BOSCH Sicherungsring | Ersatzteile für GGW 10 E | 3600118009
Hersteller: BOSCH
Artikelnummer: EB-0601462840-3600118009
Netto: 3,63 € zzgl. MwSt.
zzgl. 6,90 € Versand (brutto)
einmalig pro Bestellung

Lieferzeit: 5 Werktage

Pos.
30
BOSCH Unterlegscheibe | Ersatzteile für GGW 10 E | 3600101043
Hersteller: BOSCH
Artikelnummer: EB-0601462840-3600101043
Netto: 5,19 € zzgl. MwSt.
zzgl. 6,90 € Versand (brutto)
einmalig pro Bestellung

Lieferzeit: 5 Werktage

Pos.
31
BOSCH Druckfeder | Ersatzteile für GGW 10 E | 3604616016
Hersteller: BOSCH
Artikelnummer: EB-0601462840-3604616016
nur Informationsartikel
Nie mehr lieferbar
keine Alternativen
Pos.
32
BOSCH Ausgleichscheibe | Ersatzteile für GGW 10 E | 3600101044
Hersteller: BOSCH
Artikelnummer: EB-0601462840-3600101044
nur Informationsartikel
Nie mehr lieferbar
keine Alternativen
Pos.
33
BOSCH Stirnrad Z=42 | Ersatzteile für GGW 10 E | 3606316071
Hersteller: BOSCH
Artikelnummer: EB-0601462840-3606316071
Netto: 77,60 € zzgl. MwSt.
zzgl. 6,90 € Versand (brutto)
einmalig pro Bestellung

Lieferzeit: 5 Werktage

Pos.
34
BOSCH Kugel DIN 5401-6 G28 | Ersatzteile für GGW 10 E | 1903230011
Hersteller: BOSCH
Artikelnummer: EB-0601462840-1903230011
Netto: 4,53 € zzgl. MwSt.
zzgl. 6,90 € Versand (brutto)
einmalig pro Bestellung

Lieferzeit: 5 Werktage

Pos.
35
BOSCH Druckfeder | Ersatzteile für GGW 10 E | 3604610018
Hersteller: BOSCH
Artikelnummer: EB-0601462840-3604610018
Netto: 3,63 € zzgl. MwSt.
zzgl. 6,90 € Versand (brutto)
einmalig pro Bestellung

Lieferzeit: 5 Werktage

Pos.
36
BOSCH Stirnrad Z=42 | Ersatzteile für GGW 10 E | 3606316020
Hersteller: BOSCH
Artikelnummer: EB-0601462840-3606316020
Netto: 77,60 € zzgl. MwSt.
zzgl. 6,90 € Versand (brutto)
einmalig pro Bestellung

Lieferzeit: 5 Werktage

Pos.
37
BOSCH Mutter | Ersatzteile für GGW 10 E | 3603300007
Hersteller: BOSCH
Artikelnummer: EB-0601462840-3603300007
nur Informationsartikel
Nie mehr lieferbar
keine Alternativen
Pos.
38
BOSCH Sicherungsring | Ersatzteile für GGW 10 E | 3600118010
Hersteller: BOSCH
Artikelnummer: EB-0601462840-3600118010
nur Informationsartikel
Nie mehr lieferbar
keine Alternativen
Pos.
39
BOSCH Ausgleichscheibe 0,5 MM | Ersatzteile für GGW 10 E | 2600100505
Hersteller: BOSCH
Artikelnummer: EB-0601462840-2600100505
nur Informationsartikel
Nie mehr lieferbar
keine Alternativen
Pos.
41
BOSCH Abdeckscheibe | Ersatzteile für GGW 10 E | 2601328033
Hersteller: BOSCH
Artikelnummer: EB-0601462840-2601328033
nur Informationsartikel
Nie mehr lieferbar
keine Alternativen
Pos.
42
BOSCH Entstörfilter | Ersatzteile für GGW 10 E | 2604465068
Hersteller: BOSCH
Artikelnummer: EB-0601462840-2604465068
nur Informationsartikel
Nie mehr lieferbar
keine Alternativen
Pos.
43
BOSCH Linsenkopfschraube 3x10 ST | Ersatzteile für GGW 10 E | 1613435034
Hersteller: BOSCH
Artikelnummer: EB-0601462840-1613435034
nur Informationsartikel
Nie mehr lieferbar
keine Alternativen
Pos.
44
BOSCH Ausgleichscheibe | Ersatzteile für GGW 10 E | 2600150004
Hersteller: BOSCH
Artikelnummer: EB-0601462840-2600150004
Netto: 4,32 € zzgl. MwSt.
zzgl. 6,90 € Versand (brutto)
einmalig pro Bestellung

Lieferzeit: 5 Werktage

Pos.
45
BOSCH Ausgleichscheibe 0,2 MM | Ersatzteile für GGW 10 E | 2600101022
Hersteller: BOSCH
Artikelnummer: EB-0601462840-2600101022
Netto: 3,94 € zzgl. MwSt.
zzgl. 6,90 € Versand (brutto)
einmalig pro Bestellung

Lieferzeit: 5 Werktage

Pos.
45
BOSCH Ausgleichscheibe 0,3 MM | Ersatzteile für GGW 10 E | 2600101023
Hersteller: BOSCH
Artikelnummer: EB-0601462840-2600101023
Netto: 3,94 € zzgl. MwSt.
zzgl. 6,90 € Versand (brutto)
einmalig pro Bestellung

Lieferzeit: 5 Werktage

Pos.
45
BOSCH Ausgleichscheibe 0,5 MM | Ersatzteile für GGW 10 E | 2600101020
Hersteller: BOSCH
Artikelnummer: EB-0601462840-2600101020
Netto: 3,94 € zzgl. MwSt.
zzgl. 6,90 € Versand (brutto)
einmalig pro Bestellung

Lieferzeit: 5 Werktage

Pos.
46
BOSCH Elektr Leitung L=130 MM WEISS | Ersatzteile für GGW 10 E | 2604448005
Hersteller: BOSCH
Artikelnummer: EB-0601462840-2604448005
Netto: 3,94 € zzgl. MwSt.
zzgl. 6,90 € Versand (brutto)
einmalig pro Bestellung

Lieferzeit: 5 Werktage

Pos.
47
BOSCH Gehäusedeckel BLAU | Ersatzteile für GGW 10 E | 2605132049
Hersteller: BOSCH
Artikelnummer: EB-0601462840-2605132049
Netto: 7,58 € zzgl. MwSt.
zzgl. 6,90 € Versand (brutto)
einmalig pro Bestellung

Lieferzeit: 5 Werktage

Pos.
48
BOSCH Erdleitung | Ersatzteile für GGW 10 E | 2604448097
Hersteller: BOSCH
Artikelnummer: EB-0601462840-2604448097
Netto: 3,94 € zzgl. MwSt.
zzgl. 6,90 € Versand (brutto)
einmalig pro Bestellung

Lieferzeit: 5 Werktage

Pos.
52
BOSCH Kreuzschlitzschraube DIN 7981-ST3,5x9,5-F | Ersatzteile für GGW 10 E | 2603435015
Hersteller: BOSCH
Artikelnummer: EB-0601462840-2603435015
Netto: 4,32 € zzgl. MwSt.
zzgl. 6,90 € Versand (brutto)
einmalig pro Bestellung

Lieferzeit: 5 Werktage

Pos.
53
BOSCH Sicherungsring DIN 472-24x1,2 MM | Ersatzteile für GGW 10 E | 2916660008
Hersteller: BOSCH
Artikelnummer: EB-0601462840-2916660008
Netto: 4,32 € zzgl. MwSt.
zzgl. 6,90 € Versand (brutto)
einmalig pro Bestellung

Lieferzeit: 5 Werktage

Pos.
54
BOSCH Tellerscheibe | Ersatzteile für GGW 10 E | 2600500002
Hersteller: BOSCH
Artikelnummer: EB-0601462840-2600500002
Netto: 3,94 € zzgl. MwSt.
zzgl. 6,90 € Versand (brutto)
einmalig pro Bestellung

Lieferzeit: 5 Werktage

Pos.
55
BOSCH Filzring | Ersatzteile für GGW 10 E | 2600108077
Hersteller: BOSCH
Artikelnummer: EB-0601462840-2600108077
Netto: 3,94 € zzgl. MwSt.
zzgl. 6,90 € Versand (brutto)
einmalig pro Bestellung

Lieferzeit: 5 Werktage

Pos.
56
BOSCH Steckhülse | Ersatzteile für GGW 10 E | 2600400008
Hersteller: BOSCH
Artikelnummer: EB-0601462840-2600400008
Netto: 3,94 € zzgl. MwSt.
zzgl. 6,90 € Versand (brutto)
einmalig pro Bestellung

Lieferzeit: 5 Werktage

Pos.
57
BOSCH Stirnrad Z=33/56 | Ersatzteile für GGW 10 E | 3606328000
Hersteller: BOSCH
Artikelnummer: EB-0601462840-3606328000
Netto: 90,23 € zzgl. MwSt.
zzgl. 6,90 € Versand (brutto)
einmalig pro Bestellung

Lieferzeit: 5 Werktage

Pos.
60
BOSCH Blechschraube 4,8x78 MM, TORX T-20 | Ersatzteile für GGW 10 E | 1603435036
Hersteller: BOSCH
Artikelnummer: EB-0601462840-1603435036
Netto: 3,94 € zzgl. MwSt.
zzgl. 6,90 € Versand (brutto)
einmalig pro Bestellung

Lieferzeit: 5 Werktage

Pos.
61
BOSCH Sicherungsring DIN 471-12x1-FSTM | Ersatzteile für GGW 10 E | 2916650903
Hersteller: BOSCH
Artikelnummer: EB-0601462840-2916650903
Netto: 3,94 € zzgl. MwSt.
zzgl. 6,90 € Versand (brutto)
einmalig pro Bestellung

Lieferzeit: 5 Werktage

Pos.
62
BOSCH Achse | Ersatzteile für GGW 10 E | 3603124000
Hersteller: BOSCH
Artikelnummer: EB-0601462840-3603124000
Netto: 42,86 € zzgl. MwSt.
zzgl. 6,90 € Versand (brutto)
einmalig pro Bestellung

Lieferzeit: 5 Werktage

Pos.
64
BOSCH Bohrfutter M4-M12 | Ersatzteile für GGW 10 E | 2608573003
Hersteller: BOSCH
Artikelnummer: EB-0601462840-2608573003
nur Informationsartikel
Nie mehr lieferbar
keine Alternativen
Pos.
65
BOSCH Stirnrad Z=28 | Ersatzteile für GGW 10 E | 3606316021
Hersteller: BOSCH
Artikelnummer: EB-0601462840-3606316021
Netto: 42,86 € zzgl. MwSt.
zzgl. 6,90 € Versand (brutto)
einmalig pro Bestellung

Lieferzeit: 5 Werktage

Pos.
66
BOSCH Welle Mit Zahnrad Z=11 | Ersatzteile für GGW 10 E | 3606337062
Hersteller: BOSCH
Artikelnummer: EB-0601462840-3606337062
Netto: 42,86 € zzgl. MwSt.
zzgl. 6,90 € Versand (brutto)
einmalig pro Bestellung

Lieferzeit: 5 Werktage

Pos.
67
BOSCH Blechschraube 79 MM | Ersatzteile für GGW 10 E | 2603435012
Hersteller: BOSCH
Artikelnummer: EB-0601462840-2603435012
nur Informationsartikel
Nie mehr lieferbar
keine Alternativen
Pos.
68
BOSCH Ausgleichscheibe 0,50 MM | Ersatzteile für GGW 10 E | 2600100613
Hersteller: BOSCH
Artikelnummer: EB-0601462840-2600100613
Netto: 3,94 € zzgl. MwSt.
zzgl. 6,90 € Versand (brutto)
einmalig pro Bestellung

Lieferzeit: 5 Werktage

Pos.
69
BOSCH Nadelhülse | Ersatzteile für GGW 10 E | 9001140359
Hersteller: BOSCH
Artikelnummer: EB-0601462840-9001140359
Netto: 7,30 € zzgl. MwSt.
zzgl. 6,90 € Versand (brutto)
einmalig pro Bestellung

Lieferzeit: 5 Werktage

Pos.
90
BOSCH Blechschraube DIN 7971-BZ3,9x25 | Ersatzteile für GGW 10 E | 2910211022
Hersteller: BOSCH
Artikelnummer: EB-0601462840-2910211022
Netto: 3,63 € zzgl. MwSt.
zzgl. 6,90 € Versand (brutto)
einmalig pro Bestellung

Lieferzeit: 5 Werktage

Pos.
180
BOSCH Klebeschild | Ersatzteile für GGW 10 E | 1611110G16
Hersteller: BOSCH
Artikelnummer: EB-0601462840-1611110G16
nur Informationsartikel
Nie mehr lieferbar
keine Alternativen
Pos.
805
BOSCH Netzanschlussleitung EU 2,6m 2 x 1,0 mm | Ersatzteile für GGW 10 E | 1607000385
Hersteller: BOSCH
Artikelnummer: EB-0601462840-1607000385
Netto: 12,98 € zzgl. MwSt.
zzgl. 6,90 € Versand (brutto)
einmalig pro Bestellung

Lieferzeit: 5 Werktage

Pos.
808
BOSCH Typschild | Ersatzteile für GGW 10 E | 160111A3H3
Hersteller: BOSCH
Artikelnummer: EB-0601462840-160111A3H3
Netto: 4,53 € zzgl. MwSt.
zzgl. 6,90 € Versand (brutto)
einmalig pro Bestellung

Lieferzeit: 5 Werktage

Pos.
810
BOSCH Kohlebürstensatz | Ersatzteile für GGW 10 E | 2604321905
Hersteller: BOSCH
Artikelnummer: EB-0601462840-2604321905
Netto: 9,18 € zzgl. MwSt.
zzgl. 6,90 € Versand (brutto)
einmalig pro Bestellung

Lieferzeit: 5 Werktage

Pos.
814
BOSCH Ersatzteilsatz | Ersatzteile für GGW 10 E | 2607329010
Hersteller: BOSCH
Artikelnummer: EB-0601462840-2607329010
Netto: 17,38 € zzgl. MwSt.
zzgl. 6,90 € Versand (brutto)
einmalig pro Bestellung

Lieferzeit: 5 Werktage

Pos.
840
BOSCH Zwischenflansch | Ersatzteile für GGW 10 E | 3605700054
Hersteller: BOSCH
Artikelnummer: EB-0601462840-3605700054
nur Informationsartikel
Nie mehr lieferbar
keine Alternativen

Angaben zur Produktsicherheit

Hersteller:
Robert Bosch Power Tools GmbH
Postfach 30 02 20
70442 Stuttgart

E-Mail:
kontakt@bosch.de