BOSCH Netzanschlussleitung | Ersatzteile für GHG 500-2 | 1609202797

Artikelnummer: EB-060194A040-1609202797

Position: 5

Marke: BOSCH


Bitte Kompatibilität prüfen!

Bitte prüfen Sie unbedingt die 10-stellige Typennummer Ihrer Maschine / Ihres Gerätes. Das Ersatzteil ist nur kompatibel, wenn Sie die Typennummer Ihrer Maschine in der unten stehenden Produktbeschreibung finden.

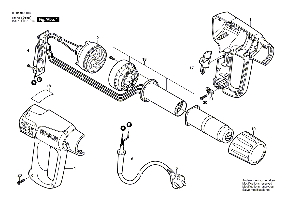
Bitte prüfen Sie ebenfalls detailliert die Explosionszeichnung mit Ihrem Artikelwunsch und der jeweiligen Pos-Nummer.

Alle Elemente, welche vom schwarzen Strich der Pos-Nummer ausgehend berührt / erfasst werden, gehören zu dieser Pos-Nummer und somit zu diesem Artikel. Jede Pos-Nummer ist ein eigenständiger Artikel, welchen Sie in der Auflistung finden.

Sie erhalten stets die aktuellste, neueste Produktversion zu der gewählten Pos-Nummer seitens des Herstellers. Es kann daher je nach Gerätealter vorkommen, dass Sie ggf. weitere, zugehörige Elemente, welche an diese Pos-Nummer grenzen, ebenfalls mittauschen müssen.

Nähere Informationen finden Sie unter dem Link
Hinweise zu Ihrer BOSCH Ersatzteilsuche

Preisübersicht

Einzelpreis: 19,18 €* (Brutto: 22,82 €)
Gesamtpreis: 19,18 €* 
Position:

Lieferzeit: 5 Werktage


Beschreibung

  • Netzanschlussleitung
  • Original Bosch Zubehör / BOSCH Ersatzteil (1609202797)
  • im Gerät verbaut: 1
Dieses BOSCH Ersatzteil ist mit folgendem Gerät und Modell kompatibel:
  • BOSCH Gerätename: GHG 500-2
  • BOSCH Explosionszeichnung: Position 5
  • BOSCH Typennummer: 060194A040
  • BOSCH Typennummer alternative Schreibweisen: 0 601 94A 040, 0601 94A 040, 0.601.94A.040, 0-601-94A-040
    Bitte prüfen Sie diese Typennummer auf Ihrem Gerät um die Kompatibilität des BOSCH Ersatzteils zu gewährleisten.
Weitere BOSCH Ersatzteile des Gerätes GHG 500-2 (Heissluftgebläse) mit der Typennummer 060194A040 finden Sie in der nachfolgenden Darstellung und im Dropdown zu Ihrer Auswahl:

Pos.
1
BOSCH Gehäuseschale | Ersatzteile für GHG 500-2 | 1609203K34
Hersteller: BOSCH
Artikelnummer: EB-060194A040-1609203K34
Netto: 24,13 € zzgl. MwSt.
zzgl. 6,90 € Versand (brutto)
einmalig pro Bestellung

Lieferzeit: 5 Werktage

Pos.
2
BOSCH Motorblock 220-230V | Ersatzteile für GHG 500-2 | 1609203H52
Hersteller: BOSCH
Artikelnummer: EB-060194A040-1609203H52
nur Informationsartikel
Nie mehr lieferbar
keine Alternativen
Pos.
4
BOSCH Anschlussblock 220-230V | Ersatzteile für GHG 500-2 | 1609203H53
Hersteller: BOSCH
Artikelnummer: EB-060194A040-1609203H53
nur Informationsartikel
Nie mehr lieferbar
keine Alternativen
Pos.
5
BOSCH Netzanschlussleitung | Ersatzteile für GHG 500-2 | 1609202797
Hersteller: BOSCH
Artikelnummer: EB-060194A040-1609202797
Netto: 19,18 € zzgl. MwSt.
zzgl. 6,90 € Versand (brutto)
einmalig pro Bestellung

Lieferzeit: 5 Werktage

Pos.
6
BOSCH Tülle | Ersatzteile für GHG 500-2 | 1609202606
Hersteller: BOSCH
Artikelnummer: EB-060194A040-1609202606
Netto: 4,53 € zzgl. MwSt.
zzgl. 6,90 € Versand (brutto)
einmalig pro Bestellung

Lieferzeit: 5 Werktage

Pos.
17
BOSCH Schalterknopf | Ersatzteile für GHG 500-2 | 1609203H54
Hersteller: BOSCH
Artikelnummer: EB-060194A040-1609203H54
nur Informationsartikel
Nie mehr lieferbar
keine Alternativen
Pos.
18
BOSCH Heizkörper 220-230V | Ersatzteile für GHG 500-2 | 1609203H55
Hersteller: BOSCH
Artikelnummer: EB-060194A040-1609203H55
nur Informationsartikel
Nie mehr lieferbar
keine Alternativen
Pos.
19
BOSCH Schutzrohr | Ersatzteile für GHG 500-2 | 1609203H56
Hersteller: BOSCH
Artikelnummer: EB-060194A040-1609203H56
nur Informationsartikel
Nie mehr lieferbar
keine Alternativen
Pos.
20
BOSCH Blechschraube DIN 7981-ST2,9x16-F-H | Ersatzteile für GHG 500-2 | 2910615407
Hersteller: BOSCH
Artikelnummer: EB-060194A040-2910615407
nur Informationsartikel
Nie mehr lieferbar
keine Alternativen
Pos.
21
BOSCH Befestigungsschelle | Ersatzteile für GHG 500-2 | 1609203102
Hersteller: BOSCH
Artikelnummer: EB-060194A040-1609203102
nur Informationsartikel
Nie mehr lieferbar
keine Alternativen
Pos.
181
BOSCH Warnschild | Ersatzteile für GHG 500-2 | 1601118F61
Hersteller: BOSCH
Artikelnummer: EB-060194A040-1601118F61
Netto: 2,21 € zzgl. MwSt.
zzgl. 6,90 € Versand (brutto)
einmalig pro Bestellung

Lieferzeit: 5 Werktage

Angaben zur Produktsicherheit

Hersteller:
Robert Bosch Power Tools GmbH
Postfach 30 02 20
70442 Stuttgart

E-Mail:
kontakt@bosch.de