BOSCH Schneiddüse Ø 9 MM | Ersatzteile für GHG 600 CE | 1609201800

Artikelnummer: EB-0601942138-1609201800

Position: 703

Marke: BOSCH


Bitte Kompatibilität prüfen!

Bitte prüfen Sie unbedingt die 10-stellige Typennummer Ihrer Maschine / Ihres Gerätes. Das Ersatzteil ist nur kompatibel, wenn Sie die Typennummer Ihrer Maschine in der unten stehenden Produktbeschreibung finden.

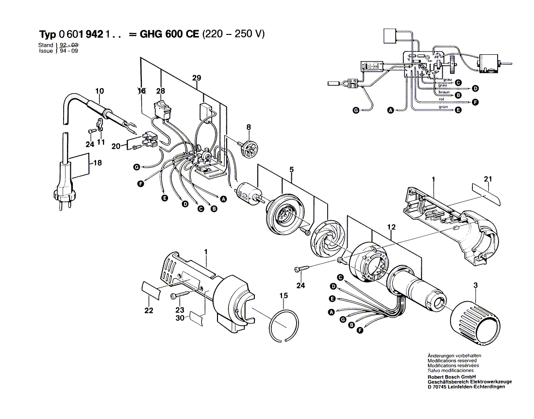
Bitte prüfen Sie ebenfalls detailliert die Explosionszeichnung mit Ihrem Artikelwunsch und der jeweiligen Pos-Nummer.

Alle Elemente, welche vom schwarzen Strich der Pos-Nummer ausgehend berührt / erfasst werden, gehören zu dieser Pos-Nummer und somit zu diesem Artikel. Jede Pos-Nummer ist ein eigenständiger Artikel, welchen Sie in der Auflistung finden.

Sie erhalten stets die aktuellste, neueste Produktversion zu der gewählten Pos-Nummer seitens des Herstellers. Es kann daher je nach Gerätealter vorkommen, dass Sie ggf. weitere, zugehörige Elemente, welche an diese Pos-Nummer grenzen, ebenfalls mittauschen müssen.

Nähere Informationen finden Sie unter dem Link
Hinweise zu Ihrer BOSCH Ersatzteilsuche

Preisübersicht

Einzelpreis: 17,67 €* (Brutto: 21,03 €)
Gesamtpreis: 17,67 €* 
Position:

Lieferzeit: 5 Werktage


Beschreibung

  • Schneiddüse Ø 9 MM
  • Original Bosch Zubehör / BOSCH Ersatzteil (1609201800)
  • im Gerät verbaut: 1
Dieses BOSCH Ersatzteil ist mit folgendem Gerät und Modell kompatibel:
  • BOSCH Gerätename: GHG 600 CE
  • BOSCH Explosionszeichnung: Position 703
  • BOSCH Typennummer: 0601942138
  • BOSCH Typennummer alternative Schreibweisen: 0 601 942 138, 0601 942 138, 0.601.942.138, 0-601-942-138
    Bitte prüfen Sie diese Typennummer auf Ihrem Gerät um die Kompatibilität des BOSCH Ersatzteils zu gewährleisten.
Weitere BOSCH Ersatzteile des Gerätes GHG 600 CE (Heissluftgebläse) mit der Typennummer 0601942138 finden Sie in der nachfolgenden Darstellung und im Dropdown zu Ihrer Auswahl:

Pos.
1
BOSCH Motorgehäuse BLAU | Ersatzteile für GHG 600 CE | 1609202271
Hersteller: BOSCH
Artikelnummer: EB-0601942138-1609202271
nur Informationsartikel
Nie mehr lieferbar
keine Alternativen
Pos.
715/10
BOSCH Klinge | Ersatzteile für GHG 600 CE | 1609201745
Hersteller: BOSCH
Artikelnummer: EB-0601942138-1609201745
nur Informationsartikel
Nie mehr lieferbar
keine Alternativen
Pos.
715/20
BOSCH Klinge | Ersatzteile für GHG 600 CE | 1609201746
Hersteller: BOSCH
Artikelnummer: EB-0601942138-1609201746
nur Informationsartikel
Nie mehr lieferbar
keine Alternativen
Pos.
715/30
BOSCH Unterlegscheibe 8,4 DIN 433-ST | Ersatzteile für GHG 600 CE | 2916011015
Hersteller: BOSCH
Artikelnummer: EB-0601942138-2916011015
Netto: 3,63 € zzgl. MwSt.
zzgl. 6,90 € Versand (brutto)
einmalig pro Bestellung

Lieferzeit: 5 Werktage

Pos.
715/40
BOSCH Sechskantmutter DIN 934-M8-8-A | Ersatzteile für GHG 600 CE | 2915011009
Hersteller: BOSCH
Artikelnummer: EB-0601942138-2915011009
Netto: 4,53 € zzgl. MwSt.
zzgl. 6,90 € Versand (brutto)
einmalig pro Bestellung

Lieferzeit: 5 Werktage

Pos.
3
BOSCH Schutzrohr | Ersatzteile für GHG 600 CE | 1609201484
Hersteller: BOSCH
Artikelnummer: EB-0601942138-1609201484
nur Informationsartikel
Nie mehr lieferbar
keine Alternativen
Pos.
5
BOSCH Gleichstrommotor 100-240V | Ersatzteile für GHG 600 CE | 1609202269
Hersteller: BOSCH
Artikelnummer: EB-0601942138-1609202269
nur Informationsartikel
Nie mehr lieferbar
keine Alternativen
Pos.
8
BOSCH Stellrad | Ersatzteile für GHG 600 CE | 1609202272
Hersteller: BOSCH
Artikelnummer: EB-0601942138-1609202272
nur Informationsartikel
Nie mehr lieferbar
keine Alternativen
Pos.
10
BOSCH Tülle | Ersatzteile für GHG 600 CE | 1609202793
Hersteller: BOSCH
Artikelnummer: EB-0601942138-1609202793
nur Informationsartikel
Nie mehr lieferbar
keine Alternativen
Pos.
11
BOSCH Befestigungsschelle | Ersatzteile für GHG 600 CE | 1609201487
Hersteller: BOSCH
Artikelnummer: EB-0601942138-1609201487
nur Informationsartikel
Nie mehr lieferbar
keine Alternativen
Pos.
12
BOSCH Heizkörper 100V | Ersatzteile für GHG 600 CE | 1609202280
Hersteller: BOSCH
Artikelnummer: EB-0601942138-1609202280
nur Informationsartikel
Nie mehr lieferbar
keine Alternativen
Pos.
15
BOSCH Sprengring CA.Ø2,3xØ47 MM | Ersatzteile für GHG 600 CE | 1609201490
Hersteller: BOSCH
Artikelnummer: EB-0601942138-1609201490
nur Informationsartikel
Nie mehr lieferbar
keine Alternativen
Pos.
18
BOSCH Netzanschlussleitung | Ersatzteile für GHG 600 CE | 1609202277
Hersteller: BOSCH
Artikelnummer: EB-0601942138-1609202277
nur Informationsartikel
Nie mehr lieferbar
keine Alternativen
Pos.
20
BOSCH Anschlussklemme 2-POLIG | Ersatzteile für GHG 600 CE | 1609390042
Hersteller: BOSCH
Artikelnummer: EB-0601942138-1609390042
Netto: 3,94 € zzgl. MwSt.
zzgl. 6,90 € Versand (brutto)
einmalig pro Bestellung

Lieferzeit: 5 Werktage

Pos.
21
BOSCH Firmenschild | Ersatzteile für GHG 600 CE | 1601110596
Hersteller: BOSCH
Artikelnummer: EB-0601942138-1601110596
nur Informationsartikel
Nie mehr lieferbar
keine Alternativen
Pos.
22
BOSCH Typschild | Ersatzteile für GHG 600 CE | 1601110602
Hersteller: BOSCH
Artikelnummer: EB-0601942138-1601110602
Netto: 2,70 € zzgl. MwSt.
zzgl. 6,90 € Versand (brutto)
einmalig pro Bestellung

Lieferzeit: 5 Werktage

Pos.
23
BOSCH Blechschraube DIN 7983-B2,9x16 | Ersatzteile für GHG 600 CE | 2910615507
Hersteller: BOSCH
Artikelnummer: EB-0601942138-2910615507
nur Informationsartikel
Nie mehr lieferbar
keine Alternativen
Pos.
24
BOSCH Blechschraube DIN 7981-ST 2,9x13-F-H | Ersatzteile für GHG 600 CE | 2910614406
Hersteller: BOSCH
Artikelnummer: EB-0601942138-2910614406
nur Informationsartikel
Nie mehr lieferbar
keine Alternativen
Pos.
28
BOSCH Ein/Aus-Schalter | Ersatzteile für GHG 600 CE | 1609202265
Hersteller: BOSCH
Artikelnummer: EB-0601942138-1609202265
nur Informationsartikel
Nie mehr lieferbar
keine Alternativen
Pos.
29
BOSCH Leiterplatte Bestückt 100V | Ersatzteile für GHG 600 CE | 1609202268
Hersteller: BOSCH
Artikelnummer: EB-0601942138-1609202268
nur Informationsartikel
Nie mehr lieferbar
keine Alternativen
Pos.
30
BOSCH Warnschild ACHTUNG | Ersatzteile für GHG 600 CE | 3601119137
Hersteller: BOSCH
Artikelnummer: EB-0601942138-3601119137
Netto: 5,19 € zzgl. MwSt.
zzgl. 6,90 € Versand (brutto)
einmalig pro Bestellung

Lieferzeit: 5 Werktage

Pos.
700
BOSCH Reduzierdüse Ø 22/9 MM | Ersatzteile für GHG 600 CE | 1609201797
Hersteller: BOSCH
Artikelnummer: EB-0601942138-1609201797
Netto: 20,30 € zzgl. MwSt.
zzgl. 6,90 € Versand (brutto)
einmalig pro Bestellung

Lieferzeit: 5 Werktage

Pos.
701
BOSCH Schweißdüse Ø 9 MM | Ersatzteile für GHG 600 CE | 1609201798
Hersteller: BOSCH
Artikelnummer: EB-0601942138-1609201798
Netto: 29,24 € zzgl. MwSt.
zzgl. 6,90 € Versand (brutto)
einmalig pro Bestellung

Lieferzeit: 5 Werktage

Pos.
702
BOSCH Flächendüse Ø 9 MM | Ersatzteile für GHG 600 CE | 1609201799
Hersteller: BOSCH
Artikelnummer: EB-0601942138-1609201799
Netto: 20,30 € zzgl. MwSt.
zzgl. 6,90 € Versand (brutto)
einmalig pro Bestellung

Lieferzeit: 5 Werktage

Pos.
703
BOSCH Schneiddüse Ø 9 MM | Ersatzteile für GHG 600 CE | 1609201800
Hersteller: BOSCH
Artikelnummer: EB-0601942138-1609201800
Netto: 17,67 € zzgl. MwSt.
zzgl. 6,90 € Versand (brutto)
einmalig pro Bestellung

Lieferzeit: 5 Werktage

Pos.
704
BOSCH Schweißdüse Ø 9 MM | Ersatzteile für GHG 600 CE | 1609201801
Hersteller: BOSCH
Artikelnummer: EB-0601942138-1609201801
Netto: 20,30 € zzgl. MwSt.
zzgl. 6,90 € Versand (brutto)
einmalig pro Bestellung

Lieferzeit: 5 Werktage

Pos.
705
BOSCH Schweißdüse | Ersatzteile für GHG 600 CE | 1609201802
Hersteller: BOSCH
Artikelnummer: EB-0601942138-1609201802
nur Informationsartikel
Nie mehr lieferbar
keine Alternativen
Pos.
706
BOSCH Schweissdraht Ø 4 MM | Ersatzteile für GHG 600 CE | 1609201807
Hersteller: BOSCH
Artikelnummer: EB-0601942138-1609201807
Netto: 19,47 € zzgl. MwSt.
zzgl. 6,90 € Versand (brutto)
einmalig pro Bestellung

Lieferzeit: 5 Werktage

Pos.
707
BOSCH Schweissdraht Ø 4 MM | Ersatzteile für GHG 600 CE | 1609201808
Hersteller: BOSCH
Artikelnummer: EB-0601942138-1609201808
Netto: 19,47 € zzgl. MwSt.
zzgl. 6,90 € Versand (brutto)
einmalig pro Bestellung

Lieferzeit: 5 Werktage

Pos.
708
BOSCH Schweissdraht Ø 4 MM | Ersatzteile für GHG 600 CE | 1609201809
Hersteller: BOSCH
Artikelnummer: EB-0601942138-1609201809
nur Informationsartikel
Nie mehr lieferbar
keine Alternativen
Pos.
709
BOSCH Schweissdraht Ø 4 MM | Ersatzteile für GHG 600 CE | 1609201810
Hersteller: BOSCH
Artikelnummer: EB-0601942138-1609201810
Netto: 19,47 € zzgl. MwSt.
zzgl. 6,90 € Versand (brutto)
einmalig pro Bestellung

Lieferzeit: 5 Werktage

Pos.
710
BOSCH Schweissdraht Ø 4 MM | Ersatzteile für GHG 600 CE | 1609201811
Hersteller: BOSCH
Artikelnummer: EB-0601942138-1609201811
nur Informationsartikel
Nie mehr lieferbar
keine Alternativen
Pos.
711
BOSCH Schrumpfschlauch 2,4-4,8 MM | Ersatzteile für GHG 600 CE | 1609201812
Hersteller: BOSCH
Artikelnummer: EB-0601942138-1609201812
Netto: 19,47 € zzgl. MwSt.
zzgl. 6,90 € Versand (brutto)
einmalig pro Bestellung

Lieferzeit: 5 Werktage

Pos.
712
BOSCH Schrumpfschlauch 4,8-9,5 MM | Ersatzteile für GHG 600 CE | 1609201813
Hersteller: BOSCH
Artikelnummer: EB-0601942138-1609201813
Netto: 19,47 € zzgl. MwSt.
zzgl. 6,90 € Versand (brutto)
einmalig pro Bestellung

Lieferzeit: 5 Werktage

Pos.
715
BOSCH Teilesatz 75 MM | Ersatzteile für GHG 600 CE | 1609390450
Hersteller: BOSCH
Artikelnummer: EB-0601942138-1609390450
nur Informationsartikel
Nie mehr lieferbar
keine Alternativen
Pos.
716
BOSCH Breitstrahldüse 75 MM | Ersatzteile für GHG 600 CE | 1609390451
Hersteller: BOSCH
Artikelnummer: EB-0601942138-1609390451
Netto: 23,96 € zzgl. MwSt.
zzgl. 6,90 € Versand (brutto)
einmalig pro Bestellung

Lieferzeit: 5 Werktage

Pos.
717
BOSCH Flächendüse 50 MM | Ersatzteile für GHG 600 CE | 1609201795
Hersteller: BOSCH
Artikelnummer: EB-0601942138-1609201795
Netto: 20,91 € zzgl. MwSt.
zzgl. 6,90 € Versand (brutto)
einmalig pro Bestellung

Lieferzeit: 5 Werktage

Pos.
718
BOSCH Flachstrahldüse 75 MM | Ersatzteile für GHG 600 CE | 1609390452
Hersteller: BOSCH
Artikelnummer: EB-0601942138-1609390452
Netto: 23,96 € zzgl. MwSt.
zzgl. 6,90 € Versand (brutto)
einmalig pro Bestellung

Lieferzeit: 5 Werktage

Pos.
719
BOSCH Flachstrahldüse 50 MM | Ersatzteile für GHG 600 CE | 1609201796
Hersteller: BOSCH
Artikelnummer: EB-0601942138-1609201796
Netto: 20,91 € zzgl. MwSt.
zzgl. 6,90 € Versand (brutto)
einmalig pro Bestellung

Lieferzeit: 5 Werktage

Pos.
720
BOSCH Rundstrahldüse | Ersatzteile für GHG 600 CE | 1609390453
Hersteller: BOSCH
Artikelnummer: EB-0601942138-1609390453
Netto: 20,30 € zzgl. MwSt.
zzgl. 6,90 € Versand (brutto)
einmalig pro Bestellung

Lieferzeit: 5 Werktage

Pos.
722
BOSCH Winkelstrahldüse | Ersatzteile für GHG 600 CE | 1609201751
Hersteller: BOSCH
Artikelnummer: EB-0601942138-1609201751
Netto: 26,19 € zzgl. MwSt.
zzgl. 6,90 € Versand (brutto)
einmalig pro Bestellung

Lieferzeit: 5 Werktage

Angaben zur Produktsicherheit

Hersteller:
Robert Bosch Power Tools GmbH
Postfach 30 02 20
70442 Stuttgart

E-Mail:
kontakt@bosch.de