BOSCH Schutzrohr | Ersatzteile für GHG 630 DCE | 1609203H61

Artikelnummer: EB-060194C734-1609203H61

Position: 19

Marke: BOSCH


Bitte Kompatibilität prüfen!

Bitte prüfen Sie unbedingt die 10-stellige Typennummer Ihrer Maschine / Ihres Gerätes. Das Ersatzteil ist nur kompatibel, wenn Sie die Typennummer Ihrer Maschine in der unten stehenden Produktbeschreibung finden.

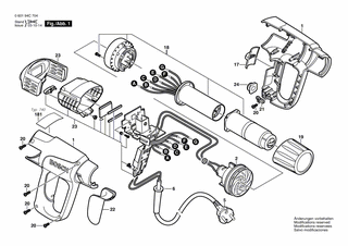
Bitte prüfen Sie ebenfalls detailliert die Explosionszeichnung mit Ihrem Artikelwunsch und der jeweiligen Pos-Nummer.

Alle Elemente, welche vom schwarzen Strich der Pos-Nummer ausgehend berührt / erfasst werden, gehören zu dieser Pos-Nummer und somit zu diesem Artikel. Jede Pos-Nummer ist ein eigenständiger Artikel, welchen Sie in der Auflistung finden.

Sie erhalten stets die aktuellste, neueste Produktversion zu der gewählten Pos-Nummer seitens des Herstellers. Es kann daher je nach Gerätealter vorkommen, dass Sie ggf. weitere, zugehörige Elemente, welche an diese Pos-Nummer grenzen, ebenfalls mittauschen müssen.

Nähere Informationen finden Sie unter dem Link
Hinweise zu Ihrer BOSCH Ersatzteilsuche

Preisübersicht

Einzelpreis: 9,95 €* (Brutto: 11,84 €)
Gesamtpreis: 9,95 €* 
Position:

Lieferzeit: 5 Werktage


Beschreibung

  • Schutzrohr
  • Original Bosch Zubehör / BOSCH Ersatzteil (1609203H61)
  • im Gerät verbaut: 1
Dieses BOSCH Ersatzteil ist mit folgendem Gerät und Modell kompatibel:
  • BOSCH Gerätename: GHG 630 DCE
  • BOSCH Explosionszeichnung: Position 19
  • BOSCH Typennummer: 060194C734
  • BOSCH Typennummer alternative Schreibweisen: 0 601 94C 734, 0601 94C 734, 0.601.94C.734, 0-601-94C-734
    Bitte prüfen Sie diese Typennummer auf Ihrem Gerät um die Kompatibilität des BOSCH Ersatzteils zu gewährleisten.
Weitere BOSCH Ersatzteile des Gerätes GHG 630 DCE (Heissluftgebläse) mit der Typennummer 060194C734 finden Sie in der nachfolgenden Darstellung und im Dropdown zu Ihrer Auswahl:

Pos.
1
BOSCH Gehäuseschale | Ersatzteile für GHG 630 DCE | 1609203K42
Hersteller: BOSCH
Artikelnummer: EB-060194C734-1609203K42
nur Informationsartikel
Nie mehr lieferbar
keine Alternativen
Pos.
2
BOSCH Gleichstrommotor 115-240V | Ersatzteile für GHG 630 DCE | 1609202617
Hersteller: BOSCH
Artikelnummer: EB-060194C734-1609202617
Netto: 12,98 € zzgl. MwSt.
zzgl. 6,90 € Versand (brutto)
einmalig pro Bestellung

Lieferzeit: 5 Werktage

Pos.
5
BOSCH Netzanschlussleitung | Ersatzteile für GHG 630 DCE | 1609203995
Hersteller: BOSCH
Artikelnummer: EB-060194C734-1609203995
Netto: 24,13 € zzgl. MwSt.
zzgl. 6,90 € Versand (brutto)
einmalig pro Bestellung

Lieferzeit: 5 Werktage

Pos.
6
BOSCH Tülle | Ersatzteile für GHG 630 DCE | 1609202606
Hersteller: BOSCH
Artikelnummer: EB-060194C734-1609202606
Netto: 4,53 € zzgl. MwSt.
zzgl. 6,90 € Versand (brutto)
einmalig pro Bestellung

Lieferzeit: 5 Werktage

Pos.
17
BOSCH Schalterknopf | Ersatzteile für GHG 630 DCE | 1609203H66
Hersteller: BOSCH
Artikelnummer: EB-060194C734-1609203H66
Netto: 7,30 € zzgl. MwSt.
zzgl. 6,90 € Versand (brutto)
einmalig pro Bestellung

Lieferzeit: 5 Werktage

Pos.
18
BOSCH Heizkörper 115-120V | Ersatzteile für GHG 630 DCE | 1609203M49
Hersteller: BOSCH
Artikelnummer: EB-060194C734-1609203M49
Netto: 86,83 € zzgl. MwSt.
zzgl. 6,90 € Versand (brutto)
einmalig pro Bestellung

Lieferzeit: 5 Werktage

Pos.
19
BOSCH Schutzrohr | Ersatzteile für GHG 630 DCE | 1609203H61
Hersteller: BOSCH
Artikelnummer: EB-060194C734-1609203H61
Netto: 9,95 € zzgl. MwSt.
zzgl. 6,90 € Versand (brutto)
einmalig pro Bestellung

Lieferzeit: 5 Werktage

Pos.
20
BOSCH Blechschraube DIN 7981-ST2,9x16-F-H | Ersatzteile für GHG 630 DCE | 2910615407
Hersteller: BOSCH
Artikelnummer: EB-060194C734-2910615407
nur Informationsartikel
Nie mehr lieferbar
keine Alternativen
Pos.
21
BOSCH Befestigungsschelle | Ersatzteile für GHG 630 DCE | 1609203102
Hersteller: BOSCH
Artikelnummer: EB-060194C734-1609203102
nur Informationsartikel
Nie mehr lieferbar
keine Alternativen
Pos.
22
BOSCH Griffkappe | Ersatzteile für GHG 630 DCE | 1609203H62
Hersteller: BOSCH
Artikelnummer: EB-060194C734-1609203H62
Netto: 15,75 € zzgl. MwSt.
zzgl. 6,90 € Versand (brutto)
einmalig pro Bestellung

Lieferzeit: 5 Werktage

Pos.
23
BOSCH Anschlussblock 115-240V | Ersatzteile für GHG 630 DCE | 1609203L51
Hersteller: BOSCH
Artikelnummer: EB-060194C734-1609203L51
Netto: 91,88 € zzgl. MwSt.
zzgl. 6,90 € Versand (brutto)
einmalig pro Bestellung

Lieferzeit: 5 Werktage

Pos.
24
BOSCH Gummifuss | Ersatzteile für GHG 630 DCE | 1609203H65
Hersteller: BOSCH
Artikelnummer: EB-060194C734-1609203H65
Netto: 3,94 € zzgl. MwSt.
zzgl. 6,90 € Versand (brutto)
einmalig pro Bestellung

Lieferzeit: 5 Werktage

Angaben zur Produktsicherheit

Hersteller:
Robert Bosch Power Tools GmbH
Postfach 30 02 20
70442 Stuttgart

E-Mail:
kontakt@bosch.de