BOSCH Gummifuss | Ersatzteile für GHG 660 LCD | 1609203H65

Artikelnummer: EB-0601944738-1609203H65

Position: 24

Marke: BOSCH


Bitte Kompatibilität prüfen!

Bitte prüfen Sie unbedingt die 10-stellige Typennummer Ihrer Maschine / Ihres Gerätes. Das Ersatzteil ist nur kompatibel, wenn Sie die Typennummer Ihrer Maschine in der unten stehenden Produktbeschreibung finden.

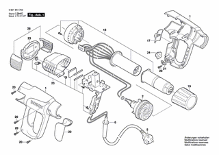
Bitte prüfen Sie ebenfalls detailliert die Explosionszeichnung mit Ihrem Artikelwunsch und der jeweiligen Pos-Nummer.

Alle Elemente, welche vom schwarzen Strich der Pos-Nummer ausgehend berührt / erfasst werden, gehören zu dieser Pos-Nummer und somit zu diesem Artikel. Jede Pos-Nummer ist ein eigenständiger Artikel, welchen Sie in der Auflistung finden.

Sie erhalten stets die aktuellste, neueste Produktversion zu der gewählten Pos-Nummer seitens des Herstellers. Es kann daher je nach Gerätealter vorkommen, dass Sie ggf. weitere, zugehörige Elemente, welche an diese Pos-Nummer grenzen, ebenfalls mittauschen müssen.

Nähere Informationen finden Sie unter dem Link
Hinweise zu Ihrer BOSCH Ersatzteilsuche

Preisübersicht

Einzelpreis: 3,94 €* (Brutto: 4,69 €)
Gesamtpreis: 3,94 €* 
Position:

Lieferzeit: 5 Werktage


Beschreibung

  • Gummifuss
  • Original Bosch Zubehör / BOSCH Ersatzteil (1609203H65)
  • im Gerät verbaut: 1
Dieses BOSCH Ersatzteil ist mit folgendem Gerät und Modell kompatibel:
  • BOSCH Gerätename: GHG 660 LCD
  • BOSCH Explosionszeichnung: Position 24
  • BOSCH Typennummer: 0601944738
  • BOSCH Typennummer alternative Schreibweisen: 0 601 944 738, 0601 944 738, 0.601.944.738, 0-601-944-738
    Bitte prüfen Sie diese Typennummer auf Ihrem Gerät um die Kompatibilität des BOSCH Ersatzteils zu gewährleisten.
Weitere BOSCH Ersatzteile des Gerätes GHG 660 LCD (Heissluftgebläse) mit der Typennummer 0601944738 finden Sie in der nachfolgenden Darstellung und im Dropdown zu Ihrer Auswahl:

Pos.
1
BOSCH Gehäuseschale | Ersatzteile für GHG 660 LCD | 1609203K49
Hersteller: BOSCH
Artikelnummer: EB-0601944738-1609203K49
Netto: 24,13 € zzgl. MwSt.
zzgl. 6,90 € Versand (brutto)
einmalig pro Bestellung

Lieferzeit: 5 Werktage

Pos.
2
BOSCH Gleichstrommotor 115-240V | Ersatzteile für GHG 660 LCD | 1609202611
Hersteller: BOSCH
Artikelnummer: EB-0601944738-1609202611
Netto: 24,13 € zzgl. MwSt.
zzgl. 6,90 € Versand (brutto)
einmalig pro Bestellung

Lieferzeit: 5 Werktage

Pos.
5
BOSCH Netzanschlussleitung | Ersatzteile für GHG 660 LCD | 1609203M63
Hersteller: BOSCH
Artikelnummer: EB-0601944738-1609203M63
Netto: 21,16 € zzgl. MwSt.
zzgl. 6,90 € Versand (brutto)
einmalig pro Bestellung

Lieferzeit: 5 Werktage

Pos.
6
BOSCH Tülle | Ersatzteile für GHG 660 LCD | 1609202606
Hersteller: BOSCH
Artikelnummer: EB-0601944738-1609202606
Netto: 4,53 € zzgl. MwSt.
zzgl. 6,90 € Versand (brutto)
einmalig pro Bestellung

Lieferzeit: 5 Werktage

Pos.
17
BOSCH Schalterknopf | Ersatzteile für GHG 660 LCD | 1609203H72
Hersteller: BOSCH
Artikelnummer: EB-0601944738-1609203H72
Netto: 6,15 € zzgl. MwSt.
zzgl. 6,90 € Versand (brutto)
einmalig pro Bestellung

Lieferzeit: 5 Werktage

Pos.
18
BOSCH Heizkörper 230-240V | Ersatzteile für GHG 660 LCD | 1609203H73
Hersteller: BOSCH
Artikelnummer: EB-0601944738-1609203H73
Netto: 52,14 € zzgl. MwSt.
zzgl. 6,90 € Versand (brutto)
einmalig pro Bestellung

Lieferzeit: 5 Werktage

Pos.
19
BOSCH Schutzrohr | Ersatzteile für GHG 660 LCD | 1609203H61
Hersteller: BOSCH
Artikelnummer: EB-0601944738-1609203H61
Netto: 9,95 € zzgl. MwSt.
zzgl. 6,90 € Versand (brutto)
einmalig pro Bestellung

Lieferzeit: 5 Werktage

Pos.
20
BOSCH Blechschraube DIN 7981-ST2,9x16-F-H | Ersatzteile für GHG 660 LCD | 2910615407
Hersteller: BOSCH
Artikelnummer: EB-0601944738-2910615407
nur Informationsartikel
Nie mehr lieferbar
keine Alternativen
Pos.
21
BOSCH Befestigungsschelle | Ersatzteile für GHG 660 LCD | 1609203102
Hersteller: BOSCH
Artikelnummer: EB-0601944738-1609203102
nur Informationsartikel
Nie mehr lieferbar
keine Alternativen
Pos.
22
BOSCH Griffkappe | Ersatzteile für GHG 660 LCD | 1609203H62
Hersteller: BOSCH
Artikelnummer: EB-0601944738-1609203H62
Netto: 15,75 € zzgl. MwSt.
zzgl. 6,90 € Versand (brutto)
einmalig pro Bestellung

Lieferzeit: 5 Werktage

Pos.
23
BOSCH Anschlussblock 100-240V | Ersatzteile für GHG 660 LCD | 1609203L52
Hersteller: BOSCH
Artikelnummer: EB-0601944738-1609203L52
nur Informationsartikel
Nie mehr lieferbar
keine Alternativen
Pos.
24
BOSCH Gummifuss | Ersatzteile für GHG 660 LCD | 1609203H65
Hersteller: BOSCH
Artikelnummer: EB-0601944738-1609203H65
Netto: 3,94 € zzgl. MwSt.
zzgl. 6,90 € Versand (brutto)
einmalig pro Bestellung

Lieferzeit: 5 Werktage

Pos.
28
BOSCH Filterelement | Ersatzteile für GHG 660 LCD | 1609203H78
Hersteller: BOSCH
Artikelnummer: EB-0601944738-1609203H78
Netto: 7,30 € zzgl. MwSt.
zzgl. 6,90 € Versand (brutto)
einmalig pro Bestellung

Lieferzeit: 5 Werktage

Angaben zur Produktsicherheit

Hersteller:
Robert Bosch Power Tools GmbH
Postfach 30 02 20
70442 Stuttgart

E-Mail:
kontakt@bosch.de