BOSCH Federscheibe | Ersatzteile für GHO 10-82 | 2916069088

Artikelnummer: EB-0601594005-2916069088

Position: 202

Marke: BOSCH


Bitte Kompatibilität prüfen!

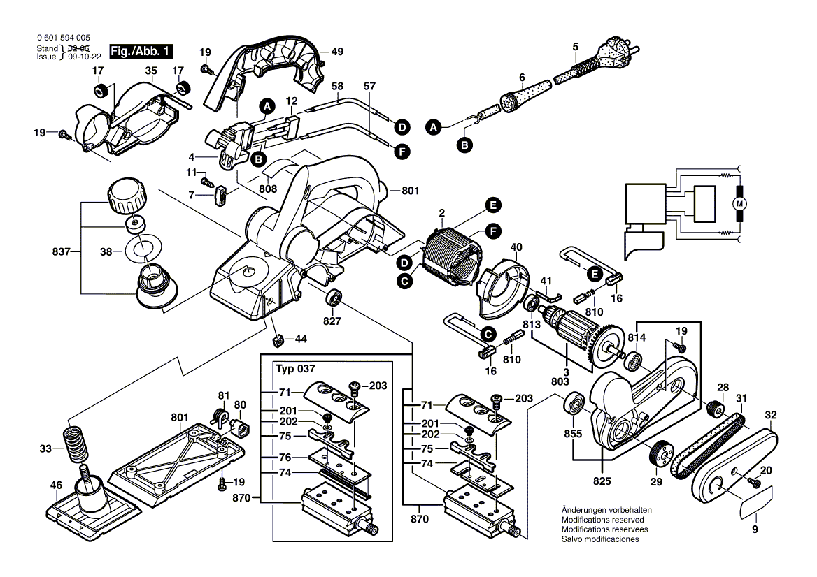
Bitte prüfen Sie unbedingt die 10-stellige Typennummer Ihrer Maschine / Ihres Gerätes. Das Ersatzteil ist nur kompatibel, wenn Sie die Typennummer Ihrer Maschine in der unten stehenden Produktbeschreibung finden.

Bitte prüfen Sie ebenfalls detailliert die Explosionszeichnung mit Ihrem Artikelwunsch und der jeweiligen Pos-Nummer.

Alle Elemente, welche vom schwarzen Strich der Pos-Nummer ausgehend berührt / erfasst werden, gehören zu dieser Pos-Nummer und somit zu diesem Artikel. Jede Pos-Nummer ist ein eigenständiger Artikel, welchen Sie in der Auflistung finden.

Sie erhalten stets die aktuellste, neueste Produktversion zu der gewählten Pos-Nummer seitens des Herstellers. Es kann daher je nach Gerätealter vorkommen, dass Sie ggf. weitere, zugehörige Elemente, welche an diese Pos-Nummer grenzen, ebenfalls mittauschen müssen.

Nähere Informationen finden Sie unter dem Link
Hinweise zu Ihrer BOSCH Ersatzteilsuche

Preisübersicht

Einzelpreis: 3,94 €* (Brutto: 4,69 €)
Gesamtpreis: 3,94 €* 
Position:

Lieferzeit: 5 Werktage


Beschreibung

  • Federscheibe
  • Original Bosch Zubehör / BOSCH Ersatzteil (2916069088)
  • im Gerät verbaut: 1
Dieses BOSCH Ersatzteil ist mit folgendem Gerät und Modell kompatibel:
  • BOSCH Gerätename: GHO 10-82
  • BOSCH Explosionszeichnung: Position 202
  • BOSCH Typennummer: 0601594005
  • BOSCH Typennummer alternative Schreibweisen: 0 601 594 005, 0601 594 005, 0.601.594.005, 0-601-594-005
    Bitte prüfen Sie diese Typennummer auf Ihrem Gerät um die Kompatibilität des BOSCH Ersatzteils zu gewährleisten.
Weitere BOSCH Ersatzteile des Gerätes GHO 10-82 (Handhobel) mit der Typennummer 0601594005 finden Sie in der nachfolgenden Darstellung und im Dropdown zu Ihrer Auswahl:

Pos.
2
BOSCH Polschuh 120V | Ersatzteile für GHO 10-82 | 2609120464
Hersteller: BOSCH
Artikelnummer: EB-0601594005-2609120464
nur Informationsartikel
Nie mehr lieferbar
keine Alternativen
Pos.
3
BOSCH Anker 110-120V | Ersatzteile für GHO 10-82 | 2609199270
Hersteller: BOSCH
Artikelnummer: EB-0601594005-2609199270
Netto: 28,93 € zzgl. MwSt.
zzgl. 6,90 € Versand (brutto)
einmalig pro Bestellung

Lieferzeit: 5 Werktage

Pos.
4
BOSCH Schalter | Ersatzteile für GHO 10-82 | 1607200157
Hersteller: BOSCH
Artikelnummer: EB-0601594005-1607200157
Netto: 8,33 € zzgl. MwSt.
zzgl. 6,90 € Versand (brutto)
einmalig pro Bestellung

Lieferzeit: 5 Werktage

Pos.
5
BOSCH Netzanschlussleitung USA/CDN 4,15m 2 x 082mm SJ 18/2 | Ersatzteile für GHO 10-82 | 1604460249
Hersteller: BOSCH
Artikelnummer: EB-0601594005-1604460249
Netto: 19,18 € zzgl. MwSt.
zzgl. 6,90 € Versand (brutto)
einmalig pro Bestellung

Lieferzeit: 5 Werktage

Pos.
6
BOSCH Tülle Ø7,3-Ø8,6x76 MM | Ersatzteile für GHO 10-82 | 2600703018
Hersteller: BOSCH
Artikelnummer: EB-0601594005-2600703018
nur Informationsartikel
Nie mehr lieferbar
keine Alternativen
Pos.
7
BOSCH Leitungshalter | Ersatzteile für GHO 10-82 | 2601035001
Hersteller: BOSCH
Artikelnummer: EB-0601594005-2601035001
Netto: 3,94 € zzgl. MwSt.
zzgl. 6,90 € Versand (brutto)
einmalig pro Bestellung

Lieferzeit: 5 Werktage

Pos.
9
BOSCH Firmenschild | Ersatzteile für GHO 10-82 | 2609130735
Hersteller: BOSCH
Artikelnummer: EB-0601594005-2609130735
Netto: 4,53 € zzgl. MwSt.
zzgl. 6,90 € Versand (brutto)
einmalig pro Bestellung

Lieferzeit: 5 Werktage

Pos.
12
BOSCH Entstörfilter | Ersatzteile für GHO 10-82 | 2609120049
Hersteller: BOSCH
Artikelnummer: EB-0601594005-2609120049
nur Informationsartikel
Nie mehr lieferbar
keine Alternativen
Pos.
16
BOSCH Kohlebürstenhalter | Ersatzteile für GHO 10-82 | 2604449055
Hersteller: BOSCH
Artikelnummer: EB-0601594005-2604449055
Netto: 4,32 € zzgl. MwSt.
zzgl. 6,90 € Versand (brutto)
einmalig pro Bestellung

Lieferzeit: 5 Werktage

Pos.
17
BOSCH Abdeckkappe | Ersatzteile für GHO 10-82 | 2609100087
Hersteller: BOSCH
Artikelnummer: EB-0601594005-2609100087
Netto: 3,63 € zzgl. MwSt.
zzgl. 6,90 € Versand (brutto)
einmalig pro Bestellung

Lieferzeit: 5 Werktage

Pos.
19
BOSCH Blechschraube DIN 7981-ST3,9x19-C-H | Ersatzteile für GHO 10-82 | 2910611020
Hersteller: BOSCH
Artikelnummer: EB-0601594005-2910611020
Netto: 3,94 € zzgl. MwSt.
zzgl. 6,90 € Versand (brutto)
einmalig pro Bestellung

Lieferzeit: 5 Werktage

Pos.
20
BOSCH Schraube | Ersatzteile für GHO 10-82 | 2609110155
Hersteller: BOSCH
Artikelnummer: EB-0601594005-2609110155
Netto: 3,63 € zzgl. MwSt.
zzgl. 6,90 € Versand (brutto)
einmalig pro Bestellung

Lieferzeit: 5 Werktage

Pos.
28
BOSCH Riemenscheibe | Ersatzteile für GHO 10-82 | 2609110268
Hersteller: BOSCH
Artikelnummer: EB-0601594005-2609110268
Netto: 4,82 € zzgl. MwSt.
zzgl. 6,90 € Versand (brutto)
einmalig pro Bestellung

Lieferzeit: 5 Werktage

Pos.
29
BOSCH Riemenscheibe | Ersatzteile für GHO 10-82 | 2609110267
Hersteller: BOSCH
Artikelnummer: EB-0601594005-2609110267
Netto: 5,67 € zzgl. MwSt.
zzgl. 6,90 € Versand (brutto)
einmalig pro Bestellung

Lieferzeit: 5 Werktage

Pos.
31
BOSCH Keilriemen | Ersatzteile für GHO 10-82 | 2609100410
Hersteller: BOSCH
Artikelnummer: EB-0601594005-2609100410
Netto: 8,33 € zzgl. MwSt.
zzgl. 6,90 € Versand (brutto)
einmalig pro Bestellung

Lieferzeit: 5 Werktage

Pos.
32
BOSCH Getriebedeckel | Ersatzteile für GHO 10-82 | 2609100024
Hersteller: BOSCH
Artikelnummer: EB-0601594005-2609100024
Netto: 5,19 € zzgl. MwSt.
zzgl. 6,90 € Versand (brutto)
einmalig pro Bestellung

Lieferzeit: 5 Werktage

Pos.
33
BOSCH Druckfeder | Ersatzteile für GHO 10-82 | 2609110077
Hersteller: BOSCH
Artikelnummer: EB-0601594005-2609110077
Netto: 4,53 € zzgl. MwSt.
zzgl. 6,90 € Versand (brutto)
einmalig pro Bestellung

Lieferzeit: 5 Werktage

Pos.
35
BOSCH Bürstendeckel | Ersatzteile für GHO 10-82 | 2609100132
Hersteller: BOSCH
Artikelnummer: EB-0601594005-2609100132
Netto: 6,70 € zzgl. MwSt.
zzgl. 6,90 € Versand (brutto)
einmalig pro Bestellung

Lieferzeit: 5 Werktage

Pos.
38
BOSCH Aufkleber | Ersatzteile für GHO 10-82 | 2609130205
Hersteller: BOSCH
Artikelnummer: EB-0601594005-2609130205
Netto: 4,32 € zzgl. MwSt.
zzgl. 6,90 € Versand (brutto)
einmalig pro Bestellung

Lieferzeit: 5 Werktage

Pos.
40
BOSCH Luftleitring | Ersatzteile für GHO 10-82 | 2609100028
Hersteller: BOSCH
Artikelnummer: EB-0601594005-2609100028
Netto: 4,53 € zzgl. MwSt.
zzgl. 6,90 € Versand (brutto)
einmalig pro Bestellung

Lieferzeit: 5 Werktage

Pos.
41
BOSCH Kontaktbügel | Ersatzteile für GHO 10-82 | 2601329053
Hersteller: BOSCH
Artikelnummer: EB-0601594005-2601329053
Netto: 3,94 € zzgl. MwSt.
zzgl. 6,90 € Versand (brutto)
einmalig pro Bestellung

Lieferzeit: 5 Werktage

Pos.
44
BOSCH Vierkantmutter M6 | Ersatzteile für GHO 10-82 | 2603320004
Hersteller: BOSCH
Artikelnummer: EB-0601594005-2603320004
Netto: 3,94 € zzgl. MwSt.
zzgl. 6,90 € Versand (brutto)
einmalig pro Bestellung

Lieferzeit: 5 Werktage

Pos.
46
BOSCH Einstellplatte | Ersatzteile für GHO 10-82 | 2609110058
Hersteller: BOSCH
Artikelnummer: EB-0601594005-2609110058
Netto: 17,38 € zzgl. MwSt.
zzgl. 6,90 € Versand (brutto)
einmalig pro Bestellung

Lieferzeit: 5 Werktage

Pos.
49
BOSCH Griffschale BLAU | Ersatzteile für GHO 10-82 | 2609100022
Hersteller: BOSCH
Artikelnummer: EB-0601594005-2609100022
Netto: 7,76 € zzgl. MwSt.
zzgl. 6,90 € Versand (brutto)
einmalig pro Bestellung

Lieferzeit: 5 Werktage

Pos.
57
BOSCH Verbindungsleitung L=233 MM WEISS | Ersatzteile für GHO 10-82 | 2604448181
Hersteller: BOSCH
Artikelnummer: EB-0601594005-2604448181
Netto: 4,32 € zzgl. MwSt.
zzgl. 6,90 € Versand (brutto)
einmalig pro Bestellung

Lieferzeit: 5 Werktage

Pos.
58
BOSCH Verbindungsleitung L=213 MM BLAU | Ersatzteile für GHO 10-82 | 2604448118
Hersteller: BOSCH
Artikelnummer: EB-0601594005-2604448118
Netto: 3,94 € zzgl. MwSt.
zzgl. 6,90 € Versand (brutto)
einmalig pro Bestellung

Lieferzeit: 5 Werktage

Pos.
71
BOSCH Spannbacken | Ersatzteile für GHO 10-82 | 2609110064
Hersteller: BOSCH
Artikelnummer: EB-0601594005-2609110064
Netto: 6,70 € zzgl. MwSt.
zzgl. 6,90 € Versand (brutto)
einmalig pro Bestellung

Lieferzeit: 5 Werktage

Pos.
74
BOSCH Hobelmesser | Ersatzteile für GHO 10-82 | 2609110357
Hersteller: BOSCH
Artikelnummer: EB-0601594005-2609110357
Netto: 9,18 € zzgl. MwSt.
zzgl. 6,90 € Versand (brutto)
einmalig pro Bestellung

Lieferzeit: 5 Werktage

Pos.
75
BOSCH Anschlaghalterung | Ersatzteile für GHO 10-82 | 2602316001
Hersteller: BOSCH
Artikelnummer: EB-0601594005-2602316001
Netto: 4,32 € zzgl. MwSt.
zzgl. 6,90 € Versand (brutto)
einmalig pro Bestellung

Lieferzeit: 5 Werktage

Pos.
80
BOSCH Messerschutz | Ersatzteile für GHO 10-82 | 2609100088
Hersteller: BOSCH
Artikelnummer: EB-0601594005-2609100088
Netto: 4,82 € zzgl. MwSt.
zzgl. 6,90 € Versand (brutto)
einmalig pro Bestellung

Lieferzeit: 5 Werktage

Pos.
81
BOSCH Feder | Ersatzteile für GHO 10-82 | 2609110109
Hersteller: BOSCH
Artikelnummer: EB-0601594005-2609110109
Netto: 4,32 € zzgl. MwSt.
zzgl. 6,90 € Versand (brutto)
einmalig pro Bestellung

Lieferzeit: 5 Werktage

Pos.
201
BOSCH Torx-Linsenschraube | Ersatzteile für GHO 10-82 | 2603433001
Hersteller: BOSCH
Artikelnummer: EB-0601594005-2603433001
Netto: 3,94 € zzgl. MwSt.
zzgl. 6,90 € Versand (brutto)
einmalig pro Bestellung

Lieferzeit: 5 Werktage

Pos.
202
BOSCH Federscheibe | Ersatzteile für GHO 10-82 | 2916069088
Hersteller: BOSCH
Artikelnummer: EB-0601594005-2916069088
Netto: 3,94 € zzgl. MwSt.
zzgl. 6,90 € Versand (brutto)
einmalig pro Bestellung

Lieferzeit: 5 Werktage

Pos.
203
BOSCH Spannschraube | Ersatzteile für GHO 10-82 | 2609110084
Hersteller: BOSCH
Artikelnummer: EB-0601594005-2609110084
Netto: 3,63 € zzgl. MwSt.
zzgl. 6,90 € Versand (brutto)
einmalig pro Bestellung

Lieferzeit: 5 Werktage

Pos.
210
BOSCH Etikett | Ersatzteile für GHO 10-82 | 2609130633
Hersteller: BOSCH
Artikelnummer: EB-0601594005-2609130633
nur Informationsartikel
Nie mehr lieferbar
keine Alternativen
Pos.
654
BOSCH Stiftschlüssel | Ersatzteile für GHO 10-82 | 2607950025
Hersteller: BOSCH
Artikelnummer: EB-0601594005-2607950025
Netto: 4,82 € zzgl. MwSt.
zzgl. 6,90 € Versand (brutto)
einmalig pro Bestellung

Lieferzeit: 5 Werktage

Pos.
656
BOSCH Anschlagträger | Ersatzteile für GHO 10-82 | 2608005015
Hersteller: BOSCH
Artikelnummer: EB-0601594005-2608005015
Netto: 9,95 € zzgl. MwSt.
zzgl. 6,90 € Versand (brutto)
einmalig pro Bestellung

Lieferzeit: 5 Werktage

Pos.
682
BOSCH Messerschärfvorrichtung | Ersatzteile für GHO 10-82 | 2608133002
Hersteller: BOSCH
Artikelnummer: EB-0601594005-2608133002
Netto: 9,18 € zzgl. MwSt.
zzgl. 6,90 € Versand (brutto)
einmalig pro Bestellung

Lieferzeit: 5 Werktage

Pos.
683
BOSCH Fühlerlehre | Ersatzteile für GHO 10-82 | 2607970002
Hersteller: BOSCH
Artikelnummer: EB-0601594005-2607970002
Netto: 6,15 € zzgl. MwSt.
zzgl. 6,90 € Versand (brutto)
einmalig pro Bestellung

Lieferzeit: 5 Werktage

Pos.
801
BOSCH Motorgehäuse BLAU | Ersatzteile für GHO 10-82 | 2609100141
Hersteller: BOSCH
Artikelnummer: EB-0601594005-2609100141
Netto: 32,74 € zzgl. MwSt.
zzgl. 6,90 € Versand (brutto)
einmalig pro Bestellung

Lieferzeit: 5 Werktage

Pos.
808
BOSCH Typschild | Ersatzteile für GHO 10-82 | 160111A3H3
Hersteller: BOSCH
Artikelnummer: EB-0601594005-160111A3H3
Netto: 4,53 € zzgl. MwSt.
zzgl. 6,90 € Versand (brutto)
einmalig pro Bestellung

Lieferzeit: 5 Werktage

Pos.
810
BOSCH Kohlebürstensatz | Ersatzteile für GHO 10-82 | 2609120064
Hersteller: BOSCH
Artikelnummer: EB-0601594005-2609120064
Netto: 9,18 € zzgl. MwSt.
zzgl. 6,90 € Versand (brutto)
einmalig pro Bestellung

Lieferzeit: 5 Werktage

Pos.
814
BOSCH Rillenkugellager 8x22x7 | Ersatzteile für GHO 10-82 | 2600905052
Hersteller: BOSCH
Artikelnummer: EB-0601594005-2600905052
Netto: 7,76 € zzgl. MwSt.
zzgl. 6,90 € Versand (brutto)
einmalig pro Bestellung

Lieferzeit: 5 Werktage

Pos.
825
BOSCH Lagerflansch | Ersatzteile für GHO 10-82 | 2609110174
Hersteller: BOSCH
Artikelnummer: EB-0601594005-2609110174
Netto: 26,88 € zzgl. MwSt.
zzgl. 6,90 € Versand (brutto)
einmalig pro Bestellung

Lieferzeit: 5 Werktage

Pos.
827
BOSCH Rillenkugellager 7x19x6 | Ersatzteile für GHO 10-82 | 2600905086
Hersteller: BOSCH
Artikelnummer: EB-0601594005-2600905086
nur Informationsartikel
Nie mehr lieferbar
keine Alternativen
Pos.
837
BOSCH Einstellmutter | Ersatzteile für GHO 10-82 | 2609160066
Hersteller: BOSCH
Artikelnummer: EB-0601594005-2609160066
Netto: 7,30 € zzgl. MwSt.
zzgl. 6,90 € Versand (brutto)
einmalig pro Bestellung

Lieferzeit: 5 Werktage

Pos.
855
BOSCH Rillenkugellager 10x26x8 | Ersatzteile für GHO 10-82 | 2600905064
Hersteller: BOSCH
Artikelnummer: EB-0601594005-2600905064
nur Informationsartikel
Nie mehr lieferbar
keine Alternativen
Pos.
870
BOSCH Hobelkopf | Ersatzteile für GHO 10-82 | 2609110160
Hersteller: BOSCH
Artikelnummer: EB-0601594005-2609110160
Netto: 70,50 € zzgl. MwSt.
zzgl. 6,90 € Versand (brutto)
einmalig pro Bestellung

Lieferzeit: 5 Werktage

Angaben zur Produktsicherheit

Hersteller:
Robert Bosch Power Tools GmbH
Postfach 30 02 20
70442 Stuttgart

E-Mail:
kontakt@bosch.de