BOSCH Lagerbuchse | Ersatzteile für GHP 5-65 | F016L72133

Artikelnummer: EB-3600J105K0-F016L72133

Position: 113

Marke: BOSCH


Bitte Kompatibilität prüfen!

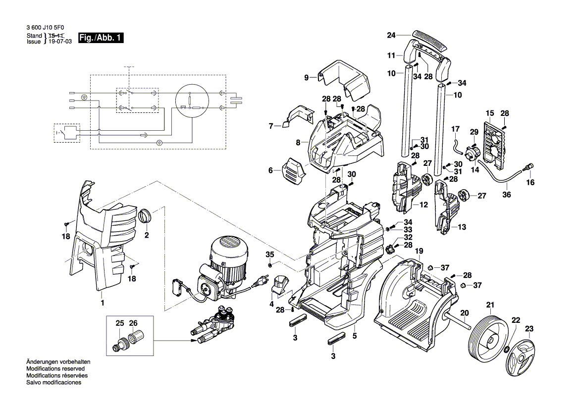
Bitte prüfen Sie unbedingt die 10-stellige Typennummer Ihrer Maschine / Ihres Gerätes. Das Ersatzteil ist nur kompatibel, wenn Sie die Typennummer Ihrer Maschine in der unten stehenden Produktbeschreibung finden.

Bitte prüfen Sie ebenfalls detailliert die Explosionszeichnung mit Ihrem Artikelwunsch und der jeweiligen Pos-Nummer.

Alle Elemente, welche vom schwarzen Strich der Pos-Nummer ausgehend berührt / erfasst werden, gehören zu dieser Pos-Nummer und somit zu diesem Artikel. Jede Pos-Nummer ist ein eigenständiger Artikel, welchen Sie in der Auflistung finden.

Sie erhalten stets die aktuellste, neueste Produktversion zu der gewählten Pos-Nummer seitens des Herstellers. Es kann daher je nach Gerätealter vorkommen, dass Sie ggf. weitere, zugehörige Elemente, welche an diese Pos-Nummer grenzen, ebenfalls mittauschen müssen.

Nähere Informationen finden Sie unter dem Link
Hinweise zu Ihrer BOSCH Ersatzteilsuche

Preisübersicht

Einzelpreis: 7,76 €* (Brutto: 9,23 €)
Gesamtpreis: 7,76 €* 
Position:

Lieferzeit: 5 Werktage


Beschreibung

  • Lagerbuchse
  • Original Bosch Zubehör / BOSCH Ersatzteil (F016L72133)
  • im Gerät verbaut: 1
Dieses BOSCH Ersatzteil ist mit folgendem Gerät und Modell kompatibel:
  • BOSCH Gerätename: GHP 5-65
  • BOSCH Explosionszeichnung: Position 113
  • BOSCH Typennummer: 3600J105K0
  • BOSCH Typennummer alternative Schreibweisen: 3 600 J10 5K0, 3600 J10 5K0, 3.600.J10.5K0, 3-600-J10-5K0
    Bitte prüfen Sie diese Typennummer auf Ihrem Gerät um die Kompatibilität des BOSCH Ersatzteils zu gewährleisten.
Weitere BOSCH Ersatzteile des Gerätes GHP 5-65 (Hochdruckreiniger) mit der Typennummer 3600J105K0 finden Sie in der nachfolgenden Darstellung und im Dropdown zu Ihrer Auswahl:

Pos.
1
BOSCH Gehäuse | Ersatzteile für GHP 5-65 | F016L73277
Hersteller: BOSCH
Artikelnummer: EB-3600J105K0-F016L73277
nur Informationsartikel
Nie mehr lieferbar
keine Alternativen
Pos.
501/1
BOSCH Auslöser | Ersatzteile für GHP 5-65 | 1619PA9742
Hersteller: BOSCH
Artikelnummer: EB-3600J105K0-1619PA9742
nur Informationsartikel
Nie mehr lieferbar
keine Alternativen
Pos.
501/2
BOSCH Feder | Ersatzteile für GHP 5-65 | 1619PA9743
Hersteller: BOSCH
Artikelnummer: EB-3600J105K0-1619PA9743
nur Informationsartikel
Nie mehr lieferbar
keine Alternativen
Pos.
501/3
BOSCH Verschluss | Ersatzteile für GHP 5-65 | 1619PA9744
Hersteller: BOSCH
Artikelnummer: EB-3600J105K0-1619PA9744
nur Informationsartikel
Nie mehr lieferbar
keine Alternativen
Pos.
502/815
BOSCH O-Ring 9,5x1,5 | Ersatzteile für GHP 5-65 | 1619PB2119
Hersteller: BOSCH
Artikelnummer: EB-3600J105K0-1619PB2119
nur Informationsartikel
Nie mehr lieferbar
keine Alternativen
Pos.
2
BOSCH Knopf | Ersatzteile für GHP 5-65 | F016L72008
Hersteller: BOSCH
Artikelnummer: EB-3600J105K0-F016L72008
Netto: 6,15 € zzgl. MwSt.
zzgl. 6,90 € Versand (brutto)
einmalig pro Bestellung

Lieferzeit: 5 Werktage

Pos.
3
BOSCH Gummifuss | Ersatzteile für GHP 5-65 | F016L73028
Hersteller: BOSCH
Artikelnummer: EB-3600J105K0-F016L73028
nur Informationsartikel
Nie mehr lieferbar
keine Alternativen
Pos.
4
BOSCH Zubehörablage | Ersatzteile für GHP 5-65 | F016L73029
Hersteller: BOSCH
Artikelnummer: EB-3600J105K0-F016L73029
nur Informationsartikel
Nie mehr lieferbar
keine Alternativen
Pos.
5
BOSCH Gehäuse | Ersatzteile für GHP 5-65 | F016L73030
Hersteller: BOSCH
Artikelnummer: EB-3600J105K0-F016L73030
nur Informationsartikel
Nie mehr lieferbar
keine Alternativen
Pos.
6
BOSCH Abdeckung | Ersatzteile für GHP 5-65 | F016L73031
Hersteller: BOSCH
Artikelnummer: EB-3600J105K0-F016L73031
nur Informationsartikel
Nie mehr lieferbar
keine Alternativen
Pos.
7
BOSCH Zubehörablage | Ersatzteile für GHP 5-65 | F016L73032
Hersteller: BOSCH
Artikelnummer: EB-3600J105K0-F016L73032
nur Informationsartikel
Nie mehr lieferbar
keine Alternativen
Pos.
8
BOSCH Gehäuseteil | Ersatzteile für GHP 5-65 | F016L73033
Hersteller: BOSCH
Artikelnummer: EB-3600J105K0-F016L73033
nur Informationsartikel
Nie mehr lieferbar
keine Alternativen
Pos.
9
BOSCH Gehäuseteil | Ersatzteile für GHP 5-65 | F016L73034
Hersteller: BOSCH
Artikelnummer: EB-3600J105K0-F016L73034
nur Informationsartikel
Nie mehr lieferbar
keine Alternativen
Pos.
10
BOSCH Stange | Ersatzteile für GHP 5-65 | F016L73336
Hersteller: BOSCH
Artikelnummer: EB-3600J105K0-F016L73336
nur Informationsartikel
Nie mehr lieferbar
keine Alternativen
Pos.
11
BOSCH Handgriff | Ersatzteile für GHP 5-65 | F016L73036
Hersteller: BOSCH
Artikelnummer: EB-3600J105K0-F016L73036
nur Informationsartikel
Nie mehr lieferbar
keine Alternativen
Pos.
12
BOSCH Zubehörablage | Ersatzteile für GHP 5-65 | F016L73037
Hersteller: BOSCH
Artikelnummer: EB-3600J105K0-F016L73037
nur Informationsartikel
Nie mehr lieferbar
keine Alternativen
Pos.
13
BOSCH Zubehörablage | Ersatzteile für GHP 5-65 | F016L73038
Hersteller: BOSCH
Artikelnummer: EB-3600J105K0-F016L73038
nur Informationsartikel
Nie mehr lieferbar
keine Alternativen
Pos.
14
BOSCH Stellknopf | Ersatzteile für GHP 5-65 | F016L73039
Hersteller: BOSCH
Artikelnummer: EB-3600J105K0-F016L73039
nur Informationsartikel
Nie mehr lieferbar
keine Alternativen
Pos.
15
BOSCH Abdeckplatte | Ersatzteile für GHP 5-65 | F016L73040
Hersteller: BOSCH
Artikelnummer: EB-3600J105K0-F016L73040
nur Informationsartikel
Nie mehr lieferbar
keine Alternativen
Pos.
16
BOSCH Wasserfilter | Ersatzteile für GHP 5-65 | F016L73041
Hersteller: BOSCH
Artikelnummer: EB-3600J105K0-F016L73041
nur Informationsartikel
Nie mehr lieferbar
keine Alternativen
Pos.
17
BOSCH Absaugschlauch | Ersatzteile für GHP 5-65 | F016L73239
Hersteller: BOSCH
Artikelnummer: EB-3600J105K0-F016L73239
nur Informationsartikel
Nie mehr lieferbar
keine Alternativen
Pos.
18
BOSCH Schraube | Ersatzteile für GHP 5-65 | F016L73053
Hersteller: BOSCH
Artikelnummer: EB-3600J105K0-F016L73053
nur Informationsartikel
Nie mehr lieferbar
keine Alternativen
Pos.
19
BOSCH Gehäuse | Ersatzteile für GHP 5-65 | F016L73044
Hersteller: BOSCH
Artikelnummer: EB-3600J105K0-F016L73044
nur Informationsartikel
Nie mehr lieferbar
keine Alternativen
Pos.
20
BOSCH Radwelle | Ersatzteile für GHP 5-65 | F016L73045
Hersteller: BOSCH
Artikelnummer: EB-3600J105K0-F016F06339
nur Informationsartikel
Nie mehr lieferbar
keine Alternativen
Pos.
21
BOSCH Rad | Ersatzteile für GHP 5-65 | F016L73046
Hersteller: BOSCH
Artikelnummer: EB-3600J105K0-F016F06297
nur Informationsartikel
Nie mehr lieferbar
keine Alternativen
Pos.
22
BOSCH Unterlegscheibe | Ersatzteile für GHP 5-65 | F016L73047
Hersteller: BOSCH
Artikelnummer: EB-3600J105K0-F016L73047
nur Informationsartikel
Nie mehr lieferbar
keine Alternativen
Pos.
23
BOSCH Abdeckung | Ersatzteile für GHP 5-65 | F016L73048
Hersteller: BOSCH
Artikelnummer: EB-3600J105K0-F016F06298
nur Informationsartikel
Nie mehr lieferbar
keine Alternativen
Pos.
24
BOSCH Schutzabdeckung | Ersatzteile für GHP 5-65 | F016L72122
Hersteller: BOSCH
Artikelnummer: EB-3600J105K0-F016L72122
Netto: 9,95 € zzgl. MwSt.
zzgl. 6,90 € Versand (brutto)
einmalig pro Bestellung

Lieferzeit: 5 Werktage

Pos.
25
BOSCH Adapter | Ersatzteile für GHP 5-65 | F016L72010
Hersteller: BOSCH
Artikelnummer: EB-3600J105K0-F016L72010
Netto: 4,82 € zzgl. MwSt.
zzgl. 6,90 € Versand (brutto)
einmalig pro Bestellung

Lieferzeit: 5 Werktage

Pos.
26
BOSCH Durchführungsfilter | Ersatzteile für GHP 5-65 | F016L73591
Hersteller: BOSCH
Artikelnummer: EB-3600J105K0-F016L73591
nur Informationsartikel
Nie mehr lieferbar
keine Alternativen
Pos.
27
BOSCH Gummifuss | Ersatzteile für GHP 5-65 | F016L72119
Hersteller: BOSCH
Artikelnummer: EB-3600J105K0-F016L72119
Netto: 7,76 € zzgl. MwSt.
zzgl. 6,90 € Versand (brutto)
einmalig pro Bestellung

Lieferzeit: 5 Werktage

Pos.
28
BOSCH Schraube | Ersatzteile für GHP 5-65 | F016L72012
Hersteller: BOSCH
Artikelnummer: EB-3600J105K0-F016L72012
Netto: 3,63 € zzgl. MwSt.
zzgl. 6,90 € Versand (brutto)
einmalig pro Bestellung

Lieferzeit: 5 Werktage

Pos.
29
BOSCH Schraube | Ersatzteile für GHP 5-65 | F016L72187
Hersteller: BOSCH
Artikelnummer: EB-3600J105K0-F016L72187
Netto: 3,63 € zzgl. MwSt.
zzgl. 6,90 € Versand (brutto)
einmalig pro Bestellung

Lieferzeit: 5 Werktage

Pos.
30
BOSCH Kunststoffschneidschraube | Ersatzteile für GHP 5-65 | F016L73337
Hersteller: BOSCH
Artikelnummer: EB-3600J105K0-F016L73337
nur Informationsartikel
Nie mehr lieferbar
keine Alternativen
Pos.
31
BOSCH Unterlegscheibe | Ersatzteile für GHP 5-65 | F016L73051
Hersteller: BOSCH
Artikelnummer: EB-3600J105K0-F016L73051
nur Informationsartikel
Nie mehr lieferbar
keine Alternativen
Pos.
32
BOSCH Tülle | Ersatzteile für GHP 5-65 | F016L72109
Hersteller: BOSCH
Artikelnummer: EB-3600J105K0-F016L72109
Netto: 3,94 € zzgl. MwSt.
zzgl. 6,90 € Versand (brutto)
einmalig pro Bestellung

Lieferzeit: 5 Werktage

Pos.
33
BOSCH Unterlegscheibe | Ersatzteile für GHP 5-65 | F016L72120
Hersteller: BOSCH
Artikelnummer: EB-3600J105K0-F016L72120
Netto: 4,53 € zzgl. MwSt.
zzgl. 6,90 € Versand (brutto)
einmalig pro Bestellung

Lieferzeit: 5 Werktage

Pos.
34
BOSCH Schraube | Ersatzteile für GHP 5-65 | F016L73711
Hersteller: BOSCH
Artikelnummer: EB-3600J105K0-F016L73711
nur Informationsartikel
Nie mehr lieferbar
keine Alternativen
Pos.
35
BOSCH Vibrationsdämpfer | Ersatzteile für GHP 5-65 | F016L73100
Hersteller: BOSCH
Artikelnummer: EB-3600J105K0-F016L73100
nur Informationsartikel
Nie mehr lieferbar
keine Alternativen
Pos.
36
BOSCH Absaugschlauch | Ersatzteile für GHP 5-65 | F016L73338
Hersteller: BOSCH
Artikelnummer: EB-3600J105K0-F016L73338
nur Informationsartikel
Nie mehr lieferbar
keine Alternativen
Pos.
37
BOSCH Verschlussstopfen | Ersatzteile für GHP 5-65 | F016L73278
Hersteller: BOSCH
Artikelnummer: EB-3600J105K0-F016L73278
nur Informationsartikel
Nie mehr lieferbar
keine Alternativen
Pos.
101
BOSCH Verschlussstopfen | Ersatzteile für GHP 5-65 | F016L72124
Hersteller: BOSCH
Artikelnummer: EB-3600J105K0-F016L72124
Netto: 7,30 € zzgl. MwSt.
zzgl. 6,90 € Versand (brutto)
einmalig pro Bestellung

Lieferzeit: 5 Werktage

Pos.
102
BOSCH Pumpenkopf | Ersatzteile für GHP 5-65 | F016L73054
Hersteller: BOSCH
Artikelnummer: EB-3600J105K0-F016L73054
nur Informationsartikel
Nie mehr lieferbar
keine Alternativen
Pos.
103
BOSCH Schraube | Ersatzteile für GHP 5-65 | F016L72126
Hersteller: BOSCH
Artikelnummer: EB-3600J105K0-F016L72126
Netto: 4,32 € zzgl. MwSt.
zzgl. 6,90 € Versand (brutto)
einmalig pro Bestellung

Lieferzeit: 5 Werktage

Pos.
104
BOSCH O-Ring | Ersatzteile für GHP 5-65 | F016L72035
Hersteller: BOSCH
Artikelnummer: EB-3600J105K0-F016L72035
Netto: 3,63 € zzgl. MwSt.
zzgl. 6,90 € Versand (brutto)
einmalig pro Bestellung

Lieferzeit: 5 Werktage

Pos.
105
BOSCH Adapter | Ersatzteile für GHP 5-65 | F016F04381
Hersteller: BOSCH
Artikelnummer: EB-3600J105K0-F016F04381
Netto: 15,75 € zzgl. MwSt.
zzgl. 6,90 € Versand (brutto)
einmalig pro Bestellung

Lieferzeit: 5 Werktage

Pos.
106
BOSCH O-Ring | Ersatzteile für GHP 5-65 | F016L72014
Hersteller: BOSCH
Artikelnummer: EB-3600J105K0-F016L72014
Netto: 3,63 € zzgl. MwSt.
zzgl. 6,90 € Versand (brutto)
einmalig pro Bestellung

Lieferzeit: 5 Werktage

Pos.
107
BOSCH Adapter | Ersatzteile für GHP 5-65 | F016F04382
Hersteller: BOSCH
Artikelnummer: EB-3600J105K0-F016F04382
Netto: 14,36 € zzgl. MwSt.
zzgl. 6,90 € Versand (brutto)
einmalig pro Bestellung

Lieferzeit: 5 Werktage

Pos.
108
BOSCH O-Ring | Ersatzteile für GHP 5-65 | F016L73055
Hersteller: BOSCH
Artikelnummer: EB-3600J105K0-F016L73055
nur Informationsartikel
Nie mehr lieferbar
keine Alternativen
Pos.
109
BOSCH Ventil | Ersatzteile für GHP 5-65 | F016L72129
Hersteller: BOSCH
Artikelnummer: EB-3600J105K0-F016L72129
Netto: 7,76 € zzgl. MwSt.
zzgl. 6,90 € Versand (brutto)
einmalig pro Bestellung

Lieferzeit: 5 Werktage

Pos.
110
BOSCH Dichtung | Ersatzteile für GHP 5-65 | F016L72130
Hersteller: BOSCH
Artikelnummer: EB-3600J105K0-F016L72130
Netto: 5,67 € zzgl. MwSt.
zzgl. 6,90 € Versand (brutto)
einmalig pro Bestellung

Lieferzeit: 5 Werktage

Pos.
111
BOSCH O-Ring | Ersatzteile für GHP 5-65 | F016L72131
Hersteller: BOSCH
Artikelnummer: EB-3600J105K0-F016L72131
Netto: 3,94 € zzgl. MwSt.
zzgl. 6,90 € Versand (brutto)
einmalig pro Bestellung

Lieferzeit: 5 Werktage

Pos.
112
BOSCH Lagerbuchse | Ersatzteile für GHP 5-65 | F016L72132
Hersteller: BOSCH
Artikelnummer: EB-3600J105K0-F016L72132
Netto: 10,92 € zzgl. MwSt.
zzgl. 6,90 € Versand (brutto)
einmalig pro Bestellung

Lieferzeit: 5 Werktage

Pos.
113
BOSCH Lagerbuchse | Ersatzteile für GHP 5-65 | F016L72133
Hersteller: BOSCH
Artikelnummer: EB-3600J105K0-F016L72133
Netto: 7,76 € zzgl. MwSt.
zzgl. 6,90 € Versand (brutto)
einmalig pro Bestellung

Lieferzeit: 5 Werktage

Pos.
115
BOSCH Schraube | Ersatzteile für GHP 5-65 | F016L72134
Hersteller: BOSCH
Artikelnummer: EB-3600J105K0-F016L72134
Netto: 4,82 € zzgl. MwSt.
zzgl. 6,90 € Versand (brutto)
einmalig pro Bestellung

Lieferzeit: 5 Werktage

Pos.
116
BOSCH Kolbenführung | Ersatzteile für GHP 5-65 | F016L73057
Hersteller: BOSCH
Artikelnummer: EB-3600J105K0-F016L73057
nur Informationsartikel
Nie mehr lieferbar
keine Alternativen
Pos.
117
BOSCH Feder | Ersatzteile für GHP 5-65 | F016L72136
Hersteller: BOSCH
Artikelnummer: EB-3600J105K0-F016L72136
Netto: 6,15 € zzgl. MwSt.
zzgl. 6,90 € Versand (brutto)
einmalig pro Bestellung

Lieferzeit: 5 Werktage

Pos.
118
BOSCH Kolben 3 Stück | Ersatzteile für GHP 5-65 | F016F04323
Hersteller: BOSCH
Artikelnummer: EB-3600J105K0-F016F04323
Netto: 15,75 € zzgl. MwSt.
zzgl. 6,90 € Versand (brutto)
einmalig pro Bestellung

Lieferzeit: 5 Werktage

Pos.
119
BOSCH Taumelscheibe | Ersatzteile für GHP 5-65 | F016L72137
Hersteller: BOSCH
Artikelnummer: EB-3600J105K0-F016L72137
Netto: 4,53 € zzgl. MwSt.
zzgl. 6,90 € Versand (brutto)
einmalig pro Bestellung

Lieferzeit: 5 Werktage

Pos.
120
BOSCH Verschlussstopfen | Ersatzteile für GHP 5-65 | F016L72138
Hersteller: BOSCH
Artikelnummer: EB-3600J105K0-F016L72138
Netto: 7,76 € zzgl. MwSt.
zzgl. 6,90 € Versand (brutto)
einmalig pro Bestellung

Lieferzeit: 5 Werktage

Pos.
121
BOSCH Schraube | Ersatzteile für GHP 5-65 | F016L73058
Hersteller: BOSCH
Artikelnummer: EB-3600J105K0-F016L73058
nur Informationsartikel
Nie mehr lieferbar
keine Alternativen
Pos.
122
BOSCH Feder | Ersatzteile für GHP 5-65 | F016L72140
Hersteller: BOSCH
Artikelnummer: EB-3600J105K0-F016L72140
Netto: 21,16 € zzgl. MwSt.
zzgl. 6,90 € Versand (brutto)
einmalig pro Bestellung

Lieferzeit: 5 Werktage

Pos.
123
BOSCH O-Ring | Ersatzteile für GHP 5-65 | F016L72065
Hersteller: BOSCH
Artikelnummer: EB-3600J105K0-F016L72065
Netto: 3,63 € zzgl. MwSt.
zzgl. 6,90 € Versand (brutto)
einmalig pro Bestellung

Lieferzeit: 5 Werktage

Pos.
124
BOSCH O-Ring | Ersatzteile für GHP 5-65 | F016L72141
Hersteller: BOSCH
Artikelnummer: EB-3600J105K0-F016L72141
Netto: 3,94 € zzgl. MwSt.
zzgl. 6,90 € Versand (brutto)
einmalig pro Bestellung

Lieferzeit: 5 Werktage

Pos.
125
BOSCH Adapter | Ersatzteile für GHP 5-65 | F016L72142
Hersteller: BOSCH
Artikelnummer: EB-3600J105K0-F016L72142
Netto: 10,92 € zzgl. MwSt.
zzgl. 6,90 € Versand (brutto)
einmalig pro Bestellung

Lieferzeit: 5 Werktage

Pos.
126
BOSCH Feder | Ersatzteile für GHP 5-65 | F016L72072
Hersteller: BOSCH
Artikelnummer: EB-3600J105K0-F016L72072
Netto: 3,94 € zzgl. MwSt.
zzgl. 6,90 € Versand (brutto)
einmalig pro Bestellung

Lieferzeit: 5 Werktage

Pos.
127
BOSCH Kugel | Ersatzteile für GHP 5-65 | F016L72073
Hersteller: BOSCH
Artikelnummer: EB-3600J105K0-F016L72073
Netto: 3,94 € zzgl. MwSt.
zzgl. 6,90 € Versand (brutto)
einmalig pro Bestellung

Lieferzeit: 5 Werktage

Pos.
128
BOSCH O-Ring | Ersatzteile für GHP 5-65 | F016L72074
Hersteller: BOSCH
Artikelnummer: EB-3600J105K0-F016L72074
Netto: 3,94 € zzgl. MwSt.
zzgl. 6,90 € Versand (brutto)
einmalig pro Bestellung

Lieferzeit: 5 Werktage

Pos.
129
BOSCH Nippel | Ersatzteile für GHP 5-65 | F016L72143
Hersteller: BOSCH
Artikelnummer: EB-3600J105K0-F016L72143
Netto: 7,30 € zzgl. MwSt.
zzgl. 6,90 € Versand (brutto)
einmalig pro Bestellung

Lieferzeit: 5 Werktage

Pos.
130
BOSCH O-Ring | Ersatzteile für GHP 5-65 | F016L73059
Hersteller: BOSCH
Artikelnummer: EB-3600J105K0-F016L73059
nur Informationsartikel
Nie mehr lieferbar
keine Alternativen
Pos.
131
BOSCH Ventileinsatz | Ersatzteile für GHP 5-65 | F016L72018
Hersteller: BOSCH
Artikelnummer: EB-3600J105K0-F016L72018
Netto: 9,18 € zzgl. MwSt.
zzgl. 6,90 € Versand (brutto)
einmalig pro Bestellung

Lieferzeit: 5 Werktage

Pos.
132
BOSCH Feder | Ersatzteile für GHP 5-65 | F016L72017
Hersteller: BOSCH
Artikelnummer: EB-3600J105K0-F016L72017
Netto: 4,32 € zzgl. MwSt.
zzgl. 6,90 € Versand (brutto)
einmalig pro Bestellung

Lieferzeit: 5 Werktage

Pos.
133
BOSCH O-Ring | Ersatzteile für GHP 5-65 | F016L72016
Hersteller: BOSCH
Artikelnummer: EB-3600J105K0-F016L72016
Netto: 3,63 € zzgl. MwSt.
zzgl. 6,90 € Versand (brutto)
einmalig pro Bestellung

Lieferzeit: 5 Werktage

Pos.
134
BOSCH Injektor | Ersatzteile für GHP 5-65 | F016L72015
Hersteller: BOSCH
Artikelnummer: EB-3600J105K0-F016L72015
Netto: 10,92 € zzgl. MwSt.
zzgl. 6,90 € Versand (brutto)
einmalig pro Bestellung

Lieferzeit: 5 Werktage

Pos.
162
BOSCH Pumpenkopf | Ersatzteile für GHP 5-65 | F016L73060
Hersteller: BOSCH
Artikelnummer: EB-3600J105K0-F016L73060
nur Informationsartikel
Nie mehr lieferbar
keine Alternativen
Pos.
401
BOSCH Kugellager | Ersatzteile für GHP 5-65 | F016L72144
Hersteller: BOSCH
Artikelnummer: EB-3600J105K0-F016L72144
Netto: 14,36 € zzgl. MwSt.
zzgl. 6,90 € Versand (brutto)
einmalig pro Bestellung

Lieferzeit: 5 Werktage

Pos.
402
BOSCH Taumelscheibe | Ersatzteile für GHP 5-65 | F016L72145
Hersteller: BOSCH
Artikelnummer: EB-3600J105K0-F016L72145
Netto: 12,98 € zzgl. MwSt.
zzgl. 6,90 € Versand (brutto)
einmalig pro Bestellung

Lieferzeit: 5 Werktage

Pos.
403
BOSCH Kugellager | Ersatzteile für GHP 5-65 | F016L72146
Hersteller: BOSCH
Artikelnummer: EB-3600J105K0-F016L72146
Netto: 15,75 € zzgl. MwSt.
zzgl. 6,90 € Versand (brutto)
einmalig pro Bestellung

Lieferzeit: 5 Werktage

Pos.
404
BOSCH Radial-Wellendichtring | Ersatzteile für GHP 5-65 | F016L73063
Hersteller: BOSCH
Artikelnummer: EB-3600J105K0-F016L73063
nur Informationsartikel
Nie mehr lieferbar
keine Alternativen
Pos.
405
BOSCH Schraube | Ersatzteile für GHP 5-65 | F016L72148
Hersteller: BOSCH
Artikelnummer: EB-3600J105K0-F016L72148
Netto: 4,82 € zzgl. MwSt.
zzgl. 6,90 € Versand (brutto)
einmalig pro Bestellung

Lieferzeit: 5 Werktage

Pos.
406
BOSCH Pumpengehäuse | Ersatzteile für GHP 5-65 | F016L73064
Hersteller: BOSCH
Artikelnummer: EB-3600J105K0-F016L73064
nur Informationsartikel
Nie mehr lieferbar
keine Alternativen
Pos.
407
BOSCH Kugellager | Ersatzteile für GHP 5-65 | F016L72150
Hersteller: BOSCH
Artikelnummer: EB-3600J105K0-F016L72150
Netto: 10,92 € zzgl. MwSt.
zzgl. 6,90 € Versand (brutto)
einmalig pro Bestellung

Lieferzeit: 5 Werktage

Pos.
408
BOSCH Abdeckung | Ersatzteile für GHP 5-65 | F016L72151
Hersteller: BOSCH
Artikelnummer: EB-3600J105K0-F016L72151
Netto: 15,75 € zzgl. MwSt.
zzgl. 6,90 € Versand (brutto)
einmalig pro Bestellung

Lieferzeit: 5 Werktage

Pos.
409
BOSCH Dichtung | Ersatzteile für GHP 5-65 | F016L72152
Hersteller: BOSCH
Artikelnummer: EB-3600J105K0-F016L72152
Netto: 4,32 € zzgl. MwSt.
zzgl. 6,90 € Versand (brutto)
einmalig pro Bestellung

Lieferzeit: 5 Werktage

Pos.
410
BOSCH O-Ring | Ersatzteile für GHP 5-65 | F016L72153
Hersteller: BOSCH
Artikelnummer: EB-3600J105K0-F016L72153
Netto: 3,63 € zzgl. MwSt.
zzgl. 6,90 € Versand (brutto)
einmalig pro Bestellung

Lieferzeit: 5 Werktage

Pos.
411
BOSCH Lüfter | Ersatzteile für GHP 5-65 | F016L72154
Hersteller: BOSCH
Artikelnummer: EB-3600J105K0-F016L72154
Netto: 9,18 € zzgl. MwSt.
zzgl. 6,90 € Versand (brutto)
einmalig pro Bestellung

Lieferzeit: 5 Werktage

Pos.
412
BOSCH Luftkanal | Ersatzteile für GHP 5-65 | F016L73065
Hersteller: BOSCH
Artikelnummer: EB-3600J105K0-F016L73065
nur Informationsartikel
Nie mehr lieferbar
keine Alternativen
Pos.
413
BOSCH Unterlegscheibe | Ersatzteile für GHP 5-65 | F016L72156
Hersteller: BOSCH
Artikelnummer: EB-3600J105K0-F016L72156
Netto: 3,63 € zzgl. MwSt.
zzgl. 6,90 € Versand (brutto)
einmalig pro Bestellung

Lieferzeit: 5 Werktage

Pos.
414
BOSCH Schraube | Ersatzteile für GHP 5-65 | F016L72157
Hersteller: BOSCH
Artikelnummer: EB-3600J105K0-F016L72157
Netto: 3,63 € zzgl. MwSt.
zzgl. 6,90 € Versand (brutto)
einmalig pro Bestellung

Lieferzeit: 5 Werktage

Pos.
415
BOSCH O-Ring | Ersatzteile für GHP 5-65 | F016L72158
Hersteller: BOSCH
Artikelnummer: EB-3600J105K0-F016L72158
Netto: 3,63 € zzgl. MwSt.
zzgl. 6,90 € Versand (brutto)
einmalig pro Bestellung

Lieferzeit: 5 Werktage

Pos.
416
BOSCH Gehäuse | Ersatzteile für GHP 5-65 | F016L72159
Hersteller: BOSCH
Artikelnummer: EB-3600J105K0-F016L72159
Netto: 8,33 € zzgl. MwSt.
zzgl. 6,90 € Versand (brutto)
einmalig pro Bestellung

Lieferzeit: 5 Werktage

Pos.
417
BOSCH Unterlegscheibe | Ersatzteile für GHP 5-65 | F016L72160
Hersteller: BOSCH
Artikelnummer: EB-3600J105K0-F016L72160
Netto: 3,63 € zzgl. MwSt.
zzgl. 6,90 € Versand (brutto)
einmalig pro Bestellung

Lieferzeit: 5 Werktage

Pos.
418
BOSCH Schraube | Ersatzteile für GHP 5-65 | F016L72161
Hersteller: BOSCH
Artikelnummer: EB-3600J105K0-F016L72161
Netto: 3,63 € zzgl. MwSt.
zzgl. 6,90 € Versand (brutto)
einmalig pro Bestellung

Lieferzeit: 5 Werktage

Pos.
419
BOSCH Abdeckung | Ersatzteile für GHP 5-65 | F016L73339
Hersteller: BOSCH
Artikelnummer: EB-3600J105K0-F016L73339
nur Informationsartikel
Nie mehr lieferbar
keine Alternativen
Pos.
420
BOSCH Schalter | Ersatzteile für GHP 5-65 | F016L72087
Hersteller: BOSCH
Artikelnummer: EB-3600J105K0-F016L72087
Netto: 14,36 € zzgl. MwSt.
zzgl. 6,90 € Versand (brutto)
einmalig pro Bestellung

Lieferzeit: 5 Werktage

Pos.
422
BOSCH Netzanschlussleitung | Ersatzteile für GHP 5-65 | F016L73340
Hersteller: BOSCH
Artikelnummer: EB-3600J105K0-F016L73340
nur Informationsartikel
Nie mehr lieferbar
keine Alternativen
Pos.
423
BOSCH O-Ring | Ersatzteile für GHP 5-65 | F016L72163
Hersteller: BOSCH
Artikelnummer: EB-3600J105K0-F016L72163
Netto: 3,94 € zzgl. MwSt.
zzgl. 6,90 € Versand (brutto)
einmalig pro Bestellung

Lieferzeit: 5 Werktage

Pos.
424
BOSCH Kondensator | Ersatzteile für GHP 5-65 | F016L72164
Hersteller: BOSCH
Artikelnummer: EB-3600J105K0-F016F05928
Netto: 16,45 € zzgl. MwSt.
zzgl. 6,90 € Versand (brutto)
einmalig pro Bestellung

Lieferzeit: 5 Werktage

Pos.
425
BOSCH Elektromotor | Ersatzteile für GHP 5-65 | F016L73280
Hersteller: BOSCH
Artikelnummer: EB-3600J105K0-F016L73280
nur Informationsartikel
Nie mehr lieferbar
keine Alternativen
Pos.
425
BOSCH Motor | Ersatzteile für GHP 5-65 | F016F05934
Hersteller: BOSCH
Artikelnummer: EB-3600J105K0-F016F05934
Netto: 189,11 € zzgl. MwSt.
zzgl. 6,90 € Versand (brutto)
einmalig pro Bestellung

Lieferzeit: 5 Werktage

Pos.
426
BOSCH Klemmschelle | Ersatzteile für GHP 5-65 | F016L72094
Hersteller: BOSCH
Artikelnummer: EB-3600J105K0-F016L72094
Netto: 8,33 € zzgl. MwSt.
zzgl. 6,90 € Versand (brutto)
einmalig pro Bestellung

Lieferzeit: 5 Werktage

Pos.
427
BOSCH Schalter | Ersatzteile für GHP 5-65 | F016L73067
Hersteller: BOSCH
Artikelnummer: EB-3600J105K0-F016L73067
nur Informationsartikel
Nie mehr lieferbar
keine Alternativen
Pos.
428
BOSCH Schraube | Ersatzteile für GHP 5-65 | F016L72086
Hersteller: BOSCH
Artikelnummer: EB-3600J105K0-F016L72086
Netto: 3,63 € zzgl. MwSt.
zzgl. 6,90 € Versand (brutto)
einmalig pro Bestellung

Lieferzeit: 5 Werktage

Pos.
429
BOSCH Tülle | Ersatzteile für GHP 5-65 | F016L72092
Hersteller: BOSCH
Artikelnummer: EB-3600J105K0-F016L72092
Netto: 6,15 € zzgl. MwSt.
zzgl. 6,90 € Versand (brutto)
einmalig pro Bestellung

Lieferzeit: 5 Werktage

Pos.
430
BOSCH O-Ring | Ersatzteile für GHP 5-65 | F016L72260
Hersteller: BOSCH
Artikelnummer: EB-3600J105K0-F016L72260
Netto: 6,70 € zzgl. MwSt.
zzgl. 6,90 € Versand (brutto)
einmalig pro Bestellung

Lieferzeit: 5 Werktage

Pos.
431
BOSCH O-Ring | Ersatzteile für GHP 5-65 | F016L73343
Hersteller: BOSCH
Artikelnummer: EB-3600J105K0-F016L73343
nur Informationsartikel
Nie mehr lieferbar
keine Alternativen
Pos.
501
BOSCH Handgriff | Ersatzteile für GHP 5-65 | F016L73068
Hersteller: BOSCH
Artikelnummer: EB-3600J105K0-F016L73068
nur Informationsartikel
Nie mehr lieferbar
keine Alternativen
Pos.
502
BOSCH Strahlrohr | Ersatzteile für GHP 5-65 | F016L73281
Hersteller: BOSCH
Artikelnummer: EB-3600J105K0-F016L73281
nur Informationsartikel
Nie mehr lieferbar
keine Alternativen
Pos.
503
BOSCH Strahlrohr | Ersatzteile für GHP 5-65 | F016L73282
Hersteller: BOSCH
Artikelnummer: EB-3600J105K0-F016L73282
nur Informationsartikel
Nie mehr lieferbar
keine Alternativen
Pos.
504
BOSCH Schlauch | Ersatzteile für GHP 5-65 | F016F04523
Hersteller: BOSCH
Artikelnummer: EB-3600J105K0-F016F04523
nur Informationsartikel
Nie mehr lieferbar
keine Alternativen
Pos.
505
BOSCH O-Ring | Ersatzteile für GHP 5-65 | F016L72099
Hersteller: BOSCH
Artikelnummer: EB-3600J105K0-F016L72099
Netto: 3,63 € zzgl. MwSt.
zzgl. 6,90 € Versand (brutto)
einmalig pro Bestellung

Lieferzeit: 5 Werktage

Pos.
511
BOSCH Durchführungsfilter | Ersatzteile für GHP 5-65 | F016L73351
Hersteller: BOSCH
Artikelnummer: EB-3600J105K0-F016L73351
nur Informationsartikel
Nie mehr lieferbar
keine Alternativen
Pos.
512
BOSCH Durchführungsfilter | Ersatzteile für GHP 5-65 | F016L73352
Hersteller: BOSCH
Artikelnummer: EB-3600J105K0-F016L73352
nur Informationsartikel
Nie mehr lieferbar
keine Alternativen
Pos.
808
BOSCH Typschild | Ersatzteile für GHP 5-65 | F016F05911
Hersteller: BOSCH
Artikelnummer: EB-3600J105K0-F016F05911
Nie mehr lieferbar
keine Alternativen
Pos.
814
BOSCH Dichtung | Ersatzteile für GHP 5-65 | F016F04324
Hersteller: BOSCH
Artikelnummer: EB-3600J105K0-F016F04324
Netto: 12,98 € zzgl. MwSt.
zzgl. 6,90 € Versand (brutto)
einmalig pro Bestellung

Lieferzeit: 5 Werktage

Pos.
880
BOSCH Verschleissteilsatz | Ersatzteile für GHP 5-65 | F016L73387
Hersteller: BOSCH
Artikelnummer: EB-3600J105K0-F016L73387
nur Informationsartikel
Nie mehr lieferbar
keine Alternativen

Angaben zur Produktsicherheit

Hersteller:
Robert Bosch Power Tools GmbH
Postfach 30 02 20
70442 Stuttgart

E-Mail:
kontakt@bosch.de