BOSCH Dichtung | Ersatzteile für GHP 5-75 X | F016L72152

Artikelnummer: EB-3600J10870-F016L72152

Position: 409

Marke: BOSCH


Bitte Kompatibilität prüfen!

Bitte prüfen Sie unbedingt die 10-stellige Typennummer Ihrer Maschine / Ihres Gerätes. Das Ersatzteil ist nur kompatibel, wenn Sie die Typennummer Ihrer Maschine in der unten stehenden Produktbeschreibung finden.

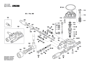
Bitte prüfen Sie ebenfalls detailliert die Explosionszeichnung mit Ihrem Artikelwunsch und der jeweiligen Pos-Nummer.

Alle Elemente, welche vom schwarzen Strich der Pos-Nummer ausgehend berührt / erfasst werden, gehören zu dieser Pos-Nummer und somit zu diesem Artikel. Jede Pos-Nummer ist ein eigenständiger Artikel, welchen Sie in der Auflistung finden.

Sie erhalten stets die aktuellste, neueste Produktversion zu der gewählten Pos-Nummer seitens des Herstellers. Es kann daher je nach Gerätealter vorkommen, dass Sie ggf. weitere, zugehörige Elemente, welche an diese Pos-Nummer grenzen, ebenfalls mittauschen müssen.

Nähere Informationen finden Sie unter dem Link
Hinweise zu Ihrer BOSCH Ersatzteilsuche

Preisübersicht

Einzelpreis: 4,32 €* (Brutto: 5,14 €)
Gesamtpreis: 4,32 €* 
Position:

Lieferzeit: 5 Werktage


Beschreibung

  • Dichtung
  • Original Bosch Zubehör / BOSCH Ersatzteil (F016L72152)
  • im Gerät verbaut: 1
Dieses BOSCH Ersatzteil ist mit folgendem Gerät und Modell kompatibel:
  • BOSCH Gerätename: GHP 5-75 X
  • BOSCH Explosionszeichnung: Position 409
  • BOSCH Typennummer: 3600J10870
  • BOSCH Typennummer alternative Schreibweisen: 3 600 J10 870, 3600 J10 870, 3.600.J10.870, 3-600-J10-870
    Bitte prüfen Sie diese Typennummer auf Ihrem Gerät um die Kompatibilität des BOSCH Ersatzteils zu gewährleisten.
Weitere BOSCH Ersatzteile des Gerätes GHP 5-75 X (Hochdruckreiniger) mit der Typennummer 3600J10870 finden Sie in der nachfolgenden Darstellung und im Dropdown zu Ihrer Auswahl:

Pos.
1
BOSCH Gehäuse | Ersatzteile für GHP 5-75 X | F016L73329
Hersteller: BOSCH
Artikelnummer: EB-3600J10870-F016L73329
nur Informationsartikel
Nie mehr lieferbar
keine Alternativen
Pos.
116
BOSCH Kolbenführung | Ersatzteile für GHP 5-75 X | F016L72135
Hersteller: BOSCH
Artikelnummer: EB-3600J10870-F016L72135
Netto: 15,75 € zzgl. MwSt.
zzgl. 6,90 € Versand (brutto)
einmalig pro Bestellung

Lieferzeit: 5 Werktage

Pos.
20
BOSCH Radwelle | Ersatzteile für GHP 5-75 X | F016L73045
Hersteller: BOSCH
Artikelnummer: EB-3600J10870-F016L73045
nur Informationsartikel
Nie mehr lieferbar
keine Alternativen
Pos.
601/1
BOSCH Auslöser | Ersatzteile für GHP 5-75 X | 1619PA9742
Hersteller: BOSCH
Artikelnummer: EB-3600J10870-1619PA9742
nur Informationsartikel
Nie mehr lieferbar
keine Alternativen
Pos.
601/2
BOSCH Feder | Ersatzteile für GHP 5-75 X | 1619PA9743
Hersteller: BOSCH
Artikelnummer: EB-3600J10870-1619PA9743
nur Informationsartikel
Nie mehr lieferbar
keine Alternativen
Pos.
601/3
BOSCH Verschluss | Ersatzteile für GHP 5-75 X | 1619PA9744
Hersteller: BOSCH
Artikelnummer: EB-3600J10870-1619PA9744
nur Informationsartikel
Nie mehr lieferbar
keine Alternativen
Pos.
602/815
BOSCH O-Ring 9,5x1,5 | Ersatzteile für GHP 5-75 X | 1619PB2119
Hersteller: BOSCH
Artikelnummer: EB-3600J10870-1619PB2119
nur Informationsartikel
Nie mehr lieferbar
keine Alternativen
Pos.
2
BOSCH Knopf | Ersatzteile für GHP 5-75 X | F016L72008
Hersteller: BOSCH
Artikelnummer: EB-3600J10870-F016L72008
Netto: 6,15 € zzgl. MwSt.
zzgl. 6,90 € Versand (brutto)
einmalig pro Bestellung

Lieferzeit: 5 Werktage

Pos.
3
BOSCH Gummifuss | Ersatzteile für GHP 5-75 X | F016L73028
Hersteller: BOSCH
Artikelnummer: EB-3600J10870-F016L73028
nur Informationsartikel
Nie mehr lieferbar
keine Alternativen
Pos.
4
BOSCH Zubehörablage | Ersatzteile für GHP 5-75 X | F016L73029
Hersteller: BOSCH
Artikelnummer: EB-3600J10870-F016L73029
nur Informationsartikel
Nie mehr lieferbar
keine Alternativen
Pos.
5
BOSCH Gehäuse | Ersatzteile für GHP 5-75 X | F016L73284
Hersteller: BOSCH
Artikelnummer: EB-3600J10870-F016L73284
nur Informationsartikel
Nie mehr lieferbar
keine Alternativen
Pos.
6
BOSCH Abdeckung | Ersatzteile für GHP 5-75 X | F016L73031
Hersteller: BOSCH
Artikelnummer: EB-3600J10870-F016L73031
nur Informationsartikel
Nie mehr lieferbar
keine Alternativen
Pos.
7
BOSCH Zubehörablage | Ersatzteile für GHP 5-75 X | F016L73032
Hersteller: BOSCH
Artikelnummer: EB-3600J10870-F016L73032
nur Informationsartikel
Nie mehr lieferbar
keine Alternativen
Pos.
8
BOSCH Gehäuseteil | Ersatzteile für GHP 5-75 X | F016L73033
Hersteller: BOSCH
Artikelnummer: EB-3600J10870-F016L73033
nur Informationsartikel
Nie mehr lieferbar
keine Alternativen
Pos.
10
BOSCH Stange | Ersatzteile für GHP 5-75 X | F016L73356
Hersteller: BOSCH
Artikelnummer: EB-3600J10870-F016L73356
nur Informationsartikel
Nie mehr lieferbar
keine Alternativen
Pos.
11
BOSCH Handgriff | Ersatzteile für GHP 5-75 X | F016L73036
Hersteller: BOSCH
Artikelnummer: EB-3600J10870-F016L73036
nur Informationsartikel
Nie mehr lieferbar
keine Alternativen
Pos.
12
BOSCH Zubehörablage | Ersatzteile für GHP 5-75 X | F016L73037
Hersteller: BOSCH
Artikelnummer: EB-3600J10870-F016L73037
nur Informationsartikel
Nie mehr lieferbar
keine Alternativen
Pos.
13
BOSCH Zubehörablage | Ersatzteile für GHP 5-75 X | F016L73038
Hersteller: BOSCH
Artikelnummer: EB-3600J10870-F016L73038
nur Informationsartikel
Nie mehr lieferbar
keine Alternativen
Pos.
14
BOSCH Stellknopf | Ersatzteile für GHP 5-75 X | F016L73039
Hersteller: BOSCH
Artikelnummer: EB-3600J10870-F016L73039
nur Informationsartikel
Nie mehr lieferbar
keine Alternativen
Pos.
15
BOSCH Abdeckplatte | Ersatzteile für GHP 5-75 X | F016L73040
Hersteller: BOSCH
Artikelnummer: EB-3600J10870-F016L73040
nur Informationsartikel
Nie mehr lieferbar
keine Alternativen
Pos.
16
BOSCH Wasserfilter | Ersatzteile für GHP 5-75 X | F016L73041
Hersteller: BOSCH
Artikelnummer: EB-3600J10870-F016L73041
nur Informationsartikel
Nie mehr lieferbar
keine Alternativen
Pos.
17
BOSCH Absaugschlauch | Ersatzteile für GHP 5-75 X | F016L73239
Hersteller: BOSCH
Artikelnummer: EB-3600J10870-F016L73239
nur Informationsartikel
Nie mehr lieferbar
keine Alternativen
Pos.
18
BOSCH Schraube | Ersatzteile für GHP 5-75 X | F016L73053
Hersteller: BOSCH
Artikelnummer: EB-3600J10870-F016L73053
nur Informationsartikel
Nie mehr lieferbar
keine Alternativen
Pos.
19
BOSCH Gehäuse | Ersatzteile für GHP 5-75 X | F016L73044
Hersteller: BOSCH
Artikelnummer: EB-3600J10870-F016L73044
nur Informationsartikel
Nie mehr lieferbar
keine Alternativen
Pos.
BOSCH Radwelle | Ersatzteile für GHP 5-75X | F016F06339
Hersteller: BOSCH
Artikelnummer:
Netto: 8,33 € zzgl. MwSt.
zzgl. 6,90 € Versand (brutto)
einmalig pro Bestellung

Lieferzeit: 5 Werktage

Pos.
21
BOSCH Rad | Ersatzteile für GHP 5-75 X | F016L73046
Hersteller: BOSCH
Artikelnummer: EB-3600J10870-F016L73046
nur Informationsartikel
Nie mehr lieferbar
keine Alternativen
Pos.
22
BOSCH Unterlegscheibe | Ersatzteile für GHP 5-75 X | F016L73047
Hersteller: BOSCH
Artikelnummer: EB-3600J10870-F016L73047
nur Informationsartikel
Nie mehr lieferbar
keine Alternativen
Pos.
23
BOSCH Abdeckung | Ersatzteile für GHP 5-75 X | F016L73048
Hersteller: BOSCH
Artikelnummer: EB-3600J10870-F016L73048
nur Informationsartikel
Nie mehr lieferbar
keine Alternativen
Pos.
24
BOSCH Schutzabdeckung | Ersatzteile für GHP 5-75 X | F016L72122
Hersteller: BOSCH
Artikelnummer: EB-3600J10870-F016L72122
Netto: 9,95 € zzgl. MwSt.
zzgl. 6,90 € Versand (brutto)
einmalig pro Bestellung

Lieferzeit: 5 Werktage

Pos.
25
BOSCH Adapter | Ersatzteile für GHP 5-75 X | F016L72010
Hersteller: BOSCH
Artikelnummer: EB-3600J10870-F016L72010
Netto: 4,82 € zzgl. MwSt.
zzgl. 6,90 € Versand (brutto)
einmalig pro Bestellung

Lieferzeit: 5 Werktage

Pos.
26
BOSCH Durchführungsfilter | Ersatzteile für GHP 5-75 X | F016L73591
Hersteller: BOSCH
Artikelnummer: EB-3600J10870-F016L73591
nur Informationsartikel
Nie mehr lieferbar
keine Alternativen
Pos.
27
BOSCH Gummifuss | Ersatzteile für GHP 5-75 X | F016L72119
Hersteller: BOSCH
Artikelnummer: EB-3600J10870-F016L72119
Netto: 7,76 € zzgl. MwSt.
zzgl. 6,90 € Versand (brutto)
einmalig pro Bestellung

Lieferzeit: 5 Werktage

Pos.
28
BOSCH Schraube | Ersatzteile für GHP 5-75 X | F016L72012
Hersteller: BOSCH
Artikelnummer: EB-3600J10870-F016L72012
Netto: 3,63 € zzgl. MwSt.
zzgl. 6,90 € Versand (brutto)
einmalig pro Bestellung

Lieferzeit: 5 Werktage

Pos.
29
BOSCH Schraube | Ersatzteile für GHP 5-75 X | F016L72187
Hersteller: BOSCH
Artikelnummer: EB-3600J10870-F016L72187
Netto: 3,63 € zzgl. MwSt.
zzgl. 6,90 € Versand (brutto)
einmalig pro Bestellung

Lieferzeit: 5 Werktage

Pos.
30
BOSCH Kunststoffschneidschraube | Ersatzteile für GHP 5-75 X | F016L73337
Hersteller: BOSCH
Artikelnummer: EB-3600J10870-F016L73337
nur Informationsartikel
Nie mehr lieferbar
keine Alternativen
Pos.
31
BOSCH Unterlegscheibe | Ersatzteile für GHP 5-75 X | F016L73051
Hersteller: BOSCH
Artikelnummer: EB-3600J10870-F016L73051
nur Informationsartikel
Nie mehr lieferbar
keine Alternativen
Pos.
32
BOSCH Tülle | Ersatzteile für GHP 5-75 X | F016L72109
Hersteller: BOSCH
Artikelnummer: EB-3600J10870-F016L72109
Netto: 3,94 € zzgl. MwSt.
zzgl. 6,90 € Versand (brutto)
einmalig pro Bestellung

Lieferzeit: 5 Werktage

Pos.
33
BOSCH Unterlegscheibe | Ersatzteile für GHP 5-75 X | F016L72120
Hersteller: BOSCH
Artikelnummer: EB-3600J10870-F016L72120
Netto: 4,53 € zzgl. MwSt.
zzgl. 6,90 € Versand (brutto)
einmalig pro Bestellung

Lieferzeit: 5 Werktage

Pos.
34
BOSCH Schraube | Ersatzteile für GHP 5-75 X | F016L73711
Hersteller: BOSCH
Artikelnummer: EB-3600J10870-F016L73711
nur Informationsartikel
Nie mehr lieferbar
keine Alternativen
Pos.
35
BOSCH Vibrationsdämpfer | Ersatzteile für GHP 5-75 X | F016L73100
Hersteller: BOSCH
Artikelnummer: EB-3600J10870-F016L73100
nur Informationsartikel
Nie mehr lieferbar
keine Alternativen
Pos.
36
BOSCH Absaugschlauch | Ersatzteile für GHP 5-75 X | F016L73338
Hersteller: BOSCH
Artikelnummer: EB-3600J10870-F016L73338
nur Informationsartikel
Nie mehr lieferbar
keine Alternativen
Pos.
37
BOSCH Verschlussstopfen | Ersatzteile für GHP 5-75 X | F016L73278
Hersteller: BOSCH
Artikelnummer: EB-3600J10870-F016L73278
nur Informationsartikel
Nie mehr lieferbar
keine Alternativen
Pos.
38
BOSCH Drehknopf | Ersatzteile für GHP 5-75 X | F016L72169
Hersteller: BOSCH
Artikelnummer: EB-3600J10870-F016L72169
Netto: 11,92 € zzgl. MwSt.
zzgl. 6,90 € Versand (brutto)
einmalig pro Bestellung

Lieferzeit: 5 Werktage

Pos.
39
BOSCH Schraube | Ersatzteile für GHP 5-75 X | F016L73710
Hersteller: BOSCH
Artikelnummer: EB-3600J10870-F016L73710
nur Informationsartikel
Nie mehr lieferbar
keine Alternativen
Pos.
101
BOSCH Verschlussstopfen | Ersatzteile für GHP 5-75 X | F016L72124
Hersteller: BOSCH
Artikelnummer: EB-3600J10870-F016L72124
Netto: 7,30 € zzgl. MwSt.
zzgl. 6,90 € Versand (brutto)
einmalig pro Bestellung

Lieferzeit: 5 Werktage

Pos.
102
BOSCH Pumpenkopf | Ersatzteile für GHP 5-75 X | F016L72170
Hersteller: BOSCH
Artikelnummer: EB-3600J10870-F016L72170
Netto: 106,72 € zzgl. MwSt.
zzgl. 6,90 € Versand (brutto)
einmalig pro Bestellung

Lieferzeit: 5 Werktage

Pos.
103
BOSCH Schraube | Ersatzteile für GHP 5-75 X | F016L72126
Hersteller: BOSCH
Artikelnummer: EB-3600J10870-F016L72126
Netto: 4,32 € zzgl. MwSt.
zzgl. 6,90 € Versand (brutto)
einmalig pro Bestellung

Lieferzeit: 5 Werktage

Pos.
104
BOSCH O-Ring | Ersatzteile für GHP 5-75 X | F016L72035
Hersteller: BOSCH
Artikelnummer: EB-3600J10870-F016L72035
Netto: 3,63 € zzgl. MwSt.
zzgl. 6,90 € Versand (brutto)
einmalig pro Bestellung

Lieferzeit: 5 Werktage

Pos.
105
BOSCH Adapter | Ersatzteile für GHP 5-75 X | F016F04381
Hersteller: BOSCH
Artikelnummer: EB-3600J10870-F016F04381
Netto: 15,75 € zzgl. MwSt.
zzgl. 6,90 € Versand (brutto)
einmalig pro Bestellung

Lieferzeit: 5 Werktage

Pos.
106
BOSCH O-Ring | Ersatzteile für GHP 5-75 X | F016L72014
Hersteller: BOSCH
Artikelnummer: EB-3600J10870-F016L72014
Netto: 3,63 € zzgl. MwSt.
zzgl. 6,90 € Versand (brutto)
einmalig pro Bestellung

Lieferzeit: 5 Werktage

Pos.
107
BOSCH Adapter | Ersatzteile für GHP 5-75 X | F016L73357
Hersteller: BOSCH
Artikelnummer: EB-3600J10870-F016L73357
nur Informationsartikel
Nie mehr lieferbar
keine Alternativen
Pos.
108
BOSCH O-Ring | Ersatzteile für GHP 5-75 X | F016L72074
Hersteller: BOSCH
Artikelnummer: EB-3600J10870-F016L72074
Netto: 3,94 € zzgl. MwSt.
zzgl. 6,90 € Versand (brutto)
einmalig pro Bestellung

Lieferzeit: 5 Werktage

Pos.
109
BOSCH Ventil | Ersatzteile für GHP 5-75 X | F016L72129
Hersteller: BOSCH
Artikelnummer: EB-3600J10870-F016L72129
Netto: 7,76 € zzgl. MwSt.
zzgl. 6,90 € Versand (brutto)
einmalig pro Bestellung

Lieferzeit: 5 Werktage

Pos.
110
BOSCH Dichtung | Ersatzteile für GHP 5-75 X | F016L72130
Hersteller: BOSCH
Artikelnummer: EB-3600J10870-F016L72130
Netto: 5,67 € zzgl. MwSt.
zzgl. 6,90 € Versand (brutto)
einmalig pro Bestellung

Lieferzeit: 5 Werktage

Pos.
111
BOSCH O-Ring | Ersatzteile für GHP 5-75 X | F016L72131
Hersteller: BOSCH
Artikelnummer: EB-3600J10870-F016L72131
Netto: 3,94 € zzgl. MwSt.
zzgl. 6,90 € Versand (brutto)
einmalig pro Bestellung

Lieferzeit: 5 Werktage

Pos.
112
BOSCH Lagerbuchse | Ersatzteile für GHP 5-75 X | F016L72132
Hersteller: BOSCH
Artikelnummer: EB-3600J10870-F016L72132
Netto: 10,92 € zzgl. MwSt.
zzgl. 6,90 € Versand (brutto)
einmalig pro Bestellung

Lieferzeit: 5 Werktage

Pos.
113
BOSCH Lagerbuchse | Ersatzteile für GHP 5-75 X | F016L72133
Hersteller: BOSCH
Artikelnummer: EB-3600J10870-F016L72133
Netto: 7,76 € zzgl. MwSt.
zzgl. 6,90 € Versand (brutto)
einmalig pro Bestellung

Lieferzeit: 5 Werktage

Pos.
115
BOSCH Schraube | Ersatzteile für GHP 5-75 X | F016L72134
Hersteller: BOSCH
Artikelnummer: EB-3600J10870-F016L72134
Netto: 4,82 € zzgl. MwSt.
zzgl. 6,90 € Versand (brutto)
einmalig pro Bestellung

Lieferzeit: 5 Werktage

Pos.
BOSCH Kolbenführung | Ersatzteile für GHP 5-75X | F016L73057
Hersteller: BOSCH
Artikelnummer:
Netto: 14,36 € zzgl. MwSt.
zzgl. 6,90 € Versand (brutto)
einmalig pro Bestellung

Lieferzeit: 5 Werktage

Pos.
117
BOSCH Feder | Ersatzteile für GHP 5-75 X | F016L72136
Hersteller: BOSCH
Artikelnummer: EB-3600J10870-F016L72136
Netto: 6,15 € zzgl. MwSt.
zzgl. 6,90 € Versand (brutto)
einmalig pro Bestellung

Lieferzeit: 5 Werktage

Pos.
118
BOSCH Kolben 3 Stück | Ersatzteile für GHP 5-75 X | F016F04323
Hersteller: BOSCH
Artikelnummer: EB-3600J10870-F016F04323
Netto: 15,75 € zzgl. MwSt.
zzgl. 6,90 € Versand (brutto)
einmalig pro Bestellung

Lieferzeit: 5 Werktage

Pos.
119
BOSCH Taumelscheibe | Ersatzteile für GHP 5-75 X | F016L72137
Hersteller: BOSCH
Artikelnummer: EB-3600J10870-F016L72137
Netto: 4,53 € zzgl. MwSt.
zzgl. 6,90 € Versand (brutto)
einmalig pro Bestellung

Lieferzeit: 5 Werktage

Pos.
121
BOSCH Schraube | Ersatzteile für GHP 5-75 X | F016L72139
Hersteller: BOSCH
Artikelnummer: EB-3600J10870-F016L72139
Netto: 8,33 € zzgl. MwSt.
zzgl. 6,90 € Versand (brutto)
einmalig pro Bestellung

Lieferzeit: 5 Werktage

Pos.
122
BOSCH Verschlussstopfen | Ersatzteile für GHP 5-75 X | F016L72138
Hersteller: BOSCH
Artikelnummer: EB-3600J10870-F016L72138
Netto: 7,76 € zzgl. MwSt.
zzgl. 6,90 € Versand (brutto)
einmalig pro Bestellung

Lieferzeit: 5 Werktage

Pos.
124
BOSCH O-Ring | Ersatzteile für GHP 5-75 X | F016L72141
Hersteller: BOSCH
Artikelnummer: EB-3600J10870-F016L72141
Netto: 3,94 € zzgl. MwSt.
zzgl. 6,90 € Versand (brutto)
einmalig pro Bestellung

Lieferzeit: 5 Werktage

Pos.
125
BOSCH Manometer | Ersatzteile für GHP 5-75 X | F016L72045
Hersteller: BOSCH
Artikelnummer: EB-3600J10870-F016L72045
Netto: 14,36 € zzgl. MwSt.
zzgl. 6,90 € Versand (brutto)
einmalig pro Bestellung

Lieferzeit: 5 Werktage

Pos.
126
BOSCH Feder | Ersatzteile für GHP 5-75 X | F016L72072
Hersteller: BOSCH
Artikelnummer: EB-3600J10870-F016L72072
Netto: 3,94 € zzgl. MwSt.
zzgl. 6,90 € Versand (brutto)
einmalig pro Bestellung

Lieferzeit: 5 Werktage

Pos.
127
BOSCH Kugel | Ersatzteile für GHP 5-75 X | F016L72073
Hersteller: BOSCH
Artikelnummer: EB-3600J10870-F016L72073
Netto: 3,94 € zzgl. MwSt.
zzgl. 6,90 € Versand (brutto)
einmalig pro Bestellung

Lieferzeit: 5 Werktage

Pos.
129
BOSCH Nippel | Ersatzteile für GHP 5-75 X | F016L72143
Hersteller: BOSCH
Artikelnummer: EB-3600J10870-F016L72143
Netto: 7,30 € zzgl. MwSt.
zzgl. 6,90 € Versand (brutto)
einmalig pro Bestellung

Lieferzeit: 5 Werktage

Pos.
130
BOSCH O-Ring | Ersatzteile für GHP 5-75 X | F016L72019
Hersteller: BOSCH
Artikelnummer: EB-3600J10870-F016L72019
Netto: 3,63 € zzgl. MwSt.
zzgl. 6,90 € Versand (brutto)
einmalig pro Bestellung

Lieferzeit: 5 Werktage

Pos.
131
BOSCH Ventileinsatz | Ersatzteile für GHP 5-75 X | F016L72018
Hersteller: BOSCH
Artikelnummer: EB-3600J10870-F016L72018
Netto: 9,18 € zzgl. MwSt.
zzgl. 6,90 € Versand (brutto)
einmalig pro Bestellung

Lieferzeit: 5 Werktage

Pos.
132
BOSCH Feder | Ersatzteile für GHP 5-75 X | F016L72017
Hersteller: BOSCH
Artikelnummer: EB-3600J10870-F016L72017
Netto: 4,32 € zzgl. MwSt.
zzgl. 6,90 € Versand (brutto)
einmalig pro Bestellung

Lieferzeit: 5 Werktage

Pos.
133
BOSCH O-Ring | Ersatzteile für GHP 5-75 X | F016L72016
Hersteller: BOSCH
Artikelnummer: EB-3600J10870-F016L72016
Netto: 3,63 € zzgl. MwSt.
zzgl. 6,90 € Versand (brutto)
einmalig pro Bestellung

Lieferzeit: 5 Werktage

Pos.
134
BOSCH Injektor | Ersatzteile für GHP 5-75 X | F016L73332
Hersteller: BOSCH
Artikelnummer: EB-3600J10870-F016L73332
nur Informationsartikel
Nie mehr lieferbar
keine Alternativen
Pos.
135
BOSCH O-Ring | Ersatzteile für GHP 5-75 X | F016L72065
Hersteller: BOSCH
Artikelnummer: EB-3600J10870-F016L72065
Netto: 3,63 € zzgl. MwSt.
zzgl. 6,90 € Versand (brutto)
einmalig pro Bestellung

Lieferzeit: 5 Werktage

Pos.
137
BOSCH Steckerstift | Ersatzteile für GHP 5-75 X | F016L72066
Hersteller: BOSCH
Artikelnummer: EB-3600J10870-F016L72066
Netto: 9,95 € zzgl. MwSt.
zzgl. 6,90 € Versand (brutto)
einmalig pro Bestellung

Lieferzeit: 5 Werktage

Pos.
138
BOSCH Feder | Ersatzteile für GHP 5-75 X | F016L72067
Hersteller: BOSCH
Artikelnummer: EB-3600J10870-F016L72067
Netto: 4,82 € zzgl. MwSt.
zzgl. 6,90 € Versand (brutto)
einmalig pro Bestellung

Lieferzeit: 5 Werktage

Pos.
139
BOSCH Unterlegscheibe | Ersatzteile für GHP 5-75 X | F016L72068
Hersteller: BOSCH
Artikelnummer: EB-3600J10870-F016L72068
Netto: 3,94 € zzgl. MwSt.
zzgl. 6,90 € Versand (brutto)
einmalig pro Bestellung

Lieferzeit: 5 Werktage

Pos.
140
BOSCH O-Ring | Ersatzteile für GHP 5-75 X | F016L72069
Hersteller: BOSCH
Artikelnummer: EB-3600J10870-F016L72069
Netto: 3,63 € zzgl. MwSt.
zzgl. 6,90 € Versand (brutto)
einmalig pro Bestellung

Lieferzeit: 5 Werktage

Pos.
141
BOSCH Adapter | Ersatzteile für GHP 5-75 X | F016L72070
Hersteller: BOSCH
Artikelnummer: EB-3600J10870-F016L72070
Netto: 9,18 € zzgl. MwSt.
zzgl. 6,90 € Versand (brutto)
einmalig pro Bestellung

Lieferzeit: 5 Werktage

Pos.
142
BOSCH Adapter | Ersatzteile für GHP 5-75 X | F016L72071
Hersteller: BOSCH
Artikelnummer: EB-3600J10870-F016L72071
Netto: 9,95 € zzgl. MwSt.
zzgl. 6,90 € Versand (brutto)
einmalig pro Bestellung

Lieferzeit: 5 Werktage

Pos.
143
BOSCH Gewindebuchse | Ersatzteile für GHP 5-75 X | F016L72174
Hersteller: BOSCH
Artikelnummer: EB-3600J10870-F016L72174
Netto: 14,36 € zzgl. MwSt.
zzgl. 6,90 € Versand (brutto)
einmalig pro Bestellung

Lieferzeit: 5 Werktage

Pos.
145
BOSCH Kolben | Ersatzteile für GHP 5-75 X | F016L72031
Hersteller: BOSCH
Artikelnummer: EB-3600J10870-F016L72031
Netto: 14,36 € zzgl. MwSt.
zzgl. 6,90 € Versand (brutto)
einmalig pro Bestellung

Lieferzeit: 5 Werktage

Pos.
146
BOSCH Kolben | Ersatzteile für GHP 5-75 X | F016L72032
Hersteller: BOSCH
Artikelnummer: EB-3600J10870-F016L72032
Netto: 14,36 € zzgl. MwSt.
zzgl. 6,90 € Versand (brutto)
einmalig pro Bestellung

Lieferzeit: 5 Werktage

Pos.
147
BOSCH O-Ring | Ersatzteile für GHP 5-75 X | F016L72033
Hersteller: BOSCH
Artikelnummer: EB-3600J10870-F016L72033
Netto: 3,63 € zzgl. MwSt.
zzgl. 6,90 € Versand (brutto)
einmalig pro Bestellung

Lieferzeit: 5 Werktage

Pos.
148
BOSCH O-Ring | Ersatzteile für GHP 5-75 X | F016L72030
Hersteller: BOSCH
Artikelnummer: EB-3600J10870-F016L72030
Netto: 4,32 € zzgl. MwSt.
zzgl. 6,90 € Versand (brutto)
einmalig pro Bestellung

Lieferzeit: 5 Werktage

Pos.
149
BOSCH Distanzring | Ersatzteile für GHP 5-75 X | F016L72034
Hersteller: BOSCH
Artikelnummer: EB-3600J10870-F016L72034
Netto: 3,94 € zzgl. MwSt.
zzgl. 6,90 € Versand (brutto)
einmalig pro Bestellung

Lieferzeit: 5 Werktage

Pos.
152
BOSCH Kolbenführung | Ersatzteile für GHP 5-75 X | F016L72036
Hersteller: BOSCH
Artikelnummer: EB-3600J10870-F016L72036
Netto: 15,75 € zzgl. MwSt.
zzgl. 6,90 € Versand (brutto)
einmalig pro Bestellung

Lieferzeit: 5 Werktage

Pos.
153
BOSCH Taumelscheibe | Ersatzteile für GHP 5-75 X | F016L72037
Hersteller: BOSCH
Artikelnummer: EB-3600J10870-F016L72037
Netto: 5,67 € zzgl. MwSt.
zzgl. 6,90 € Versand (brutto)
einmalig pro Bestellung

Lieferzeit: 5 Werktage

Pos.
154
BOSCH Feder | Ersatzteile für GHP 5-75 X | F016L72038
Hersteller: BOSCH
Artikelnummer: EB-3600J10870-F016L72038
Netto: 6,15 € zzgl. MwSt.
zzgl. 6,90 € Versand (brutto)
einmalig pro Bestellung

Lieferzeit: 5 Werktage

Pos.
155
BOSCH Taumelscheibe | Ersatzteile für GHP 5-75 X | F016L72039
Hersteller: BOSCH
Artikelnummer: EB-3600J10870-F016L72039
Netto: 4,32 € zzgl. MwSt.
zzgl. 6,90 € Versand (brutto)
einmalig pro Bestellung

Lieferzeit: 5 Werktage

Pos.
156
BOSCH Steckerstift | Ersatzteile für GHP 5-75 X | F016L72040
Hersteller: BOSCH
Artikelnummer: EB-3600J10870-F016L72040
Netto: 3,94 € zzgl. MwSt.
zzgl. 6,90 € Versand (brutto)
einmalig pro Bestellung

Lieferzeit: 5 Werktage

Pos.
157
BOSCH Einsatz | Ersatzteile für GHP 5-75 X | F016L72041
Hersteller: BOSCH
Artikelnummer: EB-3600J10870-F016L72041
Netto: 14,36 € zzgl. MwSt.
zzgl. 6,90 € Versand (brutto)
einmalig pro Bestellung

Lieferzeit: 5 Werktage

Pos.
158
BOSCH Verschlussstopfen | Ersatzteile für GHP 5-75 X | F016L72042
Hersteller: BOSCH
Artikelnummer: EB-3600J10870-F016L72042
Netto: 3,63 € zzgl. MwSt.
zzgl. 6,90 € Versand (brutto)
einmalig pro Bestellung

Lieferzeit: 5 Werktage

Pos.
159
BOSCH Mutter | Ersatzteile für GHP 5-75 X | F016L72043
Hersteller: BOSCH
Artikelnummer: EB-3600J10870-F016L72043
Netto: 3,63 € zzgl. MwSt.
zzgl. 6,90 € Versand (brutto)
einmalig pro Bestellung

Lieferzeit: 5 Werktage

Pos.
160
BOSCH Knopf | Ersatzteile für GHP 5-75 X | F016L73290
Hersteller: BOSCH
Artikelnummer: EB-3600J10870-F016L73290
nur Informationsartikel
Nie mehr lieferbar
keine Alternativen
Pos.
161
BOSCH Ventil | Ersatzteile für GHP 5-75 X | F016F04355
Hersteller: BOSCH
Artikelnummer: EB-3600J10870-F016F04355
Netto: 47,09 € zzgl. MwSt.
zzgl. 6,90 € Versand (brutto)
einmalig pro Bestellung

Lieferzeit: 5 Werktage

Pos.
162
BOSCH Pumpenkopf | Ersatzteile für GHP 5-75 X | F016L73333
Hersteller: BOSCH
Artikelnummer: EB-3600J10870-F016L73333
nur Informationsartikel
Nie mehr lieferbar
keine Alternativen
Pos.
163
BOSCH Verschlussstopfen | Ersatzteile für GHP 5-75 X | F016L73362
Hersteller: BOSCH
Artikelnummer: EB-3600J10870-F016L73362
nur Informationsartikel
Nie mehr lieferbar
keine Alternativen
Pos.
164
BOSCH Klemmschelle | Ersatzteile für GHP 5-75 X | F016L73360
Hersteller: BOSCH
Artikelnummer: EB-3600J10870-F016L73360
nur Informationsartikel
Nie mehr lieferbar
keine Alternativen
Pos.
165
BOSCH O-Ring | Ersatzteile für GHP 5-75 X | F016L72219
Hersteller: BOSCH
Artikelnummer: EB-3600J10870-F016L72219
Netto: 3,63 € zzgl. MwSt.
zzgl. 6,90 € Versand (brutto)
einmalig pro Bestellung

Lieferzeit: 5 Werktage

Pos.
166
BOSCH O-Ring | Ersatzteile für GHP 5-75 X | F016L73709
Hersteller: BOSCH
Artikelnummer: EB-3600J10870-F016L73709
nur Informationsartikel
Nie mehr lieferbar
keine Alternativen
Pos.
401
BOSCH Kugellager | Ersatzteile für GHP 5-75 X | F016L72144
Hersteller: BOSCH
Artikelnummer: EB-3600J10870-F016L72144
Netto: 14,36 € zzgl. MwSt.
zzgl. 6,90 € Versand (brutto)
einmalig pro Bestellung

Lieferzeit: 5 Werktage

Pos.
402
BOSCH Taumelscheibe | Ersatzteile für GHP 5-75 X | F016L72176
Hersteller: BOSCH
Artikelnummer: EB-3600J10870-F016L72176
Netto: 9,95 € zzgl. MwSt.
zzgl. 6,90 € Versand (brutto)
einmalig pro Bestellung

Lieferzeit: 5 Werktage

Pos.
403
BOSCH Kugellager | Ersatzteile für GHP 5-75 X | F016L72146
Hersteller: BOSCH
Artikelnummer: EB-3600J10870-F016L72146
Netto: 15,75 € zzgl. MwSt.
zzgl. 6,90 € Versand (brutto)
einmalig pro Bestellung

Lieferzeit: 5 Werktage

Pos.
404
BOSCH Radial-Wellendichtring | Ersatzteile für GHP 5-75 X | F016L73063
Hersteller: BOSCH
Artikelnummer: EB-3600J10870-F016L73063
nur Informationsartikel
Nie mehr lieferbar
keine Alternativen
Pos.
405
BOSCH Schraube | Ersatzteile für GHP 5-75 X | F016L72177
Hersteller: BOSCH
Artikelnummer: EB-3600J10870-F016L72177
Netto: 4,82 € zzgl. MwSt.
zzgl. 6,90 € Versand (brutto)
einmalig pro Bestellung

Lieferzeit: 5 Werktage

Pos.
406
BOSCH Pumpe | Ersatzteile für GHP 5-75 X | F016L72149
Hersteller: BOSCH
Artikelnummer: EB-3600J10870-F016L72149
Netto: 19,18 € zzgl. MwSt.
zzgl. 6,90 € Versand (brutto)
einmalig pro Bestellung

Lieferzeit: 5 Werktage

Pos.
406
BOSCH Pumpengehäuse | Ersatzteile für GHP 5-75X | F016L73064
Hersteller: BOSCH
Artikelnummer: EB-3600J10870-F016L73064
Netto: 17,38 € zzgl. MwSt.
zzgl. 6,90 € Versand (brutto)
einmalig pro Bestellung

Lieferzeit: 5 Werktage

Pos.
407
BOSCH Kugellager | Ersatzteile für GHP 5-75 X | F016L72150
Hersteller: BOSCH
Artikelnummer: EB-3600J10870-F016L72150
Netto: 10,92 € zzgl. MwSt.
zzgl. 6,90 € Versand (brutto)
einmalig pro Bestellung

Lieferzeit: 5 Werktage

Pos.
408
BOSCH Abdeckung | Ersatzteile für GHP 5-75 X | F016L72151
Hersteller: BOSCH
Artikelnummer: EB-3600J10870-F016L72151
Netto: 15,75 € zzgl. MwSt.
zzgl. 6,90 € Versand (brutto)
einmalig pro Bestellung

Lieferzeit: 5 Werktage

Pos.
409
BOSCH Dichtung | Ersatzteile für GHP 5-75 X | F016L72152
Hersteller: BOSCH
Artikelnummer: EB-3600J10870-F016L72152
Netto: 4,32 € zzgl. MwSt.
zzgl. 6,90 € Versand (brutto)
einmalig pro Bestellung

Lieferzeit: 5 Werktage

Pos.
410
BOSCH O-Ring | Ersatzteile für GHP 5-75 X | F016L72153
Hersteller: BOSCH
Artikelnummer: EB-3600J10870-F016L72153
Netto: 3,63 € zzgl. MwSt.
zzgl. 6,90 € Versand (brutto)
einmalig pro Bestellung

Lieferzeit: 5 Werktage

Pos.
411
BOSCH Lüfter | Ersatzteile für GHP 5-75 X | F016L72154
Hersteller: BOSCH
Artikelnummer: EB-3600J10870-F016L72154
Netto: 9,18 € zzgl. MwSt.
zzgl. 6,90 € Versand (brutto)
einmalig pro Bestellung

Lieferzeit: 5 Werktage

Pos.
412
BOSCH Luftkanal | Ersatzteile für GHP 5-75 X | F016L73065
Hersteller: BOSCH
Artikelnummer: EB-3600J10870-F016L73065
nur Informationsartikel
Nie mehr lieferbar
keine Alternativen
Pos.
413
BOSCH Unterlegscheibe | Ersatzteile für GHP 5-75 X | F016L72156
Hersteller: BOSCH
Artikelnummer: EB-3600J10870-F016L72156
Netto: 3,63 € zzgl. MwSt.
zzgl. 6,90 € Versand (brutto)
einmalig pro Bestellung

Lieferzeit: 5 Werktage

Pos.
414
BOSCH Schraube | Ersatzteile für GHP 5-75 X | F016L72157
Hersteller: BOSCH
Artikelnummer: EB-3600J10870-F016L72157
Netto: 3,63 € zzgl. MwSt.
zzgl. 6,90 € Versand (brutto)
einmalig pro Bestellung

Lieferzeit: 5 Werktage

Pos.
415
BOSCH O-Ring | Ersatzteile für GHP 5-75 X | F016L72158
Hersteller: BOSCH
Artikelnummer: EB-3600J10870-F016L72158
Netto: 3,63 € zzgl. MwSt.
zzgl. 6,90 € Versand (brutto)
einmalig pro Bestellung

Lieferzeit: 5 Werktage

Pos.
416
BOSCH Gehäuse | Ersatzteile für GHP 5-75 X | F016L72159
Hersteller: BOSCH
Artikelnummer: EB-3600J10870-F016L72159
Netto: 8,33 € zzgl. MwSt.
zzgl. 6,90 € Versand (brutto)
einmalig pro Bestellung

Lieferzeit: 5 Werktage

Pos.
417
BOSCH Unterlegscheibe | Ersatzteile für GHP 5-75 X | F016L72160
Hersteller: BOSCH
Artikelnummer: EB-3600J10870-F016L72160
Netto: 3,63 € zzgl. MwSt.
zzgl. 6,90 € Versand (brutto)
einmalig pro Bestellung

Lieferzeit: 5 Werktage

Pos.
418
BOSCH Schraube | Ersatzteile für GHP 5-75 X | F016L72161
Hersteller: BOSCH
Artikelnummer: EB-3600J10870-F016L72161
Netto: 3,63 € zzgl. MwSt.
zzgl. 6,90 € Versand (brutto)
einmalig pro Bestellung

Lieferzeit: 5 Werktage

Pos.
419
BOSCH Abdeckung | Ersatzteile für GHP 5-75 X | F016L73339
Hersteller: BOSCH
Artikelnummer: EB-3600J10870-F016L73339
nur Informationsartikel
Nie mehr lieferbar
keine Alternativen
Pos.
420
BOSCH Schalter | Ersatzteile für GHP 5-75 X | F016L72087
Hersteller: BOSCH
Artikelnummer: EB-3600J10870-F016L72087
Netto: 14,36 € zzgl. MwSt.
zzgl. 6,90 € Versand (brutto)
einmalig pro Bestellung

Lieferzeit: 5 Werktage

Pos.
421
BOSCH Tülle | Ersatzteile für GHP 5-75 X | F016L72092
Hersteller: BOSCH
Artikelnummer: EB-3600J10870-F016L72092
Netto: 6,15 € zzgl. MwSt.
zzgl. 6,90 € Versand (brutto)
einmalig pro Bestellung

Lieferzeit: 5 Werktage

Pos.
422
BOSCH Netzanschlussleitung | Ersatzteile für GHP 5-75 X | F016L73341
Hersteller: BOSCH
Artikelnummer: EB-3600J10870-F016L73341
nur Informationsartikel
Nie mehr lieferbar
keine Alternativen
Pos.
423
BOSCH O-Ring | Ersatzteile für GHP 5-75 X | F016L72163
Hersteller: BOSCH
Artikelnummer: EB-3600J10870-F016L72163
Netto: 3,94 € zzgl. MwSt.
zzgl. 6,90 € Versand (brutto)
einmalig pro Bestellung

Lieferzeit: 5 Werktage

Pos.
424
BOSCH Kondensator | Ersatzteile für GHP 5-75 X | F016F05927
Hersteller: BOSCH
Artikelnummer: EB-3600J10870-F016F05927
Netto: 15,75 € zzgl. MwSt.
zzgl. 6,90 € Versand (brutto)
einmalig pro Bestellung

Lieferzeit: 5 Werktage

Pos.
425
BOSCH Elektromotor | Ersatzteile für GHP 5-75 X | F016L73366
Hersteller: BOSCH
Artikelnummer: EB-3600J10870-F016L73366
nur Informationsartikel
Nie mehr lieferbar
keine Alternativen
Pos.
426
BOSCH Klemmschelle | Ersatzteile für GHP 5-75 X | F016L72094
Hersteller: BOSCH
Artikelnummer: EB-3600J10870-F016L72094
Netto: 8,33 € zzgl. MwSt.
zzgl. 6,90 € Versand (brutto)
einmalig pro Bestellung

Lieferzeit: 5 Werktage

Pos.
427
BOSCH Elektronik-Modul | Ersatzteile für GHP 5-75 X | F016L72093
Hersteller: BOSCH
Artikelnummer: EB-3600J10870-F016L72093
Netto: 17,38 € zzgl. MwSt.
zzgl. 6,90 € Versand (brutto)
einmalig pro Bestellung

Lieferzeit: 5 Werktage

Pos.
428
BOSCH Schraube | Ersatzteile für GHP 5-75 X | F016L72086
Hersteller: BOSCH
Artikelnummer: EB-3600J10870-F016L72086
Netto: 3,63 € zzgl. MwSt.
zzgl. 6,90 € Versand (brutto)
einmalig pro Bestellung

Lieferzeit: 5 Werktage

Pos.
429
BOSCH Tülle | Ersatzteile für GHP 5-75 X | F016L72096
Hersteller: BOSCH
Artikelnummer: EB-3600J10870-F016L72096
Netto: 6,15 € zzgl. MwSt.
zzgl. 6,90 € Versand (brutto)
einmalig pro Bestellung

Lieferzeit: 5 Werktage

Pos.
430
BOSCH O-Ring | Ersatzteile für GHP 5-75 X | F016L72260
Hersteller: BOSCH
Artikelnummer: EB-3600J10870-F016L72260
Netto: 6,70 € zzgl. MwSt.
zzgl. 6,90 € Versand (brutto)
einmalig pro Bestellung

Lieferzeit: 5 Werktage

Pos.
431
BOSCH O-Ring | Ersatzteile für GHP 5-75 X | F016L73343
Hersteller: BOSCH
Artikelnummer: EB-3600J10870-F016L73343
nur Informationsartikel
Nie mehr lieferbar
keine Alternativen
Pos.
501
BOSCH Abdeckung | Ersatzteile für GHP 5-75 X | F016L73367
Hersteller: BOSCH
Artikelnummer: EB-3600J10870-F016L73367
nur Informationsartikel
Nie mehr lieferbar
keine Alternativen
Pos.
502
BOSCH Ring | Ersatzteile für GHP 5-75 X | F016L73368
Hersteller: BOSCH
Artikelnummer: EB-3600J10870-F016L73368
nur Informationsartikel
Nie mehr lieferbar
keine Alternativen
Pos.
503
BOSCH Adapter | Ersatzteile für GHP 5-75 X | F016L73369
Hersteller: BOSCH
Artikelnummer: EB-3600J10870-F016L73369
nur Informationsartikel
Nie mehr lieferbar
keine Alternativen
Pos.
504
BOSCH Klemmschelle | Ersatzteile für GHP 5-75 X | F016L73370
Hersteller: BOSCH
Artikelnummer: EB-3600J10870-F016L73370
nur Informationsartikel
Nie mehr lieferbar
keine Alternativen
Pos.
505
BOSCH Abdeckung | Ersatzteile für GHP 5-75 X | F016L73371
Hersteller: BOSCH
Artikelnummer: EB-3600J10870-F016L73371
nur Informationsartikel
Nie mehr lieferbar
keine Alternativen
Pos.
506
BOSCH Abdeckung | Ersatzteile für GHP 5-75 X | F016L73372
Hersteller: BOSCH
Artikelnummer: EB-3600J10870-F016L73372
nur Informationsartikel
Nie mehr lieferbar
keine Alternativen
Pos.
507
BOSCH Schraube | Ersatzteile für GHP 5-75 X | F016L73373
Hersteller: BOSCH
Artikelnummer: EB-3600J10870-F016L73373
nur Informationsartikel
Nie mehr lieferbar
keine Alternativen
Pos.
508
BOSCH Abdeckung | Ersatzteile für GHP 5-75 X | F016L73374
Hersteller: BOSCH
Artikelnummer: EB-3600J10870-F016L73374
nur Informationsartikel
Nie mehr lieferbar
keine Alternativen
Pos.
509
BOSCH O-Ring | Ersatzteile für GHP 5-75 X | F016L72101
Hersteller: BOSCH
Artikelnummer: EB-3600J10870-F016L72101
Netto: 3,63 € zzgl. MwSt.
zzgl. 6,90 € Versand (brutto)
einmalig pro Bestellung

Lieferzeit: 5 Werktage

Pos.
510
BOSCH Adapter | Ersatzteile für GHP 5-75 X | F016L73375
Hersteller: BOSCH
Artikelnummer: EB-3600J10870-F016L73375
nur Informationsartikel
Nie mehr lieferbar
keine Alternativen
Pos.
511
BOSCH Ring | Ersatzteile für GHP 5-75 X | F016L72286
Hersteller: BOSCH
Artikelnummer: EB-3600J10870-F016L72286
Netto: 3,63 € zzgl. MwSt.
zzgl. 6,90 € Versand (brutto)
einmalig pro Bestellung

Lieferzeit: 5 Werktage

Pos.
512
BOSCH Hochdruckschlauch | Ersatzteile für GHP 5-75 X | F016L73376
Hersteller: BOSCH
Artikelnummer: EB-3600J10870-F016L73376
nur Informationsartikel
Nie mehr lieferbar
keine Alternativen
Pos.
513
BOSCH Abdeckung | Ersatzteile für GHP 5-75 X | F016L73377
Hersteller: BOSCH
Artikelnummer: EB-3600J10870-F016L73377
nur Informationsartikel
Nie mehr lieferbar
keine Alternativen
Pos.
514
BOSCH Nabe | Ersatzteile für GHP 5-75 X | F016L73378
Hersteller: BOSCH
Artikelnummer: EB-3600J10870-F016L73378
nur Informationsartikel
Nie mehr lieferbar
keine Alternativen
Pos.
516
BOSCH Haken | Ersatzteile für GHP 5-75 X | F016L72282
Hersteller: BOSCH
Artikelnummer: EB-3600J10870-F016L72282
Netto: 7,30 € zzgl. MwSt.
zzgl. 6,90 € Versand (brutto)
einmalig pro Bestellung

Lieferzeit: 5 Werktage

Pos.
517
BOSCH Hebel | Ersatzteile für GHP 5-75 X | F016L73379
Hersteller: BOSCH
Artikelnummer: EB-3600J10870-F016L73379
nur Informationsartikel
Nie mehr lieferbar
keine Alternativen
Pos.
518
BOSCH Schraube | Ersatzteile für GHP 5-75 X | F016L72203
Hersteller: BOSCH
Artikelnummer: EB-3600J10870-F016L72203
Netto: 3,63 € zzgl. MwSt.
zzgl. 6,90 € Versand (brutto)
einmalig pro Bestellung

Lieferzeit: 5 Werktage

Pos.
519
BOSCH Knopf | Ersatzteile für GHP 5-75 X | F016L73380
Hersteller: BOSCH
Artikelnummer: EB-3600J10870-F016L73380
nur Informationsartikel
Nie mehr lieferbar
keine Alternativen
Pos.
520
BOSCH Hochdruckschlauch | Ersatzteile für GHP 5-75 X | F016L73381
Hersteller: BOSCH
Artikelnummer: EB-3600J10870-F016L73381
nur Informationsartikel
Nie mehr lieferbar
keine Alternativen
Pos.
521
BOSCH Schlauchtrommel | Ersatzteile für GHP 5-75 X | F016L73382
Hersteller: BOSCH
Artikelnummer: EB-3600J10870-F016L73382
nur Informationsartikel
Nie mehr lieferbar
keine Alternativen
Pos.
601
BOSCH Handgriff | Ersatzteile für GHP 5-75 X | F016L73068
Hersteller: BOSCH
Artikelnummer: EB-3600J10870-F016L73068
nur Informationsartikel
Nie mehr lieferbar
keine Alternativen
Pos.
602
BOSCH Strahlrohr | Ersatzteile für GHP 5-75 X | F016L73327
Hersteller: BOSCH
Artikelnummer: EB-3600J10870-F016L73327
nur Informationsartikel
Nie mehr lieferbar
keine Alternativen
Pos.
603
BOSCH Strahlrohr | Ersatzteile für GHP 5-75 X | F016L73384
Hersteller: BOSCH
Artikelnummer: EB-3600J10870-F016L73384
nur Informationsartikel
Nie mehr lieferbar
keine Alternativen
Pos.
611
BOSCH Durchführungsfilter | Ersatzteile für GHP 5-75 X | F016L73351
Hersteller: BOSCH
Artikelnummer: EB-3600J10870-F016L73351
nur Informationsartikel
Nie mehr lieferbar
keine Alternativen
Pos.
612
BOSCH Durchführungsfilter | Ersatzteile für GHP 5-75 X | F016L73352
Hersteller: BOSCH
Artikelnummer: EB-3600J10870-F016L73352
nur Informationsartikel
Nie mehr lieferbar
keine Alternativen
Pos.
814
BOSCH Dichtung | Ersatzteile für GHP 5-75 X | F016F04324
Hersteller: BOSCH
Artikelnummer: EB-3600J10870-F016F04324
Netto: 12,98 € zzgl. MwSt.
zzgl. 6,90 € Versand (brutto)
einmalig pro Bestellung

Lieferzeit: 5 Werktage

Pos.
880
BOSCH Verschleissteilsatz | Ersatzteile für GHP 5-75 X | F016L73319
Hersteller: BOSCH
Artikelnummer: EB-3600J10870-F016L73319
nur Informationsartikel
Nie mehr lieferbar
keine Alternativen

Angaben zur Produktsicherheit

Hersteller:
Robert Bosch Power Tools GmbH
Postfach 30 02 20
70442 Stuttgart

E-Mail:
kontakt@bosch.de