BOSCH Typschild | Ersatzteile für GKF 18V-8 UNI baretool | 1617S020RD

Artikelnummer: EB-3601FC2000-1617S020RD

Position: 808

Marke: BOSCH


Bitte Kompatibilität prüfen!

Bitte prüfen Sie unbedingt die 10-stellige Typennummer Ihrer Maschine / Ihres Gerätes. Das Ersatzteil ist nur kompatibel, wenn Sie die Typennummer Ihrer Maschine in der unten stehenden Produktbeschreibung finden.

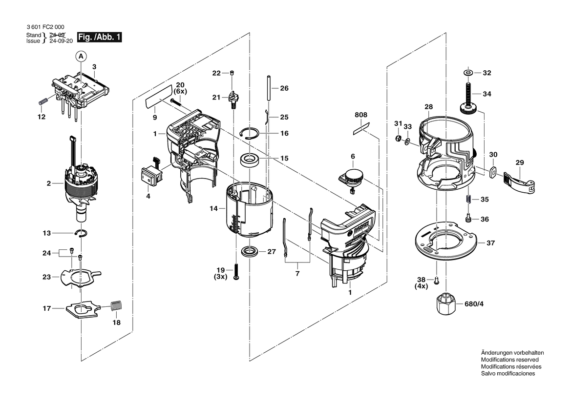
Bitte prüfen Sie ebenfalls detailliert die Explosionszeichnung mit Ihrem Artikelwunsch und der jeweiligen Pos-Nummer.

Alle Elemente, welche vom schwarzen Strich der Pos-Nummer ausgehend berührt / erfasst werden, gehören zu dieser Pos-Nummer und somit zu diesem Artikel. Jede Pos-Nummer ist ein eigenständiger Artikel, welchen Sie in der Auflistung finden.

Sie erhalten stets die aktuellste, neueste Produktversion zu der gewählten Pos-Nummer seitens des Herstellers. Es kann daher je nach Gerätealter vorkommen, dass Sie ggf. weitere, zugehörige Elemente, welche an diese Pos-Nummer grenzen, ebenfalls mittauschen müssen.

Nähere Informationen finden Sie unter dem Link
Hinweise zu Ihrer BOSCH Ersatzteilsuche

Preisübersicht

Einzelpreis: 4,53 €* (Brutto: 5,39 €)
Gesamtpreis: 4,53 €* 
Position:

Lieferzeit: 5 Werktage


Beschreibung

  • Typschild
  • Original Bosch Zubehör / BOSCH Ersatzteil (1617S020RD)
  • im Gerät verbaut: 1
Dieses BOSCH Ersatzteil ist mit folgendem Gerät und Modell kompatibel:
  • BOSCH Gerätename: GKF 18V-8 UNI baretool
  • BOSCH Explosionszeichnung: Position 808
  • BOSCH Typennummer: 3601FC2000
  • BOSCH Typennummer alternative Schreibweisen: 3 601 FC2 000, 3601 FC2 000, 3.601.FC2.000, 3-601-FC2-000
    Bitte prüfen Sie diese Typennummer auf Ihrem Gerät um die Kompatibilität des BOSCH Ersatzteils zu gewährleisten.
Weitere BOSCH Ersatzteile des Gerätes GKF 18V-8 UNI baretool (Oberfräse) mit der Typennummer 3601FC2000 finden Sie in der nachfolgenden Darstellung und im Dropdown zu Ihrer Auswahl:

Pos.
1
BOSCH Gehäuse | Ersatzteile für GKF 18V-8 UNI baretool | 1617S020KR
Hersteller: BOSCH
Artikelnummer: EB-3601FC2000-1617S020KR
Netto: 11,92 € zzgl. MwSt.
zzgl. 6,90 € Versand (brutto)
einmalig pro Bestellung

Lieferzeit: 5 Werktage

Pos.
680/3
BOSCH Unterlegscheibe DIN 125-A 6,4-ST | Ersatzteile für GKF 18V-8 UNI baretool | 2916011014
Hersteller: BOSCH
Artikelnummer: EB-3601FC2000-2916011014
Netto: 3,63 € zzgl. MwSt.
zzgl. 6,90 € Versand (brutto)
einmalig pro Bestellung

Lieferzeit: 5 Werktage

Pos.
680/4
BOSCH Schraubhülse 8,0 Ø | Ersatzteile für GKF 18V-8 UNI baretool | 2609199145
Hersteller: BOSCH
Artikelnummer: EB-3601FC2000-2609199145
Netto: 17,38 € zzgl. MwSt.
zzgl. 6,90 € Versand (brutto)
einmalig pro Bestellung

Lieferzeit: 5 Werktage

Pos.
2
BOSCH Gleichstrommotor | Ersatzteile für GKF 18V-8 UNI baretool | 1617S020KS
Hersteller: BOSCH
Artikelnummer: EB-3601FC2000-1617S020KS
Netto: 47,09 € zzgl. MwSt.
zzgl. 6,90 € Versand (brutto)
einmalig pro Bestellung

Lieferzeit: 5 Werktage

Pos.
3
BOSCH EL-Baugruppe | Ersatzteile für GKF 18V-8 UNI baretool | 1617S020KT
Hersteller: BOSCH
Artikelnummer: EB-3601FC2000-1617S020KT
Netto: 52,14 € zzgl. MwSt.
zzgl. 6,90 € Versand (brutto)
einmalig pro Bestellung

Lieferzeit: 5 Werktage

Pos.
4
BOSCH Hauptschalter | Ersatzteile für GKF 18V-8 UNI baretool | 1617S020KU
Hersteller: BOSCH
Artikelnummer: EB-3601FC2000-1617S020KU
Netto: 12,98 € zzgl. MwSt.
zzgl. 6,90 € Versand (brutto)
einmalig pro Bestellung

Lieferzeit: 5 Werktage

Pos.
6
BOSCH EL-Baugruppe | Ersatzteile für GKF 18V-8 UNI baretool | 1617S020KV
Hersteller: BOSCH
Artikelnummer: EB-3601FC2000-1617S020KV
Netto: 5,19 € zzgl. MwSt.
zzgl. 6,90 € Versand (brutto)
einmalig pro Bestellung

Lieferzeit: 5 Werktage

Pos.
7
BOSCH LED-Modul | Ersatzteile für GKF 18V-8 UNI baretool | 1617S020KW
Hersteller: BOSCH
Artikelnummer: EB-3601FC2000-1617S020KW
Netto: 7,30 € zzgl. MwSt.
zzgl. 6,90 € Versand (brutto)
einmalig pro Bestellung

Lieferzeit: 5 Werktage

Pos.
9
BOSCH Firmenschild | Ersatzteile für GKF 18V-8 UNI baretool | 1617S020KX
Hersteller: BOSCH
Artikelnummer: EB-3601FC2000-1617S020KX
Netto: 5,19 € zzgl. MwSt.
zzgl. 6,90 € Versand (brutto)
einmalig pro Bestellung

Lieferzeit: 5 Werktage

Pos.
12
BOSCH Druckfeder | Ersatzteile für GKF 18V-8 UNI baretool | 1609280477
Hersteller: BOSCH
Artikelnummer: EB-3601FC2000-1609280477
Netto: 3,94 € zzgl. MwSt.
zzgl. 6,90 € Versand (brutto)
einmalig pro Bestellung

Lieferzeit: 5 Werktage

Pos.
13
BOSCH Sicherungsring | Ersatzteile für GKF 18V-8 UNI baretool | 1617S020KY
Hersteller: BOSCH
Artikelnummer: EB-3601FC2000-1617S020KY
Netto: 4,32 € zzgl. MwSt.
zzgl. 6,90 € Versand (brutto)
einmalig pro Bestellung

Lieferzeit: 5 Werktage

Pos.
14
BOSCH Lagerflansch | Ersatzteile für GKF 18V-8 UNI baretool | 1617S020KZ
Hersteller: BOSCH
Artikelnummer: EB-3601FC2000-1617S020KZ
Netto: 32,74 € zzgl. MwSt.
zzgl. 6,90 € Versand (brutto)
einmalig pro Bestellung

Lieferzeit: 5 Werktage

Pos.
15
BOSCH Kugellager | Ersatzteile für GKF 18V-8 UNI baretool | 2609110606
Hersteller: BOSCH
Artikelnummer: EB-3601FC2000-2609110606
Netto: 9,95 € zzgl. MwSt.
zzgl. 6,90 € Versand (brutto)
einmalig pro Bestellung

Lieferzeit: 5 Werktage

Pos.
16
BOSCH Sicherungsring | Ersatzteile für GKF 18V-8 UNI baretool | 1617S020L0
Hersteller: BOSCH
Artikelnummer: EB-3601FC2000-1617S020L0
Netto: 5,67 € zzgl. MwSt.
zzgl. 6,90 € Versand (brutto)
einmalig pro Bestellung

Lieferzeit: 5 Werktage

Pos.
17
BOSCH Verriegelungsplatte | Ersatzteile für GKF 18V-8 UNI baretool | 1617S020L1
Hersteller: BOSCH
Artikelnummer: EB-3601FC2000-1617S020L1
Netto: 6,15 € zzgl. MwSt.
zzgl. 6,90 € Versand (brutto)
einmalig pro Bestellung

Lieferzeit: 5 Werktage

Pos.
18
BOSCH Feder | Ersatzteile für GKF 18V-8 UNI baretool | 1617S020L2
Hersteller: BOSCH
Artikelnummer: EB-3601FC2000-1617S020L2
Netto: 4,53 € zzgl. MwSt.
zzgl. 6,90 € Versand (brutto)
einmalig pro Bestellung

Lieferzeit: 5 Werktage

Pos.
19
BOSCH Torx-Linsenschraube 4X25 | Ersatzteile für GKF 18V-8 UNI baretool | 2603490024
Hersteller: BOSCH
Artikelnummer: EB-3601FC2000-2603490024
Netto: 3,94 € zzgl. MwSt.
zzgl. 6,90 € Versand (brutto)
einmalig pro Bestellung

Lieferzeit: 5 Werktage

Pos.
20
BOSCH Torx-Linsenschraube 3X18 | Ersatzteile für GKF 18V-8 UNI baretool | 2603490018
Hersteller: BOSCH
Artikelnummer: EB-3601FC2000-2603490018
Netto: 3,63 € zzgl. MwSt.
zzgl. 6,90 € Versand (brutto)
einmalig pro Bestellung

Lieferzeit: 5 Werktage

Pos.
21
BOSCH Sperrschieber | Ersatzteile für GKF 18V-8 UNI baretool | 1617S020L3
Hersteller: BOSCH
Artikelnummer: EB-3601FC2000-1617S020L3
Netto: 6,15 € zzgl. MwSt.
zzgl. 6,90 € Versand (brutto)
einmalig pro Bestellung

Lieferzeit: 5 Werktage

Pos.
22
BOSCH Rastkappe | Ersatzteile für GKF 18V-8 UNI baretool | 1617S020L4
Hersteller: BOSCH
Artikelnummer: EB-3601FC2000-1617S020L4
Netto: 5,19 € zzgl. MwSt.
zzgl. 6,90 € Versand (brutto)
einmalig pro Bestellung

Lieferzeit: 5 Werktage

Pos.
23
BOSCH Führungsplatte | Ersatzteile für GKF 18V-8 UNI baretool | 1617S020L5
Hersteller: BOSCH
Artikelnummer: EB-3601FC2000-1617S020L5
Netto: 6,70 € zzgl. MwSt.
zzgl. 6,90 € Versand (brutto)
einmalig pro Bestellung

Lieferzeit: 5 Werktage

Pos.
24
BOSCH Schraube | Ersatzteile für GKF 18V-8 UNI baretool | 1617S020L8
Hersteller: BOSCH
Artikelnummer: EB-3601FC2000-1617S020L8
Netto: 4,32 € zzgl. MwSt.
zzgl. 6,90 € Versand (brutto)
einmalig pro Bestellung

Lieferzeit: 5 Werktage

Pos.
25
BOSCH Federblech | Ersatzteile für GKF 18V-8 UNI baretool | 1617S020L9
Hersteller: BOSCH
Artikelnummer: EB-3601FC2000-1617S020L9
Netto: 7,30 € zzgl. MwSt.
zzgl. 6,90 € Versand (brutto)
einmalig pro Bestellung

Lieferzeit: 5 Werktage

Pos.
26
BOSCH Pin | Ersatzteile für GKF 18V-8 UNI baretool | 1617S020LA
Hersteller: BOSCH
Artikelnummer: EB-3601FC2000-1617S020LA
Netto: 5,19 € zzgl. MwSt.
zzgl. 6,90 € Versand (brutto)
einmalig pro Bestellung

Lieferzeit: 5 Werktage

Pos.
27
BOSCH Sicherungsmutter | Ersatzteile für GKF 18V-8 UNI baretool | 2609110253
Hersteller: BOSCH
Artikelnummer: EB-3601FC2000-2609110253
Netto: 4,53 € zzgl. MwSt.
zzgl. 6,90 € Versand (brutto)
einmalig pro Bestellung

Lieferzeit: 5 Werktage

Pos.
28
BOSCH Sockel | Ersatzteile für GKF 18V-8 UNI baretool | 1617S020LB
Hersteller: BOSCH
Artikelnummer: EB-3601FC2000-1617S020LB
Netto: 35,77 € zzgl. MwSt.
zzgl. 6,90 € Versand (brutto)
einmalig pro Bestellung

Lieferzeit: 40 Werktage

Pos.
29
BOSCH Klemmhebel | Ersatzteile für GKF 18V-8 UNI baretool | 1617S020LC
Hersteller: BOSCH
Artikelnummer: EB-3601FC2000-1617S020LC
Netto: 11,92 € zzgl. MwSt.
zzgl. 6,90 € Versand (brutto)
einmalig pro Bestellung

Lieferzeit: 5 Werktage

Pos.
30
BOSCH Scheibe | Ersatzteile für GKF 18V-8 UNI baretool | 1617S020LD
Hersteller: BOSCH
Artikelnummer: EB-3601FC2000-1617S020LD
Netto: 4,53 € zzgl. MwSt.
zzgl. 6,90 € Versand (brutto)
einmalig pro Bestellung

Lieferzeit: 5 Werktage

Pos.
31
BOSCH Sechskantmutter | Ersatzteile für GKF 18V-8 UNI baretool | 1617S020LE
Hersteller: BOSCH
Artikelnummer: EB-3601FC2000-1617S020LE
Netto: 4,32 € zzgl. MwSt.
zzgl. 6,90 € Versand (brutto)
einmalig pro Bestellung

Lieferzeit: 5 Werktage

Pos.
32
BOSCH Spannscheibe | Ersatzteile für GKF 18V-8 UNI baretool | 1617S020LF
Hersteller: BOSCH
Artikelnummer: EB-3601FC2000-1617S020LF
Netto: 5,67 € zzgl. MwSt.
zzgl. 6,90 € Versand (brutto)
einmalig pro Bestellung

Lieferzeit: 5 Werktage

Pos.
33
BOSCH Vorlegscheibe | Ersatzteile für GKF 18V-8 UNI baretool | 1617S020LG
Hersteller: BOSCH
Artikelnummer: EB-3601FC2000-1617S020LG
Netto: 4,53 € zzgl. MwSt.
zzgl. 6,90 € Versand (brutto)
einmalig pro Bestellung

Lieferzeit: 5 Werktage

Pos.
34
BOSCH Einstellschraube | Ersatzteile für GKF 18V-8 UNI baretool | 1617S020LH
Hersteller: BOSCH
Artikelnummer: EB-3601FC2000-1617S020LH
Netto: 15,75 € zzgl. MwSt.
zzgl. 6,90 € Versand (brutto)
einmalig pro Bestellung

Lieferzeit: 5 Werktage

Pos.
35
BOSCH Druckfeder | Ersatzteile für GKF 18V-8 UNI baretool | 1617S020LJ
Hersteller: BOSCH
Artikelnummer: EB-3601FC2000-1617S020LJ
Netto: 4,32 € zzgl. MwSt.
zzgl. 6,90 € Versand (brutto)
einmalig pro Bestellung

Lieferzeit: 5 Werktage

Pos.
36
BOSCH Bolzen | Ersatzteile für GKF 18V-8 UNI baretool | 1617S020LK
Hersteller: BOSCH
Artikelnummer: EB-3601FC2000-1617S020LK
Netto: 5,67 € zzgl. MwSt.
zzgl. 6,90 € Versand (brutto)
einmalig pro Bestellung

Lieferzeit: 5 Werktage

Pos.
37
BOSCH Grundplatte | Ersatzteile für GKF 18V-8 UNI baretool | 1617S020LL
Hersteller: BOSCH
Artikelnummer: EB-3601FC2000-1617S020LL
Netto: 6,70 € zzgl. MwSt.
zzgl. 6,90 € Versand (brutto)
einmalig pro Bestellung

Lieferzeit: 5 Werktage

Pos.
38
BOSCH Gewindefurchschraube M4X8 | Ersatzteile für GKF 18V-8 UNI baretool | 2603410048
Hersteller: BOSCH
Artikelnummer: EB-3601FC2000-2603410048
Netto: 3,94 € zzgl. MwSt.
zzgl. 6,90 € Versand (brutto)
einmalig pro Bestellung

Lieferzeit: 5 Werktage

Pos.
653
BOSCH Ladegerät | Ersatzteile für GKF 18V-8 UNI baretool | 2607225923
Hersteller: BOSCH
Artikelnummer: EB-3601FC2000-2607225923
Netto: 106,72 € zzgl. MwSt.
zzgl. 6,90 € Versand (brutto)
einmalig pro Bestellung

Lieferzeit: 5 Werktage

Pos.
653
BOSCH Ladegerät EU GAL 1880 CV 230/14,4-18V | Ersatzteile für GKF 18V-8 UNI baretool | 2607225921
Hersteller: BOSCH
Artikelnummer: EB-3601FC2000-2607225921
Netto: 106,72 € zzgl. MwSt.
zzgl. 6,90 € Versand (brutto)
einmalig pro Bestellung

Lieferzeit: 5 Werktage

Pos.
691
BOSCH Akku-Paket | Ersatzteile für GKF 18V-8 UNI baretool | 1607A350AN
Hersteller: BOSCH
Artikelnummer: EB-3601FC2000-1607A350AN
nur Informationsartikel
Nie mehr lieferbar
keine Alternativen
Pos.
808
BOSCH Typschild | Ersatzteile für GKF 18V-8 UNI baretool | 1617S020RD
Hersteller: BOSCH
Artikelnummer: EB-3601FC2000-1617S020RD
Netto: 4,53 € zzgl. MwSt.
zzgl. 6,90 € Versand (brutto)
einmalig pro Bestellung

Lieferzeit: 5 Werktage

Angaben zur Produktsicherheit

Hersteller:
Robert Bosch Power Tools GmbH
Postfach 30 02 20
70442 Stuttgart

E-Mail:
kontakt@bosch.de