BOSCH Führungsleiste | Ersatzteile für GKF 600 CE | 2608030008

Artikelnummer: EB-0601622730-2608030008

Position: 63

Marke: BOSCH


Bitte Kompatibilität prüfen!

Bitte prüfen Sie unbedingt die 10-stellige Typennummer Ihrer Maschine / Ihres Gerätes. Das Ersatzteil ist nur kompatibel, wenn Sie die Typennummer Ihrer Maschine in der unten stehenden Produktbeschreibung finden.

Bitte prüfen Sie ebenfalls detailliert die Explosionszeichnung mit Ihrem Artikelwunsch und der jeweiligen Pos-Nummer.

Alle Elemente, welche vom schwarzen Strich der Pos-Nummer ausgehend berührt / erfasst werden, gehören zu dieser Pos-Nummer und somit zu diesem Artikel. Jede Pos-Nummer ist ein eigenständiger Artikel, welchen Sie in der Auflistung finden.

Sie erhalten stets die aktuellste, neueste Produktversion zu der gewählten Pos-Nummer seitens des Herstellers. Es kann daher je nach Gerätealter vorkommen, dass Sie ggf. weitere, zugehörige Elemente, welche an diese Pos-Nummer grenzen, ebenfalls mittauschen müssen.

Nähere Informationen finden Sie unter dem Link
Hinweise zu Ihrer BOSCH Ersatzteilsuche

Preisübersicht

Einzelpreis: 3,60 €* (Brutto: 4,28 €)
Gesamtpreis: 3,60 €* 
Position:

Lieferzeit: 5 Werktage


Beschreibung

  • Führungsleiste
  • Original Bosch Zubehör / BOSCH Ersatzteil (2608030008)
  • im Gerät verbaut: 1
Dieses BOSCH Ersatzteil ist mit folgendem Gerät und Modell kompatibel:
  • BOSCH Gerätename: GKF 600 CE
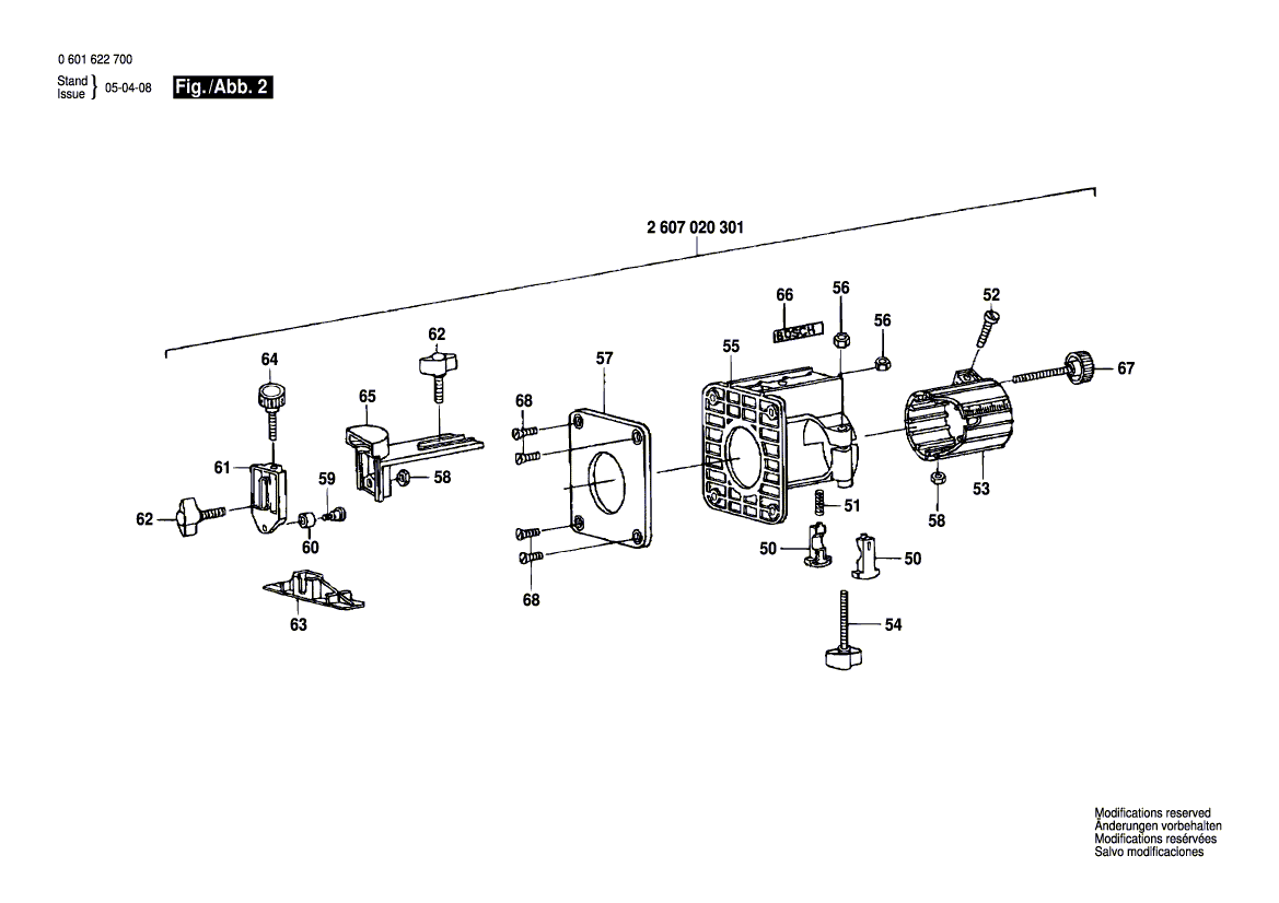
  • BOSCH Explosionszeichnung: Position 63
  • BOSCH Typennummer: 0601622730
  • BOSCH Typennummer alternative Schreibweisen: 0 601 622 730, 0601 622 730, 0.601.622.730, 0-601-622-730
    Bitte prüfen Sie diese Typennummer auf Ihrem Gerät um die Kompatibilität des BOSCH Ersatzteils zu gewährleisten.
Weitere BOSCH Ersatzteile des Gerätes GKF 600 CE (Kantenfräse) mit der Typennummer 0601622730 finden Sie in der nachfolgenden Darstellung und im Dropdown zu Ihrer Auswahl:

Pos.
1
BOSCH Spindelgehaeuse BLAU | Ersatzteile für GKF 600 CE | 2605806375
Hersteller: BOSCH
Artikelnummer: EB-0601622730-2605806375
nur Informationsartikel
Nie mehr lieferbar
keine Alternativen
Pos.
103/60
BOSCH Lüfter | Ersatzteile für GKF 600 CE | 2606610029
Hersteller: BOSCH
Artikelnummer: EB-0601622730-2606610029
Netto: 4,53 € zzgl. MwSt.
zzgl. 6,90 € Versand (brutto)
einmalig pro Bestellung

Lieferzeit: 5 Werktage

Pos.
2
BOSCH Überwurfmutter SW 17, Ø 18,5 MM | Ersatzteile für GKF 600 CE | 2603312006
Hersteller: BOSCH
Artikelnummer: EB-0601622730-2603312006
Netto: 7,30 € zzgl. MwSt.
zzgl. 6,90 € Versand (brutto)
einmalig pro Bestellung

Lieferzeit: 5 Werktage

Pos.
3
BOSCH Spannzange | Ersatzteile für GKF 600 CE | 2608570005
Hersteller: BOSCH
Artikelnummer: EB-0601622730-2608570005
nur Informationsartikel
Nie mehr lieferbar
keine Alternativen
Pos.
4
BOSCH Dichtbuchse | Ersatzteile für GKF 600 CE | 2600300073
Hersteller: BOSCH
Artikelnummer: EB-0601622730-2600300073
Netto: 7,30 € zzgl. MwSt.
zzgl. 6,90 € Versand (brutto)
einmalig pro Bestellung

Lieferzeit: 5 Werktage

Pos.
5
BOSCH Sicherungsbügel DIN 472-32x1,2 MM | Ersatzteile für GKF 600 CE | 2916660013
Hersteller: BOSCH
Artikelnummer: EB-0601622730-2916660013
Netto: 4,32 € zzgl. MwSt.
zzgl. 6,90 € Versand (brutto)
einmalig pro Bestellung

Lieferzeit: 5 Werktage

Pos.
6
BOSCH Sicherungsbügel DIN 471-15x1-FSt | Ersatzteile für GKF 600 CE | 2916650006
Hersteller: BOSCH
Artikelnummer: EB-0601622730-2916650006
Netto: 3,94 € zzgl. MwSt.
zzgl. 6,90 € Versand (brutto)
einmalig pro Bestellung

Lieferzeit: 5 Werktage

Pos.
7
BOSCH Tellerscheibe | Ersatzteile für GKF 600 CE | 2600500033
Hersteller: BOSCH
Artikelnummer: EB-0601622730-2600500033
nur Informationsartikel
Nie mehr lieferbar
keine Alternativen
Pos.
8
BOSCH Filzring | Ersatzteile für GKF 600 CE | 2600108033
Hersteller: BOSCH
Artikelnummer: EB-0601622730-2600108033
nur Informationsartikel
Nie mehr lieferbar
keine Alternativen
Pos.
9
BOSCH Torx-Linsenschraube 4x20 | Ersatzteile für GKF 600 CE | 2603490023
Hersteller: BOSCH
Artikelnummer: EB-0601622730-2603490023
Netto: 3,63 € zzgl. MwSt.
zzgl. 6,90 € Versand (brutto)
einmalig pro Bestellung

Lieferzeit: 5 Werktage

Pos.
10
BOSCH Rillenkugellager 15x32x9 | Ersatzteile für GKF 600 CE | 2600905017
Hersteller: BOSCH
Artikelnummer: EB-0601622730-2600905017
Netto: 9,18 € zzgl. MwSt.
zzgl. 6,90 € Versand (brutto)
einmalig pro Bestellung

Lieferzeit: 5 Werktage

Pos.
11
BOSCH Ausgleichscheibe 0,1 MM DICK | Ersatzteile für GKF 600 CE | 1600102626
Hersteller: BOSCH
Artikelnummer: EB-0601622730-1600102626
Netto: 4,32 € zzgl. MwSt.
zzgl. 6,90 € Versand (brutto)
einmalig pro Bestellung

Lieferzeit: 5 Werktage

Pos.
50
BOSCH Rastbolzen | Ersatzteile für GKF 600 CE | 2602305045
Hersteller: BOSCH
Artikelnummer: EB-0601622730-2602305045
nur Informationsartikel
Nie mehr lieferbar
keine Alternativen
Pos.
51
BOSCH Druckfeder | Ersatzteile für GKF 600 CE | 2604612003
Hersteller: BOSCH
Artikelnummer: EB-0601622730-2604612003
nur Informationsartikel
Nie mehr lieferbar
keine Alternativen
Pos.
52
BOSCH Zylinderschraube DIN 84-AM6x14-5.8 | Ersatzteile für GKF 600 CE | 2910011195
Hersteller: BOSCH
Artikelnummer: EB-0601622730-2910011195
nur Informationsartikel
Nie mehr lieferbar
keine Alternativen
Pos.
53
BOSCH Führungshülse | Ersatzteile für GKF 600 CE | 2608040022
Hersteller: BOSCH
Artikelnummer: EB-0601622730-2608040022
nur Informationsartikel
Nie mehr lieferbar
keine Alternativen
Pos.
54
BOSCH Flügelschraube | Ersatzteile für GKF 600 CE | 2603480002
Hersteller: BOSCH
Artikelnummer: EB-0601622730-2603480002
nur Informationsartikel
Nie mehr lieferbar
keine Alternativen
Pos.
55
BOSCH Gerätegehäuse | Ersatzteile für GKF 600 CE | 2608000008
Hersteller: BOSCH
Artikelnummer: EB-0601622730-2608000008
nur Informationsartikel
Nie mehr lieferbar
keine Alternativen
Pos.
56
BOSCH Sechskantmutter DIN 934-M6-8-A | Ersatzteile für GKF 600 CE | 2915011007
Hersteller: BOSCH
Artikelnummer: EB-0601622730-2915011007
Netto: 3,63 € zzgl. MwSt.
zzgl. 6,90 € Versand (brutto)
einmalig pro Bestellung

Lieferzeit: 5 Werktage

Pos.
57
BOSCH Abdeckplatte | Ersatzteile für GKF 600 CE | 2601039003
Hersteller: BOSCH
Artikelnummer: EB-0601622730-2601039003
nur Informationsartikel
Nie mehr lieferbar
keine Alternativen
Pos.
58
BOSCH Sechskantmutter DIN 439-AM6-04 | Ersatzteile für GKF 600 CE | 2915051106
Hersteller: BOSCH
Artikelnummer: EB-0601622730-2915051106
Netto: 3,60 € zzgl. MwSt.
zzgl. 6,90 € Versand (brutto)
einmalig pro Bestellung

Lieferzeit: 5 Werktage

Pos.
59
BOSCH Flachkopfschraube DIN 923-M4x5-5.8 | Ersatzteile für GKF 600 CE | 2910271115
Hersteller: BOSCH
Artikelnummer: EB-0601622730-2910271115
nur Informationsartikel
Nie mehr lieferbar
keine Alternativen
Pos.
60
BOSCH Führungsbuchse | Ersatzteile für GKF 600 CE | 2600328015
Hersteller: BOSCH
Artikelnummer: EB-0601622730-2600328015
nur Informationsartikel
Nie mehr lieferbar
keine Alternativen
Pos.
61
BOSCH Führungsarm | Ersatzteile für GKF 600 CE | 2608030004
Hersteller: BOSCH
Artikelnummer: EB-0601622730-2608030004
Netto: 6,86 € zzgl. MwSt.
zzgl. 6,90 € Versand (brutto)
einmalig pro Bestellung

Lieferzeit: 5 Werktage

Pos.
62
BOSCH Flügelschraube M6x20 MM | Ersatzteile für GKF 600 CE | 1613480008
Hersteller: BOSCH
Artikelnummer: EB-0601622730-1613480008
Netto: 3,94 € zzgl. MwSt.
zzgl. 6,90 € Versand (brutto)
einmalig pro Bestellung

Lieferzeit: 5 Werktage

Pos.
63
BOSCH Führungsleiste | Ersatzteile für GKF 600 CE | 2608030008
Hersteller: BOSCH
Artikelnummer: EB-0601622730-2608030008
Netto: 3,60 € zzgl. MwSt.
zzgl. 6,90 € Versand (brutto)
einmalig pro Bestellung

Lieferzeit: 5 Werktage

Pos.
64
BOSCH Rändelschraube | Ersatzteile für GKF 600 CE | 2603481017
Hersteller: BOSCH
Artikelnummer: EB-0601622730-2603481017
nur Informationsartikel
Nie mehr lieferbar
keine Alternativen
Pos.
65
BOSCH Führungsträger | Ersatzteile für GKF 600 CE | 2608010001
Hersteller: BOSCH
Artikelnummer: EB-0601622730-2608010001
nur Informationsartikel
Nie mehr lieferbar
keine Alternativen
Pos.
66
BOSCH Firmenschild | Ersatzteile für GKF 600 CE | 2601110601
Hersteller: BOSCH
Artikelnummer: EB-0601622730-2601110601
nur Informationsartikel
Nie mehr lieferbar
keine Alternativen
Pos.
67
BOSCH Rändelschraube | Ersatzteile für GKF 600 CE | 2603481016
Hersteller: BOSCH
Artikelnummer: EB-0601622730-2603481016
nur Informationsartikel
Nie mehr lieferbar
keine Alternativen
Pos.
68
BOSCH Gewindefurchschraube 4x10 MM | Ersatzteile für GKF 600 CE | 2914431046
Hersteller: BOSCH
Artikelnummer: EB-0601622730-2914431046
nur Informationsartikel
Nie mehr lieferbar
keine Alternativen
Pos.
102
BOSCH Polschuh 220-230V | Ersatzteile für GKF 600 CE | 2604220491
Hersteller: BOSCH
Artikelnummer: EB-0601622730-2604220491
Netto: 19,18 € zzgl. MwSt.
zzgl. 6,90 € Versand (brutto)
einmalig pro Bestellung

Lieferzeit: 5 Werktage

Pos.
103
BOSCH Anker 220-230V | Ersatzteile für GKF 600 CE | 2604010769
Hersteller: BOSCH
Artikelnummer: EB-0601622730-2604010769
Netto: 57,47 € zzgl. MwSt.
zzgl. 6,90 € Versand (brutto)
einmalig pro Bestellung

Lieferzeit: 5 Werktage

Pos.
104
BOSCH Ein/Aus-Schalter | Ersatzteile für GKF 600 CE | 1607200086
Hersteller: BOSCH
Artikelnummer: EB-0601622730-1607200086
Netto: 9,95 € zzgl. MwSt.
zzgl. 6,90 € Versand (brutto)
einmalig pro Bestellung

Lieferzeit: 5 Werktage

Pos.
105
BOSCH Netzanschlussleitung CH 2,65m 2 x 1,0mm H05 VV-F | Ersatzteile für GKF 600 CE | 1604460148
Hersteller: BOSCH
Artikelnummer: EB-0601622730-1604460148
nur Informationsartikel
Nie mehr lieferbar
keine Alternativen
Pos.
106
BOSCH Tülle Ø6,5-Ø6,9x95 MM | Ersatzteile für GKF 600 CE | 2600703012
Hersteller: BOSCH
Artikelnummer: EB-0601622730-2600703012
Netto: 4,82 € zzgl. MwSt.
zzgl. 6,90 € Versand (brutto)
einmalig pro Bestellung

Lieferzeit: 5 Werktage

Pos.
107
BOSCH Befestigungsschelle | Ersatzteile für GKF 600 CE | 1601302017
Hersteller: BOSCH
Artikelnummer: EB-0601622730-1601302017
Netto: 3,63 € zzgl. MwSt.
zzgl. 6,90 € Versand (brutto)
einmalig pro Bestellung

Lieferzeit: 5 Werktage

Pos.
109
BOSCH Firmenschild | Ersatzteile für GKF 600 CE | 2601115026
Hersteller: BOSCH
Artikelnummer: EB-0601622730-2601115026
nur Informationsartikel
Nie mehr lieferbar
keine Alternativen
Pos.
112
BOSCH Entstörfilter | Ersatzteile für GKF 600 CE | 2607329124
Hersteller: BOSCH
Artikelnummer: EB-0601622730-2607329124
Netto: 9,18 € zzgl. MwSt.
zzgl. 6,90 € Versand (brutto)
einmalig pro Bestellung

Lieferzeit: 5 Werktage

Pos.
116
BOSCH Bürstenhalter | Ersatzteile für GKF 600 CE | 1600A003G4
Hersteller: BOSCH
Artikelnummer: EB-0601622730-2601323022
Netto: 5,19 € zzgl. MwSt.
zzgl. 6,90 € Versand (brutto)
einmalig pro Bestellung

Lieferzeit: 5 Werktage

Pos.
119
BOSCH Torx-Linsenschraube 4x12 | Ersatzteile für GKF 600 CE | 2603490021
Hersteller: BOSCH
Artikelnummer: EB-0601622730-2603490021
Netto: 3,63 € zzgl. MwSt.
zzgl. 6,90 € Versand (brutto)
einmalig pro Bestellung

Lieferzeit: 5 Werktage

Pos.
125
BOSCH Torx-Linsenschraube 3x10 | Ersatzteile für GKF 600 CE | 2603490017
Hersteller: BOSCH
Artikelnummer: EB-0601622730-2603490017
Netto: 4,32 € zzgl. MwSt.
zzgl. 6,90 € Versand (brutto)
einmalig pro Bestellung

Lieferzeit: 5 Werktage

Pos.
126
BOSCH Spiralfeder | Ersatzteile für GKF 600 CE | 2604652009
Hersteller: BOSCH
Artikelnummer: EB-0601622730-2604652009
Netto: 3,94 € zzgl. MwSt.
zzgl. 6,90 € Versand (brutto)
einmalig pro Bestellung

Lieferzeit: 5 Werktage

Pos.
127
BOSCH Ausgleichscheibe | Ersatzteile für GKF 600 CE | 2600150033
Hersteller: BOSCH
Artikelnummer: EB-0601622730-2600150033
Netto: 4,32 € zzgl. MwSt.
zzgl. 6,90 € Versand (brutto)
einmalig pro Bestellung

Lieferzeit: 5 Werktage

Pos.
128
BOSCH Distanzscheibe 0,2 MM | Ersatzteile für GKF 600 CE | 2600101665
Hersteller: BOSCH
Artikelnummer: EB-0601622730-2600101665
Netto: 3,94 € zzgl. MwSt.
zzgl. 6,90 € Versand (brutto)
einmalig pro Bestellung

Lieferzeit: 5 Werktage

Pos.
128
BOSCH Distanzscheibe 0,3 MM | Ersatzteile für GKF 600 CE | 2600101027
Hersteller: BOSCH
Artikelnummer: EB-0601622730-2600101027
Netto: 3,94 € zzgl. MwSt.
zzgl. 6,90 € Versand (brutto)
einmalig pro Bestellung

Lieferzeit: 5 Werktage

Pos.
128
BOSCH Distanzscheibe 0,5 MM | Ersatzteile für GKF 600 CE | 2600101667
Hersteller: BOSCH
Artikelnummer: EB-0601622730-2600101667
Netto: 3,94 € zzgl. MwSt.
zzgl. 6,90 € Versand (brutto)
einmalig pro Bestellung

Lieferzeit: 5 Werktage

Pos.
129
BOSCH Schrumpfschlauch | Ersatzteile für GKF 600 CE | 1610712034
Hersteller: BOSCH
Artikelnummer: EB-0601622730-1610712034
nur Informationsartikel
Nie mehr lieferbar
keine Alternativen
Pos.
131
BOSCH Gehäusedeckel BLAU | Ersatzteile für GKF 600 CE | 1600508011
Hersteller: BOSCH
Artikelnummer: EB-0601622730-1600508011
Netto: 8,33 € zzgl. MwSt.
zzgl. 6,90 € Versand (brutto)
einmalig pro Bestellung

Lieferzeit: 5 Werktage

Pos.
133
BOSCH Schaltergriff SCHWARZ | Ersatzteile für GKF 600 CE | 1602026057
Hersteller: BOSCH
Artikelnummer: EB-0601622730-1602026057
Netto: 3,94 € zzgl. MwSt.
zzgl. 6,90 € Versand (brutto)
einmalig pro Bestellung

Lieferzeit: 5 Werktage

Pos.
134
BOSCH Verstellschieber | Ersatzteile für GKF 600 CE | 1602319002
Hersteller: BOSCH
Artikelnummer: EB-0601622730-1602319002
Netto: 4,53 € zzgl. MwSt.
zzgl. 6,90 € Versand (brutto)
einmalig pro Bestellung

Lieferzeit: 5 Werktage

Pos.
135
BOSCH Abdeckscheibe | Ersatzteile für GKF 600 CE | 2601328045
Hersteller: BOSCH
Artikelnummer: EB-0601622730-2601328045
Netto: 4,32 € zzgl. MwSt.
zzgl. 6,90 € Versand (brutto)
einmalig pro Bestellung

Lieferzeit: 5 Werktage

Pos.
137
BOSCH Verbindungsleitung L=52MM WEISS | Ersatzteile für GKF 600 CE | 2604448016
Hersteller: BOSCH
Artikelnummer: EB-0601622730-2604448016
Netto: 3,94 € zzgl. MwSt.
zzgl. 6,90 € Versand (brutto)
einmalig pro Bestellung

Lieferzeit: 5 Werktage

Pos.
138
BOSCH Elektr Leitung | Ersatzteile für GKF 600 CE | 2604448149
Hersteller: BOSCH
Artikelnummer: EB-0601622730-2604448149
Netto: 3,94 € zzgl. MwSt.
zzgl. 6,90 € Versand (brutto)
einmalig pro Bestellung

Lieferzeit: 5 Werktage

Pos.
139
BOSCH Entstörfilter | Ersatzteile für GKF 600 CE | 2604465096
Hersteller: BOSCH
Artikelnummer: EB-0601622730-2604465096
Netto: 6,15 € zzgl. MwSt.
zzgl. 6,90 € Versand (brutto)
einmalig pro Bestellung

Lieferzeit: 5 Werktage

Pos.
140
BOSCH Druckfeder | Ersatzteile für GKF 600 CE | 1604611026
Hersteller: BOSCH
Artikelnummer: EB-0601622730-1604611026
Netto: 3,63 € zzgl. MwSt.
zzgl. 6,90 € Versand (brutto)
einmalig pro Bestellung

Lieferzeit: 31 Werktage

Pos.
141
BOSCH Drehzahlregler 230V | Ersatzteile für GKF 600 CE | 2607230013
Hersteller: BOSCH
Artikelnummer: EB-0601622730-2607230013
Netto: 35,77 € zzgl. MwSt.
zzgl. 6,90 € Versand (brutto)
einmalig pro Bestellung

Lieferzeit: 5 Werktage

Pos.
151
BOSCH Kugel SCHWARZ | Ersatzteile für GKF 600 CE | 2603230002
Hersteller: BOSCH
Artikelnummer: EB-0601622730-2603230002
Netto: 3,94 € zzgl. MwSt.
zzgl. 6,90 € Versand (brutto)
einmalig pro Bestellung

Lieferzeit: 5 Werktage

Pos.
656
BOSCH Zylinderstift 4x60 MM | Ersatzteile für GKF 600 CE | 2603101035
Hersteller: BOSCH
Artikelnummer: EB-0601622730-2603101035
Netto: 4,82 € zzgl. MwSt.
zzgl. 6,90 € Versand (brutto)
einmalig pro Bestellung

Lieferzeit: 5 Werktage

Pos.
657
BOSCH Einmaulschlüssel SW17 | Ersatzteile für GKF 600 CE | 2607950511
Hersteller: BOSCH
Artikelnummer: EB-0601622730-2607950511
Netto: 5,67 € zzgl. MwSt.
zzgl. 6,90 € Versand (brutto)
einmalig pro Bestellung

Lieferzeit: 5 Werktage

Pos.
801
BOSCH Motorgehäuse BLAU | Ersatzteile für GKF 600 CE | 2605108908
Hersteller: BOSCH
Artikelnummer: EB-0601622730-2605108908
nur Informationsartikel
Nie mehr lieferbar
keine Alternativen
Pos.
810
BOSCH Kohlebürstensatz | Ersatzteile für GKF 600 CE | 2604320910
Hersteller: BOSCH
Artikelnummer: EB-0601622730-2604320910
Netto: 9,18 € zzgl. MwSt.
zzgl. 6,90 € Versand (brutto)
einmalig pro Bestellung

Lieferzeit: 5 Werktage

Pos.
813
BOSCH Kugellager 7x22x7 | Ersatzteile für GKF 600 CE | 1900905018
Hersteller: BOSCH
Artikelnummer: EB-0601622730-1900905018
Netto: 15,75 € zzgl. MwSt.
zzgl. 6,90 € Versand (brutto)
einmalig pro Bestellung

Lieferzeit: 5 Werktage

Pos.
844
BOSCH Flachkopfschraube DIN 85-AM3x6-CUZN | Ersatzteile für GKF 600 CE | 2910110048
Hersteller: BOSCH
Artikelnummer: EB-0601622730-2910110048
Netto: 3,63 € zzgl. MwSt.
zzgl. 6,90 € Versand (brutto)
einmalig pro Bestellung

Lieferzeit: 5 Werktage

Pos.
888
BOSCH Typschild | Ersatzteile für GKF 600 CE | 160111A3H3
Hersteller: BOSCH
Artikelnummer: EB-0601622730-160111A3H3
Netto: 4,53 € zzgl. MwSt.
zzgl. 6,90 € Versand (brutto)
einmalig pro Bestellung

Lieferzeit: 5 Werktage

Angaben zur Produktsicherheit

Hersteller:
Robert Bosch Power Tools GmbH
Postfach 30 02 20
70442 Stuttgart

E-Mail:
kontakt@bosch.de