BOSCH Sockel | Ersatzteile für GKF550 | 1619PC1688

Artikelnummer: EB-3601FA00G1-1619PC1688

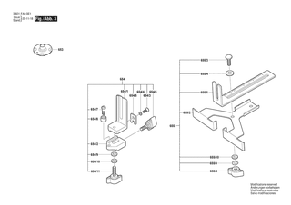
Position: 666/1

Marke: BOSCH


Bitte Kompatibilität prüfen!

Bitte prüfen Sie unbedingt die 10-stellige Typennummer Ihrer Maschine / Ihres Gerätes. Das Ersatzteil ist nur kompatibel, wenn Sie die Typennummer Ihrer Maschine in der unten stehenden Produktbeschreibung finden.

Bitte prüfen Sie ebenfalls detailliert die Explosionszeichnung mit Ihrem Artikelwunsch und der jeweiligen Pos-Nummer.

Alle Elemente, welche vom schwarzen Strich der Pos-Nummer ausgehend berührt / erfasst werden, gehören zu dieser Pos-Nummer und somit zu diesem Artikel. Jede Pos-Nummer ist ein eigenständiger Artikel, welchen Sie in der Auflistung finden.

Sie erhalten stets die aktuellste, neueste Produktversion zu der gewählten Pos-Nummer seitens des Herstellers. Es kann daher je nach Gerätealter vorkommen, dass Sie ggf. weitere, zugehörige Elemente, welche an diese Pos-Nummer grenzen, ebenfalls mittauschen müssen.

Nähere Informationen finden Sie unter dem Link
Hinweise zu Ihrer BOSCH Ersatzteilsuche

Preisübersicht

Einzelpreis: 11,92 €* (Brutto: 14,18 €)
Gesamtpreis: 11,92 €* 
Position:

Lieferzeit: 5 Werktage


Beschreibung

  • Sockel
  • Original Bosch Zubehör / BOSCH Ersatzteil (1619PC1688)
  • im Gerät verbaut: 1
Dieses BOSCH Ersatzteil ist mit folgendem Gerät und Modell kompatibel:
  • BOSCH Gerätename: GKF550
  • BOSCH Explosionszeichnung: Position 666/1
  • BOSCH Typennummer: 3601FA00G1
  • BOSCH Typennummer alternative Schreibweisen: 3 601 FA0 0G1, 3601 FA0 0G1, 3.601.FA0.0G1, 3-601-FA0-0G1
    Bitte prüfen Sie diese Typennummer auf Ihrem Gerät um die Kompatibilität des BOSCH Ersatzteils zu gewährleisten.
Weitere BOSCH Ersatzteile des Gerätes GKF550 (Oberfräse) mit der Typennummer 3601FA00G1 finden Sie in der nachfolgenden Darstellung und im Dropdown zu Ihrer Auswahl:

Pos.
1
BOSCH Motorgehäuse | Ersatzteile für GKF 550 | 1619PB2368
Hersteller: BOSCH
Artikelnummer: EB-3601FA00G1-1619PB2368
Netto: 7,30 € zzgl. MwSt.
zzgl. 6,90 € Versand (brutto)
einmalig pro Bestellung

Lieferzeit: 5 Werktage

Pos.
654/1
BOSCH Führungsplatte | Ersatzteile für GKF 550 | 1619PB3064
Hersteller: BOSCH
Artikelnummer: EB-3601FA00G1-1619PB3064
Netto: 5,67 € zzgl. MwSt.
zzgl. 6,90 € Versand (brutto)
einmalig pro Bestellung

Lieferzeit: 5 Werktage

Pos.
654/11
BOSCH Flügelschraube | Ersatzteile für GKF 550 | 1619PB2372
Hersteller: BOSCH
Artikelnummer: EB-3601FA00G1-1619PB2372
Netto: 3,94 € zzgl. MwSt.
zzgl. 6,90 € Versand (brutto)
einmalig pro Bestellung

Lieferzeit: 5 Werktage

Pos.
654/2
BOSCH Führungswand | Ersatzteile für GKF 550 | 1619PB3065
Hersteller: BOSCH
Artikelnummer: EB-3601FA00G1-1619PB3065
Netto: 5,67 € zzgl. MwSt.
zzgl. 6,90 € Versand (brutto)
einmalig pro Bestellung

Lieferzeit: 5 Werktage

Pos.
654/3
BOSCH Schraube | Ersatzteile für GKF 550 | 1619PB3066
Hersteller: BOSCH
Artikelnummer: EB-3601FA00G1-1619PB3066
Netto: 3,63 € zzgl. MwSt.
zzgl. 6,90 € Versand (brutto)
einmalig pro Bestellung

Lieferzeit: 5 Werktage

Pos.
654/4
BOSCH Zahnscheibe | Ersatzteile für GKF 550 | 1619PB3067
Hersteller: BOSCH
Artikelnummer: EB-3601FA00G1-1619PB3067
Netto: 3,63 € zzgl. MwSt.
zzgl. 6,90 € Versand (brutto)
einmalig pro Bestellung

Lieferzeit: 5 Werktage

Pos.
654/5
BOSCH Platte | Ersatzteile für GKF 550 | 1619PB3068
Hersteller: BOSCH
Artikelnummer: EB-3601FA00G1-1619PB3068
Netto: 3,59 € zzgl. MwSt.
zzgl. 6,90 € Versand (brutto)
einmalig pro Bestellung

Lieferzeit: 5 Werktage

Pos.
654/6
BOSCH Flügelschraube | Ersatzteile für GKF 550 | 1619PB2371
Hersteller: BOSCH
Artikelnummer: EB-3601FA00G1-1619PB2371
Netto: 4,32 € zzgl. MwSt.
zzgl. 6,90 € Versand (brutto)
einmalig pro Bestellung

Lieferzeit: 5 Werktage

Pos.
654/7
BOSCH Schraube | Ersatzteile für GKF 550 | 1619PB3069
Hersteller: BOSCH
Artikelnummer: EB-3601FA00G1-1619PB3069
Netto: 3,63 € zzgl. MwSt.
zzgl. 6,90 € Versand (brutto)
einmalig pro Bestellung

Lieferzeit: 5 Werktage

Pos.
654/8
BOSCH Lagerbuchse | Ersatzteile für GKF 550 | 1619PB3070
Hersteller: BOSCH
Artikelnummer: EB-3601FA00G1-1619PB3070
Netto: 3,63 € zzgl. MwSt.
zzgl. 6,90 € Versand (brutto)
einmalig pro Bestellung

Lieferzeit: 5 Werktage

Pos.
655/1
BOSCH Längsanschlag | Ersatzteile für GKF 550 | 1619PB3073
Hersteller: BOSCH
Artikelnummer: EB-3601FA00G1-1619PB3073
Netto: 4,82 € zzgl. MwSt.
zzgl. 6,90 € Versand (brutto)
einmalig pro Bestellung

Lieferzeit: 5 Werktage

Pos.
655/2
BOSCH Führungsbügel | Ersatzteile für GKF 550 | 1619PB3074
Hersteller: BOSCH
Artikelnummer: EB-3601FA00G1-1619PB3074
Netto: 5,19 € zzgl. MwSt.
zzgl. 6,90 € Versand (brutto)
einmalig pro Bestellung

Lieferzeit: 5 Werktage

Pos.
655/3
BOSCH Sonderschraube | Ersatzteile für GKF 550 | 1619PB3075
Hersteller: BOSCH
Artikelnummer: EB-3601FA00G1-1619PB3075
Netto: 3,63 € zzgl. MwSt.
zzgl. 6,90 € Versand (brutto)
einmalig pro Bestellung

Lieferzeit: 5 Werktage

Pos.
655/4
BOSCH Unterlegscheibe | Ersatzteile für GKF 550 | 1619PB3076
Hersteller: BOSCH
Artikelnummer: EB-3601FA00G1-1619PB3076
Netto: 3,63 € zzgl. MwSt.
zzgl. 6,90 € Versand (brutto)
einmalig pro Bestellung

Lieferzeit: 5 Werktage

Pos.
655/5
BOSCH Flügelschraube | Ersatzteile für GKF 550 | 1619PB2373
Hersteller: BOSCH
Artikelnummer: EB-3601FA00G1-1619PB2373
Netto: 3,63 € zzgl. MwSt.
zzgl. 6,90 € Versand (brutto)
einmalig pro Bestellung

Lieferzeit: 5 Werktage

Pos.
656/1
BOSCH Sockel | Ersatzteile für GKF 550 | 1619PB3077
Hersteller: BOSCH
Artikelnummer: EB-3601FA00G1-1619PB3077
Netto: 9,95 € zzgl. MwSt.
zzgl. 6,90 € Versand (brutto)
einmalig pro Bestellung

Lieferzeit: 5 Werktage

Pos.
656/10
BOSCH Wellenscheibe | Ersatzteile für GKF 550 | 1619PB3072
Hersteller: BOSCH
Artikelnummer: EB-3601FA00G1-1619PB3072
Netto: 3,63 € zzgl. MwSt.
zzgl. 6,90 € Versand (brutto)
einmalig pro Bestellung

Lieferzeit: 5 Werktage

Pos.
656/11
BOSCH Schraube | Ersatzteile für GKF 550 | 1619PB3081
Hersteller: BOSCH
Artikelnummer: EB-3601FA00G1-1619PB3081
Netto: 3,63 € zzgl. MwSt.
zzgl. 6,90 € Versand (brutto)
einmalig pro Bestellung

Lieferzeit: 5 Werktage

Pos.
656/2
BOSCH Grundplatte | Ersatzteile für GKF 550 | 1619PB3078
Hersteller: BOSCH
Artikelnummer: EB-3601FA00G1-1619PB3078
Netto: 4,82 € zzgl. MwSt.
zzgl. 6,90 € Versand (brutto)
einmalig pro Bestellung

Lieferzeit: 5 Werktage

Pos.
656/3
BOSCH Rändelschraube | Ersatzteile für GKF 550 | 1619PB2374
Hersteller: BOSCH
Artikelnummer: EB-3601FA00G1-1619PB2374
Netto: 3,94 € zzgl. MwSt.
zzgl. 6,90 € Versand (brutto)
einmalig pro Bestellung

Lieferzeit: 5 Werktage

Pos.
656/4
BOSCH Knopf | Ersatzteile für GKF 550 | 1619PB2375
Hersteller: BOSCH
Artikelnummer: EB-3601FA00G1-1619PB2375
Netto: 3,94 € zzgl. MwSt.
zzgl. 6,90 € Versand (brutto)
einmalig pro Bestellung

Lieferzeit: 5 Werktage

Pos.
656/5
BOSCH Distanzstück | Ersatzteile für GKF 550 | 1619PB3079
Hersteller: BOSCH
Artikelnummer: EB-3601FA00G1-1619PB3079
Netto: 3,63 € zzgl. MwSt.
zzgl. 6,90 € Versand (brutto)
einmalig pro Bestellung

Lieferzeit: 5 Werktage

Pos.
656/6
BOSCH Unterlegscheibe | Ersatzteile für GKF 550 | 1619PB3080
Hersteller: BOSCH
Artikelnummer: EB-3601FA00G1-1619PB3080
Netto: 3,63 € zzgl. MwSt.
zzgl. 6,90 € Versand (brutto)
einmalig pro Bestellung

Lieferzeit: 5 Werktage

Pos.
656/7
BOSCH Rändelschraube | Ersatzteile für GKF 550 | 1619PB2376
Hersteller: BOSCH
Artikelnummer: EB-3601FA00G1-1619PB2376
Netto: 3,94 € zzgl. MwSt.
zzgl. 6,90 € Versand (brutto)
einmalig pro Bestellung

Lieferzeit: 5 Werktage

Pos.
656/8
BOSCH Spanabweiser | Ersatzteile für GKF 550 | 1619PB3083
Hersteller: BOSCH
Artikelnummer: EB-3601FA00G1-1619PB3083
Netto: 3,94 € zzgl. MwSt.
zzgl. 6,90 € Versand (brutto)
einmalig pro Bestellung

Lieferzeit: 5 Werktage

Pos.
656/9
BOSCH Unterlegscheibe | Ersatzteile für GKF 550 | 1619PB3071
Hersteller: BOSCH
Artikelnummer: EB-3601FA00G1-1619PB3071
Netto: 3,63 € zzgl. MwSt.
zzgl. 6,90 € Versand (brutto)
einmalig pro Bestellung

Lieferzeit: 5 Werktage

Pos.
666/1
BOSCH Sockel | Ersatzteile für GKF550 | 1619PC1688
Hersteller: BOSCH
Artikelnummer: EB-3601FA00G1-1619PC1688
Netto: 11,92 € zzgl. MwSt.
zzgl. 6,90 € Versand (brutto)
einmalig pro Bestellung

Lieferzeit: 5 Werktage

Pos.
666/4
BOSCH Knopf | Ersatzteile für GKF550 | 1619PB7225
Hersteller: BOSCH
Artikelnummer: EB-3601FA00G1-1619PB7225
Netto: 4,32 € zzgl. MwSt.
zzgl. 6,90 € Versand (brutto)
einmalig pro Bestellung

Lieferzeit: 5 Werktage

Pos.
666/5
BOSCH Getriebe | Ersatzteile für GKF550 | 1619PB6976
Hersteller: BOSCH
Artikelnummer: EB-3601FA00G1-1619PB6976
Netto: 3,94 € zzgl. MwSt.
zzgl. 6,90 € Versand (brutto)
einmalig pro Bestellung

Lieferzeit: 5 Werktage

Pos.
2
BOSCH Polschuhbaugruppe | Ersatzteile für GKF 550 | 1619PB3029
Hersteller: BOSCH
Artikelnummer: EB-3601FA00G1-1619PB3029
Netto: 19,18 € zzgl. MwSt.
zzgl. 6,90 € Versand (brutto)
einmalig pro Bestellung

Lieferzeit: 5 Werktage

Pos.
3
BOSCH Anker | Ersatzteile für GKF 550 | 1619PB3032
Hersteller: BOSCH
Artikelnummer: EB-3601FA00G1-1619PB3032
Netto: 26,88 € zzgl. MwSt.
zzgl. 6,90 € Versand (brutto)
einmalig pro Bestellung

Lieferzeit: 5 Werktage

Pos.
4
BOSCH Schalter | Ersatzteile für GKF 550 | 1619PB3034
Hersteller: BOSCH
Artikelnummer: EB-3601FA00G1-1619PB3034
Netto: 6,15 € zzgl. MwSt.
zzgl. 6,90 € Versand (brutto)
einmalig pro Bestellung

Lieferzeit: 5 Werktage

Pos.
5
BOSCH Netzanschlussleitung | Ersatzteile für GKF 550 | 1619PB3040
Hersteller: BOSCH
Artikelnummer: EB-3601FA00G1-1619PB3040
nur Informationsartikel
Nie mehr lieferbar
keine Alternativen
Pos.
6
BOSCH Tülle | Ersatzteile für GKF 550 | 1619PB3045
Hersteller: BOSCH
Artikelnummer: EB-3601FA00G1-1619PB3045
Netto: 3,63 € zzgl. MwSt.
zzgl. 6,90 € Versand (brutto)
einmalig pro Bestellung

Lieferzeit: 5 Werktage

Pos.
7
BOSCH Geräteclip | Ersatzteile für GKF 550 | 1619PB3046
Hersteller: BOSCH
Artikelnummer: EB-3601FA00G1-1619PB3046
Netto: 3,63 € zzgl. MwSt.
zzgl. 6,90 € Versand (brutto)
einmalig pro Bestellung

Lieferzeit: 5 Werktage

Pos.
9
BOSCH Firmenschild GKF 550 | Ersatzteile für GKF 550 | 1619PB3002
Hersteller: BOSCH
Artikelnummer: EB-3601FA00G1-1619PB3002
Netto: 4,53 € zzgl. MwSt.
zzgl. 6,90 € Versand (brutto)
einmalig pro Bestellung

Lieferzeit: 5 Werktage

Pos.
12
BOSCH Entstörkondensator | Ersatzteile für GKF 550 | 1619PB3048
Hersteller: BOSCH
Artikelnummer: EB-3601FA00G1-1619PB3048
Netto: 3,94 € zzgl. MwSt.
zzgl. 6,90 € Versand (brutto)
einmalig pro Bestellung

Lieferzeit: 5 Werktage

Pos.
13
BOSCH Rillenkugellager | Ersatzteile für GKF 550 | 1619PB3049
Hersteller: BOSCH
Artikelnummer: EB-3601FA00G1-1619PB3049
Netto: 6,15 € zzgl. MwSt.
zzgl. 6,90 € Versand (brutto)
einmalig pro Bestellung

Lieferzeit: 5 Werktage

Pos.
14
BOSCH Rillenkugellager | Ersatzteile für GKF 550 | 1619PB3050
Hersteller: BOSCH
Artikelnummer: EB-3601FA00G1-1619PB3050
Netto: 8,33 € zzgl. MwSt.
zzgl. 6,90 € Versand (brutto)
einmalig pro Bestellung

Lieferzeit: 5 Werktage

Pos.
19
BOSCH Schraube | Ersatzteile für GKF 550 | 1619PB3052
Hersteller: BOSCH
Artikelnummer: EB-3601FA00G1-1619PB3052
Netto: 3,63 € zzgl. MwSt.
zzgl. 6,90 € Versand (brutto)
einmalig pro Bestellung

Lieferzeit: 5 Werktage

Pos.
22
BOSCH Lagerhülse | Ersatzteile für GKF 550 | 1619PB3053
Hersteller: BOSCH
Artikelnummer: EB-3601FA00G1-1619PB3053
Netto: 3,94 € zzgl. MwSt.
zzgl. 6,90 € Versand (brutto)
einmalig pro Bestellung

Lieferzeit: 5 Werktage

Pos.
23
BOSCH Stützring | Ersatzteile für GKF 550 | 1619PB3054
Hersteller: BOSCH
Artikelnummer: EB-3601FA00G1-1619PB3054
Netto: 3,63 € zzgl. MwSt.
zzgl. 6,90 € Versand (brutto)
einmalig pro Bestellung

Lieferzeit: 5 Werktage

Pos.
24
BOSCH Distanzring | Ersatzteile für GKF 550 | 1619PB3055
Hersteller: BOSCH
Artikelnummer: EB-3601FA00G1-1619PB3055
Netto: 3,63 € zzgl. MwSt.
zzgl. 6,90 € Versand (brutto)
einmalig pro Bestellung

Lieferzeit: 5 Werktage

Pos.
25
BOSCH Wellenscheibe | Ersatzteile für GKF 550 | 1619PB3056
Hersteller: BOSCH
Artikelnummer: EB-3601FA00G1-1619PB3056
Netto: 3,63 € zzgl. MwSt.
zzgl. 6,90 € Versand (brutto)
einmalig pro Bestellung

Lieferzeit: 5 Werktage

Pos.
26
BOSCH Spannzange 6mm | Ersatzteile für GKF 550 | 1619PB3058
Hersteller: BOSCH
Artikelnummer: EB-3601FA00G1-1619PB3058
Netto: 5,19 € zzgl. MwSt.
zzgl. 6,90 € Versand (brutto)
einmalig pro Bestellung

Lieferzeit: 5 Werktage

Pos.
27
BOSCH Überwurfmutter | Ersatzteile für GKF 550 | 1619PB3059
Hersteller: BOSCH
Artikelnummer: EB-3601FA00G1-1619PB3059
Netto: 4,53 € zzgl. MwSt.
zzgl. 6,90 € Versand (brutto)
einmalig pro Bestellung

Lieferzeit: 5 Werktage

Pos.
28
BOSCH Klemmschraube | Ersatzteile für GKF 550 | 1619PB3060
Hersteller: BOSCH
Artikelnummer: EB-3601FA00G1-1619PB3060
Netto: 3,63 € zzgl. MwSt.
zzgl. 6,90 € Versand (brutto)
einmalig pro Bestellung

Lieferzeit: 5 Werktage

Pos.
29
BOSCH Abdeckung | Ersatzteile für GKF 550 | 1619PB2366
Hersteller: BOSCH
Artikelnummer: EB-3601FA00G1-1619PB2366
Netto: 5,19 € zzgl. MwSt.
zzgl. 6,90 € Versand (brutto)
einmalig pro Bestellung

Lieferzeit: 5 Werktage

Pos.
30
BOSCH Reihenklemme | Ersatzteile für GKF 550 | 1619PB3061
Hersteller: BOSCH
Artikelnummer: EB-3601FA00G1-1619PB3061
Netto: 3,63 € zzgl. MwSt.
zzgl. 6,90 € Versand (brutto)
einmalig pro Bestellung

Lieferzeit: 5 Werktage

Pos.
31
BOSCH Bürstendeckel | Ersatzteile für GKF 550 | 1619PB3062
Hersteller: BOSCH
Artikelnummer: EB-3601FA00G1-1619PB3062
Netto: 3,63 € zzgl. MwSt.
zzgl. 6,90 € Versand (brutto)
einmalig pro Bestellung

Lieferzeit: 5 Werktage

Pos.
32
BOSCH Motorgehäuse | Ersatzteile für GKF 550 | 1619PB2367
Hersteller: BOSCH
Artikelnummer: EB-3601FA00G1-1619PB2367
Netto: 6,15 € zzgl. MwSt.
zzgl. 6,90 € Versand (brutto)
einmalig pro Bestellung

Lieferzeit: 5 Werktage

Pos.
33
BOSCH Schraube | Ersatzteile für GKF 550 | 1619PB3063
Hersteller: BOSCH
Artikelnummer: EB-3601FA00G1-1619PB3063
Netto: 3,63 € zzgl. MwSt.
zzgl. 6,90 € Versand (brutto)
einmalig pro Bestellung

Lieferzeit: 5 Werktage

Pos.
34
BOSCH Skala | Ersatzteile für GKF 550 | 1619PB3004
Hersteller: BOSCH
Artikelnummer: EB-3601FA00G1-1619PB3004
Netto: 3,63 € zzgl. MwSt.
zzgl. 6,90 € Versand (brutto)
einmalig pro Bestellung

Lieferzeit: 5 Werktage

Pos.
36
BOSCH Spannzange 1/4 inch | Ersatzteile für GKF 550 | 1619PB3057
Hersteller: BOSCH
Artikelnummer: EB-3601FA00G1-1619PB3057
Netto: 5,19 € zzgl. MwSt.
zzgl. 6,90 € Versand (brutto)
einmalig pro Bestellung

Lieferzeit: 5 Werktage

Pos.
653
BOSCH Führung | Ersatzteile für GKF 550 | 1619PB2378
Hersteller: BOSCH
Artikelnummer: EB-3601FA00G1-1619PB2378
Netto: 4,32 € zzgl. MwSt.
zzgl. 6,90 € Versand (brutto)
einmalig pro Bestellung

Lieferzeit: 5 Werktage

Pos.
654
BOSCH Anschlag | Ersatzteile für GKF 550 | 1619PB3022
Hersteller: BOSCH
Artikelnummer: EB-3601FA00G1-1619PB3022
Netto: 14,36 € zzgl. MwSt.
zzgl. 6,90 € Versand (brutto)
einmalig pro Bestellung

Lieferzeit: 5 Werktage

Pos.
655
BOSCH Längsanschlag | Ersatzteile für GKF 550 | 1619PB3021
Hersteller: BOSCH
Artikelnummer: EB-3601FA00G1-1619PB3021
Netto: 9,18 € zzgl. MwSt.
zzgl. 6,90 € Versand (brutto)
einmalig pro Bestellung

Lieferzeit: 5 Werktage

Pos.
656
BOSCH Sockel | Ersatzteile für GKF 550 | 1619PB2369
Hersteller: BOSCH
Artikelnummer: EB-3601FA00G1-1619PB2369
Netto: 17,38 € zzgl. MwSt.
zzgl. 6,90 € Versand (brutto)
einmalig pro Bestellung

Lieferzeit: 5 Werktage

Pos.
657
BOSCH Staubabsaugung | Ersatzteile für GKF550 | 1619PB7222
Hersteller: BOSCH
Artikelnummer: EB-3601FA00G1-1619PB7222
Netto: 6,15 € zzgl. MwSt.
zzgl. 6,90 € Versand (brutto)
einmalig pro Bestellung

Lieferzeit: 7 Werktage

Pos.
666
BOSCH Sockel | Ersatzteile für GKF550 | 1619PC1978
Hersteller: BOSCH
Artikelnummer: EB-3601FA00G1-1619PC1978
Netto: 14,36 € zzgl. MwSt.
zzgl. 6,90 € Versand (brutto)
einmalig pro Bestellung

Lieferzeit: 5 Werktage

Pos.
808
BOSCH Typschild | Ersatzteile für GKF 550 | 1619PB2993
Hersteller: BOSCH
Artikelnummer: EB-3601FA00G1-1619PB2993
nur Informationsartikel
Nie mehr lieferbar
keine Alternativen
Pos.
810
BOSCH Kohlebürstensatz | Ersatzteile für GKF 550 | 1619PB3047
Hersteller: BOSCH
Artikelnummer: EB-3601FA00G1-1619PB3047
Netto: 7,30 € zzgl. MwSt.
zzgl. 6,90 € Versand (brutto)
einmalig pro Bestellung

Lieferzeit: 5 Werktage

Pos.
816
BOSCH Bürstenhalter | Ersatzteile für GKF 550 | 1619PB3051
Hersteller: BOSCH
Artikelnummer: EB-3601FA00G1-1619PB3051
Netto: 4,53 € zzgl. MwSt.
zzgl. 6,90 € Versand (brutto)
einmalig pro Bestellung

Lieferzeit: 5 Werktage

Angaben zur Produktsicherheit

Hersteller:
Robert Bosch Power Tools GmbH
Postfach 30 02 20
70442 Stuttgart

E-Mail:
kontakt@bosch.de