BOSCH Entstörfilter | Ersatzteile für GKS 140 | 1619PB3946

Artikelnummer: EB-3601FB3020-1619PB3946

Position: 12

Marke: BOSCH


Bitte Kompatibilität prüfen!

Bitte prüfen Sie unbedingt die 10-stellige Typennummer Ihrer Maschine / Ihres Gerätes. Das Ersatzteil ist nur kompatibel, wenn Sie die Typennummer Ihrer Maschine in der unten stehenden Produktbeschreibung finden.

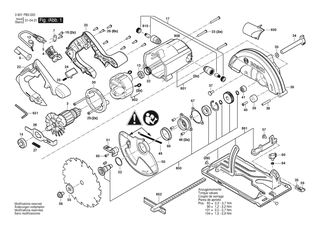
Bitte prüfen Sie ebenfalls detailliert die Explosionszeichnung mit Ihrem Artikelwunsch und der jeweiligen Pos-Nummer.

Alle Elemente, welche vom schwarzen Strich der Pos-Nummer ausgehend berührt / erfasst werden, gehören zu dieser Pos-Nummer und somit zu diesem Artikel. Jede Pos-Nummer ist ein eigenständiger Artikel, welchen Sie in der Auflistung finden.

Sie erhalten stets die aktuellste, neueste Produktversion zu der gewählten Pos-Nummer seitens des Herstellers. Es kann daher je nach Gerätealter vorkommen, dass Sie ggf. weitere, zugehörige Elemente, welche an diese Pos-Nummer grenzen, ebenfalls mittauschen müssen.

Nähere Informationen finden Sie unter dem Link
Hinweise zu Ihrer BOSCH Ersatzteilsuche

Preisübersicht

Einzelpreis: 3,63 €* (Brutto: 4,32 €)
Gesamtpreis: 3,63 €* 
Position:

Lieferzeit: 5 Werktage


Beschreibung

  • Entstörfilter
  • Original Bosch Zubehör / BOSCH Ersatzteil (1619PB3946)
  • im Gerät verbaut: 1
Dieses BOSCH Ersatzteil ist mit folgendem Gerät und Modell kompatibel:
  • BOSCH Gerätename: GKS 140
  • BOSCH Explosionszeichnung: Position 12
  • BOSCH Typennummer: 3601FB3020
  • BOSCH Typennummer alternative Schreibweisen: 3 601 FB3 020, 3601 FB3 020, 3.601.FB3.020, 3-601-FB3-020
    Bitte prüfen Sie diese Typennummer auf Ihrem Gerät um die Kompatibilität des BOSCH Ersatzteils zu gewährleisten.
Weitere BOSCH Ersatzteile des Gerätes GKS 140 (Handkreissäge) mit der Typennummer 3601FB3020 finden Sie in der nachfolgenden Darstellung und im Dropdown zu Ihrer Auswahl:

Pos.
3
BOSCH Anker | Ersatzteile für GKS 140 | 1604010B9J
Hersteller: BOSCH
Artikelnummer: EB-3601FB3020-1604010B9J
Netto: 29,45 € zzgl. MwSt.
zzgl. 6,90 € Versand (brutto)
einmalig pro Bestellung

Lieferzeit: 5 Werktage

Pos.
4
BOSCH Schalter | Ersatzteile für GKS 140 | 1619PB3945
Hersteller: BOSCH
Artikelnummer: EB-3601FB3020-1619PB3945
Netto: 7,30 € zzgl. MwSt.
zzgl. 6,90 € Versand (brutto)
einmalig pro Bestellung

Lieferzeit: 5 Werktage

Pos.
5
BOSCH Netzanschlussleitung | Ersatzteile für GKS 140 | 1619PB3942
Hersteller: BOSCH
Artikelnummer: EB-3601FB3020-1619PB3942
Netto: 8,33 € zzgl. MwSt.
zzgl. 6,90 € Versand (brutto)
einmalig pro Bestellung

Lieferzeit: 5 Werktage

Pos.
6
BOSCH Tülle | Ersatzteile für GKS 140 | 160070304F
Hersteller: BOSCH
Artikelnummer: EB-3601FB3020-160070304F
Netto: 3,94 € zzgl. MwSt.
zzgl. 6,90 € Versand (brutto)
einmalig pro Bestellung

Lieferzeit: 5 Werktage

Pos.
7
BOSCH Befestigungsschelle | Ersatzteile für GKS 140 | 1600A008RB
Hersteller: BOSCH
Artikelnummer: EB-3601FB3020-1600A008RB
Netto: 3,63 € zzgl. MwSt.
zzgl. 6,90 € Versand (brutto)
einmalig pro Bestellung

Lieferzeit: 5 Werktage

Pos.
12
BOSCH Entstörfilter | Ersatzteile für GKS 140 | 1619PB3946
Hersteller: BOSCH
Artikelnummer: EB-3601FB3020-1619PB3946
Netto: 3,63 € zzgl. MwSt.
zzgl. 6,90 € Versand (brutto)
einmalig pro Bestellung

Lieferzeit: 5 Werktage

Pos.
13
BOSCH Lager | Ersatzteile für GKS 140 | 1600A014HC
Hersteller: BOSCH
Artikelnummer: EB-3601FB3020-1600A014HC
Netto: 5,19 € zzgl. MwSt.
zzgl. 6,90 € Versand (brutto)
einmalig pro Bestellung

Lieferzeit: 5 Werktage

Pos.
14
BOSCH Lager | Ersatzteile für GKS 140 | 1600A014GF
Hersteller: BOSCH
Artikelnummer: EB-3601FB3020-1600A014GF
Netto: 6,15 € zzgl. MwSt.
zzgl. 6,90 € Versand (brutto)
einmalig pro Bestellung

Lieferzeit: 5 Werktage

Pos.
17
BOSCH Deckel | Ersatzteile für GKS 140 | 16055002A8
Hersteller: BOSCH
Artikelnummer: EB-3601FB3020-16055002A8
Netto: 4,53 € zzgl. MwSt.
zzgl. 6,90 € Versand (brutto)
einmalig pro Bestellung

Lieferzeit: 5 Werktage

Pos.
19
BOSCH Schraube | Ersatzteile für GKS 140 | 160343001F
Hersteller: BOSCH
Artikelnummer: EB-3601FB3020-160343001F
Netto: 3,63 € zzgl. MwSt.
zzgl. 6,90 € Versand (brutto)
einmalig pro Bestellung

Lieferzeit: 5 Werktage

Pos.
22
BOSCH Handgriff | Ersatzteile für GKS 140 | 160513217U
Hersteller: BOSCH
Artikelnummer: EB-3601FB3020-160513217U
Netto: 7,30 € zzgl. MwSt.
zzgl. 6,90 € Versand (brutto)
einmalig pro Bestellung

Lieferzeit: 5 Werktage

Pos.
23
BOSCH Spiralfeder | Ersatzteile für GKS 140 | 1604652025
Hersteller: BOSCH
Artikelnummer: EB-3601FB3020-1604652025
Netto: 3,63 € zzgl. MwSt.
zzgl. 6,90 € Versand (brutto)
einmalig pro Bestellung

Lieferzeit: 5 Werktage

Pos.
24
BOSCH Button | Ersatzteile für GKS 140 | 1600A014F6
Hersteller: BOSCH
Artikelnummer: EB-3601FB3020-1600A014F6
Netto: 3,63 € zzgl. MwSt.
zzgl. 6,90 € Versand (brutto)
einmalig pro Bestellung

Lieferzeit: 5 Werktage

Pos.
25
BOSCH Handgriff | Ersatzteile für GKS 140 | 160513217V
Hersteller: BOSCH
Artikelnummer: EB-3601FB3020-160513217V
Netto: 7,30 € zzgl. MwSt.
zzgl. 6,90 € Versand (brutto)
einmalig pro Bestellung

Lieferzeit: 5 Werktage

Pos.
26
BOSCH Schraube | Ersatzteile für GKS 140 | 160343001G
Hersteller: BOSCH
Artikelnummer: EB-3601FB3020-160343001G
Netto: 3,63 € zzgl. MwSt.
zzgl. 6,90 € Versand (brutto)
einmalig pro Bestellung

Lieferzeit: 5 Werktage

Pos.
27
BOSCH Spiralfeder | Ersatzteile für GKS 140 | 1604652026
Hersteller: BOSCH
Artikelnummer: EB-3601FB3020-1604652026
Netto: 3,63 € zzgl. MwSt.
zzgl. 6,90 € Versand (brutto)
einmalig pro Bestellung

Lieferzeit: 5 Werktage

Pos.
28
BOSCH Führungsbügel | Ersatzteile für GKS 140 | 1600A014FA
Hersteller: BOSCH
Artikelnummer: EB-3601FB3020-1600A014FA
Netto: 4,32 € zzgl. MwSt.
zzgl. 6,90 € Versand (brutto)
einmalig pro Bestellung

Lieferzeit: 5 Werktage

Pos.
29
BOSCH Schraube | Ersatzteile für GKS 140 | 160343001H
Hersteller: BOSCH
Artikelnummer: EB-3601FB3020-160343001H
Netto: 3,63 € zzgl. MwSt.
zzgl. 6,90 € Versand (brutto)
einmalig pro Bestellung

Lieferzeit: 5 Werktage

Pos.
30
BOSCH Luftleitring | Ersatzteile für GKS 140 | 160059106N
Hersteller: BOSCH
Artikelnummer: EB-3601FB3020-160059106N
Netto: 4,53 € zzgl. MwSt.
zzgl. 6,90 € Versand (brutto)
einmalig pro Bestellung

Lieferzeit: 5 Werktage

Pos.
32
BOSCH Lagerhülse | Ersatzteile für GKS 140 | 1600460039
Hersteller: BOSCH
Artikelnummer: EB-3601FB3020-1600460039
Netto: 3,63 € zzgl. MwSt.
zzgl. 6,90 € Versand (brutto)
einmalig pro Bestellung

Lieferzeit: 5 Werktage

Pos.
33
BOSCH Schraube | Ersatzteile für GKS 140 | 160343001J
Hersteller: BOSCH
Artikelnummer: EB-3601FB3020-160343001J
Netto: 3,63 € zzgl. MwSt.
zzgl. 6,90 € Versand (brutto)
einmalig pro Bestellung

Lieferzeit: 5 Werktage

Pos.
34
BOSCH Schalthebelknopf | Ersatzteile für GKS 140 | 1600A014FM
Hersteller: BOSCH
Artikelnummer: EB-3601FB3020-1600A014FM
Netto: 3,63 € zzgl. MwSt.
zzgl. 6,90 € Versand (brutto)
einmalig pro Bestellung

Lieferzeit: 5 Werktage

Pos.
35
BOSCH Scheibe | Ersatzteile für GKS 140 | 1600A008RH
Hersteller: BOSCH
Artikelnummer: EB-3601FB3020-1600A008RH
Netto: 3,63 € zzgl. MwSt.
zzgl. 6,90 € Versand (brutto)
einmalig pro Bestellung

Lieferzeit: 5 Werktage

Pos.
36
BOSCH Schutzoberteil | Ersatzteile für GKS 140 | 1619PB6389
Hersteller: BOSCH
Artikelnummer: EB-3601FB3020-1619PB6389
Netto: 19,18 € zzgl. MwSt.
zzgl. 6,90 € Versand (brutto)
einmalig pro Bestellung

Lieferzeit: 5 Werktage

Pos.
37
BOSCH Bolzen | Ersatzteile für GKS 140 | 1600A008RK
Hersteller: BOSCH
Artikelnummer: EB-3601FB3020-1600A008RK
Netto: 3,94 € zzgl. MwSt.
zzgl. 6,90 € Versand (brutto)
einmalig pro Bestellung

Lieferzeit: 5 Werktage

Pos.
38
BOSCH Spiralfeder | Ersatzteile für GKS 140 | 160465202A
Hersteller: BOSCH
Artikelnummer: EB-3601FB3020-160465202A
Netto: 4,32 € zzgl. MwSt.
zzgl. 6,90 € Versand (brutto)
einmalig pro Bestellung

Lieferzeit: 5 Werktage

Pos.
39
BOSCH Gummifuss | Ersatzteile für GKS 140 | 1600A008SA
Hersteller: BOSCH
Artikelnummer: EB-3601FB3020-1600A008SA
Netto: 5,19 € zzgl. MwSt.
zzgl. 6,90 € Versand (brutto)
einmalig pro Bestellung

Lieferzeit: 5 Werktage

Pos.
40
BOSCH Schraube | Ersatzteile für GKS 140 | 160343001K
Hersteller: BOSCH
Artikelnummer: EB-3601FB3020-160343001K
Netto: 3,63 € zzgl. MwSt.
zzgl. 6,90 € Versand (brutto)
einmalig pro Bestellung

Lieferzeit: 5 Werktage

Pos.
41
BOSCH Rillenkugellager | Ersatzteile für GKS 140 | 1600A008RL
Hersteller: BOSCH
Artikelnummer: EB-3601FB3020-1600A008RL
Netto: 5,67 € zzgl. MwSt.
zzgl. 6,90 € Versand (brutto)
einmalig pro Bestellung

Lieferzeit: 5 Werktage

Pos.
48
BOSCH Schraube | Ersatzteile für GKS 140 | 160343001L
Hersteller: BOSCH
Artikelnummer: EB-3601FB3020-160343001L
Netto: 3,63 € zzgl. MwSt.
zzgl. 6,90 € Versand (brutto)
einmalig pro Bestellung

Lieferzeit: 5 Werktage

Pos.
49
BOSCH Spiralfeder | Ersatzteile für GKS 140 | 160465202M
Hersteller: BOSCH
Artikelnummer: EB-3601FB3020-160465202M
Netto: 3,63 € zzgl. MwSt.
zzgl. 6,90 € Versand (brutto)
einmalig pro Bestellung

Lieferzeit: 5 Werktage

Pos.
50
BOSCH Schutzunterteil | Ersatzteile für GKS 140 | 1600A014FF
Hersteller: BOSCH
Artikelnummer: EB-3601FB3020-1600A014FF
Netto: 9,95 € zzgl. MwSt.
zzgl. 6,90 € Versand (brutto)
einmalig pro Bestellung

Lieferzeit: 5 Werktage

Pos.
51
BOSCH Hebel | Ersatzteile für GKS 140 | 1600A014FE
Hersteller: BOSCH
Artikelnummer: EB-3601FB3020-1600A014FE
Netto: 3,63 € zzgl. MwSt.
zzgl. 6,90 € Versand (brutto)
einmalig pro Bestellung

Lieferzeit: 5 Werktage

Pos.
52
BOSCH Ring | Ersatzteile für GKS 140 | 1600A008RT
Hersteller: BOSCH
Artikelnummer: EB-3601FB3020-1600A008RT
Netto: 4,32 € zzgl. MwSt.
zzgl. 6,90 € Versand (brutto)
einmalig pro Bestellung

Lieferzeit: 5 Werktage

Pos.
55
BOSCH Flansch | Ersatzteile für GKS 140 | 1600A008RV
Hersteller: BOSCH
Artikelnummer: EB-3601FB3020-1600A008RV
Netto: 5,67 € zzgl. MwSt.
zzgl. 6,90 € Versand (brutto)
einmalig pro Bestellung

Lieferzeit: 5 Werktage

Pos.
56
BOSCH Schraube | Ersatzteile für GKS 140 | 1619PB4471
Hersteller: BOSCH
Artikelnummer: EB-3601FB3020-1619PB4471
Netto: 3,94 € zzgl. MwSt.
zzgl. 6,90 € Versand (brutto)
einmalig pro Bestellung

Lieferzeit: 5 Werktage

Pos.
57
BOSCH Bolzen | Ersatzteile für GKS 140 | 1600A008RZ
Hersteller: BOSCH
Artikelnummer: EB-3601FB3020-1600A008RZ
Netto: 3,63 € zzgl. MwSt.
zzgl. 6,90 € Versand (brutto)
einmalig pro Bestellung

Lieferzeit: 5 Werktage

Pos.
59
BOSCH Knopf | Ersatzteile für GKS 140 | 1600A014FR
Hersteller: BOSCH
Artikelnummer: EB-3601FB3020-1600A014FR
Netto: 3,63 € zzgl. MwSt.
zzgl. 6,90 € Versand (brutto)
einmalig pro Bestellung

Lieferzeit: 5 Werktage

Pos.
60
BOSCH Knopf | Ersatzteile für GKS 140 | 1600A014FS
Hersteller: BOSCH
Artikelnummer: EB-3601FB3020-1600A014FS
Netto: 3,63 € zzgl. MwSt.
zzgl. 6,90 € Versand (brutto)
einmalig pro Bestellung

Lieferzeit: 5 Werktage

Pos.
64
BOSCH Spiralfeder | Ersatzteile für GKS 140 | 1604652028
Hersteller: BOSCH
Artikelnummer: EB-3601FB3020-1604652028
Netto: 3,63 € zzgl. MwSt.
zzgl. 6,90 € Versand (brutto)
einmalig pro Bestellung

Lieferzeit: 5 Werktage

Pos.
65
BOSCH Schraube | Ersatzteile für GKS 140 | 160343001N
Hersteller: BOSCH
Artikelnummer: EB-3601FB3020-160343001N
Netto: 3,63 € zzgl. MwSt.
zzgl. 6,90 € Versand (brutto)
einmalig pro Bestellung

Lieferzeit: 5 Werktage

Pos.
66
BOSCH Vorlegscheibe | Ersatzteile für GKS 140 | 1600A014FT
Hersteller: BOSCH
Artikelnummer: EB-3601FB3020-1600A014FT
Netto: 3,63 € zzgl. MwSt.
zzgl. 6,90 € Versand (brutto)
einmalig pro Bestellung

Lieferzeit: 5 Werktage

Pos.
67
BOSCH Dichtplatte | Ersatzteile für GKS 140 | 1600A0178V
Hersteller: BOSCH
Artikelnummer: EB-3601FB3020-1600A0178V
Netto: 3,63 € zzgl. MwSt.
zzgl. 6,90 € Versand (brutto)
einmalig pro Bestellung

Lieferzeit: 5 Werktage

Pos.
650
BOSCH Vakuumadapter | Ersatzteile für GKS 140 | 1619PB6988
Hersteller: BOSCH
Artikelnummer: EB-3601FB3020-1619PB6988
Netto: 4,82 € zzgl. MwSt.
zzgl. 6,90 € Versand (brutto)
einmalig pro Bestellung

Lieferzeit: 5 Werktage

Pos.
651
BOSCH Sechskantsteckschlüssel | Ersatzteile für GKS 140 | 1600A008S7
Hersteller: BOSCH
Artikelnummer: EB-3601FB3020-1600A008S7
Netto: 5,19 € zzgl. MwSt.
zzgl. 6,90 € Versand (brutto)
einmalig pro Bestellung

Lieferzeit: 5 Werktage

Pos.
652
BOSCH Führungsleiste | Ersatzteile für GKS 140 | 1600A014HJ
Hersteller: BOSCH
Artikelnummer: EB-3601FB3020-1600A014HJ
Netto: 4,53 € zzgl. MwSt.
zzgl. 6,90 € Versand (brutto)
einmalig pro Bestellung

Lieferzeit: 5 Werktage

Pos.
801
BOSCH Motorgehäuse | Ersatzteile für GKS 140 | 1619PB4034
Hersteller: BOSCH
Artikelnummer: EB-3601FB3020-1619PB4034
Netto: 15,75 € zzgl. MwSt.
zzgl. 6,90 € Versand (brutto)
einmalig pro Bestellung

Lieferzeit: 5 Werktage

Pos.
802
BOSCH Polschuh | Ersatzteile für GKS 140 | 1607000D17
Hersteller: BOSCH
Artikelnummer: EB-3601FB3020-1607000D17
Netto: 19,18 € zzgl. MwSt.
zzgl. 6,90 € Versand (brutto)
einmalig pro Bestellung

Lieferzeit: 5 Werktage

Pos.
808
BOSCH Typschild | Ersatzteile für GKS 140 | 1619PB7040
Hersteller: BOSCH
Artikelnummer: EB-3601FB3020-1619PB7040
Netto: 4,53 € zzgl. MwSt.
zzgl. 6,90 € Versand (brutto)
einmalig pro Bestellung

Lieferzeit: 5 Werktage

Pos.
810
BOSCH Kohlebürstensatz | Ersatzteile für GKS 140 | 1619PB4042
Hersteller: BOSCH
Artikelnummer: EB-3601FB3020-1619PB4042
Netto: 9,18 € zzgl. MwSt.
zzgl. 6,90 € Versand (brutto)
einmalig pro Bestellung

Lieferzeit: 5 Werktage

Pos.
850
BOSCH Getriebe | Ersatzteile für GKS 140 | 1619PB4036
Hersteller: BOSCH
Artikelnummer: EB-3601FB3020-1619PB4036
Netto: 15,75 € zzgl. MwSt.
zzgl. 6,90 € Versand (brutto)
einmalig pro Bestellung

Lieferzeit: 5 Werktage

Pos.
861
BOSCH Grundplatte | Ersatzteile für GKS 140 | 1619PB4035
Hersteller: BOSCH
Artikelnummer: EB-3601FB3020-1619PB4035
Netto: 12,98 € zzgl. MwSt.
zzgl. 6,90 € Versand (brutto)
einmalig pro Bestellung

Lieferzeit: 5 Werktage

Angaben zur Produktsicherheit

Hersteller:
Robert Bosch Power Tools GmbH
Postfach 30 02 20
70442 Stuttgart

E-Mail:
kontakt@bosch.de