BOSCH Ansatzschraube | Ersatzteile für GKS 18V-57-2 GX | 1619P09219

Artikelnummer: EB-3601FC10B0-1619P09219

Position: 67

Marke: BOSCH


Bitte Kompatibilität prüfen!

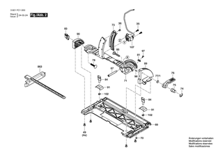
Bitte prüfen Sie unbedingt die 10-stellige Typennummer Ihrer Maschine / Ihres Gerätes. Das Ersatzteil ist nur kompatibel, wenn Sie die Typennummer Ihrer Maschine in der unten stehenden Produktbeschreibung finden.

Bitte prüfen Sie ebenfalls detailliert die Explosionszeichnung mit Ihrem Artikelwunsch und der jeweiligen Pos-Nummer.

Alle Elemente, welche vom schwarzen Strich der Pos-Nummer ausgehend berührt / erfasst werden, gehören zu dieser Pos-Nummer und somit zu diesem Artikel. Jede Pos-Nummer ist ein eigenständiger Artikel, welchen Sie in der Auflistung finden.

Sie erhalten stets die aktuellste, neueste Produktversion zu der gewählten Pos-Nummer seitens des Herstellers. Es kann daher je nach Gerätealter vorkommen, dass Sie ggf. weitere, zugehörige Elemente, welche an diese Pos-Nummer grenzen, ebenfalls mittauschen müssen.

Nähere Informationen finden Sie unter dem Link
Hinweise zu Ihrer BOSCH Ersatzteilsuche

Preisübersicht

Einzelpreis: 3,63 €* (Brutto: 4,32 €)
Gesamtpreis: 3,63 €* 
Position:

Lieferzeit: 5 Werktage


Beschreibung

  • Ansatzschraube
  • Original Bosch Zubehör / BOSCH Ersatzteil (1619P09219)
  • im Gerät verbaut: 1
Dieses BOSCH Ersatzteil ist mit folgendem Gerät und Modell kompatibel:
  • BOSCH Gerätename: GKS 18V-57-2 GX
  • BOSCH Explosionszeichnung: Position 67
  • BOSCH Typennummer: 3601FC10B0
  • BOSCH Typennummer alternative Schreibweisen: 3 601 FC1 0B0, 3601 FC1 0B0, 3.601.FC1.0B0, 3-601-FC1-0B0
    Bitte prüfen Sie diese Typennummer auf Ihrem Gerät um die Kompatibilität des BOSCH Ersatzteils zu gewährleisten.
Weitere BOSCH Ersatzteile des Gerätes GKS 18V-57-2 GX (Akku-Kreissäge) mit der Typennummer 3601FC10B0 finden Sie in der nachfolgenden Darstellung und im Dropdown zu Ihrer Auswahl:

Pos.
1
BOSCH Motorgehäuse | Ersatzteile für GKS 18V-57-2 GX | 1619PS0862
Hersteller: BOSCH
Artikelnummer: EB-3601FC10B0-1619PS0862
Netto: 6,15 € zzgl. MwSt.
zzgl. 6,90 € Versand (brutto)
einmalig pro Bestellung

Lieferzeit: 5 Werktage

Pos.
77/1
BOSCH Unterlegscheibe DIN 125-A 6,4-ST | Ersatzteile für GKS 18V-57-2 GX | 2916011014
Hersteller: BOSCH
Artikelnummer: EB-3601FC10B0-2916011014
Netto: 3,63 € zzgl. MwSt.
zzgl. 6,90 € Versand (brutto)
einmalig pro Bestellung

Lieferzeit: 5 Werktage

Pos.
2
BOSCH Ständer | Ersatzteile für GKS 18V-57-2 GX | 1619P16618
Hersteller: BOSCH
Artikelnummer: EB-3601FC10B0-1619P16618
Netto: 42,86 € zzgl. MwSt.
zzgl. 6,90 € Versand (brutto)
einmalig pro Bestellung

Lieferzeit: 5 Werktage

Pos.
3
BOSCH Rotor | Ersatzteile für GKS 18V-57-2 GX | 1619P16617
Hersteller: BOSCH
Artikelnummer: EB-3601FC10B0-1619P16617
Netto: 32,74 € zzgl. MwSt.
zzgl. 6,90 € Versand (brutto)
einmalig pro Bestellung

Lieferzeit: 5 Werktage

Pos.
4
BOSCH Elektronik-Modul | Ersatzteile für GKS 18V-57-2 GX | 1619PS0623
Hersteller: BOSCH
Artikelnummer: EB-3601FC10B0-1619PS0623
Netto: 47,09 € zzgl. MwSt.
zzgl. 6,90 € Versand (brutto)
einmalig pro Bestellung

Lieferzeit: 5 Werktage

Pos.
5
BOSCH Elektronik-Modul | Ersatzteile für GKS 18V-57-2 GX | 1619PS0624
Hersteller: BOSCH
Artikelnummer: EB-3601FC10B0-1619PS0624
Netto: 17,38 € zzgl. MwSt.
zzgl. 6,90 € Versand (brutto)
einmalig pro Bestellung

Lieferzeit: 5 Werktage

Pos.
8
BOSCH Typschild | Ersatzteile für GKS 18V-57-2 GX | 1619PS0860
Hersteller: BOSCH
Artikelnummer: EB-3601FC10B0-1619PS0860
nur Informationsartikel
Nie mehr lieferbar
keine Alternativen
Pos.
22
BOSCH Handgriff | Ersatzteile für GKS 18V-57-2 GX | 1619PS0626
Hersteller: BOSCH
Artikelnummer: EB-3601FC10B0-1619PS0626
Netto: 10,92 € zzgl. MwSt.
zzgl. 6,90 € Versand (brutto)
einmalig pro Bestellung

Lieferzeit: 5 Werktage

Pos.
23
BOSCH Abdeckung | Ersatzteile für GKS 18V-57-2 GX | 1619P17004
Hersteller: BOSCH
Artikelnummer: EB-3601FC10B0-1619P17004
Netto: 3,63 € zzgl. MwSt.
zzgl. 6,90 € Versand (brutto)
einmalig pro Bestellung

Lieferzeit: 5 Werktage

Pos.
24
BOSCH Schallwand | Ersatzteile für GKS 18V-57-2 GX | 1619P16881
Hersteller: BOSCH
Artikelnummer: EB-3601FC10B0-1619P16881
Netto: 3,94 € zzgl. MwSt.
zzgl. 6,90 € Versand (brutto)
einmalig pro Bestellung

Lieferzeit: 5 Werktage

Pos.
25
BOSCH Stellring | Ersatzteile für GKS 18V-57-2 GX | 1619P16931
Hersteller: BOSCH
Artikelnummer: EB-3601FC10B0-1619P16931
Netto: 3,63 € zzgl. MwSt.
zzgl. 6,90 € Versand (brutto)
einmalig pro Bestellung

Lieferzeit: 5 Werktage

Pos.
33
BOSCH Pleuelstange | Ersatzteile für GKS 18V-57-2 GX | 1619PS0627
Hersteller: BOSCH
Artikelnummer: EB-3601FC10B0-1619PS0627
Netto: 9,18 € zzgl. MwSt.
zzgl. 6,90 € Versand (brutto)
einmalig pro Bestellung

Lieferzeit: 5 Werktage

Pos.
34
BOSCH Kappe | Ersatzteile für GKS 18V-57-2 GX | 1619P06225
Hersteller: BOSCH
Artikelnummer: EB-3601FC10B0-1619P06225
Netto: 3,63 € zzgl. MwSt.
zzgl. 6,90 € Versand (brutto)
einmalig pro Bestellung

Lieferzeit: 5 Werktage

Pos.
35
BOSCH Schraube | Ersatzteile für GKS 18V-57-2 GX | 1619P01678
Hersteller: BOSCH
Artikelnummer: EB-3601FC10B0-1619P01678
Netto: 3,63 € zzgl. MwSt.
zzgl. 6,90 € Versand (brutto)
einmalig pro Bestellung

Lieferzeit: 5 Werktage

Pos.
36
BOSCH Torx-Zylinderschraube M3X5-8.8-Z | Ersatzteile für GKS 18V-57-2 GX | 2603414048
Hersteller: BOSCH
Artikelnummer: EB-3601FC10B0-2603414048
Netto: 3,63 € zzgl. MwSt.
zzgl. 6,90 € Versand (brutto)
einmalig pro Bestellung

Lieferzeit: 5 Werktage

Pos.
37
BOSCH Absaugstutzen | Ersatzteile für GKS 18V-57-2 GX | 1619PS0628
Hersteller: BOSCH
Artikelnummer: EB-3601FC10B0-1619PS0628
Netto: 7,30 € zzgl. MwSt.
zzgl. 6,90 € Versand (brutto)
einmalig pro Bestellung

Lieferzeit: 5 Werktage

Pos.
38
BOSCH Führungsbügel | Ersatzteile für GKS 18V-57-2 GX | 1619P16906
Hersteller: BOSCH
Artikelnummer: EB-3601FC10B0-1619P16906
Netto: 4,53 € zzgl. MwSt.
zzgl. 6,90 € Versand (brutto)
einmalig pro Bestellung

Lieferzeit: 5 Werktage

Pos.
39
BOSCH Druckfeder | Ersatzteile für GKS 18V-57-2 GX | 1619P01642
Hersteller: BOSCH
Artikelnummer: EB-3601FC10B0-1619P01642
Netto: 3,63 € zzgl. MwSt.
zzgl. 6,90 € Versand (brutto)
einmalig pro Bestellung

Lieferzeit: 5 Werktage

Pos.
49
BOSCH Zylinderschraube | Ersatzteile für GKS 18V-57-2 GX | 1619X06538
Hersteller: BOSCH
Artikelnummer: EB-3601FC10B0-1619X06538
Netto: 3,94 € zzgl. MwSt.
zzgl. 6,90 € Versand (brutto)
einmalig pro Bestellung

Lieferzeit: 5 Werktage

Pos.
50
BOSCH Innenscheibe | Ersatzteile für GKS 18V-57-2 GX | 1619P16909
Hersteller: BOSCH
Artikelnummer: EB-3601FC10B0-1619P16909
Netto: 4,82 € zzgl. MwSt.
zzgl. 6,90 € Versand (brutto)
einmalig pro Bestellung

Lieferzeit: 5 Werktage

Pos.
51
BOSCH Sicherungsscheibe | Ersatzteile für GKS 18V-57-2 GX | 1619P17074
Hersteller: BOSCH
Artikelnummer: EB-3601FC10B0-1619P17074
Netto: 6,15 € zzgl. MwSt.
zzgl. 6,90 € Versand (brutto)
einmalig pro Bestellung

Lieferzeit: 5 Werktage

Pos.
52
BOSCH Schraube | Ersatzteile für GKS 18V-57-2 GX | 1619P06232
Hersteller: BOSCH
Artikelnummer: EB-3601FC10B0-1619P06232
Netto: 4,32 € zzgl. MwSt.
zzgl. 6,90 € Versand (brutto)
einmalig pro Bestellung

Lieferzeit: 5 Werktage

Pos.
54
BOSCH Sicherungsscheibe | Ersatzteile für GKS 18V-57-2 GX | 1619P06238
Hersteller: BOSCH
Artikelnummer: EB-3601FC10B0-1619P06238
Netto: 3,63 € zzgl. MwSt.
zzgl. 6,90 € Versand (brutto)
einmalig pro Bestellung

Lieferzeit: 5 Werktage

Pos.
55
BOSCH Kappe | Ersatzteile für GKS 18V-57-2 GX | 1619PS0629
Hersteller: BOSCH
Artikelnummer: EB-3601FC10B0-1619PS0629
Netto: 4,32 € zzgl. MwSt.
zzgl. 6,90 € Versand (brutto)
einmalig pro Bestellung

Lieferzeit: 5 Werktage

Pos.
57
BOSCH O-Ring 35,0X1,0 MM | Ersatzteile für GKS 18V-57-2 GX | 1600210050
Hersteller: BOSCH
Artikelnummer: EB-3601FC10B0-1600210050
Netto: 3,63 € zzgl. MwSt.
zzgl. 6,90 € Versand (brutto)
einmalig pro Bestellung

Lieferzeit: 5 Werktage

Pos.
58
BOSCH Schutzunterteil | Ersatzteile für GKS 18V-57-2 GX | 1619PS0630
Hersteller: BOSCH
Artikelnummer: EB-3601FC10B0-1619PS0630
Netto: 11,92 € zzgl. MwSt.
zzgl. 6,90 € Versand (brutto)
einmalig pro Bestellung

Lieferzeit: 5 Werktage

Pos.
59
BOSCH O-Ring | Ersatzteile für GKS 18V-57-2 GX | F000640007
Hersteller: BOSCH
Artikelnummer: EB-3601FC10B0-F000640007
Netto: 3,63 € zzgl. MwSt.
zzgl. 6,90 € Versand (brutto)
einmalig pro Bestellung

Lieferzeit: 5 Werktage

Pos.
60
BOSCH Zugfeder | Ersatzteile für GKS 18V-57-2 GX | 1619PS0631
Hersteller: BOSCH
Artikelnummer: EB-3601FC10B0-1619PS0631
Netto: 3,94 € zzgl. MwSt.
zzgl. 6,90 € Versand (brutto)
einmalig pro Bestellung

Lieferzeit: 5 Werktage

Pos.
61
BOSCH Anschlagpuffer SCHWARZ | Ersatzteile für GKS 18V-57-2 GX | 1619P06236
Hersteller: BOSCH
Artikelnummer: EB-3601FC10B0-1619P06236
Netto: 4,32 € zzgl. MwSt.
zzgl. 6,90 € Versand (brutto)
einmalig pro Bestellung

Lieferzeit: 5 Werktage

Pos.
62
BOSCH Druckfeder | Ersatzteile für GKS 18V-57-2 GX | 2610935251
Hersteller: BOSCH
Artikelnummer: EB-3601FC10B0-2610935251
Netto: 3,94 € zzgl. MwSt.
zzgl. 6,90 € Versand (brutto)
einmalig pro Bestellung

Lieferzeit: 5 Werktage

Pos.
63
BOSCH Hebel | Ersatzteile für GKS 18V-57-2 GX | 1619PS0632
Hersteller: BOSCH
Artikelnummer: EB-3601FC10B0-1619PS0632
Netto: 4,32 € zzgl. MwSt.
zzgl. 6,90 € Versand (brutto)
einmalig pro Bestellung

Lieferzeit: 5 Werktage

Pos.
64
BOSCH Torsionsfeder | Ersatzteile für GKS 18V-57-2 GX | 1619PS0633
Hersteller: BOSCH
Artikelnummer: EB-3601FC10B0-1619PS0633
Netto: 3,94 € zzgl. MwSt.
zzgl. 6,90 € Versand (brutto)
einmalig pro Bestellung

Lieferzeit: 5 Werktage

Pos.
65
BOSCH Verriegelungsschieber | Ersatzteile für GKS 18V-57-2 GX | 1619PS0634
Hersteller: BOSCH
Artikelnummer: EB-3601FC10B0-1619PS0634
Netto: 4,32 € zzgl. MwSt.
zzgl. 6,90 € Versand (brutto)
einmalig pro Bestellung

Lieferzeit: 5 Werktage

Pos.
66
BOSCH Schutzoberteil | Ersatzteile für GKS 18V-57-2 GX | 1619PS0635
Hersteller: BOSCH
Artikelnummer: EB-3601FC10B0-1619PS0635
Netto: 19,18 € zzgl. MwSt.
zzgl. 6,90 € Versand (brutto)
einmalig pro Bestellung

Lieferzeit: 5 Werktage

Pos.
67
BOSCH Ansatzschraube | Ersatzteile für GKS 18V-57-2 GX | 1619P09219
Hersteller: BOSCH
Artikelnummer: EB-3601FC10B0-1619P09219
Netto: 3,63 € zzgl. MwSt.
zzgl. 6,90 € Versand (brutto)
einmalig pro Bestellung

Lieferzeit: 5 Werktage

Pos.
68
BOSCH Gegenmutter | Ersatzteile für GKS 18V-57-2 GX | 2610924684
Hersteller: BOSCH
Artikelnummer: EB-3601FC10B0-2610924684
Netto: 3,94 € zzgl. MwSt.
zzgl. 6,90 € Versand (brutto)
einmalig pro Bestellung

Lieferzeit: 5 Werktage

Pos.
69
BOSCH Grundplatte | Ersatzteile für GKS 18V-57-2 GX | 1619PS0636
Hersteller: BOSCH
Artikelnummer: EB-3601FC10B0-1619PS0636
Netto: 21,16 € zzgl. MwSt.
zzgl. 6,90 € Versand (brutto)
einmalig pro Bestellung

Lieferzeit: 5 Werktage

Pos.
70
BOSCH Abgleichschraube | Ersatzteile für GKS 18V-57-2 GX | 2610924685
Hersteller: BOSCH
Artikelnummer: EB-3601FC10B0-2610924685
Netto: 3,63 € zzgl. MwSt.
zzgl. 6,90 € Versand (brutto)
einmalig pro Bestellung

Lieferzeit: 5 Werktage

Pos.
71
BOSCH Brücke | Ersatzteile für GKS 18V-57-2 GX | 1619PS0637
Hersteller: BOSCH
Artikelnummer: EB-3601FC10B0-1619PS0637
Netto: 14,36 € zzgl. MwSt.
zzgl. 6,90 € Versand (brutto)
einmalig pro Bestellung

Lieferzeit: 5 Werktage

Pos.
72
BOSCH Druckfeder | Ersatzteile für GKS 18V-57-2 GX | 2604690055
Hersteller: BOSCH
Artikelnummer: EB-3601FC10B0-2604690055
Netto: 3,63 € zzgl. MwSt.
zzgl. 6,90 € Versand (brutto)
einmalig pro Bestellung

Lieferzeit: 5 Werktage

Pos.
73
BOSCH Skala | Ersatzteile für GKS 18V-57-2 GX | 1619PS0638
Hersteller: BOSCH
Artikelnummer: EB-3601FC10B0-1619PS0638
Netto: 4,53 € zzgl. MwSt.
zzgl. 6,90 € Versand (brutto)
einmalig pro Bestellung

Lieferzeit: 5 Werktage

Pos.
74
BOSCH Sprengring | Ersatzteile für GKS 18V-57-2 GX | 1619P02796
Hersteller: BOSCH
Artikelnummer: EB-3601FC10B0-1619P02796
Netto: 3,63 € zzgl. MwSt.
zzgl. 6,90 € Versand (brutto)
einmalig pro Bestellung

Lieferzeit: 5 Werktage

Pos.
75
BOSCH Einstellmutter | Ersatzteile für GKS 18V-57-2 GX | 1619PS0639
Hersteller: BOSCH
Artikelnummer: EB-3601FC10B0-1619PS0639
Netto: 4,53 € zzgl. MwSt.
zzgl. 6,90 € Versand (brutto)
einmalig pro Bestellung

Lieferzeit: 5 Werktage

Pos.
76
BOSCH Hebel | Ersatzteile für GKS 18V-57-2 GX | 1619P17173
Hersteller: BOSCH
Artikelnummer: EB-3601FC10B0-1619P17173
Netto: 3,63 € zzgl. MwSt.
zzgl. 6,90 € Versand (brutto)
einmalig pro Bestellung

Lieferzeit: 5 Werktage

Pos.
77
BOSCH Unterlegscheibe | Ersatzteile für GKS 18V-57-2 GX | 1619P11626
Hersteller: BOSCH
Artikelnummer: EB-3601FC10B0-1619P11626
Netto: 3,63 € zzgl. MwSt.
zzgl. 6,90 € Versand (brutto)
einmalig pro Bestellung

Lieferzeit: 5 Werktage

Pos.
78
BOSCH Flachrundschraube M6X30 | Ersatzteile für GKS 18V-57-2 GX | 1619P09218
Hersteller: BOSCH
Artikelnummer: EB-3601FC10B0-1619P09218
Netto: 3,94 € zzgl. MwSt.
zzgl. 6,90 € Versand (brutto)
einmalig pro Bestellung

Lieferzeit: 5 Werktage

Pos.
79
BOSCH Schalterknopf | Ersatzteile für GKS 18V-57-2 GX | 1619P16910
Hersteller: BOSCH
Artikelnummer: EB-3601FC10B0-1619P16910
Netto: 3,63 € zzgl. MwSt.
zzgl. 6,90 € Versand (brutto)
einmalig pro Bestellung

Lieferzeit: 5 Werktage

Pos.
80
BOSCH Leitungshalter | Ersatzteile für GKS 18V-57-2 GX | 1619PS0640
Hersteller: BOSCH
Artikelnummer: EB-3601FC10B0-1619PS0640
Netto: 3,94 € zzgl. MwSt.
zzgl. 6,90 € Versand (brutto)
einmalig pro Bestellung

Lieferzeit: 5 Werktage

Pos.
81
BOSCH Anzeigegerät | Ersatzteile für GKS 18V-57-2 GX | 1619PS0641
Hersteller: BOSCH
Artikelnummer: EB-3601FC10B0-1619PS0641
Netto: 4,32 € zzgl. MwSt.
zzgl. 6,90 € Versand (brutto)
einmalig pro Bestellung

Lieferzeit: 5 Werktage

Pos.
83
BOSCH Flügelmutter | Ersatzteile für GKS 18V-57-2 GX | 1619P06244
Hersteller: BOSCH
Artikelnummer: EB-3601FC10B0-1619P06244
Netto: 3,94 € zzgl. MwSt.
zzgl. 6,90 € Versand (brutto)
einmalig pro Bestellung

Lieferzeit: 5 Werktage

Pos.
84
BOSCH Flügelschraube M 6X16 MM | Ersatzteile für GKS 18V-57-2 GX | 2603480003
Hersteller: BOSCH
Artikelnummer: EB-3601FC10B0-2603480003
Netto: 4,53 € zzgl. MwSt.
zzgl. 6,90 € Versand (brutto)
einmalig pro Bestellung

Lieferzeit: 5 Werktage

Pos.
85
BOSCH Schraube | Ersatzteile für GKS 18V-57-2 GX | 1619PS0642
Hersteller: BOSCH
Artikelnummer: EB-3601FC10B0-1619PS0642
Netto: 5,67 € zzgl. MwSt.
zzgl. 6,90 € Versand (brutto)
einmalig pro Bestellung

Lieferzeit: 5 Werktage

Pos.
87
BOSCH Schraube 4X16 | Ersatzteile für GKS 18V-57-2 GX | 2603490022
Hersteller: BOSCH
Artikelnummer: EB-3601FC10B0-2603490022
Netto: 3,63 € zzgl. MwSt.
zzgl. 6,90 € Versand (brutto)
einmalig pro Bestellung

Lieferzeit: 5 Werktage

Pos.
88
BOSCH Einklebeblatt | Ersatzteile für GKS 18V-57-2 GX | 1619PS0643
Hersteller: BOSCH
Artikelnummer: EB-3601FC10B0-1619PS0643
Netto: 3,94 € zzgl. MwSt.
zzgl. 6,90 € Versand (brutto)
einmalig pro Bestellung

Lieferzeit: 5 Werktage

Pos.
89
BOSCH Scharnierkonsole | Ersatzteile für GKS 18V-57-2 GX | 1619PS0644
Hersteller: BOSCH
Artikelnummer: EB-3601FC10B0-1619PS0644
Netto: 5,19 € zzgl. MwSt.
zzgl. 6,90 € Versand (brutto)
einmalig pro Bestellung

Lieferzeit: 5 Werktage

Pos.
90
BOSCH Scharnierkonsole | Ersatzteile für GKS 18V-57-2 GX | 1619PS0645
Hersteller: BOSCH
Artikelnummer: EB-3601FC10B0-1619PS0645
Netto: 4,53 € zzgl. MwSt.
zzgl. 6,90 € Versand (brutto)
einmalig pro Bestellung

Lieferzeit: 5 Werktage

Pos.
91
BOSCH Knotenblech | Ersatzteile für GKS 18V-57-2 GX | 1619PS0646
Hersteller: BOSCH
Artikelnummer: EB-3601FC10B0-1619PS0646
Netto: 4,32 € zzgl. MwSt.
zzgl. 6,90 € Versand (brutto)
einmalig pro Bestellung

Lieferzeit: 5 Werktage

Pos.
92
BOSCH Lagerbuchse | Ersatzteile für GKS 18V-57-2 GX | 1619PS0647
Hersteller: BOSCH
Artikelnummer: EB-3601FC10B0-1619PS0647
Netto: 4,32 € zzgl. MwSt.
zzgl. 6,90 € Versand (brutto)
einmalig pro Bestellung

Lieferzeit: 5 Werktage

Pos.
94
BOSCH Schraube | Ersatzteile für GKS 18V-57-2 GX | 1619P06246
Hersteller: BOSCH
Artikelnummer: EB-3601FC10B0-1619P06246
Netto: 4,32 € zzgl. MwSt.
zzgl. 6,90 € Versand (brutto)
einmalig pro Bestellung

Lieferzeit: 5 Werktage

Pos.
95
BOSCH Schraube | Ersatzteile für GKS 18V-57-2 GX | 2610925864
Hersteller: BOSCH
Artikelnummer: EB-3601FC10B0-2610925864
Netto: 3,63 € zzgl. MwSt.
zzgl. 6,90 € Versand (brutto)
einmalig pro Bestellung

Lieferzeit: 5 Werktage

Pos.
96
BOSCH Senkschraube | Ersatzteile für GKS 18V-57-2 GX | 2610924687
Hersteller: BOSCH
Artikelnummer: EB-3601FC10B0-2610924687
Netto: 3,63 € zzgl. MwSt.
zzgl. 6,90 € Versand (brutto)
einmalig pro Bestellung

Lieferzeit: 5 Werktage

Pos.
97
BOSCH Gewindefurchschraube | Ersatzteile für GKS 18V-57-2 GX | 1619P11431
Hersteller: BOSCH
Artikelnummer: EB-3601FC10B0-1619P11431
Netto: 3,63 € zzgl. MwSt.
zzgl. 6,90 € Versand (brutto)
einmalig pro Bestellung

Lieferzeit: 5 Werktage

Pos.
98
BOSCH Rastkappe | Ersatzteile für GKS 18V-57-2 GX | 1619X08636
Hersteller: BOSCH
Artikelnummer: EB-3601FC10B0-1619X08636
Netto: 4,32 € zzgl. MwSt.
zzgl. 6,90 € Versand (brutto)
einmalig pro Bestellung

Lieferzeit: 5 Werktage

Pos.
102
BOSCH Druckfeder | Ersatzteile für GKS 18V-57-2 GX | 1604611025
Hersteller: BOSCH
Artikelnummer: EB-3601FC10B0-1604611025
Netto: 3,94 € zzgl. MwSt.
zzgl. 6,90 € Versand (brutto)
einmalig pro Bestellung

Lieferzeit: 5 Werktage

Pos.
103
BOSCH Druckfeder | Ersatzteile für GKS 18V-57-2 GX | 1619PS0648
Hersteller: BOSCH
Artikelnummer: EB-3601FC10B0-1619PS0648
Netto: 3,94 € zzgl. MwSt.
zzgl. 6,90 € Versand (brutto)
einmalig pro Bestellung

Lieferzeit: 5 Werktage

Pos.
107
BOSCH Sperrelement | Ersatzteile für GKS 18V-57-2 GX | 1619PS0649
Hersteller: BOSCH
Artikelnummer: EB-3601FC10B0-1619PS0649
Netto: 8,33 € zzgl. MwSt.
zzgl. 6,90 € Versand (brutto)
einmalig pro Bestellung

Lieferzeit: 5 Werktage

Pos.
853
BOSCH Lagerflansch | Ersatzteile für GKS 18V-57-2 GX | 1619PS0622
Hersteller: BOSCH
Artikelnummer: EB-3601FC10B0-1619PS0622
Netto: 17,38 € zzgl. MwSt.
zzgl. 6,90 € Versand (brutto)
einmalig pro Bestellung

Lieferzeit: 5 Werktage

Pos.
863
BOSCH Parallelanschlag | Ersatzteile für GKS 18V-57-2 GX | 1619PS0863
Hersteller: BOSCH
Artikelnummer: EB-3601FC10B0-1619PS0863
Netto: 17,38 € zzgl. MwSt.
zzgl. 6,90 € Versand (brutto)
einmalig pro Bestellung

Lieferzeit: 5 Werktage

Angaben zur Produktsicherheit

Hersteller:
Robert Bosch Power Tools GmbH
Postfach 30 02 20
70442 Stuttgart

E-Mail:
kontakt@bosch.de