BOSCH Lager | Ersatzteile für GKS 190 | 1619P01260

Artikelnummer: EB-3601E23XE0-1619P01260

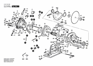
Position: 75

Marke: BOSCH


Bitte Kompatibilität prüfen!

Bitte prüfen Sie unbedingt die 10-stellige Typennummer Ihrer Maschine / Ihres Gerätes. Das Ersatzteil ist nur kompatibel, wenn Sie die Typennummer Ihrer Maschine in der unten stehenden Produktbeschreibung finden.

Bitte prüfen Sie ebenfalls detailliert die Explosionszeichnung mit Ihrem Artikelwunsch und der jeweiligen Pos-Nummer.

Alle Elemente, welche vom schwarzen Strich der Pos-Nummer ausgehend berührt / erfasst werden, gehören zu dieser Pos-Nummer und somit zu diesem Artikel. Jede Pos-Nummer ist ein eigenständiger Artikel, welchen Sie in der Auflistung finden.

Sie erhalten stets die aktuellste, neueste Produktversion zu der gewählten Pos-Nummer seitens des Herstellers. Es kann daher je nach Gerätealter vorkommen, dass Sie ggf. weitere, zugehörige Elemente, welche an diese Pos-Nummer grenzen, ebenfalls mittauschen müssen.

Nähere Informationen finden Sie unter dem Link
Hinweise zu Ihrer BOSCH Ersatzteilsuche

Preisübersicht

Einzelpreis: 7,30 €* (Brutto: 8,69 €)
Gesamtpreis: 7,30 €* 
Position:

Lieferzeit: 5 Werktage


Beschreibung

  • Lager
  • Original Bosch Zubehör / BOSCH Ersatzteil (1619P01260)
  • im Gerät verbaut: 1
Dieses BOSCH Ersatzteil ist mit folgendem Gerät und Modell kompatibel:
  • BOSCH Gerätename: GKS 190
  • BOSCH Explosionszeichnung: Position 75
  • BOSCH Typennummer: 3601E23XE0
  • BOSCH Typennummer alternative Schreibweisen: 3 601 E23 XE0, 3601 E23 XE0, 3.601.E23.XE0, 3-601-E23-XE0
    Bitte prüfen Sie diese Typennummer auf Ihrem Gerät um die Kompatibilität des BOSCH Ersatzteils zu gewährleisten.
Weitere BOSCH Ersatzteile des Gerätes GKS 190 (Handkreissäge) mit der Typennummer 3601E23XE0 finden Sie in der nachfolgenden Darstellung und im Dropdown zu Ihrer Auswahl:

Pos.
1
BOSCH Motorgehäuse | Ersatzteile für GKS 190 | 1619P01130
Hersteller: BOSCH
Artikelnummer: EB-3601E23XE0-1619P01130
Netto: 16,70 € zzgl. MwSt.
zzgl. 6,90 € Versand (brutto)
einmalig pro Bestellung

Lieferzeit: 5 Werktage

Pos.
830/832
BOSCH Schraube | Ersatzteile für GKS 190 | 1619P01323
Hersteller: BOSCH
Artikelnummer: EB-3601E23XE0-1619P01323
nur Informationsartikel
Nie mehr lieferbar
keine Alternativen
Pos.
830/833
BOSCH Vorlegscheibe | Ersatzteile für GKS 190 | 1619P01324
Hersteller: BOSCH
Artikelnummer: EB-3601E23XE0-1619P01324
Netto: 3,60 € zzgl. MwSt.
zzgl. 6,90 € Versand (brutto)
einmalig pro Bestellung

Lieferzeit: 5 Werktage

Pos.
2
BOSCH Polschuh 220-240V | Ersatzteile für GKS 190 | 1619P01131
Hersteller: BOSCH
Artikelnummer: EB-3601E23XE0-1619P01131
Netto: 42,86 € zzgl. MwSt.
zzgl. 6,90 € Versand (brutto)
einmalig pro Bestellung

Lieferzeit: 5 Werktage

Pos.
4
BOSCH Ein/Aus-Schalter | Ersatzteile für GKS 190 | 1619P01161
Hersteller: BOSCH
Artikelnummer: EB-3601E23XE0-1619P01161
nur Informationsartikel
Nie mehr lieferbar
keine Alternativen
Pos.
5
BOSCH Netzanschlussleitung | Ersatzteile für GKS 190 | 1619P01174
Hersteller: BOSCH
Artikelnummer: EB-3601E23XE0-1619P01174
nur Informationsartikel
Nie mehr lieferbar
keine Alternativen
Pos.
6
BOSCH Tülle | Ersatzteile für GKS 190 | 1619P01173
Hersteller: BOSCH
Artikelnummer: EB-3601E23XE0-1619P01173
nur Informationsartikel
Nie mehr lieferbar
keine Alternativen
Pos.
7
BOSCH Leitungshalter | Ersatzteile für GKS 190 | 1619P01182
Hersteller: BOSCH
Artikelnummer: EB-3601E23XE0-1619P01182
Netto: 3,63 € zzgl. MwSt.
zzgl. 6,90 € Versand (brutto)
einmalig pro Bestellung

Lieferzeit: 5 Werktage

Pos.
9
BOSCH Firmenschild | Ersatzteile für GKS 190 | 1619P01080
Hersteller: BOSCH
Artikelnummer: EB-3601E23XE0-1619P01080
Netto: 5,13 € zzgl. MwSt.
zzgl. 6,90 € Versand (brutto)
einmalig pro Bestellung

Lieferzeit: 5 Werktage

Pos.
13
BOSCH Rillenkugellager | Ersatzteile für GKS 190 | 1619P01192
Hersteller: BOSCH
Artikelnummer: EB-3601E23XE0-1619P01192
nur Informationsartikel
Nie mehr lieferbar
keine Alternativen
Pos.
14
BOSCH Rillenkugellager | Ersatzteile für GKS 190 | 1619P01193
Hersteller: BOSCH
Artikelnummer: EB-3601E23XE0-1619P01193
nur Informationsartikel
Nie mehr lieferbar
keine Alternativen
Pos.
16
BOSCH Bürstenhalter | Ersatzteile für GKS 190 | 1619P01194
Hersteller: BOSCH
Artikelnummer: EB-3601E23XE0-1619P01194
nur Informationsartikel
Nie mehr lieferbar
keine Alternativen
Pos.
17
BOSCH Schraubstopfen | Ersatzteile für GKS 190 | 1619P01195
Hersteller: BOSCH
Artikelnummer: EB-3601E23XE0-1619P01195
nur Informationsartikel
Nie mehr lieferbar
keine Alternativen
Pos.
19
BOSCH Blechschraube | Ersatzteile für GKS 190 | 1619P01196
Hersteller: BOSCH
Artikelnummer: EB-3601E23XE0-1619P01196
Netto: 3,59 € zzgl. MwSt.
zzgl. 6,90 € Versand (brutto)
einmalig pro Bestellung

Lieferzeit: 5 Werktage

Pos.
21
BOSCH Griff | Ersatzteile für GKS 190 | 1619P01197
Hersteller: BOSCH
Artikelnummer: EB-3601E23XE0-1619P01197
nur Informationsartikel
Nie mehr lieferbar
keine Alternativen
Pos.
23
BOSCH Lüfterdeckel | Ersatzteile für GKS 190 | 1619P01198
Hersteller: BOSCH
Artikelnummer: EB-3601E23XE0-1619P01198
nur Informationsartikel
Nie mehr lieferbar
keine Alternativen
Pos.
24
BOSCH Gehäuseoberteil | Ersatzteile für GKS 190 | 1619P01199
Hersteller: BOSCH
Artikelnummer: EB-3601E23XE0-1619P01199
nur Informationsartikel
Nie mehr lieferbar
keine Alternativen
Pos.
25
BOSCH Scheibe | Ersatzteile für GKS 190 | 1619P01203
Hersteller: BOSCH
Artikelnummer: EB-3601E23XE0-1619P01203
nur Informationsartikel
Nie mehr lieferbar
keine Alternativen
Pos.
26
BOSCH Gummifeder | Ersatzteile für GKS 190 | 1619P01204
Hersteller: BOSCH
Artikelnummer: EB-3601E23XE0-1619P01204
Netto: 3,60 € zzgl. MwSt.
zzgl. 6,90 € Versand (brutto)
einmalig pro Bestellung

Lieferzeit: 5 Werktage

Pos.
28
BOSCH Anschlussklemme | Ersatzteile für GKS 190 | 1619P01205
Hersteller: BOSCH
Artikelnummer: EB-3601E23XE0-1619P01205
Netto: 3,59 € zzgl. MwSt.
zzgl. 6,90 € Versand (brutto)
einmalig pro Bestellung

Lieferzeit: 5 Werktage

Pos.
29
BOSCH Riegel | Ersatzteile für GKS 190 | 1619P01206
Hersteller: BOSCH
Artikelnummer: EB-3601E23XE0-1619P01206
Netto: 5,19 € zzgl. MwSt.
zzgl. 6,90 € Versand (brutto)
einmalig pro Bestellung

Lieferzeit: 5 Werktage

Pos.
30
BOSCH Feder | Ersatzteile für GKS 190 | 1619P01207
Hersteller: BOSCH
Artikelnummer: EB-3601E23XE0-1619P01207
nur Informationsartikel
Nie mehr lieferbar
keine Alternativen
Pos.
32
BOSCH Schutzhaube SILBER | Ersatzteile für GKS 190 | 1619P01209
Hersteller: BOSCH
Artikelnummer: EB-3601E23XE0-1619P01209
nur Informationsartikel
Nie mehr lieferbar
keine Alternativen
Pos.
33
BOSCH Haltegriff | Ersatzteile für GKS 190 | 1619P01212
Hersteller: BOSCH
Artikelnummer: EB-3601E23XE0-1619P01212
nur Informationsartikel
Nie mehr lieferbar
keine Alternativen
Pos.
34
BOSCH Feder | Ersatzteile für GKS 190 | 1619P01213
Hersteller: BOSCH
Artikelnummer: EB-3601E23XE0-1619P01213
Netto: 3,63 € zzgl. MwSt.
zzgl. 6,90 € Versand (brutto)
einmalig pro Bestellung

Lieferzeit: 5 Werktage

Pos.
35
BOSCH Sprengring | Ersatzteile für GKS 190 | 1619P01214
Hersteller: BOSCH
Artikelnummer: EB-3601E23XE0-1619P01214
nur Informationsartikel
Nie mehr lieferbar
keine Alternativen
Pos.
36
BOSCH Führungsbuchse | Ersatzteile für GKS 190 | 1619P01218
Hersteller: BOSCH
Artikelnummer: EB-3601E23XE0-1619P01218
nur Informationsartikel
Nie mehr lieferbar
keine Alternativen
Pos.
37
BOSCH Flankenscheibe | Ersatzteile für GKS 190 | 1619P01220
Hersteller: BOSCH
Artikelnummer: EB-3601E23XE0-1619P01220
nur Informationsartikel
Nie mehr lieferbar
keine Alternativen
Pos.
39
BOSCH Anschlag | Ersatzteile für GKS 190 | 1619P01230
Hersteller: BOSCH
Artikelnummer: EB-3601E23XE0-1619P01230
Netto: 3,63 € zzgl. MwSt.
zzgl. 6,90 € Versand (brutto)
einmalig pro Bestellung

Lieferzeit: 5 Werktage

Pos.
40
BOSCH Federsteg | Ersatzteile für GKS 190 | 1619P01231
Hersteller: BOSCH
Artikelnummer: EB-3601E23XE0-1619P01231
nur Informationsartikel
Nie mehr lieferbar
keine Alternativen
Pos.
42
BOSCH Bodenplatte | Ersatzteile für GKS 190 | 1619P01232
Hersteller: BOSCH
Artikelnummer: EB-3601E23XE0-1619P01232
nur Informationsartikel
Nie mehr lieferbar
keine Alternativen
Pos.
43
BOSCH Flügelmutter | Ersatzteile für GKS 190 | 1619P01238
Hersteller: BOSCH
Artikelnummer: EB-3601E23XE0-1619P01238
nur Informationsartikel
Nie mehr lieferbar
keine Alternativen
Pos.
44
BOSCH Laufbolzen | Ersatzteile für GKS 190 | 1619P01239
Hersteller: BOSCH
Artikelnummer: EB-3601E23XE0-1619P01239
Netto: 3,63 € zzgl. MwSt.
zzgl. 6,90 € Versand (brutto)
einmalig pro Bestellung

Lieferzeit: 5 Werktage

Pos.
45
BOSCH Scheibe | Ersatzteile für GKS 190 | 1619P01240
Hersteller: BOSCH
Artikelnummer: EB-3601E23XE0-1619P01240
Netto: 3,60 € zzgl. MwSt.
zzgl. 6,90 € Versand (brutto)
einmalig pro Bestellung

Lieferzeit: 5 Werktage

Pos.
47
BOSCH Mutter | Ersatzteile für GKS 190 | 1619P01241
Hersteller: BOSCH
Artikelnummer: EB-3601E23XE0-1619P01241
Netto: 3,59 € zzgl. MwSt.
zzgl. 6,90 € Versand (brutto)
einmalig pro Bestellung

Lieferzeit: 5 Werktage

Pos.
48
BOSCH Laufbolzen | Ersatzteile für GKS 190 | 1619P01242
Hersteller: BOSCH
Artikelnummer: EB-3601E23XE0-1619P01242
nur Informationsartikel
Nie mehr lieferbar
keine Alternativen
Pos.
49
BOSCH Feder | Ersatzteile für GKS 190 | 1619P01243
Hersteller: BOSCH
Artikelnummer: EB-3601E23XE0-1619P01243
Netto: 3,60 € zzgl. MwSt.
zzgl. 6,90 € Versand (brutto)
einmalig pro Bestellung

Lieferzeit: 5 Werktage

Pos.
50
BOSCH Feder | Ersatzteile für GKS 190 | 1619P01244
Hersteller: BOSCH
Artikelnummer: EB-3601E23XE0-1619P01244
Netto: 3,63 € zzgl. MwSt.
zzgl. 6,90 € Versand (brutto)
einmalig pro Bestellung

Lieferzeit: 5 Werktage

Pos.
54
BOSCH Laufbolzen | Ersatzteile für GKS 190 | 1619P01245
Hersteller: BOSCH
Artikelnummer: EB-3601E23XE0-1619P01245
nur Informationsartikel
Nie mehr lieferbar
keine Alternativen
Pos.
55
BOSCH Verschlusshebel | Ersatzteile für GKS 190 | 1619P01246
Hersteller: BOSCH
Artikelnummer: EB-3601E23XE0-1619P01246
nur Informationsartikel
Nie mehr lieferbar
keine Alternativen
Pos.
58
BOSCH Innensechskantschraube | Ersatzteile für GKS 190 | 1619P01247
Hersteller: BOSCH
Artikelnummer: EB-3601E23XE0-1619P01247
Netto: 3,60 € zzgl. MwSt.
zzgl. 6,90 € Versand (brutto)
einmalig pro Bestellung

Lieferzeit: 5 Werktage

Pos.
59
BOSCH Blechschraube | Ersatzteile für GKS 190 | 1619P01248
Hersteller: BOSCH
Artikelnummer: EB-3601E23XE0-1619P01248
Netto: 3,60 € zzgl. MwSt.
zzgl. 6,90 € Versand (brutto)
einmalig pro Bestellung

Lieferzeit: 5 Werktage

Pos.
60
BOSCH Blechschraube | Ersatzteile für GKS 190 | 1619P01249
Hersteller: BOSCH
Artikelnummer: EB-3601E23XE0-1619P01249
Netto: 3,60 € zzgl. MwSt.
zzgl. 6,90 € Versand (brutto)
einmalig pro Bestellung

Lieferzeit: 5 Werktage

Pos.
61
BOSCH Blechschraube | Ersatzteile für GKS 190 | 1619P01250
Hersteller: BOSCH
Artikelnummer: EB-3601E23XE0-1619P01250
nur Informationsartikel
Nie mehr lieferbar
keine Alternativen
Pos.
62
BOSCH Blechschraube | Ersatzteile für GKS 190 | 1619P01251
Hersteller: BOSCH
Artikelnummer: EB-3601E23XE0-1619P01251
nur Informationsartikel
Nie mehr lieferbar
keine Alternativen
Pos.
63
BOSCH Blechschraube | Ersatzteile für GKS 190 | 1619P01252
Hersteller: BOSCH
Artikelnummer: EB-3601E23XE0-1619P01252
nur Informationsartikel
Nie mehr lieferbar
keine Alternativen
Pos.
64
BOSCH Blechschraube | Ersatzteile für GKS 190 | 1619P01253
Hersteller: BOSCH
Artikelnummer: EB-3601E23XE0-1619P01253
Netto: 3,59 € zzgl. MwSt.
zzgl. 6,90 € Versand (brutto)
einmalig pro Bestellung

Lieferzeit: 5 Werktage

Pos.
65
BOSCH Federscheibe | Ersatzteile für GKS 190 | 1619P01254
Hersteller: BOSCH
Artikelnummer: EB-3601E23XE0-1619P01254
Netto: 3,59 € zzgl. MwSt.
zzgl. 6,90 € Versand (brutto)
einmalig pro Bestellung

Lieferzeit: 5 Werktage

Pos.
70
BOSCH Lager | Ersatzteile für GKS 190 | 1619P01255
Hersteller: BOSCH
Artikelnummer: EB-3601E23XE0-1619P01255
nur Informationsartikel
Nie mehr lieferbar
keine Alternativen
Pos.
71
BOSCH Getriebe | Ersatzteile für GKS 190 | 1619P01256
Hersteller: BOSCH
Artikelnummer: EB-3601E23XE0-1619P01256
nur Informationsartikel
Nie mehr lieferbar
keine Alternativen
Pos.
72
BOSCH Spindel | Ersatzteile für GKS 190 | 1619P01257
Hersteller: BOSCH
Artikelnummer: EB-3601E23XE0-1619P01257
Netto: 8,23 € zzgl. MwSt.
zzgl. 6,90 € Versand (brutto)
einmalig pro Bestellung

Lieferzeit: 5 Werktage

Pos.
73
BOSCH Sprengring | Ersatzteile für GKS 190 | 1619P01258
Hersteller: BOSCH
Artikelnummer: EB-3601E23XE0-1619P01258
Netto: 3,59 € zzgl. MwSt.
zzgl. 6,90 € Versand (brutto)
einmalig pro Bestellung

Lieferzeit: 5 Werktage

Pos.
74
BOSCH Wellenscheibe | Ersatzteile für GKS 190 | 1619P01259
Hersteller: BOSCH
Artikelnummer: EB-3601E23XE0-1619P01259
Netto: 3,60 € zzgl. MwSt.
zzgl. 6,90 € Versand (brutto)
einmalig pro Bestellung

Lieferzeit: 5 Werktage

Pos.
75
BOSCH Lager | Ersatzteile für GKS 190 | 1619P01260
Hersteller: BOSCH
Artikelnummer: EB-3601E23XE0-1619P01260
Netto: 7,30 € zzgl. MwSt.
zzgl. 6,90 € Versand (brutto)
einmalig pro Bestellung

Lieferzeit: 5 Werktage

Pos.
76
BOSCH Getriebedeckel | Ersatzteile für GKS 190 | 1619P01261
Hersteller: BOSCH
Artikelnummer: EB-3601E23XE0-1619P01261
nur Informationsartikel
Nie mehr lieferbar
keine Alternativen
Pos.
77
BOSCH Auskleidung | Ersatzteile für GKS 190 | 1619P01262
Hersteller: BOSCH
Artikelnummer: EB-3601E23XE0-1619P01262
nur Informationsartikel
Nie mehr lieferbar
keine Alternativen
Pos.
80
BOSCH Umschalter | Ersatzteile für GKS 190 | 1619P01264
Hersteller: BOSCH
Artikelnummer: EB-3601E23XE0-1619P01264
Netto: 3,60 € zzgl. MwSt.
zzgl. 6,90 € Versand (brutto)
einmalig pro Bestellung

Lieferzeit: 5 Werktage

Pos.
81
BOSCH Feder | Ersatzteile für GKS 190 | 1619P01265
Hersteller: BOSCH
Artikelnummer: EB-3601E23XE0-1619P01265
nur Informationsartikel
Nie mehr lieferbar
keine Alternativen
Pos.
83
BOSCH O-Ring | Ersatzteile für GKS 190 | 1619P01266
Hersteller: BOSCH
Artikelnummer: EB-3601E23XE0-1619P01266
nur Informationsartikel
Nie mehr lieferbar
keine Alternativen
Pos.
84
BOSCH Draht | Ersatzteile für GKS 190 | 1619P01267
Hersteller: BOSCH
Artikelnummer: EB-3601E23XE0-1619P01267
Netto: 3,59 € zzgl. MwSt.
zzgl. 6,90 € Versand (brutto)
einmalig pro Bestellung

Lieferzeit: 5 Werktage

Pos.
85
BOSCH Unterlegscheibe | Ersatzteile für GKS 190 | 1619P01268
Hersteller: BOSCH
Artikelnummer: EB-3601E23XE0-1619P01268
Netto: 3,60 € zzgl. MwSt.
zzgl. 6,90 € Versand (brutto)
einmalig pro Bestellung

Lieferzeit: 5 Werktage

Pos.
86
BOSCH Firmenschild | Ersatzteile für GKS 190 | 1619P01082
Hersteller: BOSCH
Artikelnummer: EB-3601E23XE0-1619P01082
Netto: 5,21 € zzgl. MwSt.
zzgl. 6,90 € Versand (brutto)
einmalig pro Bestellung

Lieferzeit: 5 Werktage

Pos.
661
BOSCH Parallelanschlag | Ersatzteile für GKS 190 | 1619P01070
Hersteller: BOSCH
Artikelnummer: EB-3601E23XE0-1619P01070
nur Informationsartikel
Nie mehr lieferbar
keine Alternativen
Pos.
662
BOSCH Schutzhaube | Ersatzteile für GKS 190 | 1619P01076
Hersteller: BOSCH
Artikelnummer: EB-3601E23XE0-1619P01076
Netto: 3,60 € zzgl. MwSt.
zzgl. 6,90 € Versand (brutto)
einmalig pro Bestellung

Lieferzeit: 5 Werktage

Pos.
663
BOSCH Griffkappe | Ersatzteile für GKS 190 | 1619P01077
Hersteller: BOSCH
Artikelnummer: EB-3601E23XE0-1619P01077
Netto: 3,60 € zzgl. MwSt.
zzgl. 6,90 € Versand (brutto)
einmalig pro Bestellung

Lieferzeit: 5 Werktage

Pos.
803
BOSCH Anker Mit Lüfter 220-240V | Ersatzteile für GKS 190 | 1619P01310
Hersteller: BOSCH
Artikelnummer: EB-3601E23XE0-1619P01310
nur Informationsartikel
Nie mehr lieferbar
keine Alternativen
Pos.
806
BOSCH Zahnradsatz | Ersatzteile für GKS 190 | 1619P01316
Hersteller: BOSCH
Artikelnummer: EB-3601E23XE0-1619P01316
nur Informationsartikel
Nie mehr lieferbar
keine Alternativen
Pos.
808
BOSCH Typschild | Ersatzteile für GKS 190 | 1619P01610
Hersteller: BOSCH
Artikelnummer: EB-3601E23XE0-1619P01610
nur Informationsartikel
Nie mehr lieferbar
keine Alternativen
Pos.
810
BOSCH Kohlebürstensatz | Ersatzteile für GKS 190 | 1619P01317
Hersteller: BOSCH
Artikelnummer: EB-3601E23XE0-1619P01317
nur Informationsartikel
Nie mehr lieferbar
keine Alternativen
Pos.
830
BOSCH Zusatzhandgriff | Ersatzteile für GKS 190 | 1619P01072
Hersteller: BOSCH
Artikelnummer: EB-3601E23XE0-1619P01072
Netto: 8,94 € zzgl. MwSt.
zzgl. 6,90 € Versand (brutto)
einmalig pro Bestellung

Lieferzeit: 5 Werktage

Pos.
838
BOSCH Innensechskantschraube M6x14 MM | Ersatzteile für GKS 190 | 1603414007
Hersteller: BOSCH
Artikelnummer: EB-3601E23XE0-1603414007
Netto: 3,94 € zzgl. MwSt.
zzgl. 6,90 € Versand (brutto)
einmalig pro Bestellung

Lieferzeit: 5 Werktage

Pos.
840
BOSCH Vakuumadapter | Ersatzteile für GKS 190 | 1619P01074
Hersteller: BOSCH
Artikelnummer: EB-3601E23XE0-1619P01074
Netto: 6,27 € zzgl. MwSt.
zzgl. 6,90 € Versand (brutto)
einmalig pro Bestellung

Lieferzeit: 5 Werktage

Pos.
841
BOSCH Vakuumadapter | Ersatzteile für GKS 190 | 1619P01325
Hersteller: BOSCH
Artikelnummer: EB-3601E23XE0-1619P01325
nur Informationsartikel
Nie mehr lieferbar
keine Alternativen

Angaben zur Produktsicherheit

Hersteller:
Robert Bosch Power Tools GmbH
Postfach 30 02 20
70442 Stuttgart

E-Mail:
kontakt@bosch.de