BOSCH: Versand-Pause / Inventur von 05.12.2025 - 15.12.2025 - es erfolgt kein Versand in dieser Zeit. Bitte addieren Sie das Zeitfenster zu der angegebenen Lieferzeit im Artikel.
BOSCH Torx-Linsenschraube M4X12 | Ersatzteile für GKS 55 BARE | 2610386516

Artikelnummer: EB-3601F64000-2610386516

Position: 65

Marke: BOSCH


Bitte Kompatibilität prüfen!

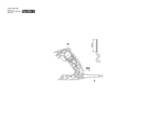
Bitte prüfen Sie unbedingt die 10-stellige Typennummer Ihrer Maschine / Ihres Gerätes. Das Ersatzteil ist nur kompatibel, wenn Sie die Typennummer Ihrer Maschine in der unten stehenden Produktbeschreibung finden.

Bitte prüfen Sie ebenfalls detailliert die Explosionszeichnung mit Ihrem Artikelwunsch und der jeweiligen Pos-Nummer.

Alle Elemente, welche vom schwarzen Strich der Pos-Nummer ausgehend berührt / erfasst werden, gehören zu dieser Pos-Nummer und somit zu diesem Artikel. Jede Pos-Nummer ist ein eigenständiger Artikel, welchen Sie in der Auflistung finden.

Sie erhalten stets die aktuellste, neueste Produktversion zu der gewählten Pos-Nummer seitens des Herstellers. Es kann daher je nach Gerätealter vorkommen, dass Sie ggf. weitere, zugehörige Elemente, welche an diese Pos-Nummer grenzen, ebenfalls mittauschen müssen.

Nähere Informationen finden Sie unter dem Link
Hinweise zu Ihrer BOSCH Ersatzteilsuche

Preisübersicht

Einzelpreis: 3,94 €* (Brutto: 4,69 €)
Gesamtpreis: 3,94 €* 
Position:

Lieferzeit: 5 Werktage


Beschreibung

  • Torx-Linsenschraube M4X12
  • Original Bosch Zubehör / BOSCH Ersatzteil (2610386516)
  • im Gerät verbaut: 1
Dieses BOSCH Ersatzteil ist mit folgendem Gerät und Modell kompatibel:
  • BOSCH Gerätename: GKS 55 BARE
  • BOSCH Explosionszeichnung: Position 65
  • BOSCH Typennummer: 3601F64000
  • BOSCH Typennummer alternative Schreibweisen: 3 601 F64 000, 3601 F64 000, 3.601.F64.000, 3-601-F64-000
    Bitte prüfen Sie diese Typennummer auf Ihrem Gerät um die Kompatibilität des BOSCH Ersatzteils zu gewährleisten.
Weitere BOSCH Ersatzteile des Gerätes GKS 55 BARE (Handkreissäge) mit der Typennummer 3601F64000 finden Sie in der nachfolgenden Darstellung und im Dropdown zu Ihrer Auswahl:

Pos.
1
BOSCH Motorgehäuse BLAU | Ersatzteile für GKS 55 | 1605108244
Hersteller: BOSCH
Artikelnummer: EB-3601F64000-1605108244
Netto: 20,80 € zzgl. MwSt.
zzgl. 6,90 € Versand (brutto)
einmalig pro Bestellung

Lieferzeit: 5 Werktage

Pos.
2
BOSCH Polschuh | Ersatzteile für GKS 55 | 1619P08345
Hersteller: BOSCH
Artikelnummer: EB-3601F64000-1619P08345
Netto: 23,72 € zzgl. MwSt.
zzgl. 6,90 € Versand (brutto)
einmalig pro Bestellung

Lieferzeit: 5 Werktage

Pos.
4
BOSCH Schalter | Ersatzteile für GKS 55 | 1607200198
Hersteller: BOSCH
Artikelnummer: EB-3601F64000-1607200198
Netto: 13,81 € zzgl. MwSt.
zzgl. 6,90 € Versand (brutto)
einmalig pro Bestellung

Lieferzeit: 5 Werktage

Pos.
5
BOSCH Netzanschlussleitung EU 230V 4,15m 2 x 1,0mm H05 RN-F | Ersatzteile für GKS 55 | 1607000386
Hersteller: BOSCH
Artikelnummer: EB-3601F64000-1607000386
Netto: 16,70 € zzgl. MwSt.
zzgl. 6,90 € Versand (brutto)
einmalig pro Bestellung

Lieferzeit: 5 Werktage

Pos.
6
BOSCH Tülle Ø6,4-Ø7,2x76 MM | Ersatzteile für GKS 55 | 2600703017
Hersteller: BOSCH
Artikelnummer: EB-3601F64000-2600703017
Netto: 4,56 € zzgl. MwSt.
zzgl. 6,90 € Versand (brutto)
einmalig pro Bestellung

Lieferzeit: 5 Werktage

Pos.
9
BOSCH Firmenschild GKS 55 | Ersatzteile für GKS 55 | 1601118A97
Hersteller: BOSCH
Artikelnummer: EB-3601F64000-1601118A97
Netto: 4,80 € zzgl. MwSt.
zzgl. 6,90 € Versand (brutto)
einmalig pro Bestellung

Lieferzeit: 5 Werktage

Pos.
13
BOSCH Rillenkugellager 7x19x6 | Ersatzteile für GKS 55 | 2600905032
Hersteller: BOSCH
Artikelnummer: EB-3601F64000-2600905032
Netto: 6,27 € zzgl. MwSt.
zzgl. 6,90 € Versand (brutto)
einmalig pro Bestellung

Lieferzeit: 34 Werktage

Pos.
15
BOSCH Lüfter | Ersatzteile für GKS 55 | 1606610145
Hersteller: BOSCH
Artikelnummer: EB-3601F64000-1606610145
Netto: 4,80 € zzgl. MwSt.
zzgl. 6,90 € Versand (brutto)
einmalig pro Bestellung

Lieferzeit: 5 Werktage

Pos.
21
BOSCH Schutzhaube | Ersatzteile für GKS 55 | 1605510335
Hersteller: BOSCH
Artikelnummer: EB-3601F64000-1605510335
Netto: 28,93 € zzgl. MwSt.
zzgl. 6,90 € Versand (brutto)
einmalig pro Bestellung

Lieferzeit: 5 Werktage

Pos.
23
BOSCH Handgriff BLAU | Ersatzteile für GKS 55 | 1605500247
Hersteller: BOSCH
Artikelnummer: EB-3601F64000-1605500247
Netto: 11,58 € zzgl. MwSt.
zzgl. 6,90 € Versand (brutto)
einmalig pro Bestellung

Lieferzeit: 5 Werktage

Pos.
24
BOSCH Pendelschutzhaube | Ersatzteile für GKS 55 | 1605510337
Hersteller: BOSCH
Artikelnummer: EB-3601F64000-1605510337
Netto: 28,93 € zzgl. MwSt.
zzgl. 6,90 € Versand (brutto)
einmalig pro Bestellung

Lieferzeit: 5 Werktage

Pos.
25
BOSCH Kontaktfeder | Ersatzteile für GKS 55 | 1601290010
Hersteller: BOSCH
Artikelnummer: EB-3601F64000-1601290010
Netto: 3,94 € zzgl. MwSt.
zzgl. 6,90 € Versand (brutto)
einmalig pro Bestellung

Lieferzeit: 5 Werktage

Pos.
26
BOSCH Verbindungsleitung | Ersatzteile für GKS 55 | 1604449024
Hersteller: BOSCH
Artikelnummer: EB-3601F64000-1604449024
Netto: 4,36 € zzgl. MwSt.
zzgl. 6,90 € Versand (brutto)
einmalig pro Bestellung

Lieferzeit: 5 Werktage

Pos.
27
BOSCH Verbindungsleitung | Ersatzteile für GKS 55 | 1604449015
Hersteller: BOSCH
Artikelnummer: EB-3601F64000-1604449015
Netto: 4,36 € zzgl. MwSt.
zzgl. 6,90 € Versand (brutto)
einmalig pro Bestellung

Lieferzeit: 5 Werktage

Pos.
28
BOSCH Verbindungsleitung | Ersatzteile für GKS 55 | 1604449025
Hersteller: BOSCH
Artikelnummer: EB-3601F64000-1604449025
Netto: 4,36 € zzgl. MwSt.
zzgl. 6,90 € Versand (brutto)
einmalig pro Bestellung

Lieferzeit: 5 Werktage

Pos.
29
BOSCH Sperrklinke | Ersatzteile für GKS 55 | 1601900005
Hersteller: BOSCH
Artikelnummer: EB-3601F64000-1601900005
Netto: 4,14 € zzgl. MwSt.
zzgl. 6,90 € Versand (brutto)
einmalig pro Bestellung

Lieferzeit: 5 Werktage

Pos.
30
BOSCH Filzdichtung | Ersatzteile für GKS 55 | 1601015033
Hersteller: BOSCH
Artikelnummer: EB-3601F64000-1601015033
Netto: 3,94 € zzgl. MwSt.
zzgl. 6,90 € Versand (brutto)
einmalig pro Bestellung

Lieferzeit: 5 Werktage

Pos.
31
BOSCH Druckfeder | Ersatzteile für GKS 55 | 1604610018
Hersteller: BOSCH
Artikelnummer: EB-3601F64000-1604610018
Netto: 3,94 € zzgl. MwSt.
zzgl. 6,90 € Versand (brutto)
einmalig pro Bestellung

Lieferzeit: 5 Werktage

Pos.
32
BOSCH Druckknopf | Ersatzteile für GKS 55 | 1603231019
Hersteller: BOSCH
Artikelnummer: EB-3601F64000-1603231019
nur Informationsartikel
Nie mehr lieferbar
keine Alternativen
Pos.
33
BOSCH Gehäusedeckel SCHWARZ | Ersatzteile für GKS 55 | 1605500242
Hersteller: BOSCH
Artikelnummer: EB-3601F64000-1605500242
Netto: 9,05 € zzgl. MwSt.
zzgl. 6,90 € Versand (brutto)
einmalig pro Bestellung

Lieferzeit: 5 Werktage

Pos.
36
BOSCH Antriebswelle | Ersatzteile für GKS 55 | 1603124140
Hersteller: BOSCH
Artikelnummer: EB-3601F64000-1603124140
Netto: 9,05 € zzgl. MwSt.
zzgl. 6,90 € Versand (brutto)
einmalig pro Bestellung

Lieferzeit: 5 Werktage

Pos.
37
BOSCH Stirnrad | Ersatzteile für GKS 55 | 1606320601
Hersteller: BOSCH
Artikelnummer: EB-3601F64000-1606320601
nur Informationsartikel
Nie mehr lieferbar
keine Alternativen
Pos.
38
BOSCH Rillenkugellager 12x28x8 | Ersatzteile für GKS 55 | 1600905031
Hersteller: BOSCH
Artikelnummer: EB-3601F64000-1600905031
Netto: 7,26 € zzgl. MwSt.
zzgl. 6,90 € Versand (brutto)
einmalig pro Bestellung

Lieferzeit: 5 Werktage

Pos.
39
BOSCH Rasterscheibe | Ersatzteile für GKS 55 | 1600190044
Hersteller: BOSCH
Artikelnummer: EB-3601F64000-1600190044
Netto: 3,94 € zzgl. MwSt.
zzgl. 6,90 € Versand (brutto)
einmalig pro Bestellung

Lieferzeit: 5 Werktage

Pos.
40
BOSCH Gehrungswinkel | Ersatzteile für GKS 55 | 1608190027
Hersteller: BOSCH
Artikelnummer: EB-3601F64000-1608190027
nur Informationsartikel
Nie mehr lieferbar
keine Alternativen
Pos.
43
BOSCH Abstandshülse | Ersatzteile für GKS 55 | 1600360004
Hersteller: BOSCH
Artikelnummer: EB-3601F64000-1600360004
Netto: 4,56 € zzgl. MwSt.
zzgl. 6,90 € Versand (brutto)
einmalig pro Bestellung

Lieferzeit: 5 Werktage

Pos.
44
BOSCH Spannhebel | Ersatzteile für GKS 55 | 1602002006
Hersteller: BOSCH
Artikelnummer: EB-3601F64000-1602002006
Netto: 3,94 € zzgl. MwSt.
zzgl. 6,90 € Versand (brutto)
einmalig pro Bestellung

Lieferzeit: 5 Werktage

Pos.
45
BOSCH Gummipuffer | Ersatzteile für GKS 55 | 1600305002
Hersteller: BOSCH
Artikelnummer: EB-3601F64000-1600305002
nur Informationsartikel
Nie mehr lieferbar
keine Alternativen
Pos.
46
BOSCH Klemmring | Ersatzteile für GKS 55 | 1600102024
Hersteller: BOSCH
Artikelnummer: EB-3601F64000-1600102024
Netto: 4,36 € zzgl. MwSt.
zzgl. 6,90 € Versand (brutto)
einmalig pro Bestellung

Lieferzeit: 5 Werktage

Pos.
47
BOSCH Zugfeder | Ersatzteile für GKS 55 | 1604650018
Hersteller: BOSCH
Artikelnummer: EB-3601F64000-1604650018
Netto: 4,56 € zzgl. MwSt.
zzgl. 6,90 € Versand (brutto)
einmalig pro Bestellung

Lieferzeit: 5 Werktage

Pos.
48
BOSCH Aufnahmeflansch | Ersatzteile für GKS 55 | 1605703133
Hersteller: BOSCH
Artikelnummer: EB-3601F64000-1605703133
Netto: 6,75 € zzgl. MwSt.
zzgl. 6,90 € Versand (brutto)
einmalig pro Bestellung

Lieferzeit: 5 Werktage

Pos.
50
BOSCH Spannscheibe | Ersatzteile für GKS 55 | 1605703108
Hersteller: BOSCH
Artikelnummer: EB-3601F64000-1605703108
Netto: 4,80 € zzgl. MwSt.
zzgl. 6,90 € Versand (brutto)
einmalig pro Bestellung

Lieferzeit: 5 Werktage

Pos.
51
BOSCH Innensechskantschraube M6x14 MM | Ersatzteile für GKS 55 | 1603414007
Hersteller: BOSCH
Artikelnummer: EB-3601F64000-1603414007
Netto: 3,94 € zzgl. MwSt.
zzgl. 6,90 € Versand (brutto)
einmalig pro Bestellung

Lieferzeit: 5 Werktage

Pos.
52
BOSCH Winkelschraubendreher DIN 911-SW5 SCHWARZ | Ersatzteile für GKS 55 | 1907950006
Hersteller: BOSCH
Artikelnummer: EB-3601F64000-1907950006
Netto: 5,65 € zzgl. MwSt.
zzgl. 6,90 € Versand (brutto)
einmalig pro Bestellung

Lieferzeit: 5 Werktage

Pos.
54
BOSCH Flügelmutter M6 | Ersatzteile für GKS 55 | 1603339005
Hersteller: BOSCH
Artikelnummer: EB-3601F64000-1603339005
Netto: 4,80 € zzgl. MwSt.
zzgl. 6,90 € Versand (brutto)
einmalig pro Bestellung

Lieferzeit: 5 Werktage

Pos.
57
BOSCH Torx-Linsenschraube 4x16 | Ersatzteile für GKS 55 | 2603490022
Hersteller: BOSCH
Artikelnummer: EB-3601F64000-2603490022
Netto: 3,60 € zzgl. MwSt.
zzgl. 6,90 € Versand (brutto)
einmalig pro Bestellung

Lieferzeit: 5 Werktage

Pos.
59
BOSCH Gewindefurchschraube M6x25 MM | Ersatzteile für GKS 55 | 1603414010
Hersteller: BOSCH
Artikelnummer: EB-3601F64000-1603414010
Netto: 3,94 € zzgl. MwSt.
zzgl. 6,90 € Versand (brutto)
einmalig pro Bestellung

Lieferzeit: 5 Werktage

Pos.
60
BOSCH Flachrundschraube DIN 603-M6x20 | Ersatzteile für GKS 55 | 2910281201
Hersteller: BOSCH
Artikelnummer: EB-3601F64000-2910281201
Netto: 3,60 € zzgl. MwSt.
zzgl. 6,90 € Versand (brutto)
einmalig pro Bestellung

Lieferzeit: 5 Werktage

Pos.
61
BOSCH Spannstift 6x36 DIN 7346 | Ersatzteile für GKS 55 | 2917780157
Hersteller: BOSCH
Artikelnummer: EB-3601F64000-2917780157
Netto: 3,60 € zzgl. MwSt.
zzgl. 6,90 € Versand (brutto)
einmalig pro Bestellung

Lieferzeit: 5 Werktage

Pos.
62
BOSCH Unterlegscheibe | Ersatzteile für GKS 55 | 2916011894
Hersteller: BOSCH
Artikelnummer: EB-3601F64000-2916011894
Netto: 3,60 € zzgl. MwSt.
zzgl. 6,90 € Versand (brutto)
einmalig pro Bestellung

Lieferzeit: 5 Werktage

Pos.
64
BOSCH Hebel | Ersatzteile für GKS 55 | 1602002011
Hersteller: BOSCH
Artikelnummer: EB-3601F64000-1602002011
Netto: 4,36 € zzgl. MwSt.
zzgl. 6,90 € Versand (brutto)
einmalig pro Bestellung

Lieferzeit: 5 Werktage

Pos.
65
BOSCH Gewindefurchschraube DIN 7500-M 4x12 | Ersatzteile für GKS 55 | 2914491409
Hersteller: BOSCH
Artikelnummer: EB-3601F64000-2914491409
Netto: 3,59 € zzgl. MwSt.
zzgl. 6,90 € Versand (brutto)
einmalig pro Bestellung

Lieferzeit: 5 Werktage

Pos.
68
BOSCH Verbindungsleitung | Ersatzteile für GKS 55 | 1604449013
Hersteller: BOSCH
Artikelnummer: EB-3601F64000-1604449013
Netto: 3,94 € zzgl. MwSt.
zzgl. 6,90 € Versand (brutto)
einmalig pro Bestellung

Lieferzeit: 5 Werktage

Pos.
73
BOSCH Torx-Linsenschraube 3x10 | Ersatzteile für GKS 55 | 2603490017
Hersteller: BOSCH
Artikelnummer: EB-3601F64000-2603490017
Netto: 4,36 € zzgl. MwSt.
zzgl. 6,90 € Versand (brutto)
einmalig pro Bestellung

Lieferzeit: 5 Werktage

Pos.
650
BOSCH Längsanschlag | Ersatzteile für GKS 55 | 2608190002
Hersteller: BOSCH
Artikelnummer: EB-3601F64000-2608190002
nur Informationsartikel
Nie mehr lieferbar
keine Alternativen
Pos.
653
BOSCH Adapter | Ersatzteile für GKS 55 | 1608005008
Hersteller: BOSCH
Artikelnummer: EB-3601F64000-1608005008
Netto: 4,80 € zzgl. MwSt.
zzgl. 6,90 € Versand (brutto)
einmalig pro Bestellung

Lieferzeit: 5 Werktage

Pos.
803
BOSCH Anker Mit Lüfter 230V | Ersatzteile für GKS 55 | 1607000A56
Hersteller: BOSCH
Artikelnummer: EB-3601F64000-1607000A56
Netto: 82,83 € zzgl. MwSt.
zzgl. 6,90 € Versand (brutto)
einmalig pro Bestellung

Lieferzeit: 5 Werktage

Pos.
808
BOSCH Typschild 26x52 MM | Ersatzteile für GKS 55 | 1601106032
Hersteller: BOSCH
Artikelnummer: EB-3601F64000-1601106032
nur Informationsartikel
Nie mehr lieferbar
keine Alternativen
Pos.
812
BOSCH Entstörfilter | Ersatzteile für GKS 55 | 1607328028
Hersteller: BOSCH
Artikelnummer: EB-3601F64000-1607328028
Netto: 6,27 € zzgl. MwSt.
zzgl. 6,90 € Versand (brutto)
einmalig pro Bestellung

Lieferzeit: 44 Werktage

Pos.
816
BOSCH Kohlebürstensatz | Ersatzteile für GKS 55 | 1607014176
Hersteller: BOSCH
Artikelnummer: EB-3601F64000-1607014176
Netto: 11,58 € zzgl. MwSt.
zzgl. 6,90 € Versand (brutto)
einmalig pro Bestellung

Lieferzeit: 8 Werktage

Pos.
817
BOSCH Bürstenplatte MIT ABSCHALTORGAN | Ersatzteile für GKS 55 | 1604336049
Hersteller: BOSCH
Artikelnummer: EB-3601F64000-1604336049
Netto: 13,81 € zzgl. MwSt.
zzgl. 6,90 € Versand (brutto)
einmalig pro Bestellung

Lieferzeit: 5 Werktage

Pos.
818
BOSCH Zylinderschraube M3x6,5-4.8 | Ersatzteile für GKS 55 | 2603410001
Hersteller: BOSCH
Artikelnummer: EB-3601F64000-2603410001
Netto: 3,94 € zzgl. MwSt.
zzgl. 6,90 € Versand (brutto)
einmalig pro Bestellung

Lieferzeit: 5 Werktage

Pos.
52
BOSCH Innensechskantschlüssel | Ersatzteile für GKS 55 | 2610364015
Hersteller: BOSCH
Artikelnummer: EB-3601F64000-2610364015
Netto: 5,17 € zzgl. MwSt.
zzgl. 6,90 € Versand (brutto)
einmalig pro Bestellung

Lieferzeit: 5 Werktage

Pos.
822
BOSCH Grundplatte | Ersatzteile für GKS 55 | 1607000741
Hersteller: BOSCH
Artikelnummer: EB-3601F64000-1607000741
nur Informationsartikel
Nie mehr lieferbar
keine Alternativen
Pos.
834
BOSCH Lagerbrücke | Ersatzteile für GKS 55 | 1607000A53
Hersteller: BOSCH
Artikelnummer: EB-3601F64000-1607000A53
Netto: 13,81 € zzgl. MwSt.
zzgl. 6,90 € Versand (brutto)
einmalig pro Bestellung

Lieferzeit: 5 Werktage

Pos.
899
BOSCH Fetttube 225 ML | Ersatzteile für GKS 55 | 1605430003
Hersteller: BOSCH
Artikelnummer: EB-3601F64000-1605430003
Netto: 28,93 € zzgl. MwSt.
zzgl. 6,90 € Versand (brutto)
einmalig pro Bestellung

Lieferzeit: 5 Werktage

Pos.
55
BOSCH Flügelschraube | Ersatzteile für GKS 55 | 1603480017
Hersteller: BOSCH
Artikelnummer: EB-3601F64000-1603480017
nur Informationsartikel
Nie mehr lieferbar
keine Alternativen
Pos.
65
BOSCH Torx-Linsenschraube M4X12 | Ersatzteile für GKS 55 BARE | 2610386516
Hersteller: BOSCH
Artikelnummer: EB-3601F64000-2610386516
Netto: 3,94 € zzgl. MwSt.
zzgl. 6,90 € Versand (brutto)
einmalig pro Bestellung

Lieferzeit: 5 Werktage

Pos.
808
BOSCH Typschild | Ersatzteile für GKS 55 | 160111A3H3
Hersteller: BOSCH
Artikelnummer: EB-3601F64000-160111A3H3
Netto: 4,56 € zzgl. MwSt.
zzgl. 6,90 € Versand (brutto)
einmalig pro Bestellung

Lieferzeit: 5 Werktage

Angaben zur Produktsicherheit

Hersteller:
Robert Bosch Power Tools GmbH
Postfach 30 02 20
70442 Stuttgart

E-Mail:
kontakt@bosch.de