BOSCH Radial-Wellendichtring | Ersatzteile für GKS 65 | 1600290016

Artikelnummer: EB-0601568037-1600290016

Position: 68

Marke: BOSCH


Bitte Kompatibilität prüfen!

Bitte prüfen Sie unbedingt die 10-stellige Typennummer Ihrer Maschine / Ihres Gerätes. Das Ersatzteil ist nur kompatibel, wenn Sie die Typennummer Ihrer Maschine in der unten stehenden Produktbeschreibung finden.

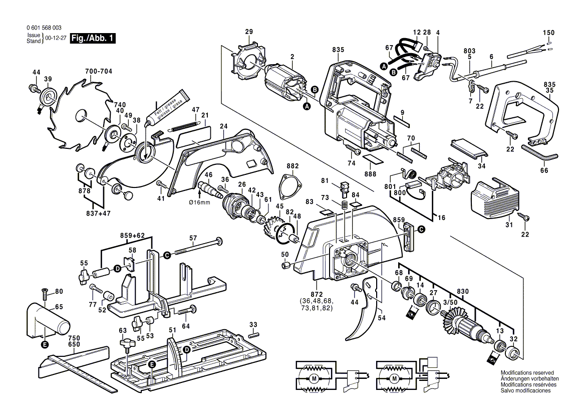
Bitte prüfen Sie ebenfalls detailliert die Explosionszeichnung mit Ihrem Artikelwunsch und der jeweiligen Pos-Nummer.

Alle Elemente, welche vom schwarzen Strich der Pos-Nummer ausgehend berührt / erfasst werden, gehören zu dieser Pos-Nummer und somit zu diesem Artikel. Jede Pos-Nummer ist ein eigenständiger Artikel, welchen Sie in der Auflistung finden.

Sie erhalten stets die aktuellste, neueste Produktversion zu der gewählten Pos-Nummer seitens des Herstellers. Es kann daher je nach Gerätealter vorkommen, dass Sie ggf. weitere, zugehörige Elemente, welche an diese Pos-Nummer grenzen, ebenfalls mittauschen müssen.

Nähere Informationen finden Sie unter dem Link
Hinweise zu Ihrer BOSCH Ersatzteilsuche

Preisübersicht

Einzelpreis: 4,56 €* (Brutto: 5,43 €)
Gesamtpreis: 4,56 €* 
Position:

Lieferzeit: 5 Werktage


Beschreibung

  • Radial-Wellendichtring
  • Original Bosch Zubehör / BOSCH Ersatzteil (1600290016)
  • im Gerät verbaut: 1
Dieses BOSCH Ersatzteil ist mit folgendem Gerät und Modell kompatibel:
  • BOSCH Gerätename: GKS 65
  • BOSCH Explosionszeichnung: Position 68
  • BOSCH Typennummer: 0601568037
  • BOSCH Typennummer alternative Schreibweisen: 0 601 568 037, 0601 568 037, 0.601.568.037, 0-601-568-037
    Bitte prüfen Sie diese Typennummer auf Ihrem Gerät um die Kompatibilität des BOSCH Ersatzteils zu gewährleisten.
Weitere BOSCH Ersatzteile des Gerätes GKS 65 (Handkreissäge) mit der Typennummer 0601568037 finden Sie in der nachfolgenden Darstellung und im Dropdown zu Ihrer Auswahl:

Pos.
3/50
BOSCH Lüfter | Ersatzteile für GKS 65 | 1606610122
Hersteller: BOSCH
Artikelnummer: EB-0601568037-1606610122
Netto: 4,80 € zzgl. MwSt.
zzgl. 6,90 € Versand (brutto)
einmalig pro Bestellung

Lieferzeit: 5 Werktage

Pos.
2
BOSCH Polschuh 240V | Ersatzteile für GKS 65 | 1604220356
Hersteller: BOSCH
Artikelnummer: EB-0601568037-1604220356
nur Informationsartikel
Nie mehr lieferbar
keine Alternativen
Pos.
4
BOSCH Schalter | Ersatzteile für GKS 65 | 2607200169
Hersteller: BOSCH
Artikelnummer: EB-0601568037-2607200169
nur Informationsartikel
Nie mehr lieferbar
keine Alternativen
Pos.
5
BOSCH Netzanschlussleitung AUS 2,65m 2 x 1,0mm PVC | Ersatzteile für GKS 65 | 1604460033
Hersteller: BOSCH
Artikelnummer: EB-0601568037-1604460033
Netto: 12,18 € zzgl. MwSt.
zzgl. 6,90 € Versand (brutto)
einmalig pro Bestellung

Lieferzeit: 5 Werktage

Pos.
6
BOSCH Tülle Ø6,5-Ø6,9x95 MM | Ersatzteile für GKS 65 | 2600703012
Hersteller: BOSCH
Artikelnummer: EB-0601568037-2600703012
Netto: 4,80 € zzgl. MwSt.
zzgl. 6,90 € Versand (brutto)
einmalig pro Bestellung

Lieferzeit: 5 Werktage

Pos.
6
BOSCH Tülle Ø8,3-Ø9,4x95 MM | Ersatzteile für GKS 65 | 2600703011
Hersteller: BOSCH
Artikelnummer: EB-0601568037-2600703011
Netto: 4,80 € zzgl. MwSt.
zzgl. 6,90 € Versand (brutto)
einmalig pro Bestellung

Lieferzeit: 5 Werktage

Pos.
7
BOSCH Leitungshalter | Ersatzteile für GKS 65 | 2601035001
Hersteller: BOSCH
Artikelnummer: EB-0601568037-2601035001
Netto: 3,94 € zzgl. MwSt.
zzgl. 6,90 € Versand (brutto)
einmalig pro Bestellung

Lieferzeit: 5 Werktage

Pos.
9
BOSCH Firmenschild | Ersatzteile für GKS 65 | 1601110483
Hersteller: BOSCH
Artikelnummer: EB-0601568037-1601110483
Netto: 4,56 € zzgl. MwSt.
zzgl. 6,90 € Versand (brutto)
einmalig pro Bestellung

Lieferzeit: 5 Werktage

Pos.
12
BOSCH Entstörfilter | Ersatzteile für GKS 65 | 1607328028
Hersteller: BOSCH
Artikelnummer: EB-0601568037-1607328028
Netto: 6,27 € zzgl. MwSt.
zzgl. 6,90 € Versand (brutto)
einmalig pro Bestellung

Lieferzeit: 5 Werktage

Pos.
13
BOSCH Kugellager 7x19x6 | Ersatzteile für GKS 65 | 2600905032
Hersteller: BOSCH
Artikelnummer: EB-0601568037-2600905032
Netto: 6,27 € zzgl. MwSt.
zzgl. 6,90 € Versand (brutto)
einmalig pro Bestellung

Lieferzeit: 5 Werktage

Pos.
14
BOSCH Rillenkugellager 9x26x8 | Ersatzteile für GKS 65 | 1610905009
Hersteller: BOSCH
Artikelnummer: EB-0601568037-1610905009
nur Informationsartikel
Nie mehr lieferbar
keine Alternativen
Pos.
16
BOSCH Bürstenhalter | Ersatzteile für GKS 65 | 3604336001
Hersteller: BOSCH
Artikelnummer: EB-0601568037-3604336001
nur Informationsartikel
Nie mehr lieferbar
keine Alternativen
Pos.
21
BOSCH Firmenschild | Ersatzteile für GKS 65 | 1601110605
Hersteller: BOSCH
Artikelnummer: EB-0601568037-1601110605
Netto: 4,80 € zzgl. MwSt.
zzgl. 6,90 € Versand (brutto)
einmalig pro Bestellung

Lieferzeit: 5 Werktage

Pos.
22
BOSCH Blechschraube DIN7981-ST3,9x16-C-Z | Ersatzteile für GKS 65 | 2912401019
Hersteller: BOSCH
Artikelnummer: EB-0601568037-2912401019
Netto: 3,60 € zzgl. MwSt.
zzgl. 6,90 € Versand (brutto)
einmalig pro Bestellung

Lieferzeit: 5 Werktage

Pos.
24
BOSCH Schutzhaube | Ersatzteile für GKS 65 | 1605510157
Hersteller: BOSCH
Artikelnummer: EB-0601568037-1605510157
Netto: 11,58 € zzgl. MwSt.
zzgl. 6,90 € Versand (brutto)
einmalig pro Bestellung

Lieferzeit: 5 Werktage

Pos.
26
BOSCH Lagerdeckel | Ersatzteile für GKS 65 | 1605808062
Hersteller: BOSCH
Artikelnummer: EB-0601568037-1605808062
nur Informationsartikel
Nie mehr lieferbar
keine Alternativen
Pos.
27
BOSCH Zwischenring | Ersatzteile für GKS 65 | 1600221003
Hersteller: BOSCH
Artikelnummer: EB-0601568037-1600221003
Netto: 4,56 € zzgl. MwSt.
zzgl. 6,90 € Versand (brutto)
einmalig pro Bestellung

Lieferzeit: 5 Werktage

Pos.
28
BOSCH Zylinderschraube M3x6,5-4.8 | Ersatzteile für GKS 65 | 2603410001
Hersteller: BOSCH
Artikelnummer: EB-0601568037-2603410001
Netto: 3,94 € zzgl. MwSt.
zzgl. 6,90 € Versand (brutto)
einmalig pro Bestellung

Lieferzeit: 5 Werktage

Pos.
29
BOSCH Luftleitring | Ersatzteile für GKS 65 | 1600591007
Hersteller: BOSCH
Artikelnummer: EB-0601568037-1600591007
Netto: 4,56 € zzgl. MwSt.
zzgl. 6,90 € Versand (brutto)
einmalig pro Bestellung

Lieferzeit: 5 Werktage

Pos.
31
BOSCH Verschlussdeckel BLAU | Ersatzteile für GKS 65 | 1605500158
Hersteller: BOSCH
Artikelnummer: EB-0601568037-1605500158
nur Informationsartikel
Nie mehr lieferbar
keine Alternativen
Pos.
32
BOSCH Zwischenring | Ersatzteile für GKS 65 | 1600502011
Hersteller: BOSCH
Artikelnummer: EB-0601568037-1600502011
Netto: 4,56 € zzgl. MwSt.
zzgl. 6,90 € Versand (brutto)
einmalig pro Bestellung

Lieferzeit: 5 Werktage

Pos.
33
BOSCH Spannstift 6x22 DIN7346 | Ersatzteile für GKS 65 | 2917780150
Hersteller: BOSCH
Artikelnummer: EB-0601568037-2917780150
Netto: 3,60 € zzgl. MwSt.
zzgl. 6,90 € Versand (brutto)
einmalig pro Bestellung

Lieferzeit: 5 Werktage

Pos.
34
BOSCH Abdeckschiene BLAU | Ersatzteile für GKS 65 | 1601099014
Hersteller: BOSCH
Artikelnummer: EB-0601568037-1601099021
nur Informationsartikel
Nie mehr lieferbar
keine Alternativen
Pos.
35
BOSCH Griffschale BLAU | Ersatzteile für GKS 65 | 1605500155
Hersteller: BOSCH
Artikelnummer: EB-0601568037-1605500159
nur Informationsartikel
Nie mehr lieferbar
keine Alternativen
Pos.
36
BOSCH Gewindefurchschraube | Ersatzteile für GKS 65 | 2603435042
Hersteller: BOSCH
Artikelnummer: EB-0601568037-2603435042
Netto: 3,94 € zzgl. MwSt.
zzgl. 6,90 € Versand (brutto)
einmalig pro Bestellung

Lieferzeit: 5 Werktage

Pos.
38
BOSCH Befestigungsscheibe | Ersatzteile für GKS 65 | 1600134005
Hersteller: BOSCH
Artikelnummer: EB-0601568037-1600134005
nur Informationsartikel
Nie mehr lieferbar
keine Alternativen
Pos.
39
BOSCH Spannscheibe SW 36 | Ersatzteile für GKS 65 | 1605703079
Hersteller: BOSCH
Artikelnummer: EB-0601568037-1605703079
nur Informationsartikel
Nie mehr lieferbar
keine Alternativen
Pos.
40
BOSCH Spannscheibe Ø 30 MM | Ersatzteile für GKS 65 | 1605703080
Hersteller: BOSCH
Artikelnummer: EB-0601568037-1605703080
nur Informationsartikel
Nie mehr lieferbar
keine Alternativen
Pos.
41
BOSCH Gewindefurchschraube DIN 7500-M 4x12 | Ersatzteile für GKS 65 | 2914491409
Hersteller: BOSCH
Artikelnummer: EB-0601568037-2914491409
Netto: 3,59 € zzgl. MwSt.
zzgl. 6,90 € Versand (brutto)
einmalig pro Bestellung

Lieferzeit: 5 Werktage

Pos.
41
BOSCH Torx-Linsenschraube M4X12 | Ersatzteile für CIRCULAR HAND SAW | 2610386516
Hersteller: BOSCH
Artikelnummer: EB-0601568037-2610386516
Netto: 3,94 € zzgl. MwSt.
zzgl. 6,90 € Versand (brutto)
einmalig pro Bestellung

Lieferzeit: 5 Werktage

Pos.
42
BOSCH Rillenkugellager 17x35x10 | Ersatzteile für GKS 65 | 1900905163
Hersteller: BOSCH
Artikelnummer: EB-0601568037-1900905163
Netto: 9,75 € zzgl. MwSt.
zzgl. 6,90 € Versand (brutto)
einmalig pro Bestellung

Lieferzeit: 5 Werktage

Pos.
43
BOSCH Sicherungsring DIN 472 35x1,5 MM | Ersatzteile für GKS 65 | 2916660014
Hersteller: BOSCH
Artikelnummer: EB-0601568037-2916660014
Netto: 3,94 € zzgl. MwSt.
zzgl. 6,90 € Versand (brutto)
einmalig pro Bestellung

Lieferzeit: 5 Werktage

Pos.
44
BOSCH Innensechskantschraube M6x14 MM | Ersatzteile für GKS 65 | 1603414007
Hersteller: BOSCH
Artikelnummer: EB-0601568037-1603414007
Netto: 3,94 € zzgl. MwSt.
zzgl. 6,90 € Versand (brutto)
einmalig pro Bestellung

Lieferzeit: 5 Werktage

Pos.
45
BOSCH Stirnrad Z=41 | Ersatzteile für GKS 65 | 1606320076
Hersteller: BOSCH
Artikelnummer: EB-0601568037-1606320076
nur Informationsartikel
Nie mehr lieferbar
keine Alternativen
Pos.
46
BOSCH Antriebswelle M6, Ø16 MM | Ersatzteile für GKS 65 | 1603124112
Hersteller: BOSCH
Artikelnummer: EB-0601568037-1603124112
nur Informationsartikel
Nie mehr lieferbar
keine Alternativen
Pos.
47
BOSCH Zugfeder | Ersatzteile für GKS 65 | 1604649001
Hersteller: BOSCH
Artikelnummer: EB-0601568037-1604649001
nur Informationsartikel
Nie mehr lieferbar
keine Alternativen
Pos.
48
BOSCH Nadelbüchse | Ersatzteile für GKS 65 | 1600910019
Hersteller: BOSCH
Artikelnummer: EB-0601568037-1600910019
nur Informationsartikel
Nie mehr lieferbar
keine Alternativen
Pos.
49
BOSCH Zylinderschraube DIN 84-AM4x5-5.8 | Ersatzteile für GKS 65 | 2910011115
Hersteller: BOSCH
Artikelnummer: EB-0601568037-2910011115
Netto: 3,60 € zzgl. MwSt.
zzgl. 6,90 € Versand (brutto)
einmalig pro Bestellung

Lieferzeit: 5 Werktage

Pos.
50
BOSCH Führungsbuchse | Ersatzteile für GKS 65 | 1600309011
Hersteller: BOSCH
Artikelnummer: EB-0601568037-1600309011
nur Informationsartikel
Nie mehr lieferbar
keine Alternativen
Pos.
51
BOSCH Grundplatte 358x151 MM | Ersatzteile für GKS 65 | 1608000107
Hersteller: BOSCH
Artikelnummer: EB-0601568037-1608000107
nur Informationsartikel
Nie mehr lieferbar
keine Alternativen
Pos.
52
BOSCH Gummipuffer | Ersatzteile für GKS 65 | 1600305001
Hersteller: BOSCH
Artikelnummer: EB-0601568037-1600305001
Netto: 3,60 € zzgl. MwSt.
zzgl. 6,90 € Versand (brutto)
einmalig pro Bestellung

Lieferzeit: 5 Werktage

Pos.
53
BOSCH Distanzbuchse | Ersatzteile für GKS 65 | 1600309012
Hersteller: BOSCH
Artikelnummer: EB-0601568037-1600309012
Netto: 3,60 € zzgl. MwSt.
zzgl. 6,90 € Versand (brutto)
einmalig pro Bestellung

Lieferzeit: 5 Werktage

Pos.
54
BOSCH Spaltkeil | Ersatzteile für GKS 65 | 1600025013
Hersteller: BOSCH
Artikelnummer: EB-0601568037-1600025013
Netto: 4,56 € zzgl. MwSt.
zzgl. 6,90 € Versand (brutto)
einmalig pro Bestellung

Lieferzeit: 5 Werktage

Pos.
55
BOSCH Flügelmutter M6 | Ersatzteile für GKS 65 | 1603339006
Hersteller: BOSCH
Artikelnummer: EB-0601568037-1603339006
nur Informationsartikel
Nie mehr lieferbar
keine Alternativen
Pos.
57
BOSCH Flachkopfschraube M6x170 MM | Ersatzteile für GKS 65 | 1603434005
Hersteller: BOSCH
Artikelnummer: EB-0601568037-1603434005
nur Informationsartikel
Nie mehr lieferbar
keine Alternativen
Pos.
58
BOSCH Einstellplatte | Ersatzteile für GKS 65 | 1601329015
Hersteller: BOSCH
Artikelnummer: EB-0601568037-1601329015
nur Informationsartikel
Nie mehr lieferbar
keine Alternativen
Pos.
61
BOSCH Distanzring | Ersatzteile für GKS 65 | 1600201014
Hersteller: BOSCH
Artikelnummer: EB-0601568037-1600201014
nur Informationsartikel
Nie mehr lieferbar
keine Alternativen
Pos.
62
BOSCH Druckstück | Ersatzteile für GKS 65 | 1608040112
Hersteller: BOSCH
Artikelnummer: EB-0601568037-1608040112
nur Informationsartikel
Nie mehr lieferbar
keine Alternativen
Pos.
63
BOSCH Flügelschraube | Ersatzteile für GKS 65 | 1603480022
Hersteller: BOSCH
Artikelnummer: EB-0601568037-1603480022
nur Informationsartikel
Nie mehr lieferbar
keine Alternativen
Pos.
64
BOSCH Flachrundschraube DIN 603-M6x35 | Ersatzteile für GKS 65 | 2910281207
Hersteller: BOSCH
Artikelnummer: EB-0601568037-2910281207
Netto: 3,60 € zzgl. MwSt.
zzgl. 6,90 € Versand (brutto)
einmalig pro Bestellung

Lieferzeit: 5 Werktage

Pos.
65
BOSCH Zusatzhandgriff SCHWARZ | Ersatzteile für GKS 65 | 1605133039
Hersteller: BOSCH
Artikelnummer: EB-0601568037-1605133039
nur Informationsartikel
Nie mehr lieferbar
keine Alternativen
Pos.
66
BOSCH Innensechskantschlüssel 5 MM | Ersatzteile für GKS 65 | 2610364015
Hersteller: BOSCH
Artikelnummer: EB-0601568037-2610364015
Netto: 5,17 € zzgl. MwSt.
zzgl. 6,90 € Versand (brutto)
einmalig pro Bestellung

Lieferzeit: 5 Werktage

Pos.
67
BOSCH Entstörglied | Ersatzteile für GKS 65 | 1604503014
Hersteller: BOSCH
Artikelnummer: EB-0601568037-1604503014
nur Informationsartikel
Nie mehr lieferbar
keine Alternativen
Pos.
68
BOSCH Radial-Wellendichtring | Ersatzteile für GKS 65 | 1600290016
Hersteller: BOSCH
Artikelnummer: EB-0601568037-1600290016
Netto: 4,56 € zzgl. MwSt.
zzgl. 6,90 € Versand (brutto)
einmalig pro Bestellung

Lieferzeit: 5 Werktage

Pos.
69
BOSCH Verriegelungsbuchse | Ersatzteile für GKS 65 | 1600390013
Hersteller: BOSCH
Artikelnummer: EB-0601568037-1600390013
nur Informationsartikel
Nie mehr lieferbar
keine Alternativen
Pos.
70
BOSCH Flachstecker | Ersatzteile für GKS 65 | 1604477005
Hersteller: BOSCH
Artikelnummer: EB-0601568037-1604477005
Netto: 4,56 € zzgl. MwSt.
zzgl. 6,90 € Versand (brutto)
einmalig pro Bestellung

Lieferzeit: 5 Werktage

Pos.
73
BOSCH Druckfeder | Ersatzteile für GKS 65 | 1604611029
Hersteller: BOSCH
Artikelnummer: EB-0601568037-1604611029
nur Informationsartikel
Nie mehr lieferbar
keine Alternativen
Pos.
74
BOSCH Gewindefurchschraube TT M5x30 MM | Ersatzteile für GKS 65 | 1603435022
Hersteller: BOSCH
Artikelnummer: EB-0601568037-1603435022
Netto: 3,59 € zzgl. MwSt.
zzgl. 6,90 € Versand (brutto)
einmalig pro Bestellung

Lieferzeit: 5 Werktage

Pos.
77
BOSCH Flachkopfschraube DIN 923-M4x10-5.8 | Ersatzteile für GKS 65 | 2910271120
Hersteller: BOSCH
Artikelnummer: EB-0601568037-2910271120
nur Informationsartikel
Nie mehr lieferbar
keine Alternativen
Pos.
80
BOSCH Linsenschraube DIN 7985-M6x16-4.8 | Ersatzteile für GKS 65 | 2910641197
Hersteller: BOSCH
Artikelnummer: EB-0601568037-2910641197
nur Informationsartikel
Nie mehr lieferbar
keine Alternativen
Pos.
81
BOSCH Arretierstück | Ersatzteile für GKS 65 | 1603231011
Hersteller: BOSCH
Artikelnummer: EB-0601568037-1603231011
nur Informationsartikel
Nie mehr lieferbar
keine Alternativen
Pos.
82
BOSCH O-Ring 46,0x1,1 MM ROT | Ersatzteile für GKS 65 | 3600210124
Hersteller: BOSCH
Artikelnummer: EB-0601568037-3600210124
Netto: 4,80 € zzgl. MwSt.
zzgl. 6,90 € Versand (brutto)
einmalig pro Bestellung

Lieferzeit: 5 Werktage

Pos.
83
BOSCH Hinweisschild | Ersatzteile für GKS 65 | 1601110470
Hersteller: BOSCH
Artikelnummer: EB-0601568037-1601110470
Netto: 3,60 € zzgl. MwSt.
zzgl. 6,90 € Versand (brutto)
einmalig pro Bestellung

Lieferzeit: 5 Werktage

Pos.
800
BOSCH Kohlebürstensatz | Ersatzteile für GKS 65 | 1607014129
Hersteller: BOSCH
Artikelnummer: EB-0601568037-1607014129
nur Informationsartikel
Nie mehr lieferbar
keine Alternativen
Pos.
801
BOSCH Spiralfeder | Ersatzteile für GKS 65 | 2604652008
Hersteller: BOSCH
Artikelnummer: EB-0601568037-2604652008
nur Informationsartikel
Nie mehr lieferbar
keine Alternativen
Pos.
823
BOSCH Schenkelfeder | Ersatzteile für GKS 65 | 1604651008
Hersteller: BOSCH
Artikelnummer: EB-0601568037-1604651008
nur Informationsartikel
Nie mehr lieferbar
keine Alternativen
Pos.
830
BOSCH Anker Mit Lüfter 240V | Ersatzteile für GKS 65 | 1604010331
Hersteller: BOSCH
Artikelnummer: EB-0601568037-1604010331
nur Informationsartikel
Nie mehr lieferbar
keine Alternativen
Pos.
835
BOSCH Griffschale BLAU | Ersatzteile für GKS 65 | 1607000925
Hersteller: BOSCH
Artikelnummer: EB-0601568037-1607000925
nur Informationsartikel
Nie mehr lieferbar
keine Alternativen
Pos.
836
BOSCH Sperrhebel | Ersatzteile für GKS 65 | 1602099003
Hersteller: BOSCH
Artikelnummer: EB-0601568037-1602099003
nur Informationsartikel
Nie mehr lieferbar
keine Alternativen
Pos.
837
BOSCH Pendelschutzhaube | Ersatzteile für GKS 65 | 1605510172
Hersteller: BOSCH
Artikelnummer: EB-0601568037-1605510172
nur Informationsartikel
Nie mehr lieferbar
keine Alternativen
Pos.
859
BOSCH Teilesatz | Ersatzteile für GKS 65 | 1607000197
Hersteller: BOSCH
Artikelnummer: EB-0601568037-1607000197
nur Informationsartikel
Nie mehr lieferbar
keine Alternativen
Pos.
872
BOSCH Teilesatz | Ersatzteile für GKS 65 | 1607000223
Hersteller: BOSCH
Artikelnummer: EB-0601568037-1607000223
nur Informationsartikel
Nie mehr lieferbar
keine Alternativen
Pos.
878
BOSCH Teilesatz | Ersatzteile für GKS 65 | 1607000192
Hersteller: BOSCH
Artikelnummer: EB-0601568037-1607000205
nur Informationsartikel
Nie mehr lieferbar
keine Alternativen
Pos.
882
BOSCH Dichtscheibe | Ersatzteile für GKS 65 | 1600135002
Hersteller: BOSCH
Artikelnummer: EB-0601568037-1600135002
nur Informationsartikel
Nie mehr lieferbar
keine Alternativen
Pos.
888
BOSCH Typschild | Ersatzteile für GKS 65 | 160111A3H3
Hersteller: BOSCH
Artikelnummer: EB-0601568037-160111A3H3
Netto: 4,56 € zzgl. MwSt.
zzgl. 6,90 € Versand (brutto)
einmalig pro Bestellung

Lieferzeit: 5 Werktage

Angaben zur Produktsicherheit

Hersteller:
Robert Bosch Power Tools GmbH
Postfach 30 02 20
70442 Stuttgart

E-Mail:
kontakt@bosch.de