BOSCH Innensechskantschlüssel | Ersatzteile für GKS 68 B | 2610364015

Artikelnummer: EB-0601570003-2610364015

Position: 46

Marke: BOSCH


Bitte Kompatibilität prüfen!

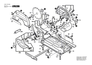
Bitte prüfen Sie unbedingt die 10-stellige Typennummer Ihrer Maschine / Ihres Gerätes. Das Ersatzteil ist nur kompatibel, wenn Sie die Typennummer Ihrer Maschine in der unten stehenden Produktbeschreibung finden.

Bitte prüfen Sie ebenfalls detailliert die Explosionszeichnung mit Ihrem Artikelwunsch und der jeweiligen Pos-Nummer.

Alle Elemente, welche vom schwarzen Strich der Pos-Nummer ausgehend berührt / erfasst werden, gehören zu dieser Pos-Nummer und somit zu diesem Artikel. Jede Pos-Nummer ist ein eigenständiger Artikel, welchen Sie in der Auflistung finden.

Sie erhalten stets die aktuellste, neueste Produktversion zu der gewählten Pos-Nummer seitens des Herstellers. Es kann daher je nach Gerätealter vorkommen, dass Sie ggf. weitere, zugehörige Elemente, welche an diese Pos-Nummer grenzen, ebenfalls mittauschen müssen.

Nähere Informationen finden Sie unter dem Link
Hinweise zu Ihrer BOSCH Ersatzteilsuche

Preisübersicht

Einzelpreis: 5,19 €* (Brutto: 6,18 €)
Gesamtpreis: 5,19 €* 
Position:

Lieferzeit: 5 Werktage


Beschreibung

  • Innensechskantschlüssel
  • Original Bosch Zubehör / BOSCH Ersatzteil (2610364015)
  • im Gerät verbaut: 1
Dieses BOSCH Ersatzteil ist mit folgendem Gerät und Modell kompatibel:
  • BOSCH Gerätename: GKS 68 B
  • BOSCH Explosionszeichnung: Position 46
  • BOSCH Typennummer: 0601570003
  • BOSCH Typennummer alternative Schreibweisen: 0 601 570 003, 0601 570 003, 0.601.570.003, 0-601-570-003
    Bitte prüfen Sie diese Typennummer auf Ihrem Gerät um die Kompatibilität des BOSCH Ersatzteils zu gewährleisten.
Weitere BOSCH Ersatzteile des Gerätes GKS 68 B (Handkreissäge) mit der Typennummer 0601570003 finden Sie in der nachfolgenden Darstellung und im Dropdown zu Ihrer Auswahl:

Pos.
1
BOSCH Motorgehäuse | Ersatzteile für GKS 68 B | 1605108170
Hersteller: BOSCH
Artikelnummer: EB-0601570003-1605108170
nur Informationsartikel
Nie mehr lieferbar
keine Alternativen
Pos.
6
BOSCH Tülle Ø7,6-Ø8,2x95 MM | Ersatzteile für GKS 68 B | 2600703013
Hersteller: BOSCH
Artikelnummer: EB-0601570003-2600703013
Netto: 4,53 € zzgl. MwSt.
zzgl. 6,90 € Versand (brutto)
einmalig pro Bestellung

Lieferzeit: 5 Werktage

Pos.
2
BOSCH Polschuh | Ersatzteile für GKS 68 B | 1604220317
Hersteller: BOSCH
Artikelnummer: EB-0601570003-1604220317
nur Informationsartikel
Nie mehr lieferbar
keine Alternativen
Pos.
6
BOSCH Tülle Ø8,3-Ø9,4x95 MM | Ersatzteile für GKS 68 B | 2600703011
Hersteller: BOSCH
Artikelnummer: EB-0601570003-2600703011
Netto: 4,82 € zzgl. MwSt.
zzgl. 6,90 € Versand (brutto)
einmalig pro Bestellung

Lieferzeit: 5 Werktage

Pos.
7
BOSCH Leitungshalter | Ersatzteile für GKS 68 B | 2601035001
Hersteller: BOSCH
Artikelnummer: EB-0601570003-2601035001
Netto: 3,94 € zzgl. MwSt.
zzgl. 6,90 € Versand (brutto)
einmalig pro Bestellung

Lieferzeit: 5 Werktage

Pos.
13
BOSCH Rillenkugellager 7x19x6 | Ersatzteile für GKS 68 B | 2600905032
Hersteller: BOSCH
Artikelnummer: EB-0601570003-2600905032
Netto: 6,15 € zzgl. MwSt.
zzgl. 6,90 € Versand (brutto)
einmalig pro Bestellung

Lieferzeit: 9 Werktage

Pos.
4
BOSCH Schalter | Ersatzteile für GKS 68 B | 1607200119
Hersteller: BOSCH
Artikelnummer: EB-0601570003-1607200119
nur Informationsartikel
Nie mehr lieferbar
keine Alternativen
Pos.
14
BOSCH Rillenkugellager 9x26x8 | Ersatzteile für GKS 68 B | 1610905009
Hersteller: BOSCH
Artikelnummer: EB-0601570003-1610905009
nur Informationsartikel
Nie mehr lieferbar
keine Alternativen
Pos.
22
BOSCH Stirnrad Z=6/35 | Ersatzteile für GKS 68 B | 1606320082
Hersteller: BOSCH
Artikelnummer: EB-0601570003-1606320082
nur Informationsartikel
Nie mehr lieferbar
keine Alternativen
Pos.
24
BOSCH Zwischenring | Ersatzteile für GKS 68 B | 1600221003
Hersteller: BOSCH
Artikelnummer: EB-0601570003-1600221003
Netto: 4,53 € zzgl. MwSt.
zzgl. 6,90 € Versand (brutto)
einmalig pro Bestellung

Lieferzeit: 5 Werktage

Pos.
29/20
BOSCH Laufrolle | Ersatzteile für GKS 68 B | 1600290033
Hersteller: BOSCH
Artikelnummer: EB-0601570003-1600290033
nur Informationsartikel
Nie mehr lieferbar
keine Alternativen
Pos.
31
BOSCH Nadelhülse Ø8xØ12x8 MM | Ersatzteile für GKS 68 B | 1600910018
Hersteller: BOSCH
Artikelnummer: EB-0601570003-1600910018
Netto: 6,15 € zzgl. MwSt.
zzgl. 6,90 € Versand (brutto)
einmalig pro Bestellung

Lieferzeit: 5 Werktage

Pos.
9
BOSCH Firmenschild | Ersatzteile für GKS 68 B | 1601118308
Hersteller: BOSCH
Artikelnummer: EB-0601570003-1601118308
nur Informationsartikel
Nie mehr lieferbar
keine Alternativen
Pos.
34
BOSCH Torx-Linsenschraube 4x25 | Ersatzteile für GKS 68 B | 2603490024
Hersteller: BOSCH
Artikelnummer: EB-0601570003-2603490024
Netto: 3,94 € zzgl. MwSt.
zzgl. 6,90 € Versand (brutto)
einmalig pro Bestellung

Lieferzeit: 5 Werktage

Pos.
38
BOSCH Linsenschraube DIN 7985-M6x10-5.8-7 | Ersatzteile für GKS 68 B | 2912451191
Hersteller: BOSCH
Artikelnummer: EB-0601570003-2912451191
Netto: 3,60 € zzgl. MwSt.
zzgl. 6,90 € Versand (brutto)
einmalig pro Bestellung

Lieferzeit: 5 Werktage

Pos.
39
BOSCH Führungsbügel | Ersatzteile für GKS 68 B | 1601329018
Hersteller: BOSCH
Artikelnummer: EB-0601570003-1601329018
nur Informationsartikel
Nie mehr lieferbar
keine Alternativen
Pos.
41
BOSCH Innensechskantschraube M6x14 MM | Ersatzteile für GKS 68 B | 1603414007
Hersteller: BOSCH
Artikelnummer: EB-0601570003-1603414007
Netto: 3,94 € zzgl. MwSt.
zzgl. 6,90 € Versand (brutto)
einmalig pro Bestellung

Lieferzeit: 5 Werktage

Pos.
43
BOSCH Blechschraube DIN7981-ST3,9x16-C-Z | Ersatzteile für GKS 68 B | 2912401019
Hersteller: BOSCH
Artikelnummer: EB-0601570003-2912401019
Netto: 3,63 € zzgl. MwSt.
zzgl. 6,90 € Versand (brutto)
einmalig pro Bestellung

Lieferzeit: 5 Werktage

Pos.
44
BOSCH Zylinderschraube DIN 84-AM3x4-5.8 | Ersatzteile für GKS 68 B | 2910011046
Hersteller: BOSCH
Artikelnummer: EB-0601570003-2910011046
Netto: 3,49 € zzgl. MwSt.
zzgl. 6,90 € Versand (brutto)
einmalig pro Bestellung

Lieferzeit: 5 Werktage

Pos.
16
BOSCH Bürstenhalter | Ersatzteile für GKS 68 B | 1604336034
Hersteller: BOSCH
Artikelnummer: EB-0601570003-1604336034
nur Informationsartikel
Nie mehr lieferbar
keine Alternativen
Pos.
46
BOSCH Winkelschraubendreher DIN 911-SW5 SCHWARZ | Ersatzteile für GKS 68 B | 1907950006
Hersteller: BOSCH
Artikelnummer: EB-0601570003-1907950006
Netto: 5,67 € zzgl. MwSt.
zzgl. 6,90 € Versand (brutto)
einmalig pro Bestellung

Lieferzeit: 5 Werktage

Pos.
47
BOSCH Flachrundschraube DIN 603-M6x25 | Ersatzteile für GKS 68 B | 2910281203
Hersteller: BOSCH
Artikelnummer: EB-0601570003-2910281203
Netto: 4,53 € zzgl. MwSt.
zzgl. 6,90 € Versand (brutto)
einmalig pro Bestellung

Lieferzeit: 5 Werktage

Pos.
18
BOSCH Abdeckhaube | Ersatzteile für GKS 68 B | 1605510241
Hersteller: BOSCH
Artikelnummer: EB-0601570003-1605510241
nur Informationsartikel
Nie mehr lieferbar
keine Alternativen
Pos.
48
BOSCH Radial-Wellendichtring | Ersatzteile für GKS 68 B | 1600290016
Hersteller: BOSCH
Artikelnummer: EB-0601570003-1600290016
Netto: 4,53 € zzgl. MwSt.
zzgl. 6,90 € Versand (brutto)
einmalig pro Bestellung

Lieferzeit: 5 Werktage

Pos.
19
BOSCH Grundplatte | Ersatzteile für GKS 68 B | 1608000115
Hersteller: BOSCH
Artikelnummer: EB-0601570003-1608000115
nur Informationsartikel
Nie mehr lieferbar
keine Alternativen
Pos.
49
BOSCH Verriegelungsbuchse | Ersatzteile für GKS 68 B | 1600390013
Hersteller: BOSCH
Artikelnummer: EB-0601570003-1600390013
nur Informationsartikel
Nie mehr lieferbar
keine Alternativen
Pos.
53
BOSCH Gewindefurchschraube TT M5x30 MM | Ersatzteile für GKS 68 B | 1603435022
Hersteller: BOSCH
Artikelnummer: EB-0601570003-1603435022
Netto: 3,59 € zzgl. MwSt.
zzgl. 6,90 € Versand (brutto)
einmalig pro Bestellung

Lieferzeit: 5 Werktage

Pos.
21
BOSCH Antriebswelle | Ersatzteile für GKS 68 B | 1603124126
Hersteller: BOSCH
Artikelnummer: EB-0601570003-1603124126
nur Informationsartikel
Nie mehr lieferbar
keine Alternativen
Pos.
56
BOSCH Spannscheibe | Ersatzteile für GKS 68 B | 1605703107
Hersteller: BOSCH
Artikelnummer: EB-0601570003-1605703107
Netto: 5,19 € zzgl. MwSt.
zzgl. 6,90 € Versand (brutto)
einmalig pro Bestellung

Lieferzeit: 5 Werktage

Pos.
57
BOSCH Zwischenring | Ersatzteile für GKS 68 B | 1600502023
Hersteller: BOSCH
Artikelnummer: EB-0601570003-1600502023
Netto: 4,32 € zzgl. MwSt.
zzgl. 6,90 € Versand (brutto)
einmalig pro Bestellung

Lieferzeit: 5 Werktage

Pos.
23
BOSCH Aufnahmeflansch | Ersatzteile für GKS 68 B | 1605703105
Hersteller: BOSCH
Artikelnummer: EB-0601570003-1605703105
nur Informationsartikel
Nie mehr lieferbar
keine Alternativen
Pos.
65
BOSCH Gummiband | Ersatzteile für GKS 68 B | 1601006008
Hersteller: BOSCH
Artikelnummer: EB-0601570003-1601006008
nur Informationsartikel
Nie mehr lieferbar
keine Alternativen
Pos.
68
BOSCH Rastelement | Ersatzteile für GKS 68 B | 1603231014
Hersteller: BOSCH
Artikelnummer: EB-0601570003-1603231014
Netto: 4,32 € zzgl. MwSt.
zzgl. 6,90 € Versand (brutto)
einmalig pro Bestellung

Lieferzeit: 5 Werktage

Pos.
25
BOSCH Verschlussdeckel | Ersatzteile für GKS 68 B | 1605500186
Hersteller: BOSCH
Artikelnummer: EB-0601570003-1605500186
nur Informationsartikel
Nie mehr lieferbar
keine Alternativen
Pos.
69
BOSCH Anschlussklemme 2-POLIG | Ersatzteile für GKS 68 B | 1611091002
Hersteller: BOSCH
Artikelnummer: EB-0601570003-1611091002
Netto: 3,63 € zzgl. MwSt.
zzgl. 6,90 € Versand (brutto)
einmalig pro Bestellung

Lieferzeit: 5 Werktage

Pos.
26
BOSCH Abdeckschieber | Ersatzteile für GKS 68 B | 1601099024
Hersteller: BOSCH
Artikelnummer: EB-0601570003-1601099024
nur Informationsartikel
Nie mehr lieferbar
keine Alternativen
Pos.
74
BOSCH Gewindefurchschraube | Ersatzteile für GKS 68 B | 2603435042
Hersteller: BOSCH
Artikelnummer: EB-0601570003-2603435042
Netto: 3,94 € zzgl. MwSt.
zzgl. 6,90 € Versand (brutto)
einmalig pro Bestellung

Lieferzeit: 5 Werktage

Pos.
27
BOSCH Handgriff | Ersatzteile für GKS 68 B | 1605133041
Hersteller: BOSCH
Artikelnummer: EB-0601570003-1605133041
nur Informationsartikel
Nie mehr lieferbar
keine Alternativen
Pos.
83
BOSCH Hinweisschild | Ersatzteile für GKS 68 B | 1601110470
Hersteller: BOSCH
Artikelnummer: EB-0601570003-1601110470
Netto: 3,63 € zzgl. MwSt.
zzgl. 6,90 € Versand (brutto)
einmalig pro Bestellung

Lieferzeit: 5 Werktage

Pos.
28
BOSCH Luftleitring | Ersatzteile für GKS 68 B | 1600591017
Hersteller: BOSCH
Artikelnummer: EB-0601570003-1600591017
nur Informationsartikel
Nie mehr lieferbar
keine Alternativen
Pos.
85
BOSCH O-Ring 38,0x1,5 MM | Ersatzteile für GKS 68 B | 1600210038
Hersteller: BOSCH
Artikelnummer: EB-0601570003-1600210038
Netto: 4,53 € zzgl. MwSt.
zzgl. 6,90 € Versand (brutto)
einmalig pro Bestellung

Lieferzeit: 5 Werktage

Pos.
86
BOSCH Sicherungsring DIN 471-40x1,75-FST | Ersatzteile für GKS 68 B | 2916650020
Hersteller: BOSCH
Artikelnummer: EB-0601570003-2916650020
nur Informationsartikel
Nie mehr lieferbar
keine Alternativen
Pos.
30
BOSCH Zugfeder | Ersatzteile für GKS 68 B | 1604649002
Hersteller: BOSCH
Artikelnummer: EB-0601570003-1604649002
nur Informationsartikel
Nie mehr lieferbar
keine Alternativen
Pos.
91
BOSCH Sechskantmutter DIN 934-M6-8-A | Ersatzteile für GKS 68 B | 2915011007
Hersteller: BOSCH
Artikelnummer: EB-0601570003-2915011007
Netto: 3,63 € zzgl. MwSt.
zzgl. 6,90 € Versand (brutto)
einmalig pro Bestellung

Lieferzeit: 5 Werktage

Pos.
95
BOSCH Anschlagbügel | Ersatzteile für GKS 68 B | 1601329026
Hersteller: BOSCH
Artikelnummer: EB-0601570003-1601329026
nur Informationsartikel
Nie mehr lieferbar
keine Alternativen
Pos.
32
BOSCH Spaltkeil | Ersatzteile für GKS 68 B | 1600025019
Hersteller: BOSCH
Artikelnummer: EB-0601570003-1600025019
nur Informationsartikel
Nie mehr lieferbar
keine Alternativen
Pos.
98
BOSCH Gewindefurchschraube DIN 7500-M 4x12 | Ersatzteile für GKS 68 B | 2914491409
Hersteller: BOSCH
Artikelnummer: EB-0601570003-2914491409
Netto: 3,59 € zzgl. MwSt.
zzgl. 6,90 € Versand (brutto)
einmalig pro Bestellung

Lieferzeit: 5 Werktage

Pos.
33
BOSCH Kreissägeblatt | Ersatzteile für GKS 68 B | 1608640081
Hersteller: BOSCH
Artikelnummer: EB-0601570003-1608640081
nur Informationsartikel
Nie mehr lieferbar
keine Alternativen
Pos.
99
BOSCH Druckstück | Ersatzteile für GKS 68 B | 1600591019
Hersteller: BOSCH
Artikelnummer: EB-0601570003-1600591019
Netto: 4,36 € zzgl. MwSt.
zzgl. 6,90 € Versand (brutto)
einmalig pro Bestellung

Lieferzeit: 5 Werktage

Pos.
101
BOSCH Gummipuffer | Ersatzteile für GKS 68 B | 1600305001
Hersteller: BOSCH
Artikelnummer: EB-0601570003-1600305001
Netto: 3,63 € zzgl. MwSt.
zzgl. 6,90 € Versand (brutto)
einmalig pro Bestellung

Lieferzeit: 5 Werktage

Pos.
109
BOSCH Sechskantmutter DIN 985-M 5-8-A | Ersatzteile für GKS 68 B | 2915061003
Hersteller: BOSCH
Artikelnummer: EB-0601570003-2915061003
Netto: 4,33 € zzgl. MwSt.
zzgl. 6,90 € Versand (brutto)
einmalig pro Bestellung

Lieferzeit: 5 Werktage

Pos.
35
BOSCH Rändelschraube | Ersatzteile für GKS 68 B | 1603480021
Hersteller: BOSCH
Artikelnummer: EB-0601570003-1603480021
nur Informationsartikel
Nie mehr lieferbar
keine Alternativen
Pos.
113
BOSCH Zylinderschraube DIN 84-AM5x16-8.8 | Ersatzteile für GKS 68 B | 2910021158
Hersteller: BOSCH
Artikelnummer: EB-0601570003-2910021158
Netto: 3,50 € zzgl. MwSt.
zzgl. 6,90 € Versand (brutto)
einmalig pro Bestellung

Lieferzeit: 5 Werktage

Pos.
36
BOSCH Firmenschild | Ersatzteile für GKS 68 B | 1601118132
Hersteller: BOSCH
Artikelnummer: EB-0601570003-1601118132
nur Informationsartikel
Nie mehr lieferbar
keine Alternativen
Pos.
115
BOSCH Zylinderstift | Ersatzteile für GKS 68 B | 2917571075
Hersteller: BOSCH
Artikelnummer: EB-0601570003-2917571075
Netto: 3,63 € zzgl. MwSt.
zzgl. 6,90 € Versand (brutto)
einmalig pro Bestellung

Lieferzeit: 5 Werktage

Pos.
37
BOSCH Spannhebel | Ersatzteile für GKS 68 B | 1602002004
Hersteller: BOSCH
Artikelnummer: EB-0601570003-1602002004
nur Informationsartikel
Nie mehr lieferbar
keine Alternativen
Pos.
650
BOSCH Längsanschlag | Ersatzteile für GKS 68 B | 2608190002
Hersteller: BOSCH
Artikelnummer: EB-0601570003-2608190002
nur Informationsartikel
Nie mehr lieferbar
keine Alternativen
Pos.
805
BOSCH Netzanschlussleitung EU 4,15m 2 x 1,5mm H07 RN-F | Ersatzteile für GKS 68 B | 1607000228
Hersteller: BOSCH
Artikelnummer: EB-0601570003-1607000228
Netto: 21,16 € zzgl. MwSt.
zzgl. 6,90 € Versand (brutto)
einmalig pro Bestellung

Lieferzeit: 5 Werktage

Pos.
40
BOSCH Haltekörper | Ersatzteile für GKS 68 B | 1600026001
Hersteller: BOSCH
Artikelnummer: EB-0601570003-1600026001
nur Informationsartikel
Nie mehr lieferbar
keine Alternativen
Pos.
808
BOSCH Typschild 26x52 MM | Ersatzteile für GKS 68 B | 1601106032
Hersteller: BOSCH
Artikelnummer: EB-0601570003-1601106032
nur Informationsartikel
Nie mehr lieferbar
keine Alternativen
Pos.
811
BOSCH Spiralfeder | Ersatzteile für GKS 68 B | 3604652500
Hersteller: BOSCH
Artikelnummer: EB-0601570003-3604652500
Netto: 3,63 € zzgl. MwSt.
zzgl. 6,90 € Versand (brutto)
einmalig pro Bestellung

Lieferzeit: 5 Werktage

Pos.
829
BOSCH Schutzhaube | Ersatzteile für GKS 68 B | 1605510243
Hersteller: BOSCH
Artikelnummer: EB-0601570003-1605510243
nur Informationsartikel
Nie mehr lieferbar
keine Alternativen
Pos.
835
BOSCH Lüfter | Ersatzteile für GKS 68 B | 3606610002
Hersteller: BOSCH
Artikelnummer: EB-0601570003-3606610002
nur Informationsartikel
Nie mehr lieferbar
keine Alternativen
Pos.
899
BOSCH Fetttube 225 ML | Ersatzteile für GKS 68 B | 1605430003
Hersteller: BOSCH
Artikelnummer: EB-0601570003-1605430003
Netto: 29,45 € zzgl. MwSt.
zzgl. 6,90 € Versand (brutto)
einmalig pro Bestellung

Lieferzeit: 5 Werktage

Pos.
45
BOSCH Auflage | Ersatzteile für GKS 68 B | 1600026002
Hersteller: BOSCH
Artikelnummer: EB-0601570003-1600026002
nur Informationsartikel
Nie mehr lieferbar
keine Alternativen
Pos.
46
BOSCH Innensechskantschlüssel | Ersatzteile für GKS 68 B | 2610364015
Hersteller: BOSCH
Artikelnummer: EB-0601570003-2610364015
Netto: 5,19 € zzgl. MwSt.
zzgl. 6,90 € Versand (brutto)
einmalig pro Bestellung

Lieferzeit: 5 Werktage

Pos.
50
BOSCH Abdeckplatte | Ersatzteile für GKS 68 B | 1602300020
Hersteller: BOSCH
Artikelnummer: EB-0601570003-1602300020
nur Informationsartikel
Nie mehr lieferbar
keine Alternativen
Pos.
51
BOSCH Sechskantschraube | Ersatzteile für GKS 68 B | 2911061201
Hersteller: BOSCH
Artikelnummer: EB-0601570003-2911061201
nur Informationsartikel
Nie mehr lieferbar
keine Alternativen
Pos.
52
BOSCH Sechskantmutter | Ersatzteile für GKS 68 B | 1603349018
Hersteller: BOSCH
Artikelnummer: EB-0601570003-1603349018
nur Informationsartikel
Nie mehr lieferbar
keine Alternativen
Pos.
55
BOSCH Sechskantmutter | Ersatzteile für GKS 68 B | 1603349019
Hersteller: BOSCH
Artikelnummer: EB-0601570003-1603349019
nur Informationsartikel
Nie mehr lieferbar
keine Alternativen
Pos.
58
BOSCH Sechskantmutter | Ersatzteile für GKS 68 B | 1603349021
Hersteller: BOSCH
Artikelnummer: EB-0601570003-1603349021
nur Informationsartikel
Nie mehr lieferbar
keine Alternativen
Pos.
59
BOSCH Flachrundschraube | Ersatzteile für GKS 68 B | 1603434008
Hersteller: BOSCH
Artikelnummer: EB-0601570003-1603434008
nur Informationsartikel
Nie mehr lieferbar
keine Alternativen
Pos.
60
BOSCH Entstörfilter | Ersatzteile für GKS 68 B | 1604503013
Hersteller: BOSCH
Artikelnummer: EB-0601570003-1604503013
nur Informationsartikel
Nie mehr lieferbar
keine Alternativen
Pos.
63
BOSCH Verbindungsleitung | Ersatzteile für GKS 68 B | 1604448011
Hersteller: BOSCH
Artikelnummer: EB-0601570003-1604448011
nur Informationsartikel
Nie mehr lieferbar
keine Alternativen
Pos.
66
BOSCH Zwischenring | Ersatzteile für GKS 68 B | 1600200025
Hersteller: BOSCH
Artikelnummer: EB-0601570003-1600200025
nur Informationsartikel
Nie mehr lieferbar
keine Alternativen
Pos.
67
BOSCH Verbindungsleitung | Ersatzteile für GKS 68 B | 1604448010
Hersteller: BOSCH
Artikelnummer: EB-0601570003-1604448010
nur Informationsartikel
Nie mehr lieferbar
keine Alternativen
Pos.
70
BOSCH Anschlussplatine | Ersatzteile für GKS 68 B | 1607233098
Hersteller: BOSCH
Artikelnummer: EB-0601570003-1607233098
nur Informationsartikel
Nie mehr lieferbar
keine Alternativen
Pos.
71
BOSCH Kugelkappe | Ersatzteile für GKS 68 B | 1600591018
Hersteller: BOSCH
Artikelnummer: EB-0601570003-1600591018
nur Informationsartikel
Nie mehr lieferbar
keine Alternativen
Pos.
72
BOSCH Schwenklager | Ersatzteile für GKS 68 B | 1602140002
Hersteller: BOSCH
Artikelnummer: EB-0601570003-1602140002
nur Informationsartikel
Nie mehr lieferbar
keine Alternativen
Pos.
73
BOSCH Koppelbügel | Ersatzteile für GKS 68 B | 1602140003
Hersteller: BOSCH
Artikelnummer: EB-0601570003-1602140003
nur Informationsartikel
Nie mehr lieferbar
keine Alternativen
Pos.
75
BOSCH Gewindefurchschraube | Ersatzteile für GKS 68 B | 1603435048
Hersteller: BOSCH
Artikelnummer: EB-0601570003-1603435048
nur Informationsartikel
Nie mehr lieferbar
keine Alternativen
Pos.
88
BOSCH Sperrschieber | Ersatzteile für GKS 68 B | 1602319008
Hersteller: BOSCH
Artikelnummer: EB-0601570003-1602319008
nur Informationsartikel
Nie mehr lieferbar
keine Alternativen
Pos.
89
BOSCH Druckfeder | Ersatzteile für GKS 68 B | 1604610014
Hersteller: BOSCH
Artikelnummer: EB-0601570003-1604610014
nur Informationsartikel
Nie mehr lieferbar
keine Alternativen
Pos.
90
BOSCH Bundschraube | Ersatzteile für GKS 68 B | 1603490003
Hersteller: BOSCH
Artikelnummer: EB-0601570003-1603490003
nur Informationsartikel
Nie mehr lieferbar
keine Alternativen
Pos.
93
BOSCH Zusatzhandgriff | Ersatzteile für GKS 68 B | 1605133042
Hersteller: BOSCH
Artikelnummer: EB-0601570003-1605133042
nur Informationsartikel
Nie mehr lieferbar
keine Alternativen
Pos.
96
BOSCH Führungsträger | Ersatzteile für GKS 68 B | 1602305020
Hersteller: BOSCH
Artikelnummer: EB-0601570003-1602305020
nur Informationsartikel
Nie mehr lieferbar
keine Alternativen
Pos.
98
BOSCH Torx-Linsenschraube M4X12 | Ersatzteile für GKS 68 C | 2610386516
Hersteller: BOSCH
Artikelnummer: EB-0601570003-2610386516
Netto: 3,94 € zzgl. MwSt.
zzgl. 6,90 € Versand (brutto)
einmalig pro Bestellung

Lieferzeit: 5 Werktage

Pos.
100
BOSCH Hebel | Ersatzteile für GKS 68 B | 1602002005
Hersteller: BOSCH
Artikelnummer: EB-0601570003-1602002005
nur Informationsartikel
Nie mehr lieferbar
keine Alternativen
Pos.
102
BOSCH Druckelement | Ersatzteile für GKS 68 B | 1605500188
Hersteller: BOSCH
Artikelnummer: EB-0601570003-1605500188
nur Informationsartikel
Nie mehr lieferbar
keine Alternativen
Pos.
103
BOSCH Druckfeder | Ersatzteile für GKS 68 B | 3604611016
Hersteller: BOSCH
Artikelnummer: EB-0601570003-3604611016
nur Informationsartikel
Nie mehr lieferbar
keine Alternativen
Pos.
104
BOSCH Senkschraube | Ersatzteile für GKS 68 B | 2912341168
Hersteller: BOSCH
Artikelnummer: EB-0601570003-2912341168
nur Informationsartikel
Nie mehr lieferbar
keine Alternativen
Pos.
105
BOSCH Klemmflansch | Ersatzteile für GKS 68 B | 1608040115
Hersteller: BOSCH
Artikelnummer: EB-0601570003-1608040115
nur Informationsartikel
Nie mehr lieferbar
keine Alternativen
Pos.
106
BOSCH Sicherungsscheibe | Ersatzteile für GKS 68 B | 1600116009
Hersteller: BOSCH
Artikelnummer: EB-0601570003-1600116009
nur Informationsartikel
Nie mehr lieferbar
keine Alternativen
Pos.
107
BOSCH Bundschraube | Ersatzteile für GKS 68 B | 1603452001
Hersteller: BOSCH
Artikelnummer: EB-0601570003-1603452001
nur Informationsartikel
Nie mehr lieferbar
keine Alternativen
Pos.
110
BOSCH Gleitschiene | Ersatzteile für GKS 68 B | 1602386003
Hersteller: BOSCH
Artikelnummer: EB-0601570003-1602386003
nur Informationsartikel
Nie mehr lieferbar
keine Alternativen
Pos.
111
BOSCH Stellschraube | Ersatzteile für GKS 68 B | 1603452002
Hersteller: BOSCH
Artikelnummer: EB-0601570003-1603452002
nur Informationsartikel
Nie mehr lieferbar
keine Alternativen
Pos.
112
BOSCH Hinweisschild | Ersatzteile für GKS 68 B | 1601118306
Hersteller: BOSCH
Artikelnummer: EB-0601570003-1601118306
nur Informationsartikel
Nie mehr lieferbar
keine Alternativen
Pos.
114
BOSCH Sechskantmutter | Ersatzteile für GKS 68 B | 2915011006
Hersteller: BOSCH
Artikelnummer: EB-0601570003-2915011006
nur Informationsartikel
Nie mehr lieferbar
keine Alternativen
Pos.
803
BOSCH Anker Mit Lüfter | Ersatzteile für GKS 68 B | 1604010619
Hersteller: BOSCH
Artikelnummer: EB-0601570003-1604010619
nur Informationsartikel
Nie mehr lieferbar
keine Alternativen
Pos.
808
BOSCH Typschild | Ersatzteile für GKS 68 B | 160111A3H3
Hersteller: BOSCH
Artikelnummer: EB-0601570003-160111A3H3
Netto: 4,53 € zzgl. MwSt.
zzgl. 6,90 € Versand (brutto)
einmalig pro Bestellung

Lieferzeit: 5 Werktage

Pos.
810
BOSCH Kohlebürstensatz | Ersatzteile für GKS 68 B | 1607014143
Hersteller: BOSCH
Artikelnummer: EB-0601570003-1607014143
nur Informationsartikel
Nie mehr lieferbar
keine Alternativen
Pos.
817
BOSCH Getriebegehäuse | Ersatzteile für GKS 68 B | 1605806458
Hersteller: BOSCH
Artikelnummer: EB-0601570003-1605806458
nur Informationsartikel
Nie mehr lieferbar
keine Alternativen
Pos.
820
BOSCH Lagerdeckel | Ersatzteile für GKS 68 B | 1605808068
Hersteller: BOSCH
Artikelnummer: EB-0601570003-1605808068
nur Informationsartikel
Nie mehr lieferbar
keine Alternativen
Pos.
842
BOSCH Zylinderschraube | Ersatzteile für GKS 68 B | 2910001050
Hersteller: BOSCH
Artikelnummer: EB-0601570003-2910001050
nur Informationsartikel
Nie mehr lieferbar
keine Alternativen
Pos.
862
BOSCH Koppeleinheit | Ersatzteile für GKS 68 B | 1601329027
Hersteller: BOSCH
Artikelnummer: EB-0601570003-1601329027
nur Informationsartikel
Nie mehr lieferbar
keine Alternativen
Pos.
864
BOSCH Trägerplatte | Ersatzteile für GKS 68 B | 1607000818
Hersteller: BOSCH
Artikelnummer: EB-0601570003-1607000818
nur Informationsartikel
Nie mehr lieferbar
keine Alternativen
Pos.
881
BOSCH Sperrbolzen | Ersatzteile für GKS 68 B | 1607000291
Hersteller: BOSCH
Artikelnummer: EB-0601570003-1607000291
nur Informationsartikel
Nie mehr lieferbar
keine Alternativen

Angaben zur Produktsicherheit

Hersteller:
Robert Bosch Power Tools GmbH
Postfach 30 02 20
70442 Stuttgart

E-Mail:
kontakt@bosch.de