BOSCH Sechskantschraube DIN 933-M8x30-8.8 | Ersatzteile für GKS 85 S | 2911061246

Artikelnummer: EB-0601653038-2911061246

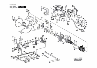
Position: 48

Marke: BOSCH


Bitte Kompatibilität prüfen!

Bitte prüfen Sie unbedingt die 10-stellige Typennummer Ihrer Maschine / Ihres Gerätes. Das Ersatzteil ist nur kompatibel, wenn Sie die Typennummer Ihrer Maschine in der unten stehenden Produktbeschreibung finden.

Bitte prüfen Sie ebenfalls detailliert die Explosionszeichnung mit Ihrem Artikelwunsch und der jeweiligen Pos-Nummer.

Alle Elemente, welche vom schwarzen Strich der Pos-Nummer ausgehend berührt / erfasst werden, gehören zu dieser Pos-Nummer und somit zu diesem Artikel. Jede Pos-Nummer ist ein eigenständiger Artikel, welchen Sie in der Auflistung finden.

Sie erhalten stets die aktuellste, neueste Produktversion zu der gewählten Pos-Nummer seitens des Herstellers. Es kann daher je nach Gerätealter vorkommen, dass Sie ggf. weitere, zugehörige Elemente, welche an diese Pos-Nummer grenzen, ebenfalls mittauschen müssen.

Nähere Informationen finden Sie unter dem Link
Hinweise zu Ihrer BOSCH Ersatzteilsuche

Preisübersicht

Einzelpreis: 3,60 €* (Brutto: 4,28 €)
Gesamtpreis: 3,60 €* 
Position:

Lieferzeit: 5 Werktage


Beschreibung

  • Sechskantschraube DIN 933-M8x30-8.8
  • Original Bosch Zubehör / BOSCH Ersatzteil (2911061246)
  • im Gerät verbaut: 1
Dieses BOSCH Ersatzteil ist mit folgendem Gerät und Modell kompatibel:
  • BOSCH Gerätename: GKS 85 S
  • BOSCH Explosionszeichnung: Position 48
  • BOSCH Typennummer: 0601653038
  • BOSCH Typennummer alternative Schreibweisen: 0 601 653 038, 0601 653 038, 0.601.653.038, 0-601-653-038
    Bitte prüfen Sie diese Typennummer auf Ihrem Gerät um die Kompatibilität des BOSCH Ersatzteils zu gewährleisten.
Weitere BOSCH Ersatzteile des Gerätes GKS 85 S (Gw-Handkreissäge) mit der Typennummer 0601653038 finden Sie in der nachfolgenden Darstellung und im Dropdown zu Ihrer Auswahl:

Pos.
1
BOSCH Motorgehäuse BLAU | Ersatzteile für GKS 85 S | 3605108548
Hersteller: BOSCH
Artikelnummer: EB-0601653038-3605108548
nur Informationsartikel
Nie mehr lieferbar
keine Alternativen
Pos.
2/60
BOSCH Lüfter | Ersatzteile für GKS 85 S | 3606610515
Hersteller: BOSCH
Artikelnummer: EB-0601653038-3606610515
nur Informationsartikel
Nie mehr lieferbar
keine Alternativen
Pos.
2
BOSCH Anker 100-110V | Ersatzteile für GKS 85 S | 3604011532
Hersteller: BOSCH
Artikelnummer: EB-0601653038-3604011532
nur Informationsartikel
Nie mehr lieferbar
keine Alternativen
Pos.
3
BOSCH Polschuh 100V | Ersatzteile für GKS 85 S | 3604220517
Hersteller: BOSCH
Artikelnummer: EB-0601653038-3604220517
nur Informationsartikel
Nie mehr lieferbar
keine Alternativen
Pos.
4
BOSCH Griffschale BLAU | Ersatzteile für GKS 85 S | 3605500572
Hersteller: BOSCH
Artikelnummer: EB-0601653038-3605500572
nur Informationsartikel
Nie mehr lieferbar
keine Alternativen
Pos.
5
BOSCH Gehäusedeckel BLAU | Ersatzteile für GKS 85 S | 3605500573
Hersteller: BOSCH
Artikelnummer: EB-0601653038-3605500573
Netto: 4,80 € zzgl. MwSt.
zzgl. 6,90 € Versand (brutto)
einmalig pro Bestellung

Lieferzeit: 5 Werktage

Pos.
6
BOSCH Netzanschlussleitung USA/CDN 3,275m 2 x 1,32mm SJ 16/2 | Ersatzteile für GKS 85 S | 3604460513
Hersteller: BOSCH
Artikelnummer: EB-0601653038-3604460513
nur Informationsartikel
Nie mehr lieferbar
keine Alternativen
Pos.
7
BOSCH Welle Mit Zahnrad Z=61 | Ersatzteile für GKS 85 S | 3606328508
Hersteller: BOSCH
Artikelnummer: EB-0601653038-3606328508
nur Informationsartikel
Nie mehr lieferbar
keine Alternativen
Pos.
8
BOSCH Bürstenhalter | Ersatzteile für GKS 85 S | 3600492505
Hersteller: BOSCH
Artikelnummer: EB-0601653038-3600492505
Netto: 12,50 € zzgl. MwSt.
zzgl. 6,90 € Versand (brutto)
einmalig pro Bestellung

Lieferzeit: 5 Werktage

Pos.
11
BOSCH Pendelschutzhaube | Ersatzteile für GKS 85 S | 3605500541
Hersteller: BOSCH
Artikelnummer: EB-0601653038-3605500541
nur Informationsartikel
Nie mehr lieferbar
keine Alternativen
Pos.
12
BOSCH Schutzhaube | Ersatzteile für GKS 85 S | 3605500537
Hersteller: BOSCH
Artikelnummer: EB-0601653038-3605500537
nur Informationsartikel
Nie mehr lieferbar
keine Alternativen
Pos.
13
BOSCH Getriebegehäuse | Ersatzteile für GKS 85 S | 3605806507
Hersteller: BOSCH
Artikelnummer: EB-0601653038-3605806507
nur Informationsartikel
Nie mehr lieferbar
keine Alternativen
Pos.
14
BOSCH Skalenträger | Ersatzteile für GKS 85 S | 3605702529
Hersteller: BOSCH
Artikelnummer: EB-0601653038-3605702529
nur Informationsartikel
Nie mehr lieferbar
keine Alternativen
Pos.
15
BOSCH Tiefenanschlag | Ersatzteile für GKS 85 S | 3605702558
Hersteller: BOSCH
Artikelnummer: EB-0601653038-3605702558
nur Informationsartikel
Nie mehr lieferbar
keine Alternativen
Pos.
16
BOSCH Netzschalter | Ersatzteile für GKS 85 S | 2610916046
Hersteller: BOSCH
Artikelnummer: EB-0601653038-2610916046
nur Informationsartikel
Nie mehr lieferbar
keine Alternativen
Pos.
17
BOSCH Schutzbügel | Ersatzteile für GKS 85 S | 3605510528
Hersteller: BOSCH
Artikelnummer: EB-0601653038-3605510528
Netto: 18,86 € zzgl. MwSt.
zzgl. 6,90 € Versand (brutto)
einmalig pro Bestellung

Lieferzeit: 5 Werktage

Pos.
18
BOSCH Befestigungsschelle | Ersatzteile für GKS 85 S | 3601032500
Hersteller: BOSCH
Artikelnummer: EB-0601653038-3601032500
Netto: 7,66 € zzgl. MwSt.
zzgl. 6,90 € Versand (brutto)
einmalig pro Bestellung

Lieferzeit: 5 Werktage

Pos.
21
BOSCH Spannscheibe | Ersatzteile für GKS 85 S | 3600144507
Hersteller: BOSCH
Artikelnummer: EB-0601653038-3600144507
nur Informationsartikel
Nie mehr lieferbar
keine Alternativen
Pos.
22
BOSCH Rillenkugellager | Ersatzteile für GKS 85 S | 3600900521
Hersteller: BOSCH
Artikelnummer: EB-0601653038-3600900521
Netto: 15,15 € zzgl. MwSt.
zzgl. 6,90 € Versand (brutto)
einmalig pro Bestellung

Lieferzeit: 5 Werktage

Pos.
23
BOSCH Nadellager | Ersatzteile für GKS 85 S | 3600910502
Hersteller: BOSCH
Artikelnummer: EB-0601653038-3600910502
Netto: 6,75 € zzgl. MwSt.
zzgl. 6,90 € Versand (brutto)
einmalig pro Bestellung

Lieferzeit: 5 Werktage

Pos.
24
BOSCH Rillenkugellager | Ersatzteile für GKS 85 S | 3600900520
Hersteller: BOSCH
Artikelnummer: EB-0601653038-3600900520
nur Informationsartikel
Nie mehr lieferbar
keine Alternativen
Pos.
25
BOSCH Kugellager | Ersatzteile für GKS 85 S | 2610904891
Hersteller: BOSCH
Artikelnummer: EB-0601653038-2610904891
nur Informationsartikel
Nie mehr lieferbar
keine Alternativen
Pos.
26
BOSCH Sicherungsring | Ersatzteile für GKS 85 S | 3600119505
Hersteller: BOSCH
Artikelnummer: EB-0601653038-3600119505
Netto: 4,56 € zzgl. MwSt.
zzgl. 6,90 € Versand (brutto)
einmalig pro Bestellung

Lieferzeit: 5 Werktage

Pos.
27
BOSCH Sicherungsring | Ersatzteile für GKS 85 S | 3600119506
Hersteller: BOSCH
Artikelnummer: EB-0601653038-3600119506
Netto: 4,56 € zzgl. MwSt.
zzgl. 6,90 € Versand (brutto)
einmalig pro Bestellung

Lieferzeit: 5 Werktage

Pos.
28
BOSCH Zugfeder | Ersatzteile für GKS 85 S | 2610909254
Hersteller: BOSCH
Artikelnummer: EB-0601653038-2610909254
Netto: 6,75 € zzgl. MwSt.
zzgl. 6,90 € Versand (brutto)
einmalig pro Bestellung

Lieferzeit: 5 Werktage

Pos.
30
BOSCH Schraubkappe | Ersatzteile für GKS 85 S | 2610994437
Hersteller: BOSCH
Artikelnummer: EB-0601653038-2610994437
nur Informationsartikel
Nie mehr lieferbar
keine Alternativen
Pos.
31
BOSCH Tülle Ø 9,4 MM | Ersatzteile für GKS 85 S | 3600707503
Hersteller: BOSCH
Artikelnummer: EB-0601653038-3600707503
Netto: 5,17 € zzgl. MwSt.
zzgl. 6,90 € Versand (brutto)
einmalig pro Bestellung

Lieferzeit: 5 Werktage

Pos.
32
BOSCH Unterlegscheibe | Ersatzteile für GKS 85 S | 3600100515
Hersteller: BOSCH
Artikelnummer: EB-0601653038-3600100515
nur Informationsartikel
Nie mehr lieferbar
keine Alternativen
Pos.
34
BOSCH Gummiring | Ersatzteile für GKS 85 S | 3600206502
Hersteller: BOSCH
Artikelnummer: EB-0601653038-3600206502
Netto: 4,36 € zzgl. MwSt.
zzgl. 6,90 € Versand (brutto)
einmalig pro Bestellung

Lieferzeit: 5 Werktage

Pos.
35
BOSCH Zusatzhandgriff M8 SCHWARZ | Ersatzteile für GKS 85 S | 3603231516
Hersteller: BOSCH
Artikelnummer: EB-0601653038-3603231516
nur Informationsartikel
Nie mehr lieferbar
keine Alternativen
Pos.
36
BOSCH Flügelmutter M8 | Ersatzteile für GKS 85 S | 3603231524
Hersteller: BOSCH
Artikelnummer: EB-0601653038-3603231524
nur Informationsartikel
Nie mehr lieferbar
keine Alternativen
Pos.
37
BOSCH T-Nutenschraube M 8x45 MM | Ersatzteile für GKS 85 S | 3603440502
Hersteller: BOSCH
Artikelnummer: EB-0601653038-3603440502
nur Informationsartikel
Nie mehr lieferbar
keine Alternativen
Pos.
38
BOSCH Gummipuffer | Ersatzteile für GKS 85 S | 3600707504
Hersteller: BOSCH
Artikelnummer: EB-0601653038-3600707504
nur Informationsartikel
Nie mehr lieferbar
keine Alternativen
Pos.
39
BOSCH Hinweisschild | Ersatzteile für GKS 85 S | 2610911006
Hersteller: BOSCH
Artikelnummer: EB-0601653038-2610911006
nur Informationsartikel
Nie mehr lieferbar
keine Alternativen
Pos.
40
BOSCH Grundplatte 396x230 MM | Ersatzteile für GKS 85 S | 3601440510
Hersteller: BOSCH
Artikelnummer: EB-0601653038-3601440510
nur Informationsartikel
Nie mehr lieferbar
keine Alternativen
Pos.
41
BOSCH Rundgummi | Ersatzteile für GKS 85 S | 3600305500
Hersteller: BOSCH
Artikelnummer: EB-0601653038-3600305500
nur Informationsartikel
Nie mehr lieferbar
keine Alternativen
Pos.
42
BOSCH Innensechskantschraube | Ersatzteile für GKS 85 S | 3603450501
Hersteller: BOSCH
Artikelnummer: EB-0601653038-3603450501
nur Informationsartikel
Nie mehr lieferbar
keine Alternativen
Pos.
44
BOSCH Torx-Linsenschraube 4x30 | Ersatzteile für GKS 85 S | 2603490025
Hersteller: BOSCH
Artikelnummer: EB-0601653038-2603490025
Netto: 3,60 € zzgl. MwSt.
zzgl. 6,90 € Versand (brutto)
einmalig pro Bestellung

Lieferzeit: 5 Werktage

Pos.
45
BOSCH Blechschraube DIN 7971-BZ4,2x25 | Ersatzteile für GKS 85 S | 2910611029
Hersteller: BOSCH
Artikelnummer: EB-0601653038-2910611029
Netto: 4,56 € zzgl. MwSt.
zzgl. 6,90 € Versand (brutto)
einmalig pro Bestellung

Lieferzeit: 5 Werktage

Pos.
46
BOSCH Blechschraube DIN 7981-ST4,2x13-C-H | Ersatzteile für GKS 85 S | 2910611025
Hersteller: BOSCH
Artikelnummer: EB-0601653038-2910611025
Netto: 3,60 € zzgl. MwSt.
zzgl. 6,90 € Versand (brutto)
einmalig pro Bestellung

Lieferzeit: 5 Werktage

Pos.
47
BOSCH Blechschraube DIN 7981-ST3,5x16-C-H | Ersatzteile für GKS 85 S | 2910611012
Hersteller: BOSCH
Artikelnummer: EB-0601653038-2910611012
Netto: 4,39 € zzgl. MwSt.
zzgl. 6,90 € Versand (brutto)
einmalig pro Bestellung

Lieferzeit: 5 Werktage

Pos.
48
BOSCH Sechskantschraube DIN 933-M8x30-8.8 | Ersatzteile für GKS 85 S | 2911061246
Hersteller: BOSCH
Artikelnummer: EB-0601653038-2911061246
Netto: 3,60 € zzgl. MwSt.
zzgl. 6,90 € Versand (brutto)
einmalig pro Bestellung

Lieferzeit: 5 Werktage

Pos.
49
BOSCH Zylinderschraube DIN 7500-CM5x25-ST | Ersatzteile für GKS 85 S | 2914411064
Hersteller: BOSCH
Artikelnummer: EB-0601653038-2914411064
nur Informationsartikel
Nie mehr lieferbar
keine Alternativen
Pos.
50
BOSCH Gewindefurchschraube | Ersatzteile für GKS 85 S | 2603435042
Hersteller: BOSCH
Artikelnummer: EB-0601653038-2603435042
Netto: 3,94 € zzgl. MwSt.
zzgl. 6,90 € Versand (brutto)
einmalig pro Bestellung

Lieferzeit: 5 Werktage

Pos.
51
BOSCH Blechschraube DIN 7982-ST3,9x45-F-H | Ersatzteile für GKS 85 S | 2910611483
Hersteller: BOSCH
Artikelnummer: EB-0601653038-2910611483
nur Informationsartikel
Nie mehr lieferbar
keine Alternativen
Pos.
53
BOSCH Gewindestift | Ersatzteile für GKS 85 S | 3603415566
Hersteller: BOSCH
Artikelnummer: EB-0601653038-3603415566
Netto: 4,33 € zzgl. MwSt.
zzgl. 6,90 € Versand (brutto)
einmalig pro Bestellung

Lieferzeit: 5 Werktage

Pos.
54
BOSCH Zylinderschraube | Ersatzteile für GKS 85 S | 3603415553
Hersteller: BOSCH
Artikelnummer: EB-0601653038-3603415553
Netto: 4,56 € zzgl. MwSt.
zzgl. 6,90 € Versand (brutto)
einmalig pro Bestellung

Lieferzeit: 5 Werktage

Pos.
55
BOSCH Zylinderschraube DIN 7500 CM 4x20 | Ersatzteile für GKS 85 S | 2914411051
Hersteller: BOSCH
Artikelnummer: EB-0601653038-2914411051
nur Informationsartikel
Nie mehr lieferbar
keine Alternativen
Pos.
56
BOSCH Dichtring | Ersatzteile für GKS 85 S | 3601016507
Hersteller: BOSCH
Artikelnummer: EB-0601653038-3601016507
Netto: 3,94 € zzgl. MwSt.
zzgl. 6,90 € Versand (brutto)
einmalig pro Bestellung

Lieferzeit: 5 Werktage

Pos.
57
BOSCH Zylinderschraube | Ersatzteile für GKS 85 S | 3603430502
Hersteller: BOSCH
Artikelnummer: EB-0601653038-3603430502
nur Informationsartikel
Nie mehr lieferbar
keine Alternativen
Pos.
58
BOSCH Firmenschild | Ersatzteile für CIRCULAR SAW | 3601119666
Hersteller: BOSCH
Artikelnummer: EB-0601653038-3601119666
Netto: 2,71 € zzgl. MwSt.
zzgl. 6,90 € Versand (brutto)
einmalig pro Bestellung

Lieferzeit: 5 Werktage

Pos.
59
BOSCH Spannstift DIN 1481-3x40 | Ersatzteile für GKS 85 S | 2917765240
Hersteller: BOSCH
Artikelnummer: EB-0601653038-2917765240
nur Informationsartikel
Nie mehr lieferbar
keine Alternativen
Pos.
60
BOSCH Federscheibe | Ersatzteile für GKS 85 S | 3600151506
Hersteller: BOSCH
Artikelnummer: EB-0601653038-3600151506
nur Informationsartikel
Nie mehr lieferbar
keine Alternativen
Pos.
61
BOSCH Flachkopfschraube | Ersatzteile für GKS 85 S | 3603415549
Hersteller: BOSCH
Artikelnummer: EB-0601653038-3603415549
Netto: 4,56 € zzgl. MwSt.
zzgl. 6,90 € Versand (brutto)
einmalig pro Bestellung

Lieferzeit: 5 Werktage

Pos.
63
BOSCH Spaltkeil | Ersatzteile für GKS 85 S | 3601098517
Hersteller: BOSCH
Artikelnummer: EB-0601653038-3601098517
nur Informationsartikel
Nie mehr lieferbar
keine Alternativen
Pos.
64
BOSCH Zylinderschraube DIN 7500-CM4x16-ST | Ersatzteile für GKS 85 S | 2914411049
Hersteller: BOSCH
Artikelnummer: EB-0601653038-2914411049
nur Informationsartikel
Nie mehr lieferbar
keine Alternativen
Pos.
66
BOSCH Schalthebel | Ersatzteile für GKS 85 S | 3603231518
Hersteller: BOSCH
Artikelnummer: EB-0601653038-3603231518
nur Informationsartikel
Nie mehr lieferbar
keine Alternativen
Pos.
67
BOSCH Zugfeder | Ersatzteile für GKS 85 S | 3604648503
Hersteller: BOSCH
Artikelnummer: EB-0601653038-3604648503
nur Informationsartikel
Nie mehr lieferbar
keine Alternativen
Pos.
68
BOSCH Sperrhebel | Ersatzteile für GKS 85 S | 3601960500
Hersteller: BOSCH
Artikelnummer: EB-0601653038-3601960500
nur Informationsartikel
Nie mehr lieferbar
keine Alternativen
Pos.
70
BOSCH Entstörkondensator | Ersatzteile für GKS 85 S | 3607328509
Hersteller: BOSCH
Artikelnummer: EB-0601653038-3607328509
nur Informationsartikel
Nie mehr lieferbar
keine Alternativen
Pos.
71
BOSCH Innensechskantschraube DIN 912-M6x12-8.8 | Ersatzteile für GKS 85 S | 2910141193
Hersteller: BOSCH
Artikelnummer: EB-0601653038-2910141193
nur Informationsartikel
Nie mehr lieferbar
keine Alternativen
Pos.
72
BOSCH Sechskantmutter DIN 934-M6-8-A | Ersatzteile für GKS 85 S | 2915011007
Hersteller: BOSCH
Artikelnummer: EB-0601653038-2915011007
Netto: 3,60 € zzgl. MwSt.
zzgl. 6,90 € Versand (brutto)
einmalig pro Bestellung

Lieferzeit: 5 Werktage

Pos.
74
BOSCH Längsanschlag | Ersatzteile für GKS 85 S | 2608190002
Hersteller: BOSCH
Artikelnummer: EB-0601653038-2608190002
nur Informationsartikel
Nie mehr lieferbar
keine Alternativen
Pos.
75
BOSCH Haltewinkel | Ersatzteile für GKS 85 S | 3607000518
Hersteller: BOSCH
Artikelnummer: EB-0601653038-3607000518
nur Informationsartikel
Nie mehr lieferbar
keine Alternativen
Pos.
76
BOSCH Flügelschraube M6 | Ersatzteile für GKS 85 S | 1603480018
Hersteller: BOSCH
Artikelnummer: EB-0601653038-1603480018
Netto: 4,36 € zzgl. MwSt.
zzgl. 6,90 € Versand (brutto)
einmalig pro Bestellung

Lieferzeit: 5 Werktage

Pos.
78
BOSCH Unterlegscheibe DIN 125-A 6,4-ST | Ersatzteile für GKS 85 S | 2916011014
Hersteller: BOSCH
Artikelnummer: EB-0601653038-2916011014
Netto: 3,60 € zzgl. MwSt.
zzgl. 6,90 € Versand (brutto)
einmalig pro Bestellung

Lieferzeit: 64 Werktage

Pos.
81
BOSCH Klemmstück | Ersatzteile für GKS 85 S | 3601030500
Hersteller: BOSCH
Artikelnummer: EB-0601653038-3601030500
nur Informationsartikel
Nie mehr lieferbar
keine Alternativen
Pos.
84
BOSCH Unterlegscheibe DIN 125-A5,3-ST | Ersatzteile für GKS 85 S | 2916011012
Hersteller: BOSCH
Artikelnummer: EB-0601653038-2916011012
Netto: 3,60 € zzgl. MwSt.
zzgl. 6,90 € Versand (brutto)
einmalig pro Bestellung

Lieferzeit: 5 Werktage

Pos.
650
BOSCH Innensechskantschlüssel 5 MM | Ersatzteile für GKS 85 S | 2610364015
Hersteller: BOSCH
Artikelnummer: EB-0601653038-2610364015
Netto: 5,17 € zzgl. MwSt.
zzgl. 6,90 € Versand (brutto)
einmalig pro Bestellung

Lieferzeit: 5 Werktage

Pos.
651
BOSCH Kreissägeblatt Ø 230x30 MM, Z=14 HM | Ersatzteile für GKS 85 S | 3608640519
Hersteller: BOSCH
Artikelnummer: EB-0601653038-3608640519
nur Informationsartikel
Nie mehr lieferbar
keine Alternativen
Pos.
809
BOSCH Kohlebürstensatz | Ersatzteile für GKS 85 S | 3607014502
Hersteller: BOSCH
Artikelnummer: EB-0601653038-3607014502
nur Informationsartikel
Nie mehr lieferbar
keine Alternativen
Pos.
810
BOSCH Typschild | Ersatzteile für GKS 85 S | 3601119590
Hersteller: BOSCH
Artikelnummer: EB-0601653038-3601119590
nur Informationsartikel
Nie mehr lieferbar
keine Alternativen
Pos.
820
BOSCH Aufnahmeflansch | Ersatzteile für GKS 85 S | 3600101510
Hersteller: BOSCH
Artikelnummer: EB-0601653038-3600101510
nur Informationsartikel
Nie mehr lieferbar
keine Alternativen
Pos.
833
BOSCH Teilesatz | Ersatzteile für GKS 85 S | 3607000566
Hersteller: BOSCH
Artikelnummer: EB-0601653038-3607000566
nur Informationsartikel
Nie mehr lieferbar
keine Alternativen
Pos.
865
BOSCH Tiefenanschlag | Ersatzteile für GKS 85 S | 3605702536
Hersteller: BOSCH
Artikelnummer: EB-0601653038-3605702536
nur Informationsartikel
Nie mehr lieferbar
keine Alternativen
Pos.
873
BOSCH Sechskantschraube DIN 933-M8x25-5.6 | Ersatzteile für GKS 85 S | 2911051244
Hersteller: BOSCH
Artikelnummer: EB-0601653038-2911051244
nur Informationsartikel
Nie mehr lieferbar
keine Alternativen
Pos.
875
BOSCH Bügelhalter | Ersatzteile für CIRCULAR SAW | 3605702535
Hersteller: BOSCH
Artikelnummer: EB-0601653038-3605702535
Netto: 15,18 € zzgl. MwSt.
zzgl. 6,90 € Versand (brutto)
einmalig pro Bestellung

Lieferzeit: 5 Werktage

Pos.
888
BOSCH Typschild | Ersatzteile für GKS 85 S | 160111A3H3
Hersteller: BOSCH
Artikelnummer: EB-0601653038-160111A3H3
Netto: 4,56 € zzgl. MwSt.
zzgl. 6,90 € Versand (brutto)
einmalig pro Bestellung

Lieferzeit: 5 Werktage

Angaben zur Produktsicherheit

Hersteller:
Robert Bosch Power Tools GmbH
Postfach 30 02 20
70442 Stuttgart

E-Mail:
kontakt@bosch.de