BOSCH Entstörkondensator | Ersatzteile für GLF 55-6 | 1619PB3048

Artikelnummer: EB-3601FA0070-1619PB3048

Position: 12

Marke: BOSCH


Bitte Kompatibilität prüfen!

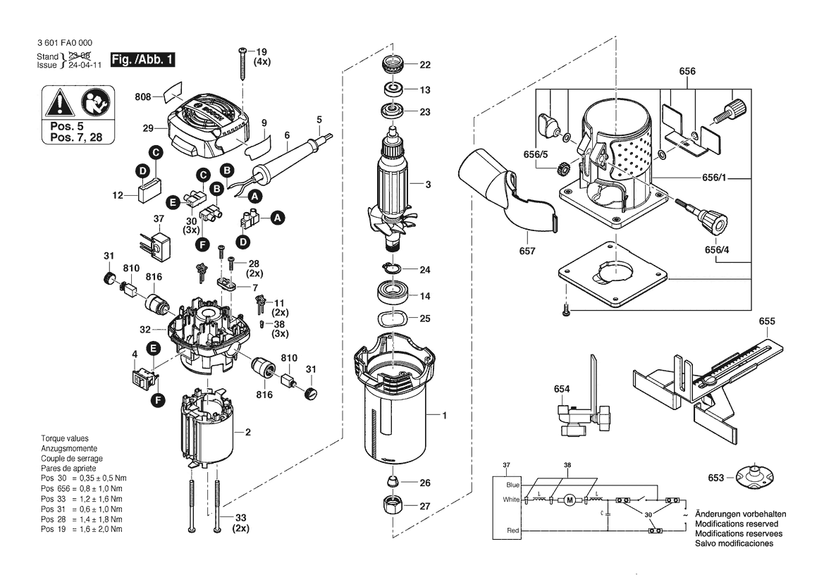
Bitte prüfen Sie unbedingt die 10-stellige Typennummer Ihrer Maschine / Ihres Gerätes. Das Ersatzteil ist nur kompatibel, wenn Sie die Typennummer Ihrer Maschine in der unten stehenden Produktbeschreibung finden.

Bitte prüfen Sie ebenfalls detailliert die Explosionszeichnung mit Ihrem Artikelwunsch und der jeweiligen Pos-Nummer.

Alle Elemente, welche vom schwarzen Strich der Pos-Nummer ausgehend berührt / erfasst werden, gehören zu dieser Pos-Nummer und somit zu diesem Artikel. Jede Pos-Nummer ist ein eigenständiger Artikel, welchen Sie in der Auflistung finden.

Sie erhalten stets die aktuellste, neueste Produktversion zu der gewählten Pos-Nummer seitens des Herstellers. Es kann daher je nach Gerätealter vorkommen, dass Sie ggf. weitere, zugehörige Elemente, welche an diese Pos-Nummer grenzen, ebenfalls mittauschen müssen.

Nähere Informationen finden Sie unter dem Link
Hinweise zu Ihrer BOSCH Ersatzteilsuche

Preisübersicht

Einzelpreis: 3,94 €* (Brutto: 4,69 €)
Gesamtpreis: 3,94 €* 
Position:

Lieferzeit: 5 Werktage


Beschreibung

  • Entstörkondensator
  • Original Bosch Zubehör / BOSCH Ersatzteil (1619PB3048)
  • im Gerät verbaut: 1
Dieses BOSCH Ersatzteil ist mit folgendem Gerät und Modell kompatibel:
  • BOSCH Gerätename: GLF 55-6
  • BOSCH Explosionszeichnung: Position 12
  • BOSCH Typennummer: 3601FA0070
  • BOSCH Typennummer alternative Schreibweisen: 3 601 FA0 070, 3601 FA0 070, 3.601.FA0.070, 3-601-FA0-070
    Bitte prüfen Sie diese Typennummer auf Ihrem Gerät um die Kompatibilität des BOSCH Ersatzteils zu gewährleisten.
Weitere BOSCH Ersatzteile des Gerätes GLF 55-6 (Oberfräse) mit der Typennummer 3601FA0070 finden Sie in der nachfolgenden Darstellung und im Dropdown zu Ihrer Auswahl:

Pos.
1
BOSCH Motorgehäuse | Ersatzteile für GLF 55-6 | 1619PB2368
Hersteller: BOSCH
Artikelnummer: EB-3601FA0070-1619PB2368
Netto: 7,30 € zzgl. MwSt.
zzgl. 6,90 € Versand (brutto)
einmalig pro Bestellung

Lieferzeit: 5 Werktage

Pos.
656/1
BOSCH Sockel | Ersatzteile für GLF 55-6 | 1619PC1688
Hersteller: BOSCH
Artikelnummer: EB-3601FA0070-1619PC1688
Netto: 11,92 € zzgl. MwSt.
zzgl. 6,90 € Versand (brutto)
einmalig pro Bestellung

Lieferzeit: 5 Werktage

Pos.
656/4
BOSCH Knopf | Ersatzteile für GLF 55-6 | 1619PB7225
Hersteller: BOSCH
Artikelnummer: EB-3601FA0070-1619PB7225
Netto: 4,32 € zzgl. MwSt.
zzgl. 6,90 € Versand (brutto)
einmalig pro Bestellung

Lieferzeit: 5 Werktage

Pos.
656/5
BOSCH Getriebe | Ersatzteile für GLF 55-6 | 1619PB6976
Hersteller: BOSCH
Artikelnummer: EB-3601FA0070-1619PB6976
Netto: 3,94 € zzgl. MwSt.
zzgl. 6,90 € Versand (brutto)
einmalig pro Bestellung

Lieferzeit: 5 Werktage

Pos.
2
BOSCH Polschuhbaugruppe 220~240V Ø55*50 | Ersatzteile für GLF 55-6 | 1619PB3028
Hersteller: BOSCH
Artikelnummer: EB-3601FA0070-1619PB3028
Netto: 19,18 € zzgl. MwSt.
zzgl. 6,90 € Versand (brutto)
einmalig pro Bestellung

Lieferzeit: 5 Werktage

Pos.
3
BOSCH Anker 220~240V Ø31.7*50 FOR 1/4" COLLECT AXIS | Ersatzteile für GLF 55-6 | 1619PB3148
Hersteller: BOSCH
Artikelnummer: EB-3601FA0070-1619PB3148
Netto: 26,88 € zzgl. MwSt.
zzgl. 6,90 € Versand (brutto)
einmalig pro Bestellung

Lieferzeit: 5 Werktage

Pos.
4
BOSCH Schalter | Ersatzteile für GLF 55-6 | 1619PB3034
Hersteller: BOSCH
Artikelnummer: EB-3601FA0070-1619PB3034
Netto: 6,15 € zzgl. MwSt.
zzgl. 6,90 € Versand (brutto)
einmalig pro Bestellung

Lieferzeit: 5 Werktage

Pos.
5
BOSCH Netzanschlussleitung GB | Ersatzteile für GLF 55-6 | 1619PB3036
Hersteller: BOSCH
Artikelnummer: EB-3601FA0070-1619PB3036
Netto: 9,18 € zzgl. MwSt.
zzgl. 6,90 € Versand (brutto)
einmalig pro Bestellung

Lieferzeit: 5 Werktage

Pos.
6
BOSCH Tülle | Ersatzteile für GLF 55-6 | 1619PB3045
Hersteller: BOSCH
Artikelnummer: EB-3601FA0070-1619PB3045
Netto: 3,63 € zzgl. MwSt.
zzgl. 6,90 € Versand (brutto)
einmalig pro Bestellung

Lieferzeit: 5 Werktage

Pos.
7
BOSCH Geräteclip | Ersatzteile für GLF 55-6 | 1619PB3046
Hersteller: BOSCH
Artikelnummer: EB-3601FA0070-1619PB3046
Netto: 3,63 € zzgl. MwSt.
zzgl. 6,90 € Versand (brutto)
einmalig pro Bestellung

Lieferzeit: 5 Werktage

Pos.
9
BOSCH Firmenschild GLF 55-6 | Ersatzteile für GLF 55-6 | 1619PC1693
Hersteller: BOSCH
Artikelnummer: EB-3601FA0070-1619PC1693
Netto: 4,53 € zzgl. MwSt.
zzgl. 6,90 € Versand (brutto)
einmalig pro Bestellung

Lieferzeit: 5 Werktage

Pos.
11
BOSCH Drosselspule | Ersatzteile für GLF 55-6 | 1619PB5535
Hersteller: BOSCH
Artikelnummer: EB-3601FA0070-1619PB5535
Netto: 3,63 € zzgl. MwSt.
zzgl. 6,90 € Versand (brutto)
einmalig pro Bestellung

Lieferzeit: 5 Werktage

Pos.
12
BOSCH Entstörkondensator | Ersatzteile für GLF 55-6 | 1619PB3048
Hersteller: BOSCH
Artikelnummer: EB-3601FA0070-1619PB3048
Netto: 3,94 € zzgl. MwSt.
zzgl. 6,90 € Versand (brutto)
einmalig pro Bestellung

Lieferzeit: 5 Werktage

Pos.
13
BOSCH Rillenkugellager | Ersatzteile für GLF 55-6 | 1619PB3049
Hersteller: BOSCH
Artikelnummer: EB-3601FA0070-1619PB3049
Netto: 6,15 € zzgl. MwSt.
zzgl. 6,90 € Versand (brutto)
einmalig pro Bestellung

Lieferzeit: 5 Werktage

Pos.
14
BOSCH Rillenkugellager | Ersatzteile für GLF 55-6 | 1619PB3050
Hersteller: BOSCH
Artikelnummer: EB-3601FA0070-1619PB3050
Netto: 8,33 € zzgl. MwSt.
zzgl. 6,90 € Versand (brutto)
einmalig pro Bestellung

Lieferzeit: 5 Werktage

Pos.
19
BOSCH Schraube | Ersatzteile für GLF 55-6 | 1619PB3052
Hersteller: BOSCH
Artikelnummer: EB-3601FA0070-1619PB3052
Netto: 3,63 € zzgl. MwSt.
zzgl. 6,90 € Versand (brutto)
einmalig pro Bestellung

Lieferzeit: 5 Werktage

Pos.
22
BOSCH Lagerhülse | Ersatzteile für GLF 55-6 | 1619PB3053
Hersteller: BOSCH
Artikelnummer: EB-3601FA0070-1619PB3053
Netto: 3,94 € zzgl. MwSt.
zzgl. 6,90 € Versand (brutto)
einmalig pro Bestellung

Lieferzeit: 5 Werktage

Pos.
23
BOSCH Stützring | Ersatzteile für GLF 55-6 | 1619PB3054
Hersteller: BOSCH
Artikelnummer: EB-3601FA0070-1619PB3054
Netto: 3,63 € zzgl. MwSt.
zzgl. 6,90 € Versand (brutto)
einmalig pro Bestellung

Lieferzeit: 5 Werktage

Pos.
24
BOSCH Distanzring | Ersatzteile für GLF 55-6 | 1619PB3055
Hersteller: BOSCH
Artikelnummer: EB-3601FA0070-1619PB3055
Netto: 3,63 € zzgl. MwSt.
zzgl. 6,90 € Versand (brutto)
einmalig pro Bestellung

Lieferzeit: 5 Werktage

Pos.
25
BOSCH Wellenscheibe | Ersatzteile für GLF 55-6 | 1619PB3056
Hersteller: BOSCH
Artikelnummer: EB-3601FA0070-1619PB3056
Netto: 3,63 € zzgl. MwSt.
zzgl. 6,90 € Versand (brutto)
einmalig pro Bestellung

Lieferzeit: 5 Werktage

Pos.
26
BOSCH Spannzange 1/4 INCH 65MN | Ersatzteile für GLF 55-6 | 1619PB3057
Hersteller: BOSCH
Artikelnummer: EB-3601FA0070-1619PB3057
Netto: 5,19 € zzgl. MwSt.
zzgl. 6,90 € Versand (brutto)
einmalig pro Bestellung

Lieferzeit: 5 Werktage

Pos.
27
BOSCH Überwurfmutter | Ersatzteile für GLF 55-6 | 1619PB3059
Hersteller: BOSCH
Artikelnummer: EB-3601FA0070-1619PB3059
Netto: 4,53 € zzgl. MwSt.
zzgl. 6,90 € Versand (brutto)
einmalig pro Bestellung

Lieferzeit: 5 Werktage

Pos.
28
BOSCH Klemmschraube | Ersatzteile für GLF 55-6 | 1619PB3060
Hersteller: BOSCH
Artikelnummer: EB-3601FA0070-1619PB3060
Netto: 3,63 € zzgl. MwSt.
zzgl. 6,90 € Versand (brutto)
einmalig pro Bestellung

Lieferzeit: 5 Werktage

Pos.
29
BOSCH Abdeckung | Ersatzteile für GLF 55-6 | 1619PB2366
Hersteller: BOSCH
Artikelnummer: EB-3601FA0070-1619PB2366
Netto: 5,19 € zzgl. MwSt.
zzgl. 6,90 € Versand (brutto)
einmalig pro Bestellung

Lieferzeit: 5 Werktage

Pos.
30
BOSCH Reihenklemme | Ersatzteile für GLF 55-6 | 1619PB3061
Hersteller: BOSCH
Artikelnummer: EB-3601FA0070-1619PB3061
Netto: 3,63 € zzgl. MwSt.
zzgl. 6,90 € Versand (brutto)
einmalig pro Bestellung

Lieferzeit: 5 Werktage

Pos.
31
BOSCH Bürstendeckel | Ersatzteile für GLF 55-6 | 1619PB3062
Hersteller: BOSCH
Artikelnummer: EB-3601FA0070-1619PB3062
Netto: 3,63 € zzgl. MwSt.
zzgl. 6,90 € Versand (brutto)
einmalig pro Bestellung

Lieferzeit: 5 Werktage

Pos.
32
BOSCH Motorgehäuse | Ersatzteile für GLF 55-6 | 1619PB2367
Hersteller: BOSCH
Artikelnummer: EB-3601FA0070-1619PB2367
Netto: 6,15 € zzgl. MwSt.
zzgl. 6,90 € Versand (brutto)
einmalig pro Bestellung

Lieferzeit: 5 Werktage

Pos.
33
BOSCH Schraube | Ersatzteile für GLF 55-6 | 1619PB3063
Hersteller: BOSCH
Artikelnummer: EB-3601FA0070-1619PB3063
Netto: 3,63 € zzgl. MwSt.
zzgl. 6,90 € Versand (brutto)
einmalig pro Bestellung

Lieferzeit: 5 Werktage

Pos.
37
BOSCH Leiterplatte | Ersatzteile für GLF 55-6 | 1619PB4604
Hersteller: BOSCH
Artikelnummer: EB-3601FA0070-1619PB4604
Netto: 9,18 € zzgl. MwSt.
zzgl. 6,90 € Versand (brutto)
einmalig pro Bestellung

Lieferzeit: 5 Werktage

Pos.
38
BOSCH Lötstützpunkt | Ersatzteile für GLF 55-6 | 1619PB5619
Hersteller: BOSCH
Artikelnummer: EB-3601FA0070-1619PB5619
Netto: 3,63 € zzgl. MwSt.
zzgl. 6,90 € Versand (brutto)
einmalig pro Bestellung

Lieferzeit: 5 Werktage

Pos.
653
BOSCH Führung | Ersatzteile für GLF 55-6 | 1619PB2378
Hersteller: BOSCH
Artikelnummer: EB-3601FA0070-1619PB2378
Netto: 4,32 € zzgl. MwSt.
zzgl. 6,90 € Versand (brutto)
einmalig pro Bestellung

Lieferzeit: 5 Werktage

Pos.
654
BOSCH Anschlag | Ersatzteile für GLF 55-6 | 1619PB3022
Hersteller: BOSCH
Artikelnummer: EB-3601FA0070-1619PB3022
Netto: 14,36 € zzgl. MwSt.
zzgl. 6,90 € Versand (brutto)
einmalig pro Bestellung

Lieferzeit: 5 Werktage

Pos.
655
BOSCH Längsanschlag | Ersatzteile für GLF 55-6 | 1619PB3021
Hersteller: BOSCH
Artikelnummer: EB-3601FA0070-1619PB3021
Netto: 9,18 € zzgl. MwSt.
zzgl. 6,90 € Versand (brutto)
einmalig pro Bestellung

Lieferzeit: 5 Werktage

Pos.
656
BOSCH Sockel | Ersatzteile für GLF 55-6 | 1619PC1978
Hersteller: BOSCH
Artikelnummer: EB-3601FA0070-1619PC1978
Netto: 14,36 € zzgl. MwSt.
zzgl. 6,90 € Versand (brutto)
einmalig pro Bestellung

Lieferzeit: 5 Werktage

Pos.
657
BOSCH Staubabsaugung | Ersatzteile für GLF 55-6 | 1619PB7222
Hersteller: BOSCH
Artikelnummer: EB-3601FA0070-1619PB7222
Netto: 6,15 € zzgl. MwSt.
zzgl. 6,90 € Versand (brutto)
einmalig pro Bestellung

Lieferzeit: 6 Werktage

Pos.
808
BOSCH Typschild | Ersatzteile für GLF 55-6 | 1619PC1973
Hersteller: BOSCH
Artikelnummer: EB-3601FA0070-1619PC1973
Netto: 4,53 € zzgl. MwSt.
zzgl. 6,90 € Versand (brutto)
einmalig pro Bestellung

Lieferzeit: 5 Werktage

Pos.
810
BOSCH Kohlebürstensatz | Ersatzteile für GLF 55-6 | 1619PB3047
Hersteller: BOSCH
Artikelnummer: EB-3601FA0070-1619PB3047
Netto: 7,30 € zzgl. MwSt.
zzgl. 6,90 € Versand (brutto)
einmalig pro Bestellung

Lieferzeit: 5 Werktage

Pos.
816
BOSCH Bürstenhalter | Ersatzteile für GLF 55-6 | 1619PB3051
Hersteller: BOSCH
Artikelnummer: EB-3601FA0070-1619PB3051
Netto: 4,53 € zzgl. MwSt.
zzgl. 6,90 € Versand (brutto)
einmalig pro Bestellung

Lieferzeit: 5 Werktage

Angaben zur Produktsicherheit

Hersteller:
Robert Bosch Power Tools GmbH
Postfach 30 02 20
70442 Stuttgart

E-Mail:
kontakt@bosch.de