BOSCH Lasermodul | Ersatzteile für GLL 5-50 | 1618C0110L

Artikelnummer: EB-3601K63F80-1618C0110L

Position: 807

Marke: BOSCH


Bitte Kompatibilität prüfen!

Bitte prüfen Sie unbedingt die 10-stellige Typennummer Ihrer Maschine / Ihres Gerätes. Das Ersatzteil ist nur kompatibel, wenn Sie die Typennummer Ihrer Maschine in der unten stehenden Produktbeschreibung finden.

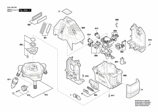
Bitte prüfen Sie ebenfalls detailliert die Explosionszeichnung mit Ihrem Artikelwunsch und der jeweiligen Pos-Nummer.

Alle Elemente, welche vom schwarzen Strich der Pos-Nummer ausgehend berührt / erfasst werden, gehören zu dieser Pos-Nummer und somit zu diesem Artikel. Jede Pos-Nummer ist ein eigenständiger Artikel, welchen Sie in der Auflistung finden.

Sie erhalten stets die aktuellste, neueste Produktversion zu der gewählten Pos-Nummer seitens des Herstellers. Es kann daher je nach Gerätealter vorkommen, dass Sie ggf. weitere, zugehörige Elemente, welche an diese Pos-Nummer grenzen, ebenfalls mittauschen müssen.

Nähere Informationen finden Sie unter dem Link
Hinweise zu Ihrer BOSCH Ersatzteilsuche

Preisübersicht

Einzelpreis: 39,11 €* (Brutto: 46,54 €)
Gesamtpreis: 39,11 €* 
Position:

Lieferzeit: 5 Werktage


Beschreibung

  • Lasermodul
  • Original Bosch Zubehör / BOSCH Ersatzteil (1618C0110L)
  • im Gerät verbaut: 1
Dieses BOSCH Ersatzteil ist mit folgendem Gerät und Modell kompatibel:
  • BOSCH Gerätename: GLL 5-50
  • BOSCH Explosionszeichnung: Position 807
  • BOSCH Typennummer: 3601K63F80
  • BOSCH Typennummer alternative Schreibweisen: 3 601 K63 F80, 3601 K63 F80, 3.601.K63.F80, 3-601-K63-F80
    Bitte prüfen Sie diese Typennummer auf Ihrem Gerät um die Kompatibilität des BOSCH Ersatzteils zu gewährleisten.
Weitere BOSCH Ersatzteile des Gerätes GLL 5-50 (Baulaser) mit der Typennummer 3601K63F80 finden Sie in der nachfolgenden Darstellung und im Dropdown zu Ihrer Auswahl:

Pos.
1
BOSCH Schiebeschalter | Ersatzteile für GLL 5-50 | 1618C0101F
Hersteller: BOSCH
Artikelnummer: EB-3601K63F80-1618C0101F
Netto: 3,63 € zzgl. MwSt.
zzgl. 6,90 € Versand (brutto)
einmalig pro Bestellung

Lieferzeit: 5 Werktage

Pos.
2
BOSCH Gummi-Ohrkissen | Ersatzteile für GLL 5-50 | 1618C0106F
Hersteller: BOSCH
Artikelnummer: EB-3601K63F80-1618C0106F
Netto: 4,82 € zzgl. MwSt.
zzgl. 6,90 € Versand (brutto)
einmalig pro Bestellung

Lieferzeit: 5 Werktage

Pos.
6
BOSCH Gehäuse | Ersatzteile für GLL 5-50 | 1618C0101E
Hersteller: BOSCH
Artikelnummer: EB-3601K63F80-1618C0101E
Netto: 4,53 € zzgl. MwSt.
zzgl. 6,90 € Versand (brutto)
einmalig pro Bestellung

Lieferzeit: 5 Werktage

Pos.
801
BOSCH Sichtfenster | Ersatzteile für GLL 5-50 | 1618C0110E
Hersteller: BOSCH
Artikelnummer: EB-3601K63F80-1618C0110E
Netto: 9,95 € zzgl. MwSt.
zzgl. 6,90 € Versand (brutto)
einmalig pro Bestellung

Lieferzeit: 5 Werktage

Pos.
802
BOSCH Sichtfenster | Ersatzteile für GLL 5-50 | 1618C0110F
Hersteller: BOSCH
Artikelnummer: EB-3601K63F80-1618C0110F
Netto: 6,15 € zzgl. MwSt.
zzgl. 6,90 € Versand (brutto)
einmalig pro Bestellung

Lieferzeit: 5 Werktage

Pos.
803
BOSCH Sichtfenster | Ersatzteile für GLL 5-50 | 1618C0110G
Hersteller: BOSCH
Artikelnummer: EB-3601K63F80-1618C0110G
Netto: 6,70 € zzgl. MwSt.
zzgl. 6,90 € Versand (brutto)
einmalig pro Bestellung

Lieferzeit: 5 Werktage

Pos.
804
BOSCH Schalter | Ersatzteile für GLL 5-50 | 1618C0110H
Hersteller: BOSCH
Artikelnummer: EB-3601K63F80-1618C0110H
Netto: 5,19 € zzgl. MwSt.
zzgl. 6,90 € Versand (brutto)
einmalig pro Bestellung

Lieferzeit: 5 Werktage

Pos.
805
BOSCH Gehäusedeckel | Ersatzteile für GLL 5-50 | 1618C0111W
Hersteller: BOSCH
Artikelnummer: EB-3601K63F80-1618C0111W
Netto: 32,74 € zzgl. MwSt.
zzgl. 6,90 € Versand (brutto)
einmalig pro Bestellung

Lieferzeit: 5 Werktage

Pos.
806
BOSCH Lasermodul | Ersatzteile für GLL 5-50 | 1618C0110K
Hersteller: BOSCH
Artikelnummer: EB-3601K63F80-1618C0110K
Netto: 57,47 € zzgl. MwSt.
zzgl. 6,90 € Versand (brutto)
einmalig pro Bestellung

Lieferzeit: 5 Werktage

Pos.
807
BOSCH Lasermodul | Ersatzteile für GLL 5-50 | 1618C0110L
Hersteller: BOSCH
Artikelnummer: EB-3601K63F80-1618C0110L
Netto: 39,11 € zzgl. MwSt.
zzgl. 6,90 € Versand (brutto)
einmalig pro Bestellung

Lieferzeit: 5 Werktage

Pos.
808
BOSCH Ausgleichgewicht | Ersatzteile für GLL 5-50 | 1618C0110M
Hersteller: BOSCH
Artikelnummer: EB-3601K63F80-1618C0110M
Netto: 4,82 € zzgl. MwSt.
zzgl. 6,90 € Versand (brutto)
einmalig pro Bestellung

Lieferzeit: 5 Werktage

Pos.
809
BOSCH Gehäuseboden | Ersatzteile für GLL 5-50 | 1618C0110N
Hersteller: BOSCH
Artikelnummer: EB-3601K63F80-1618C0110N
Netto: 10,92 € zzgl. MwSt.
zzgl. 6,90 € Versand (brutto)
einmalig pro Bestellung

Lieferzeit: 5 Werktage

Pos.
810
BOSCH Schraubensatz | Ersatzteile für GLL 5-50 | 1618C0110R
Hersteller: BOSCH
Artikelnummer: EB-3601K63F80-1618C0110R
Netto: 4,53 € zzgl. MwSt.
zzgl. 6,90 € Versand (brutto)
einmalig pro Bestellung

Lieferzeit: 5 Werktage

Pos.
811
BOSCH Gehäusebaugruppe | Ersatzteile für GLL 5-50 | 1618C0110S
Hersteller: BOSCH
Artikelnummer: EB-3601K63F80-1618C0110S
Netto: 7,76 € zzgl. MwSt.
zzgl. 6,90 € Versand (brutto)
einmalig pro Bestellung

Lieferzeit: 5 Werktage

Pos.
812
BOSCH Montage | Ersatzteile für GLL 5-50 | 1618C0104K
Hersteller: BOSCH
Artikelnummer: EB-3601K63F80-1618C0104K
Netto: 52,14 € zzgl. MwSt.
zzgl. 6,90 € Versand (brutto)
einmalig pro Bestellung

Lieferzeit: 5 Werktage

Pos.
813
BOSCH Stellknopf | Ersatzteile für GLL 5-50 | 1618C0111Y
Hersteller: BOSCH
Artikelnummer: EB-3601K63F80-1618C0111Y
Netto: 6,70 € zzgl. MwSt.
zzgl. 6,90 € Versand (brutto)
einmalig pro Bestellung

Lieferzeit: 5 Werktage

Pos.
814
BOSCH Lasermodul | Ersatzteile für GLL 5-50 | 1618C0144R
Hersteller: BOSCH
Artikelnummer: EB-3601K63F80-1618C0144R
Netto: 26,88 € zzgl. MwSt.
zzgl. 6,90 € Versand (brutto)
einmalig pro Bestellung

Lieferzeit: 5 Werktage

Angaben zur Produktsicherheit

Hersteller:
Robert Bosch Power Tools GmbH
Postfach 30 02 20
70442 Stuttgart

E-Mail:
kontakt@bosch.de