BOSCH Umschalter | Ersatzteile für GMB 10 RE | F000608012

Artikelnummer: EB-0601135578-F000608012

Position: 41

Marke: BOSCH


Bitte Kompatibilität prüfen!

Bitte prüfen Sie unbedingt die 10-stellige Typennummer Ihrer Maschine / Ihres Gerätes. Das Ersatzteil ist nur kompatibel, wenn Sie die Typennummer Ihrer Maschine in der unten stehenden Produktbeschreibung finden.

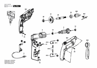
Bitte prüfen Sie ebenfalls detailliert die Explosionszeichnung mit Ihrem Artikelwunsch und der jeweiligen Pos-Nummer.

Alle Elemente, welche vom schwarzen Strich der Pos-Nummer ausgehend berührt / erfasst werden, gehören zu dieser Pos-Nummer und somit zu diesem Artikel. Jede Pos-Nummer ist ein eigenständiger Artikel, welchen Sie in der Auflistung finden.

Sie erhalten stets die aktuellste, neueste Produktversion zu der gewählten Pos-Nummer seitens des Herstellers. Es kann daher je nach Gerätealter vorkommen, dass Sie ggf. weitere, zugehörige Elemente, welche an diese Pos-Nummer grenzen, ebenfalls mittauschen müssen.

Nähere Informationen finden Sie unter dem Link
Hinweise zu Ihrer BOSCH Ersatzteilsuche

Preisübersicht

Einzelpreis: 10,92 €* (Brutto: 12,99 €)
Gesamtpreis: 10,92 €* 
Position:

Lieferzeit: 5 Werktage


Beschreibung

  • Umschalter
  • Original Bosch Zubehör / BOSCH Ersatzteil (F000608012)
  • im Gerät verbaut: 1
Dieses BOSCH Ersatzteil ist mit folgendem Gerät und Modell kompatibel:
  • BOSCH Gerätename: GMB 10 RE
  • BOSCH Explosionszeichnung: Position 41
  • BOSCH Typennummer: 0601135578
  • BOSCH Typennummer alternative Schreibweisen: 0 601 135 578, 0601 135 578, 0.601.135.578, 0-601-135-578
    Bitte prüfen Sie diese Typennummer auf Ihrem Gerät um die Kompatibilität des BOSCH Ersatzteils zu gewährleisten.
Weitere BOSCH Ersatzteile des Gerätes GMB 10 RE (Schlagbohrmaschine) mit der Typennummer 0601135578 finden Sie in der nachfolgenden Darstellung und im Dropdown zu Ihrer Auswahl:

Pos.
2
BOSCH Polschuh 220V | Ersatzteile für GMB 10 RE | 9618088953
Hersteller: BOSCH
Artikelnummer: EB-0601135578-9618088953
Netto: 21,23 € zzgl. MwSt.
zzgl. 6,90 € Versand (brutto)
einmalig pro Bestellung

Lieferzeit: 5 Werktage

Pos.
3
BOSCH Anker 220V | Ersatzteile für GMB 10 RE | 9618088954
Hersteller: BOSCH
Artikelnummer: EB-0601135578-9618088954
nur Informationsartikel
Nie mehr lieferbar
keine Alternativen
Pos.
4
BOSCH Schalter | Ersatzteile für GMB 10 RE | 2607200357
Hersteller: BOSCH
Artikelnummer: EB-0601135578-2607200357
nur Informationsartikel
Nie mehr lieferbar
keine Alternativen
Pos.
5
BOSCH Netzanschlussleitung | Ersatzteile für GMB 10 RE | 9618087135
Hersteller: BOSCH
Artikelnummer: EB-0601135578-9618087135
nur Informationsartikel
Nie mehr lieferbar
keine Alternativen
Pos.
7
BOSCH Leitungshalter | Ersatzteile für GMB 10 RE | 2601035001
Hersteller: BOSCH
Artikelnummer: EB-0601135578-2601035001
Netto: 3,94 € zzgl. MwSt.
zzgl. 6,90 € Versand (brutto)
einmalig pro Bestellung

Lieferzeit: 5 Werktage

Pos.
13
BOSCH Kugellager 8x22x7 | Ersatzteile für GMB 10 RE | 1900905029
Hersteller: BOSCH
Artikelnummer: EB-0601135578-1900905029
Netto: 17,38 € zzgl. MwSt.
zzgl. 6,90 € Versand (brutto)
einmalig pro Bestellung

Lieferzeit: 5 Werktage

Pos.
18
BOSCH Zylinderschraube M3x6,5-4.8 | Ersatzteile für GMB 10 RE | 2603410001
Hersteller: BOSCH
Artikelnummer: EB-0601135578-2603410001
Netto: 3,94 € zzgl. MwSt.
zzgl. 6,90 € Versand (brutto)
einmalig pro Bestellung

Lieferzeit: 5 Werktage

Pos.
19
BOSCH Blechschraube 4x16 MM | Ersatzteile für GMB 10 RE | 9618087099
Hersteller: BOSCH
Artikelnummer: EB-0601135578-9618087099
nur Informationsartikel
Nie mehr lieferbar
keine Alternativen
Pos.
24
BOSCH Rillenkugellager | Ersatzteile für GMB 10 RE | 9618081609
Hersteller: BOSCH
Artikelnummer: EB-0601135578-9618081609
Netto: 4,61 € zzgl. MwSt.
zzgl. 6,90 € Versand (brutto)
einmalig pro Bestellung

Lieferzeit: 5 Werktage

Pos.
25
BOSCH Spindellager | Ersatzteile für GMB 10 RE | 9618087183
Hersteller: BOSCH
Artikelnummer: EB-0601135578-9618087183
nur Informationsartikel
Nie mehr lieferbar
keine Alternativen
Pos.
26
BOSCH Sinterbuchse | Ersatzteile für GMB 10 RE | 9618086692
Hersteller: BOSCH
Artikelnummer: EB-0601135578-9618086692
Netto: 4,39 € zzgl. MwSt.
zzgl. 6,90 € Versand (brutto)
einmalig pro Bestellung

Lieferzeit: 5 Werktage

Pos.
31
BOSCH Stirnrad | Ersatzteile für GMB 10 RE | 9618086704
Hersteller: BOSCH
Artikelnummer: EB-0601135578-9618086704
nur Informationsartikel
Nie mehr lieferbar
keine Alternativen
Pos.
41
BOSCH Umschalter | Ersatzteile für GMB 10 RE | F000608012
Hersteller: BOSCH
Artikelnummer: EB-0601135578-F000608012
Netto: 10,92 € zzgl. MwSt.
zzgl. 6,90 € Versand (brutto)
einmalig pro Bestellung

Lieferzeit: 5 Werktage

Pos.
660
BOSCH Zahnkranzbohrfutter | Ersatzteile für GMB 10 RE | 9618083841
Hersteller: BOSCH
Artikelnummer: EB-0601135578-9618083841
nur Informationsartikel
Nie mehr lieferbar
keine Alternativen
Pos.
661
BOSCH Bohrfutterschlüssel | Ersatzteile für GMB 10 RE | 9617081894
Hersteller: BOSCH
Artikelnummer: EB-0601135578-F000632059
nur Informationsartikel
Nie mehr lieferbar
keine Alternativen
Pos.
663
BOSCH Handgriff | Ersatzteile für GMB 10 RE | 9618086864
Hersteller: BOSCH
Artikelnummer: EB-0601135578-9618086864
nur Informationsartikel
Nie mehr lieferbar
keine Alternativen
Pos.
801
BOSCH Gehäuse | Ersatzteile für GMB 10 RE | 9618088955
Hersteller: BOSCH
Artikelnummer: EB-0601135578-9618088955
nur Informationsartikel
Nie mehr lieferbar
keine Alternativen
Pos.
810
BOSCH Kohlebürste | Ersatzteile für GMB 10 RE | 9618086870
Hersteller: BOSCH
Artikelnummer: EB-0601135578-9618086870
Netto: 7,76 € zzgl. MwSt.
zzgl. 6,90 € Versand (brutto)
einmalig pro Bestellung

Lieferzeit: 5 Werktage

Pos.
811
BOSCH Bürstenhalter | Ersatzteile für GMB 10 RE | 9618086695
Hersteller: BOSCH
Artikelnummer: EB-0601135578-9618086695
nur Informationsartikel
Nie mehr lieferbar
keine Alternativen
Pos.
812
BOSCH Verbindungsleitung | Ersatzteile für GMB 10 RE | 9618089207
Hersteller: BOSCH
Artikelnummer: EB-0601135578-9618089207
Netto: 3,95 € zzgl. MwSt.
zzgl. 6,90 € Versand (brutto)
einmalig pro Bestellung

Lieferzeit: 5 Werktage

Angaben zur Produktsicherheit

Hersteller:
Robert Bosch Power Tools GmbH
Postfach 30 02 20
70442 Stuttgart

E-Mail:
kontakt@bosch.de