BOSCH Spannzange 6 MM | Ersatzteile für GMF 1400 CE | 2608570103

Artikelnummer: EB-3601F17800-2608570103

Position: 737

Marke: BOSCH


Bitte Kompatibilität prüfen!

Bitte prüfen Sie unbedingt die 10-stellige Typennummer Ihrer Maschine / Ihres Gerätes. Das Ersatzteil ist nur kompatibel, wenn Sie die Typennummer Ihrer Maschine in der unten stehenden Produktbeschreibung finden.

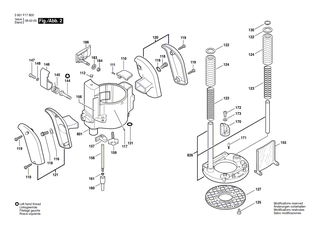
Bitte prüfen Sie ebenfalls detailliert die Explosionszeichnung mit Ihrem Artikelwunsch und der jeweiligen Pos-Nummer.

Alle Elemente, welche vom schwarzen Strich der Pos-Nummer ausgehend berührt / erfasst werden, gehören zu dieser Pos-Nummer und somit zu diesem Artikel. Jede Pos-Nummer ist ein eigenständiger Artikel, welchen Sie in der Auflistung finden.

Sie erhalten stets die aktuellste, neueste Produktversion zu der gewählten Pos-Nummer seitens des Herstellers. Es kann daher je nach Gerätealter vorkommen, dass Sie ggf. weitere, zugehörige Elemente, welche an diese Pos-Nummer grenzen, ebenfalls mittauschen müssen.

Nähere Informationen finden Sie unter dem Link
Hinweise zu Ihrer BOSCH Ersatzteilsuche

Preisübersicht

Einzelpreis: 48,62 €* (Brutto: 57,86 €)
Gesamtpreis: 48,62 €* 
Position:

Lieferzeit: 5 Werktage


Beschreibung

  • Spannzange 6 MM
  • Original Bosch Zubehör / BOSCH Ersatzteil (2608570103)
  • im Gerät verbaut: 1
Dieses BOSCH Ersatzteil ist mit folgendem Gerät und Modell kompatibel:
  • BOSCH Gerätename: GMF 1400 CE
  • BOSCH Explosionszeichnung: Position 737
  • BOSCH Typennummer: 3601F17800
  • BOSCH Typennummer alternative Schreibweisen: 3 601 F17 800, 3601 F17 800, 3.601.F17.800, 3-601-F17-800
    Bitte prüfen Sie diese Typennummer auf Ihrem Gerät um die Kompatibilität des BOSCH Ersatzteils zu gewährleisten.
Weitere BOSCH Ersatzteile des Gerätes GMF 1400 CE (Oberfräse) mit der Typennummer 3601F17800 finden Sie in der nachfolgenden Darstellung und im Dropdown zu Ihrer Auswahl:

Pos.
1
BOSCH Motorgehäuse | Ersatzteile für GMF 1400 CE | 2610922584
Hersteller: BOSCH
Artikelnummer: EB-3601F17800-2610922584
Netto: 28,44 € zzgl. MwSt.
zzgl. 6,90 € Versand (brutto)
einmalig pro Bestellung

Lieferzeit: 5 Werktage

Pos.
2
BOSCH Polschuh 230V | Ersatzteile für GMF 1400 CE | 2610941203
Hersteller: BOSCH
Artikelnummer: EB-3601F17800-2610941203
Netto: 52,14 € zzgl. MwSt.
zzgl. 6,90 € Versand (brutto)
einmalig pro Bestellung

Lieferzeit: 5 Werktage

Pos.
3
BOSCH Anker 230V | Ersatzteile für GMF 1400 CE | 2610941202
Hersteller: BOSCH
Artikelnummer: EB-3601F17800-2610941202
nur Informationsartikel
Nie mehr lieferbar
keine Alternativen
Pos.
4
BOSCH Ein/Aus-Schalter | Ersatzteile für GMF 1400 CE | 2610016526
Hersteller: BOSCH
Artikelnummer: EB-3601F17800-2610016526
nur Informationsartikel
Nie mehr lieferbar
keine Alternativen
Pos.
5
BOSCH Netzanschlussleitung | Ersatzteile für GMF 1400 CE | 2610935598
Hersteller: BOSCH
Artikelnummer: EB-3601F17800-2610935598
nur Informationsartikel
Nie mehr lieferbar
keine Alternativen
Pos.
6
BOSCH Tülle Ø 9,4 MM | Ersatzteile für GMF 1400 CE | 3600703508
Hersteller: BOSCH
Artikelnummer: EB-3601F17800-3600703508
Netto: 4,53 € zzgl. MwSt.
zzgl. 6,90 € Versand (brutto)
einmalig pro Bestellung

Lieferzeit: 5 Werktage

Pos.
7
BOSCH Leitungshalter | Ersatzteile für GMF 1400 CE | 2601035001
Hersteller: BOSCH
Artikelnummer: EB-3601F17800-2601035001
Netto: 3,94 € zzgl. MwSt.
zzgl. 6,90 € Versand (brutto)
einmalig pro Bestellung

Lieferzeit: 5 Werktage

Pos.
8
BOSCH Typschild | Ersatzteile für GMF 1400 CE | 2610935599
Hersteller: BOSCH
Artikelnummer: EB-3601F17800-2610935599
nur Informationsartikel
Nie mehr lieferbar
keine Alternativen
Pos.
9
BOSCH Etikett | Ersatzteile für GMF 1400 CE | 2610935603
Hersteller: BOSCH
Artikelnummer: EB-3601F17800-2610935603
nur Informationsartikel
Nie mehr lieferbar
keine Alternativen
Pos.
12
BOSCH Entstörkondensator | Ersatzteile für GMF 1400 CE | 2610938252
Hersteller: BOSCH
Artikelnummer: EB-3601F17800-2610938252
nur Informationsartikel
Nie mehr lieferbar
keine Alternativen
Pos.
13
BOSCH Kugelführung | Ersatzteile für GMF 1400 CE | 3600905513
Hersteller: BOSCH
Artikelnummer: EB-3601F17800-3600905513
Netto: 10,92 € zzgl. MwSt.
zzgl. 6,90 € Versand (brutto)
einmalig pro Bestellung

Lieferzeit: 5 Werktage

Pos.
14
BOSCH Kugellager | Ersatzteile für GMF 1400 CE | 1600900088
Hersteller: BOSCH
Artikelnummer: EB-3601F17800-1600900088
nur Informationsartikel
Nie mehr lieferbar
keine Alternativen
Pos.
14
BOSCH Rillenkugellager | Ersatzteile für GMF 1400 CE | 3600905512
Hersteller: BOSCH
Artikelnummer: EB-3601F17800-3600905512
nur Informationsartikel
Nie mehr lieferbar
keine Alternativen
Pos.
21
BOSCH Isolierhülse | Ersatzteile für GMF 1400 CE | 2610009656
Hersteller: BOSCH
Artikelnummer: EB-3601F17800-2610009656
Netto: 9,18 € zzgl. MwSt.
zzgl. 6,90 € Versand (brutto)
einmalig pro Bestellung

Lieferzeit: 5 Werktage

Pos.
22
BOSCH Flachstecker | Ersatzteile für GMF 1400 CE | 1604477005
Hersteller: BOSCH
Artikelnummer: EB-3601F17800-1604477005
Netto: 3,94 € zzgl. MwSt.
zzgl. 6,90 € Versand (brutto)
einmalig pro Bestellung

Lieferzeit: 5 Werktage

Pos.
29
BOSCH Mutter | Ersatzteile für GMF 1400 CE | 2610993582
Hersteller: BOSCH
Artikelnummer: EB-3601F17800-2610993582
Netto: 5,67 € zzgl. MwSt.
zzgl. 6,90 € Versand (brutto)
einmalig pro Bestellung

Lieferzeit: 5 Werktage

Pos.
31
BOSCH Gehäuserückteil | Ersatzteile für GMF 1400 CE | 2610941007
Hersteller: BOSCH
Artikelnummer: EB-3601F17800-2610941007
Netto: 9,95 € zzgl. MwSt.
zzgl. 6,90 € Versand (brutto)
einmalig pro Bestellung

Lieferzeit: 5 Werktage

Pos.
32
BOSCH Lagerhalter | Ersatzteile für GMF 1400 CE | 2610991375
Hersteller: BOSCH
Artikelnummer: EB-3601F17800-2610991375
Netto: 6,70 € zzgl. MwSt.
zzgl. 6,90 € Versand (brutto)
einmalig pro Bestellung

Lieferzeit: 5 Werktage

Pos.
33
BOSCH O-Ring | Ersatzteile für GMF 1400 CE | 1900210115
Hersteller: BOSCH
Artikelnummer: EB-3601F17800-1900210115
Netto: 4,53 € zzgl. MwSt.
zzgl. 6,90 € Versand (brutto)
einmalig pro Bestellung

Lieferzeit: 5 Werktage

Pos.
34
BOSCH Handgriff-Set | Ersatzteile für GMF 1400 CE | 2610941008
Hersteller: BOSCH
Artikelnummer: EB-3601F17800-2610941008
Netto: 8,33 € zzgl. MwSt.
zzgl. 6,90 € Versand (brutto)
einmalig pro Bestellung

Lieferzeit: 5 Werktage

Pos.
35
BOSCH Drehzahlregler 230V | Ersatzteile für GMF 1400 CE | 1607233135
Hersteller: BOSCH
Artikelnummer: EB-3601F17800-1607233135
nur Informationsartikel
Nie mehr lieferbar
keine Alternativen
Pos.
39
BOSCH Handgriff | Ersatzteile für GMF 1400 CE | 2610991387
Hersteller: BOSCH
Artikelnummer: EB-3601F17800-2610991387
Netto: 10,92 € zzgl. MwSt.
zzgl. 6,90 € Versand (brutto)
einmalig pro Bestellung

Lieferzeit: 5 Werktage

Pos.
40
BOSCH Sockel | Ersatzteile für GMF 1400 CE | 2610925365
Hersteller: BOSCH
Artikelnummer: EB-3601F17800-2610925365
Netto: 55,88 € zzgl. MwSt.
zzgl. 6,90 € Versand (brutto)
einmalig pro Bestellung

Lieferzeit: 5 Werktage

Pos.
41
BOSCH Sechskantmutter M6 | Ersatzteile für GMF 1400 CE | 1613300006
Hersteller: BOSCH
Artikelnummer: EB-3601F17800-1613300006
nur Informationsartikel
Nie mehr lieferbar
keine Alternativen
Pos.
42
BOSCH Klemmhebel | Ersatzteile für GMF 1400 CE | 2610915060
Hersteller: BOSCH
Artikelnummer: EB-3601F17800-2610915060
nur Informationsartikel
Nie mehr lieferbar
keine Alternativen
Pos.
44
BOSCH Stange | Ersatzteile für GMF 1400 CE | 2610922527
Hersteller: BOSCH
Artikelnummer: EB-3601F17800-2610922527
Netto: 5,19 € zzgl. MwSt.
zzgl. 6,90 € Versand (brutto)
einmalig pro Bestellung

Lieferzeit: 5 Werktage

Pos.
45
BOSCH Hebel | Ersatzteile für GMF 1400 CE | 2610991385
Hersteller: BOSCH
Artikelnummer: EB-3601F17800-2610991385
Netto: 6,21 € zzgl. MwSt.
zzgl. 6,90 € Versand (brutto)
einmalig pro Bestellung

Lieferzeit: 5 Werktage

Pos.
46
BOSCH Feder | Ersatzteile für GMF 1400 CE | 2610991371
Hersteller: BOSCH
Artikelnummer: EB-3601F17800-2610991371
Netto: 4,32 € zzgl. MwSt.
zzgl. 6,90 € Versand (brutto)
einmalig pro Bestellung

Lieferzeit: 5 Werktage

Pos.
48
BOSCH Justiergerät | Ersatzteile für GMF 1400 CE | 2610993576
Hersteller: BOSCH
Artikelnummer: EB-3601F17800-2610993576
nur Informationsartikel
Nie mehr lieferbar
keine Alternativen
Pos.
49
BOSCH Ring | Ersatzteile für GMF 1400 CE | 2610993577
Hersteller: BOSCH
Artikelnummer: EB-3601F17800-2610993577
Netto: 3,63 € zzgl. MwSt.
zzgl. 6,90 € Versand (brutto)
einmalig pro Bestellung

Lieferzeit: 5 Werktage

Pos.
50
BOSCH Abdeckplatte | Ersatzteile für GMF 1400 CE | 2610928164
Hersteller: BOSCH
Artikelnummer: EB-3601F17800-2610928164
nur Informationsartikel
Nie mehr lieferbar
keine Alternativen
Pos.
55
BOSCH Spanabweiser | Ersatzteile für GMF 1400 CE | 2610991389
Hersteller: BOSCH
Artikelnummer: EB-3601F17800-2610991389
nur Informationsartikel
Nie mehr lieferbar
keine Alternativen
Pos.
56
BOSCH Abdeckkappe | Ersatzteile für GMF 1400 CE | 2610991372
Hersteller: BOSCH
Artikelnummer: EB-3601F17800-2610991372
Netto: 3,63 € zzgl. MwSt.
zzgl. 6,90 € Versand (brutto)
einmalig pro Bestellung

Lieferzeit: 5 Werktage

Pos.
61
BOSCH Blechschraube DIN 7981-ST2,9x13-C-H | Ersatzteile für GMF 1400 CE | 2910611006
Hersteller: BOSCH
Artikelnummer: EB-3601F17800-2910611006
Netto: 3,94 € zzgl. MwSt.
zzgl. 6,90 € Versand (brutto)
einmalig pro Bestellung

Lieferzeit: 5 Werktage

Pos.
62
BOSCH Blechschraube | Ersatzteile für GMF 1400 CE | 2610991306
Hersteller: BOSCH
Artikelnummer: EB-3601F17800-2610991306
Netto: 3,94 € zzgl. MwSt.
zzgl. 6,90 € Versand (brutto)
einmalig pro Bestellung

Lieferzeit: 5 Werktage

Pos.
63
BOSCH Zylinderschraube DIN 84-BM6x70-5.8 | Ersatzteile für GMF 1400 CE | 2910011219
Hersteller: BOSCH
Artikelnummer: EB-3601F17800-2910011219
Netto: 3,94 € zzgl. MwSt.
zzgl. 6,90 € Versand (brutto)
einmalig pro Bestellung

Lieferzeit: 5 Werktage

Pos.
70
BOSCH Haltering | Ersatzteile für GMF 1400 CE | 2610996054
Hersteller: BOSCH
Artikelnummer: EB-3601F17800-2610996054
Netto: 3,94 € zzgl. MwSt.
zzgl. 6,90 € Versand (brutto)
einmalig pro Bestellung

Lieferzeit: 5 Werktage

Pos.
74
BOSCH Linsenschraube | Ersatzteile für GMF 1400 CE | 2910641120
Hersteller: BOSCH
Artikelnummer: EB-3601F17800-2910641120
Netto: 3,60 € zzgl. MwSt.
zzgl. 6,90 € Versand (brutto)
einmalig pro Bestellung

Lieferzeit: 5 Werktage

Pos.
75
BOSCH Blechschraube | Ersatzteile für GMF 1400 CE | 2610910566
Hersteller: BOSCH
Artikelnummer: EB-3601F17800-2610910566
nur Informationsartikel
Nie mehr lieferbar
keine Alternativen
Pos.
76
BOSCH Unterlegscheibe DIN 433-6,4-ST 50 | Ersatzteile für GMF 1400 CE | 2916011013
Hersteller: BOSCH
Artikelnummer: EB-3601F17800-2916011013
Netto: 3,63 € zzgl. MwSt.
zzgl. 6,90 € Versand (brutto)
einmalig pro Bestellung

Lieferzeit: 5 Werktage

Pos.
77
BOSCH Innensechskantschraube DIN 912-M 5x30-8.8 | Ersatzteile für GMF 1400 CE | 2910141166
Hersteller: BOSCH
Artikelnummer: EB-3601F17800-2910141166
Netto: 3,94 € zzgl. MwSt.
zzgl. 6,90 € Versand (brutto)
einmalig pro Bestellung

Lieferzeit: 5 Werktage

Pos.
109
BOSCH Etikett | Ersatzteile für GMF 1400 CE | 2610935604
Hersteller: BOSCH
Artikelnummer: EB-3601F17800-2610935604
Netto: 4,75 € zzgl. MwSt.
zzgl. 6,90 € Versand (brutto)
einmalig pro Bestellung

Lieferzeit: 5 Werktage

Pos.
110
BOSCH Schutzdeckel | Ersatzteile für GMF 1400 CE | 2610912594
Hersteller: BOSCH
Artikelnummer: EB-3601F17800-2610912594
Netto: 4,33 € zzgl. MwSt.
zzgl. 6,90 € Versand (brutto)
einmalig pro Bestellung

Lieferzeit: 5 Werktage

Pos.
111
BOSCH Schraube | Ersatzteile für GMF 1400 CE | 2610990022
Hersteller: BOSCH
Artikelnummer: EB-3601F17800-2610990022
Netto: 3,94 € zzgl. MwSt.
zzgl. 6,90 € Versand (brutto)
einmalig pro Bestellung

Lieferzeit: 5 Werktage

Pos.
112
BOSCH Verschlussstopfen | Ersatzteile für GMF 1400 CE | 2610914852
Hersteller: BOSCH
Artikelnummer: EB-3601F17800-2610914852
nur Informationsartikel
Nie mehr lieferbar
keine Alternativen
Pos.
116
BOSCH Fächerscheibe | Ersatzteile für GMF 1400 CE | 2916079032
Hersteller: BOSCH
Artikelnummer: EB-3601F17800-2916079032
Netto: 3,94 € zzgl. MwSt.
zzgl. 6,90 € Versand (brutto)
einmalig pro Bestellung

Lieferzeit: 5 Werktage

Pos.
117
BOSCH Stift | Ersatzteile für GMF 1400 CE | 2610994492
Hersteller: BOSCH
Artikelnummer: EB-3601F17800-2610994492
Netto: 3,63 € zzgl. MwSt.
zzgl. 6,90 € Versand (brutto)
einmalig pro Bestellung

Lieferzeit: 5 Werktage

Pos.
118
BOSCH Schraube | Ersatzteile für GMF 1400 CE | 2610996143
Hersteller: BOSCH
Artikelnummer: EB-3601F17800-2610996143
Netto: 3,94 € zzgl. MwSt.
zzgl. 6,90 € Versand (brutto)
einmalig pro Bestellung

Lieferzeit: 5 Werktage

Pos.
119
BOSCH Schraube | Ersatzteile für GMF 1400 CE | 2610913441
Hersteller: BOSCH
Artikelnummer: EB-3601F17800-2610913441
Netto: 3,63 € zzgl. MwSt.
zzgl. 6,90 € Versand (brutto)
einmalig pro Bestellung

Lieferzeit: 5 Werktage

Pos.
120
BOSCH Handgriff | Ersatzteile für GMF 1400 CE | 2610912597
Hersteller: BOSCH
Artikelnummer: EB-3601F17800-2610912597
Netto: 14,36 € zzgl. MwSt.
zzgl. 6,90 € Versand (brutto)
einmalig pro Bestellung

Lieferzeit: 5 Werktage

Pos.
121
BOSCH Handgriff | Ersatzteile für GMF 1400 CE | 2610996107
Hersteller: BOSCH
Artikelnummer: EB-3601F17800-2610996107
Netto: 15,15 € zzgl. MwSt.
zzgl. 6,90 € Versand (brutto)
einmalig pro Bestellung

Lieferzeit: 5 Werktage

Pos.
122
BOSCH Scheibe | Ersatzteile für GMF 1400 CE | 2610914639
Hersteller: BOSCH
Artikelnummer: EB-3601F17800-2610914639
nur Informationsartikel
Nie mehr lieferbar
keine Alternativen
Pos.
123
BOSCH Druckfeder | Ersatzteile für GMF 1400 CE | 2610912598
Hersteller: BOSCH
Artikelnummer: EB-3601F17800-2610912598
nur Informationsartikel
Nie mehr lieferbar
keine Alternativen
Pos.
124
BOSCH Faltenbalg | Ersatzteile für GMF 1400 CE | 3605510548
Hersteller: BOSCH
Artikelnummer: EB-3601F17800-3605510548
Netto: 6,70 € zzgl. MwSt.
zzgl. 6,90 € Versand (brutto)
einmalig pro Bestellung

Lieferzeit: 5 Werktage

Pos.
125
BOSCH Schraube | Ersatzteile für GMF 1400 CE | 2610915161
Hersteller: BOSCH
Artikelnummer: EB-3601F17800-2610915161
nur Informationsartikel
Nie mehr lieferbar
keine Alternativen
Pos.
127
BOSCH Abdeckplatte | Ersatzteile für GMF 1400 CE | 2610997099
Hersteller: BOSCH
Artikelnummer: EB-3601F17800-2610997099
Netto: 17,38 € zzgl. MwSt.
zzgl. 6,90 € Versand (brutto)
einmalig pro Bestellung

Lieferzeit: 5 Werktage

Pos.
130
BOSCH Sicherungsring DIN 471-12x1-FSt | Ersatzteile für GMF 1400 CE | 2916650003
Hersteller: BOSCH
Artikelnummer: EB-3601F17800-2916650003
Netto: 3,94 € zzgl. MwSt.
zzgl. 6,90 € Versand (brutto)
einmalig pro Bestellung

Lieferzeit: 5 Werktage

Pos.
131
BOSCH O-Ring 12x3 MM | Ersatzteile für GMF 1400 CE | 1900210111
Hersteller: BOSCH
Artikelnummer: EB-3601F17800-1900210111
Netto: 3,60 € zzgl. MwSt.
zzgl. 6,90 € Versand (brutto)
einmalig pro Bestellung

Lieferzeit: 5 Werktage

Pos.
144
BOSCH Sperr-Riegel | Ersatzteile für GMF 1400 CE | 3603450504
Hersteller: BOSCH
Artikelnummer: EB-3601F17800-3603450504
Netto: 6,15 € zzgl. MwSt.
zzgl. 6,90 € Versand (brutto)
einmalig pro Bestellung

Lieferzeit: 5 Werktage

Pos.
145
BOSCH Verschlussfeder | Ersatzteile für GMF 1400 CE | 3604651503
Hersteller: BOSCH
Artikelnummer: EB-3601F17800-3604651503
Netto: 4,32 € zzgl. MwSt.
zzgl. 6,90 € Versand (brutto)
einmalig pro Bestellung

Lieferzeit: 5 Werktage

Pos.
146
BOSCH Verschlusshebel | Ersatzteile für GMF 1400 CE | 3602000510
Hersteller: BOSCH
Artikelnummer: EB-3601F17800-3602000510
Netto: 4,53 € zzgl. MwSt.
zzgl. 6,90 € Versand (brutto)
einmalig pro Bestellung

Lieferzeit: 5 Werktage

Pos.
147
BOSCH Linsenschraube DIN 7985-M4X12-4.8-H | Ersatzteile für GMF 1400 CE | 2910641122
Hersteller: BOSCH
Artikelnummer: EB-3601F17800-2910641122
Netto: 4,32 € zzgl. MwSt.
zzgl. 6,90 € Versand (brutto)
einmalig pro Bestellung

Lieferzeit: 5 Werktage

Pos.
148
BOSCH Federring B 4 DIN 127 | Ersatzteile für GMF 1400 CE | 2916680005
Hersteller: BOSCH
Artikelnummer: EB-3601F17800-2916680005
nur Informationsartikel
Nie mehr lieferbar
keine Alternativen
Pos.
150
BOSCH Einmaulschlüssel | Ersatzteile für GMF 1400 CE | 2610992417
Hersteller: BOSCH
Artikelnummer: EB-3601F17800-2610992417
Netto: 14,36 € zzgl. MwSt.
zzgl. 6,90 € Versand (brutto)
einmalig pro Bestellung

Lieferzeit: 5 Werktage

Pos.
151
BOSCH Bohrfutterschlüssel | Ersatzteile für GMF 1400 CE | 2610991388
Hersteller: BOSCH
Artikelnummer: EB-3601F17800-2610991388
nur Informationsartikel
Nie mehr lieferbar
keine Alternativen
Pos.
155
BOSCH Spanabweiser | Ersatzteile für GMF 1400 CE | 2610912599
Hersteller: BOSCH
Artikelnummer: EB-3601F17800-2610912599
nur Informationsartikel
Nie mehr lieferbar
keine Alternativen
Pos.
156
BOSCH Etikett | Ersatzteile für GMF 1400 CE | 2610935605
Hersteller: BOSCH
Artikelnummer: EB-3601F17800-2610935605
Netto: 4,75 € zzgl. MwSt.
zzgl. 6,90 € Versand (brutto)
einmalig pro Bestellung

Lieferzeit: 5 Werktage

Pos.
157
BOSCH Zeiger | Ersatzteile für GMF 1400 CE | 2610997094
Hersteller: BOSCH
Artikelnummer: EB-3601F17800-2610997094
Netto: 6,75 € zzgl. MwSt.
zzgl. 6,90 € Versand (brutto)
einmalig pro Bestellung

Lieferzeit: 5 Werktage

Pos.
158
BOSCH Stange | Ersatzteile für GMF 1400 CE | 2610912600
Hersteller: BOSCH
Artikelnummer: EB-3601F17800-2610912600
Netto: 8,23 € zzgl. MwSt.
zzgl. 6,90 € Versand (brutto)
einmalig pro Bestellung

Lieferzeit: 5 Werktage

Pos.
159
BOSCH Flügelschraube M6x20 MM | Ersatzteile für GMF 1400 CE | 1613480008
Hersteller: BOSCH
Artikelnummer: EB-3601F17800-1613480008
Netto: 3,94 € zzgl. MwSt.
zzgl. 6,90 € Versand (brutto)
einmalig pro Bestellung

Lieferzeit: 5 Werktage

Pos.
160
BOSCH Knopf | Ersatzteile für GMF 1400 CE | 2610912601
Hersteller: BOSCH
Artikelnummer: EB-3601F17800-2610912601
Netto: 6,27 € zzgl. MwSt.
zzgl. 6,90 € Versand (brutto)
einmalig pro Bestellung

Lieferzeit: 5 Werktage

Pos.
161
BOSCH O-Ring | Ersatzteile für GMF 1400 CE | 2610068154
Hersteller: BOSCH
Artikelnummer: EB-3601F17800-2610068154
Netto: 3,60 € zzgl. MwSt.
zzgl. 6,90 € Versand (brutto)
einmalig pro Bestellung

Lieferzeit: 5 Werktage

Pos.
170
BOSCH Tiefenanschlag | Ersatzteile für GMF 1400 CE | 3600232503
Hersteller: BOSCH
Artikelnummer: EB-3601F17800-3600232503
nur Informationsartikel
Nie mehr lieferbar
keine Alternativen
Pos.
171
BOSCH Rastkappe | Ersatzteile für GMF 1400 CE | 2600590006
Hersteller: BOSCH
Artikelnummer: EB-3601F17800-2600590006
Netto: 3,94 € zzgl. MwSt.
zzgl. 6,90 € Versand (brutto)
einmalig pro Bestellung

Lieferzeit: 5 Werktage

Pos.
172
BOSCH Ansatzschraube M4 | Ersatzteile für GMF 1400 CE | 3603415556
Hersteller: BOSCH
Artikelnummer: EB-3601F17800-3603415556
Netto: 4,36 € zzgl. MwSt.
zzgl. 6,90 € Versand (brutto)
einmalig pro Bestellung

Lieferzeit: 5 Werktage

Pos.
173
BOSCH Federscheibe | Ersatzteile für GMF 1400 CE | 3916060500
Hersteller: BOSCH
Artikelnummer: EB-3601F17800-3916060500
Netto: 3,63 € zzgl. MwSt.
zzgl. 6,90 € Versand (brutto)
einmalig pro Bestellung

Lieferzeit: 5 Werktage

Pos.
183
BOSCH Unterlegscheibe DIN 126-9-A2 | Ersatzteile für GMF 1400 CE | 2918660004
Hersteller: BOSCH
Artikelnummer: EB-3601F17800-2918660004
Netto: 3,63 € zzgl. MwSt.
zzgl. 6,90 € Versand (brutto)
einmalig pro Bestellung

Lieferzeit: 5 Werktage

Pos.
653
BOSCH Führungshülse | Ersatzteile für GMF 1400 CE | 2610991370
Hersteller: BOSCH
Artikelnummer: EB-3601F17800-2610991370
Netto: 26,88 € zzgl. MwSt.
zzgl. 6,90 € Versand (brutto)
einmalig pro Bestellung

Lieferzeit: 5 Werktage

Pos.
737
BOSCH Spannzange 1/2" | Ersatzteile für GMF 1400 CE | 2608570108
Hersteller: BOSCH
Artikelnummer: EB-3601F17800-2608570108
Netto: 47,29 € zzgl. MwSt.
zzgl. 6,90 € Versand (brutto)
einmalig pro Bestellung

Lieferzeit: 5 Werktage

Pos.
737
BOSCH Spannzange 1/4" | Ersatzteile für GMF 1400 CE | 2608570104
Hersteller: BOSCH
Artikelnummer: EB-3601F17800-2608570104
Netto: 46,59 € zzgl. MwSt.
zzgl. 6,90 € Versand (brutto)
einmalig pro Bestellung

Lieferzeit: 5 Werktage

Pos.
737
BOSCH Spannzange 12 MM | Ersatzteile für GMF 1400 CE | 2608570107
Hersteller: BOSCH
Artikelnummer: EB-3601F17800-2608570107
Netto: 47,29 € zzgl. MwSt.
zzgl. 6,90 € Versand (brutto)
einmalig pro Bestellung

Lieferzeit: 5 Werktage

Pos.
737
BOSCH Spannzange 3/8" | Ersatzteile für GMF 1400 CE | 2608570106
Hersteller: BOSCH
Artikelnummer: EB-3601F17800-2608570106
Netto: 47,29 € zzgl. MwSt.
zzgl. 6,90 € Versand (brutto)
einmalig pro Bestellung

Lieferzeit: 5 Werktage

Pos.
737
BOSCH Spannzange 8 MM | Ersatzteile für GMF 1400 CE | 2608570105
Hersteller: BOSCH
Artikelnummer: EB-3601F17800-2608570105
Netto: 47,29 € zzgl. MwSt.
zzgl. 6,90 € Versand (brutto)
einmalig pro Bestellung

Lieferzeit: 5 Werktage

Pos.
801
BOSCH Sockel | Ersatzteile für GMF 1400 CE | 2610924454
Hersteller: BOSCH
Artikelnummer: EB-3601F17800-2610924454
Netto: 70,50 € zzgl. MwSt.
zzgl. 6,90 € Versand (brutto)
einmalig pro Bestellung

Lieferzeit: 5 Werktage

Pos.
810
BOSCH Kohlebürstensatz | Ersatzteile für GMF 1400 CE | 2610007957
Hersteller: BOSCH
Artikelnummer: EB-3601F17800-2610007957
Netto: 9,95 € zzgl. MwSt.
zzgl. 6,90 € Versand (brutto)
einmalig pro Bestellung

Lieferzeit: 5 Werktage

Pos.
816
BOSCH Bürstenhalter | Ersatzteile für GMF 1400 CE | 3604336506
Hersteller: BOSCH
Artikelnummer: EB-3601F17800-3604336506
nur Informationsartikel
Nie mehr lieferbar
keine Alternativen
Pos.
817
BOSCH Feder | Ersatzteile für GMF 1400 CE | 3604652501
Hersteller: BOSCH
Artikelnummer: EB-3601F17800-3604652501
Netto: 5,17 € zzgl. MwSt.
zzgl. 6,90 € Versand (brutto)
einmalig pro Bestellung

Lieferzeit: 5 Werktage

Pos.
826
BOSCH Untergestell | Ersatzteile für GMF 1400 CE | 2610997115
Hersteller: BOSCH
Artikelnummer: EB-3601F17800-2610997115
nur Informationsartikel
Nie mehr lieferbar
keine Alternativen
Pos.
737
BOSCH Spannzange 6 MM | Ersatzteile für GMF 1400 CE | 2608570103
Hersteller: BOSCH
Artikelnummer: EB-3601F17800-2608570108
Netto: 48,62 € zzgl. MwSt.
zzgl. 6,90 € Versand (brutto)
einmalig pro Bestellung

Lieferzeit: 5 Werktage

Angaben zur Produktsicherheit

Hersteller:
Robert Bosch Power Tools GmbH
Postfach 30 02 20
70442 Stuttgart

E-Mail:
kontakt@bosch.de