BOSCH: Versand-Pause / Inventur von 05.12.2025 - 15.12.2025 - es erfolgt kein Versand in dieser Zeit. Bitte addieren Sie das Zeitfenster zu der angegebenen Lieferzeit im Artikel.
BOSCH Luftschlauch | Ersatzteile für GNF 45 CA | 1609202230

Artikelnummer: EB-0601369703-1609202230

Position: 783

Marke: BOSCH


Bitte Kompatibilität prüfen!

Bitte prüfen Sie unbedingt die 10-stellige Typennummer Ihrer Maschine / Ihres Gerätes. Das Ersatzteil ist nur kompatibel, wenn Sie die Typennummer Ihrer Maschine in der unten stehenden Produktbeschreibung finden.

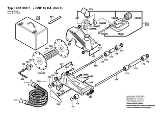
Bitte prüfen Sie ebenfalls detailliert die Explosionszeichnung mit Ihrem Artikelwunsch und der jeweiligen Pos-Nummer.

Alle Elemente, welche vom schwarzen Strich der Pos-Nummer ausgehend berührt / erfasst werden, gehören zu dieser Pos-Nummer und somit zu diesem Artikel. Jede Pos-Nummer ist ein eigenständiger Artikel, welchen Sie in der Auflistung finden.

Sie erhalten stets die aktuellste, neueste Produktversion zu der gewählten Pos-Nummer seitens des Herstellers. Es kann daher je nach Gerätealter vorkommen, dass Sie ggf. weitere, zugehörige Elemente, welche an diese Pos-Nummer grenzen, ebenfalls mittauschen müssen.

Nähere Informationen finden Sie unter dem Link
Hinweise zu Ihrer BOSCH Ersatzteilsuche

Preisübersicht

Einzelpreis: 113,31 €* (Brutto: 134,84 €)
Gesamtpreis: 113,31 €* 
Position:

Lieferzeit: 5 Werktage


Beschreibung

  • Luftschlauch
  • Original Bosch Zubehör / BOSCH Ersatzteil (1609202230)
  • im Gerät verbaut: 1
Dieses BOSCH Ersatzteil ist mit folgendem Gerät und Modell kompatibel:
  • BOSCH Gerätename: GNF 45 CA
  • BOSCH Explosionszeichnung: Position 783
  • BOSCH Typennummer: 0601369703
  • BOSCH Typennummer alternative Schreibweisen: 0 601 369 703, 0601 369 703, 0.601.369.703, 0-601-369-703
    Bitte prüfen Sie diese Typennummer auf Ihrem Gerät um die Kompatibilität des BOSCH Ersatzteils zu gewährleisten.
Weitere BOSCH Ersatzteile des Gerätes GNF 45 CA (Mauernutfräse) mit der Typennummer 0601369703 finden Sie in der nachfolgenden Darstellung und im Dropdown zu Ihrer Auswahl:

Pos.
1
BOSCH Motorgehäuse | Ersatzteile für GNF 45 CA | 1605108170
Hersteller: BOSCH
Artikelnummer: EB-0601369703-1605108170
nur Informationsartikel
Nie mehr lieferbar
keine Alternativen
Pos.
3/50
BOSCH Lüfter | Ersatzteile für GNF 45 CA | 3606610002
Hersteller: BOSCH
Artikelnummer: EB-0601369703-3606610002
nur Informationsartikel
Nie mehr lieferbar
keine Alternativen
Pos.
816/02
BOSCH Spiralfeder | Ersatzteile für GNF 45 CA | 2604652008
Hersteller: BOSCH
Artikelnummer: EB-0601369703-2604652008
nur Informationsartikel
Nie mehr lieferbar
keine Alternativen
Pos.
816/04
BOSCH Kohlebürstensatz | Ersatzteile für GNF 45 CA | 1607014149
Hersteller: BOSCH
Artikelnummer: EB-0601369703-1607014149
nur Informationsartikel
Nie mehr lieferbar
keine Alternativen
Pos.
817/01
BOSCH Antriebswelle | Ersatzteile für GNF 45 CA | 1609203514
Hersteller: BOSCH
Artikelnummer: EB-0601369703-1609203514
nur Informationsartikel
Nie mehr lieferbar
keine Alternativen
Pos.
2
BOSCH Polschuh | Ersatzteile für GNF 45 CA | 1604220321
Hersteller: BOSCH
Artikelnummer: EB-0601369703-1604220321
nur Informationsartikel
Nie mehr lieferbar
keine Alternativen
Pos.
6
BOSCH Tülle Ø6,5-Ø6,9x95 MM | Ersatzteile für GNF 45 CA | 2600703012
Hersteller: BOSCH
Artikelnummer: EB-0601369703-2600703012
Netto: 4,80 € zzgl. MwSt.
zzgl. 6,90 € Versand (brutto)
einmalig pro Bestellung

Lieferzeit: 5 Werktage

Pos.
6
BOSCH Tülle Ø7,6-Ø8,2x95 MM | Ersatzteile für GNF 45 CA | 2600703013
Hersteller: BOSCH
Artikelnummer: EB-0601369703-2600703013
Netto: 4,56 € zzgl. MwSt.
zzgl. 6,90 € Versand (brutto)
einmalig pro Bestellung

Lieferzeit: 5 Werktage

Pos.
4
BOSCH Ein/Aus-Schalter | Ersatzteile für GNF 45 CA | 1607200144
Hersteller: BOSCH
Artikelnummer: EB-0601369703-1607200144
nur Informationsartikel
Nie mehr lieferbar
keine Alternativen
Pos.
7
BOSCH Leitungshalter | Ersatzteile für GNF 45 CA | 2601035001
Hersteller: BOSCH
Artikelnummer: EB-0601369703-2601035001
Netto: 3,94 € zzgl. MwSt.
zzgl. 6,90 € Versand (brutto)
einmalig pro Bestellung

Lieferzeit: 5 Werktage

Pos.
13
BOSCH Rillenkugellager 7x19x6 | Ersatzteile für GNF 45 CA | 1610905025
Hersteller: BOSCH
Artikelnummer: EB-0601369703-1610905025
Netto: 7,26 € zzgl. MwSt.
zzgl. 6,90 € Versand (brutto)
einmalig pro Bestellung

Lieferzeit: 5 Werktage

Pos.
14
BOSCH Rillenkugellager 9x26x8 | Ersatzteile für GNF 45 CA | 3600905131
Hersteller: BOSCH
Artikelnummer: EB-0601369703-3600905131
Netto: 9,75 € zzgl. MwSt.
zzgl. 6,90 € Versand (brutto)
einmalig pro Bestellung

Lieferzeit: 5 Werktage

Pos.
24
BOSCH Zwischenring | Ersatzteile für GNF 45 CA | 1600221003
Hersteller: BOSCH
Artikelnummer: EB-0601369703-1600221003
Netto: 4,56 € zzgl. MwSt.
zzgl. 6,90 € Versand (brutto)
einmalig pro Bestellung

Lieferzeit: 5 Werktage

Pos.
31
BOSCH Nadelhülse Ø8xØ12x8 MM | Ersatzteile für GNF 45 CA | 1600910018
Hersteller: BOSCH
Artikelnummer: EB-0601369703-1600910018
Netto: 6,27 € zzgl. MwSt.
zzgl. 6,90 € Versand (brutto)
einmalig pro Bestellung

Lieferzeit: 5 Werktage

Pos.
34
BOSCH Torx-Linsenschraube 4x25 | Ersatzteile für GNF 45 CA | 2603490024
Hersteller: BOSCH
Artikelnummer: EB-0601369703-2603490024
Netto: 3,94 € zzgl. MwSt.
zzgl. 6,90 € Versand (brutto)
einmalig pro Bestellung

Lieferzeit: 5 Werktage

Pos.
9
BOSCH Firmenschild | Ersatzteile für GNF 45 CA | 1601118308
Hersteller: BOSCH
Artikelnummer: EB-0601369703-1601118308
nur Informationsartikel
Nie mehr lieferbar
keine Alternativen
Pos.
42
BOSCH Zylinderschraube M3x6,5-4.8 | Ersatzteile für GNF 45 CA | 2603410001
Hersteller: BOSCH
Artikelnummer: EB-0601369703-2603410001
Netto: 3,94 € zzgl. MwSt.
zzgl. 6,90 € Versand (brutto)
einmalig pro Bestellung

Lieferzeit: 5 Werktage

Pos.
43
BOSCH Blechschraube DIN7981-ST3,9x16-C-Z | Ersatzteile für GNF 45 CA | 2912401019
Hersteller: BOSCH
Artikelnummer: EB-0601369703-2912401019
Netto: 3,60 € zzgl. MwSt.
zzgl. 6,90 € Versand (brutto)
einmalig pro Bestellung

Lieferzeit: 5 Werktage

Pos.
12
BOSCH Entstörkondensator | Ersatzteile für GNF 45 CA | 1607328046
Hersteller: BOSCH
Artikelnummer: EB-0601369703-1607328046
nur Informationsartikel
Nie mehr lieferbar
keine Alternativen
Pos.
48
BOSCH Radial-Wellendichtring | Ersatzteile für GNF 45 CA | 1600290016
Hersteller: BOSCH
Artikelnummer: EB-0601369703-1600290016
Netto: 4,56 € zzgl. MwSt.
zzgl. 6,90 € Versand (brutto)
einmalig pro Bestellung

Lieferzeit: 5 Werktage

Pos.
57
BOSCH Zwischenring | Ersatzteile für GNF 45 CA | 1600502023
Hersteller: BOSCH
Artikelnummer: EB-0601369703-1600502023
Netto: 4,36 € zzgl. MwSt.
zzgl. 6,90 € Versand (brutto)
einmalig pro Bestellung

Lieferzeit: 5 Werktage

Pos.
68
BOSCH Rastelement | Ersatzteile für GNF 45 CA | 1603231014
Hersteller: BOSCH
Artikelnummer: EB-0601369703-1603231014
Netto: 4,36 € zzgl. MwSt.
zzgl. 6,90 € Versand (brutto)
einmalig pro Bestellung

Lieferzeit: 5 Werktage

Pos.
74
BOSCH Gewindefurchschraube | Ersatzteile für GNF 45 CA | 2603435042
Hersteller: BOSCH
Artikelnummer: EB-0601369703-2603435042
Netto: 3,94 € zzgl. MwSt.
zzgl. 6,90 € Versand (brutto)
einmalig pro Bestellung

Lieferzeit: 5 Werktage

Pos.
16
BOSCH Bürstenhalter | Ersatzteile für GNF 45 CA | 1604336038
Hersteller: BOSCH
Artikelnummer: EB-0601369703-1604336038
nur Informationsartikel
Nie mehr lieferbar
keine Alternativen
Pos.
83
BOSCH Hinweisschild | Ersatzteile für GNF 45 CA | 1601110470
Hersteller: BOSCH
Artikelnummer: EB-0601369703-1601110470
Netto: 3,60 € zzgl. MwSt.
zzgl. 6,90 € Versand (brutto)
einmalig pro Bestellung

Lieferzeit: 5 Werktage

Pos.
85
BOSCH O-Ring 38,0x1,5 MM | Ersatzteile für GNF 45 CA | 1600210038
Hersteller: BOSCH
Artikelnummer: EB-0601369703-1600210038
Netto: 4,56 € zzgl. MwSt.
zzgl. 6,90 € Versand (brutto)
einmalig pro Bestellung

Lieferzeit: 5 Werktage

Pos.
182/84
BOSCH Bügelgriff SCHWARZ | Ersatzteile für GNF 45 CA | 1615132044
Hersteller: BOSCH
Artikelnummer: EB-0601369703-1615132044
Netto: 12,50 € zzgl. MwSt.
zzgl. 6,90 € Versand (brutto)
einmalig pro Bestellung

Lieferzeit: 5 Werktage

Pos.
182/86
BOSCH Sechskantschraube DIN 931-M8x130-8.8 | Ersatzteile für GNF 45 CA | 2911011270
Hersteller: BOSCH
Artikelnummer: EB-0601369703-2911011270
Netto: 5,65 € zzgl. MwSt.
zzgl. 6,90 € Versand (brutto)
einmalig pro Bestellung

Lieferzeit: 5 Werktage

Pos.
182/88
BOSCH Sterngriff M8 SCHWARZ | Ersatzteile für GNF 45 CA | 1619P16922
Hersteller: BOSCH
Artikelnummer: EB-0601369703-1619P16922
Netto: 5,17 € zzgl. MwSt.
zzgl. 6,90 € Versand (brutto)
einmalig pro Bestellung

Lieferzeit: 5 Werktage

Pos.
189
BOSCH Unterlegscheibe Ø 42X22,2X4 MM | Ersatzteile für GNF 45 CA | 3609202041
Hersteller: BOSCH
Artikelnummer: EB-0601369703-3609202041
Netto: 6,75 € zzgl. MwSt.
zzgl. 6,90 € Versand (brutto)
einmalig pro Bestellung

Lieferzeit: 5 Werktage

Pos.
190
BOSCH Unterlegscheibe Ø 42X22,2X6 MM | Ersatzteile für GNF 45 CA | 3609202042
Hersteller: BOSCH
Artikelnummer: EB-0601369703-3609202042
nur Informationsartikel
Nie mehr lieferbar
keine Alternativen
Pos.
651
BOSCH Spaltwerkzeug | Ersatzteile für GNF 45 CA | 3607959005
Hersteller: BOSCH
Artikelnummer: EB-0601369703-3607959005
Netto: 18,86 € zzgl. MwSt.
zzgl. 6,90 € Versand (brutto)
einmalig pro Bestellung

Lieferzeit: 5 Werktage

Pos.
805
BOSCH Netzanschlussleitung EU 4,15m 2 x 1,5mm H07 RN-F | Ersatzteile für GNF 45 CA | 1607000228
Hersteller: BOSCH
Artikelnummer: EB-0601369703-1607000228
Netto: 20,80 € zzgl. MwSt.
zzgl. 6,90 € Versand (brutto)
einmalig pro Bestellung

Lieferzeit: 5 Werktage

Pos.
25
BOSCH Verschlussdeckel | Ersatzteile für GNF 45 CA | 1605500186
Hersteller: BOSCH
Artikelnummer: EB-0601369703-1605500186
nur Informationsartikel
Nie mehr lieferbar
keine Alternativen
Pos.
808
BOSCH Typschild 26x52 MM | Ersatzteile für GNF 45 CA | 1601106032
Hersteller: BOSCH
Artikelnummer: EB-0601369703-1601106032
nur Informationsartikel
Nie mehr lieferbar
keine Alternativen
Pos.
26
BOSCH Drehzahlregler | Ersatzteile für GNF 45 CA | 1607233106
Hersteller: BOSCH
Artikelnummer: EB-0601369703-1607233106
nur Informationsartikel
Nie mehr lieferbar
keine Alternativen
Pos.
27
BOSCH Handgriff | Ersatzteile für GNF 45 CA | 1605133044
Hersteller: BOSCH
Artikelnummer: EB-0601369703-1605133044
nur Informationsartikel
Nie mehr lieferbar
keine Alternativen
Pos.
28
BOSCH Luftleitring | Ersatzteile für GNF 45 CA | 1600591017
Hersteller: BOSCH
Artikelnummer: EB-0601369703-1600591017
nur Informationsartikel
Nie mehr lieferbar
keine Alternativen
Pos.
49
BOSCH Verriegelungsbuchse | Ersatzteile für GNF 45 CA | 1600390017
Hersteller: BOSCH
Artikelnummer: EB-0601369703-1600390017
nur Informationsartikel
Nie mehr lieferbar
keine Alternativen
Pos.
53
BOSCH Gewindefurchschraube | Ersatzteile für GNF 45 CA | 1603435049
Hersteller: BOSCH
Artikelnummer: EB-0601369703-1603435049
nur Informationsartikel
Nie mehr lieferbar
keine Alternativen
Pos.
63
BOSCH Verbindungsleitung | Ersatzteile für GNF 45 CA | 1604448011
Hersteller: BOSCH
Artikelnummer: EB-0601369703-1604448011
nur Informationsartikel
Nie mehr lieferbar
keine Alternativen
Pos.
80
BOSCH Rastfeder | Ersatzteile für GNF 45 CA | 1601329025
Hersteller: BOSCH
Artikelnummer: EB-0601369703-1601329025
nur Informationsartikel
Nie mehr lieferbar
keine Alternativen
Pos.
81
BOSCH Sperrbolzen | Ersatzteile für GNF 45 CA | 1603231015
Hersteller: BOSCH
Artikelnummer: EB-0601369703-1603231015
nur Informationsartikel
Nie mehr lieferbar
keine Alternativen
Pos.
82
BOSCH Verschlussstopfen | Ersatzteile für GNF 45 CA | 1605500205
Hersteller: BOSCH
Artikelnummer: EB-0601369703-1605500205
nur Informationsartikel
Nie mehr lieferbar
keine Alternativen
Pos.
160
BOSCH Schutzhaube | Ersatzteile für GNF 45 CA | 1609203316
Hersteller: BOSCH
Artikelnummer: EB-0601369703-1609203316
nur Informationsartikel
Nie mehr lieferbar
keine Alternativen
Pos.
161
BOSCH Kerbnagel | Ersatzteile für GNF 45 CA | 1609203716
Hersteller: BOSCH
Artikelnummer: EB-0601369703-1609203716
nur Informationsartikel
Nie mehr lieferbar
keine Alternativen
Pos.
169
BOSCH Fahrgestell | Ersatzteile für GNF 45 CA | 1609203317
Hersteller: BOSCH
Artikelnummer: EB-0601369703-1609203317
nur Informationsartikel
Nie mehr lieferbar
keine Alternativen
Pos.
175
BOSCH Verschlusskappe | Ersatzteile für GNF 45 CA | 1609203495
Hersteller: BOSCH
Artikelnummer: EB-0601369703-1609203495
nur Informationsartikel
Nie mehr lieferbar
keine Alternativen
Pos.
176
BOSCH Rolle | Ersatzteile für GNF 45 CA | 1609203321
Hersteller: BOSCH
Artikelnummer: EB-0601369703-1609203321
nur Informationsartikel
Nie mehr lieferbar
keine Alternativen
Pos.
177
BOSCH Abstandshülse | Ersatzteile für GNF 45 CA | 1609203496
Hersteller: BOSCH
Artikelnummer: EB-0601369703-1609203496
nur Informationsartikel
Nie mehr lieferbar
keine Alternativen
Pos.
178
BOSCH Abstandshülse | Ersatzteile für GNF 45 CA | 1609203497
Hersteller: BOSCH
Artikelnummer: EB-0601369703-1609203497
nur Informationsartikel
Nie mehr lieferbar
keine Alternativen
Pos.
179
BOSCH Achse | Ersatzteile für GNF 45 CA | 1609203498
Hersteller: BOSCH
Artikelnummer: EB-0601369703-1609203498
nur Informationsartikel
Nie mehr lieferbar
keine Alternativen
Pos.
180
BOSCH Achse | Ersatzteile für GNF 45 CA | 1609203323
Hersteller: BOSCH
Artikelnummer: EB-0601369703-1609203323
nur Informationsartikel
Nie mehr lieferbar
keine Alternativen
Pos.
181
BOSCH Distanzscheibe | Ersatzteile für GNF 45 CA | 1609203500
Hersteller: BOSCH
Artikelnummer: EB-0601369703-1609203500
nur Informationsartikel
Nie mehr lieferbar
keine Alternativen
Pos.
183
BOSCH Absaugstutzen | Ersatzteile für GNF 45 CA | 1609203318
Hersteller: BOSCH
Artikelnummer: EB-0601369703-1609203318
nur Informationsartikel
Nie mehr lieferbar
keine Alternativen
Pos.
187
BOSCH Schenkelfeder | Ersatzteile für GNF 45 CA | 1609203501
Hersteller: BOSCH
Artikelnummer: EB-0601369703-1609203501
nur Informationsartikel
Nie mehr lieferbar
keine Alternativen
Pos.
192
BOSCH O-Ring | Ersatzteile für GNF 45 CA | 1609203504
Hersteller: BOSCH
Artikelnummer: EB-0601369703-1609203504
nur Informationsartikel
Nie mehr lieferbar
keine Alternativen
Pos.
193
BOSCH Spannscheibe | Ersatzteile für GNF 45 CA | 1609203505
Hersteller: BOSCH
Artikelnummer: EB-0601369703-1609203505
nur Informationsartikel
Nie mehr lieferbar
keine Alternativen
Pos.
194
BOSCH Innensechskantschraube | Ersatzteile für GNF 45 CA | 1609203506
Hersteller: BOSCH
Artikelnummer: EB-0601369703-1609203506
nur Informationsartikel
Nie mehr lieferbar
keine Alternativen
Pos.
195
BOSCH Firmenschild | Ersatzteile für GNF 45 CA | 1609203507
Hersteller: BOSCH
Artikelnummer: EB-0601369703-1609203507
nur Informationsartikel
Nie mehr lieferbar
keine Alternativen
Pos.
654
BOSCH Stiftschlüssel | Ersatzteile für GNF 45 CA | 1609203508
Hersteller: BOSCH
Artikelnummer: EB-0601369703-1609203508
nur Informationsartikel
Nie mehr lieferbar
keine Alternativen
Pos.
753
BOSCH Tragkasten | Ersatzteile für GNF 45 CA | 2605438362
Hersteller: BOSCH
Artikelnummer: EB-0601369703-2605438362
nur Informationsartikel
Nie mehr lieferbar
keine Alternativen
Pos.
783
BOSCH Luftschlauch | Ersatzteile für GNF 45 CA | 1609202230
Hersteller: BOSCH
Artikelnummer: EB-0601369703-1609202230
Netto: 113,31 € zzgl. MwSt.
zzgl. 6,90 € Versand (brutto)
einmalig pro Bestellung

Lieferzeit: 5 Werktage

Pos.
784
BOSCH Zusatzhandgriff | Ersatzteile für GNF 45 CA | 2602025063
Hersteller: BOSCH
Artikelnummer: EB-0601369703-2602025063
Netto: 45,86 € zzgl. MwSt.
zzgl. 6,90 € Versand (brutto)
einmalig pro Bestellung

Lieferzeit: 5 Werktage

Pos.
803
BOSCH Anker Mit Lüfter | Ersatzteile für GNF 45 CA | 1604010657
Hersteller: BOSCH
Artikelnummer: EB-0601369703-1604010657
nur Informationsartikel
Nie mehr lieferbar
keine Alternativen
Pos.
808
BOSCH Typschild | Ersatzteile für GNF 45 CA | 160111A3H3
Hersteller: BOSCH
Artikelnummer: EB-0601369703-160111A3H3
Netto: 4,56 € zzgl. MwSt.
zzgl. 6,90 € Versand (brutto)
einmalig pro Bestellung

Lieferzeit: 5 Werktage

Pos.
817
BOSCH Getriebegehäuse | Ersatzteile für GNF 45 CA | 1609203513
Hersteller: BOSCH
Artikelnummer: EB-0601369703-1609203513
nur Informationsartikel
Nie mehr lieferbar
keine Alternativen
Pos.
867
BOSCH Tiefenanschlag | Ersatzteile für GNF 45 CA | 1609203510
Hersteller: BOSCH
Artikelnummer: EB-0601369703-1609203510
nur Informationsartikel
Nie mehr lieferbar
keine Alternativen
Pos.
872
BOSCH Rastbolzen | Ersatzteile für GNF 45 CA | 1609203511
Hersteller: BOSCH
Artikelnummer: EB-0601369703-1609203511
nur Informationsartikel
Nie mehr lieferbar
keine Alternativen
Pos.
887
BOSCH Spannband | Ersatzteile für GNF 45 CA | 1617000171
Hersteller: BOSCH
Artikelnummer: EB-0601369703-1617000171
nur Informationsartikel
Nie mehr lieferbar
keine Alternativen

Angaben zur Produktsicherheit

Hersteller:
Robert Bosch Power Tools GmbH
Postfach 30 02 20
70442 Stuttgart

E-Mail:
kontakt@bosch.de