BOSCH: Versand-Pause / Inventur von 05.12.2025 - 15.12.2025 - es erfolgt kein Versand in dieser Zeit. Bitte addieren Sie das Zeitfenster zu der angegebenen Lieferzeit im Artikel.
BOSCH Sechskantmutter M10, SW14 | Ersatzteile für GNF 65 A | 1603300019

Artikelnummer: EB-0601368708-1603300019

Position: 45

Marke: BOSCH


Bitte Kompatibilität prüfen!

Bitte prüfen Sie unbedingt die 10-stellige Typennummer Ihrer Maschine / Ihres Gerätes. Das Ersatzteil ist nur kompatibel, wenn Sie die Typennummer Ihrer Maschine in der unten stehenden Produktbeschreibung finden.

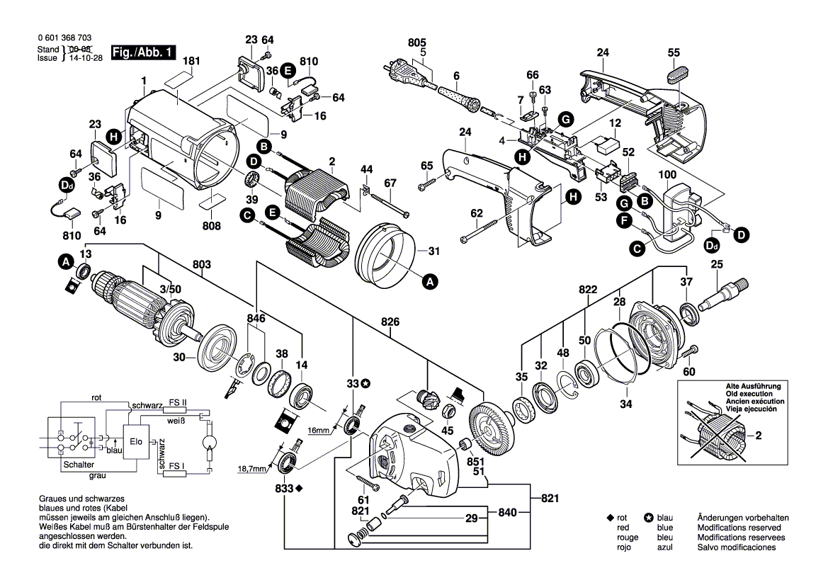
Bitte prüfen Sie ebenfalls detailliert die Explosionszeichnung mit Ihrem Artikelwunsch und der jeweiligen Pos-Nummer.

Alle Elemente, welche vom schwarzen Strich der Pos-Nummer ausgehend berührt / erfasst werden, gehören zu dieser Pos-Nummer und somit zu diesem Artikel. Jede Pos-Nummer ist ein eigenständiger Artikel, welchen Sie in der Auflistung finden.

Sie erhalten stets die aktuellste, neueste Produktversion zu der gewählten Pos-Nummer seitens des Herstellers. Es kann daher je nach Gerätealter vorkommen, dass Sie ggf. weitere, zugehörige Elemente, welche an diese Pos-Nummer grenzen, ebenfalls mittauschen müssen.

Nähere Informationen finden Sie unter dem Link
Hinweise zu Ihrer BOSCH Ersatzteilsuche

Preisübersicht

Einzelpreis: 3,94 €* (Brutto: 4,69 €)
Gesamtpreis: 3,94 €* 
Position:

Lieferzeit: 5 Werktage


Beschreibung

  • Sechskantmutter M10, SW14
  • Original Bosch Zubehör / BOSCH Ersatzteil (1603300019)
  • im Gerät verbaut: 1
Dieses BOSCH Ersatzteil ist mit folgendem Gerät und Modell kompatibel:
  • BOSCH Gerätename: GNF 65 A
  • BOSCH Explosionszeichnung: Position 45
  • BOSCH Typennummer: 0601368708
  • BOSCH Typennummer alternative Schreibweisen: 0 601 368 708, 0601 368 708, 0.601.368.708, 0-601-368-708
    Bitte prüfen Sie diese Typennummer auf Ihrem Gerät um die Kompatibilität des BOSCH Ersatzteils zu gewährleisten.
Weitere BOSCH Ersatzteile des Gerätes GNF 65 A (Mauernutfräse) mit der Typennummer 0601368708 finden Sie in der nachfolgenden Darstellung und im Dropdown zu Ihrer Auswahl:

Pos.
1
BOSCH Motorgehäuse SCHWARZ | Ersatzteile für GNF 65 A | 1605108145
Hersteller: BOSCH
Artikelnummer: EB-0601368708-1605108145
Netto: 20,80 € zzgl. MwSt.
zzgl. 6,90 € Versand (brutto)
einmalig pro Bestellung

Lieferzeit: 5 Werktage

Pos.
2
BOSCH Polschuh | Ersatzteile für GNF 65 A | 160422051P
Hersteller: BOSCH
Artikelnummer: EB-0601368708-160422051P
Netto: 37,75 € zzgl. MwSt.
zzgl. 6,90 € Versand (brutto)
einmalig pro Bestellung

Lieferzeit: 5 Werktage

Pos.
2
BOSCH Polschuh 220-230V | Ersatzteile für GNF 65 A | 1604220382
Hersteller: BOSCH
Artikelnummer: EB-0601368708-1604220382
Netto: 46,22 € zzgl. MwSt.
zzgl. 6,90 € Versand (brutto)
einmalig pro Bestellung

Lieferzeit: 5 Werktage

Pos.
3/50
BOSCH Lüfter | Ersatzteile für GNF 65 A | 1606610127
Hersteller: BOSCH
Artikelnummer: EB-0601368708-1606610127
Netto: 4,80 € zzgl. MwSt.
zzgl. 6,90 € Versand (brutto)
einmalig pro Bestellung

Lieferzeit: 5 Werktage

Pos.
4
BOSCH Schalter | Ersatzteile für GNF 65 A | 3607200064
Hersteller: BOSCH
Artikelnummer: EB-0601368708-3607200064
Netto: 32,16 € zzgl. MwSt.
zzgl. 6,90 € Versand (brutto)
einmalig pro Bestellung

Lieferzeit: 5 Werktage

Pos.
6
BOSCH Tülle Ø 10,5-Ø11,0x100 MM | Ersatzteile für GNF 65 A | 1600703023
Hersteller: BOSCH
Artikelnummer: EB-0601368708-1600703023
Netto: 4,56 € zzgl. MwSt.
zzgl. 6,90 € Versand (brutto)
einmalig pro Bestellung

Lieferzeit: 5 Werktage

Pos.
7
BOSCH Befestigungsschelle | Ersatzteile für GNF 65 A | 1601302018
Hersteller: BOSCH
Artikelnummer: EB-0601368708-1601302018
Netto: 3,94 € zzgl. MwSt.
zzgl. 6,90 € Versand (brutto)
einmalig pro Bestellung

Lieferzeit: 5 Werktage

Pos.
9
BOSCH Firmenschild GNF 65A | Ersatzteile für GNF 65 A | 3601119292
Hersteller: BOSCH
Artikelnummer: EB-0601368708-3601119292
Netto: 6,75 € zzgl. MwSt.
zzgl. 6,90 € Versand (brutto)
einmalig pro Bestellung

Lieferzeit: 5 Werktage

Pos.
12
BOSCH Entstörfilter | Ersatzteile für GNF 65 A | 1607328035
Hersteller: BOSCH
Artikelnummer: EB-0601368708-1607328035
Netto: 5,65 € zzgl. MwSt.
zzgl. 6,90 € Versand (brutto)
einmalig pro Bestellung

Lieferzeit: 5 Werktage

Pos.
13
BOSCH Rillenkugellager 8x22x7 | Ersatzteile für GNF 65 A | 1600905011
Hersteller: BOSCH
Artikelnummer: EB-0601368708-1600905011
Netto: 6,75 € zzgl. MwSt.
zzgl. 6,90 € Versand (brutto)
einmalig pro Bestellung

Lieferzeit: 5 Werktage

Pos.
14
BOSCH Rillenkugellager 10x35x11 | Ersatzteile für GNF 65 A | 1600905023
Hersteller: BOSCH
Artikelnummer: EB-0601368708-1600905023
Netto: 10,62 € zzgl. MwSt.
zzgl. 6,90 € Versand (brutto)
einmalig pro Bestellung

Lieferzeit: 5 Werktage

Pos.
16
BOSCH Bürstenhalter | Ersatzteile für GNF 65 A | 1604336021
Hersteller: BOSCH
Artikelnummer: EB-0601368708-1604336021
Netto: 4,80 € zzgl. MwSt.
zzgl. 6,90 € Versand (brutto)
einmalig pro Bestellung

Lieferzeit: 5 Werktage

Pos.
23
BOSCH Verschlussdeckel SCHWARZ | Ersatzteile für GNF 65 A | 1605500150
Hersteller: BOSCH
Artikelnummer: EB-0601368708-1605500150
Netto: 5,17 € zzgl. MwSt.
zzgl. 6,90 € Versand (brutto)
einmalig pro Bestellung

Lieferzeit: 5 Werktage

Pos.
24
BOSCH Handgriff SCHWARZ | Ersatzteile für GNF 65 A | 1605132122
Hersteller: BOSCH
Artikelnummer: EB-0601368708-1605132122
Netto: 12,50 € zzgl. MwSt.
zzgl. 6,90 € Versand (brutto)
einmalig pro Bestellung

Lieferzeit: 5 Werktage

Pos.
25
BOSCH Schleifspindel M14, SW17 | Ersatzteile für GNF 65 A | 1603523100
Hersteller: BOSCH
Artikelnummer: EB-0601368708-1603523100
Netto: 12,50 € zzgl. MwSt.
zzgl. 6,90 € Versand (brutto)
einmalig pro Bestellung

Lieferzeit: 5 Werktage

Pos.
28
BOSCH O-Ring 79,0x1,78 MM | Ersatzteile für GNF 65 A | 1600210033
Hersteller: BOSCH
Artikelnummer: EB-0601368708-1600210033
Netto: 3,94 € zzgl. MwSt.
zzgl. 6,90 € Versand (brutto)
einmalig pro Bestellung

Lieferzeit: 5 Werktage

Pos.
29
BOSCH O-Ring 4,0x1,0 MM | Ersatzteile für GNF 65 A | 1600210034
Hersteller: BOSCH
Artikelnummer: EB-0601368708-1600210034
Netto: 3,94 € zzgl. MwSt.
zzgl. 6,90 € Versand (brutto)
einmalig pro Bestellung

Lieferzeit: 5 Werktage

Pos.
30
BOSCH Luftleitring | Ersatzteile für GNF 65 A | 1600591010
Hersteller: BOSCH
Artikelnummer: EB-0601368708-1600591010
Netto: 4,36 € zzgl. MwSt.
zzgl. 6,90 € Versand (brutto)
einmalig pro Bestellung

Lieferzeit: 5 Werktage

Pos.
31
BOSCH Luftleitring | Ersatzteile für GNF 65 A | 1600591011
Hersteller: BOSCH
Artikelnummer: EB-0601368708-1600591011
Netto: 3,94 € zzgl. MwSt.
zzgl. 6,90 € Versand (brutto)
einmalig pro Bestellung

Lieferzeit: 5 Werktage

Pos.
32
BOSCH Haltering | Ersatzteile für GNF 65 A | 1600290019
Hersteller: BOSCH
Artikelnummer: EB-0601368708-1600290019
Netto: 3,94 € zzgl. MwSt.
zzgl. 6,90 € Versand (brutto)
einmalig pro Bestellung

Lieferzeit: 5 Werktage

Pos.
33
BOSCH Radial-Wellendichtring 16 MM BLAU | Ersatzteile für GNF 65 A | 1600290064
Hersteller: BOSCH
Artikelnummer: EB-0601368708-1600290064
Netto: 4,36 € zzgl. MwSt.
zzgl. 6,90 € Versand (brutto)
einmalig pro Bestellung

Lieferzeit: 5 Werktage

Pos.
34
BOSCH Ausgleichscheibe 0,1 MM DICK | Ersatzteile für GNF 65 A | 1600190022
Hersteller: BOSCH
Artikelnummer: EB-0601368708-1600190022
Netto: 3,94 € zzgl. MwSt.
zzgl. 6,90 € Versand (brutto)
einmalig pro Bestellung

Lieferzeit: 5 Werktage

Pos.
34
BOSCH Ausgleichscheibe 0,15 MM DICK | Ersatzteile für GNF 65 A | 1600190020
Hersteller: BOSCH
Artikelnummer: EB-0601368708-1600190020
Netto: 3,94 € zzgl. MwSt.
zzgl. 6,90 € Versand (brutto)
einmalig pro Bestellung

Lieferzeit: 5 Werktage

Pos.
34
BOSCH Ausgleichscheibe 0,2 MM DICK | Ersatzteile für GNF 65 A | 1600190037
Hersteller: BOSCH
Artikelnummer: EB-0601368708-1600190037
Netto: 3,60 € zzgl. MwSt.
zzgl. 6,90 € Versand (brutto)
einmalig pro Bestellung

Lieferzeit: 5 Werktage

Pos.
34
BOSCH Ausgleichscheibe 0,3 MM DICK | Ersatzteile für GNF 65 A | 1600190021
Hersteller: BOSCH
Artikelnummer: EB-0601368708-1600190021
Netto: 4,56 € zzgl. MwSt.
zzgl. 6,90 € Versand (brutto)
einmalig pro Bestellung

Lieferzeit: 5 Werktage

Pos.
35
BOSCH Filzring | Ersatzteile für GNF 65 A | 1600205034
Hersteller: BOSCH
Artikelnummer: EB-0601368708-1600205034
Netto: 3,94 € zzgl. MwSt.
zzgl. 6,90 € Versand (brutto)
einmalig pro Bestellung

Lieferzeit: 5 Werktage

Pos.
36
BOSCH Spiralfeder | Ersatzteile für GNF 65 A | 1604652015
Hersteller: BOSCH
Artikelnummer: EB-0601368708-1604652015
Netto: 4,80 € zzgl. MwSt.
zzgl. 6,90 € Versand (brutto)
einmalig pro Bestellung

Lieferzeit: 5 Werktage

Pos.
37
BOSCH Dichtring | Ersatzteile für GNF 65 A | 1600290020
Hersteller: BOSCH
Artikelnummer: EB-0601368708-1600290020
Netto: 3,94 € zzgl. MwSt.
zzgl. 6,90 € Versand (brutto)
einmalig pro Bestellung

Lieferzeit: 5 Werktage

Pos.
38
BOSCH Gummiring 7 MM BREIT | Ersatzteile für GNF 65 A | 1600206020
Hersteller: BOSCH
Artikelnummer: EB-0601368708-1600206020
Netto: 3,94 € zzgl. MwSt.
zzgl. 6,90 € Versand (brutto)
einmalig pro Bestellung

Lieferzeit: 5 Werktage

Pos.
39
BOSCH Gummiring | Ersatzteile für GNF 65 A | 1600206030
Hersteller: BOSCH
Artikelnummer: EB-0601368708-1600206030
Netto: 3,94 € zzgl. MwSt.
zzgl. 6,90 € Versand (brutto)
einmalig pro Bestellung

Lieferzeit: 5 Werktage

Pos.
44
BOSCH Haltewinkel | Ersatzteile für GNF 65 A | 1601334008
Hersteller: BOSCH
Artikelnummer: EB-0601368708-1601334008
Netto: 4,56 € zzgl. MwSt.
zzgl. 6,90 € Versand (brutto)
einmalig pro Bestellung

Lieferzeit: 5 Werktage

Pos.
45
BOSCH Sechskantmutter M10, SW14 | Ersatzteile für GNF 65 A | 1603300019
Hersteller: BOSCH
Artikelnummer: EB-0601368708-1603300019
Netto: 3,94 € zzgl. MwSt.
zzgl. 6,90 € Versand (brutto)
einmalig pro Bestellung

Lieferzeit: 5 Werktage

Pos.
48
BOSCH Sicherungsbügel | Ersatzteile für GNF 65 A | 1600119010
Hersteller: BOSCH
Artikelnummer: EB-0601368708-1600119010
Netto: 3,94 € zzgl. MwSt.
zzgl. 6,90 € Versand (brutto)
einmalig pro Bestellung

Lieferzeit: 5 Werktage

Pos.
50
BOSCH Rillenkugellager | Ersatzteile für GNF 65 A | 3600905134
Hersteller: BOSCH
Artikelnummer: EB-0601368708-3600905134
Netto: 9,75 € zzgl. MwSt.
zzgl. 6,90 € Versand (brutto)
einmalig pro Bestellung

Lieferzeit: 5 Werktage

Pos.
51
BOSCH Gleitlager Ø14 MM | Ersatzteile für GNF 65 A | 1600200031
Hersteller: BOSCH
Artikelnummer: EB-0601368708-1600200031
Netto: 4,80 € zzgl. MwSt.
zzgl. 6,90 € Versand (brutto)
einmalig pro Bestellung

Lieferzeit: 5 Werktage

Pos.
52
BOSCH Kabelführung | Ersatzteile für GNF 65 A | 1602388027
Hersteller: BOSCH
Artikelnummer: EB-0601368708-1602388027
Netto: 4,56 € zzgl. MwSt.
zzgl. 6,90 € Versand (brutto)
einmalig pro Bestellung

Lieferzeit: 5 Werktage

Pos.
53
BOSCH Steckhülsengehäuse | Ersatzteile für GNF 65 A | 1605190038
Hersteller: BOSCH
Artikelnummer: EB-0601368708-1605190038
Netto: 3,94 € zzgl. MwSt.
zzgl. 6,90 € Versand (brutto)
einmalig pro Bestellung

Lieferzeit: 5 Werktage

Pos.
55
BOSCH Ablageleiste SCHWARZ | Ersatzteile für GNF 65 A | 1602388029
Hersteller: BOSCH
Artikelnummer: EB-0601368708-1602388029
Netto: 3,94 € zzgl. MwSt.
zzgl. 6,90 € Versand (brutto)
einmalig pro Bestellung

Lieferzeit: 5 Werktage

Pos.
60
BOSCH Gewindefurchschraube | Ersatzteile für GNF 65 A | 1603435076
Hersteller: BOSCH
Artikelnummer: EB-0601368708-1603435076
Netto: 4,56 € zzgl. MwSt.
zzgl. 6,90 € Versand (brutto)
einmalig pro Bestellung

Lieferzeit: 5 Werktage

Pos.
61
BOSCH Blechschraube DIN 7981-4,8x38-C-Z-ST | Ersatzteile für GNF 65 A | 2912401038
Hersteller: BOSCH
Artikelnummer: EB-0601368708-2912401038
Netto: 3,60 € zzgl. MwSt.
zzgl. 6,90 € Versand (brutto)
einmalig pro Bestellung

Lieferzeit: 5 Werktage

Pos.
62
BOSCH Blechschraube C4,8x63 MM | Ersatzteile für GNF 65 A | 1603435024
Hersteller: BOSCH
Artikelnummer: EB-0601368708-1603435024
Netto: 3,94 € zzgl. MwSt.
zzgl. 6,90 € Versand (brutto)
einmalig pro Bestellung

Lieferzeit: 5 Werktage

Pos.
63
BOSCH Flachkopfschraube M 3,5x10 MM | Ersatzteile für GNF 65 A | 3603410009
Hersteller: BOSCH
Artikelnummer: EB-0601368708-3603410009
Netto: 3,53 € zzgl. MwSt.
zzgl. 6,90 € Versand (brutto)
einmalig pro Bestellung

Lieferzeit: 5 Werktage

Pos.
64
BOSCH Gewindeschneidschraube St3,9x12 | Ersatzteile für GNF 65 A | 1603435042
Hersteller: BOSCH
Artikelnummer: EB-0601368708-1603435042
Netto: 3,94 € zzgl. MwSt.
zzgl. 6,90 € Versand (brutto)
einmalig pro Bestellung

Lieferzeit: 5 Werktage

Pos.
64
BOSCH Linsenschraube A 4x12-10,9-D | Ersatzteile für GNF 65 A | 2914201503
Hersteller: BOSCH
Artikelnummer: EB-0601368708-2914201503
Netto: 4,36 € zzgl. MwSt.
zzgl. 6,90 € Versand (brutto)
einmalig pro Bestellung

Lieferzeit: 5 Werktage

Pos.
65
BOSCH Blechschraube DIN 7981-3,9x19-C-Z-ST | Ersatzteile für GNF 65 A | 2912401020
Hersteller: BOSCH
Artikelnummer: EB-0601368708-2912401020
Netto: 4,36 € zzgl. MwSt.
zzgl. 6,90 € Versand (brutto)
einmalig pro Bestellung

Lieferzeit: 5 Werktage

Pos.
66
BOSCH Blechschraube DIN 7971-ST3,9x16-F | Ersatzteile für GNF 65 A | 2910211019
Hersteller: BOSCH
Artikelnummer: EB-0601368708-2910211019
Netto: 3,60 € zzgl. MwSt.
zzgl. 6,90 € Versand (brutto)
einmalig pro Bestellung

Lieferzeit: 5 Werktage

Pos.
67
BOSCH Linsenkopfschraube | Ersatzteile für GNF 65 A | 3603435040
Hersteller: BOSCH
Artikelnummer: EB-0601368708-3603435040
Netto: 3,94 € zzgl. MwSt.
zzgl. 6,90 € Versand (brutto)
einmalig pro Bestellung

Lieferzeit: 5 Werktage

Pos.
100
BOSCH Drehzahlregler 220-240V | Ersatzteile für GNF 65 A | 1607233040
Hersteller: BOSCH
Artikelnummer: EB-0601368708-1607233040
Netto: 61,64 € zzgl. MwSt.
zzgl. 6,90 € Versand (brutto)
einmalig pro Bestellung

Lieferzeit: 64 Werktage

Pos.
118
BOSCH Aufnahmeflansch Ø 42 MM, SW17 | Ersatzteile für GNF 65 A | 3609202039
Hersteller: BOSCH
Artikelnummer: EB-0601368708-3609202039
Netto: 18,86 € zzgl. MwSt.
zzgl. 6,90 € Versand (brutto)
einmalig pro Bestellung

Lieferzeit: 5 Werktage

Pos.
119
BOSCH Rundmutter Ø 45 MM, M14 | Ersatzteile für GNF 65 A | 3609202040
Hersteller: BOSCH
Artikelnummer: EB-0601368708-3609202040
Netto: 35,13 € zzgl. MwSt.
zzgl. 6,90 € Versand (brutto)
einmalig pro Bestellung

Lieferzeit: 5 Werktage

Pos.
120
BOSCH Unterlegscheibe Ø 42X22,2X4 MM | Ersatzteile für GNF 65 A | 3609202041
Hersteller: BOSCH
Artikelnummer: EB-0601368708-3609202041
Netto: 6,75 € zzgl. MwSt.
zzgl. 6,90 € Versand (brutto)
einmalig pro Bestellung

Lieferzeit: 5 Werktage

Pos.
121
BOSCH Unterlegscheibe Ø 42X22,2X6 MM | Ersatzteile für GNF 65 A | 3609202042
Hersteller: BOSCH
Artikelnummer: EB-0601368708-3609202042
nur Informationsartikel
Nie mehr lieferbar
keine Alternativen
Pos.
200
BOSCH Schutzhaube | Ersatzteile für GNF 65 A | 3605500127
Hersteller: BOSCH
Artikelnummer: EB-0601368708-3605500127
Netto: 341,49 € zzgl. MwSt.
zzgl. 6,90 € Versand (brutto)
einmalig pro Bestellung

Lieferzeit: 5 Werktage

Pos.
201
BOSCH Schutzhaube | Ersatzteile für GNF 65 A | 3605500128
Hersteller: BOSCH
Artikelnummer: EB-0601368708-3605500128
nur Informationsartikel
Nie mehr lieferbar
keine Alternativen
Pos.
202
BOSCH Seitenschutz | Ersatzteile für GNF 65 A | 3605500129
Hersteller: BOSCH
Artikelnummer: EB-0601368708-3605500129
nur Informationsartikel
Nie mehr lieferbar
keine Alternativen
Pos.
203
BOSCH Schwenkarm | Ersatzteile für GNF 65 A | 3609202033
Hersteller: BOSCH
Artikelnummer: EB-0601368708-3609202033
Netto: 32,16 € zzgl. MwSt.
zzgl. 6,90 € Versand (brutto)
einmalig pro Bestellung

Lieferzeit: 5 Werktage

Pos.
204
BOSCH Druckfeder | Ersatzteile für GNF 65 A | 3609202034
Hersteller: BOSCH
Artikelnummer: EB-0601368708-3609202034
Netto: 4,56 € zzgl. MwSt.
zzgl. 6,90 € Versand (brutto)
einmalig pro Bestellung

Lieferzeit: 5 Werktage

Pos.
205
BOSCH Unterlegscheibe 8,4 DIN 433-ST | Ersatzteile für GNF 65 A | 2916011015
Hersteller: BOSCH
Artikelnummer: EB-0601368708-2916011015
Netto: 3,60 € zzgl. MwSt.
zzgl. 6,90 € Versand (brutto)
einmalig pro Bestellung

Lieferzeit: 5 Werktage

Pos.
207
BOSCH Klemmhebel | Ersatzteile für GNF 65 A | 1907904721
Hersteller: BOSCH
Artikelnummer: EB-0601368708-1907904721
Netto: 12,50 € zzgl. MwSt.
zzgl. 6,90 € Versand (brutto)
einmalig pro Bestellung

Lieferzeit: 5 Werktage

Pos.
208
BOSCH Sterngriff DIN 6336-K40-M8 | Ersatzteile für GNF 65 A | 1905621105
Hersteller: BOSCH
Artikelnummer: EB-0601368708-1905621105
Netto: 13,81 € zzgl. MwSt.
zzgl. 6,90 € Versand (brutto)
einmalig pro Bestellung

Lieferzeit: 5 Werktage

Pos.
210
BOSCH Halteschiene | Ersatzteile für GNF 65 A | 3609202035
Hersteller: BOSCH
Artikelnummer: EB-0601368708-3609202035
Netto: 42,08 € zzgl. MwSt.
zzgl. 6,90 € Versand (brutto)
einmalig pro Bestellung

Lieferzeit: 5 Werktage

Pos.
211
BOSCH Achse | Ersatzteile für GNF 65 A | 3609202036
Hersteller: BOSCH
Artikelnummer: EB-0601368708-3609202036
Netto: 23,72 € zzgl. MwSt.
zzgl. 6,90 € Versand (brutto)
einmalig pro Bestellung

Lieferzeit: 5 Werktage

Pos.
212
BOSCH Walze Ø 36X50 MM | Ersatzteile für GNF 65 A | 3609202037
Hersteller: BOSCH
Artikelnummer: EB-0601368708-3609202037
Netto: 20,80 € zzgl. MwSt.
zzgl. 6,90 € Versand (brutto)
einmalig pro Bestellung

Lieferzeit: 5 Werktage

Pos.
63
BOSCH Linsenschraube | Ersatzteile für GNF 65 A | 2910641086
Hersteller: BOSCH
Artikelnummer: EB-0601368708-2910641086
Netto: 3,94 € zzgl. MwSt.
zzgl. 6,90 € Versand (brutto)
einmalig pro Bestellung

Lieferzeit: 5 Werktage

Pos.
213
BOSCH Walze Ø 36X28 MM | Ersatzteile für GNF 65 A | 3609202038
Hersteller: BOSCH
Artikelnummer: EB-0601368708-3609202038
Netto: 16,70 € zzgl. MwSt.
zzgl. 6,90 € Versand (brutto)
einmalig pro Bestellung

Lieferzeit: 5 Werktage

Pos.
214
BOSCH Sicherungsring DIN 471-12x1-FSt | Ersatzteile für GNF 65 A | 2916650003
Hersteller: BOSCH
Artikelnummer: EB-0601368708-2916650003
Netto: 3,94 € zzgl. MwSt.
zzgl. 6,90 € Versand (brutto)
einmalig pro Bestellung

Lieferzeit: 5 Werktage

Pos.
215
BOSCH Passscheibe | Ersatzteile für GNF 65 A | 3603435021
Hersteller: BOSCH
Artikelnummer: EB-0601368708-3603435021
Netto: 4,56 € zzgl. MwSt.
zzgl. 6,90 € Versand (brutto)
einmalig pro Bestellung

Lieferzeit: 5 Werktage

Pos.
216
BOSCH Passscheibe | Ersatzteile für GNF 65 A | 3603435022
Hersteller: BOSCH
Artikelnummer: EB-0601368708-3603435022
Netto: 4,80 € zzgl. MwSt.
zzgl. 6,90 € Versand (brutto)
einmalig pro Bestellung

Lieferzeit: 5 Werktage

Pos.
217
BOSCH Dichtung | Ersatzteile für GNF 65 A | 3601010045
Hersteller: BOSCH
Artikelnummer: EB-0601368708-3601010045
Netto: 6,27 € zzgl. MwSt.
zzgl. 6,90 € Versand (brutto)
einmalig pro Bestellung

Lieferzeit: 5 Werktage

Pos.
218
BOSCH Firmenschild ACHTUNG | Ersatzteile für GNF 65 A | 3601119110
Hersteller: BOSCH
Artikelnummer: EB-0601368708-3601119110
Netto: 6,77 € zzgl. MwSt.
zzgl. 6,90 € Versand (brutto)
einmalig pro Bestellung

Lieferzeit: 5 Werktage

Pos.
667
BOSCH Spaltwerkzeug | Ersatzteile für GNF 65 A | 3607959005
Hersteller: BOSCH
Artikelnummer: EB-0601368708-3607959005
Netto: 18,86 € zzgl. MwSt.
zzgl. 6,90 € Versand (brutto)
einmalig pro Bestellung

Lieferzeit: 5 Werktage

Pos.
722
BOSCH Zusatzhandgriff M14x1,5 MM SCHWARZ | Ersatzteile für GNF 65 A | 2602025075
Hersteller: BOSCH
Artikelnummer: EB-0601368708-2602025075
Netto: 15,34 € zzgl. MwSt.
zzgl. 6,90 € Versand (brutto)
einmalig pro Bestellung

Lieferzeit: 5 Werktage

Pos.
753
BOSCH Tragkasten | Ersatzteile für GNF 65 A | 2605438348
Hersteller: BOSCH
Artikelnummer: EB-0601368708-2605438348
nur Informationsartikel
Nie mehr lieferbar
keine Alternativen
Pos.
757
BOSCH Diamanttrennscheibe Ø 230X22,2X2,8 MM | Ersatzteile für GNF 65 A | 2608600126
Hersteller: BOSCH
Artikelnummer: EB-0601368708-2608600126
nur Informationsartikel
Nie mehr lieferbar
keine Alternativen
Pos.
758
BOSCH Diamanttrennscheibe Ø 230x22,2x2,8 MM | Ersatzteile für GNF 65 A | 2608600039
Hersteller: BOSCH
Artikelnummer: EB-0601368708-2608600039
nur Informationsartikel
Nie mehr lieferbar
keine Alternativen
Pos.
763
BOSCH Saugkrümmer Ø 35 MM | Ersatzteile für GNF 65 A | 1600793007
Hersteller: BOSCH
Artikelnummer: EB-0601368708-1600793007
Netto: 38,87 € zzgl. MwSt.
zzgl. 6,90 € Versand (brutto)
einmalig pro Bestellung

Lieferzeit: 5 Werktage

Pos.
764
BOSCH Zweilochmutterndreher | Ersatzteile für GNF 65 A | 1607950004
Hersteller: BOSCH
Artikelnummer: EB-0601368708-1607950004
Netto: 13,26 € zzgl. MwSt.
zzgl. 6,90 € Versand (brutto)
einmalig pro Bestellung

Lieferzeit: 5 Werktage

Pos.
770
BOSCH Luftschlauch Ø 35 MM, L=5 M | Ersatzteile für GNF 65 A | 1609202230
Hersteller: BOSCH
Artikelnummer: EB-0601368708-1609202230
Netto: 113,31 € zzgl. MwSt.
zzgl. 6,90 € Versand (brutto)
einmalig pro Bestellung

Lieferzeit: 5 Werktage

Pos.
803
BOSCH Anker 230-240V | Ersatzteile für GNF 65 A | 1604011156
Hersteller: BOSCH
Artikelnummer: EB-0601368708-1604011156
Netto: 116,63 € zzgl. MwSt.
zzgl. 6,90 € Versand (brutto)
einmalig pro Bestellung

Lieferzeit: 5 Werktage

Pos.
805
BOSCH Netzanschlussleitung EU 4,15m 2 x 1,5mm H07 RN-F | Ersatzteile für GNF 65 A | 1607000228
Hersteller: BOSCH
Artikelnummer: EB-0601368708-1607000228
Netto: 20,80 € zzgl. MwSt.
zzgl. 6,90 € Versand (brutto)
einmalig pro Bestellung

Lieferzeit: 5 Werktage

Pos.
805
BOSCH Netzanschlussleitung EU 4,15m 2 x 1,0mm H07 RN-F | Ersatzteile für GNF 65 A | 1607000227
Hersteller: BOSCH
Artikelnummer: EB-0601368708-1607000227
Netto: 20,80 € zzgl. MwSt.
zzgl. 6,90 € Versand (brutto)
einmalig pro Bestellung

Lieferzeit: 5 Werktage

Pos.
808
BOSCH Typschild | Ersatzteile für GNF 65 A | 160111A3H3
Hersteller: BOSCH
Artikelnummer: EB-0601368708-160111A3H3
Netto: 4,56 € zzgl. MwSt.
zzgl. 6,90 € Versand (brutto)
einmalig pro Bestellung

Lieferzeit: 5 Werktage

Pos.
808
BOSCH Typschild 26x52 MM | Ersatzteile für GNF 65 A | 1601106032
Hersteller: BOSCH
Artikelnummer: EB-0601368708-1601106032
nur Informationsartikel
Nie mehr lieferbar
keine Alternativen
Pos.
810
BOSCH Kohlebürstensatz | Ersatzteile für GNF 65 A | 1607014171
Hersteller: BOSCH
Artikelnummer: EB-0601368708-1607014171
Netto: 12,50 € zzgl. MwSt.
zzgl. 6,90 € Versand (brutto)
einmalig pro Bestellung

Lieferzeit: 5 Werktage

Pos.
818
BOSCH Spannsatz | Ersatzteile für GNF 65 A | 3609202043
Hersteller: BOSCH
Artikelnummer: EB-0601368708-3609202043
Netto: 55,88 € zzgl. MwSt.
zzgl. 6,90 € Versand (brutto)
einmalig pro Bestellung

Lieferzeit: 5 Werktage

Pos.
821
BOSCH Getriebegehäuse | Ersatzteile für GNF 65 A | 1605805592
Hersteller: BOSCH
Artikelnummer: EB-0601368708-1605805592
Netto: 67,29 € zzgl. MwSt.
zzgl. 6,90 € Versand (brutto)
einmalig pro Bestellung

Lieferzeit: 5 Werktage

Pos.
822
BOSCH Lagerflansch Ø 230 MM SILBER | Ersatzteile für GNF 65 A | 1607000922
Hersteller: BOSCH
Artikelnummer: EB-0601368708-1607000922
Netto: 23,72 € zzgl. MwSt.
zzgl. 6,90 € Versand (brutto)
einmalig pro Bestellung

Lieferzeit: 5 Werktage

Pos.
826
BOSCH Ersatzteilgruppe | Ersatzteile für GNF 65 A | 1600A005BH
Hersteller: BOSCH
Artikelnummer: EB-0601368708-1600A005BH
Netto: 38,40 € zzgl. MwSt.
zzgl. 6,90 € Versand (brutto)
einmalig pro Bestellung

Lieferzeit: 5 Werktage

Pos.
833
BOSCH Radial-Wellendichtring 18,7 MM ROT | Ersatzteile für GNF 65 A | 1600290013
Hersteller: BOSCH
Artikelnummer: EB-0601368708-1600290013
Netto: 4,56 € zzgl. MwSt.
zzgl. 6,90 € Versand (brutto)
einmalig pro Bestellung

Lieferzeit: 5 Werktage

Pos.
840
BOSCH Druckknopf SCHWARZ | Ersatzteile für GNF 65 A | 1607000206
Hersteller: BOSCH
Artikelnummer: EB-0601368708-1607000206
Netto: 9,75 € zzgl. MwSt.
zzgl. 6,90 € Versand (brutto)
einmalig pro Bestellung

Lieferzeit: 5 Werktage

Pos.
846
BOSCH Haltescheibe | Ersatzteile für GNF 65 A | 1607000C3E
Hersteller: BOSCH
Artikelnummer: EB-0601368708-1607000C3E
Netto: 10,62 € zzgl. MwSt.
zzgl. 6,90 € Versand (brutto)
einmalig pro Bestellung

Lieferzeit: 5 Werktage

Pos.
851
BOSCH Nadellager Ø14 MM | Ersatzteile für GNF 65 A | 2600910001
Hersteller: BOSCH
Artikelnummer: EB-0601368708-2600910001
Netto: 5,65 € zzgl. MwSt.
zzgl. 6,90 € Versand (brutto)
einmalig pro Bestellung

Lieferzeit: 5 Werktage

Pos.
755
BOSCH Diamanttrennscheibe Ø 230x22,2x2,8 MM | Ersatzteile für GNF 65 A | 2608600037
Hersteller: BOSCH
Artikelnummer: EB-0601368708-2608600141
nur Informationsartikel
Nie mehr lieferbar
keine Alternativen
Pos.
756
BOSCH Diamanttrennscheibe Ø 230x22,2x2,8 MM | Ersatzteile für GNF 65 A | 2608600035
Hersteller: BOSCH
Artikelnummer: EB-0601368708-2608600142
nur Informationsartikel
Nie mehr lieferbar
keine Alternativen

Angaben zur Produktsicherheit

Hersteller:
Robert Bosch Power Tools GmbH
Postfach 30 02 20
70442 Stuttgart

E-Mail:
kontakt@bosch.de