BOSCH Bürstenhalter | Ersatzteile für GOF 1700 E | 1604336008

Artikelnummer: EB-0601611761-1604336008

Position: 21

Marke: BOSCH


Bitte Kompatibilität prüfen!

Bitte prüfen Sie unbedingt die 10-stellige Typennummer Ihrer Maschine / Ihres Gerätes. Das Ersatzteil ist nur kompatibel, wenn Sie die Typennummer Ihrer Maschine in der unten stehenden Produktbeschreibung finden.

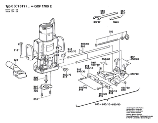
Bitte prüfen Sie ebenfalls detailliert die Explosionszeichnung mit Ihrem Artikelwunsch und der jeweiligen Pos-Nummer.

Alle Elemente, welche vom schwarzen Strich der Pos-Nummer ausgehend berührt / erfasst werden, gehören zu dieser Pos-Nummer und somit zu diesem Artikel. Jede Pos-Nummer ist ein eigenständiger Artikel, welchen Sie in der Auflistung finden.

Sie erhalten stets die aktuellste, neueste Produktversion zu der gewählten Pos-Nummer seitens des Herstellers. Es kann daher je nach Gerätealter vorkommen, dass Sie ggf. weitere, zugehörige Elemente, welche an diese Pos-Nummer grenzen, ebenfalls mittauschen müssen.

Nähere Informationen finden Sie unter dem Link
Hinweise zu Ihrer BOSCH Ersatzteilsuche

Preisübersicht

Einzelpreis: 17,38 €* (Brutto: 20,68 €)
Gesamtpreis: 17,38 €* 
Position:

Lieferzeit: 5 Werktage


Beschreibung

  • Bürstenhalter
  • Original Bosch Zubehör / BOSCH Ersatzteil (1604336008)
  • im Gerät verbaut: 1
Dieses BOSCH Ersatzteil ist mit folgendem Gerät und Modell kompatibel:
  • BOSCH Gerätename: GOF 1700 E
  • BOSCH Explosionszeichnung: Position 21
  • BOSCH Typennummer: 0601611761
  • BOSCH Typennummer alternative Schreibweisen: 0 601 611 761, 0601 611 761, 0.601.611.761, 0-601-611-761
    Bitte prüfen Sie diese Typennummer auf Ihrem Gerät um die Kompatibilität des BOSCH Ersatzteils zu gewährleisten.
Weitere BOSCH Ersatzteile des Gerätes GOF 1700 E (Oberfräse) mit der Typennummer 0601611761 finden Sie in der nachfolgenden Darstellung und im Dropdown zu Ihrer Auswahl:

Pos.
1
BOSCH Motorgehäuse BLAU | Ersatzteile für GOF 1700 E | 3605108589
Hersteller: BOSCH
Artikelnummer: EB-0601611761-3605108589
nur Informationsartikel
Nie mehr lieferbar
keine Alternativen
Pos.
3/70
BOSCH Lüfter | Ersatzteile für GOF 1700 E | 3606610517
Hersteller: BOSCH
Artikelnummer: EB-0601611761-3606610517
nur Informationsartikel
Nie mehr lieferbar
keine Alternativen
Pos.
650/10
BOSCH Zwischenplatte | Ersatzteile für GOF 1700 E | 3605700511
Hersteller: BOSCH
Artikelnummer: EB-0601611761-3605700511
nur Informationsartikel
Nie mehr lieferbar
keine Alternativen
Pos.
650/30
BOSCH Unterlegscheibe DIN 125-A5,3-ST | Ersatzteile für GOF 1700 E | 2916011012
Hersteller: BOSCH
Artikelnummer: EB-0601611761-2916011012
Netto: 3,63 € zzgl. MwSt.
zzgl. 6,90 € Versand (brutto)
einmalig pro Bestellung

Lieferzeit: 5 Werktage

Pos.
650/40
BOSCH Zylinderschraube DIN 84-AM5x12-5.8 | Ersatzteile für GOF 1700 E | 2910011154
Hersteller: BOSCH
Artikelnummer: EB-0601611761-2910011154
nur Informationsartikel
Nie mehr lieferbar
keine Alternativen
Pos.
650/50
BOSCH Sechskantmutter DIN 934-M 5-m-8 | Ersatzteile für GOF 1700 E | 2915011006
Hersteller: BOSCH
Artikelnummer: EB-0601611761-2915011006
nur Informationsartikel
Nie mehr lieferbar
keine Alternativen
Pos.
650/60
BOSCH Führungsstange 10 MM | Ersatzteile für GOF 1700 E | 3603001518
Hersteller: BOSCH
Artikelnummer: EB-0601611761-3603001518
nur Informationsartikel
Nie mehr lieferbar
keine Alternativen
Pos.
650/70
BOSCH Flügelschraube M 6x16 MM | Ersatzteile für GOF 1700 E | 2603480003
Hersteller: BOSCH
Artikelnummer: EB-0601611761-2603480003
nur Informationsartikel
Nie mehr lieferbar
keine Alternativen
Pos.
650/70
BOSCH Flügelschraube M6 | Ersatzteile für GOF 1700 E | 1603480018
Hersteller: BOSCH
Artikelnummer: EB-0601611761-1603480018
Netto: 4,32 € zzgl. MwSt.
zzgl. 6,90 € Versand (brutto)
einmalig pro Bestellung

Lieferzeit: 5 Werktage

Pos.
650/80
BOSCH Firmenschild | Ersatzteile für GOF 1700 E | 3601119612
Hersteller: BOSCH
Artikelnummer: EB-0601611761-3601119612
nur Informationsartikel
Nie mehr lieferbar
keine Alternativen
Pos.
701/5
BOSCH Spannzange 1/4" | Ersatzteile für GOF 1700 E | 3600499503
Hersteller: BOSCH
Artikelnummer: EB-0601611761-3600499503
nur Informationsartikel
Nie mehr lieferbar
keine Alternativen
Pos.
701/5
BOSCH Spannzange 3/8" | Ersatzteile für GOF 1700 E | 3600499502
Hersteller: BOSCH
Artikelnummer: EB-0601611761-3600499502
nur Informationsartikel
Nie mehr lieferbar
keine Alternativen
Pos.
701/5
BOSCH Spannzange Ø 10 MM | Ersatzteile für GOF 1700 E | 3608570504
Hersteller: BOSCH
Artikelnummer: EB-0601611761-3608570504
nur Informationsartikel
Nie mehr lieferbar
keine Alternativen
Pos.
701/5
BOSCH Spannzange Ø 6 MM | Ersatzteile für GOF 1700 E | 3608570500
Hersteller: BOSCH
Artikelnummer: EB-0601611761-3608570500
nur Informationsartikel
Nie mehr lieferbar
keine Alternativen
Pos.
701/5
BOSCH Spannzange Ø 8 MM | Ersatzteile für GOF 1700 E | 3608570502
Hersteller: BOSCH
Artikelnummer: EB-0601611761-3608570502
nur Informationsartikel
Nie mehr lieferbar
keine Alternativen
Pos.
2
BOSCH Polschuh 220-230V | Ersatzteile für GOF 1700 E | 3604220537
Hersteller: BOSCH
Artikelnummer: EB-0601611761-3604220537
nur Informationsartikel
Nie mehr lieferbar
keine Alternativen
Pos.
4
BOSCH Lüftergehäuse | Ersatzteile für GOF 1700 E | 3605702592
Hersteller: BOSCH
Artikelnummer: EB-0601611761-3605702592
Netto: 77,60 € zzgl. MwSt.
zzgl. 6,90 € Versand (brutto)
einmalig pro Bestellung

Lieferzeit: 5 Werktage

Pos.
5
BOSCH Gehäusedeckel | Ersatzteile für GOF 1700 E | 3605500574
Hersteller: BOSCH
Artikelnummer: EB-0601611761-3605500574
nur Informationsartikel
Nie mehr lieferbar
keine Alternativen
Pos.
6
BOSCH Verschlussdeckel | Ersatzteile für GOF 1700 E | 3605500596
Hersteller: BOSCH
Artikelnummer: EB-0601611761-3605500596
nur Informationsartikel
Nie mehr lieferbar
keine Alternativen
Pos.
7
BOSCH Grundplatte | Ersatzteile für GOF 1700 E | 3605702595
Hersteller: BOSCH
Artikelnummer: EB-0601611761-3605702595
Netto: 106,72 € zzgl. MwSt.
zzgl. 6,90 € Versand (brutto)
einmalig pro Bestellung

Lieferzeit: 5 Werktage

Pos.
8
BOSCH Zwischenplatte | Ersatzteile für GOF 1700 E | 3600190515
Hersteller: BOSCH
Artikelnummer: EB-0601611761-3600190515
nur Informationsartikel
Nie mehr lieferbar
keine Alternativen
Pos.
9
BOSCH Handgriff BLAU | Ersatzteile für GOF 1700 E | 3605133519
Hersteller: BOSCH
Artikelnummer: EB-0601611761-3605133519
nur Informationsartikel
Nie mehr lieferbar
keine Alternativen
Pos.
10
BOSCH Handgriff BLAU | Ersatzteile für GOF 1700 E | 3605133520
Hersteller: BOSCH
Artikelnummer: EB-0601611761-3605133520
nur Informationsartikel
Nie mehr lieferbar
keine Alternativen
Pos.
11
BOSCH Anschlussleitung | Ersatzteile für GOF 1700 E | 3604441506
Hersteller: BOSCH
Artikelnummer: EB-0601611761-3604441506
nur Informationsartikel
Nie mehr lieferbar
keine Alternativen
Pos.
12
BOSCH Zahnscheibe | Ersatzteile für GOF 1700 E | 3600190516
Hersteller: BOSCH
Artikelnummer: EB-0601611761-3600190516
Netto: 4,53 € zzgl. MwSt.
zzgl. 6,90 € Versand (brutto)
einmalig pro Bestellung

Lieferzeit: 5 Werktage

Pos.
13
BOSCH Ein/Aus-Schalter | Ersatzteile für GOF 1700 E | 3607200510
Hersteller: BOSCH
Artikelnummer: EB-0601611761-3607200510
nur Informationsartikel
Nie mehr lieferbar
keine Alternativen
Pos.
14
BOSCH Entstörfilter | Ersatzteile für GOF 1700 E | 1607328034
Hersteller: BOSCH
Artikelnummer: EB-0601611761-1607328034
Netto: 5,67 € zzgl. MwSt.
zzgl. 6,90 € Versand (brutto)
einmalig pro Bestellung

Lieferzeit: 5 Werktage

Pos.
15
BOSCH Befestigungsschelle | Ersatzteile für GOF 1700 E | 3601032500
Hersteller: BOSCH
Artikelnummer: EB-0601611761-3601032500
Netto: 7,76 € zzgl. MwSt.
zzgl. 6,90 € Versand (brutto)
einmalig pro Bestellung

Lieferzeit: 5 Werktage

Pos.
16
BOSCH Blechschraube DIN 7981-ST3,5x13-C-H | Ersatzteile für GOF 1700 E | 2910611011
Hersteller: BOSCH
Artikelnummer: EB-0601611761-2910611011
nur Informationsartikel
Nie mehr lieferbar
keine Alternativen
Pos.
17
BOSCH Netzanschlussleitung | Ersatzteile für GOF 1700 E | 3604460564
Hersteller: BOSCH
Artikelnummer: EB-0601611761-3604460564
nur Informationsartikel
Nie mehr lieferbar
keine Alternativen
Pos.
18
BOSCH Tülle Ø 9,4 MM | Ersatzteile für GOF 1700 E | 3600707503
Hersteller: BOSCH
Artikelnummer: EB-0601611761-3600707503
Netto: 5,19 € zzgl. MwSt.
zzgl. 6,90 € Versand (brutto)
einmalig pro Bestellung

Lieferzeit: 5 Werktage

Pos.
19
BOSCH Ansatzschraube M4 | Ersatzteile für GOF 1700 E | 3603415556
Hersteller: BOSCH
Artikelnummer: EB-0601611761-3603415556
Netto: 4,32 € zzgl. MwSt.
zzgl. 6,90 € Versand (brutto)
einmalig pro Bestellung

Lieferzeit: 5 Werktage

Pos.
21
BOSCH Bürstenhalter | Ersatzteile für GOF 1700 E | 1604336008
Hersteller: BOSCH
Artikelnummer: EB-0601611761-1604336008
Netto: 17,38 € zzgl. MwSt.
zzgl. 6,90 € Versand (brutto)
einmalig pro Bestellung

Lieferzeit: 5 Werktage

Pos.
22
BOSCH Gewindespindel | Ersatzteile für GOF 1700 E | 3603500500
Hersteller: BOSCH
Artikelnummer: EB-0601611761-3603500500
nur Informationsartikel
Nie mehr lieferbar
keine Alternativen
Pos.
23
BOSCH Blechschraube DIN 7981-ST3,9x13-C-H | Ersatzteile für GOF 1700 E | 2910611018
Hersteller: BOSCH
Artikelnummer: EB-0601611761-2910611018
nur Informationsartikel
Nie mehr lieferbar
keine Alternativen
Pos.
24
BOSCH Blechschraube DIN 7981-ST3,9x16-C-H | Ersatzteile für GOF 1700 E | 2910611019
Hersteller: BOSCH
Artikelnummer: EB-0601611761-2910611019
nur Informationsartikel
Nie mehr lieferbar
keine Alternativen
Pos.
25
BOSCH Innensechskantschraube DIN 912-M6x16-8.8 | Ersatzteile für GOF 1700 E | 2910141197
Hersteller: BOSCH
Artikelnummer: EB-0601611761-2910141197
Netto: 3,63 € zzgl. MwSt.
zzgl. 6,90 € Versand (brutto)
einmalig pro Bestellung

Lieferzeit: 5 Werktage

Pos.
26
BOSCH Spiralfeder | Ersatzteile für GOF 1700 E | 1614652001
Hersteller: BOSCH
Artikelnummer: EB-0601611761-1614652001
Netto: 5,19 € zzgl. MwSt.
zzgl. 6,90 € Versand (brutto)
einmalig pro Bestellung

Lieferzeit: 5 Werktage

Pos.
28
BOSCH Sicherungsblech | Ersatzteile für GOF 1700 E | 1611331007
Hersteller: BOSCH
Artikelnummer: EB-0601611761-1611331007
nur Informationsartikel
Nie mehr lieferbar
keine Alternativen
Pos.
29
BOSCH Blechschraube B 4,8x68 MM | Ersatzteile für GOF 1700 E | 1613412001
Hersteller: BOSCH
Artikelnummer: EB-0601611761-1613412001
Netto: 3,94 € zzgl. MwSt.
zzgl. 6,90 € Versand (brutto)
einmalig pro Bestellung

Lieferzeit: 5 Werktage

Pos.
30
BOSCH Rillenkugellager 6200-2 RS/C 3 | Ersatzteile für GOF 1700 E | 1900905276
Hersteller: BOSCH
Artikelnummer: EB-0601611761-1900905276
nur Informationsartikel
Nie mehr lieferbar
keine Alternativen
Pos.
31
BOSCH Sicherungsring | Ersatzteile für GOF 1700 E | 3600119507
Hersteller: BOSCH
Artikelnummer: EB-0601611761-3600119507
nur Informationsartikel
Nie mehr lieferbar
keine Alternativen
Pos.
32
BOSCH Rillenkugellager | Ersatzteile für GOF 1700 E | 3600900526
Hersteller: BOSCH
Artikelnummer: EB-0601611761-3600900526
Netto: 26,88 € zzgl. MwSt.
zzgl. 6,90 € Versand (brutto)
einmalig pro Bestellung

Lieferzeit: 5 Werktage

Pos.
33
BOSCH Befestigungsplatte | Ersatzteile für GOF 1700 E | 3600034503
Hersteller: BOSCH
Artikelnummer: EB-0601611761-3600034503
nur Informationsartikel
Nie mehr lieferbar
keine Alternativen
Pos.
34
BOSCH Senkblechschraube | Ersatzteile für GOF 1700 E | 3603415559
Hersteller: BOSCH
Artikelnummer: EB-0601611761-3603415559
nur Informationsartikel
Nie mehr lieferbar
keine Alternativen
Pos.
35
BOSCH Sechskantmutter | Ersatzteile für GOF 1700 E | 3603301522
Hersteller: BOSCH
Artikelnummer: EB-0601611761-3603301522
nur Informationsartikel
Nie mehr lieferbar
keine Alternativen
Pos.
37
BOSCH Haltebügel | Ersatzteile für GOF 1700 E | 3601961500
Hersteller: BOSCH
Artikelnummer: EB-0601611761-3601961500
nur Informationsartikel
Nie mehr lieferbar
keine Alternativen
Pos.
38
BOSCH Druckfeder | Ersatzteile für GOF 1700 E | 3604613502
Hersteller: BOSCH
Artikelnummer: EB-0601611761-3604613502
nur Informationsartikel
Nie mehr lieferbar
keine Alternativen
Pos.
39
BOSCH Schraube DIN 7982-ST4,8x19 | Ersatzteile für GOF 1700 E | 2910611034
Hersteller: BOSCH
Artikelnummer: EB-0601611761-2910611034
nur Informationsartikel
Nie mehr lieferbar
keine Alternativen
Pos.
40
BOSCH Schraube 4x13 MM | Ersatzteile für GOF 1700 E | 3603415540
Hersteller: BOSCH
Artikelnummer: EB-0601611761-3603415540
Netto: 4,53 € zzgl. MwSt.
zzgl. 6,90 € Versand (brutto)
einmalig pro Bestellung

Lieferzeit: 5 Werktage

Pos.
41
BOSCH Tiefenanschlag | Ersatzteile für GOF 1700 E | 3600232503
Hersteller: BOSCH
Artikelnummer: EB-0601611761-3600232503
nur Informationsartikel
Nie mehr lieferbar
keine Alternativen
Pos.
42
BOSCH Sicherungsring DIN 471 25x1,2 | Ersatzteile für GOF 1700 E | 2916650014
Hersteller: BOSCH
Artikelnummer: EB-0601611761-2916650014
Netto: 3,94 € zzgl. MwSt.
zzgl. 6,90 € Versand (brutto)
einmalig pro Bestellung

Lieferzeit: 5 Werktage

Pos.
43
BOSCH Blattfeder | Ersatzteile für GOF 1700 E | 3601254501
Hersteller: BOSCH
Artikelnummer: EB-0601611761-3601254501
Netto: 6,69 € zzgl. MwSt.
zzgl. 6,90 € Versand (brutto)
einmalig pro Bestellung

Lieferzeit: 5 Werktage

Pos.
44
BOSCH Sperrhebel | Ersatzteile für GOF 1700 E | 3602033501
Hersteller: BOSCH
Artikelnummer: EB-0601611761-3602033501
Netto: 4,82 € zzgl. MwSt.
zzgl. 6,90 € Versand (brutto)
einmalig pro Bestellung

Lieferzeit: 5 Werktage

Pos.
45
BOSCH Hebelachse | Ersatzteile für GOF 1700 E | 3603053503
Hersteller: BOSCH
Artikelnummer: EB-0601611761-3603053503
nur Informationsartikel
Nie mehr lieferbar
keine Alternativen
Pos.
46
BOSCH Druckfeder | Ersatzteile für GOF 1700 E | 3604613503
Hersteller: BOSCH
Artikelnummer: EB-0601611761-3604613503
Netto: 4,53 € zzgl. MwSt.
zzgl. 6,90 € Versand (brutto)
einmalig pro Bestellung

Lieferzeit: 5 Werktage

Pos.
47
BOSCH Linsenschraube DIN 7985-M4x8-8.8-H | Ersatzteile für GOF 1700 E | 2910951118
Hersteller: BOSCH
Artikelnummer: EB-0601611761-2910951118
nur Informationsartikel
Nie mehr lieferbar
keine Alternativen
Pos.
48
BOSCH Sechskantmutter DIN 985-M10-10 | Ersatzteile für GOF 1700 E | 2915065007
Hersteller: BOSCH
Artikelnummer: EB-0601611761-2915065007
nur Informationsartikel
Nie mehr lieferbar
keine Alternativen
Pos.
49
BOSCH Einstellmutter | Ersatzteile für GOF 1700 E | 2603345015
Hersteller: BOSCH
Artikelnummer: EB-0601611761-2603345015
nur Informationsartikel
Nie mehr lieferbar
keine Alternativen
Pos.
50
BOSCH Führungsstück | Ersatzteile für GOF 1700 E | 3603120501
Hersteller: BOSCH
Artikelnummer: EB-0601611761-3603120501
nur Informationsartikel
Nie mehr lieferbar
keine Alternativen
Pos.
51
BOSCH Verstellhebel | Ersatzteile für GOF 1700 E | 3602000509
Hersteller: BOSCH
Artikelnummer: EB-0601611761-3602000509
nur Informationsartikel
Nie mehr lieferbar
keine Alternativen
Pos.
52
BOSCH Spannfeder | Ersatzteile für GOF 1700 E | 3604651501
Hersteller: BOSCH
Artikelnummer: EB-0601611761-3604651501
nur Informationsartikel
Nie mehr lieferbar
keine Alternativen
Pos.
53
BOSCH Verstellexzenter | Ersatzteile für GOF 1700 E | 3602202500
Hersteller: BOSCH
Artikelnummer: EB-0601611761-3602202500
nur Informationsartikel
Nie mehr lieferbar
keine Alternativen
Pos.
54
BOSCH Unterlegscheibe DIN 125-A4,3-ST | Ersatzteile für GOF 1700 E | 2916011010
Hersteller: BOSCH
Artikelnummer: EB-0601611761-2916011010
nur Informationsartikel
Nie mehr lieferbar
keine Alternativen
Pos.
55
BOSCH Sechskantmutter DIN 985-M4-8 | Ersatzteile für GOF 1700 E | 2915061002
Hersteller: BOSCH
Artikelnummer: EB-0601611761-2915061002
nur Informationsartikel
Nie mehr lieferbar
keine Alternativen
Pos.
56
BOSCH Schraube B 4,8x45 MM | Ersatzteile für GOF 1700 E | 3603415560
Hersteller: BOSCH
Artikelnummer: EB-0601611761-3603415560
Netto: 3,63 € zzgl. MwSt.
zzgl. 6,90 € Versand (brutto)
einmalig pro Bestellung

Lieferzeit: 5 Werktage

Pos.
57
BOSCH Druckfeder | Ersatzteile für GOF 1700 E | 3604619502
Hersteller: BOSCH
Artikelnummer: EB-0601611761-3604619502
Netto: 4,53 € zzgl. MwSt.
zzgl. 6,90 € Versand (brutto)
einmalig pro Bestellung

Lieferzeit: 5 Werktage

Pos.
58
BOSCH Sechskantmutter DIN 439-BM10-04 | Ersatzteile für GOF 1700 E | 2915055108
Hersteller: BOSCH
Artikelnummer: EB-0601611761-2915055108
nur Informationsartikel
Nie mehr lieferbar
keine Alternativen
Pos.
59
BOSCH Federscheibe | Ersatzteile für GOF 1700 E | 3916060500
Hersteller: BOSCH
Artikelnummer: EB-0601611761-3916060500
Netto: 3,63 € zzgl. MwSt.
zzgl. 6,90 € Versand (brutto)
einmalig pro Bestellung

Lieferzeit: 5 Werktage

Pos.
61
BOSCH Firmenschild | Ersatzteile für GOF 1700 E | 3601119656
Hersteller: BOSCH
Artikelnummer: EB-0601611761-3601119656
nur Informationsartikel
Nie mehr lieferbar
keine Alternativen
Pos.
62
BOSCH Überwurfmutter SW27 | Ersatzteile für GOF 1700 E | 3603313507
Hersteller: BOSCH
Artikelnummer: EB-0601611761-3603313507
nur Informationsartikel
Nie mehr lieferbar
keine Alternativen
Pos.
63
BOSCH Schutzschild | Ersatzteile für GOF 1700 E | 3605510526
Hersteller: BOSCH
Artikelnummer: EB-0601611761-3605510526
nur Informationsartikel
Nie mehr lieferbar
keine Alternativen
Pos.
65
BOSCH Senkblechschraube DIN 7982-ST4,8x18-F-H | Ersatzteile für GOF 1700 E | 2910601433
Hersteller: BOSCH
Artikelnummer: EB-0601611761-2910601433
nur Informationsartikel
Nie mehr lieferbar
keine Alternativen
Pos.
67
BOSCH Scheibe | Ersatzteile für GOF 1700 E | 3604542501
Hersteller: BOSCH
Artikelnummer: EB-0601611761-3604542501
nur Informationsartikel
Nie mehr lieferbar
keine Alternativen
Pos.
69
BOSCH Flachkopfschraube DIN 85-M4x10-4.8 | Ersatzteile für GOF 1700 E | 2910091120
Hersteller: BOSCH
Artikelnummer: EB-0601611761-2910091120
Netto: 3,63 € zzgl. MwSt.
zzgl. 6,90 € Versand (brutto)
einmalig pro Bestellung

Lieferzeit: 5 Werktage

Pos.
69
BOSCH Flachkopfschraube LINKSGEWINDE | Ersatzteile für GOF 1700 E | 3603430503
Hersteller: BOSCH
Artikelnummer: EB-0601611761-3603430503
nur Informationsartikel
Nie mehr lieferbar
keine Alternativen
Pos.
72
BOSCH Sicherungsring | Ersatzteile für GOF 1700 E | 3608040506
Hersteller: BOSCH
Artikelnummer: EB-0601611761-3608040506
nur Informationsartikel
Nie mehr lieferbar
keine Alternativen
Pos.
73
BOSCH Isolierrohr | Ersatzteile für GOF 1700 E | 3601007502
Hersteller: BOSCH
Artikelnummer: EB-0601611761-3601007502
nur Informationsartikel
Nie mehr lieferbar
keine Alternativen
Pos.
74
BOSCH Luftleitring | Ersatzteile für GOF 1700 E | 3600590504
Hersteller: BOSCH
Artikelnummer: EB-0601611761-3600590504
nur Informationsartikel
Nie mehr lieferbar
keine Alternativen
Pos.
75
BOSCH Sicherungsblech | Ersatzteile für GOF 1700 E | 1601030022
Hersteller: BOSCH
Artikelnummer: EB-0601611761-1601030022
Netto: 3,94 € zzgl. MwSt.
zzgl. 6,90 € Versand (brutto)
einmalig pro Bestellung

Lieferzeit: 5 Werktage

Pos.
80
BOSCH Gewindefurchschraube DIN 7500-CM 4x8-ST | Ersatzteile für GOF 1700 E | 2914411045
Hersteller: BOSCH
Artikelnummer: EB-0601611761-2914411045
nur Informationsartikel
Nie mehr lieferbar
keine Alternativen
Pos.
650
BOSCH Parallelanschlag | Ersatzteile für GOF 1700 E | 3607000620
Hersteller: BOSCH
Artikelnummer: EB-0601611761-3607000620
nur Informationsartikel
Nie mehr lieferbar
keine Alternativen
Pos.
654
BOSCH Werkzeugführung Ø 30 MM | Ersatzteile für GOF 1700 E | 3605703528
Hersteller: BOSCH
Artikelnummer: EB-0601611761-3605703528
nur Informationsartikel
Nie mehr lieferbar
keine Alternativen
Pos.
656
BOSCH Spannzange Ø 1/2" | Ersatzteile für GOF 1700 E | 3600499520
Hersteller: BOSCH
Artikelnummer: EB-0601611761-3600499520
nur Informationsartikel
Nie mehr lieferbar
keine Alternativen
Pos.
657
BOSCH Einmaulschlüssel | Ersatzteile für GOF 1700 E | 2607950504
Hersteller: BOSCH
Artikelnummer: EB-0601611761-2607950504
Netto: 4,32 € zzgl. MwSt.
zzgl. 6,90 € Versand (brutto)
einmalig pro Bestellung

Lieferzeit: 5 Werktage

Pos.
658
BOSCH Einmaulschlüssel DIN 894 SW27 | Ersatzteile für GOF 1700 E | 1907950514
Hersteller: BOSCH
Artikelnummer: EB-0601611761-1907950514
nur Informationsartikel
Nie mehr lieferbar
keine Alternativen
Pos.
700
BOSCH Werkzeugführung Ø 27 MM | Ersatzteile für GOF 1700 E | 3605703527
Hersteller: BOSCH
Artikelnummer: EB-0601611761-3605703527
nur Informationsartikel
Nie mehr lieferbar
keine Alternativen
Pos.
700
BOSCH Werkzeugführung Ø 40 MM | Ersatzteile für GOF 1700 E | 3605703529
Hersteller: BOSCH
Artikelnummer: EB-0601611761-3605703529
nur Informationsartikel
Nie mehr lieferbar
keine Alternativen
Pos.
800
BOSCH Kohlebürstensatz | Ersatzteile für GOF 1700 E | 1607014103
Hersteller: BOSCH
Artikelnummer: EB-0601611761-1607014103
nur Informationsartikel
Nie mehr lieferbar
keine Alternativen
Pos.
809
BOSCH Zylinderschraube M3x6,5-4.8 | Ersatzteile für GOF 1700 E | 2603410001
Hersteller: BOSCH
Artikelnummer: EB-0601611761-2603410001
Netto: 3,94 € zzgl. MwSt.
zzgl. 6,90 € Versand (brutto)
einmalig pro Bestellung

Lieferzeit: 5 Werktage

Pos.
810
BOSCH Typschild | Ersatzteile für GOF 1700 E | 3601119595
Hersteller: BOSCH
Artikelnummer: EB-0601611761-3601119595
Netto: 5,19 € zzgl. MwSt.
zzgl. 6,90 € Versand (brutto)
einmalig pro Bestellung

Lieferzeit: 5 Werktage

Pos.
814
BOSCH Zylinderschraube | Ersatzteile für GOF 1700 E | 3603415553
Hersteller: BOSCH
Artikelnummer: EB-0601611761-3603415553
Netto: 4,53 € zzgl. MwSt.
zzgl. 6,90 € Versand (brutto)
einmalig pro Bestellung

Lieferzeit: 5 Werktage

Pos.
816
BOSCH Tiefenanschlag | Ersatzteile für GOF 1700 E | 3603029500
Hersteller: BOSCH
Artikelnummer: EB-0601611761-3603029500
nur Informationsartikel
Nie mehr lieferbar
keine Alternativen
Pos.
823
BOSCH Regler | Ersatzteile für GOF 1700 E | 3607000546
Hersteller: BOSCH
Artikelnummer: EB-0601611761-3607000546
nur Informationsartikel
Nie mehr lieferbar
keine Alternativen
Pos.
824
BOSCH Vakuumadapter | Ersatzteile für GOF 1700 E | 3608939626
Hersteller: BOSCH
Artikelnummer: EB-0601611761-3608939626
nur Informationsartikel
Nie mehr lieferbar
keine Alternativen
Pos.
825
BOSCH Vakuumadapter | Ersatzteile für GOF 1700 E | 3608939611
Hersteller: BOSCH
Artikelnummer: EB-0601611761-3608939611
nur Informationsartikel
Nie mehr lieferbar
keine Alternativen
Pos.
826
BOSCH Bürstendeckel | Ersatzteile für GOF 1700 E | 3607929500
Hersteller: BOSCH
Artikelnummer: EB-0601611761-3607929500
nur Informationsartikel
Nie mehr lieferbar
keine Alternativen
Pos.
827
BOSCH Senkschraube DIN 963-M5x25-4.8 | Ersatzteile für GOF 1700 E | 2910761164
Hersteller: BOSCH
Artikelnummer: EB-0601611761-2910761164
nur Informationsartikel
Nie mehr lieferbar
keine Alternativen
Pos.
830
BOSCH Anker 220-230V LINKSGEWINDE | Ersatzteile für GOF 1700 E | 3604011596
Hersteller: BOSCH
Artikelnummer: EB-0601611761-3604011596
nur Informationsartikel
Nie mehr lieferbar
keine Alternativen
Pos.
888
BOSCH Typschild | Ersatzteile für GOF 1700 E | 160111A3H3
Hersteller: BOSCH
Artikelnummer: EB-0601611761-160111A3H3
Netto: 4,53 € zzgl. MwSt.
zzgl. 6,90 € Versand (brutto)
einmalig pro Bestellung

Lieferzeit: 5 Werktage

Angaben zur Produktsicherheit

Hersteller:
Robert Bosch Power Tools GmbH
Postfach 30 02 20
70442 Stuttgart

E-Mail:
kontakt@bosch.de