BOSCH Wellrohr | Ersatzteile für GOF13-25 | 1619PB5493

Artikelnummer: EB-3601FB7010-1619PB5493

Position: 59

Marke: BOSCH


Bitte Kompatibilität prüfen!

Bitte prüfen Sie unbedingt die 10-stellige Typennummer Ihrer Maschine / Ihres Gerätes. Das Ersatzteil ist nur kompatibel, wenn Sie die Typennummer Ihrer Maschine in der unten stehenden Produktbeschreibung finden.

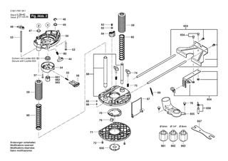
Bitte prüfen Sie ebenfalls detailliert die Explosionszeichnung mit Ihrem Artikelwunsch und der jeweiligen Pos-Nummer.

Alle Elemente, welche vom schwarzen Strich der Pos-Nummer ausgehend berührt / erfasst werden, gehören zu dieser Pos-Nummer und somit zu diesem Artikel. Jede Pos-Nummer ist ein eigenständiger Artikel, welchen Sie in der Auflistung finden.

Sie erhalten stets die aktuellste, neueste Produktversion zu der gewählten Pos-Nummer seitens des Herstellers. Es kann daher je nach Gerätealter vorkommen, dass Sie ggf. weitere, zugehörige Elemente, welche an diese Pos-Nummer grenzen, ebenfalls mittauschen müssen.

Nähere Informationen finden Sie unter dem Link
Hinweise zu Ihrer BOSCH Ersatzteilsuche

Preisübersicht

Einzelpreis: 3,63 €* (Brutto: 4,32 €)
Gesamtpreis: 3,63 €* 
Position:

Lieferzeit: 5 Werktage


Beschreibung

  • Wellrohr
  • Original Bosch Zubehör / BOSCH Ersatzteil (1619PB5493)
  • im Gerät verbaut: 1
Dieses BOSCH Ersatzteil ist mit folgendem Gerät und Modell kompatibel:
  • BOSCH Gerätename: GOF13-25
  • BOSCH Explosionszeichnung: Position 59
  • BOSCH Typennummer: 3601FB7010
  • BOSCH Typennummer alternative Schreibweisen: 3 601 FB7 010, 3601 FB7 010, 3.601.FB7.010, 3-601-FB7-010
    Bitte prüfen Sie diese Typennummer auf Ihrem Gerät um die Kompatibilität des BOSCH Ersatzteils zu gewährleisten.
Weitere BOSCH Ersatzteile des Gerätes GOF13-25 (Oberfräse) mit der Typennummer 3601FB7010 finden Sie in der nachfolgenden Darstellung und im Dropdown zu Ihrer Auswahl:

Pos.
1
BOSCH Motorgehäuse | Ersatzteile für GOF13-25 | 1619PB5155
Hersteller: BOSCH
Artikelnummer: EB-3601FB7010-1619PB5155
Netto: 24,13 € zzgl. MwSt.
zzgl. 6,90 € Versand (brutto)
einmalig pro Bestellung

Lieferzeit: 5 Werktage

Pos.
2
BOSCH Polschuhbaugruppe 127V, 60HZ | Ersatzteile für GOF13-25 | 1619PB5442
Hersteller: BOSCH
Artikelnummer: EB-3601FB7010-1619PB5442
Netto: 19,18 € zzgl. MwSt.
zzgl. 6,90 € Versand (brutto)
einmalig pro Bestellung

Lieferzeit: 5 Werktage

Pos.
3
BOSCH Anker 127V, 60HZ | Ersatzteile für GOF13-25 | 1619PB5444
Hersteller: BOSCH
Artikelnummer: EB-3601FB7010-1619PB5444
Netto: 29,45 € zzgl. MwSt.
zzgl. 6,90 € Versand (brutto)
einmalig pro Bestellung

Lieferzeit: 5 Werktage

Pos.
4
BOSCH Schalter | Ersatzteile für GOF13-25 | 1619PB5247
Hersteller: BOSCH
Artikelnummer: EB-3601FB7010-1619PB5247
Netto: 8,33 € zzgl. MwSt.
zzgl. 6,90 € Versand (brutto)
einmalig pro Bestellung

Lieferzeit: 5 Werktage

Pos.
5
BOSCH Netzanschlussleitung | Ersatzteile für GOF13-25 | 1619PS1116
Hersteller: BOSCH
Artikelnummer: EB-3601FB7010-1619PS1116
Netto: 9,18 € zzgl. MwSt.
zzgl. 6,90 € Versand (brutto)
einmalig pro Bestellung

Lieferzeit: 5 Werktage

Pos.
6
BOSCH Tülle | Ersatzteile für GOF13-25 | 1619PB5453
Hersteller: BOSCH
Artikelnummer: EB-3601FB7010-1619PB5453
Netto: 3,63 € zzgl. MwSt.
zzgl. 6,90 € Versand (brutto)
einmalig pro Bestellung

Lieferzeit: 5 Werktage

Pos.
7
BOSCH Geräteclip | Ersatzteile für GOF13-25 | 1619PB5541
Hersteller: BOSCH
Artikelnummer: EB-3601FB7010-1619PB5541
Netto: 3,63 € zzgl. MwSt.
zzgl. 6,90 € Versand (brutto)
einmalig pro Bestellung

Lieferzeit: 5 Werktage

Pos.
9
BOSCH Firmenschild | Ersatzteile für GOF13-25 | 1619PS1118
Hersteller: BOSCH
Artikelnummer: EB-3601FB7010-1619PS1118
Netto: 4,53 € zzgl. MwSt.
zzgl. 6,90 € Versand (brutto)
einmalig pro Bestellung

Lieferzeit: 5 Werktage

Pos.
13
BOSCH Rillenkugellager 608-2Z | Ersatzteile für GOF13-25 | 1619PB5456
Hersteller: BOSCH
Artikelnummer: EB-3601FB7010-1619PB5456
Netto: 4,82 € zzgl. MwSt.
zzgl. 6,90 € Versand (brutto)
einmalig pro Bestellung

Lieferzeit: 5 Werktage

Pos.
14
BOSCH Rillenkugellager 6002-2RS | Ersatzteile für GOF13-25 | 1619PB5457
Hersteller: BOSCH
Artikelnummer: EB-3601FB7010-1619PB5457
Netto: 5,19 € zzgl. MwSt.
zzgl. 6,90 € Versand (brutto)
einmalig pro Bestellung

Lieferzeit: 5 Werktage

Pos.
19
BOSCH Schraube 3.5X16 | Ersatzteile für GOF13-25 | 1619PB5459
Hersteller: BOSCH
Artikelnummer: EB-3601FB7010-1619PB5459
Netto: 3,63 € zzgl. MwSt.
zzgl. 6,90 € Versand (brutto)
einmalig pro Bestellung

Lieferzeit: 5 Werktage

Pos.
23
BOSCH Abdeckung | Ersatzteile für GOF13-25 | 1619PB5154
Hersteller: BOSCH
Artikelnummer: EB-3601FB7010-1619PB5154
Netto: 6,70 € zzgl. MwSt.
zzgl. 6,90 € Versand (brutto)
einmalig pro Bestellung

Lieferzeit: 5 Werktage

Pos.
24
BOSCH Zugfeder | Ersatzteile für GOF13-25 | 1619PB5460
Hersteller: BOSCH
Artikelnummer: EB-3601FB7010-1619PB5460
Netto: 5,19 € zzgl. MwSt.
zzgl. 6,90 € Versand (brutto)
einmalig pro Bestellung

Lieferzeit: 5 Werktage

Pos.
25
BOSCH Isolierdeckel | Ersatzteile für GOF13-25 | 1619PB5461
Hersteller: BOSCH
Artikelnummer: EB-3601FB7010-1619PB5461
Netto: 3,63 € zzgl. MwSt.
zzgl. 6,90 € Versand (brutto)
einmalig pro Bestellung

Lieferzeit: 5 Werktage

Pos.
26
BOSCH Leiterplatte 127V 60HZ | Ersatzteile für GOF13-25 | 1619PB5180
Hersteller: BOSCH
Artikelnummer: EB-3601FB7010-1619PB5180
Netto: 19,18 € zzgl. MwSt.
zzgl. 6,90 € Versand (brutto)
einmalig pro Bestellung

Lieferzeit: 5 Werktage

Pos.
27
BOSCH Leiterplatte bestückt | Ersatzteile für GOF13-25 | 1619PB5462
Hersteller: BOSCH
Artikelnummer: EB-3601FB7010-1619PB5462
Netto: 7,76 € zzgl. MwSt.
zzgl. 6,90 € Versand (brutto)
einmalig pro Bestellung

Lieferzeit: 5 Werktage

Pos.
28
BOSCH Griffschale | Ersatzteile für GOF13-25 | 1619PB5156
Hersteller: BOSCH
Artikelnummer: EB-3601FB7010-1619PB5156
Netto: 7,30 € zzgl. MwSt.
zzgl. 6,90 € Versand (brutto)
einmalig pro Bestellung

Lieferzeit: 5 Werktage

Pos.
29
BOSCH Schraube M4X10 | Ersatzteile für GOF13-25 | 1619PB5463
Hersteller: BOSCH
Artikelnummer: EB-3601FB7010-1619PB5463
Netto: 3,63 € zzgl. MwSt.
zzgl. 6,90 € Versand (brutto)
einmalig pro Bestellung

Lieferzeit: 5 Werktage

Pos.
30
BOSCH Schraube | Ersatzteile für GOF13-25 | 1619PB5464
Hersteller: BOSCH
Artikelnummer: EB-3601FB7010-1619PB5464
Netto: 3,63 € zzgl. MwSt.
zzgl. 6,90 € Versand (brutto)
einmalig pro Bestellung

Lieferzeit: 5 Werktage

Pos.
31
BOSCH Griffschale | Ersatzteile für GOF13-25 | 1619PB5157
Hersteller: BOSCH
Artikelnummer: EB-3601FB7010-1619PB5157
Netto: 8,33 € zzgl. MwSt.
zzgl. 6,90 € Versand (brutto)
einmalig pro Bestellung

Lieferzeit: 5 Werktage

Pos.
32
BOSCH Einstellschraube | Ersatzteile für GOF13-25 | 1619PB5465
Hersteller: BOSCH
Artikelnummer: EB-3601FB7010-1619PB5465
Netto: 5,67 € zzgl. MwSt.
zzgl. 6,90 € Versand (brutto)
einmalig pro Bestellung

Lieferzeit: 5 Werktage

Pos.
33
BOSCH Drehfeder | Ersatzteile für GOF13-25 | 1619PB5466
Hersteller: BOSCH
Artikelnummer: EB-3601FB7010-1619PB5466
Netto: 3,63 € zzgl. MwSt.
zzgl. 6,90 € Versand (brutto)
einmalig pro Bestellung

Lieferzeit: 5 Werktage

Pos.
34
BOSCH Aufnahmebolzen | Ersatzteile für GOF13-25 | 1619PB5467
Hersteller: BOSCH
Artikelnummer: EB-3601FB7010-1619PB5467
Netto: 5,19 € zzgl. MwSt.
zzgl. 6,90 € Versand (brutto)
einmalig pro Bestellung

Lieferzeit: 5 Werktage

Pos.
35
BOSCH Verschlusshebel | Ersatzteile für GOF13-25 | 1619PB5468
Hersteller: BOSCH
Artikelnummer: EB-3601FB7010-1619PB5468
Netto: 3,94 € zzgl. MwSt.
zzgl. 6,90 € Versand (brutto)
einmalig pro Bestellung

Lieferzeit: 5 Werktage

Pos.
36
BOSCH Schraube | Ersatzteile für GOF13-25 | 1619PB5469
Hersteller: BOSCH
Artikelnummer: EB-3601FB7010-1619PB5469
Netto: 3,63 € zzgl. MwSt.
zzgl. 6,90 € Versand (brutto)
einmalig pro Bestellung

Lieferzeit: 5 Werktage

Pos.
37
BOSCH Schraube | Ersatzteile für GOF13-25 | 1619PB5470
Hersteller: BOSCH
Artikelnummer: EB-3601FB7010-1619PB5470
Netto: 3,63 € zzgl. MwSt.
zzgl. 6,90 € Versand (brutto)
einmalig pro Bestellung

Lieferzeit: 5 Werktage

Pos.
39
BOSCH Luftleitring | Ersatzteile für GOF13-25 | 1619PB5472
Hersteller: BOSCH
Artikelnummer: EB-3601FB7010-1619PB5472
Netto: 3,94 € zzgl. MwSt.
zzgl. 6,90 € Versand (brutto)
einmalig pro Bestellung

Lieferzeit: 5 Werktage

Pos.
40
BOSCH Lagerhülse | Ersatzteile für GOF13-25 | 1619PB5473
Hersteller: BOSCH
Artikelnummer: EB-3601FB7010-1619PB5473
Netto: 3,63 € zzgl. MwSt.
zzgl. 6,90 € Versand (brutto)
einmalig pro Bestellung

Lieferzeit: 5 Werktage

Pos.
41
BOSCH Schraube M4X10 | Ersatzteile für GOF13-25 | 1619PB5474
Hersteller: BOSCH
Artikelnummer: EB-3601FB7010-1619PB5474
Netto: 3,63 € zzgl. MwSt.
zzgl. 6,90 € Versand (brutto)
einmalig pro Bestellung

Lieferzeit: 5 Werktage

Pos.
42
BOSCH Pressplatte | Ersatzteile für GOF13-25 | 1619PB5475
Hersteller: BOSCH
Artikelnummer: EB-3601FB7010-1619PB5475
Netto: 3,63 € zzgl. MwSt.
zzgl. 6,90 € Versand (brutto)
einmalig pro Bestellung

Lieferzeit: 5 Werktage

Pos.
43
BOSCH Unterlegscheibe | Ersatzteile für GOF13-25 | 1619PB5476
Hersteller: BOSCH
Artikelnummer: EB-3601FB7010-1619PB5476
Netto: 3,63 € zzgl. MwSt.
zzgl. 6,90 € Versand (brutto)
einmalig pro Bestellung

Lieferzeit: 5 Werktage

Pos.
44
BOSCH Flügelschraube | Ersatzteile für GOF13-25 | 1619PB5477
Hersteller: BOSCH
Artikelnummer: EB-3601FB7010-1619PB5477
Netto: 3,94 € zzgl. MwSt.
zzgl. 6,90 € Versand (brutto)
einmalig pro Bestellung

Lieferzeit: 5 Werktage

Pos.
45
BOSCH Schraube 4.2X25 | Ersatzteile für GOF13-25 | 1619PB5478
Hersteller: BOSCH
Artikelnummer: EB-3601FB7010-1619PB5478
Netto: 3,63 € zzgl. MwSt.
zzgl. 6,90 € Versand (brutto)
einmalig pro Bestellung

Lieferzeit: 5 Werktage

Pos.
46
BOSCH Anzeigegerät | Ersatzteile für GOF13-25 | 1619PB5158
Hersteller: BOSCH
Artikelnummer: EB-3601FB7010-1619PB5158
Netto: 3,63 € zzgl. MwSt.
zzgl. 6,90 € Versand (brutto)
einmalig pro Bestellung

Lieferzeit: 5 Werktage

Pos.
47
BOSCH Dichtring | Ersatzteile für GOF13-25 | 1619PB5479
Hersteller: BOSCH
Artikelnummer: EB-3601FB7010-1619PB5479
Netto: 3,63 € zzgl. MwSt.
zzgl. 6,90 € Versand (brutto)
einmalig pro Bestellung

Lieferzeit: 5 Werktage

Pos.
48
BOSCH Haltering | Ersatzteile für GOF13-25 | 1619PB5480
Hersteller: BOSCH
Artikelnummer: EB-3601FB7010-1619PB5480
Netto: 3,63 € zzgl. MwSt.
zzgl. 6,90 € Versand (brutto)
einmalig pro Bestellung

Lieferzeit: 5 Werktage

Pos.
49
BOSCH Unterlegscheibe | Ersatzteile für GOF13-25 | 1619PB5481
Hersteller: BOSCH
Artikelnummer: EB-3601FB7010-1619PB5481
Netto: 3,63 € zzgl. MwSt.
zzgl. 6,90 € Versand (brutto)
einmalig pro Bestellung

Lieferzeit: 5 Werktage

Pos.
50
BOSCH Führungsbügel | Ersatzteile für GOF13-25 | 1619PB5482
Hersteller: BOSCH
Artikelnummer: EB-3601FB7010-1619PB5482
Netto: 12,98 € zzgl. MwSt.
zzgl. 6,90 € Versand (brutto)
einmalig pro Bestellung

Lieferzeit: 5 Werktage

Pos.
51
BOSCH Spezialmutter | Ersatzteile für GOF13-25 | 1619PB5483
Hersteller: BOSCH
Artikelnummer: EB-3601FB7010-1619PB5483
Netto: 4,32 € zzgl. MwSt.
zzgl. 6,90 € Versand (brutto)
einmalig pro Bestellung

Lieferzeit: 5 Werktage

Pos.
52
BOSCH Schraube M Drehsicherung M5X40 | Ersatzteile für GOF13-25 | 1619PB5484
Hersteller: BOSCH
Artikelnummer: EB-3601FB7010-1619PB5484
Netto: 3,63 € zzgl. MwSt.
zzgl. 6,90 € Versand (brutto)
einmalig pro Bestellung

Lieferzeit: 5 Werktage

Pos.
53
BOSCH Abstellhebel | Ersatzteile für GOF13-25 | 1619PB5485
Hersteller: BOSCH
Artikelnummer: EB-3601FB7010-1619PB5485
Netto: 3,63 € zzgl. MwSt.
zzgl. 6,90 € Versand (brutto)
einmalig pro Bestellung

Lieferzeit: 5 Werktage

Pos.
54
BOSCH Abdeckung | Ersatzteile für GOF13-25 | 1619PB5486
Hersteller: BOSCH
Artikelnummer: EB-3601FB7010-1619PB5486
Netto: 5,67 € zzgl. MwSt.
zzgl. 6,90 € Versand (brutto)
einmalig pro Bestellung

Lieferzeit: 5 Werktage

Pos.
56
BOSCH Anschlagklotz | Ersatzteile für GOF13-25 | 1619PB5488
Hersteller: BOSCH
Artikelnummer: EB-3601FB7010-1619PB5488
Netto: 4,32 € zzgl. MwSt.
zzgl. 6,90 € Versand (brutto)
einmalig pro Bestellung

Lieferzeit: 5 Werktage

Pos.
57
BOSCH Schraube M4X18 | Ersatzteile für GOF13-25 | 1619PB5489
Hersteller: BOSCH
Artikelnummer: EB-3601FB7010-1619PB5489
Netto: 3,63 € zzgl. MwSt.
zzgl. 6,90 € Versand (brutto)
einmalig pro Bestellung

Lieferzeit: 5 Werktage

Pos.
59
BOSCH Wellrohr | Ersatzteile für GOF13-25 | 1619PB5493
Hersteller: BOSCH
Artikelnummer: EB-3601FB7010-1619PB5493
Netto: 3,63 € zzgl. MwSt.
zzgl. 6,90 € Versand (brutto)
einmalig pro Bestellung

Lieferzeit: 5 Werktage

Pos.
60
BOSCH Spiralfeder | Ersatzteile für GOF13-25 | 1619PB5494
Hersteller: BOSCH
Artikelnummer: EB-3601FB7010-1619PB5494
Netto: 3,63 € zzgl. MwSt.
zzgl. 6,90 € Versand (brutto)
einmalig pro Bestellung

Lieferzeit: 5 Werktage

Pos.
62
BOSCH Schraube M4X5 | Ersatzteile für GOF13-25 | 1619PB5496
Hersteller: BOSCH
Artikelnummer: EB-3601FB7010-1619PB5496
Netto: 3,63 € zzgl. MwSt.
zzgl. 6,90 € Versand (brutto)
einmalig pro Bestellung

Lieferzeit: 5 Werktage

Pos.
63
BOSCH Federring | Ersatzteile für GOF13-25 | 1619PB5497
Hersteller: BOSCH
Artikelnummer: EB-3601FB7010-1619PB5497
Netto: 3,63 € zzgl. MwSt.
zzgl. 6,90 € Versand (brutto)
einmalig pro Bestellung

Lieferzeit: 5 Werktage

Pos.
64
BOSCH Endmaß | Ersatzteile für GOF13-25 | 1619PB5152
Hersteller: BOSCH
Artikelnummer: EB-3601FB7010-1619PB5152
Netto: 4,82 € zzgl. MwSt.
zzgl. 6,90 € Versand (brutto)
einmalig pro Bestellung

Lieferzeit: 5 Werktage

Pos.
65
BOSCH Kapsel | Ersatzteile für GOF13-25 | 1619PB5498
Hersteller: BOSCH
Artikelnummer: EB-3601FB7010-1619PB5498
Netto: 3,63 € zzgl. MwSt.
zzgl. 6,90 € Versand (brutto)
einmalig pro Bestellung

Lieferzeit: 5 Werktage

Pos.
BOSCH Spiralfeder | Ersatzteile für GOF13-25 | 1619PB5499
Hersteller: BOSCH
Artikelnummer:
Netto: 3,63 € zzgl. MwSt.
zzgl. 6,90 € Versand (brutto)
einmalig pro Bestellung

Lieferzeit: 5 Werktage

Pos.
67
BOSCH Spanabweiser | Ersatzteile für GOF13-25 | 1619PB5500
Hersteller: BOSCH
Artikelnummer: EB-3601FB7010-1619PB5500
Netto: 3,94 € zzgl. MwSt.
zzgl. 6,90 € Versand (brutto)
einmalig pro Bestellung

Lieferzeit: 5 Werktage

Pos.
68
BOSCH Sockel | Ersatzteile für GOF13-25 | 1619PB5151
Hersteller: BOSCH
Artikelnummer: EB-3601FB7010-1619PB5151
Netto: 17,38 € zzgl. MwSt.
zzgl. 6,90 € Versand (brutto)
einmalig pro Bestellung

Lieferzeit: 5 Werktage

Pos.
69
BOSCH Spiralfeder | Ersatzteile für GOF13-25 | 1619PB5501
Hersteller: BOSCH
Artikelnummer: EB-3601FB7010-1619PB5501
Netto: 3,63 € zzgl. MwSt.
zzgl. 6,90 € Versand (brutto)
einmalig pro Bestellung

Lieferzeit: 5 Werktage

Pos.
70
BOSCH Halteblech | Ersatzteile für GOF13-25 | 1619PB5502
Hersteller: BOSCH
Artikelnummer: EB-3601FB7010-1619PB5502
Netto: 4,82 € zzgl. MwSt.
zzgl. 6,90 € Versand (brutto)
einmalig pro Bestellung

Lieferzeit: 5 Werktage

Pos.
71
BOSCH Grundplatte | Ersatzteile für GOF13-25 | 1619PB5503
Hersteller: BOSCH
Artikelnummer: EB-3601FB7010-1619PB5503
Netto: 7,30 € zzgl. MwSt.
zzgl. 6,90 € Versand (brutto)
einmalig pro Bestellung

Lieferzeit: 5 Werktage

Pos.
72
BOSCH Schraube | Ersatzteile für GOF13-25 | 1619PB5504
Hersteller: BOSCH
Artikelnummer: EB-3601FB7010-1619PB5504
Netto: 3,63 € zzgl. MwSt.
zzgl. 6,90 € Versand (brutto)
einmalig pro Bestellung

Lieferzeit: 5 Werktage

Pos.
74
BOSCH Flügelschraube | Ersatzteile für GOF13-25 | 1619PB5506
Hersteller: BOSCH
Artikelnummer: EB-3601FB7010-1619PB5506
Netto: 3,94 € zzgl. MwSt.
zzgl. 6,90 € Versand (brutto)
einmalig pro Bestellung

Lieferzeit: 5 Werktage

Pos.
75
BOSCH Spiralfeder | Ersatzteile für GOF13-25 | 1619PB5507
Hersteller: BOSCH
Artikelnummer: EB-3601FB7010-1619PB5507
Netto: 3,63 € zzgl. MwSt.
zzgl. 6,90 € Versand (brutto)
einmalig pro Bestellung

Lieferzeit: 5 Werktage

Pos.
76
BOSCH Klotz | Ersatzteile für GOF13-25 | 1619PB5508
Hersteller: BOSCH
Artikelnummer: EB-3601FB7010-1619PB5508
Netto: 3,63 € zzgl. MwSt.
zzgl. 6,90 € Versand (brutto)
einmalig pro Bestellung

Lieferzeit: 5 Werktage

Pos.
77
BOSCH Reihenklemme | Ersatzteile für GOF13-25 | 1619PB5509
Hersteller: BOSCH
Artikelnummer: EB-3601FB7010-1619PB5509
Netto: 3,94 € zzgl. MwSt.
zzgl. 6,90 € Versand (brutto)
einmalig pro Bestellung

Lieferzeit: 5 Werktage

Pos.
78
BOSCH Schraube M4X8 | Ersatzteile für GOF13-25 | 1619PB5510
Hersteller: BOSCH
Artikelnummer: EB-3601FB7010-1619PB5510
Netto: 3,94 € zzgl. MwSt.
zzgl. 6,90 € Versand (brutto)
einmalig pro Bestellung

Lieferzeit: 5 Werktage

Pos.
79
BOSCH Etikett | Ersatzteile für GOF13-25 | 1619PB5415
Hersteller: BOSCH
Artikelnummer: EB-3601FB7010-1619PB5415
Netto: 4,53 € zzgl. MwSt.
zzgl. 6,90 € Versand (brutto)
einmalig pro Bestellung

Lieferzeit: 5 Werktage

Pos.
80
BOSCH Spiralfeder | Ersatzteile für GOF13-25 | 1619PB7042
Hersteller: BOSCH
Artikelnummer: EB-3601FB7010-1619PB7042
Netto: 3,63 € zzgl. MwSt.
zzgl. 6,90 € Versand (brutto)
einmalig pro Bestellung

Lieferzeit: 5 Werktage

Pos.
653
BOSCH Parallelanschlag | Ersatzteile für GOF13-25 | 1619PB5511
Hersteller: BOSCH
Artikelnummer: EB-3601FB7010-1619PB5511
Netto: 9,18 € zzgl. MwSt.
zzgl. 6,90 € Versand (brutto)
einmalig pro Bestellung

Lieferzeit: 5 Werktage

Pos.
654
BOSCH Führungsleiste | Ersatzteile für GOF13-25 | 1619PB5515
Hersteller: BOSCH
Artikelnummer: EB-3601FB7010-1619PB5515
Netto: 6,15 € zzgl. MwSt.
zzgl. 6,90 € Versand (brutto)
einmalig pro Bestellung

Lieferzeit: 5 Werktage

Pos.
655
BOSCH Absaugteil | Ersatzteile für GOF13-25 | 1619PB5521
Hersteller: BOSCH
Artikelnummer: EB-3601FB7010-1619PB5521
Netto: 4,53 € zzgl. MwSt.
zzgl. 6,90 € Versand (brutto)
einmalig pro Bestellung

Lieferzeit: 5 Werktage

Pos.
656
BOSCH Führungsleiste | Ersatzteile für GOF13-25 | 1619PB5522
Hersteller: BOSCH
Artikelnummer: EB-3601FB7010-1619PB5522
Netto: 4,82 € zzgl. MwSt.
zzgl. 6,90 € Versand (brutto)
einmalig pro Bestellung

Lieferzeit: 5 Werktage

Pos.
657
BOSCH Montierschlüssel | Ersatzteile für GOF13-25 | 1600A0228G
Hersteller: BOSCH
Artikelnummer: EB-3601FB7010-1600A0228G
Netto: 4,82 € zzgl. MwSt.
zzgl. 6,90 € Versand (brutto)
einmalig pro Bestellung

Lieferzeit: 5 Werktage

Pos.
658
BOSCH Mittelzapfen | Ersatzteile für GOF13-25 | 1619PB5523
Hersteller: BOSCH
Artikelnummer: EB-3601FB7010-1619PB5523
Netto: 4,32 € zzgl. MwSt.
zzgl. 6,90 € Versand (brutto)
einmalig pro Bestellung

Lieferzeit: 5 Werktage

Pos.
661
BOSCH Überwurfmutter Ø 6MM | Ersatzteile für GOF13-25 | 1619PB5492
Hersteller: BOSCH
Artikelnummer: EB-3601FB7010-1619PB5492
Netto: 8,33 € zzgl. MwSt.
zzgl. 6,90 € Versand (brutto)
einmalig pro Bestellung

Lieferzeit: 5 Werktage

Pos.
662
BOSCH Überwurfmutter Ø ¼ INCH | Ersatzteile für GOF13-25 | 1619PB5491
Hersteller: BOSCH
Artikelnummer: EB-3601FB7010-1619PB5491
Netto: 8,33 € zzgl. MwSt.
zzgl. 6,90 € Versand (brutto)
einmalig pro Bestellung

Lieferzeit: 5 Werktage

Pos.
663
BOSCH Überwurfmutter Ø 8MM | Ersatzteile für GOF13-25 | 1619PB5490
Hersteller: BOSCH
Artikelnummer: EB-3601FB7010-1619PB5490
Netto: 8,33 € zzgl. MwSt.
zzgl. 6,90 € Versand (brutto)
einmalig pro Bestellung

Lieferzeit: 5 Werktage

Pos.
808
BOSCH Einklebeblatt | Ersatzteile für GOF13-25 | 1619PS1117
Hersteller: BOSCH
Artikelnummer: EB-3601FB7010-1619PS1117
Netto: 4,53 € zzgl. MwSt.
zzgl. 6,90 € Versand (brutto)
einmalig pro Bestellung

Lieferzeit: 5 Werktage

Pos.
810
BOSCH Kohlebürstensatz | Ersatzteile für GOF13-25 | 1619PB5542
Hersteller: BOSCH
Artikelnummer: EB-3601FB7010-1619PB5542
Netto: 7,76 € zzgl. MwSt.
zzgl. 6,90 € Versand (brutto)
einmalig pro Bestellung

Lieferzeit: 5 Werktage

Pos.
816
BOSCH Bürstenhalter | Ersatzteile für GOF13-25 | 1619PB7115
Hersteller: BOSCH
Artikelnummer: EB-3601FB7010-1619PB7115
Netto: 7,30 € zzgl. MwSt.
zzgl. 6,90 € Versand (brutto)
einmalig pro Bestellung

Lieferzeit: 5 Werktage

Angaben zur Produktsicherheit

Hersteller:
Robert Bosch Power Tools GmbH
Postfach 30 02 20
70442 Stuttgart

E-Mail:
kontakt@bosch.de