BOSCH Tülle Ø8,3-Ø9,4x95 MM | Ersatzteile für GOP 55-36 | 2600703011

Artikelnummer: EB-3601B31150-2600703011

Position: 6

Marke: BOSCH


Bitte Kompatibilität prüfen!

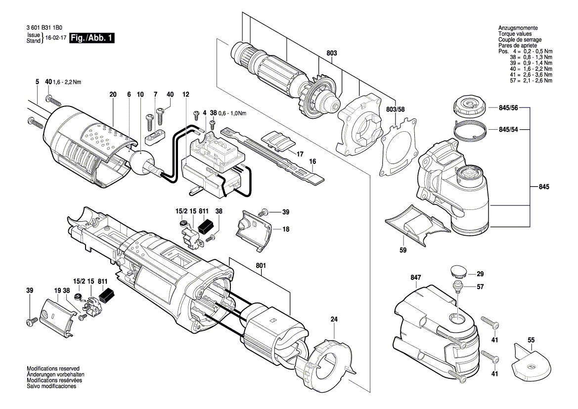
Bitte prüfen Sie unbedingt die 10-stellige Typennummer Ihrer Maschine / Ihres Gerätes. Das Ersatzteil ist nur kompatibel, wenn Sie die Typennummer Ihrer Maschine in der unten stehenden Produktbeschreibung finden.

Bitte prüfen Sie ebenfalls detailliert die Explosionszeichnung mit Ihrem Artikelwunsch und der jeweiligen Pos-Nummer.

Alle Elemente, welche vom schwarzen Strich der Pos-Nummer ausgehend berührt / erfasst werden, gehören zu dieser Pos-Nummer und somit zu diesem Artikel. Jede Pos-Nummer ist ein eigenständiger Artikel, welchen Sie in der Auflistung finden.

Sie erhalten stets die aktuellste, neueste Produktversion zu der gewählten Pos-Nummer seitens des Herstellers. Es kann daher je nach Gerätealter vorkommen, dass Sie ggf. weitere, zugehörige Elemente, welche an diese Pos-Nummer grenzen, ebenfalls mittauschen müssen.

Nähere Informationen finden Sie unter dem Link
Hinweise zu Ihrer BOSCH Ersatzteilsuche

Preisübersicht

Einzelpreis: 4,82 €* (Brutto: 5,74 €)
Gesamtpreis: 4,82 €* 
Position:

Lieferzeit: 5 Werktage


Beschreibung

  • Tülle Ø8,3-Ø9,4x95 MM
  • Original Bosch Zubehör / BOSCH Ersatzteil (2600703011)
  • im Gerät verbaut: 1
Dieses BOSCH Ersatzteil ist mit folgendem Gerät und Modell kompatibel:
  • BOSCH Gerätename: GOP 55-36
  • BOSCH Explosionszeichnung: Position 6
  • BOSCH Typennummer: 3601B31150
  • BOSCH Typennummer alternative Schreibweisen: 3 601 B31 150, 3601 B31 150, 3.601.B31.150, 3-601-B31-150
    Bitte prüfen Sie diese Typennummer auf Ihrem Gerät um die Kompatibilität des BOSCH Ersatzteils zu gewährleisten.
Weitere BOSCH Ersatzteile des Gerätes GOP 55-36 (Multifunktionswerkzeug) mit der Typennummer 3601B31150 finden Sie in der nachfolgenden Darstellung und im Dropdown zu Ihrer Auswahl:

Pos.
15/2
BOSCH Spiralfeder | Ersatzteile für GOP 55-36 | 1619P02809
Hersteller: BOSCH
Artikelnummer: EB-3601B31150-1619P02809
Netto: 3,63 € zzgl. MwSt.
zzgl. 6,90 € Versand (brutto)
einmalig pro Bestellung

Lieferzeit: 5 Werktage

Pos.
803/58
BOSCH Flachdichtung | Ersatzteile für GOP 55-36 | 2600206032
Hersteller: BOSCH
Artikelnummer: EB-3601B31150-2600206032
nur Informationsartikel
Nie mehr lieferbar
keine Alternativen
Pos.
845/54
BOSCH Drehfeder | Ersatzteile für GOP 55-36 | 2604690068
Hersteller: BOSCH
Artikelnummer: EB-3601B31150-2604690068
nur Informationsartikel
Nie mehr lieferbar
keine Alternativen
Pos.
845/56
BOSCH Isolierkappe | Ersatzteile für GOP 55-36 | 2600114091
Hersteller: BOSCH
Artikelnummer: EB-3601B31150-2600114091
nur Informationsartikel
Nie mehr lieferbar
keine Alternativen
Pos.
4
BOSCH Elektronikmodul | Ersatzteile für GOP 55-36 | 2609125028
Hersteller: BOSCH
Artikelnummer: EB-3601B31150-2609125028
Netto: 15,75 € zzgl. MwSt.
zzgl. 6,90 € Versand (brutto)
einmalig pro Bestellung

Lieferzeit: 5 Werktage

Pos.
5
BOSCH Netzanschlussleitung J 2,5m 2 x 0,75mm VCT F | Ersatzteile für GOP 55-36 | 2609120361
Hersteller: BOSCH
Artikelnummer: EB-3601B31150-2609120361
nur Informationsartikel
Nie mehr lieferbar
keine Alternativen
Pos.
6
BOSCH Tülle Ø8,3-Ø9,4x95 MM | Ersatzteile für GOP 55-36 | 2600703011
Hersteller: BOSCH
Artikelnummer: EB-3601B31150-2600703011
Netto: 4,82 € zzgl. MwSt.
zzgl. 6,90 € Versand (brutto)
einmalig pro Bestellung

Lieferzeit: 5 Werktage

Pos.
7
BOSCH Leitungshalter | Ersatzteile für GOP 55-36 | 1611035005
Hersteller: BOSCH
Artikelnummer: EB-3601B31150-1611035005
nur Informationsartikel
Nie mehr lieferbar
keine Alternativen
Pos.
10
BOSCH Kugelgelenk | Ersatzteile für GOP 55-36 | 2609100929
Hersteller: BOSCH
Artikelnummer: EB-3601B31150-2609100929
Netto: 3,94 € zzgl. MwSt.
zzgl. 6,90 € Versand (brutto)
einmalig pro Bestellung

Lieferzeit: 5 Werktage

Pos.
12
BOSCH Drehzahlregler | Ersatzteile für GOP 55-36 | 16072335BN
Hersteller: BOSCH
Artikelnummer: EB-3601B31150-16072335BN
Netto: 63,99 € zzgl. MwSt.
zzgl. 6,90 € Versand (brutto)
einmalig pro Bestellung

Lieferzeit: 5 Werktage

Pos.
15
BOSCH Bürstenhalter | Ersatzteile für GOP 55-36 | 2604337120
Hersteller: BOSCH
Artikelnummer: EB-3601B31150-2604337120
Netto: 5,19 € zzgl. MwSt.
zzgl. 6,90 € Versand (brutto)
einmalig pro Bestellung

Lieferzeit: 5 Werktage

Pos.
16
BOSCH Schaltschieber | Ersatzteile für GOP 55-36 | 2609100914
Hersteller: BOSCH
Artikelnummer: EB-3601B31150-2609100914
Netto: 3,63 € zzgl. MwSt.
zzgl. 6,90 € Versand (brutto)
einmalig pro Bestellung

Lieferzeit: 5 Werktage

Pos.
17
BOSCH Schalterknopf | Ersatzteile für GOP 55-36 | 2609100915
Hersteller: BOSCH
Artikelnummer: EB-3601B31150-2609100915
Netto: 4,82 € zzgl. MwSt.
zzgl. 6,90 € Versand (brutto)
einmalig pro Bestellung

Lieferzeit: 5 Werktage

Pos.
18
BOSCH Bürstendeckel | Ersatzteile für GOP 55-36 | 2605132079
Hersteller: BOSCH
Artikelnummer: EB-3601B31150-2605132079
nur Informationsartikel
Nie mehr lieferbar
keine Alternativen
Pos.
19
BOSCH Bürstendeckel | Ersatzteile für GOP 55-36 | 2605132080
Hersteller: BOSCH
Artikelnummer: EB-3601B31150-2605132080
nur Informationsartikel
Nie mehr lieferbar
keine Alternativen
Pos.
20
BOSCH Deckelgehäuse | Ersatzteile für GOP 55-36 | 2609100909
Hersteller: BOSCH
Artikelnummer: EB-3601B31150-2609100909
Netto: 10,92 € zzgl. MwSt.
zzgl. 6,90 € Versand (brutto)
einmalig pro Bestellung

Lieferzeit: 5 Werktage

Pos.
24
BOSCH Luftleitring | Ersatzteile für GOP 55-36 | 2601328101
Hersteller: BOSCH
Artikelnummer: EB-3601B31150-2601328101
nur Informationsartikel
Nie mehr lieferbar
keine Alternativen
Pos.
29
BOSCH Verschlussdeckel | Ersatzteile für GOP 55-36 | 2601020017
Hersteller: BOSCH
Artikelnummer: EB-3601B31150-2601020017
nur Informationsartikel
Nie mehr lieferbar
keine Alternativen
Pos.
38
BOSCH Torx-Linsenschraube 3x8 | Ersatzteile für GOP 55-36 | 2603490016
Hersteller: BOSCH
Artikelnummer: EB-3601B31150-2603490016
Netto: 3,94 € zzgl. MwSt.
zzgl. 6,90 € Versand (brutto)
einmalig pro Bestellung

Lieferzeit: 5 Werktage

Pos.
39
BOSCH Torx-Linsenschraube 4x8 | Ersatzteile für GOP 55-36 | 2603490020
Hersteller: BOSCH
Artikelnummer: EB-3601B31150-2603490020
Netto: 3,63 € zzgl. MwSt.
zzgl. 6,90 € Versand (brutto)
einmalig pro Bestellung

Lieferzeit: 5 Werktage

Pos.
40
BOSCH Schraube 4x16 | Ersatzteile für GOP 55-36 | 2603490022
Hersteller: BOSCH
Artikelnummer: EB-3601B31150-2603490022
Netto: 3,63 € zzgl. MwSt.
zzgl. 6,90 € Versand (brutto)
einmalig pro Bestellung

Lieferzeit: 5 Werktage

Pos.
41
BOSCH Torx-Linsenschraube | Ersatzteile für GOP 55-36 | 2603415225
Hersteller: BOSCH
Artikelnummer: EB-3601B31150-2603415225
nur Informationsartikel
Nie mehr lieferbar
keine Alternativen
Pos.
55
BOSCH Hebel | Ersatzteile für GOP 55-36 | 2601901025
Hersteller: BOSCH
Artikelnummer: EB-3601B31150-2601901025
nur Informationsartikel
Nie mehr lieferbar
keine Alternativen
Pos.
57
BOSCH Isolierring | Ersatzteile für GOP 55-36 | 2600114083
Hersteller: BOSCH
Artikelnummer: EB-3601B31150-2600114083
nur Informationsartikel
Nie mehr lieferbar
keine Alternativen
Pos.
59
BOSCH Schutzabdeckung | Ersatzteile für GOP 55-36 | 2601099300
Hersteller: BOSCH
Artikelnummer: EB-3601B31150-2601099300
nur Informationsartikel
Nie mehr lieferbar
keine Alternativen
Pos.
691
BOSCH Dose | Ersatzteile für GOP 55-36 | 16054381CV
Hersteller: BOSCH
Artikelnummer: EB-3601B31150-16054381CV
nur Informationsartikel
Nie mehr lieferbar
keine Alternativen
Pos.
801
BOSCH Gehäusebaugruppe | Ersatzteile für GOP 55-36 | 2605190934
Hersteller: BOSCH
Artikelnummer: EB-3601B31150-2605190934
Netto: 42,86 € zzgl. MwSt.
zzgl. 6,90 € Versand (brutto)
einmalig pro Bestellung

Lieferzeit: 5 Werktage

Pos.
803
BOSCH Anker | Ersatzteile für GOP 55-36 | 2604011963
Hersteller: BOSCH
Artikelnummer: EB-3601B31150-2604011963
Netto: 106,72 € zzgl. MwSt.
zzgl. 6,90 € Versand (brutto)
einmalig pro Bestellung

Lieferzeit: 5 Werktage

Pos.
811
BOSCH Kohlebürstensatz | Ersatzteile für GOP 55-36 | 160701417X
Hersteller: BOSCH
Artikelnummer: EB-3601B31150-160701417X
nur Informationsartikel
Nie mehr lieferbar
keine Alternativen
Pos.
845
BOSCH Getriebekopf | Ersatzteile für GOP 55-36 | 2605806851
Hersteller: BOSCH
Artikelnummer: EB-3601B31150-2605806851
nur Informationsartikel
Nie mehr lieferbar
keine Alternativen
Pos.
847
BOSCH Kappe | Ersatzteile für GOP 55-36 | 2605105972
Hersteller: BOSCH
Artikelnummer: EB-3601B31150-2605105972
nur Informationsartikel
Nie mehr lieferbar
keine Alternativen

Angaben zur Produktsicherheit

Hersteller:
Robert Bosch Power Tools GmbH
Postfach 30 02 20
70442 Stuttgart

E-Mail:
kontakt@bosch.de