BOSCH Bürstendeckel | Ersatzteile für GPO 950 | 1619PB1753

Artikelnummer: EB-3601CA20L0-1619PB1753

Position: 17

Marke: BOSCH


Bitte Kompatibilität prüfen!

Bitte prüfen Sie unbedingt die 10-stellige Typennummer Ihrer Maschine / Ihres Gerätes. Das Ersatzteil ist nur kompatibel, wenn Sie die Typennummer Ihrer Maschine in der unten stehenden Produktbeschreibung finden.

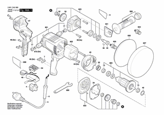
Bitte prüfen Sie ebenfalls detailliert die Explosionszeichnung mit Ihrem Artikelwunsch und der jeweiligen Pos-Nummer.

Alle Elemente, welche vom schwarzen Strich der Pos-Nummer ausgehend berührt / erfasst werden, gehören zu dieser Pos-Nummer und somit zu diesem Artikel. Jede Pos-Nummer ist ein eigenständiger Artikel, welchen Sie in der Auflistung finden.

Sie erhalten stets die aktuellste, neueste Produktversion zu der gewählten Pos-Nummer seitens des Herstellers. Es kann daher je nach Gerätealter vorkommen, dass Sie ggf. weitere, zugehörige Elemente, welche an diese Pos-Nummer grenzen, ebenfalls mittauschen müssen.

Nähere Informationen finden Sie unter dem Link
Hinweise zu Ihrer BOSCH Ersatzteilsuche

Preisübersicht

Einzelpreis: 3,63 €* (Brutto: 4,32 €)
Gesamtpreis: 3,63 €* 
Position:

Lieferzeit: 5 Werktage


Beschreibung

  • Bürstendeckel
  • Original Bosch Zubehör / BOSCH Ersatzteil (1619PB1753)
  • im Gerät verbaut: 1
Dieses BOSCH Ersatzteil ist mit folgendem Gerät und Modell kompatibel:
  • BOSCH Gerätename: GPO 950
  • BOSCH Explosionszeichnung: Position 17
  • BOSCH Typennummer: 3601CA20L0
  • BOSCH Typennummer alternative Schreibweisen: 3 601 CA2 0L0, 3601 CA2 0L0, 3.601.CA2.0L0, 3-601-CA2-0L0
    Bitte prüfen Sie diese Typennummer auf Ihrem Gerät um die Kompatibilität des BOSCH Ersatzteils zu gewährleisten.
Weitere BOSCH Ersatzteile des Gerätes GPO 950 (Winkelpolierer) mit der Typennummer 3601CA20L0 finden Sie in der nachfolgenden Darstellung und im Dropdown zu Ihrer Auswahl:

Pos.
4
BOSCH Schalter | Ersatzteile für GPO 950 | 1619PB1744
Hersteller: BOSCH
Artikelnummer: EB-3601CA20L0-1619PB1744
Netto: 9,18 € zzgl. MwSt.
zzgl. 6,90 € Versand (brutto)
einmalig pro Bestellung

Lieferzeit: 5 Werktage

Pos.
5
BOSCH Netzanschlussleitung | Ersatzteile für GPO 950 | 1619PB1935
Hersteller: BOSCH
Artikelnummer: EB-3601CA20L0-1619PB1935
nur Informationsartikel
Nie mehr lieferbar
keine Alternativen
Pos.
6
BOSCH Tülle | Ersatzteile für GPO 950 | 1619PB1746
Hersteller: BOSCH
Artikelnummer: EB-3601CA20L0-1619PB1746
Netto: 3,63 € zzgl. MwSt.
zzgl. 6,90 € Versand (brutto)
einmalig pro Bestellung

Lieferzeit: 5 Werktage

Pos.
7
BOSCH Befestigungsschelle | Ersatzteile für GPO 950 | 1619PB1747
Hersteller: BOSCH
Artikelnummer: EB-3601CA20L0-1619PB1747
Netto: 3,59 € zzgl. MwSt.
zzgl. 6,90 € Versand (brutto)
einmalig pro Bestellung

Lieferzeit: 5 Werktage

Pos.
9
BOSCH Firmenschild GPO 950 | Ersatzteile für GPO 950 | 1619PB1749
Hersteller: BOSCH
Artikelnummer: EB-3601CA20L0-1619PB1749
Netto: 4,56 € zzgl. MwSt.
zzgl. 6,90 € Versand (brutto)
einmalig pro Bestellung

Lieferzeit: 5 Werktage

Pos.
13
BOSCH Kugellager | Ersatzteile für GPO 950 | 1619PB1751
Hersteller: BOSCH
Artikelnummer: EB-3601CA20L0-1619PB1751
Netto: 4,82 € zzgl. MwSt.
zzgl. 6,90 € Versand (brutto)
einmalig pro Bestellung

Lieferzeit: 5 Werktage

Pos.
17
BOSCH Bürstendeckel | Ersatzteile für GPO 950 | 1619PB1753
Hersteller: BOSCH
Artikelnummer: EB-3601CA20L0-1619PB1753
Netto: 3,63 € zzgl. MwSt.
zzgl. 6,90 € Versand (brutto)
einmalig pro Bestellung

Lieferzeit: 5 Werktage

Pos.
24
BOSCH Dichtung | Ersatzteile für GPO 950 | 1619PB1756
Hersteller: BOSCH
Artikelnummer: EB-3601CA20L0-1619PB1756
Netto: 3,63 € zzgl. MwSt.
zzgl. 6,90 € Versand (brutto)
einmalig pro Bestellung

Lieferzeit: 5 Werktage

Pos.
32
BOSCH Sprengring | Ersatzteile für GPO 950 | 1619PB1763
Hersteller: BOSCH
Artikelnummer: EB-3601CA20L0-1619PB1763
Netto: 3,59 € zzgl. MwSt.
zzgl. 6,90 € Versand (brutto)
einmalig pro Bestellung

Lieferzeit: 5 Werktage

Pos.
33
BOSCH Getriebe | Ersatzteile für GPO 950 | 1619PB1764
Hersteller: BOSCH
Artikelnummer: EB-3601CA20L0-1619PB1764
Netto: 7,30 € zzgl. MwSt.
zzgl. 6,90 € Versand (brutto)
einmalig pro Bestellung

Lieferzeit: 5 Werktage

Pos.
34
BOSCH Schleifspindel | Ersatzteile für GPO 950 | 1619PB1765
Hersteller: BOSCH
Artikelnummer: EB-3601CA20L0-1619PB1765
Netto: 5,67 € zzgl. MwSt.
zzgl. 6,90 € Versand (brutto)
einmalig pro Bestellung

Lieferzeit: 5 Werktage

Pos.
35
BOSCH Doppelbartschlüssel | Ersatzteile für GPO 950 | 1619PB1766
Hersteller: BOSCH
Artikelnummer: EB-3601CA20L0-1619PB1766
Netto: 3,63 € zzgl. MwSt.
zzgl. 6,90 € Versand (brutto)
einmalig pro Bestellung

Lieferzeit: 5 Werktage

Pos.
39
BOSCH Blechschraube | Ersatzteile für GPO 950 | 1619PB1770
Hersteller: BOSCH
Artikelnummer: EB-3601CA20L0-1619PB1770
Netto: 3,63 € zzgl. MwSt.
zzgl. 6,90 € Versand (brutto)
einmalig pro Bestellung

Lieferzeit: 5 Werktage

Pos.
40
BOSCH O-Ring | Ersatzteile für GPO 950 | 1619PB1771
Hersteller: BOSCH
Artikelnummer: EB-3601CA20L0-1619PB1771
Netto: 3,63 € zzgl. MwSt.
zzgl. 6,90 € Versand (brutto)
einmalig pro Bestellung

Lieferzeit: 5 Werktage

Pos.
43
BOSCH Luftleitring | Ersatzteile für GPO 950 | 1619PB1774
Hersteller: BOSCH
Artikelnummer: EB-3601CA20L0-1619PB1774
Netto: 3,94 € zzgl. MwSt.
zzgl. 6,90 € Versand (brutto)
einmalig pro Bestellung

Lieferzeit: 5 Werktage

Pos.
44
BOSCH Blechschraube | Ersatzteile für GPO 950 | 1619PB1775
Hersteller: BOSCH
Artikelnummer: EB-3601CA20L0-1619PB1775
Netto: 3,63 € zzgl. MwSt.
zzgl. 6,90 € Versand (brutto)
einmalig pro Bestellung

Lieferzeit: 5 Werktage

Pos.
46
BOSCH Drehzahlregler | Ersatzteile für GPO 950 | 16072335EL
Hersteller: BOSCH
Artikelnummer: EB-3601CA20L0-16072335EL
Netto: 39,11 € zzgl. MwSt.
zzgl. 6,90 € Versand (brutto)
einmalig pro Bestellung

Lieferzeit: 5 Werktage

Pos.
47
BOSCH Gehäusedeckel | Ersatzteile für GPO 950 | 1619PB1778
Hersteller: BOSCH
Artikelnummer: EB-3601CA20L0-1619PB1778
Netto: 7,30 € zzgl. MwSt.
zzgl. 6,90 € Versand (brutto)
einmalig pro Bestellung

Lieferzeit: 5 Werktage

Pos.
48
BOSCH Blechschraube | Ersatzteile für GPO 950 | 1619PB1779
Hersteller: BOSCH
Artikelnummer: EB-3601CA20L0-1619PB1779
Netto: 3,63 € zzgl. MwSt.
zzgl. 6,90 € Versand (brutto)
einmalig pro Bestellung

Lieferzeit: 5 Werktage

Pos.
54
BOSCH Befestigungswinkel | Ersatzteile für GPO 950 | 1619PB1952
Hersteller: BOSCH
Artikelnummer: EB-3601CA20L0-1619PB1952
Netto: 3,63 € zzgl. MwSt.
zzgl. 6,90 € Versand (brutto)
einmalig pro Bestellung

Lieferzeit: 5 Werktage

Pos.
55
BOSCH Zwischenring | Ersatzteile für GPO 950 | 1619PB1953
Hersteller: BOSCH
Artikelnummer: EB-3601CA20L0-1619PB1953
Netto: 3,63 € zzgl. MwSt.
zzgl. 6,90 € Versand (brutto)
einmalig pro Bestellung

Lieferzeit: 5 Werktage

Pos.
651
BOSCH Schutzblech | Ersatzteile für GPO 950 | 1619PB1947
Hersteller: BOSCH
Artikelnummer: EB-3601CA20L0-1619PB1947
Netto: 3,63 € zzgl. MwSt.
zzgl. 6,90 € Versand (brutto)
einmalig pro Bestellung

Lieferzeit: 5 Werktage

Pos.
654
BOSCH Adaptereinsatz | Ersatzteile für GPO 950 | 1619PB1950
Hersteller: BOSCH
Artikelnummer: EB-3601CA20L0-1619PB1950
Netto: 6,70 € zzgl. MwSt.
zzgl. 6,90 € Versand (brutto)
einmalig pro Bestellung

Lieferzeit: 5 Werktage

Pos.
655
BOSCH Adaptereinsatz | Ersatzteile für GPO 950 | 1619PB1951
Hersteller: BOSCH
Artikelnummer: EB-3601CA20L0-1619PB1951
Netto: 6,70 € zzgl. MwSt.
zzgl. 6,90 € Versand (brutto)
einmalig pro Bestellung

Lieferzeit: 5 Werktage

Pos.
656
BOSCH Stützscheibe | Ersatzteile für GPO 950 | 1619PB1954
Hersteller: BOSCH
Artikelnummer: EB-3601CA20L0-1619PB1954
Netto: 9,18 € zzgl. MwSt.
zzgl. 6,90 € Versand (brutto)
einmalig pro Bestellung

Lieferzeit: 5 Werktage

Pos.
657
BOSCH Polierschwamm | Ersatzteile für GPO 950 | 1619PB1966
Hersteller: BOSCH
Artikelnummer: EB-3601CA20L0-1619PB1966
Netto: 7,76 € zzgl. MwSt.
zzgl. 6,90 € Versand (brutto)
einmalig pro Bestellung

Lieferzeit: 5 Werktage

Pos.
669
BOSCH Montierschlüssel | Ersatzteile für GPO 950 | 1619PB1967
Hersteller: BOSCH
Artikelnummer: EB-3601CA20L0-1619PB1967
Netto: 3,94 € zzgl. MwSt.
zzgl. 6,90 € Versand (brutto)
einmalig pro Bestellung

Lieferzeit: 5 Werktage

Pos.
801
BOSCH Gehäusebaugruppe | Ersatzteile für GPO 950 | 1619PB1968
Hersteller: BOSCH
Artikelnummer: EB-3601CA20L0-1619PB1968
Netto: 9,18 € zzgl. MwSt.
zzgl. 6,90 € Versand (brutto)
einmalig pro Bestellung

Lieferzeit: 5 Werktage

Pos.
802
BOSCH Polschuh | Ersatzteile für GPO 950 | 1619PB1969
Hersteller: BOSCH
Artikelnummer: EB-3601CA20L0-1619PB1969
Netto: 17,38 € zzgl. MwSt.
zzgl. 6,90 € Versand (brutto)
einmalig pro Bestellung

Lieferzeit: 5 Werktage

Pos.
803
BOSCH Anker | Ersatzteile für GPO 950 | 1619PB1970
Hersteller: BOSCH
Artikelnummer: EB-3601CA20L0-1619PB1970
Netto: 32,74 € zzgl. MwSt.
zzgl. 6,90 € Versand (brutto)
einmalig pro Bestellung

Lieferzeit: 5 Werktage

Pos.
808
BOSCH Typschild | Ersatzteile für GPO 950 | 1619PB2282
Hersteller: BOSCH
Artikelnummer: EB-3601CA20L0-1619PB2282
nur Informationsartikel
Nie mehr lieferbar
keine Alternativen
Pos.
810
BOSCH Kohlebürstensatz | Ersatzteile für GPO 950 | 1619PB1971
Hersteller: BOSCH
Artikelnummer: EB-3601CA20L0-1619PB1971
Netto: 5,19 € zzgl. MwSt.
zzgl. 6,90 € Versand (brutto)
einmalig pro Bestellung

Lieferzeit: 5 Werktage

Pos.
822
BOSCH Lagerdeckel | Ersatzteile für GPO 950 | 1619PB1972
Hersteller: BOSCH
Artikelnummer: EB-3601CA20L0-1619PB1972
Netto: 19,18 € zzgl. MwSt.
zzgl. 6,90 € Versand (brutto)
einmalig pro Bestellung

Lieferzeit: 5 Werktage

Pos.
823
BOSCH Getriebegehäuse | Ersatzteile für GPO 950 | 1619PB1973
Hersteller: BOSCH
Artikelnummer: EB-3601CA20L0-1619PB1973
Netto: 15,75 € zzgl. MwSt.
zzgl. 6,90 € Versand (brutto)
einmalig pro Bestellung

Lieferzeit: 5 Werktage

Pos.
850
BOSCH Zusatzhandgriff | Ersatzteile für GPO 950 | 1619PB1974
Hersteller: BOSCH
Artikelnummer: EB-3601CA20L0-1619PB1974
Netto: 6,70 € zzgl. MwSt.
zzgl. 6,90 € Versand (brutto)
einmalig pro Bestellung

Lieferzeit: 5 Werktage

Angaben zur Produktsicherheit

Hersteller:
Robert Bosch Power Tools GmbH
Postfach 30 02 20
70442 Stuttgart

E-Mail:
kontakt@bosch.de